Technological Trends for Electrical Machines and Drives Used in Small Wind Power Plants—A Review
Abstract
1. Introduction
2. Electrical Machines Used for Small-Scale Wind Power Generation
2.1. Configurations of Electrical Machines Used for Small-Scale Wind Power Plants
2.2. Polyphased Systems
2.3. Advantages and Disadvantages of Studied Generator Variants
3. Power Converters and Grid Connectivity in Small Wind Power Applications
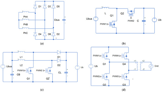
3.1. Power Converters for Mono-Phase Grid Connection
3.2. Multilevel Inverters
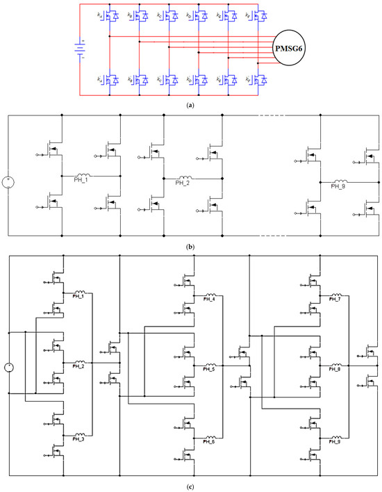
3.3. Multiphase Converters
4. Testing of Small Wind Power Generators
4.1. Laboratory Setup for Wind Power Generation Testing
4.2. Parameters Determination of Electrical Systems Used in Wind Power Generation
5. Conclusions
Funding
Data Availability Statement
Acknowledgments
Conflicts of Interest
References
- Policies—Global Energy and Climate Model—Analysis—IEA. Available online: https://www.iea.org/reports/global-energy-and-climate-model/policies (accessed on 23 October 2024).
- 20 RENEWABLE ENERGY Policy Recommendations. Available online: https://iea.blob.core.windows.net/assets/289ce970-b64b-4703-9b1d-e79a422b2ac8/20_Renewable_Energy_Policy_Recommendations.pdf (accessed on 23 October 2024).
- Directive (EU) 2023/2413 of the European Parliament and of the Council of 18 October 2023 amending Directive (EU) 2018/2001, Regulation (EU) 2018/1999 and Directive 98/70/EC as Regards the Promotion of Energy from Renewable Sources, and Repealing Council Directive (EU) 2015/652. Available online: https://eur-lex.europa.eu/legal-content/EN/TXT/?uri=CELEX%3A32023L2413&qid=1699364355105 (accessed on 23 October 2024).
- The Long-Term Strategy of the United States—Pathways to Net-Zero Greenhouse Gas Emissions by 2050. Available online: https://www.whitehouse.gov/wp-content/uploads/2021/10/US-Long-Term-Strategy.pdf (accessed on 23 October 2024).
- IEA, Latin America Energy Outlook. 2023. Available online: https://iea.blob.core.windows.net/assets/1055131a-8dc4-488b-9e9e-7eb4f72bf7ad/LatinAmericaEnergyOutlook.pdf (accessed on 23 October 2024).
- Renewable Energy Prospects: June 2020 SOUTH AFRICA. Available online: https://www.irena.org/-/media/Files/IRENA/Agency/Publication/2020/Jun/IRENA_REmap_South_Africa_report_2020.pdf (accessed on 23 October 2024).
- ASEAN Renewable Energy Policies. August 2016. Available online: https://aseanenergy.org/publications/asean-resp-asean-renewable-energy-policies/ (accessed on 23 October 2024).
- IEA—Australia 2023 Energy Policy Review. Available online: https://iea.blob.core.windows.net/assets/02a7a120-564b-4057-ac6d-cf21587a30d9/Australia2023EnergyPolicyReview.pdf (accessed on 23 October 2024).
- Roga, S.; Bardhan, S.; Kumar, Y.; Dubey, S.K. Recent technology and challenges of wind energy generation: A review. Sustain. Energy Technol. Assess. 2022, 52 Pt C, 102239. [Google Scholar] [CrossRef]
- Willis, D.; Niezrecki, C.; Kuchma, D.; Hines, E.; Arwade, S.; Barthelmie, R.; DiPaola, M.; Drane, P.; Hansen, C.; Inalpolat, M. Wind energy research: State-of-the-art and future research directions. J. Renew. Energy 2018, 125, 133–154. [Google Scholar] [CrossRef]
- Baloch, M.H.; Wang, J.; Kaloi, G.S. A review of the state of the art control techniques for wind energy conversion system. Int. J. Renew. Energy Res. 2016, 6, 1276–1295. [Google Scholar]
- Karabacak, K.; Cetin, N. Artificial neural networks for controlling wind–PV power systems: A review. Renew. Sustain. Energy Rev. 2014, 29, 804–827. [Google Scholar] [CrossRef]
- Poompavai, T.; Kowsalya, M. Control and energy management strategies applied for solar photovoltaic and wind energy fed water pumping system: A review. Renew. Sustain. Energy Rev. 2019, 107, 108–122. [Google Scholar] [CrossRef]
- Zuo, H.; Bi, K.; Hao, H. A state-of-the-art review on the vibration mitigation of wind turbines. Renew. Sustain. Energy Rev. 2020, 121, 109710. [Google Scholar] [CrossRef]
- Jaturacherdchaiskul, J.; Thongkeaw, S. Planning and operation for power system with wind power generators: A review. In Proceedings of the 2012 47th International Universities Power Engineering Conference (UPEC), Uxbridge, UK, 4–7 September 2012; pp. 1–5. [Google Scholar] [CrossRef]
- Khurshid, H.; Mohammed, B.S.; Al-Yacouby, A.M.; Liew, M.S.; Zawawi, N.A.W.A. Analysis of hybrid offshore renewable energy sources for power generation: A literature review of hybrid solar, wind, and waves energy systems. Dev. Built Environ. 2024, 19, 100497. [Google Scholar] [CrossRef]
- Tuncar, E.A.; Saglam, S.; Oral, B. A review of short-term wind power generation forecasting methods in recent technological trends. Energy Rep. 2024, 12, 197–209. [Google Scholar] [CrossRef]
- Zhu, L. Review of Wind Power Prediction Methods Based on Artificial Intelligence Technology. In Proceedings of the 2024 IEEE 7th Advanced Information Technology, Electronic and Automation Control Conference (IAEAC), Chongqing, China, 15–17 March 2024; pp. 1454–1457. [Google Scholar] [CrossRef]
- Liu, Z.; Cheng, X.; Peng, X.; Wang, P.; Zhao, X.; Liu, J.; Jiang, D.; Qu, R. A review of common-mode voltage suppression methods in wind power generation. Renew. Sustain. Energy Rev. 2024, 203, 114773. [Google Scholar] [CrossRef]
- Hannan, M.A.; Al-Shetwi, A.Q.; Mollik, M.S.; Ker, P.J.; Mannan, M.; Mansor, M.; Al-Masri, H.M.K.; Mahlia, T.M.I. Wind Energy Conversions, Controls, and Applications: A Review for Sustainable Technologies and Directions. Sustainability 2023, 15, 3986. [Google Scholar] [CrossRef]
- Aguemon, D.P.; Agbokpanzo, R.G.; Dubas, F.; Vianou, A.; Chamagne, D.; Espanet, C. A Comprehensive Analysis and Review on Electrical Machines in Wind Energy Conversion Systems. Adv. Eng. Forum 2020, 35, 77–93. [Google Scholar] [CrossRef]
- Chen, H.; Zuo, Y.; Chau, K.T.; Zhao, W.; Lee, C.H.T. Modern electric machines and drives for wind power generation: A review of opportunities and challenges. IET Renew. Power Gener. 2021, 15, 1864–1887. [Google Scholar] [CrossRef]
- Souza Junior, M.E.T.; Freitas, L.C.G. Power electronics for modern sustainable power systems: Distributed generation, microgrids and smart grids—A review. Sustainability 2022, 14, 3597. [Google Scholar] [CrossRef]
- Chen, Z.; Guerrero, J.M.; Blaabjerg, F. A Review of the State of the Art of Power Electronics for Wind Turbines. IEEE Trans. Power Electron. 2009, 24, 1859–1875. [Google Scholar] [CrossRef]
- Poorfakhraei, A.; Narimani, M.; Emadi, A. A Review of Multilevel Inverter Topologies in Electric Vehicles: Current Status and Future Trends. IEEE Open J. Power Electron. 2021, 2, 155–170. [Google Scholar] [CrossRef]
- Lipo, T.A.; Du, Z.S. Synchronous motor drives-a forgotten option. In Proceedings of the International Aegean Conference on Electrical Machines & Power Electronics (ACEMP), 2015 Intl Conference on Optimization of Electrical & Electronic Equipment (OPTIM) & 2015 Intl Symposium on Advanced Electromechanical Motion Systems (ELECTROMOTION), Side, Turkey, 2–4 September 2015; pp. 1–5. [Google Scholar] [CrossRef]
- Chen, X.; Pan, W.; Wang, X.; Zhou, Y. Design of a Brushless Doubly Fed Generator with Simplified Three-Phase Wound Rotor. IEEE Trans. Ind. Electron. 2023, 70, 4427–4439. [Google Scholar] [CrossRef]
- Shin, K.H.; Lipo, T.A. A super-synchronous doubly fed induction generator option for wind turbine applications. In Proceedings of the IEEE Energy Conversion Congress and Exposition (ECCE), Milwaukee, WI, USA, 18–22 September 2016; pp. 1–7. [Google Scholar] [CrossRef]
- Berrueta, A.; Sacristán, J.; López, J.; Rodríguez, J.L.; Ursúa, A.; Sanchis, P. Inclusion of a Supercapacitor Energy Storage System in DFIG and Full-Converter PMSG Wind Turbines for Inertia Emulation. IEEE Trans. Ind. Appl. 2023, 59, 3754–3763. [Google Scholar] [CrossRef]
- Puchalapalli, S.; Singh, B. A novel control scheme for wind turbine driven DFIG interfaced to utility grid. IEEE Trans. Ind. Appl. 2020, 56, 2925–2937. [Google Scholar] [CrossRef]
- Mahmoud, T.; Dong, Z.Y.; Ma, J. Integrated optimal active and reactive power control scheme for grid connected permanent magnet synchronous generator wind turbines. IET Electr. Power Appl. 2018, 12, 474–485. [Google Scholar] [CrossRef]
- Emar, W.; Alzgool, M.; Mansour, I. Reliability Enhancement of a Double-Switch Single-Ended Primary Inductance–Buck Regulator in a Wind-Driven Permanent Magnet Synchronous Generator Using a Double-Band Hysteresis Current Controller. Energies 2024, 17, 4868. [Google Scholar] [CrossRef]
- Putri, R.I.; Pujiantara, M.; Priyadi, A.; Ise, T.; Purnomo, M.H. Maximum power extraction improvement using sensorless controller based on adaptive perturb and observe algorithm for PMSG wind turbine application. IET Electr. Power Appl. 2018, 12, 455–462. [Google Scholar] [CrossRef]
- Fodorean, D.; Derban, S. Design and Performances Evaluation of a PMSG used for Pico-Power Plant—A case study. In Proceedings of the International Conference and Exposition on Electrical and Power Engineering, Iasi, Romania, 20–22 October 2022. [Google Scholar] [CrossRef]
- Dranca, M.A.; Chirca, M.; Breban, S.; Fodorean, D. Comparative Design Analysis of Two Modular Permanent Magnet Synchronous Generators. In Proceedings of the 2021 7th International Symposium on Electrical and Electronics Engineering (ISEEE), Galati, Romania, 28–30 October 2021; pp. 1–5. [Google Scholar] [CrossRef]
- Gharehseyed, S.; Vahedi, A.; Nobahari, A.; Darjazini, A. Torque characteristics enhancement of ring winding axial flux permanent magnet generator for direct-drive wind turbine. IET Electr. Power Appl. 2020, 14, 1584–1591. [Google Scholar] [CrossRef]
- Pop, A.A.; Jurca, F.; Oprea, C.; Chirca, M.; Breban, S.; Radulescu, M.M. Axial-flux vs. radial-flux permanent-magnet synchronous generators for micro-wind turbine application. In Proceedings of the 2013 15th European Conference on Power Electronics and Applications (EPE), Lille, France, 2–6 September 2013; pp. 1–10. [Google Scholar] [CrossRef]
- Seangwong, P.; Fernando, N.; Siritaratiwat, A.; Khunkitti, P. E-Core and C-Core Switched Flux Permanent Magnet Generators for Wind Power Generation. IEEE Access 2023, 11, 138590–138601. [Google Scholar] [CrossRef]
- Szabo, L.; Ruba, M. Segmental Stator Switched Reluctance Machine for Safety-Critical Applications. IEEE Trans. Ind. Appl. 2012, 48, 2223–2229. [Google Scholar] [CrossRef]
- Radimov, N.; Ben-Hail, N.; Rabinovici, R. Switched Reluctance Machines as Three-Phase AC Autonomous Generator. IEEE Trans. Magn. 2006, 42, 3760–3764. [Google Scholar] [CrossRef]
- Sarang, W.A.A.; Memon, A.A. Performance Assessment of Multi-Phase Switched Reluctance Machine for Wind Energy Applications. Eng. Proc. 2023, 46, 45. [Google Scholar] [CrossRef]
- Touati, Z.; Mahmoud, I.; Araújo, R.E.; Khedher, A. Fuzzy Super-Twisting Sliding Mode Controller for Switched Reluctance Wind Power Generator in Low-Voltage DC Microgrid Applications. Energies 2024, 17, 1416. [Google Scholar] [CrossRef]
- Barros, T.A.S.; Neto, P.J.S.; Filho, P.S.N.; Moreira, A.B.; Filho, E.R. An Approach for Switched Reluctance Generator in a Wind Generation System with a Wide Range of Operation Speed. IEEE Trans. Power Electron. 2017, 32, 8277–8292. [Google Scholar] [CrossRef]
- Djouadi, Y.; Tounzi, A.; Idjdarene, K. Effect of Cross-Saturation on the Performance of Synchronous Reluctance Machine Operating as Autonomous Generator. IEEE Trans. Magn. 2024, 60, 8102705. [Google Scholar] [CrossRef]
- Fodorean, D.; Szabo, L.; Miraoui, A. Generator Solutions for Stand Alone Pico-Electric Power Plants. In Proceedings of the International Electrical Machines and Drives Conference (IEMDC 2009), Miami, FL, USA, 3–6 May 2009; pp. 434–438. [Google Scholar]
- Ghaheri, A.; Afjei, E.; Torkaman, H. A novel axial air-gap transverse flux switching PM generator: Design, simulation and prototyping. IET Electr. Power Appl. 2022, 17, 452–463. [Google Scholar] [CrossRef]
- Oprea, C.; Martis, C.S.; Jurca, F.; Fodorean, D.; Szabo, L. Permanent Magnet Linear Generator for Renewable Energy Applications: Tubular vs. Four-Sided Structures. In Proceedings of the 3rd International Conference on Clean Electrical Power (ICCEP’11), Ischia, Italy, 14–16 June 2011. [Google Scholar]
- Fodorean, D.; Jurca, F.N.; Ruba, M.; Popa, D.C. Motorization Variants for Light Electric Vehicles—Design, Magnetic, Mechanical and Thermal Aspects; AlmaMater: Cluj-Napoca, Romania, 2013; ISBN 978-606-504-160-8. [Google Scholar]
- Dranca, M.; Chirca, M.; Zaharia, V.; Zaharia, A.; Breban, S. Permanent magnet generator for counter-rotating vertical axis micro-wind turbine. In Proceedings of the International Universities Power Engineering Conference (UPEC), Heraklion, Greece, 28–31 August 2017; pp. 1–6. [Google Scholar] [CrossRef]
- Ullah, W.; Khan, F.; Bola Akuru, U. Generating characteristics and experimentation of counter rotating dual rotor wound field flux switching wind generator. IET Electr. Power Appl. 2023, 18, 153–159. [Google Scholar] [CrossRef]
- Rao, Y.T.; Chakraborty, C.; Sengupta, S. Performance and Stability of Brushless Induction Excited Synchronous Generator Operating in Self-Excited Mode for Wind Energy Conversion System. IEEE Trans. Energy Convers. 2021, 36, 919–929. [Google Scholar] [CrossRef]
- Fodorean, D.; Viorel, I.A.; Djerdir, A.; Miraoui, A. Performances for a Synchronous Machine with Optimized Efficiency while Wide Speed Domain is Attempted. IET Electr. Power Appl. 2008, 2, 64–70. [Google Scholar] [CrossRef]
- Amara, Y.; Hlioui, S.; Belfkira, R.; Barakat, G.; Gabsi, M. Comparison of Open Circuit Flux Control Capability of a Series Double Excitation Machine and a Parallel Double Excitation Machine. IEEE Trans. Veh. Technol. 2011, 60, 4194–4207. [Google Scholar] [CrossRef]
- Fodorean, D. Self-Excited Synchronous Machines used for Small Wind Power Applications. In Proceedings of the International Conference on Renewable Energy Research and Applications (ICRERA 2024), Nagasaki, Japan, 9–13 November 2024; pp. 1–6, (ID 131). [Google Scholar]
- Zhao, X.; Jiang, J.; Niu, S.; Wang, Q. Slot-PM-Assisted Hybrid Reluctance Generator with Self-Excited DC Source for Stand-Alone Wind Power Generation. IEEE Trans. Magn. 2022, 58, 8700106. [Google Scholar] [CrossRef]
- Izzat, L.F.A.; Heier, S. Development in design of brushless self-excited and self-regulated synchronous generator. In Proceedings of the International Conference on Renewable Energy Research and Applications (ICRERA 2013), Madrid, Spain, 20–23 October 2013; pp. 1024–1029. [Google Scholar] [CrossRef]
- Marignetti, F.; D’Aguanno, D.; Di Stefano, R.L. Design and optimization of self-excited synchronous machines with fractional slots. In Proceedings of the International Conference on Ecological Vehicles and Renewable Energies (EVER 2015), Monte Carlo, Monaco, 31 March–2 April 2015; pp. 1–5. [Google Scholar] [CrossRef]
- Niu, S.; Liu, Y.; Ho, S.L.; Fu, W.N. Development of a Novel Brushless Power Split Transmission System for Wind Power Generation Application. IEEE Trans. Magn. 2014, 50, 8203004. [Google Scholar] [CrossRef]
- Neves, C.G.C.; Flores, Á.F. Coaxial magnetic gear analysis and optimization. In Proceedings of the International Conference on Renewable Energy Research and Application (ICRERA 2014), Milwaukee, WI, USA, 19–22 October 2014; pp. 91–97. [Google Scholar] [CrossRef]
- Jian, L.; Chau, K.T.; Jiang, J.Z. A Magnetic-Geared Outer-Rotor Permanent-Magnet Brushless Machine for Wind Power Generation. IEEE Trans. Ind. Appl. 2009, 45, 954–962. [Google Scholar] [CrossRef]
- Fodorean, D.; Pop Claudia, V. Suitability of a Permanent Magnet Synchronous Generator with Magnetic Gear for Wind Power Generation. In Proceedings of the International Conference on Renewable Energy Research and Applications (ICRERA 2024), Nagasaki, Japan, 9–13 November 2024; pp. 1–6, (ID 242). [Google Scholar]
- Yessef, M.; Benbouhenni, H.; Taoussi, M.; Lagrioui, A.; Colak, I.; Bossoufi, B.; Alghamdi, T.A.H. Experimental Validation of Feedback PI Controllers for Multi-Rotor Wind Energy Conversion Systems. IEEE Access 2024, 12, 7071–7088. [Google Scholar] [CrossRef]
- Wang, X.; Ru, Y.; Zhao, H.; Wang, Z. Numerical Investigation of Wind Turbine Airfoil Icing and Its Influencing Factors under Mixed-Phase Conditions. Energies 2024, 17, 4993. [Google Scholar] [CrossRef]
- Kumar, N.; Zakir Husain, M.; Rizwan Khan, M. D, Q reference frames for the simulation of multiphase (six phase) wound rotor induction generator driven by a wind turbine for disperse generation. IET Electr. Power Appl. 2019, 13, 1823–1834. [Google Scholar] [CrossRef]
- Dou, W.; Tong, Y.; Deng, X.; Gao, J.; Yang, F.; Ning, Y.; Zhao, H. Research on Maximum Power Tracking Strategy of 10MW Medium Voltage Six Phase Permanent Magnet Wind Turbine. In Proceedings of the 2020 IEEE International Conference on Applied Superconductivity and Electromagnetic Devices (ASEMD), Tianjin, China, 16–18 October 2020; pp. 1–2. [Google Scholar] [CrossRef]
- Han, J.; Zhang, Z. Research on dual-winding permanent magnet generator system with integrated dual-channel controller. IET Electr. Power Appl. 2023, 18, 42–51. [Google Scholar] [CrossRef]
- Meesuk, P.; Kinnares, V. Mathematical Model of Wind Turbine Simulator Based Five Phase Permanent Magnet Synchronous Generator Supplying Non-Linear Loads. In Proceedings of the International Conference on Engineering, Applied Sciences, and Technology (ICEAST), Vientiane, Laos, 1–4 June 2023; pp. 168–171. [Google Scholar] [CrossRef]
- Liwei, S.; Bo, Z. Analysis of a new five-phase fault-tolerant doubly salient brushless DC generator. IET Electr. Power Appl. 2016, 10, 633–640. [Google Scholar] [CrossRef]
- Verkroost, L.; Vande Ghinste, A.; Faria da Rocha, L.; De Kooning, J.D.M.; De Belie, F.; Sergeant, P.; Olsen, P.K.; Vansompel, H. Dynamic multi-agent dc-bus reconfiguration in modular motor drives with a stacked polyphase bridge converter. IET Electr. Power Appl. 2023, 18, 160–173. [Google Scholar] [CrossRef]
- Yao, F.; Sun, L.; Sun, D.; Lipo, T.A. Design and Excitation Control of a Dual Three-Phase Zero-Sequence Current Starting Scheme for Integrated Starter/Generator. IEEE Trans. Ind. Appl. 2021, 57, 3776–3786. [Google Scholar] [CrossRef]
- Matyas, A.R.; Biro, K.A.; Fodorean, D. Multi-Phase Synchronous Motor Solution for Steering Applications. Prog. Electromagn. Res. 2012, 131, 63–80. [Google Scholar] [CrossRef]
- Ruba, M.; Fodorean, D. Analysis of Fault-Tolerant Multiphase Power Converter for a Nine-Phase Permanent Magnet Synchronous Machine. IEEE Trans. Ind. Appl. 2012, 48, 2092–2101. [Google Scholar] [CrossRef]
- Katiraei, F.; Iravani, M.R.; Lehn, P.W. Micro-grid autonomous operation during and subsequent to islanding process. IEEE Trans. Power Deliv. 2005, 20, 248–257. [Google Scholar] [CrossRef]
- Al-Shetwi, A.Q.; Hannan, M.; Jern, K.P.; Alkahtani, A.A.; PG Abas, A. Power quality assessment of grid-connected pv system in compliance with the recent integration requirements. Electronics 2020, 9, 366. [Google Scholar] [CrossRef]
- Andresen, B.; Birk, J. A High Power Density Converter System for the Gamesa g10 × 4, 5 mw Wind Turbine. In Proceedings of the 2007 European Conference on Power Electronics and Applications, Aalborg, Denmark, 2–5 September 2007; pp. 1–8. [Google Scholar]
- Pigazo, A.; Qin, Z.; Liserre, M.; Blaabjerg, F. Generation of random wind speed profiles for evaluation of stress in WT power converters. In Proceedings of the International Conference on Renewable Energy Research and Applications (ICRERA 2013), Madrid, Spain, 20–23 October 2013; pp. 436–441. [Google Scholar] [CrossRef]
- Zhang, Q.; He, J.; Xu, Y.; Hong, Z.; Chen, Y.; Strunz, K. Average-Value Modeling of Direct-Driven PMSG-Based Wind Energy Conversion Systems. IEEE Trans. Energy Convers. 2022, 37, 264–273. [Google Scholar] [CrossRef]
- Li, J.; Xu, H. Direct-Drive Wind Power Generator System Based on Interleaved Boost Converter. In Proceedings of the Asia-Pacific Power and Energy Engineering Conference, Wuhan, China, 27–31 March 2009; pp. 1–4. [Google Scholar] [CrossRef]
- Nascimento, A.C.D.; Ribeiro, G.M.S.; de Lima, L.R.; de Alcântara, P.A.; Soares, L.C.S.; Barros, L.S.; Barros, C.M.V. Comparative Analysis between Three-Leg Interleaved and Conventional Bidirectional Converters Applied in Battery of Wind Power-Battery Unit Supplying an Islanded Microgrid. In Proceedings of the IEEE Power & Energy Society General Meeting (PESGM), Seattle, WA, USA, 21–25 July 2024; pp. 1–5. [Google Scholar] [CrossRef]
- Mumtaz, F.; Yahaya, N.Z.; Rahman, M.S.; Hasan, M.M. A Non-Isolated High-Gain Non-Inverting Interleaved DC-DC Converter Multi-Output Network for Renewable Energy Application. In Proceedings of the IEEE International Conference on Automatic Control and Intelligent Systems (I2CACIS), Shah Alam, Malaysia, 17 June 2023; pp. 257–262. [Google Scholar] [CrossRef]
- Aguirre, M.; Kouro, S.; Rodriguez, J.; Abu-Rub, H. Model predictive control of interleaved boost converters for synchronous generator wind energy conversion systems. In Proceedings of the IEEE International Conference on Industrial Technology (ICIT), Seville, Spain, 17–19 March 2015; pp. 2295–2301. [Google Scholar] [CrossRef]
- Szabo, L.; Ruba, M.; Fodorean, D. Study on a Simplified Converter Topology for Fault Tolerant Motor Drives. In Proceedings of the 11th OPTIM’08, Brasov, Romania, 22–24 May 2008; pp. 197–202. [Google Scholar] [CrossRef]
- Choudhury, A.; Pillay, P.; Williamson, S.S. Comparative Analysis Between Two-Level and Three-Level DC/AC Electric Vehicle Traction Inverters Using a Novel DC-Link Voltage Balancing Algorithm. IEEE J. Emerg. Sel. Top. Power Electron. 2014, 2, 529–540. [Google Scholar] [CrossRef]
- Fodorean, D.; Ioana, G. Multilevel inverter for EV charging via hybrid storage unit (Fuel Cell, Battery, Ultracapacitor). In Proceedings of the Electrical Systems for Aircraft, Railway, Ship Propulsion and Road Vehicles (ESARS) and International Transportation Electrification Conference (ITEC) 2024, Naples, Italy, 26–29 November 2024; pp. 1–6, in press. [Google Scholar]
- Farhangi, R.; Barzegarkhoo, R.P.; Aguilera, S.S.; Lee, D.D.; Lu, C.; Siwakoti, Y.P. A Single-Source Single-Stage Switched-Boost Multilevel Inverter: Operation, Topological Extensions, and Experimental Validation. IEEE Trans. Power Electron. 2022, 37, 11258–11271. [Google Scholar] [CrossRef]
- Silva, C.E.; Alzamora, A.M.; Paula, H.D. Broad Comparison of Multilevel Inverter Topologies Operating in Hostile Environments: DC Transmission Applicability and Feasibility. IEEE Trans. Ind. Appl. 2022, 58, 6852–6863. [Google Scholar] [CrossRef]
- Ravi, A.; Manoharan, P.S.; Vijay Anand, J. Modeling and simulation of three phase multilevel inverter for grid connected photovoltaic systems. Sol. Energy 2011, 85, 2811–2818. [Google Scholar] [CrossRef]
- Lizana, R.; Rivera, S.; Figueroa, F.; Flores-Bahamonde, F.; Rodriguez, J.; Goetz, S.M. Hybrid Energy Storage System Based on a Multioutput Multilevel Converter. IEEE J. Emerg. Sel. Top. Pow. Electron. 2023, 11, 3864–3873. [Google Scholar] [CrossRef]
- Jakhar, A.; Sandeep, N.; Verma, A.K. Seven-Level Common-Ground-Type Inverter with Reduced Voltage Stress. IEEE J. Emerg. Sel. Top. Power Electron. 2024, 12, 2108–2115. [Google Scholar] [CrossRef]
- Badawy, M.O.; Sharma, M.; Hernandez, C.; Elrayyah, A.; Guerra, S.; Coe, J. Model Predictive Control for Multi-Port Modular Multilevel Converters in Electric Vehicles Enabling HESDs. IEEE Trans. Energy Convers. 2022, 37, 10–23. [Google Scholar] [CrossRef]
- Thelukuntla, C.S.; Veerachary, M. Resonant controller based single-phase Z-source inverter with LCL-filter. In Proceedings of the Joint International Conference on Power Electronics, Drives and Energy Systems & 2010 Power India, New Delhi, India, 20–23 December 2010; pp. 1–6. [Google Scholar] [CrossRef]
- Almeida, F.A.F.; Guerra, F.; Serrão Gonçalves, F.A. Z-Source Inverter for Photovoltaic Microgeneration. In Proceedings of the 2019 IEEE 15th Brazilian Power Electronics Conference and 5th IEEE Southern Power Electronics Conference (COBEP/SPEC), Santos, Brazil, 1–4 December 2019; pp. 1–6. [Google Scholar] [CrossRef]
- Wang, X.; Vilathgamuwa, D.M.; Tseng, K.J.; Gajanayake, C.J. Controller design for variable-speed permanent magnet wind turbine generators interfaced with Z-source inverter. In Proceedings of the 2009 International Conference on Power Electronics and Drive Systems (PEDS), Taipei, Taiwan, 2–5 November 2009; pp. 752–757. [Google Scholar] [CrossRef]
- Venkatesan, S.G.; Kadwane, S.G.; Samarth, M.P.; Gawande, S.P. Harmonic analysis of grid connected Z-source inverter under variable load/input conditions. In Proceedings of the 2016 IEEE 6th International Conference on Power Systems (ICPS), New Delhi, India, 4–6 March 2016; pp. 1–6. [Google Scholar] [CrossRef]
- Saha, P.; Kar, A.; Behera, R.R.; Pandey, A.; Chandrasekhar, P.; Kumar, A. Performance optimization of hybrid renewable energy system for small scale micro-grid. Mater. Today Proc. 2022, 63, 527–534. [Google Scholar] [CrossRef]
- Yao, J.; Guo, L.; Zhou, T.; Xu, D.; Liu, R. Capacity configuration and coordinated operation of a hybrid wind farm with FSIG-based and PMSG-based wind farms during grid faults. IEEE Trans. Energy Convers. 2017, 32, 1188–1199. [Google Scholar] [CrossRef]
- Zhou, L.; Preindl, M. Reconfigurable hybrid micro-grid with standardized power module for high performance energy conversion. Appl. Energy 2023, 351, 121708. [Google Scholar] [CrossRef]
- Zhu, J.; Li, Y.; Peng, F.Z.; Lehman, B.; Huang, H. From Active Resistor to Lossless and Virtual Resistors: A Review, Insights, and Broader Applications to Energy Grids. IEEE J. Emerg. Sel. Top. Power Electron. 2024; early access. [Google Scholar] [CrossRef]
- Hosseinzadeh, M.A.; Sarebanzadeh, M.; Kennel, R.; Babaei, E.; Rivera, M. New Generalized Circuits for Single-Phase Multisource Multilevel Power Inverter Topologies. IEEE Trans. Power Electron. 2023, 38, 6823–6830. [Google Scholar] [CrossRef]
- Singh, D.; Sandeep, N. A Novel Common-Ground Multisource Inverter. IEEE Trans. Power Electron. 2023, 38, 15142–15146. [Google Scholar] [CrossRef]
- Liu, L.; Zhou, D.; Zou, J.; Wang, W. Decoupled Modeling and Wide-Range Power Distribution Strategy for the Multisource Inverter in Microgrids. IEEE Trans. Power Electron. 2024, 38, 12078–12090. [Google Scholar] [CrossRef]
- Zhou, D.; Zhang, Z.; Shen, Z.; Zou, J. Modulated Model Predictive Control of Multisource Inverters with Flexible Power Distribution. IEEE Trans. Ind. Electron. 2024, 71, 13732–13741. [Google Scholar] [CrossRef]
- Kurbatova, T.; Sotnyk, I.; Perederii, T.; Prokopenko, O.; Wit, B.; Pysmenna, U.; Kubatko, O. On-Grid Hybrid Wind–Solar Power Plants in Ukraine’s Residential Sector: Economic Justification of Installation Under Different Support Schemes. Energies 2024, 17, 5214. [Google Scholar] [CrossRef]
- Xuewei, S.; Xuefang, S.; Wenqi, D.; Peng, Z.; Hongyan, J.; Jinfang, W.; Yang, W. Research on Energy Storage Configuration Method Based on Wind and Solar Volatility. In Proceedings of the 2020 10th International Conference on Power and Energy Systems (ICPES), Chengdu, China, 25–27 December 2020; pp. 464–468. [Google Scholar] [CrossRef]
- Ely, W.; Doumbia, M.L.; Tahar, T.; Betoka, S.P.; Hamza, H. Energy Management of an Autonomous Hybrid Wind-Photovoltaic Microgrid with Battery Storage. In Proceedings of the International Conference on Renewable Energy Research and Applications (ICRERA 2023), Oshawa, ON, Canada, 29 August–1 September 2023; pp. 492–498. [Google Scholar] [CrossRef]
- Grgić, I.; Bašić, M.; Vukadinović, D.; Bubalo, M. Optimal Control of a Standalone Wind-Solar-Battery Power System with a Quasi-Z-Source Inverter. In Proceedings of the International Conference on Renewable Energy Research and Application (ICRERA 2020), Glasgow, UK, 27–30 September 2020; pp. 61–66. [Google Scholar] [CrossRef]
- Ciochinda, L.C.A.; Fodorean, D. Insulated Hybrid Grid based on PV system, Battery and Fuel Cell car—A case study. Eng. Proc. 2024, 79, 12. [Google Scholar] [CrossRef]
- Sun, X.; He, H.; Ma, L. Harmony search meta-heuristic algorithm based on the optimal sizing of wind-battery hybrid micro-grid power system with different battery technologies. J. Energy Storage 2024, 75, 109582. [Google Scholar] [CrossRef]
- Gade, S.; Agrawal, R.; Munje, R. Recent trends in power quality improvement: Review of the unified power quality conditioner. ECTI Trans. Electr. Eng. Electron. Commun. 2021, 19, 268–288. [Google Scholar] [CrossRef]
- Kablar, N.A. Renewable energy: Wind turbines, solar cells, small hydroelectric plants, biomass, and geothermal sources of energy. J. Energy Power Eng. 2019, 13, 162–172. [Google Scholar]
- Li, D.; Qian, K.; Gao, C.; Xu, Y.; Xing, Q.; Wang, Z. Research on Electric Hydrogen Hybrid Storage Operation Strategy for Wind Power Fluctuation Suppression. Energies 2024, 17, 5019. [Google Scholar] [CrossRef]
- Ma, K.; Yang, Y.; Wang, H.; Blaabjerg, F. Design for Reliability of Power Electronics in Renewable Energy Systems. In Use, Operation and Maintenance of Renewable Energy Systems; Springer: Berlin/Heidelberg, Germany, 2014; pp. 295–338. [Google Scholar]
- Obando Vega, F.; Rubio-Clemente, A.; Chica, E. Control System for the Performance Analysis of Turbines at Laboratory Scale. Energies 2024, 17, 4950. [Google Scholar] [CrossRef]
- Ogunjuyigbe, A.S.O.; Ayodele, T.R.; Adetokun, B.B.; Jimoh, A.A. Dynamic performance of wind-driven self-excited reluctance generator under varying wind speed and load. In Proceedings of the International Conference on Renewable Energy Research and Applications (ICRERA 2016), Birmingham, UK, 20–23 November 2016; pp. 506–511. [Google Scholar] [CrossRef]
- Chirca, M.; Dranca, M.; Breban, S.; Szabó, L. In-wheel Slotless Permanent Magnet Synchronous Motor for Light Electric Vehicle Propulsion. In Proceedings of the International Conference on Modern Power Systems (MPS), Cluj-Napoca, Romania, 21–23 June 2023; pp. 1–4. [Google Scholar] [CrossRef]
- Guenoune, I.; Plestan, F.; Chermitti, A.; Evangelista, C. Modeling and robust control of a twin wind turbines structure. Control Eng. Pr. 2017, 69, 23–35. [Google Scholar] [CrossRef]
- Cui, Y.; Song, P.; Wang, X.S.; Yang, W.X.; Liu, H.; Liu, H.M. Wind Power Virtual Synchronous Generator Frequency Regulation Characteristics Field Test and Analysis. In Proceedings of the 2018 2nd International Conference on Green Energy and Applications (ICGEA), Singapore, 24–26 March 2018; pp. 193–196. [Google Scholar] [CrossRef]
- Mei, H. The hardware design of the testing system for small grid-off wind turbine generator based on LabVIEW. In Proceedings of the 2011 International Conference on Electronics, Communications and Control (ICECC), Ningbo, China, 9–11 September 2011; pp. 1118–1121. [Google Scholar] [CrossRef]
- Fuchs, F.W.; Dannehl, J.; Lohde, R.; Dinkhauser, V.; Jensen, S.; Knop, A.; Wessels, C. Research laboratory for power Electronic generator systems in wind turbines comprising converters, generators, interaction and grid interaction. In Proceedings of the 2009 13th European Conference on Power Electronics and Applications, Barcelona, Spain, 8–10 September 2009; pp. 1–15. [Google Scholar]
- Singh, M.; Muljadi, E.; Gevorgian, V. Test cases for wind power plant dynamic models on real-time digital simulator. In Proceedings of the 2012 IEEE Power Electronics and Machines in Wind Applications, Denver, CO, USA, 16–18 July 2012; pp. 1–7. [Google Scholar] [CrossRef]
- Yamamoto, Y.; Kobayashi, S.; Yamashita, K.-I. Effects of System Parameters on the Steady-State Characteristics of a Wind Turbine Generator Based on Self-Excited Synchronous Generator for HVDC-Connected Wind Power Plants. In Proceedings of the 2021 24th International Conference on Electrical Machines and Systems (ICEMS), Gyeongju, Republic of Korea, 31 October–3 November 2021; pp. 2223–2227. [Google Scholar] [CrossRef]
- Li, H.; Lei, Y.; Geng, Y.; He, H.; Niu, Q.; Wang, K.; Wu, Y. A test methodology to verify reactive power support ability of wind turbines. In Proceedings of the 2022 IEEE 5th International Electrical and Energy Conference (CIEEC), Nangjing, China, 27–29 May 2022; pp. 449–454. [Google Scholar] [CrossRef]
- Tammaruckwattana, S.; Ohyama, K. Experimental verification of variable speed wind power generation system using permanent magnet synchronous generator by boost converter circuit. In Proceedings of the IECON 2013—39th Annual Conference of the IEEE Industrial Electronics Society, Vienna, Austria, 10–13 November 2013; pp. 7157–7162. [Google Scholar] [CrossRef]
- Cherukuri, H.H.C.; Saravanan, B.; Arunkumar, G. Experimental evaluation of the performance of virtual storage units in hybrid micro grids. Int. J. Electr. Power Energy Syst. 2020, 114, 105379. [Google Scholar] [CrossRef]
- Rastegar, F. Presenting a New Robust Control Structure for Quality Enhancement and Power Mitigation in a Wind Power System. In Proceedings of the 2022 26th International Electrical Power Distribution Conference (EPDC), Tehran, Iran, 11–12 May 2022; pp. 76–83. [Google Scholar]
- Allagui, M.; Hasnaoui, O.B.; Belhadj, J. A 2mw direct drive wind turbine; vector control and direct torque control techniques comparison. J. Energy S. Afr. 2014, 25, 117–126. [Google Scholar] [CrossRef]
- Liu, J.; Meng, H.; Hu, Y.; Lin, Z.; Wang, W. A novel MPPT method for enhancing energy conversion efficiency taking power smoothing into account. Energy Convers. Manag. 2015, 101, 738–748. [Google Scholar] [CrossRef]
- Jadidi, S.; Badihi, H.; Zhang, Y. Enhancing Hierarchical Fault-Tolerant Cooperative Control in Wind Farms: The Application of Model Predictive Control and Control Reallocation. In Proceedings of the International Conference on Renewable Energy Research and Applications (ICRERA 2023), Oshawa, ON, Canada, 29 August–1 September 2023; pp. 429–434. [Google Scholar] [CrossRef]
- Zamzoum, O.; El Mourabit, Y.; Errouha, M.; Derouich, A.; El Ghzizal, A. Power control of variable speed wind turbine based on doubly fed induction generator using indirect field-oriented control with fuzzy logic controllers for performance optimization. Energy Sci. Eng. 2018, 6, 408–423. [Google Scholar] [CrossRef]
- Bekker, J.C.; Vermeulen, H.J. Parameter estimation of a doubly-fed induction generator in a wind generation topology. In Proceedings of the 47th International Universities Power Engineering Conference (UPEC), Uxbridge, UK, 4–7 September 2012; pp. 1–6. [Google Scholar] [CrossRef]
- Wang, X.; Xiong, J.; Geng, L.; Zheng, J.; Zhu, S. Parameter identification of doubly-fed induction generator by the Levenberg-Marquardt-Fletcher method. In Proceedings of the IEEE Power & Energy Society General Meeting, Vancouver, BC, Canada, 21–25 July 2013; pp. 1–5. [Google Scholar] [CrossRef]
- Su, J.; Chen, Y.; Sun, L.; Liu, X.; Kang, Y. Parameter estimation of brushless doubly-fed induction generator based on steady experimental results. In Proceedings of the 2015 IEEE Energy Conversion Congress and Exposition (ECCE), Montreal, QC, Canada, 20–24 September 2015; pp. 2800–2804. [Google Scholar] [CrossRef]
- Farias, É.R.C.; Cari, E.P.T.; Erlich, I.; Shewarega, F. Online Parameter Estimation of a Transient Induction Generator Model Based on the Hybrid Method. IEEE Trans. Energy Convers. 2018, 33, 1529–1538. [Google Scholar] [CrossRef]
- Su, J.; Du, X.; Fang, L. Integrated parameter estimation method for Brushless doubly-fed induction generator based on simplified d-q model. In Proceedings of the 2021 International Conference on Power System Technology (POWERCON), Haikou, China, 8–9 December 2021; pp. 1388–1393. [Google Scholar] [CrossRef]
- IEEE 115-2019; IEEE Approved Draft Guide for Test Procedures for Synchronous Machines Including Acceptance and Performance Testing and Parameter Determination for Dynamic Analysis. IEEE: Piscataway, NJ, USA, 2019; pp. 1–232.
- Agahi, H.; Karrari, M.; Mahmoodzadeh, A. Two New Methods for Synchronous Generator Parameter Estimation. In Proceedings of the IEEE Lausanne Power Tech, Lausanne, Switzerland, 1–5 July 2007; pp. 1061–1066. [Google Scholar] [CrossRef]
- Escarela-Perez, R.; Niewierowicz, T.; Campero-Littlewood, E.; Hernandez-Avila, J.L. Estimation of Two-axis Synchronous Machine Parameters using Non-Deterministic Tools. In Proceedings of the 4th International Conference on Electrical and Electronics Engineering, Mexico City, Mexico, 5–7 September 2007; pp. 237–240. [Google Scholar] [CrossRef]
- Saied, S.A.; Karrari, M.; Abbaszadeh, K.; Malik, O.P. Identification of electric parameters of synchronous generators with detailed representation of damper windings. In Proceedings of the 40th North American Power Symposium, Calgary, AB, Canada, 28–30 September 2008; pp. 1–6. [Google Scholar] [CrossRef]
- Aljabrine, A.; Johnson, B.K.; Fischer, N. Synchronous Generator Testbed for Parameter Estimation. In Proceedings of the 2021 IEEE International Electric Machines & Drives Conference (IEMDC), Hartford, CT, USA, 17–20 May 2021; pp. 1–5. [Google Scholar] [CrossRef]
- Das, P.P.; Satpathy, S.; Bhattacharya, S.; Veliadis, V.; Deshpande, U.; Bhargava, B. Determination of Parameters of Symmetrical Six-Phase Permanent Magnet Synchronous Machines. In Proceedings of the IEEE International Electric Machines & Drives Conference (IEMDC), San Francisco, CA, USA, 15–18 May 2023; pp. 1–7. [Google Scholar] [CrossRef]
- Zou, Z.; Lu, Q.; Li, Y.; Zhu, Z.Q. Dynamic Regressor Extension and Mixing-Based Parameter Estimation for Permanent Magnet Linear Synchronous Machines Considering Parameter Asymmetry. In Proceedings of the IEEE International Electric Machines & Drives Conference (IEMDC), San Francisco, CA, USA, 15–18 May 2023; pp. 1–6. [Google Scholar] [CrossRef]
- Mir, S.; Islam, M.S.; Sebastian, T.; Hussain, I. Self-tuning of machine parameters in switched reluctance motor drives. In Proceedings of the Conference Record of the 2001 IEEE Industry Applications Conference. 36th IAS Annual Meeting (Cat. No.01CH37248), Chicago, IL, USA, 30 September–4 October 2001; Volume 3, pp. 2081–2088. [Google Scholar] [CrossRef]
- Viorel, I.-A.; Hameyer, K.; Strete, L. Transverse flux tubular switched reluctance motor. In Proceedings of the 2008 11th International Conference on Optimization of Electrical and Electronic Equipment, Brasov, Romania, 22–24 May 2008; pp. 131–136. [Google Scholar] [CrossRef]
- Strete, L.; Husain, I.; Cornea, O.; Viorel, I.-A. Direct and inverse analytical models of a switched reluctance motor. In Proceedings of the Digests of the 2010 14th Biennial IEEE Conference on Electromagnetic Field Computation, Chicago, IL, USA, 9–12 May 2010; p. 1. [Google Scholar] [CrossRef]
- Thirumalasetty, M.; Narayanan, G. Experimental Identification of Mechanical Parameters for Speed Controller Design of Switched Reluctance Machine Drive. In Proceedings of the IEEE International Conference on Energy Technologies for Future Grids (ETFG), Wollongong, Australia, 3–6 December 2023; pp. 1–6. [Google Scholar] [CrossRef]
- Cebolla, F.J.P.; Martinez, A.; Martin, B.; Laloya, E.; Montano, C.E.; Mendez, S.; Vicuna, J.E. Experimental equivalent circuit parameters identification of a switched reluctance motor. In Proceedings of the 35th Annual Conference of IEEE Industrial Electronics, Porto, Portugal, 3–5 November 2009; pp. 1140–1145. [Google Scholar] [CrossRef]
- Ding, Y.; Yu, K.; Tao, N.; Wang, J.; Palanas, P.J.; Xie, X. Operation Control Strategies for Switched Reluctance Motor Driven Flywheel Energy Storage System with Switching Angle Optimization. In Proceedings of the 4th International Conference on Electrical Engineering and Control Technologies (CEECT), Shanghai, China, 17 December 2022; pp. 1013–1019. [Google Scholar] [CrossRef]



















| Generator Type | Power Density | Extended Speed Capability | Fault Tolerance Capability | Complexity | Cost | Power Factor | Efficiency |
|---|---|---|---|---|---|---|---|
| SG (Figure 2a) | − | + | − | + | + | − | − − |
| AIG (Figure 2b) | − | − | − | + | + + | − | − − |
| SynRG (Figure 2c) | − | + | − | + + + | + + + | − − | − − |
| axially laminated SynRG (Figure 2d) | − | + + + | − | − − | − | + | − − |
| SRG (Figure 2e) | − − | + | + | + + + | + + | − − − | − − − |
| modular SRG (Figure 2f) | − − − | + | + + + | − − | − − | − − − | − − − |
| surface mounted PMSG (Figure 3a) | + + | − − − | − − − | − | − | − | + + + |
| half-inserted PMSG (Figure 3b) | + | − − | − − − | + | − | − | + + + |
| inserted PMSG (Figure 3c) | + | − | − − − | + | − | + | + + + |
| S-PMSG (Figure 3d) | + | + | − − − | + | + | + | + + |
| CP-PMSG (Figure 3e) | − | + | − − − | − − | − − | − | − − |
| AF-PMSG (Figure 3f) | + + | − − − | − − − | − | − | − | + + |
| T-PMSG (Figure 3g) | − − − | − − − | − − − | − − − | − − | − | − |
| TF-PMG (Figure 3h) | + + + | − − − | − − − | − − | − − | − − | − − |
| CR-PMSG (Figure 3i) | + | + | + | − − | − − | − | − |
| DESG1 (Figure 4a) | + | − | − − | − | − | − | + |
| DESG2 (Figure 4b) | − | + | − − | − − | − − | − | − |
| DESG3 (Figure 4c) | − | + | − − | − − | − − | + | − |
| DESG4 (Figure 4d) | + | + | − − | − − | − − | − − | − − |
| SESG1 (Figure 5a) | + | − | − − | − − − | − | − | + + |
| SESG2 (Figure 5b) | − | + + | − | − − − | + | + | + |
| PMSG-IMG (Figure 8) | + + | + | − − − | − − − | − − − | − | + |
| 6-phases PMSG (Figure 9a) | + | − − − | + + | + | − | − | + + + |
| 9-phases PMSG (Figure 10a) | + | − − − | + + + | + | − | − | + + + |
| Static Converter Type | Complexity | Cost | Higher Output Voltage | Fault-Tolerance | Efficiency | Controllability |
|---|---|---|---|---|---|---|
| 3-phase 2-level inverter (Figure 13a) | + + + | + + + | − − | − − − | + + + | + + + |
| 3-phase 3-level inverter (Figure 13b) | − − | − − | − | − − | − − | − |
| 3-phase 5-level inverter (Figure 13a) | − − − | − − − | − | − | − − − | − − − |
| 6-phase 2-level inverter (Figure 14a) | − | − − | − | + + | − − | − |
| 9-phase 2-level inverter1 (Figure 14b) | − − − | − − − | − | + + + | − − − | − − − |
| 9-phase 2-level inverter2 (Figure 14c) | − − | − − − | − | + + | − − − | − − |
| Z-source 3-phase inverter (Figure 16) | + + | + + | + | − − − | + + | + + + |
| multi-source inverter1 (Figure 17a) | + | + | + | − | + | + + |
| multi-source inverter2 (Figure 17b) | − − | − | + | − | − − | − |
| multi-source inverter3 (Figure 17c) | − | − | + | − | − | + |
| Parameter | Electrical Drive Type | Method |
|---|---|---|
| inductances for induction generator [130,131,132,133,134] | AIG | Short-circuit testing (blocked rotor) |
| d and q axis inductances for synchronous generators [135,136,137,138,139,140,141] | SG, PMSG, SESG, PMSG-IMG, SyRG | - Asynchronous starting. - Short-circuit testing (with the output of the stator phases connected to the same potential) in positive orientation (the rotor rotating in the same direction as the rotating field). - Short-circuit testing (with the output of the stator phases connected to the same potential) in negative orientation (the rotor rotating in opposition to the rotating field). |
| d and q axis inductances for synchronous generators [142,143,144,145,146,147] | SRG | Flux-Current dependency function of the rotor’s position. |
| inertia [72,145] | All types of electrical generators | Launching (coasting) method. |
| viscous coefficient [72,145] | All types of electrical generators | Launching (coasting) method. |
| resistance [72,135,143] | All types of electrical generators & inductors used for filtering and boosting | Volt-ampere method. |
Disclaimer/Publisher’s Note: The statements, opinions and data contained in all publications are solely those of the individual author(s) and contributor(s) and not of MDPI and/or the editor(s). MDPI and/or the editor(s) disclaim responsibility for any injury to people or property resulting from any ideas, methods, instructions or products referred to in the content. |
© 2024 by the author. Licensee MDPI, Basel, Switzerland. This article is an open access article distributed under the terms and conditions of the Creative Commons Attribution (CC BY) license (https://creativecommons.org/licenses/by/4.0/).
Share and Cite
Fodorean, D. Technological Trends for Electrical Machines and Drives Used in Small Wind Power Plants—A Review. Energies 2024, 17, 6483. https://doi.org/10.3390/en17246483
Fodorean D. Technological Trends for Electrical Machines and Drives Used in Small Wind Power Plants—A Review. Energies. 2024; 17(24):6483. https://doi.org/10.3390/en17246483
Chicago/Turabian StyleFodorean, Daniel. 2024. "Technological Trends for Electrical Machines and Drives Used in Small Wind Power Plants—A Review" Energies 17, no. 24: 6483. https://doi.org/10.3390/en17246483
APA StyleFodorean, D. (2024). Technological Trends for Electrical Machines and Drives Used in Small Wind Power Plants—A Review. Energies, 17(24), 6483. https://doi.org/10.3390/en17246483
