Generation and Validation of CFD-Based ROMs for Real-Time Temperature Control in the Main Control Room of Nuclear Power Plants
Abstract
1. Introduction
2. Main Control Room and HVAC System
2.1. Main Control Room
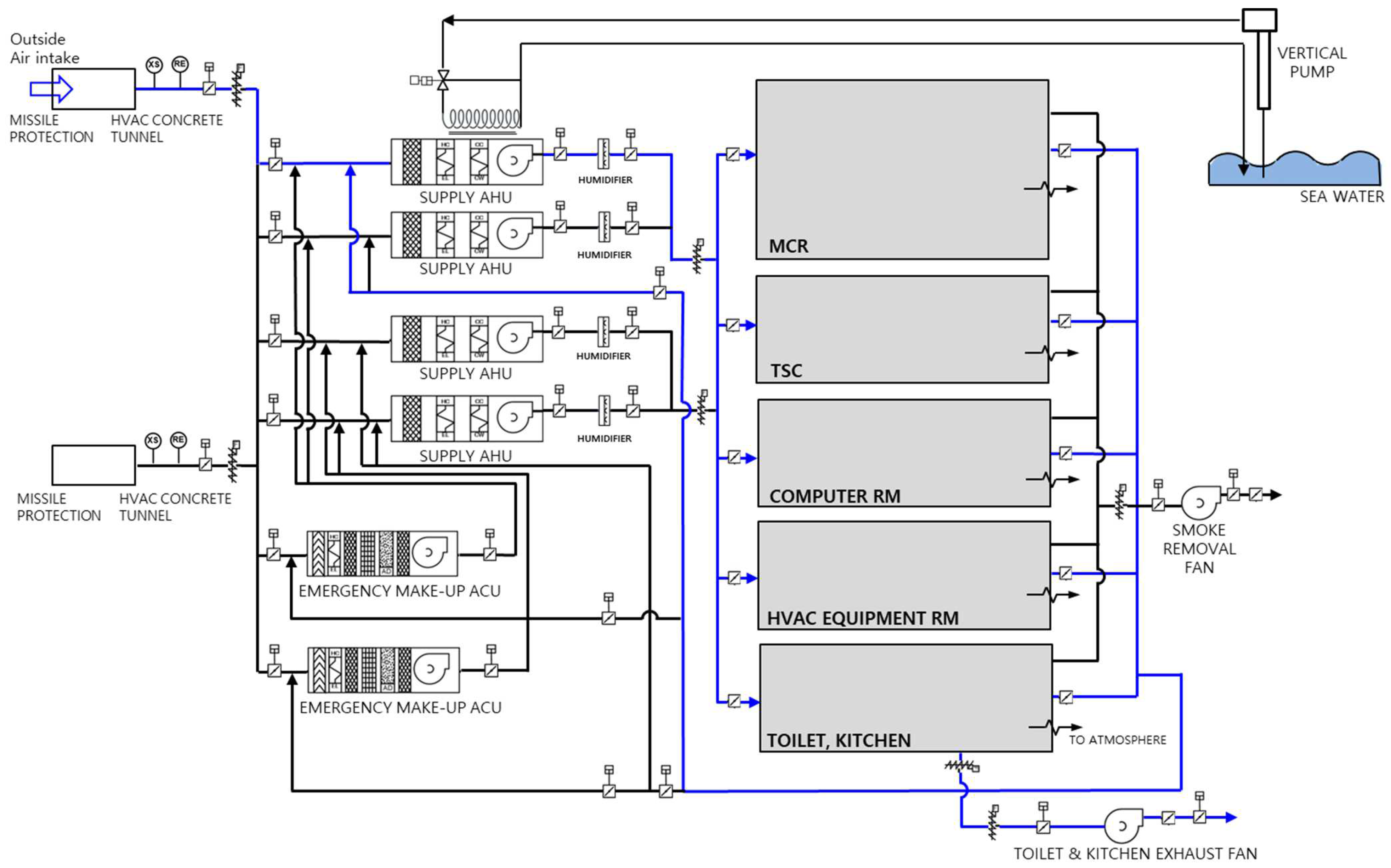
2.2. HVAC System
3. CFD Analysis
3.1. Model and Conditions of CFD Analysis
3.2. Methodology of CFD Analysis
3.3. Results of CFD Analysis
4. ROM Generation and Validation
4.1. ROM
4.2. ROM Generation
4.3. ROM Validation
5. Applicability Test of ROM in Combination with HVAC System
5.1. HVAC System Operating Conditions
5.2. Methodology of Applicability Test
5.3. Results of Applicability Test
6. Conclusions
Author Contributions
Funding
Data Availability Statement
Acknowledgments
Conflicts of Interest
References
- Juárez, M.; Inglada, V.J.; Giret, A. Digital Twins: Review and Challenges. J. Comput. Inf. Sci. Eng. 2021, 21, 030802. [Google Scholar] [CrossRef]
- Pliuhin, V.; Sukhonos, M.; Biletskyi, I.; Plankovskyy, S.; Tsegelnyk, Y. Implementation Features of Local and Remote Technical Objects Digital Twins. In IOP Conference Series: Earth and Environmental Science; IOP Publishing: Bristol, UK, 2024; Volume 1376. [Google Scholar] [CrossRef]
- Mitkov, R.; Pantusheva, M.; Petrova-Antonova, D.; Naserentin, V.; Logg, A. The Role of Computational Fluid Dynamics within City Digital Twins: Opportunities and Challenges. ISPRS Ann. Photogramm. Remote Sens. Spat. Inf. Sci. 2024, 10, 131–136. [Google Scholar] [CrossRef]
- Rozza, G.; Stabile, G.; Ballarin, F. (Eds.) Advanced Reduced Order Methods and Applications in Computational Fluid Dynamics; Society for Industrial and Applied Mathematics: Philadelphia, PA, USA, 2022. [Google Scholar] [CrossRef]
- Holemans, T.; Yang, Z.; Vanierschot, M. Efficient Reduced Order Modeling of Large Data Sets Obtained from CFD Simulations. Fluids 2022, 7, 110. [Google Scholar] [CrossRef]
- Es-haghi, M.S.; Anitescu, C.; Rabczuk, T. Methods for Enabling Real-Time Analysis in Digital Twins: A Literature Review. Comput. Struct. 2024, 297, 107342. [Google Scholar] [CrossRef]
- Wang, H.; Cao, Y.; Huang, Z.; Liu, Y.; Hu, P.; Luo, X.; Song, Z.; Zhao, W.; Liu, J.; Sun, J.; et al. Recent Advances on Machine Learning for Computational Fluid Dynamics: A Survey. arXiv 2023, arXiv:2408.12171. [Google Scholar]
- Costa, A.; Alba, M.; Biancolini, M. Geometric and Physical Reduced Order Modeling Applied to CFD Results. 2022. Available online: https://engrxiv.org/preprint/view/2545 (accessed on 13 September 2022).
- Aversano, G.; Ferrarotti, M.; Parente, A. Digital Twin of a Combustion Furnace Operating in Flameless Conditions: Reduced-Order Model Development from CFD Simulations. Proc. Combust. Inst. 2021, 38, 5373–5381. [Google Scholar] [CrossRef]
- Wijesooriya, K.; Mohotti, D.; Lee, C.-K.; Mendis, P. A Technical Review of Computational Fluid Dynamics (CFD) Applications on Wind Design of Tall Buildings and Structures: Past, Present and Future. J. Build. Eng. 2023, 74, 106828. [Google Scholar] [CrossRef]
- Huang, B.; Hui, Y.; Liu, Y.; Wang, H. Design of Twin Builder-Based Digital Twin Online Monitoring System for Crane Girders. Sensors 2023, 23, 9203. [Google Scholar] [CrossRef]
- KEPCO; KHNP. APR1400 Standard Design Certification Application Design Control Document, Revision 3, Tier 1 and Tier 2. Available online: https://www.nrc.gov/reactors/new-reactors/large-lwr/design-cert/apr1400/dcd.html (accessed on 26 September 2024).
- International Atomic Energy Agency. Modern Instrument and Control for Nuclear Power Plants: A Guidebook, Technical Reports Series No. 387; International Atomic Energy Agency: Vienna, Austria, 1999. [Google Scholar]
- International Atomic Energy Agency. Control Room Systems Design for Nuclear Power Plants, IAEA-TECDOC-812; International Atomic Energy Agency: Vienna, Austria, 1995. [Google Scholar]
- Jung, Y.-S.; Cho, S.-J. Development of a Prototype for the Digitalized Nuclear Power Plant’s Main Control Room. J. Inst. Internet Broadcast Commun. 2009, 9, 145–152. [Google Scholar]
- Kim, D.W. A Comparative Study of Evacuation Scenario of the Auxiliary Building’s Main Control Room in Nuclear Power Plants. Master’s Thesis, Hanyang University, Seoul, Republic of Korea, 2015. [Google Scholar]
- International Atomic Energy Agency. Instrumentation and Control Systems for Advanced Small Modular Reactors, IAEA Nuclear Energy Series, No. NP-T-3.19; International Atomic Energy Agency: Vienna, Austria, 2017. [Google Scholar]
- International Atomic Energy Agency. Core Knowledge on Instrumentation and Control Systems in Nuclear Power Plants, IAEA Nuclear Energy Series, No. NP-T-3.12; International Atomic Energy Agency: Vienna, Austria, 2011. [Google Scholar]
- U.S. Nuclear Regulatory Commission. Instrumentation and Controls in Nuclear Power Plants: An Emerging Technologies Update, NU-REG/CR-6992; U.S. Nuclear Regulatory Commission: Washington, DC, USA, 2009. [Google Scholar]
- Choi, J.; Kim, H.; Jung, W.; Lee, S.J. Analysis of Interface Management Tasks in a Digital Main Control Room. Nucl. Eng. Technol. 2019, 51, 1554–1560. [Google Scholar] [CrossRef]
- Lee, M.S.; Hong, J.H.; Suh, J.K.; Lee, S.H.; Hwang, D.H. Development of Human Factors Validation System for the Advanced Control Room of APR1400. J. Nucl. Sci. Technol. 2009, 46, 90–101. [Google Scholar] [CrossRef]
- Kim, B.; Lee, J.; Kim, S.; Shin, W.G. Habitability Evaluation Considering Various Input Parameters for Main Control Benchboard Fire in the Main Control Room. Nucl. Eng. Technol. 2022, 54, 4195–4208. [Google Scholar] [CrossRef]
- Patankar, S.V.; Spalding, D.B. A Calculation Procedure for Heat, Mass and Momentum Transfer in Three-Dimensional Parabolic Flows. Int. J. Heat Mass Transf. 1972, 15, 1787–1806. [Google Scholar] [CrossRef]
- ANSYS, Inc. ANSYS Fluent Theory Guide; ANSYS, Inc.: Canonsburg, PA, USA, 2023. [Google Scholar]
- ANSYS, Inc. ANSYS Fluent User’s Guide; ANSYS, Inc.: Canonsburg, PA, USA, 2023. [Google Scholar]
- Carlberg, K.; Farhat, C.; Cortial, J.; Amsallem, D. The GNAT Method for Nonlinear Model Reduction: Effective Implementation and Application to Computational Fluid Dynamics and Turbulent Flows. J. Comput. Phys. 2013, 242, 623–647. [Google Scholar] [CrossRef]
- Salem, M.B.; Gogu, C.; Haftka, R.T. Automatic Selection for General Surrogate Models. Struct. Multidiscip. Optim. 2018, 58, 719–734. [Google Scholar] [CrossRef]
- ANSYS, Inc. Twin Builder Help, Release 2023R1; ANSYS, Inc.: Canonsburg, PA, USA, 2023. [Google Scholar]










| Unit | Design | Range | No. of Selected Operating Conditions [EA] | No. of Combined Operating Conditions for CFD [EA] | |||
|---|---|---|---|---|---|---|---|
| Supply Diffusers (38 EA) | Flow rate | [CMH] | 24,650 | 20,732 ~24,650 | 2 | 96 | |
| Temperature | [°C] | 20 | 10.0 ~ 30.0 | 9 | |||
| Return/Exhaust Grilles (24 EA) | Flow rate | [CMH] | 24,650 | 20,732 ~ 24,650 | 2 | ||
| Heat Load | Wall (Transmission) | Floor | [kW] | 5.1 | Fixed | 1 | |
| East | [kW] | 0.9 | Fixed | 1 | |||
| West | [kW] | 6.5 | Fixed | 1 | |||
| South | [kW] | 0.3 | Fixed | 1 | |||
| North | [kW] | −0.2 | Fixed | 1 | |||
| Ceiling | [kW] | 6.7 | Fixed | 1 | |||
| Heat Load I | I&C Equip. | [kW] | 30.2 | 24.7 ~ 42.7 kW | 7 | ||
| (82 ~ 141%) | |||||||
| Elect. Load | [kW] | 3.3 | Fixed | 1 | |||
| Operator | [kW] | 0.6 | Fixed | 1 | |||
| Heat Load II | Add. Heat | [kW] | 0 | 0.0 ~ 20.0 kW | 3 | ||
| SUM | 53.4 | 47.9 ~ 85.9 kW | - | - | |||
| Case | Supply Diffusers | Heat Load | ||||||
|---|---|---|---|---|---|---|---|---|
| Flow Rate | Temp. | Heat Load I | Heat Load II | Total | ||||
| Wall | I&C Equip. | Elect. Load | Operator | Add. Heat | ||||
| [CMH] | [K] | [kW] | [kW] | [kW] | [kW] | [kW] | [kW] | |
| 01 | 24,650 | 303.15 | 19.3 | 30.2 | 3.3 | 0.6 | 0 | 53.4 |
| 53.4 | ||||||||
| 06 | 24,650 | 290.65 | 19.3 | 30.2 | 3.3 | 0.6 | 0 | 53.4 |
| 53.4 | ||||||||
| 52 | 20,732 | 295.65 | 19.3 | 30.2 | 3.3 | 0.6 | 0 | 53.4 |
| 53.4 | ||||||||
| Case 01 | Case 06 | Case 52 | |||||||||||
|---|---|---|---|---|---|---|---|---|---|---|---|---|---|
| Velocity Mag. [m/s] | Temperature [K] | Velocity Mag. [m/s] | Temperature [K] | Velocity Mag. [m/s] | Temperature [K] | ||||||||
| CFD | ROM | CFD | ROM | CFD | ROM | CFD | ROM | CFD | ROM | CFD | ROM | ||
| Max Value | 3.06 | 2.92 | 472.83 | 468.99 | 3.05 | 3.01 | 468.38 | 462.62 | 459.28 | 470.46 | 459.28 | 470.46 | |
| Min Value | 0.01 | −0.01 | 303.15 | 302.47 | 0.00 | 0.03 | 290.65 | 290.57 | 295.63 | 295.89 | 295.63 | 295.89 | |
| Mean Value | 0.25 | 0.24 | 308.68 | 308.79 | 0.25 | 0.26 | 296.47 | 296.37 | 302.32 | 302.44 | 302.32 | 302.44 | |
| Standard Deviation | 0.17 | 0.18 | 3.28 | 3.28 | 0.17 | 0.18 | 3.38 | 3.25 | 3.33 | 3.36 | 3.33 | 3.36 | |
| Similarity | RD [-] | 0.225 | 0.001 | 0.370 | 0.002 | 0.352 | 0.001 | ||||||
| RMSE [m/s] or [K] | 0.074 | 0.805 | 0.090 | 1.000 | 0.085 | 0.990 | |||||||
| MAE [m/s] or [K] | 0.042 | 0.393 | 0.059 | 0.461 | 0.058 | 0.447 | |||||||
| R [-] | 0.910 | 0.970 | 0.867 | 0.956 | 0.846 | 0.957 | |||||||
| Unit | Value | Remark | |||||
|---|---|---|---|---|---|---|---|
| Outside Air Intake(Atmosphere) | Flow Rate | [CMH] | 6600 | Fixed | |||
| Temperature | [°C] | −13.2 ~ 16.3 | Variable over time (Figure 9a) | ||||
| Recirculation | Flow Rate | [CMH] | 35,240 | Fixed | |||
| Temperature | [°C] | - | Calculated from HVAC system | ||||
| Supply AHU | Flow Rate | [CMH] | 41,840 | Fixed | |||
| Performance | Cooling | [kW] | Max. 150 |
| |||
| Heating | [kW] | Max. 50 |
| ||||
| Control | [-] | On | - | ||||
| MCR | Flow Rate | Supply Diffusers (38 EA) | [CMH] | 24,650 | Fixed | ||
| Return Grilles (24 EA) | [CMH] | 24,283 | Fixed | ||||
| Leakage | [CMH] | 367 | Fixed | ||||
| Heat Load | Wall (Transmission) | Floor | [kW] | 5.10 | Fixed | ||
| East | [kW] | 0.90 | Fixed | ||||
| West | [kW] | 6.50 | Fixed | ||||
| South | [kW] | 0.30 | Fixed | ||||
| North | [kW] | −0.20 | Fixed | ||||
| Ceiling | [kW] | 6.70 | Fixed | ||||
| Heat Load I | I&C Equip. | [kW] | 20.80 ~ 38.50 | Variable over time (Figure 9b) | |||
| Elect. Load | [kW] | 3.30 | Fixed | ||||
| Operator | [kW] | 0.60 | Fixed | ||||
| Heat Load II | Add. Heat | [kW] | 0.00 ~ 20.00 | Variable over time (Figure 9c) | |||
| TSC | Flow Rate | Supply Diffusers | [CMH] | 5035 | Fixed | ||
| Return Grilles | [CMH] | 4790 | Fixed | ||||
| Leakage | [CMH] | 245 | Fixed | ||||
| Heat Load | [kW] | 6.873 | Fixed | ||||
| Computer Room | Flow Rate | Supply Diffusers | [CMH] | 490 | Fixed | ||
| Return Grilles | [CMH] | 0 | Fixed | ||||
| Leakage | [CMH] | 490 | Fixed | ||||
| Heat Load | [kW] | 0.165 | Fixed | ||||
| HVAC Equipment Room | Flow Rate | Supply Diffusers | [CMH] | 2701 | Fixed | ||
| Return Grilles | [CMH] | 991 | Fixed | ||||
| Leakage | [CMH] | 1710 | Fixed | ||||
| Heat Load | [kW] | 4.559 | Fixed | ||||
| Toilet, Kitchen | Flow Rate | Supply Diffusers | [CMH] | 8964 | Fixed | ||
| Return Grilles → Return Duct | [CMH] | 5176 | Fixed | ||||
| Exhaust Grilles → Exhaust FAN → Atmosphere | [CMH] | 3178 | Fixed | ||||
| Leakage | [CMH] | 610 | Fixed | ||||
| Heat Load | [kW] | 12.085 | Fixed | ||||
Disclaimer/Publisher’s Note: The statements, opinions and data contained in all publications are solely those of the individual author(s) and contributor(s) and not of MDPI and/or the editor(s). MDPI and/or the editor(s) disclaim responsibility for any injury to people or property resulting from any ideas, methods, instructions or products referred to in the content. |
© 2024 by the authors. Licensee MDPI, Basel, Switzerland. This article is an open access article distributed under the terms and conditions of the Creative Commons Attribution (CC BY) license (https://creativecommons.org/licenses/by/4.0/).
Share and Cite
Kang, S.-H.; Choi, D.-K.; Son, S.-M.; Choi, C. Generation and Validation of CFD-Based ROMs for Real-Time Temperature Control in the Main Control Room of Nuclear Power Plants. Energies 2024, 17, 6406. https://doi.org/10.3390/en17246406
Kang S-H, Choi D-K, Son S-M, Choi C. Generation and Validation of CFD-Based ROMs for Real-Time Temperature Control in the Main Control Room of Nuclear Power Plants. Energies. 2024; 17(24):6406. https://doi.org/10.3390/en17246406
Chicago/Turabian StyleKang, Seung-Hoon, Dae-Kyung Choi, Sung-Man Son, and Choengryul Choi. 2024. "Generation and Validation of CFD-Based ROMs for Real-Time Temperature Control in the Main Control Room of Nuclear Power Plants" Energies 17, no. 24: 6406. https://doi.org/10.3390/en17246406
APA StyleKang, S.-H., Choi, D.-K., Son, S.-M., & Choi, C. (2024). Generation and Validation of CFD-Based ROMs for Real-Time Temperature Control in the Main Control Room of Nuclear Power Plants. Energies, 17(24), 6406. https://doi.org/10.3390/en17246406

