Next Article in Journal
Impact of Shading Effect from Nearby Buildings on Energy Demand and Load Calculations for Historic City Centres in Central Europe
Previous Article in Journal
Source-Load Collaborative Optimization Method Considering Core Production Constraints of Electrolytic Aluminum Load
 
 
Font Type:
Arial Georgia Verdana
Font Size:
Aa Aa Aa
Line Spacing:
Column Width:
Background:
Article

A New Approach for Measuring and Comparing the Energy Performances in Hydraulic Systems

by
Gustavo Koury Costa
1 and
Nariman Sepehri
2,*
1
Federal Institute of Science and Technology (IFPE), Recife CEP 50740-540, Brazil
2
Department of Mechanical Engineering, The University of Manitoba, Winnipeg, MB R3T-5V6, Canada
*
Author to whom correspondence should be addressed.
Energies 2024, 17(24), 6397; https://doi.org/10.3390/en17246397
Submission received: 9 October 2024 / Revised: 15 December 2024 / Accepted: 17 December 2024 / Published: 19 December 2024
(This article belongs to the Section B: Energy and Environment)

Abstract

The need for “green” energy management has sparked discussions on developing hydraulically actuated systems that are more efficient, consume less power, and are consequently more environmentally friendly. Numerous scientific papers and extensive research have been dedicated to this important topic. However, due to the variety of designs and different modes of operation, there is still no unified method to compare different systems with respect to energy management. In fact, terms such as “efficiency” and “energy regeneration” are often loosely defined and need to be revisited periodically. In this paper, we propose a new, physically meaningful indicator called the “Cyclic Performance Ratio” to measure the energy performance of hydraulic circuits. The goal is to establish a universal method that can be reliably used to compare industrial hydraulically actuated machines with respect to their energy efficiencies. Specifically, we aim to (a) precisely define the three possible modes of operation of hydraulic circuits, (b) establish the correct conditions under which the usual definition of efficiency can be applied in hydraulic circuits, (c) demonstrate that the current concept of efficiency cannot be used for operations where load energy is recovered, and (d) argue that the newly defined performance indicator correctly accounts for energy load recovery. Some examples are provided to show how the new indicator can be used with confidence in various applications.

1. Introduction

Nowadays, there is great interest in green energy equipment that makes good use of power with as little energy waste as possible. Thus, concerning hydraulic machinery, statements such as “(the) hydraulic transmission efficiency of traditional hydraulic servo control system is very low” [1] or “(the) average energy efficiency of the hydraulic system is only about 54%” [2] are frequently found in the literature. In fact, in many scientific works, the efficiency of hydraulic machines and the reuse of load energy is a topic of discussion [3,4,5,6,7,8,9,10,11,12,13,14,15,16,17,18,19,20,21,22,23,24,25,26]. However, only a few references explicitly care to mathematically define what is meant by “efficiency” (for example, references [6,7,13,14]). The great majority interweave efficiency with “energy savings” and similar concepts, without an explicit reference to the definition itself.
Generally speaking, efficiency is simply the ratio between output energy and input energy for a given machine. As such, in a hypothetical lossless scenario, the highest possible efficiency value is one. As energy can be expressed as the integral of power over a period of time, T, it is also necessary to establish the time interval for which the input and output powers are measured. For a machine operating in cyclic mode, a convenient operation cycle must be chosen beforehand, as indicated in references [5,6]. Although the operation cycle is not a pre-requisite to measure efficiency, it is necessary to establish a sequence of motions and a period over which the hydraulic machine will have its performance measured. Otherwise, a justified comparison between two distinct circuits is not possible.
It is important to note that commonly used energy efficiency is not a good comparative indicator when load energy is reused, as is the case in some hydraulic circuits that can regenerate energy at motoring quadrants. Comparisons between the energy performances in such cases, have, in fact, been made [5,6], where the relative difference between the energy consumption of two hydraulic systems was used as an indicator. However, no universal index has ever been suggested that could quantify the energy performances of different hydraulic circuits. As an example, in [6], two different hydraulic circuits for a forklift were compared; one of which had some energy recovery capability. The consumed energy was measured in both the cases as E old (energy consumed by the circuit without energy recovery) and E n e w (energy consumed by the circuit with energy recovery). A comparative indicator named “energy saving ratio”, Γ , was then defined as Γ = E o l d E n e w / E o l d . Although the proposed indicator was meaningful, it stood as a relative indicator, whose meaning was restricted to comparing the improvements made on an existing hydraulic system. In this paper, we address the challenge of measuring and comparing the energetic performances of hydraulic circuits. We argue that the current efficiency definitions need to be revised for this purpose. By employing various operation cycles, we demonstrate that the classical definition of “efficiency” is only applicable under certain conditions. We then define a suitable “operation cycle” using its thermodynamic counterpart as an analogue. Building on this operation cycle, we propose a new indicator, the “Cyclic Performance Index” (CPI), which can be used instead of “efficiency” to compare different hydraulic circuits under varying loads, with or without energy regeneration. The CPI incorporates not only energy losses, but also energy gains when load energy is recovered. It is easy to measure experimentally and accounts for all the energy exchanges between the hydraulic power generator (e.g., a pump) and the power user (e.g., a hydraulic actuator). We present case studies representative of several popular designs, focusing primarily on single-actuated hydraulic circuits. Nevertheless, the CPI concept can also be extended to multi-actuator circuits.

2. Problem Statement

Attempts have been made to define efficiency in hydraulic circuits. However, they generally prove inadequate when subjected to deeper analysis. For instance, recently, a definition was introduced for hydraulic system efficiency based on a Sankey flow diagram for an excavator [16]. Figure 1 shows part of the diagram as represented initially in [16], where the “total circuit efficiency” based on energy flows was defined as
η = E a c t E r E i = E o E i
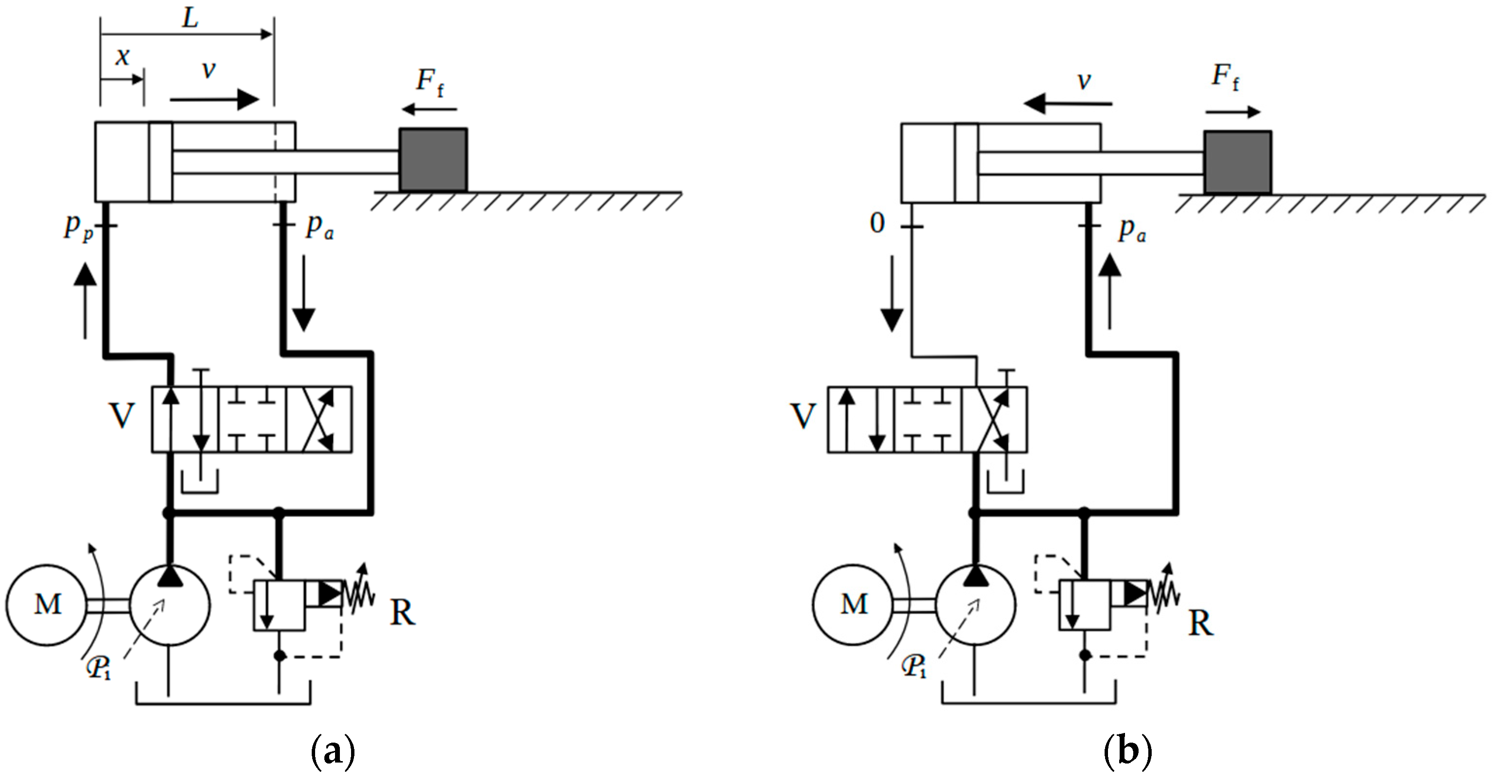
In Equation (1), E o is the energy output produced by the actuator, and E i is the energy supplied by the prime mover. The energy output can be split into E a c t , which is the hydraulic energy reaching the actuator through the hydraulic circuit, and E r , which is the load energy that could be retrieved, but is otherwise wasted. To the best of our knowledge, Equation (1) is the only proposed equation to calculate efficiency in hydraulic circuits where energy from the load is factored in. From this equation, when the load energy that can be recovered in the process is reused (and not wasted), we have E r = 0 . Since, in this case, less input energy ( E i ) would be needed, the reuse of load energy would, in fact, result in a higher efficiency value. However, as will be shown in the following text, η , in Equation (1) will eventually lead to inconsistent results in some situations. For instance, let us consider the case where a cylinder is used to lift a mass weight, m , as shown in Figure 2.
During lifting (Figure 2a), an amount of energy, E a c t 1 = m g h ( g is gravitational acceleration and h is the cylinder stroke), is transferred to the actuator. In this phase (let us call it phase 1), there is no possibility of recovering the load energy, and only a part of the pump energy, E i 1 , is transformed into energy at the cylinder. If we were to obtain the circuit efficiency for this lifting phase alone, Equation (1) would give a reasonable account of the energy loss during the process. Thus, if we call η 1 circuit efficiency during the lifting phase, we have
η 1 = m g h E i 1
Consider now phase 2 of the process, where the directional valve V is shifted and the weight energy, m g h , is dissipated through the counterbalance valve, C. In this phase, some energy, E i 2 , is consumed by the pump, but it is very little when compared to E i 1 . This is simply because the counterbalance valve, C, can be set to a very low pressure, p a , just enough to prevent cap-side cavitation. If we disregard the line losses between the pump and the cylinder, the power consumed by the pump will be the product of its volumetric flow and p a , which explains why E i 2 is likely to be quite small. We therefore can safely assume that E i 2 E a c t 2 0 . However, we have E r 2 = m g h at phase 2 since m g h could be reused in the circuit, but is wasted away at the counterbalance valve. The efficiency during the whole process will, therefore, contemplate both phases 1 and 2, and is calculated as
η = m g h + E a c t 2 m g h E i 1 + E i 2 m g h + 0 m g h E i 1 + 0 0
Note that even if we had not disregarded E a c t 2 and E i 2 , we would still have obtained an efficiency close to zero. This is clearly not a meaningful result. In fact, in this case, the choice of Equation (2) as one representative of circuit efficiency is much better since it gives a much better insight into actual energy consumption and the circuit losses in the process.
Equation (3) shows that the efficiency definition proposed in [16] fails to give a meaningful result for the circuit shown in Figure 2 when load energy recovery is considered. However, it is perfectly suitable for the case where energy is consumed to lift the weight, as shown in Figure 2a.
Let us explore another example. In reference [22], the term “relative efficiency” was used to describe the power efficiency of the pump motor open circuit shown in Figure 3, where mechanical and conduit losses were disregarded. Considering Q ¯ p and Q ¯ m are measured at the motor input and the pump output, respectively, the actual flows will be different because of volumetric losses (internal and external). Relative efficiency, η r e l , as defined in [22], is given as
η r e l = Q ¯ m p p 0 T Q ¯ p p p 0 T = Q ¯ m Q ¯ p
where T is a period over which the input and output energies are measured. Equation (4) therefore assumes that the pressures p and p 0 remain constant in time. In this type of hydraulic circuit, T p p 0 is canceled out, and efficiency is simply given as a ratio of flows.
From Equation (5), we see that η r e l 1 ( η r e l = 1 is the case where Q ¯ m = Q ¯ p ). Although Equation (4) is based on an open-circuit configuration, it may be easily extended to the closed hydrostatic transmission shown in Figure 4. Since the circuit is closed, the hydraulic motor can rotate in clockwise and counterclockwise directions by changing the pump’s displacement. Figure 4a,b shows these two situations (for didactic reasons, we have purposedly relaxed the strict representation of hydraulic symbols).
In both the situations represented in Figure 3 and Figure 4, the use of Equation (1) or Equation (4) results in coherent efficiency values and correctly represents the ratio between energy output at the motor and energy input at the pump. However, these equations lose their meaning when energy storage is involved. To show this, we connect an accumulator and a tank to the high-pressure line of the transmission, as indicated in Figure 5. The new circuit has some energy-recovery capability and is particularly designed for a clockwise flow operation.
Let us assume that the transmission in Figure 5 operates in three phases, 1, 2 and 3. In phase 1, the pump drives the motor, while the accumulator remains uncharged, with the solenoid of valve V deactivated, as shown in Figure 5a. The average pump and motor flows during this first moment are Q ¯ p 1 and Q ¯ m 1 , respectively. The energy supplied at the pump is E i 1 , and the energy reaching the motor is E a c t 1 (these are not shown in the figure).
At phase 2, the pump displacement is set to zero, while the load drives the motor in the opposite direction, charging the accumulator, as illustrated in Figure 5b. During this phase, the solenoid of valve V is activated, and the pump flow, Q ¯ p 2 , is zero. Given that the motor shaft is rotated in the reverse direction, the average motor flow is Q ¯ m 2 , while the accumulator is being charged. Some energy, E i 2 , is still consumed at the pump, but we can easily disregard it given that no pressure is being produced at the pump output. On the other hand, negative energy input, E a c t 2 , takes place at the motor. No energy is wasted during the whole process.
Finally, at phase 3, all the energy stored in the accumulator is released back into the pump shaft, as shown in Figure 5c. During this phase, pump displacement remains set to zero ( Q ¯ p 3 = 0 ), and the average flow through the motor is Q ¯ m 3 = Q ¯ m 2 (we assume that no volumetric losses take place in the accumulator). Just like in phase 2, the energy input at the pump is very small and can be disregarded. If we assume that all the energy stored at phase 2 is reused, the energy supplied to the motor is represented as E a c t 3 = E a c t 2 .
The efficiency of the circuit shown in Figure 5 measured according to Equation (4) is given as
η = Q ¯ m Q ¯ p = Q ¯ m 1 Q ¯ m 2 + Q ¯ m 2 Q ¯ p 1 + 0 + 0 = Q ¯ m 1 Q ¯ p 1
Note that efficiency, as defined by Equation (4), completely misses the energy recovery phase. However, the transmission in Figure 5 is surely more “efficient” when compared to the simpler design shown in Figure 4.
A similar problem happens if we define efficiency using Equation (1)
η = E a c t E r E i = E a c t 1 E a c t 2 + E a c t 2 E p 1 + 0 + 0 = E a c t 1 E p 1
Again, η “ignores” the energy recovery phases. Note that the efficiency calculated by Equation (6) could have been obtained if no load energy was reused. For instance, suppose that the circuit operated continuously within the configuration shown in Figure 5a. The total energy consumed by the motor at any time could have been written as a multiple of E a c t 1 . Likewise, the energy supplied by the pump would be a multiple of E p 1 . Assuming the same multiplication factor for E a c t 1 and E p 1 , η would be still given as Equation (6).
The previous discussion indicates that defining efficiency, while considering energy regeneration is not a straightforward matter. An alternate indicator/index for performance measurement and comparison is needed in such situations. Note that this reasoning is not unique to fluid power systems. In fact, it has frequently been discussed in thermo-based systems. For instance, in water distillation devices, which make use of latent condensation heat to warm up the feeding flow into the distiller, a more suitable indicator termed the “Gained Output Ratio” (GOR) was introduced, instead of efficiency [27,28]. As another example, in refrigeration systems, the “Coefficient of Performance” (COP) is frequently applied as an alternative for efficiency [29]. Both the GOR and the COP are indicators that can range from zero to values greater than one. It is therefore reasonable to introduce the same methodology to hydraulic systems.
Finally, it is important to emphasize that there is a significant difference between the hydrostatic transmissions shown in Figure 3, Figure 4 and Figure 5 and the circuit shown in Figure 2. Given that efficiency is a ratio between energies, it must be measured over some time, T . In hydrostatic transmissions, where both the output and the input are rotary machines, once a steady state is reached, efficiency remains constant whatever time interval is chosen for its determination. In fact, it could even be obtained in terms of average the input/output flows, as shown in Equation (4). However, defining a time interval for measuring efficiency is not trivial when actuators are involved. The different outputs produced by hydraulic circuits have motivated us to establish the conditions for measuring efficiency as those where the actuators perform a complete cycle, where they leave and return to the same “energy state”. The cycles do not need to be repeated in a loop. We only need to observe that the system leaves and returns to the same energy state as in a thermodynamic cycle. A suitable definition of a cycle that is general enough to embrace different hydraulic circuits is thus needed for a proper efficiency measure. This will be addressed in the following Section.

3. Cyclic Efficiency

In this section, we propose a way to identify the cycles in hydraulic circuits with a single actuator. Our investigation will be based on the energy exchanges between the circuit and the load, defined as any mechanical part connected to the cylinder rod.
The operation of hydraulic systems can be classified by the direction in which energy flows within the circuit. In our earliest works [23,24], it was shown that the sign of the product between the cylinder force [23], F R , and the cylinder velocity, v , can uniquely determine the energy flow direction. Force, F R , is given by the following equation
F R = p p α p a A a
where p p is pressure at the cap side, and p a is pressure at the rod side of the cylinder (see Figure 6a). Likewise, A p and A a are the areas of the piston and the annulus, respectively, whose ratio, α , is given as
α = A p A a
In reference [23], it was shown that when v F R > 0 , energy flows from the circuit to the cylinder (pumping mode). On the other hand, when v F R < 0 , energy flows from the cylinder to the circuit (motoring mode). The sign of v F R defines four operation quadrants, from I through IV (Figure 6b). Quadrants I and III are denoted as “pumping quadrants”, while quadrants II and IV are referred to as “motoring quadrants”. In Figure 6b, operation points A and C are located within the pumping quadrants, while points B and D are in the motoring quadrants. We now use the v F R diagram and define “cyclic operation” as one in which the actuator status changes, crossing the F R axis at least twice during the cycle. Therefore, the actuator operates in a cycle as its status changes (Figure 6b), in the following sequence: A -> B -> C -> D -> A. The other possible cyclic paths are A -> C -> A, A -> D -> A, and B -> C -> B. The sequences A -> B -> A and D -> C -> D are not cyclic operations because there is no change in the velocity sign (i.e., no crossing of the F R axis). Note that the arrows in Figure 6b are simply meant to indicate a change between two statuses. They are not a graphical representation of a function v F R .
It is important to emphasize that our cycle definition only makes sense in a v F R diagram. Traditionally, v F (where F is the external force on the cylinder rod) has been used to define pumping and motoring quadrants (see [26] and the references therein). However, as the authors hint in reference [23], such a division is not meaningful in terms of the energy exchanges between the circuit and the load. All the concepts developed in this paper are thus based on a new understanding of how the operation quadrants should be divided in a hydraulic circuit.
The cyclic operation definition we are proposing can be understood as follows. If we take an arbitrarily chosen initial position of the hydraulic cylinder as a reference, a cycle is performed when the rod leaves and returns to this position. Note that there is no need for the cycle to start from rest. All that is required is that the actuator state, uniquely defined by its velocity and force, changes in cyclic mode.
Considering that v and F R change with time, the net energy, E c , entering or leaving the hydraulic circuit through the actuator after one complete cycle is given as
E c = 0 T F R v d t = 0 T P c d t
where T is the time until the completion of one cycle, and P c = F R v is power flow through the actuator.
We now examine the thermodynamic implications of the cyclic path definition we have introduced. A cyclic thermodynamic process is one in which the energy state at the beginning of the cycle equals the energy state at the end. Since the diagram shown in Figure 6b was based on the energy exchanges between the hydraulic circuit and the load, our cyclic path definition is expected to match the thermodynamic definition of a cycle. To show this, consider the kinetic energy, E k , of the piston rod mass shown in Figure 6a as it follows the path A -> B -> C -> D -> A represented in Figure 6b. Assuming that the process is isothermal and that the cycle takes place over a period T , the variation in kinetic energy, E k , between t = 0 and t = T is given as
E k T E k 0 = m P 2 v T 2 v 0 2
where m P is the mass of the piston, the rod, and the attached load; v T and v 0 are the velocities at times t = 0 and t = T , respectively.
Let us call v A v D the velocities at points A through D in Figure 6b. Given that v T = v 0 = v A , we obtain E k T = E k 0 from Equation (10), and the thermodynamic requirement for a cycle is satisfied. Observe that Equations (9) and (10) are related through the First Law of Thermodynamics, as follows
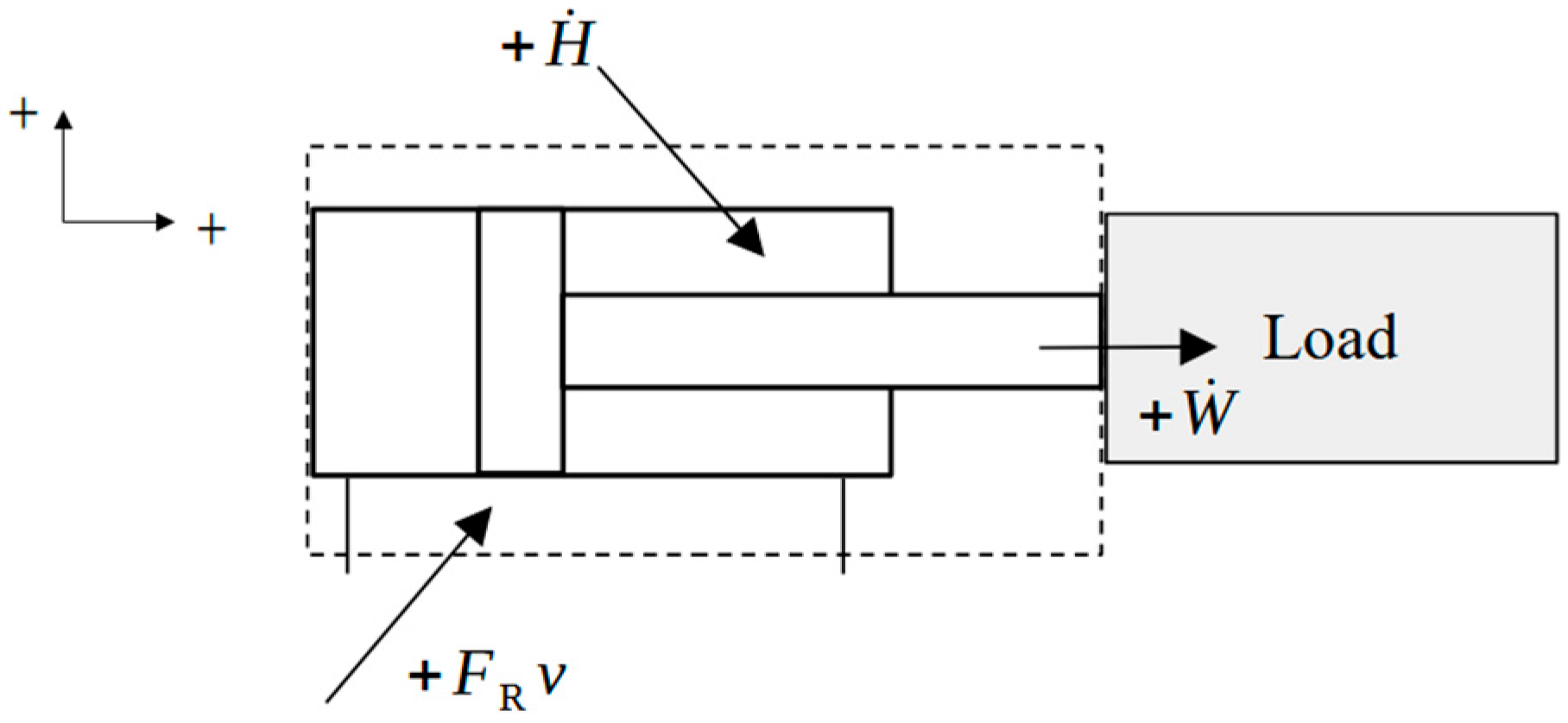
E k T E k 0 = 0 T H ˙ W ˙ d t + 0 T F R v d t
where H ˙ and W ˙ are the heat and mechanical powers exchanged between the cylinder and the surroundings, respectively. Note that the usual convention is given when elaborating on the First Law concerning the signs of H ˙ and W ˙ . A positive value of H ˙ means that heat is transferred from the surroundings into the cylinder. In contrast, a negative value of H ˙ indicates that heat flows out of the cylinder into the surroundings. On the other hand, a positive value of W ˙ means that mechanical power is transferred from the cylinder to the load, while a negative value of W ˙ indicates that power comes from the load into the cylinder. Figure 7 illustrates the sign conventions for the terms in Equation (11).
For a cyclic operation of the cylinder, E k T E k 0 = 0 in Equation (11), and we obtain
0 T H ˙ W ˙ d t = 0 T F R v d t = 0 T P c d t
Typically, in hydraulic circuits, H ˙ W ˙ . Equation (12) is then simplified to
0 T W ˙ d t = 0 T P c d t
According to Equation (13) and considering the power flow signal conventions shown in Figure 7, when P c > 0 during the interval 0 , T , energy flows from the circuit to the load. Since P c = F R v , cycles where this is the only possible direction of the energy flow, must take place between quadrants I and III, necessarily going through the origin 0,0 , as shown in Figure 6b. On the other hand, if P c < 0 , energy flows from the load to the circuit. Cycles for which this latter rule applies can only occur between quadrants II and IV, going through the origin 0,0 . The concept of efficiency, defined as the ratio between output and input energies, can be applied only within these two categories of cycles.
It should be emphasized that heat power, H ˙ , that is being disregarded when moving from Equation (9) to Equation (10) is the heat exchanged between the cylinder and its surroundings, which must be considerably small when compared to the power output, W ˙ . Heat transfer within the whole circuit relates to valve and line losses. These losses are all embedded into the term F R v in Equation (8) and represent the energy that effectively reaches the actuator after all the losses are factored in. This is another aspect of the methodology proposed in this paper since there is no need to measure or calculate the circuit losses to determine its performance. All that is needed is a measure of the pressures at both the sides of the cylinder and its velocity.

4. Fully Pumped and Fully Motored Cycles

Cycles, as defined in the preceding section, can be divided according to the energy flow direction. Let us therefore designate a fully pumped cycle as one in which P c > 0 , for every value of t within the interval 0 < t T in Equation (13). Likewise, a fully motored cycle is defined as one in which P c < 0 , for every value of t within 0 < t T . Figure 8 shows v F R diagram representations of fully pumped and fully motored cycles, respectively.
Circuit efficiency only makes sense within cycles like the ones shown in Figure 8. In each case, efficiency can be defined by the ratio between the energy output and the energy input over a period of time, T . Thus, for either fully pumped or fully motored cycles cyclic efficiency, η , is given as
η = 0 T P o d t 0 T P i d t
where P o and P i are the output and input powers, respectively.
Note that P i is the power input at the pump in pumping cycles only. In motoring cycles, P i , is the input for the actuator. Therefore, in this latter case, the cylinder (not the pump) becomes the energy supplier to the circuit. This must be remembered in Equation (14).
Remarks:
1.
It must be emphasized that no motoring region is crossed when the cycle is fully pumped, and no pumping region is crossed when the cycle is fully motored. Thus, the fully pumped and fully motored cycles must go through the origin in the v F R diagram.
2.
The definition of cyclic efficiency given by Equation (14) is concise in the sense that 0 η < 1 , and thus provides a comparison between the output energy and the corresponding input energy after a complete cycle. As stated in reference [30]: “efficiency always refers to comparison of the actual process to some ideal process”. An ideal process would be one in which no energy loss will occur, resulting in η = 1 .
We now present three case studies in which the fully pumped and fully motored concepts are applied to actual hydraulic circuits. The first two are examples of fully pumped cycles, while the third is an example of a fully motored cycle.
Case Study 1. Cylinder driving a horizontal resistive load: flow-regenerative circuit.
Figure 9 shows an example of a fully pumped cycle. The cylinder extends (Figure 9a), and subsequently retracts (Figure 9b) at velocity, v , against a constant friction force, F f . To guarantee the same velocity at extension and retraction, a flow-regenerative circuit is employed, together with a cylinder whose piston-to-annulus area ratio, α , is two. Power flow into the cylinder is controlled by a 4 × 3 directional valve, V, and a relief valve, R, while the pump supplies a constant flow to the circuit, while operating at constant power,   P i . Because of the way in which the cylinder is connected to the pump, the pressures at the cap and rod sides are equalized at the beginning, as shown in Figure 9a. It is therefore the differential area of the cylinder, that creates the force necessary to extend the piston. When the piston moves, a slight difference between the cap- and rod-side pressures is noticed, enough to keep oil flowing within the circuit (the pressure differential is not shown in the figure). The force configuration changes when the piston retracts, as the cap side is connected to the tank through valve V, as shown in Figure 9b, where the cap-side pressure is set to zero (tank pressure). The cycle is fully pumped and uses hydraulic power, P i , from the prime mover, as the piston extends from x = 0 to x = L , returning to x = 0 in the sequence.
We assume that the cycle is completed within a period of time T , equally divided between the extension and retraction of the piston; the curve x t is shown in Figure 10a. The piston reaches a constant velocity, v , very quickly, which explains the nearly straight x t curves at 0 ,   T / 2 and T / 2 ,   T . The input and output powers, P i and P o , can be visualized in Figure 10b, where we also show the corresponding points A, B, and C displayed in the v F R diagram (Figure 10c).
Concerning Figure 10c, at point A, the cylinder is at rest at x = 0 . This corresponds to valve V in Figure 9 being set to a centered position (not shown in the figure). At this point, although the pump supplies hydraulic power P i , no power output is produced at the cylinder rod ( P o = F R v = F R × 0 = 0 ). As soon as valve V is shifted to the right (Figure 9a), the piston starts moving at a constant velocity, v . This corresponds to point B, which is mapped into the line B-B in the power-versus-time curve in Figure 10b. The piston then extends, producing constant output power, P o = F R v , till it reaches the end of its stroke, at x = L , where it stops again. At this point, the status in Figure 10c is again represented by point A, from where the piston returns to x = 0 at a velocity v , as indicated by point C. During the whole cycle, power is consumed by the pump, and the following inequality is observed
0 0 T P o d t 0 T P i d t ( F R v > 0 ,   f o r   0 t T
The numerator on the right-hand side of Equation (14) can be calculated by using values of the piston- and rod-side pressures, p p and p a , and rod velocity, v , all of which can be obtained experimentally. For a constant velocity, p p and p a during the extension and retraction of the cylinder are given by the following equations
C y l i n d e r   e x t e n s i o n ; p p = F f A a α 1 ; p a = p p C y l i n d e r   r e t r a c t i o n ; p p = 0 ; p a = F f A a
The magnitudes of the cylinder forces can then be calculated with the help of Equation (7), and they are the same in magnitude ( F R = F f during extension and F R = F f , during retraction). Since the absolute value of piston velocity, v , does not change, it follows that P o = F f v in both quadrants I and III. The implication is that the areas under the curve P o t are identical for t 0 ,   T / 2 and t T / 2 ,   T , as indicated by S in Figure 10b. Cyclic efficiency is then given as
η = 0 T P o d t 0 T P i d t = F f v T P i T = 2 S P i T
It must again be emphasized that because our efficiency definition is based on the v F R diagram, it can be simply obtained by measuring cylinder velocity and the input and output pressures (see Equation (7)). Otherwise, the net mechanical power delivered to the load will have to be measured, which in general would be much more difficult.
We now present the non-regenerative version of the circuit in Figure 9, where the extension and retraction velocities are not the same.
Case Study 2. Cylinder driving a horizontal resistive load: non-regenerative circuit.
Figure 11a,b shows the cylinder extending and retracting in a non-regenerative hydraulic circuit. Since the piston-to-annulus area ratio, α , is two, the piston will extend at half the retraction speed, v . Therefore, considering that a complete cycle is performed over time, T 1 , it will take twice as much time for the piston to move from x = 0 to x = L than from x = L to x = 0 . The extension and retraction times, T E and T R , are then given as
T E = 2 v L T R = L v
Since T E + T R = T 1 , we find that T R = L / v = T 1 / 3 , that is the piston returns from x = L to x = 0 in one-third of the period, T 1 . The pressures at the cap- and rod-sides during extension and retraction are given below
C y l i n d e r   e x t e n s i o n ; p p = F f α A a ; p a = 0 C y l i n d e r   r e t r a c t i o n ; p p = 0 ; p a = F f A a
The cylinder forces at extension and retraction can be calculated by substituting the cap- and rod-side pressures in Equation (19) into Equation (7). The results are identical to those in Case Study 1, with F R = F f and F R = F f during extension and retraction, respectively. The corresponding power magnitudes at extension and retraction are P o E = F f ( v / 2 ) and P o R = F f v . Efficiency can then be calculated as
η = 0 2 T 1 3 P o E d t + 0 T 1 3 P o R d t 0 T 1 P i d t = F f v 2 2 T 1 3 + F f v T 1 3 P i T 1 = S 1 + S 2 P i T 1
where S 1 and S 2 are the areas under the P o t curve shown in Figure 12b. Figure 12a shows the displacement versus time curve, x t , and Figure 12c shows circuit operation in a v F R diagram. Observe that points B and C in Figure 12c are asymmetrical about point A (compare Figure 12c with Figure 10c). This follows from the fact that during extension, the piston moves at half of the retraction velocity, but with the same cylinder force.
It is interesting to compare T 1 (non-regenerative circuit, Case Study 2) with T (regenerative circuit, Case Study 1). Since both the periods cover one complete extension-retraction cycle, we can write that T = 2 L / v in Case Study 1, and T 1 = 3 L / v in Case Study 2. We thus find T 1 = 3 T / 2 . The areas S 1 and S 2 in Figure 12a can therefore be written as function of T , as follows:
S 1 = F f v 2 2 3 × 3 T 2 = F f v T 2 = S S 2 = F f v 1 3 × 3 T 2 = F f v T 2 = S
where S is half of the area under the P o t curve, as shown in Figure 10b.
By substituting S 1 and S 2 given by Equation (21) into Equation (20), we obtain
η = 2 S P i T 1
By comparing Equations (17) and (22), we conclude that the flow-regenerative and the non-regenerative circuits have the same efficiency.
Note that the way in which we have rightly approached the energy exchanges between the load and the actuator has led to the conclusion that the efficiencies of both the circuits are identical (based on a different efficiency formula, it has been claimed that the regenerative circuit shown in Figure 9 is more efficient [25], although we do not favor such a conclusion). As observed in reference [26], the term “regenerative hydraulic circuit” usually applies to the circuit shown in Figure 9, which might be misleading when used in terms of energy recovery (or regeneration). This observation has now been proven.
The following case study is an example of a hydraulic circuit undergoing a fully motored cycle.
Case Study 3. Wave energy extraction.
Consider the hydraulic wave energy extractor shown in Figure 13a. In this application, the input power, P i , comes from the cylinder, while the hydraulic motor delivers the output power, P o . Thus, according to our signal convention, P i and P o are negative.
The buoy shown in Figure 13a is connected to the cylinder rod. It moves up and down under the influence of sea waves [26], pushing and pulling the cylinder rod, and thus transferring energy to the hydraulic circuit, which consists of two hydraulic accumulators, L (low-pressure accumulator) and H (high-pressure accumulator), and four check valves that are responsible for directing cylinder flows between H and L. Accumulator H constantly discharges into accumulator L through a variable-displacement motor, M, producing clockwise rotation regardless of the piston direction. Motor displacement can be continuously adjusted to produce a constant rotation speed at the shaft. For simplicity, we assume that the output power, P o , is uniform within the interval 0 , T . We also disregard the circuit losses, so that the energy stored within H when the buoy is lifted is the same as when the buoy is lowered down (although instantaneous input power, P i = F R v , may change). This is indicated in Figure 13c, where the areas limited by the curve P i t , must be the same for 0 t < t 1 and for t 1 t < T . Asymmetry about point A is clear in the v F R diagram in Figure 13b, where it is just assumed that the buoy is pushed upwards more vigorously, so that the intensities of v and F R are higher at quadrant II.
Starting from the lowest position, a wave pulls the buoy upwards, and the rod-side becomes pressurized. The operation takes place in the second quadrant following the path A -> B -> A. Then, as gravity lowers the buoy, the cap side is pressurized, and the operation takes place in the fourth quadrant, according to the path A -> C -> A. Cyclic efficiency can then be calculated using Figure 13c:
η = 0 T P o d t 0 T P i d t = 0 T P o d t 0 T P i d t = P o T 2 S
We have seen that efficiency, as a relation between output and input energies, can only make sense in fully pumped or fully motored cycles because these are the cycles where we can write the output energy as a fraction of the input energy. The attempts to generalize efficiency to include regenerated energy, as shown in Equation (1), will at most result in the imprecise indication of the circuit performance, as pointed out in Section 2. A new indicator that can deal with general cycles, crossing pumping, and motoring quadrants is needed to compare different hydraulic circuits in terms of energy performance. We introduce this indicator in the following section.

5. Mixed Cycles and Cyclic Performance Index

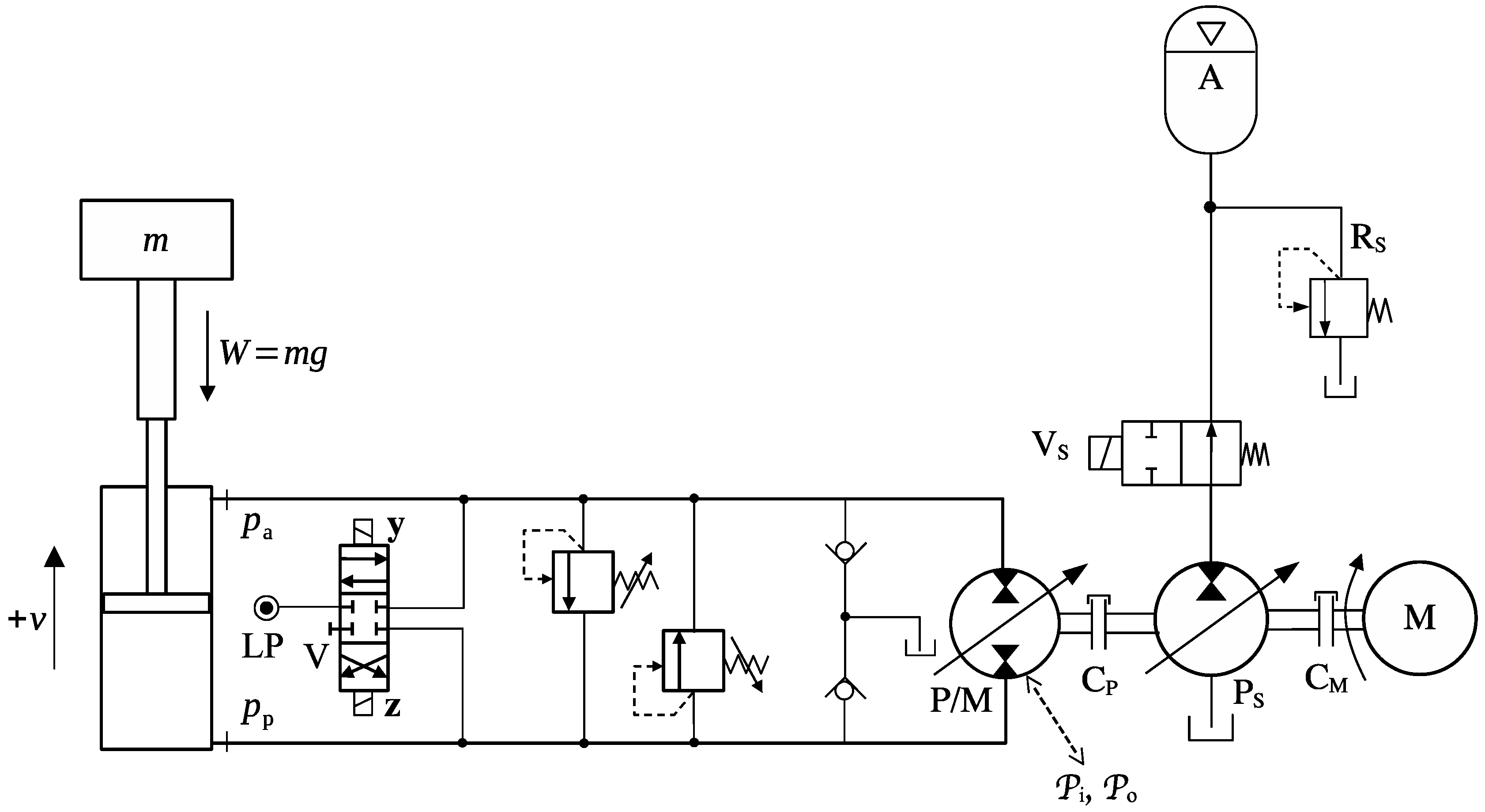
Consider the hydraulic circuit shown in Figure 14, where a single-rod hydrostatic actuator is used to lift and lower a weight W = m g . Because of the differential areas of the cylinder, the flows into and out of the pump/motor, P/M, must be continuously matched. This is achieved through the flow compensation valve, V, which is responsible for connecting both the sides of the circuit to a low-pressure source, LP, supplying and draining fluid from the cap and rod sides when necessary, so that the flows into and out of P/M are evened out. A couple of relief and anti-cavitation valves are also added to the circuit for sound operation. It was shown in a previous work [23] that the operation of valve V in Figure 14 needs to follow simple logic, which can be briefly described in two steps:
  • If F R > 0 , solenoid y is activated, and solenoid z is deactivated to connect the rod side to the low-pressure source.
  • If F R < 0 , solenoid y is deactivated, and solenoid z is activated to connect the cap side to the low-pressure source.
Figure 14. Lifting and lowering a weight with a single-rod hydrostatic actuator.
Figure 14. Lifting and lowering a weight with a single-rod hydrostatic actuator.
Energies 17 06397 g014
Attached to the main circuit shown in Figure 14 is an energy storage module consisting of an accumulator, A, a safety relief valve, RS, a directional valve, VS, and a variable-displacement pump/motor, PS. The energy storage module is connected to the pump/motor, P/M, and the prime mover, M, through two CP and CM clutches. Depending on the status of clutches CP and CM, the energy storage module can operate in one of the following modes: bypass, storage, or regeneration [26].
With CP and CM engaged, the prime mover is connected to P/M, and energy is supplied to the primary circuit. Setting the displacement of pump PS to zero produces no flow to/from the accumulator A, and the module operates in bypass mode. On the other hand, the positive displacement of PS produces flow from the tank into the accumulator, which stores energy coming from the main circuit when it operates in motoring mode. In this case, valve VS must remain open. The module therefore operates in storage mode. Regeneration mode will engage when the pressure inside the accumulator is high enough to produce useful power at the main shaft, with the accumulator discharging into the tank. In this case, it may be possible to disengage clutch CM and let the stored energy drive the primary circuit for a while.
Let us assume that pump/motor rotation shown in Figure 14 is controlled in a way that the piston extends and retracts at the same velocity, v . The cylinder therefore operates in a cycle, as shown in Figure 15. At point A, the piston is fully retracted, and the pump is idle, so that F R , v = 0,0 . At point B, the circuit operates in pumping mode and the piston extends a full stroke against the weight W at a constant velocity,   v . The circuit therefore operates in the first quadrant, and then stops at full stroke at point C, where the load W is counterbalanced by cylinder force, F R , which under static conditions equals the weight, W (we are disregarding the contact forces between the piston and the cap). When the weight is lowered, the circuit operates in motoring mode within the fourth quadrant, according to the curve C -> D -> A.
The aspect of the power-versus-time curves depends on how the weight energy at the fourth quadrant is dealt with. Figure 16 shows two possibilities, where two cycles, A -> B -> C -> D -> A, are performed in a row (the idea is to lift and lower the weight twice). In the most general scenario, these two alternatives can be described as follows:
A.
The energy input for the circuit during the first motoring quadrant ( 0.5 T t T ) is not stored for future reuse. This is shown in Figure 16a.
B.
The energy input for the circuit during the first motoring quadrant ( 0.5 T t T ) assists the prime mover in the pumping quadrant at the beginning of the second cycle ( T t 1.5 T ). This is shown in Figure 16b.
Figure 16. Power curves: (a) without energy recovery and (b) with energy recovery.
Figure 16. Power curves: (a) without energy recovery and (b) with energy recovery.
Energies 17 06397 g016
The first of the two possibilities mentioned above can be realized by either dissipating the energy coming from the weight or by counterbalancing the descending weight by applying resistive torque at the P/M shaft. In this latter scenario, the counteracting torque can be provided by the prime mover itself, in which case, energy is consumed by the prime mover, even at the first motoring quadrant ( 0.5 T t T ).
Figure 16a illustrates what happens in situation A. During the first quadrant, the prime mover supplies an amount of energy, S + ε 1 , to the pump/motor P/M, where S is the potential energy of the weight after the piston extends at full stroke, and ε 1 represents the circuit losses. As shown in the previous situations, S + ε 1 can be measured directly at the prime mover (electric motor power consumption for example), and S is obtained from the time integral of F R v , also easily determined from the pressure and velocity readings.
On its way downwards at the fourth quadrant, the weight returns its potential energy to the circuit. A part of this energy is lost (area, ε 2 ). What is left of it is counterbalanced by the prime mover (dashed curve on the positive side of the vertical axis, whose area is S p ). Therefore, the net energy available for reuse in the subsequent cycle is S p S ε 2 = 0 . The cycle restarts in the same way at t = T , and the same pattern is observed for the power curves. The pumping efficiency measured for T t 2 T is therefore identical to the efficiency measured at 0 t T and is given as
η = T 1.5 T P o d t T 2 T P i d t = S S + ε 1 + S p 1
where the limiting value, η = 1 , is associated with a process where no internal losses exist at the pumping phase ( ε 1 = 0 ) and no power consumption to hold the load is needed at the motoring phase ( S p = 0 ).
Note the different integration limits on the numerator and denominator of Equation (24). The reason is that since we are only considering the energy output at the cylinder, the energy exchanges at quadrant IV are not factored into the output power, P o . Again, the terms in Equation (24) are easily obtained experimentally. The numerator, S , is calculated by the integration of F R v over time. The denominator S + ε 1 + S p is the energy consumed at the prime mover during the whole cycle, which can also be directly measured (although ε 1 shows up in the equation, there is no need to measure it separately).
Figure 16b shows a situation where the (negative) net energy coming from the load at quadrant IV during the first cycle, S ε 2 , indicates that some energy remains in the circuit to be used later. In fact, given that ( S ε 2 ) is neither wasted away, nor counterbalanced by the prime mover, it must remain within the circuit. As we have seen, one way of storing energy in the attached module is shown in Figure 14. In this case, the cyclic pumping efficiency measured at T t 2 T may result in a number greater than unity (this will be shown shortly). This possibility has inspired us to use the Greek letter γ instead of η and write
γ = T 1.5 T P o d t T 2 T P i d t = S S + ε 1 S ε 2 = S ε 1 + ε 2
where ε 1 + ε 2 can be directly measured as the power consumed by the prime mover during the interval T ,   2 T .
The prime mover needs to provide just enough energy to overcome the circuit losses in Equation (25). This makes sense, given that energy from the load has been used to assist the prime mover in its second cycle. An alternative observer will note that if there were a third cycle, the same pattern would be repeated, and “efficiency”, now represented by γ , would still be given by Equation (25). The only “problem” with Equation (25) is that in the hypothetical absence of circuit losses, we would obtain γ . Moreover, it is also possible that γ > 1 . In fact, we can obtain 0 γ < in Equation (25). Clearly, γ cannot be termed as “efficiency”, which by definition would have a value within the interval 0,1 . However, γ is an excellent indicator of how well the two different circuits can manage energy. Thus, we name γ as the Cyclic Performance Index (CPI) of the hydraulic circuit.
Note that γ has been defined in the same way we have defined efficiency for fully pumped cycles, that is the ratio between the energy consumed by the actuator to the energy supplied by the prime mover. Any value of γ greater than one indicates that some energy reuse is taking place within the circuit. Moreover, the upper limit γ has a physical meaning, in which all the energy returned from the weight is reused to lift it again. In such a case, we would have a perpetual motion machine of the first kind, which is obviously impossible. Nonetheless, as an upper limit, it carries a meaning. Table 1 presents some values for γ for the circuit shown in Figure 14 operating in six different modes (it is interesting to observe that γ and η are equivalent in cases 3 through 6 in the table).
The formal definition for the Cyclic Performance Index, γ , for a cycle composed of N operation quadrants (pumping and motoring) containing N p pumping quadrants is given by the following equation
γ = k = 1 N p t 1 k t 2 k P o d t j = 1 N t 1 j t 2 j P i d t
where t 2 k t 1 k and t 2 j t 1 j are the time lengths of the kth pumping quadrant and the and jth quadrant (pumping or motoring), respectively. The Cyclic Performance Index can also be written as
γ = k = 1 N p E a c t k j = 1 N E p m j
where E a c t k is the energy output at the actuator, and E p m j is the energy supplied by the prime mover.
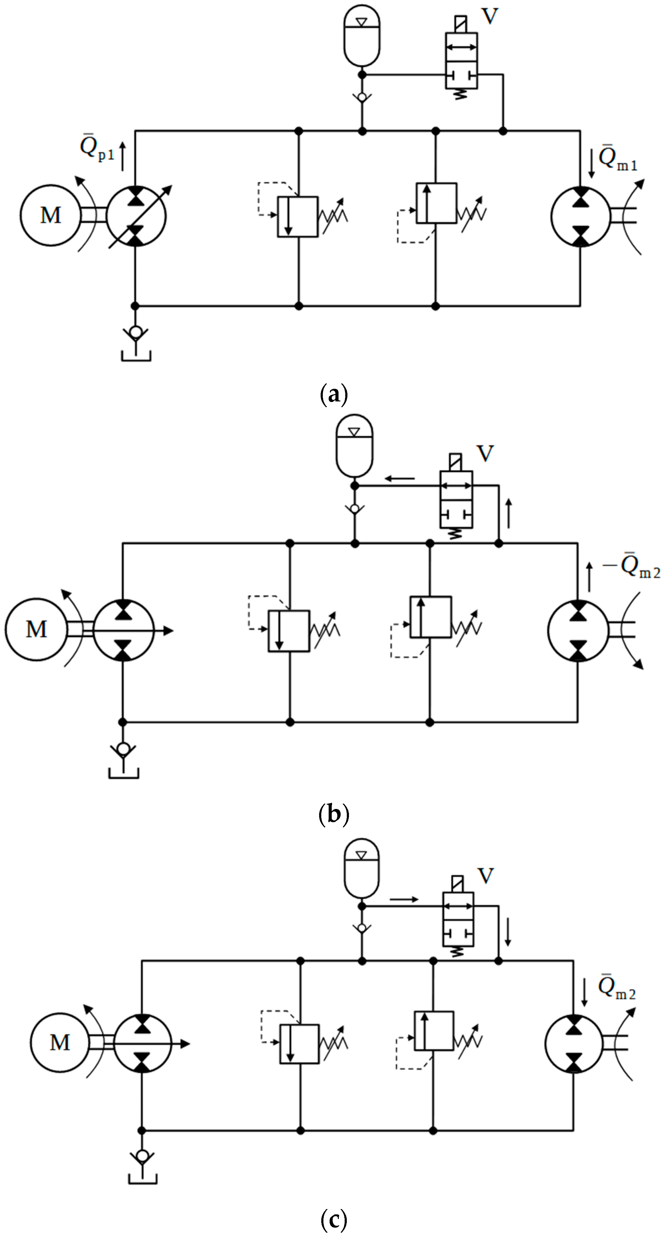
To conclude this section, we analyze a circuit that operates in four quadrants. Figure 17 shows a hydraulic cylinder moving a pendulum between two extreme positions, A and C. Pump/motors 1 and 2, are responsible for cylinder control and load energy recovery, respectively. The hydraulic circuits connecting pump 1 to the cylinder and pump 2 to the accumulator are not shown (there are several possibilities as can be seen, for example, in references [17,18,19,23]). A mechanical power hub (such as a planetary gear train), H, receives power P 2 from pump 2 and P p from the prime mover and sums them up to produce power P 1 supplied to the main hydraulic circuit, that is P 1 = P 2 + P p .
The circuit shown in Figure 17 covers all the operational quadrants from I to IV during a complete cycle of pendulum motion, as it moves from position A to C and back to A. Figure 18a shows a v F R diagram corresponding to the motion path A -> B -> C -> D -> A (the intermediary points B and D are not shown in Figure 16). In the figure, the motoring quadrants IV and II are displayed in grey. Power-versus-time curves are shown in Figure 18b, where we also see the coordinates corresponding to points A through D in Figure 18a. Cylinder power, P o t = F R v , is represented by a solid line, while prime mover power P p t is represented by a dashed line. We assume that each quadrant is covered within ¼ of the cycle period, T .
The piston starts moving at point A, quadrant IV (weight completely displaced to the left, as shown in Figure 17), receiving energy from the load. As the weight swings and the piston is pushed leftwards, cylinder force, F R , decreases, while velocity, v , increases in magnitude. The value of v reaches a maximum at point B when F R = 0 , and then decreases till the piston stops at point C. The way back from point C to point A covers quadrants II and I and is similar, except that the velocity sign is now positive.
Some considerations are made in the diagram shown in Figure 18b. In quadrant IV ( 0 t < T / 4 ), the power input coming from the load remains constant as the potential energy of the load is gradually converted into kinetic energy by the piston. The amount of energy transferred from the load to the circuit is represented by the area S = A B X Y ( S is not indicated in the figure for clarity). A part of the load energy is stored for later reuse, and a part is lost in the process ( ε 2 ). The area S ε 2 therefore represents energy from the load and stored for later reuse in accumulator A (Figure 17) at the fourth quadrant. The same reasoning applies to quadrant II ( T / 2 t < 2 T / 3 ), with the difference that in quadrant II, we deliberately add some pump energy input, S p , under the assumption that some extra pump torque is necessary to help slow the weight down as it swings from C to A.
In the pumping quadrants (I and III), the prime mover only needs to supply an extra portion of energy because of the main circuit losses, ε 1 . In those quadrants, it is assumed that the energy stored in the previous motoring cycles, S ε 2 , will assist the pump in driving the cylinder.
To calculate γ , we consider the cycle ( 0 t T ), as follows:
γ = 2 S 2 S + ε 1 S ε 2 + S p = 2 S 2 ε 1 + ε 2 + S p
Equation (28) becomes identical to Equation (25) if S p = 0 . The denominator of Equation (28) can be directly measured as the power consumed by the prime mover while the numerator is obtained by integrating the product F R v over the period T . This procedure is experimentally simple and can be applied to any hydraulic circuit driving one actuator. Extending this to more than one actuator is straightforward and involves obtaining the ratio between the sum of all the integrated power outputs, F R v , and the measured energy consumption.
Remarks:
  • Apart from the different summation indexes in the numerator and denominator, the Cyclic Performance Index given by Equation (7) is defined in the same way as efficiency. However, its meaning is clearly different.
  • By studying the v F R diagram, the CPI can be easily determined from the pressure and velocity measurements together with prime mover energy consumption, making it experimentally realizable.
  • The definition given by Equation (27) only makes sense in circuits whose main power source is a prime mover. This excludes fully motored cycles, such as the one corresponding to the wave energy extractor in Figure 13.
  • The Cyclic Performance Index depends on the choice of operation cycle. For instance, in Figure 16b, during the interval 0 t T , no energy from the load has been stored yet. The value for γ in that case must be smaller than the value obtained for T t 2 T . We can even obtain other values for γ as circuit operation continues. Therefore, a more meaningful comparative indicator would be the maximum value of γ , obtained over a pre-determined length of time.

6. Conclusions

In this article, we introduced a new indicator, the Cyclic Performance Index (CPI), which was used to evaluate energy efficiency in hydraulic circuits. As we developed the subject, a comprehensive explanation about how “efficiency” can be defined in hydraulic circuits was given, alongside with the three important cycle definitions: fully pumped, fully motored, and mixed cycles. It has been shown that the very concept of efficiency only makes sense for the fully pumped and fully motored cycles, where energy flows in a straightforward direction either from the pump to the load or from the load to the pump. Some representative examples were presented, confirming that the definitions introduced in this paper could be safely used in actual scenarios. We have also outlined directives for correctly defining the measurement period for input and output powers, which, in turn, could be experimentally obtained in a relatively easy way, thanks to a new way of defining operational quadrants, as previously outlined by the authors of reference [23].
The theoretical results obtained from the presented case studies have shown that the suggested indicator is physically meaningful and simple to calculate. Moreover, the proposed approach enhances our understanding of energy efficiency in fluid power systems and serves as a starting point for unifying concepts, ultimately leading to the standardization of energy performance measurements in hydraulic circuits. Future work should further explore the concepts developed here in laboratory-tested circuits, especially those containing multiple actuators.

Author Contributions

G.K.C. contributed to the development of the concepts, the analysis of designs, the formulation of the problem, the preparation and visualization of the data, and the writing of the original draft. N.S. contributed to the discussions leading to the concepts, a review of the results, project administration, and funding acquisition. All authors have read and agreed to the published version of the manuscript.

Funding

This research was funded by the Natural Sciences and Engineering Research Council of Canada (NSERC), grant number: RGPIN-2018-05352.

Data Availability Statement

No new data were created or analyzed in this study. Data sharing is not applicable to this article.

Conflicts of Interest

The authors declare no conflicts of interest.

References

  1. Wu, G.; Yang, J.; Shang, J.; Fang, D. A rotary fluid power converter for improving energy efficiency of hydraulic system with variable load. Energy 2020, 195, 116957. [Google Scholar] [CrossRef]
  2. Ge, L.; Quan, L.; Zhang, X.; Zhao, B.; Yang, J. Efficiency improvement and evaluation of electric hydraulic excavator with speed and displacement variable pump. Energy Convers. Manag. 2017, 150, 62–71. [Google Scholar] [CrossRef]
  3. Immonen, P.; Ponomarev, P.; Åman, R.; Ahola, V.; Uusi-Heikkilä, J.; Laurila, L.; Handroos, H.; Niemelä, M.; Pyrhönen, J.; Huhtala, K. Energy saving in working hydraulics of long booms in heavy working vehicles. Autom. Constr. 2016, 65, 125–132. [Google Scholar] [CrossRef]
  4. Quan, Z.; Quan, N.L.; Zhang, J. Review of energy efficient direct pump-controlled cylinder electro-hydraulic technology. Renew. Sustain. Energy Rev. 2014, 35, 336–346. [Google Scholar] [CrossRef]
  5. Minav, T.A.; Laurila, L.I.E.; Pyrhönen, J.J. Analysis of electro-hydraulic lifting system’s energy efficiency with direct electric drive pump control. Autom. Constr. 2013, 30, 144–150. [Google Scholar] [CrossRef]
  6. Minav, T.; Hänninen, H.; Sinkkonen, A.; Laurila, L.; Pyrhönen, J. Electric or hydraulic energy recovery systems in a reach truck—A comparison. Stroj. Vestn.—J. Mech. Eng. 2014, 60, 232–240. [Google Scholar] [CrossRef]
  7. Minav, T.; Immonen, P.; Laurila, L.; Vtorov, V.; Pyrhönen, J.; Niemelä, M. Electric energy recovery system for a hydraulic forklift—Theoretical and experimental evaluation. IET Electr. Power Appl. 2011, 5, 377–385. [Google Scholar] [CrossRef]
  8. Yan, X.; Nie, S.; Ji, H.; Ma, Z.; Chen, B. A novel energy-efficient transmission system and control strategy for hydraulic machines. Int. J. Energy Res. 2023, 2023, 6275886. [Google Scholar] [CrossRef]
  9. Lasa, J.; Antolin, J.C.; Angulo, C.; Estensoro, P.; Santos, M.; Ricci, P. Design, construction and testing of a hydraulic power take-off for wave energy converters. Energies 2012, 5, 2030–2052. [Google Scholar] [CrossRef]
  10. Siebert, J.; Wydra, M.; Geimer, M. Efficiency improved load sensing system—Reduction of system inherent pressure losses. Energies 2017, 10, 941. [Google Scholar] [CrossRef]
  11. Ketelsen, S.; Padovani, D.; Andersen, T.O.; Ebbesen, M.K.; Schmidt, L. Classification and review of pump-controlled differential cylinder drives. Energies 2019, 12, 1293. [Google Scholar] [CrossRef]
  12. Koitto, T.; Kauranne, H.; Calonius, O.; Minav, T.; Pietola, M. Experimental study on fast and energy-efficient direct driven hydraulic actuator unit. Energies 2019, 12, 1538. [Google Scholar] [CrossRef]
  13. Stump, P.M.; Keller, N.; Vacca, A. Energy management of low-pressure systems utilizing pump-unloading valve and accumulator. Energies 2019, 12, 4423. [Google Scholar] [CrossRef]
  14. Hradecký, J.M.; Bubák, A.; Dub, M. Evaluation methodology of rotary flow dividers used as pressure intensifiers with creation of a new pressure multiplying efficiency. Energies 2022, 15, 2293. [Google Scholar] [CrossRef]
  15. Casoli, P.; Scolari, F.; Vescovini, C.M.; Rundo, M. Energy comparison between a load sensing system and electro-hydraulic solutions applied to a 9-ton excavator. Energies 2022, 15, 2583. [Google Scholar] [CrossRef]
  16. Vukovic, M.; Leifeld, R.; Murrenhoff, H. Reducing fuel consumption in hydraulic excavators—A comprehensive analysis. Energies 2017, 10, 687. [Google Scholar] [CrossRef]
  17. Pourmovahed, A.; Beachley, N.H.; Fronczak, F.J. Modeling of a hydraulic energy regeneration system—Part 1: Analytical treatment. J. Dyn. Sys. Meas. Control 1992, 114, 155–159. [Google Scholar] [CrossRef]
  18. Wendel, G.R. Regenerative hydraulic systems for increased efficiency. In Proceedings of the 48th National Conference on Fluid Power, Chicago, IL, USA, 4–6 April 2000; pp. 199–206. [Google Scholar]
  19. Rahmfeld, R.; Ivantysynova, M. Energy saving hydraulic actuators for mobile machines. In Proceedings of the 1st Bratislavian Fluid Power Symposium, Casta Pila, Slovakia, 2–3 June 1998; pp. 47–57. [Google Scholar]
  20. Rahmfeld, R.; Ivantysynova, M. Displacement controlled linear actuator with differential cylinder—A way to save primary energy in mobile machines. In Proceedings of the 5th International Conference on Fluid Power Transmission and Control—ICFP, Hangzhou, China, 3–5 April 2001; pp. 296–301. [Google Scholar]
  21. Zimmerman, J.D.; Ivantysynova, M. Reduction of engine and cooling power by displacement control. In Proceedings of the 6th FPNI—PhD Symposium, West Lafayette, IN, USA, 15–19 June 2010; pp. 339–352. [Google Scholar]
  22. Shang, T. Improving Performance of an Energy Efficient Hydraulic Circuit. Master’s Thesis, Department of Mechanical Engineering, University of Saskatchewan Saskatoon, Saskatoon, SK, Canada, 2004. [Google Scholar]
  23. Costa, G.K.; Sepehri, N. Four-Quadrant Analysis and System Design for Single-Rod Hydrostatic Actuators. J. Dyn. Syst. Meas. Control 2018, 137, 091008. [Google Scholar] [CrossRef]
  24. Costa, G.K.; Sepehri, N. A Critical Analysis of Valve-Compensated Hydrostatic Actuators: Qualitative Investigation. Actuators 2019, 8, 59. [Google Scholar] [CrossRef]
  25. Ramesh, S.; Ashok, S.D.; Nagaraj, S.; Adithyakumar, C.R.; Reddy, M.L.K.; Naulakha, N.K. Design of an Energy Efficient Hydraulic Regenerative circuit. In IOP Conference Series: Materials Science and Engineering; IOP Publishing: Bristol, UK, 2018; Volume 310, p. 012042. [Google Scholar]
  26. Costa, G.K.; Sepehri, N. Hydrostatic Transmissions and Actuators: Operation, Modelling and Applications; Wiley: Chichester, UK, 2015. [Google Scholar]
  27. Baumgartner, T.; Jung, D.; Kossinger, F.; Sizmann, R. Multi-effect ambient pressure desalination with free circulation of air. In Proceedings of the ISES—Solar World Congress, Denver, CO, USA, 19–23 August 1991. [Google Scholar]
  28. Costa, G.K.; Fraidenraich, N. Thermodynamic study of a regenerative water distiller. In Proceedings of the ISES Solar World Congress, Jerusalem, Israel, 4–9 July 1999. [Google Scholar]
  29. Belman-Flores, J.M.; Pardo-Cely, D.; Gómez-Martínez, M.A.; Hernández-Pérez, I.; Rodríguez-Valderrama, D.A.; Heredia-Aricapa, Y. Thermal and Energy Evaluation of a Domestic Refrigerator under the Influence of the Thermal Load. Energies 2019, 12, 400. [Google Scholar] [CrossRef]
  30. Van Wylen, G.J. Thermodynamics; John Wiley & Sons: Hoboken, NJ, USA, 1959. [Google Scholar]
Figure 1. The Sankey energy flow diagram for a generic hydraulic circuit: E i —input energy from the prime mover; E m l —mechanical/hydraulic losses at the prime mover and the pump; E p —hydraulic energy supplied by the pump; E h l —hydraulic losses in the circuit; E a c t —energy input to the actuator; E r —energy that can be recovered from the load; E o —energy output by the actuator.
Figure 1. The Sankey energy flow diagram for a generic hydraulic circuit: E i —input energy from the prime mover; E m l —mechanical/hydraulic losses at the prime mover and the pump; E p —hydraulic energy supplied by the pump; E h l —hydraulic losses in the circuit; E a c t —energy input to the actuator; E r —energy that can be recovered from the load; E o —energy output by the actuator.
Energies 17 06397 g001
Figure 2. Hydraulic circuit for moving weight: (a) weight is lifted; (b) weight is lowered.
Figure 2. Hydraulic circuit for moving weight: (a) weight is lifted; (b) weight is lowered.
Energies 17 06397 g002
Figure 3. Pump motor open hydraulic circuit.
Figure 3. Pump motor open hydraulic circuit.
Energies 17 06397 g003
Figure 4. Typical hydrostatic transmission circuit: (a) clockwise and (b) counterclockwise motor operations.
Figure 4. Typical hydrostatic transmission circuit: (a) clockwise and (b) counterclockwise motor operations.
Energies 17 06397 g004
Figure 5. Hydrostatic transmission with energy storage. (a) Phase 1, pump driving motor. (b) Phase 2, load energy recovery. (c) Phase 3, reuse of stored energy.
Figure 5. Hydrostatic transmission with energy storage. (a) Phase 1, pump driving motor. (b) Phase 2, load energy recovery. (c) Phase 3, reuse of stored energy.
Energies 17 06397 g005
Figure 6. (a) Single-rod actuator with attached load mass; (b) four-quadrant division and examples of cyclic operation.
Figure 6. (a) Single-rod actuator with attached load mass; (b) four-quadrant division and examples of cyclic operation.
Energies 17 06397 g006
Figure 7. The exchange of heat and mechanical powers, H ˙ and W ˙ , between the cylinder, the load, and the surroundings (the dotted rectangle indicates a control volume).
Figure 7. The exchange of heat and mechanical powers, H ˙ and W ˙ , between the cylinder, the load, and the surroundings (the dotted rectangle indicates a control volume).
Energies 17 06397 g007
Figure 8. (a) Fully pumped cycle; (b) fully motored cycle.
Figure 8. (a) Fully pumped cycle; (b) fully motored cycle.
Energies 17 06397 g008
Figure 9. Flow-regenerative circuit: (a) Cylinder extending against friction force. (b) Cylinder retracting against friction force.
Figure 9. Flow-regenerative circuit: (a) Cylinder extending against friction force. (b) Cylinder retracting against friction force.
Energies 17 06397 g009
Figure 10. (a) Piston displacement as function of time for circuit shown in Figure 9; (b) actuator and pump powers, P o and P i , as function of time; (c) cycle representation in v F R diagram.
Figure 10. (a) Piston displacement as function of time for circuit shown in Figure 9; (b) actuator and pump powers, P o and P i , as function of time; (c) cycle representation in v F R diagram.
Energies 17 06397 g010
Figure 11. Non-regenerative circuit: (a) Cylinder extending against friction force. (b) Cylinder retracting against friction force.
Figure 11. Non-regenerative circuit: (a) Cylinder extending against friction force. (b) Cylinder retracting against friction force.
Energies 17 06397 g011
Figure 12. (a) Piston displacement as function of time for circuit shown in Figure 11; (b) actuator and pump powers, P o and P i , as function of time; (c) cycle representation in v F R diagram.
Figure 12. (a) Piston displacement as function of time for circuit shown in Figure 11; (b) actuator and pump powers, P o and P i , as function of time; (c) cycle representation in v F R diagram.
Energies 17 06397 g012
Figure 13. Extracting wave energy: (a) hydraulic circuit; (b) v F R diagram; (c) corresponding power curves.
Figure 13. Extracting wave energy: (a) hydraulic circuit; (b) v F R diagram; (c) corresponding power curves.
Energies 17 06397 g013
Figure 15. v F R diagram for actuator shown in Figure 14.
Figure 15. v F R diagram for actuator shown in Figure 14.
Energies 17 06397 g015
Figure 17. Four-quadrant machine with energy regeneration.
Figure 17. Four-quadrant machine with energy regeneration.
Energies 17 06397 g017
Figure 18. (a) F R v diagram; (b) corresponding power curves.
Figure 18. (a) F R v diagram; (b) corresponding power curves.
Energies 17 06397 g018
Table 1. Cyclic Performance Index, γ , for some selected values of circuit losses, ε 1 and ε 2 , and counteracting motor torque, S p , relative to circuit shown in Figure 14.
Table 1. Cyclic Performance Index, γ , for some selected values of circuit losses, ε 1 and ε 2 , and counteracting motor torque, S p , relative to circuit shown in Figure 14.
CaseInterpretation ε 1 ε 2 S p γ
1Perfect lossless circuit00 0 γ = S ε 1 + ε 2 S 0
2Some energy recovered at quadrant IV>0>00 γ = S ε 1 + ε 2 > 1
3No loss, free weight fall (all motoring energy wasted, at quadrant IV)0 S 0 γ = S ε 1 + ε 2 = S S = 1
4Free weight fall (all motoring energy wasted, at quadrant IV)>0 S 0 γ = S ε 1 + ε 2 = S ε 1 + S < 1
5Weight held by the prime mover (no energy recovery at quadrant IV)>0>0 S p γ = S S + ε 1 + S p < 1
6Weight too heavy to be moved (pump energy lost though relief valves)>>000 γ = S ε 1 + ε 2 = 0 ε 1 = 0
Disclaimer/Publisher’s Note: The statements, opinions and data contained in all publications are solely those of the individual author(s) and contributor(s) and not of MDPI and/or the editor(s). MDPI and/or the editor(s) disclaim responsibility for any injury to people or property resulting from any ideas, methods, instructions or products referred to in the content.

Share and Cite

MDPI and ACS Style

Costa, G.K.; Sepehri, N. A New Approach for Measuring and Comparing the Energy Performances in Hydraulic Systems. Energies 2024, 17, 6397. https://doi.org/10.3390/en17246397

AMA Style

Costa GK, Sepehri N. A New Approach for Measuring and Comparing the Energy Performances in Hydraulic Systems. Energies. 2024; 17(24):6397. https://doi.org/10.3390/en17246397

Chicago/Turabian Style

Costa, Gustavo Koury, and Nariman Sepehri. 2024. "A New Approach for Measuring and Comparing the Energy Performances in Hydraulic Systems" Energies 17, no. 24: 6397. https://doi.org/10.3390/en17246397

APA Style

Costa, G. K., & Sepehri, N. (2024). A New Approach for Measuring and Comparing the Energy Performances in Hydraulic Systems. Energies, 17(24), 6397. https://doi.org/10.3390/en17246397

Note that from the first issue of 2016, this journal uses article numbers instead of page numbers. See further details here.

Article Metrics

Back to TopTop