Next Article in Journal
The Effects of Straw Burning Bans on the Use of Cooking Fuels in China
Previous Article in Journal
Research on Self-Recovery Ignition Protection Circuit for High-Voltage Power Supply System Based on Improved Gray Wolf Algorithm
 
 
Font Type:
Arial Georgia Verdana
Font Size:
Aa Aa Aa
Line Spacing:
Column Width:
Background:
Article

Research on the Primary Frequency-Regulation Strategy of Wind-Storage Collaborative Participation Systems Considering the State of Charge of Energy Storage

1
Economic and Technological Research Institute, State Grid Inner Mongolia Eastern Electric Power Co., Ltd., Hohhot 010011, China
2
School of Information Engineering, Inner Mongolia University of Science and Technology, Baotou 014010, China
*
Author to whom correspondence should be addressed.
Energies 2024, 17(24), 6333; https://doi.org/10.3390/en17246333
Submission received: 17 November 2024 / Revised: 12 December 2024 / Accepted: 13 December 2024 / Published: 16 December 2024
(This article belongs to the Section A3: Wind, Wave and Tidal Energy)

Abstract

The system inertia insufficiency brought on by a high percentage of wind power access to a power grid can be effectively resolved by wind-storage collaborative participation in primary frequency regulation (PFR). However, the impact of energy storage participation in system-frequency regulation is significantly influenced by its state of charge (SOC). In this paper, considering the SOC of energy storage (ES) and the stochastic characteristics of wind turbine (WT) output, the control strategy of wind-storage collaborative participation in the PFR of a system is proposed. Firstly, a WT adaptive inertia control and a model of storage droop control were constructed. Additionally, to prevent the problem of secondary frequency drop brought on by a separate rotational kinetic energy control, a wind-storage collaborative frequency-regulation control scheme was constructed. Secondly, considering changes in wind speed and the SOC of ES, an improved dynamic droop-control strategy for ES is proposed. This strategy was combined with the adaptive inertia control of the WT to establish the PFR of the WT collaborative participation system. Lastly, a simulation example of a two-region, four-machine system was used to validate the efficacy of the frequency-control strategy presented in this paper. The results show that a significant percentage of WTs connected to a power grid can effectively have their frequency-response ability improved by wind-storage collaborative control.

1. Introduction

The essential advancement and application of clean energy has emerged as the primary strategy for bringing about an energy revolution in the future due to the growing depletion of global fossil fuels and the increased frequency of natural disasters brought on by environmental degradation. Due to China’s abundant wind and solar resources, large-scale development and the utilization of wind power and photovoltaic power generation are the main ways to achieve the goals of ‘carbon peak and carbon neutrality’. However, under the current situation of large-scale grid connection of wind and photovoltaic power generation, the rotational moment of inertia of the system is gradually being weakened. This poses a serious challenge to the frequency regulation of the power grid, which undermines the safe, stable and reliable operation of the electrical system. Consequently, new prerequisites have been established for WP to engage in system-frequency regulation.
The major frequency regulation of WT participation systems is currently the subject of extensive research by both domestic and international academics. Its key frequency-regulation control mechanism is power reserve control; some studies have focused on rotor kinetic energy regulation and power reserve management [1,2,3]. The active power output control methods of the rotor kinetic energy control of WTs are mainly based on virtual inertial control, droop control, integrated coordinated control and virtual synchronous generators (VSGs). Virtual inertia control provides power support through the rate of change in frequency. In 2020, Ke et al. proposed fuzzy adaptive virtual inertia control, which determines different virtual inertia coefficients according to the different penetration rates of WTs and is able to improve the system’s anti-disturbance ability and ensure stable system operation [4]. The droop-control response power is proportional to the frequency deviation and is effective in reducing the magnitude of the frequency drop, although its contribution is limited in the initial phase of the perturbation. However, the fixed droop coefficient is unable to react to variations in wind speed and incapable of properly utilizing the frequency-regulation function of a doubly fed induction generator (DFIG). To solve this problem, Yang et al. used the control method of a variable droop coefficient to solve the over-regulation of DFIGs due to insufficient kinetic energy in 2022 [5]. In 2023, Gao et al. proposed a two-segment droop-control strategy for WT frequency regulation [6]. By segmenting the droop coefficient, the problem of low reliability of traditional virtual inertia frequency regulation is effectively solved.
In general, virtual inertia control influences the transient process while droop control affects the steady-state process. If the two can be combined, the frequency-regulation capability of the WT will be improved. In 2023, Zhou et al. carried out dynamic modeling of WTs with integrated inertial control. Those experiments showed that the WTs could provide fast frequency support and responses to the system due to the real-time frequency information of the power grid [7]. Nevertheless, rotational kinetic energy control has the defects of limited regulation capability and susceptibility to secondary frequency drop accidents. A DFIG is also necessary to allocate a specific quantity of reserve power when engaging in system-frequency participation regulation. When the frequency fluctuates, the reserve active power can be released by changing the rotor speed to adjust to the variation in the system frequency. Based on the reserve capacity of WTs, Zhang et al. coordinated the response system frequency via virtual inertia regulation and variable pitch modulation in 2022; this effectively improved the system-frequency variation characteristics under WP integration [8]. A VSG can also imitate the characteristics of a synchronous generator so that the WT can react to fluctuations in the frequency of the system. In 2023, Wang et al. introduced a VSG algorithm into the rotor-side converter of a DFIG, which verified that WP has an active support ability for grid frequency and helped to realize the stability of AC grid frequency and active power [9]. The above control method can give a DFIG a certain frequency-response capability by controlling the rotor kinetic energy of the DFIG. However, various methods have their own limitations, so how to reasonably release the kinetic energy contained in the rotor needs to be solved urgently.
ES has the advantages of precise control, flexible regulation and fast responses, which can satisfy the frequency-regulation criteria in a variety of scenarios for a high percentage of new energy power systems [10,11]. At present, flywheel ES, super capacitor ES and superconducting ES are gradually applied in the field of WT participating in the PFR of the system [12,13]. In 2020, Boyle et al. believed that the SOC could be quickly reconstructed after a frequency event without significantly affecting the system frequency [14], so it is widely used in WP generation systems. In 2024, He et al. presented a synchronized control process for distributed ES power stations considering SOC consistency [15] and designed a PFR control coefficient considering SOC operation safety. The research results showed that the proposed strategy can effectively improve the frequency quality of the power grid. However, the high costs of construction, operation and maintenance of the energy storage system (ESS) have limited the technical applications of ES to engage in system-frequency regulation to a specific degree [16].
The collaborative participation of wind turbines and energy storage in the primary frequency regulation of a system can not only effectively improve the frequency-regulation performance of high-proportion, new-energy power systems but also avoid the high costs caused by large-capacity ES devices [17]. In 2019, Li et al. presented a collaborative frequency-regulation management technique integrating wind-turbine load shedding and flywheel energy systems [18]. In 2019, Liu H et al. proposed a WT and ES collaborative frequency-control strategy in which short-term peak power is borne by WP and steady-state power is borne by ES [19]. However, it is difficult to accurately classify peak and steady-state power. The above WT and ES frequency-regulation strategy is just from the point of view of the WT and ES control strategy and does not take into account the ESS in the frequency-regulation process. In 2021, Zhu et al. established a WT and ES joint frequency-regulation model predicated on the nature of the power grid, WT and ESS [20]. This model provides an appropriate configuration strategy for frequency-regulation idle capacity. In 2022, Taghvaei et al. proposed a collaborative control strategy for wind turbines and energy storage depending on the fuzzy control method, which was solved by an artificial bee colony algorithm to obtain the optimal control scheme [21]. However, the above research does not consider protecting the SOC of ES. Considering the SOC constraints of an ES device, Yang et al. proposed a flexible joint WT and ES frequency-control approach that considers regulation deadbands in 2023 [22]. In 2021, Li et al. proposed a control strategy of automatic switching between virtual inertia and droop control, which enhanced the maintenance effect of the ES SOC [23]. However, the proportional coefficient model and hyperbolic tangent function parameters of the control method are more intricate, which is not conducive to actual control. In addition, the abovementioned literature mostly assesses the efficacy of the control approach under constant wind-speed conditions, ignoring the effect of the frequency-regulation capability of WTs toward system frequency at varying wind velocities. What is more, the problem of reducing the lifetime of the ESS after the SOC of the ESS is close to the extreme value, leading to the deterioration of the frequency-regulation effect, is ignored. To overcome the aforementioned shortcomings, this research suggests a PFR method for a wind-storage collaborative participation system considering the SOC. The main innovations are summarized below:
(1)
In this paper, mathematical models of energy storage droop control and wind turbine adaptive inertia control are constructed and a control strategy of collaborative frequency regulation is proposed.
(2)
A dynamic droop-control method based on a logistic function is suggested to enhance the ESS’s capacity for frequency regulation and service life, considering the system’s SOC.
(3)
Aiming at the working condition of the wind turbines, an integrated frequency-regulation control strategy of wind-storage collaboration is proposed to improve the system’s frequency-response capabilities.
The remainder is structured as follows: in Section 2, the frequency-regulation model for the adaptive inertia control of WP generation and the sag control of an ESS is established. Section 3 establishes a collaborative wind-storage frequency-regulation model and analyzes the effectiveness of the collaborative wind-storage frequency regulation. Section 4 establishes a dynamic droop-control model of the ESS, and an integrated frequency-regulation control strategy for WT and ES collaboration is suggested. Example analysis is carried out in Section 5 to assess the efficacy of the WT and ES collaborative frequency-regulation control method. Section 6 summarizes the entire text.

2. WT, ES and Frequency-Regulation Model

The combined WT and ES system studied in this paper consists of a traditional thermal power unit, a wind farm composed of WTs and an ESS. The WTs studied in this paper were DFIGs. Among them, the power grid-connected wind farm connected to the ESS in a centralized way and was integrated with the power grid via a DC–AC converter. The specific framework is depicted in Figure 1.

2.1. Adaptive Inertia Control for the WT

The WT adaptive inertia control model is
Δ P = K Z d f d f d t K Z p f Δ f
where KZ-df represents the adaptive virtual inertia coefficient; KZ-df is the adaptive droop-control coefficient; Δf is the system-frequency deviation and ΔP is the WT frequency-regulation power.
The adaptive virtual inertia coefficient, KZ-df, is obtained by the equivalent conversion of the rotational inertia of the synchronous generator. During this process, the kinetic energy stored in the turbine under the current turbine operating conditions is equated to the kinetic energy at the current velocity of the synchronous generator; there is no change in kinetic energy before or after the equating. The rotational inertia of the WT and the rotor inertia of the synchronous generator can be expressed as follows:
E 1 = E 2 = 1 2 J 1 ω W c u r 2 = 1 2 J 2 ω G c u r 2 J 2 = J 1 ω W c u r 2 ω G c u r 2
where ωW-cur is the current angular velocity of the WT rotor and ωG-cur is the rotor angular velocity of the synchronous generator.
The power that can be released by the synchronous generator set is
Δ P = J 2 ω d ω d t = J 1 ω W c u r 2 ω G c u r 2 ω d ω d t
At this point, ω = ωW-cur, the power released by the synchronous generator set, can be found by the following equation:
Δ P = J 1 ω W c u r 2 ω G c u r d ω d t
Also, the rotational inertia of the rotor of the WT is
J 1 = 2 H W P e ω e 2
where Hw and we are the inertia-time constant of the wind turbine and the rated rotor angular velocity of the wind turbine, respectively, and Pe is the rated active power from the WT.
Further available is
Δ P = 2 H W P e ω e 2 ω W c u r 2 ω G c u r d ω d t = 2 H W P e f c u r ω W c u r ω e 2 d f d t = K Z d f d f d t
For this purpose, it can be concluded that
K Z d f = 2 H W P e f c u r ω W c u r ω e 2
According to Equation (7), if the system has a power outage, the turbine must produce more power to take part in the frequency control. At that point, KZ-df will increase with the rotor speed to provide active power quickly. Conversely, when the rotor speed lowers during the process, KZ-pf also gradually declines. It is during this period that the release of kinetic energy should be minimized to avoid the phenomenon of secondary frequency drop.
Similarly, the adaptive droop-control coefficient can be obtained with
K Z p f = d d e l P W Δ f
where PW is the active power generated by the WT and ddel is the load-shedding factor when the WT is running.
The WT can release the rotational kinetic energy stored within in a reasonable manner according to the current system frequency and the rotational speed thanks to the adaptive inertia control, which feeds the system frequency back to the control link in real time and adaptively adjusts KZ-pf in conjunction with the WT’s operating conditions. By lowering the load, the WT’s unit regulation power is established. This allows the WT to adaptively modify the KZ-pf in accordance with the current frequency and the spare capacity that has been set aside. This effectively enhances the WT’s frequency-response capability.

2.2. ES Droop Control

An energy storage system (ESS) possesses equivalent capabilities for system-frequency participation as a conventional synchronous generator regarding frequency regulation. Figure 2 illustrates the ESS’s participation in the principal frequency-regulation mechanism of the power system. The frequency-regulation deadband of the ES plant is ±0.05 Hz [24].
When −fdz ≤ Δf ≤ +fdz, the system frequency departure is small and ES cannot be involved in the system-frequency adjustment. When Δf < −fdz or Δf > +fdz, to maintain the power grid frequency stability, the governor of the conventional generator set plays the role of PFR. At this time, the ESS also responds quickly to participate in the system’s PFR, which makes the frequency restore stability fleetly. The power absorbed or released by the ES is related to the system frequency as follows:
P B E S S = K B E S S f f r e f
where K B E S S is the ES-unit adjustment coefficient.
The ESS provides quick response times and bidirectional power flow through the converter to support the power system’s principal frequency-regulation operation. It will not be able to exchange energy with the power grid at the rated power when the SOC of the ESS is close to the maximum or minimum capacity, which will reduce the effectiveness of the ESS in participating in frequency regulation. Additionally, the prolonged overrun of the limit will have a negative impact on the life of the ESS. Therefore, the SOC of the ESS must be considered when it is involved in frequency regulation.

3. WT and ES Collaborative Frequency-Control Strategy

Figure 3 displays the power-system model’s frequency characteristic control. Frequency-regulation units such as conventional thermal power units, WTs, ESSs and loads are included in this model.
RH is the PFR droop coefficient for the thermal power units in Figure 3. When the generator governor is not considered, the system-frequency characteristic model transfer function is
G S = Δ f Δ P = 1 2 H s + D
where H is the inertia time constant and D is the damping coefficient. ΔP is provided by the WT and ES synergy jointly when thermal-unit frequency regulation is not considered.
The wind-storage combined system needs to provide frequency support that can be provided when the frequency in the system changes; the power emitted is
P = P W E = K Z d f d f d t K Z p f f K B E S S f
Figure 4 shows the process of WT and ES collaborative participation in system-frequency regulation.
To verify the feasibility of the WT and ES collaborative frequency-regulation control strategy, this paper adopted the power grid structure that is displayed in Figure 3 for calculation and analysis. The ESS was configured directly at the wind farm, as shown in Figure 1. The system consisted of a thermal power unit, WTs and an ESS. The thermal power unit was rated at 300 MW. The wind farm was composed of DFIGs, and the total rated power was 90 MW. The rated power of the ESS was 15 MW. The equivalent inertial time constant, H, of the system was 5 s, and the damping coefficient, D, was 2. The wind farm operated at a wind condition of 10 m/s; the initial value of the WP inertia coefficient, kdf, was 8; and the initial value of the WP droop coefficient, kpf, was 20. The ESS unit adjustment coefficient was KBESS = 10. The simulation calculation process was considered so that the wind speed did not change and the whole system operated normally with a system frequency of 49.93 Hz. The disturbance mode set in this paper was to increase the load fluctuation by 0.2 p.u. at 2 s, and the system frequency-change process is shown in Figure 5. The output power profiles of the WP and ESS during the frequency-regulation process are shown in Figure 6 and Figure 7, respectively.
As can be seen in Figure 5, Figure 6 and Figure 7, the WT and ES collaborative frequency-control strategy can mitigate the frequency variation induced by load variation. In the meantime, it can also release the rotational kinetic energy of the WT rotor and the active power of the energy storage output, which can suppress a wide range of fluctuations effectively. Before the steady state is completely reached, it makes the system-frequency recovery faster. Especially the lowest point of the frequency is significantly improved, which has a significant effect on system-frequency stabilization.

4. WT and ES Joint Frequency-Regulation Control Strategy Under Different Wind Conditions

System-frequency deviation is the basis for energy storage to provide frequency regulation to a grid, but the SOC gradually decreases during the output of power. As the SOC decreases, the ESS is not capable of discharging at the originally set constant power, and if it operates above its limitations, the storage system’s lifespan will be shortened. Thus, by adding dynamic droop-control coefficients in this study, it was adjusted based on the ES SOC feedback.
The improved dynamic droop control is
P B r e f = K K B E S S f
where K is the droop coefficient in the dynamic sag control strategy.
Regarding the dynamic control coefficient, K, this paper suggests using a logistic function to describe and establish the relation between the unit regulating the power of the ESS and the SOC:
K t = K E m a x P 0 e r t K E m a x + P 0 e r t 1
where P 0 is the initial value; K E m a x is the steady-state value of the dynamic control coefficient and r is the adaptive factor of the curve (a measure of how quickly the curve changes).
The expression for the relationship between the ES frequency-regulation coefficient and the SOC based on the logistic function is given below:
When Δf < 0, the frequency-regulation coefficient of the ESS discharge is
K d = 0 ,                                                                                                                                 0 < S O C < S O C m i n K E m a x P 0 e n S O C S O C m i n S O C l o w S O C m i n K E m a x + P 0 e n S O C S O C m i n S O C l o w S O C m i n 1 ,                       S O C m i n < S O C < S O C l o w K E m a x ,                                                                                                               S O C l o w < S O C < 1  
When Δf > 0, the frequency-regulation coefficient of the ESS discharge is
K d = K E m a x ,                                                                                                                                 0 < S O C < S O C h i g h K E m a x P 0 e n S O C m a x S O C S O C m a x S O C h i g h K E m a x + P 0 e n S O C m a x S O C S O C m a x S O C h i g h 1 ,                       S O C h i g h < S O C < S O C m a x 0 ,                                                                                                                                       S O C m a x < S O C < 1  
where K c and K d represent the charging and discharging drop frequency-regulation coefficient of the ES device, respectively; SOC is the SOC of the ES device; and S O C l o w , S O C m i n , S O C h i g h and S O C m a x , are the minimum, smallest, largest and maximum values of the ES SOC. When n is constant and P0 varies, the storage charge/discharge coefficients, K c and K d , vary with the ES SOC curve, as shown in Figure 8.
In Figure 8, it can be seen that the charging coefficient, K c , of the ESS is increasing with the increase in P 0 while the storage discharge coefficient, K d , is decreasing.
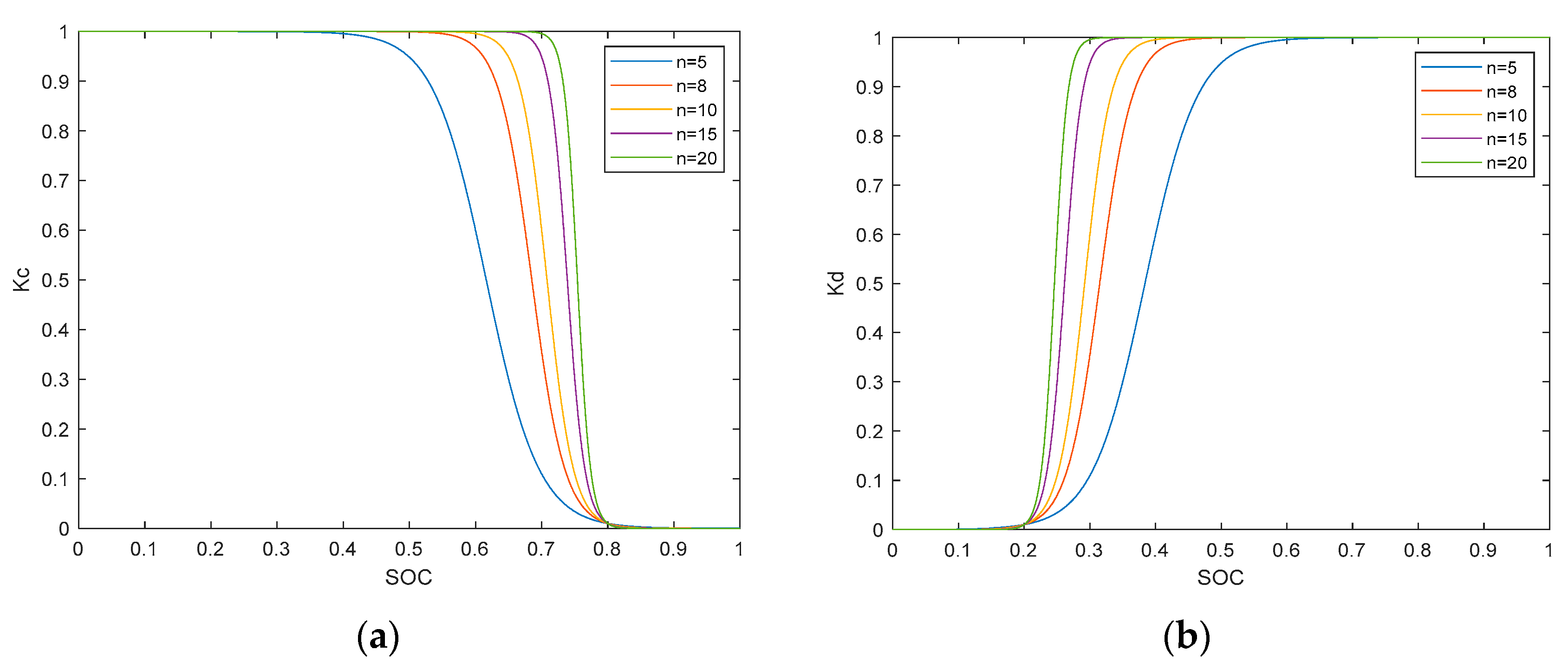
When P 0 is constant and n varies, the storage charge/discharge coefficients, K c and K d , vary with the storage SOC curve, as shown in Figure 9.
The use of a logistic function based on the rectification of storage droop coefficients enabled the smoothing of power out to the power grid according to the state of the SOC. The power exchanged between the ESS and the power grid was based on the system-frequency departure and the storage SOC, which was partitioned and adjusted as shown in Figure 10. Different droop-control coefficients were used in different areas to control the active power emitted or absorbed by the ES.
The velocity of frequency regulation and the capacity for frequency regulation of the WT have big differences in different operating conditions. To improve the system’s frequency stability, wind speed is classified into three intervals: low, medium and high. A reasonable WT and ES joint frequency-regulation control strategy was selected according to different wind-speed intervals to realize the advantage complement and improve the stability of the power-system frequency. The wind-speed zoning is specified in Table 1.
For the wind-speed zones shown in Table 1, the corresponding WT and ES collaborative frequency-regulation scheme was developed; the particular technique is illustrated in Figure 11.

5. Example Analysis

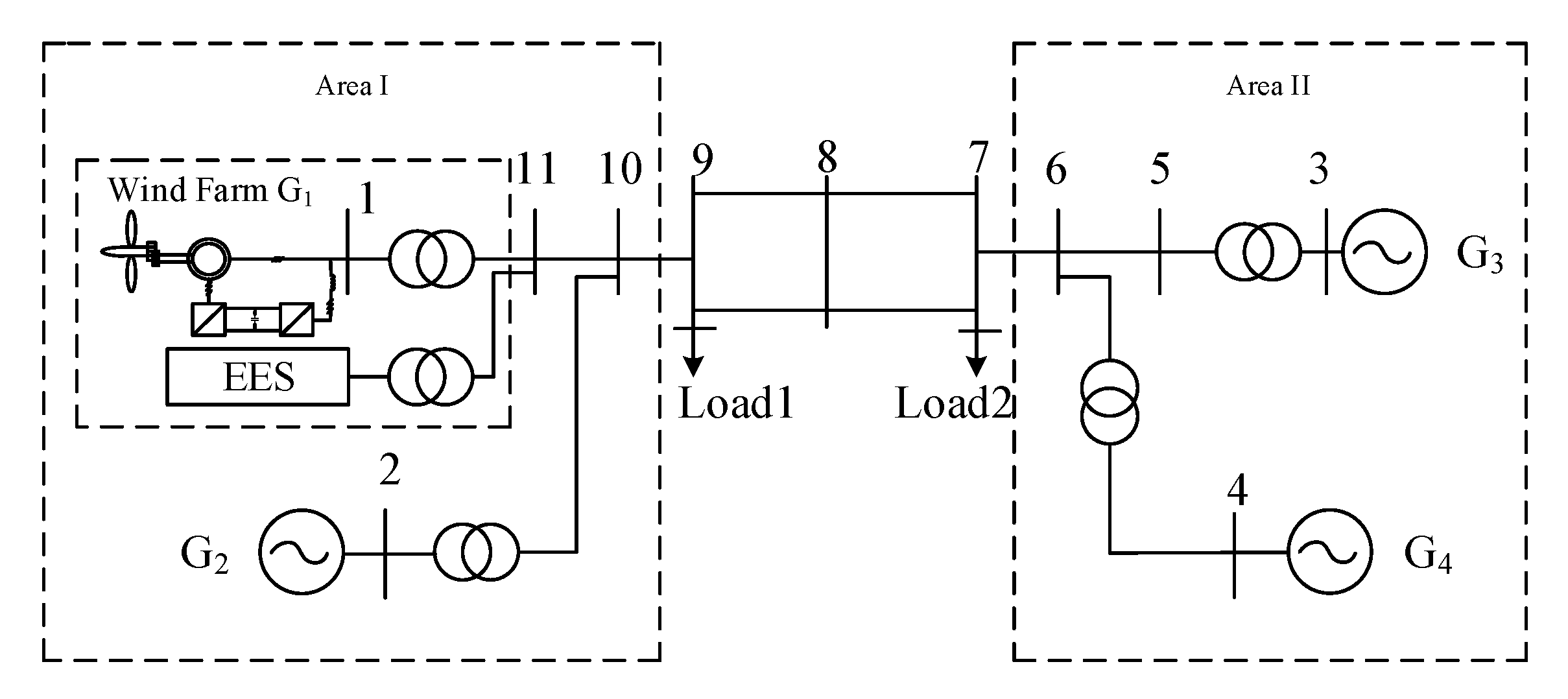
To evaluate the efficacy of the basic frequency-regulation strategy of the WT and ES collaboratively participating in the system, a typical two-zone, four-machine system is utilized as a simulation example in this article. Figure 12 shows the wiring diagram of the simulation example. The synchronous generator G1 in the example is replaced by the wind farm and ESS, which are used to fit the WT and ES joint frequency-regulation scenario of a high proportion of new energy access systems. The rated power of the wind farm was 300 MW, the ES power was 15 MW, the capacity was 3 MW·h and the initial SOC was 35%. The present sizes of synchronous generators G2, G3 and G4 are all 200 MW. Among them, G2 is the balance unit, G3 is the PV node, G4 is the PQ node and the rated power of the two loads is 300 MW; both are PQ nodes. The sudden load-up was used to simulate a frequency-change scene for the system. To simulate the frequency-response scenario of the future new power system, the normal operation of the system maximized the output power of the wind farm. Additionally, setting a perturbation to the frequency increased the load, and the load increment was 60 MW.
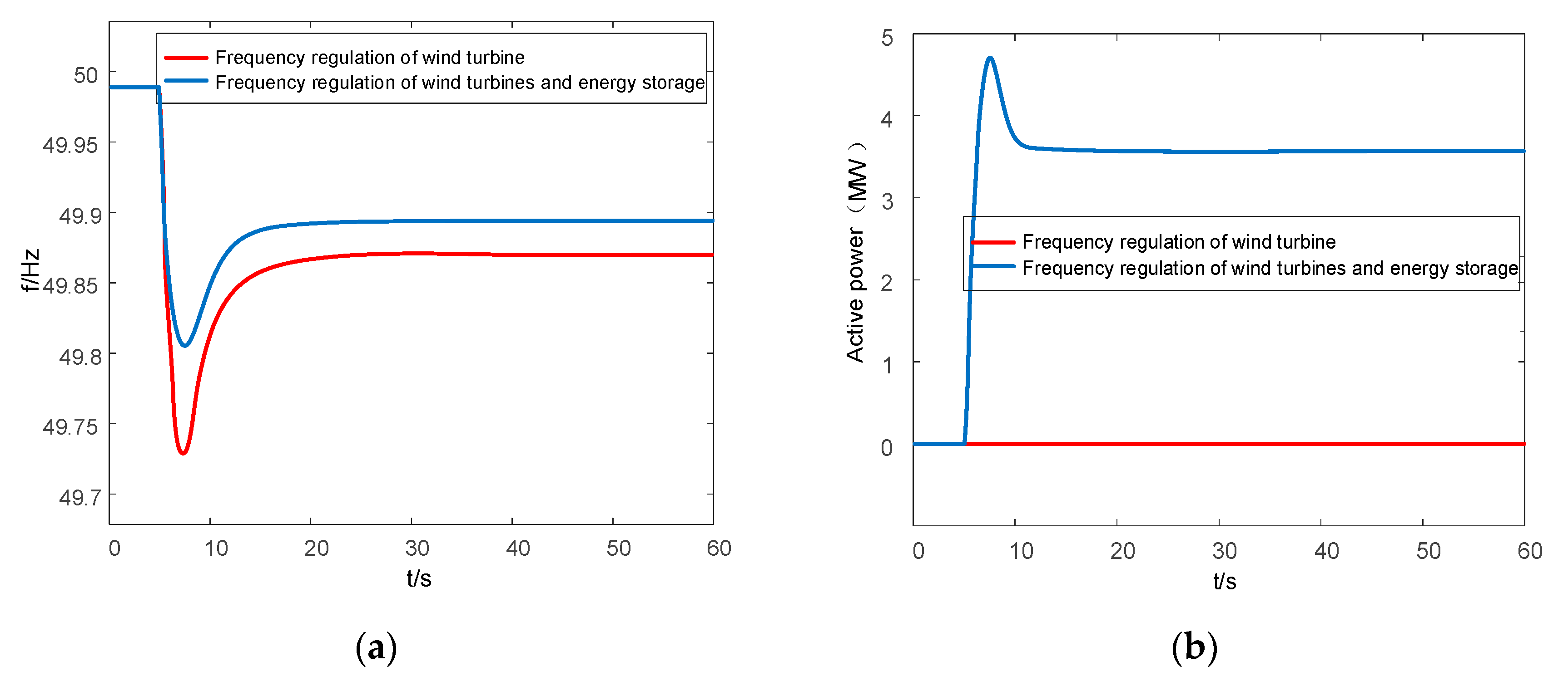
Next, the effect of WT and ES joint frequency regulation was verified from three wind-speed intervals. When the wind turbine was in the low-wind-speed interval, the ES was responsible for the PFR of the power system alone, considering that the WT speed was too low to engage in the frequency regulation of the power grid. An analysis of the simulation results is shown in Figure 13.
Figure 13 illustrates a dramatic decline in the frequency of the power system when the load increases suddenly. At this point, the rotor speed of the WT is low and does not engage in the frequency adjustment. The dynamic droop-control coefficient of the ES was obtained according to the SOC of the ESS and the frequency. At the same time, the frequency-regulation power was output quickly. The lowest frequency value and stability of frequencies value are shown in Table 2.
The WTs ran in the stroke speed zone; the wind speed was 11 m/s and the fan ran in the state of MPPT. To validate the effectiveness of the proposed method, the disturbance mode of a sudden increase of a 60 MW load was still used for simulation. The adaptive inertia regulation of the WTs engaged the variation in the rotor speed and the active power of the PFR in the power grid, as shown in Figure 14.
From the analysis of Figure 14, the virtual inertia control coefficient and droop–control coefficient that responded to the system-frequency change could be changed quickly through the adaptive inertia control strategy when the system frequency varied. The minimum frequency of the system was raised from 49.72 Hz to 49.825 Hz. This provided short-term support for the system frequency and improved the frequency stability under the stroke speed.
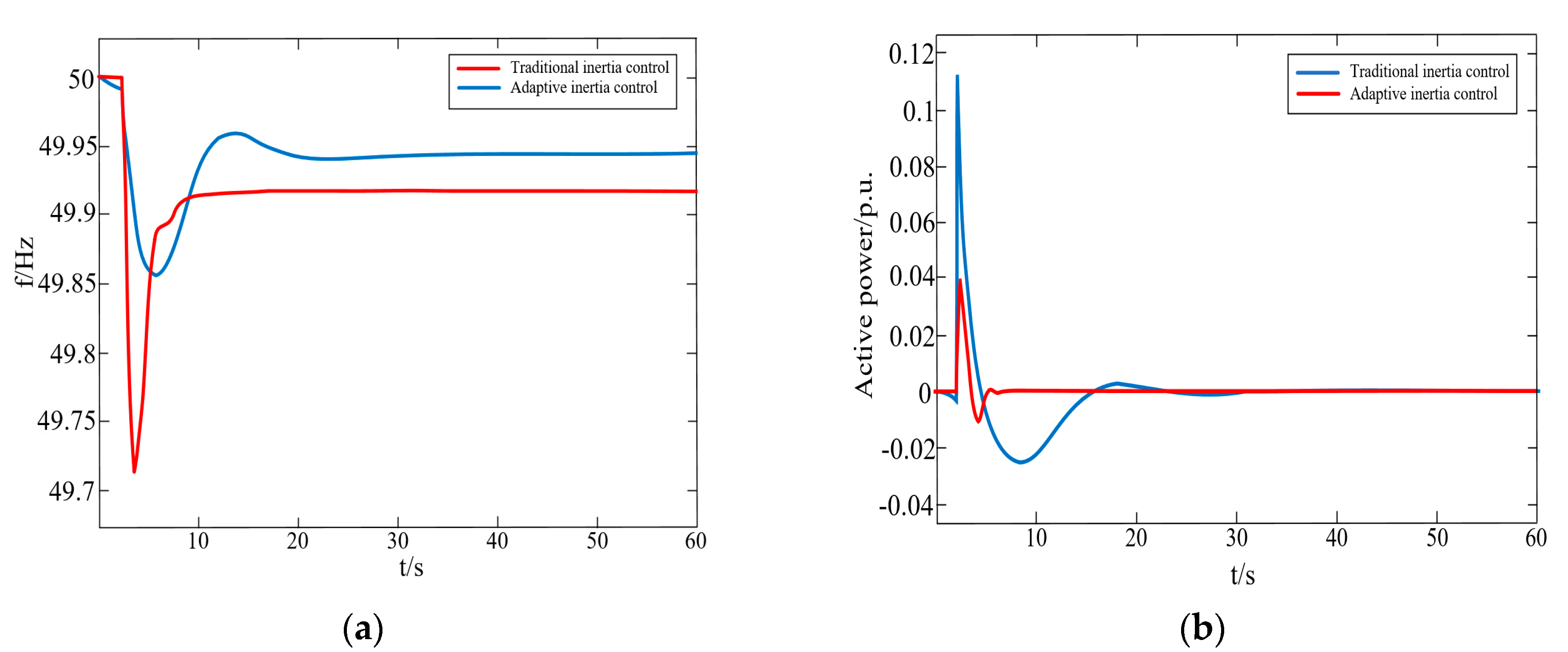
The initial pitch angle of each WT was 5°, the WTs ran in the high-wind-speed zone, the wind speed was 13 m/s, and the sudden increase in load was still used to simulate the power shortage. The results of the simulation are shown in Figure 15.
As can be seen in Figure 15, the frequency-response ability of the system was improved after WT and ES collaborative frequency regulation. Additionally, the fast response ability of the ES makes up for the posteriority of the PFR of pitch angle, which is beneficial to the frequency stability of the system.
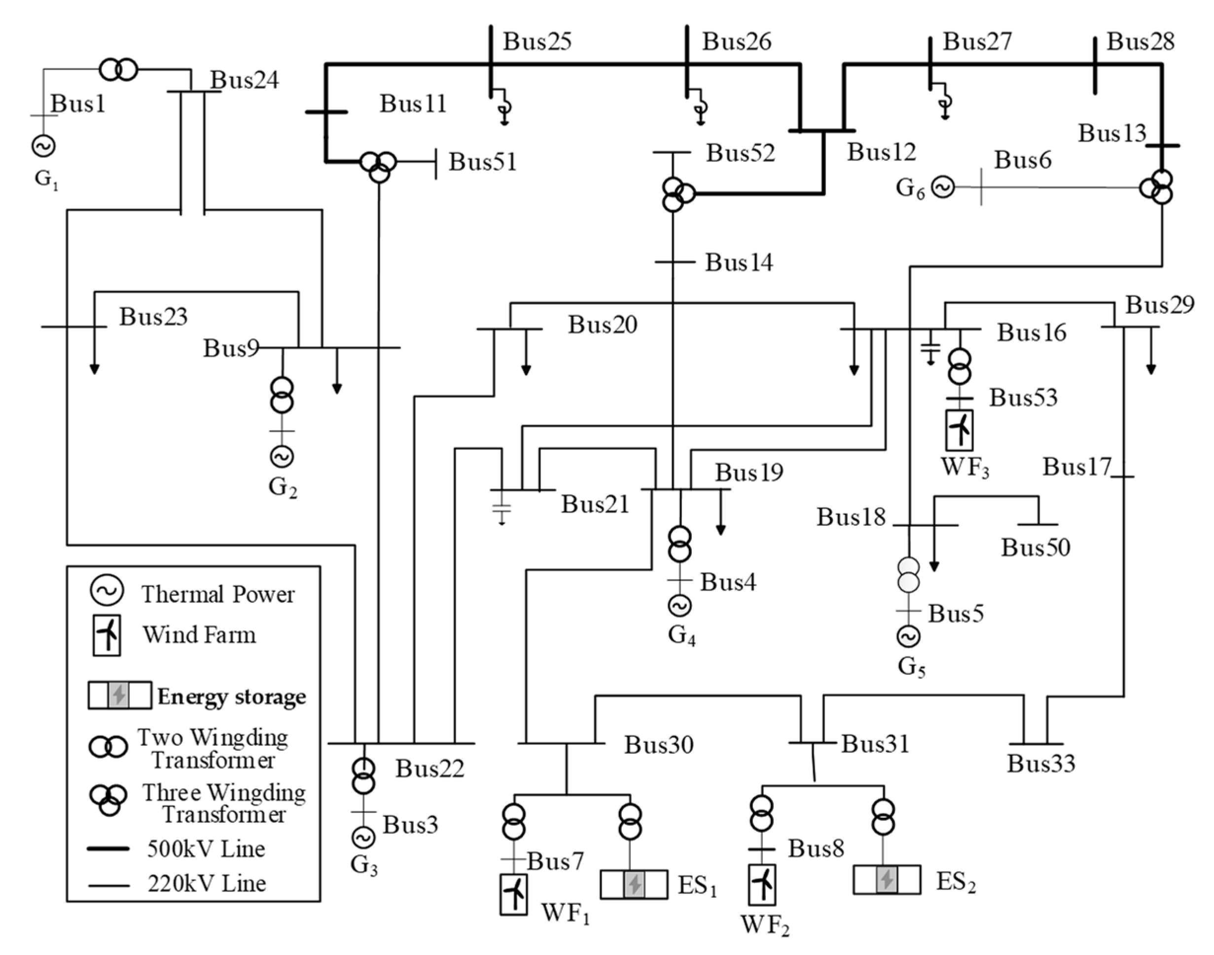
To verify that the WT and the ES joint frequency-regulation control strategy proposed in this paper has feasibility and effectiveness in connecting to a bulk power grid, the WT and the ES were put into a 36-node example. Figure 16 shows the wiring schematic, in which there are six synchronous generator sets, G1 to G6, with a total installed capacity of 4150 MW and a total load of 3024 MW. Two sets of ES of WP, including wind farm WF1’s parallel energy storage system, ES1, and wind farm WF2’s parallel energy storage system, ES2, are connected to the Bus30 and Bus31 nodes, respectively, and wind farm WF3 is merged into the Bus16 node. The power system consists of six synchronous generators, two WT and ES combined systems and a wind farm. There were 305 sets of 2 MW DFIGs in the WT and ES combined system, with a total installed capacity of 610 MW. The wind farm had 85 sets of 2 MW DFIGs with a total installed capacity of 170 MW. The two ES power stations had 20 MW and 50 MW of installed capacity, respectively, and the ratio of the connection of the WP and ES to the power grid reached 16.3%. The system without access to the ES of the WP operated normally under the initial conditions with a frequency of 49.96 Hz.
The disturbance mode increased the load fluctuation by 0.2 p.u. at 1 s, and the system frequency-change process is shown in Figure 17.
It can be seen in Figure 17 that the frequency-regulation control strategy of the wind-storage collaborative can reduce the frequency deviation caused by load variation, effectively suppress the large-scale system-frequency fluctuation, give the system a faster frequency recovery speed and significantly increase the frequency minimum point, which is conducive to system-frequency stability.

6. Conclusions

To solve the problem of insufficient inertia caused by the high proportion of new energy connected to a power grid, a collaborative control strategy based on the combination of the adaptive inertia of a wind turbine and the droop control of energy storage is proposed. Considering the overcharge and over-discharge of the SOC in an ESS, an ES dynamic droop-control model considering the SOC based on a logistic function was established. This model dynamically adjusts the frequency-regulation power according to the system-frequency deviation and SOC, which improves the frequency-regulation performance of the ESS. According to the different operation modes of the WT under different wind speeds, the PFR control strategy of the WT and ES collaborative participation system is constructed by dividing the wind-speed zone. The simulation results show that a high proportion of WP connected to the power grid in the whole wind-speed section to participate in system-frequency regulation can be achieved through the PFR of the WT and ES collaborative participation system under different wind speeds. This not only realizes the complementary advantages of WTs and ESs but also improves the frequency-regulation effect and frequency stability of the system.

Author Contributions

Conceptualization, H.K. and Y.S. (Yonghui Sun); methodology, J.L.; software, X.S.; validation, H.K., Y.S. (Yonghui Sun) and J.L.; formal analysis, X.Z.; investigation, Z.C.; resources, Y.S. (Yonghui Sun); data curation, J.L.; writing—original draft preparation, H.K., Y.S. (Yonghui Sun) and J.L.; writing—review and editing, H.K., Y.S. (Yonghui Sun) and J.L.; visualization, Y.S. (Yonghui Sun); supervision, Y.S. (Yong Shi); project administration, P.Y.; funding acquisition, H.K. All authors have read and agreed to the published version of the manuscript.

Funding

This research was funded by The Natural Science Foundation project of the Inner Mongolia Autonomous Region No. 2022MS05007.

Data Availability Statement

The datasets used and/or analyzed during the current study are available from the corresponding author upon reasonable request.

Conflicts of Interest

Authors Heran Kang, Yonghui Sun, Jianfei Liu, Xiulu Zhang and Yong Shi are employed by the company State Grid Inner Mongolia Eastern Electric Power Co., Ltd. The remaining authors declare that the research was conducted in the absence of any commercial or financial relationships that could be construed as a potential conflict of interest.

References

  1. Yang, P.H.; He, B.; Wang, B. Coordinated Control of Rotor Kinetic Energy and Pitch Angle for Large-Scale Doubly Fed Induction Generators Participating in System Primary Frequency Regulation. IET Renew. Power Gener. 2021, 15, 1836–1847. [Google Scholar] [CrossRef]
  2. Nie, Y.H.; Liu, J.T.; Gao, L. Nonlinear rotor kinetic energy control strategy of DFIG-based wind turbine participating in grid frequency regulation. Electr. Power Syst. Res. 2023, 223, 109678. [Google Scholar] [CrossRef]
  3. Xu, G.Y.; Hu, J.X.; Guo, S.F. Improved frequency control strategy for over-speed wind turbines. Autom. Electr. Power Syst. 2018, 42, 39–44. [Google Scholar]
  4. Ke, X.B.; Zhang, W.C.; Li, P.W. Fuzzy Adaptive Virtual Inertia Control for High Wind Power Penetration System. Power Syst. Technol. 2020, 44, 2127–2136. [Google Scholar]
  5. Yang, D.; Jin, Z.; Zheng, T. An adaptive droop control strategy with smooth rotor speed recovery capability for type III wind turbine generators. Int. J. Electr. Power Energy Syst. 2022, 135, 107532. [Google Scholar] [CrossRef]
  6. Gao, H.S.; Zhang, F.; Ding, L. Two-segment Droop Frequency Regulation Control Strategy and Parameter Setting Method for Wind Turbines. Autom. Electr. Power Syst. 2023, 47, 111–121. [Google Scholar]
  7. Zhou, T.; Huang, J.; Han, R.S. Inertial Support Capacity Analysis and Equivalent Inertia Estimation of Wind Turbines Under Integrated Inertial Control. J. Shanghai Jiaotong Univ. 2024, 1–24. [Google Scholar] [CrossRef]
  8. Zhang, W.; Yang, X.Y. Coordinated Frequency Control Strategy Based on Over-speeding and Variable Pitch for Doubly-fed Induction Generator. Control Eng. China 2022, 29, 743–749. [Google Scholar] [CrossRef]
  9. Wang, X.D.; Cao, G.S.; Liu, Y.M. Research on Fuzzy Adaptive Control Strategy of Dynamic Virtual Inertia and Damping of Doublyfed Wind Turbine. Acta Energiae Solaris Sin. 2023, 44, 356–365. [Google Scholar] [CrossRef]
  10. Mejía-Giraldo, D.; Velásquez-Gomez, G.; Muñoz Galeano, N.; Cano-Quintero, J.B.; Lemos-Cano, S. A BESS sizing strategy for primary frequency regulation support of solar photovoltaic plants. Energies 2019, 12, 317. [Google Scholar] [CrossRef]
  11. Niu, D.C.; Fang, J.Y.; Yau, W. Comprehensive evaluation of energy storage systems for inertia emulation and frequency regulation improvement. Energy Rep. 2023, 9, 2566–2576. [Google Scholar] [CrossRef]
  12. Jin, D.; Liu, G.C.; Sun, B.W. Primary frequency modulation control strategy for flywheel energy storage counting and wind farms. Energy Storage Sci. Technol. 2024, 2, 1911. [Google Scholar]
  13. Shadabi, H.; Kamwa, I. A decentralized non-linear dynamic droop control of a hybrid energy storage system bluefor primary frequency control in integrated AC-MTDC systems. Int. J. Electr. Power Energy Syst. 2022, 136, 107630. [Google Scholar] [CrossRef]
  14. Boyle, J.; Littler, T.; Foley, A. Battery energy storage system state-of-charge management to ensure availability of frequency regulating services from wind farms. Renew. Energy 2020, 160, 1119–1135. [Google Scholar] [CrossRef]
  15. He, K.; Tan, Z.X.; Li, X.R. Control Strategy of Primary Frequency Regulation for Distributed Energy Storage Stations Considering SOC Consensus. High Volt. Eng. 2024, 50, 870–881. [Google Scholar] [CrossRef]
  16. Sun, B.Y.; Yang, S.L.; Liu, Z.Q. Analysis on present appllication of megawatt-scale energy storage in frequency regulation and its enlightenment. Autom. Electr. Power Syst. 2017, 41, 8–17. [Google Scholar]
  17. Díaz-González, F.; Hau, M.; Sumper, A. Coordinated operation of wind turbines and flywheel storage for primary frequency control support. Int. J. Electr. Power Energy Syst. 2015, 68, 313–326. [Google Scholar] [CrossRef]
  18. Li, S.L.; Wang, W.S.; Zhang, X. Impact of Wind Power on Power System Frequency and Combined Virtual Inertia Control. Autom. Electr. Power Syst. 2019, 43, 64–70. [Google Scholar]
  19. Liu, H.; Ge, J.; Gong, Y. Optimization scheme selection of wind farm participation in grid primary frequency modulation and study of wind-storage coordination control strategy. J. Glob. Energy Interconnect. 2019, 2, 44–52. [Google Scholar]
  20. Zhu, Y.; Qiu, L.K.; Yan, Q.C. Wind-storage combined frequency regulation strategy and optimal configuration method of energy storage system considering process of frequency response. Electr. Power Autom. Equip. 2021, 41, 28–35. [Google Scholar]
  21. Taghvaei, M.; Gilvanejad, M.; Sedighizade, M. Cooperation of large-scale wind farm and battery storage in frequency control: An optimal fuzzy-logic based controller. J. Energy Storage 2022, 46, 103834. [Google Scholar] [CrossRef]
  22. Yang, D.J.; Li, J.; Jin, Z.Y. Sequential frequency regulation strategy for DFIG and battery energy storage system considering artificial deadbands. Int. J. Electr. Power Energy Syst. 2024, 155, 109503. [Google Scholar] [CrossRef]
  23. Li, J.H.; Gao, Z.; Li, C.P. Control Strategy for Dynamic Task Coefficient Based Primary Frequency Regulation of Wind Power Assisted by Energy Storage. Autom. Electr. Power Syst. 2021, 45, 52–59. [Google Scholar]
  24. GB/T 40595-2021; Guide for Technology and Test on Primary Frequency Control of Grid-Connected Power Resource. China Standards Press: Beijing, China, 2021.
Figure 1. WT and ES collaborative frequency-regulation system framework.
Figure 1. WT and ES collaborative frequency-regulation system framework.
Energies 17 06333 g001
Figure 2. PFR power–frequency characteristic curve of ESS.
Figure 2. PFR power–frequency characteristic curve of ESS.
Energies 17 06333 g002
Figure 3. Model for power system-frequency characteristic control.
Figure 3. Model for power system-frequency characteristic control.
Energies 17 06333 g003
Figure 4. WT and ES collaborative participation in the system frequency-regulation process.
Figure 4. WT and ES collaborative participation in the system frequency-regulation process.
Energies 17 06333 g004
Figure 5. System frequency after load fluctuation.
Figure 5. System frequency after load fluctuation.
Energies 17 06333 g005
Figure 6. Frequency-regulation power of WTs.
Figure 6. Frequency-regulation power of WTs.
Energies 17 06333 g006
Figure 7. Frequency-regulation power of ESS.
Figure 7. Frequency-regulation power of ESS.
Energies 17 06333 g007
Figure 8. Variation curve of storage charge/discharge coefficients with P 0 : (a) variation curve of ES charging coefficient and (b) variation curve of ES discharge coefficient.
Figure 8. Variation curve of storage charge/discharge coefficients with P 0 : (a) variation curve of ES charging coefficient and (b) variation curve of ES discharge coefficient.
Energies 17 06333 g008
Figure 9. Variation curve of storage charge/discharge coefficients with n: (a) variation curve of ES charging coefficient and (b) variation curve of ES discharge coefficient.
Figure 9. Variation curve of storage charge/discharge coefficients with n: (a) variation curve of ES charging coefficient and (b) variation curve of ES discharge coefficient.
Energies 17 06333 g009
Figure 10. Partitioning of dynamic sag control coefficients for ES.
Figure 10. Partitioning of dynamic sag control coefficients for ES.
Energies 17 06333 g010
Figure 11. Flowchart of WT and ES collaborative frequency regulation at different wind speeds.
Figure 11. Flowchart of WT and ES collaborative frequency regulation at different wind speeds.
Energies 17 06333 g011
Figure 12. Schematic diagram of a simulation example.
Figure 12. Schematic diagram of a simulation example.
Energies 17 06333 g012
Figure 13. Simulation results of PFR of WT and ES collaborative participation system: (a) variation diagram of system frequency and (b) active power output by ES frequency regulation.
Figure 13. Simulation results of PFR of WT and ES collaborative participation system: (a) variation diagram of system frequency and (b) active power output by ES frequency regulation.
Energies 17 06333 g013
Figure 14. Simulation results of PFR of WT and ES collaborative participation system: (a) change in system frequency and (b) PFR output power of WTs.
Figure 14. Simulation results of PFR of WT and ES collaborative participation system: (a) change in system frequency and (b) PFR output power of WTs.
Energies 17 06333 g014
Figure 15. Simulation results of PFR of WT and ES collaborative participation system: (a) variation curve of system frequency; (b) variation curve of WT output power; (c) variation curve of ES output power; and (d) SOC change curve of ES.
Figure 15. Simulation results of PFR of WT and ES collaborative participation system: (a) variation curve of system frequency; (b) variation curve of WT output power; (c) variation curve of ES output power; and (d) SOC change curve of ES.
Energies 17 06333 g015
Figure 16. Node network wiring diagram.
Figure 16. Node network wiring diagram.
Energies 17 06333 g016
Figure 17. Simulation results of WT and ES collaborative participation in primary system-frequency regulation in the bulk power grid.
Figure 17. Simulation results of WT and ES collaborative participation in primary system-frequency regulation in the bulk power grid.
Energies 17 06333 g017
Table 1. Wind-speed zoning table.
Table 1. Wind-speed zoning table.
Wind-Speed CategoryDivision of Wind-Speed Zone (m/s)
Low wind speed3 < v ≤ 9
Stroke wind speed9 < v ≤ 12
High wind speed12 < v < 25
Table 2. Lowest and stable values of system frequency.
Table 2. Lowest and stable values of system frequency.
Control ModeLowest Frequency Point/HzSteady-State Frequency Point/Hz
ES participates in frequency regulation49.80749.895
ES is not frequency-modulated49.73249.867
Disclaimer/Publisher’s Note: The statements, opinions and data contained in all publications are solely those of the individual author(s) and contributor(s) and not of MDPI and/or the editor(s). MDPI and/or the editor(s) disclaim responsibility for any injury to people or property resulting from any ideas, methods, instructions or products referred to in the content.

Share and Cite

MDPI and ACS Style

Kang, H.; Sun, Y.; Liu, J.; Chen, Z.; Shi, X.; Zhang, X.; Shi, Y.; Yang, P. Research on the Primary Frequency-Regulation Strategy of Wind-Storage Collaborative Participation Systems Considering the State of Charge of Energy Storage. Energies 2024, 17, 6333. https://doi.org/10.3390/en17246333

AMA Style

Kang H, Sun Y, Liu J, Chen Z, Shi X, Zhang X, Shi Y, Yang P. Research on the Primary Frequency-Regulation Strategy of Wind-Storage Collaborative Participation Systems Considering the State of Charge of Energy Storage. Energies. 2024; 17(24):6333. https://doi.org/10.3390/en17246333

Chicago/Turabian Style

Kang, Heran, Yonghui Sun, Jianfei Liu, Zitao Chen, Xizhi Shi, Xiulu Zhang, Yong Shi, and Peihong Yang. 2024. "Research on the Primary Frequency-Regulation Strategy of Wind-Storage Collaborative Participation Systems Considering the State of Charge of Energy Storage" Energies 17, no. 24: 6333. https://doi.org/10.3390/en17246333

APA Style

Kang, H., Sun, Y., Liu, J., Chen, Z., Shi, X., Zhang, X., Shi, Y., & Yang, P. (2024). Research on the Primary Frequency-Regulation Strategy of Wind-Storage Collaborative Participation Systems Considering the State of Charge of Energy Storage. Energies, 17(24), 6333. https://doi.org/10.3390/en17246333

Note that from the first issue of 2016, this journal uses article numbers instead of page numbers. See further details here.

Article Metrics

Back to TopTop