Next Article in Journal
Research on the Primary Frequency-Regulation Strategy of Wind-Storage Collaborative Participation Systems Considering the State of Charge of Energy Storage
Previous Article in Journal
Mitigating Mode Switching Oscillation in a One-Motor-One-Pump Motor-Controlled Hydraulic Cylinder via System Pressure Control: Simulation Study
Previous Article in Special Issue
Decentralized Robust Power System Stabilization Using Ellipsoid-Based Sliding Mode Control
 
 
Font Type:
Arial Georgia Verdana
Font Size:
Aa Aa Aa
Line Spacing:
Column Width:
Background:
Article

Research on Self-Recovery Ignition Protection Circuit for High-Voltage Power Supply System Based on Improved Gray Wolf Algorithm

Department of Automation, Jiangsu University of Science and Technology, Zhenjiang 212000, China
*
Author to whom correspondence should be addressed.
These authors contributed equally to this work.
Energies 2024, 17(24), 6332; https://doi.org/10.3390/en17246332
Submission received: 4 November 2024 / Revised: 3 December 2024 / Accepted: 5 December 2024 / Published: 16 December 2024
(This article belongs to the Special Issue Advances in Stability Analysis and Control of Power Systems)

Abstract

In order to solve the problems of traditional high-voltage power supply ignition protection circuits, such as non-essential start–stop power supply, a slow response speed, the system needing to be restarted manually, and so on, a high-voltage power supply system self-recovery ignition protection circuit was designed using an IGWO (improved grey wolf optimization) and PID control strategy designed to speed up the response speed, and improve the reliability and stability of the system. In high-voltage power supply operation, the firing discharge phenomenon occurs. Current transformers fire signal into a current signal through the firing voltage value and Zener diode voltage comparison to set the safety threshold; when the threshold is exceeded, the fire protection mechanism is activated, reducing the power supply voltage output to protect the high-voltage power supply system. When the ignition signal disappears, based on the IGWO-PID control of the ignition self-recovery circuit according to the feedback voltage, the DC supply voltage of the high-voltage power supply is adjusted, inhibiting the ignition discharge and, according to the ignition signal, “segmented” to restore the output of the initial voltage. MATLAB/Simulink was used to establish a system simulation model and physical platform test. The results show that the protection effect of the designed scheme is an improvement, in line with the needs of practical work.

1. Introduction

With the progress of science and technology and industrial upgrading, the requirements of industrial equipment in power supply systems continue to increase. With the rapid development of power electronics technology, the traditional low-efficiency and large volume of DC power supplies have been unable to meet the high standards of modern industry. High-voltage DC power supplies have gradually become the core of modern industrial equipment due to their advantages of high efficiency, high reliability, and high stability [1,2,3]. High-voltage DC power supplies adopt new power electronic devices to optimize the design and improve the overall system performance, showing great potential for application in the field of new energy and smart grids, improving energy efficiency, reducing energy loss, and promoting the transformation of the global energy structure. Ensuring efficient energy conversion at the same time as stability and safety in high-voltage DC power supplies has become a key research area. In practical applications, as a high-voltage power supply is generally in a high-voltage loading work state, the operation process will produce surge voltage, sudden current changes, and firing discharge phenomena, affecting the performance of power switching devices, and even burning out the control system, thus triggering a series of safety hazards. In view of this, the design of a set of efficient protection circuits is essential to enhance the reliability of high-voltage power supply systems [4,5,6,7,8,9].
In traditional high-voltage power supply systems, the design of the ignition protection circuit usually uses a voltage comparator to sample and compare ignition events. When an ignition discharge phenomenon is detected, the circuit immediately cuts off the power supply and triggers an error report from the host computer, and the system needs to restart the power supply to return to the normal operating state, which has obvious limitations in practical applications [10,11]. On the one hand, conventional firing protection circuits tend to unconditionally cut off the power supply when a firing event is detected. This practice may lead to frequent power supply shutdown in the case of frequent occurrence of minor ignition discharges, which not only shortens the life of the switching devices, but also seriously affects the work efficiency. In many engineering applications, minor firing discharges are considered part of normal system operation and do not always require immediate power shutdown. On the other hand, the response speed and bandwidth of voltage comparators limit their ability to quickly detect high-frequency firing events. In high-frequency switching power supplies, firing events may occur very rapidly, and the voltage comparator may not be able to capture these rapidly changing voltage variations in time, resulting in the protection circuitry being unable to respond in a timely manner, leading to insufficiently rapid handling of the firing event and increasing the risk of system damage. In addition, once a firing event occurs, the high-voltage power supply firing protection circuit should have self-recovery capability and be able to automatically return to normal operation after the fault is cleared, which increases the maintenance cost and reduces the reliability and automation of the system [12,13]. It can be said that there are obvious limitations in the response speed, self-recovery ability, and handling of minor ignition events in ignition protection circuits in traditional high-voltage power supply systems.
Ref. [14], on the basis of the design of a traditional high-voltage power supply ignition protection circuit, proposes a relay group and operational amplifier circuit based on the realization of the instantaneous cut-off and delayed recovery of the voltage input in the case of ignition. In addition, the voltage output is regulated by a high-voltage PID circuit to realize the control of the high-voltage power supply. The PID algorithm is widely used in the industrial field for its simple and efficient advantages, but when applied to special systems such as high-voltage power supplies, the overshooting and stability problems are more prominent. Ref. [15] studied a medical X-ray machine power supply system based on an improved BP algorithm; the traditional BP algorithm has the problem of easily falling into local optima during the training process, and an optimization strategy is proposed, aiming to improve the global search ability and convergence speed of the algorithm. By introducing a momentum term and an adaptive learning rate adjustment mechanism, the complex nonlinear problem is effectively dealt with, so as to regulate the high-voltage power supply and reduce the system ripple and voltage rise time. The generalization ability and computational resource consumption of the algorithms in the study still need to be further explored and optimized. Ref. [16] explores the type III loop compensation optimization method for voltage-mode Buck circuits. An optimization strategy based on zero-pole theory is proposed for the stability and dynamic response problems that Buck circuits may encounter in practical applications. Through comparative experiments with traditional compensation methods, the output voltage overshoot of the circuit during sudden load changes is reduced, and the stabilization time of the system is shortened, thus improving the overall performance. The parameter adjustment in the study is inflexible and only holds under specific conditions, and is not universal. Ref. [17] is titled ‘Study on the Improvement and Application of Grey Wolf Optimization Algorithm’ by Xing Li. Aiming at the problems of accuracy, convergence speed, and the tendency to fall into local optimality, this paper proposes two improvement strategies, which significantly enhance the performance of the algorithm. The article proposes an improved GWO algorithm based on the hunting behavior of spiral bubble nets, which enhances the global and local search ability of the algorithm and improves the convergence speed and accuracy by means of a nonlinearly decreasing convergence factor and the hunting behavior of spiral bubble nets. In addition, for the constrained optimization problem, this paper uses the augmented Lagrange multiplier method to transform the constrained problem into an unconstrained problem and applies the improved GWO algorithm to solve it, verifying the effectiveness of the algorithm. These improvements not only promote the development of the GWO algorithm but also provide new solutions for engineering design, parameter optimization, and other fields.
The IGWO algorithm is a group intelligence-based optimization algorithm that finds optimal solutions by simulating the social hierarchy and hunting behavior of gray wolves. Compared with modern optimization algorithms such as the musical chairs algorithm, spider bee optimization algorithm, and gold panning optimization algorithm, the IGWO algorithm has its unique advantages and limitations. The IGWO algorithm performs well on multimodal and high-dimensional optimization problems, thanks to its ability to simulate the global and local search of gray wolf hunting behavior. In contrast, for the musical chairs algorithm, while it may perform well on some specific problems, its performance is often limited by the spatial structure of the problem and parameter settings. The spider bee optimization algorithm, on the other hand, performs better on continuous space optimization problems, especially when the solution space is smoother. The gold panning optimization algorithm, on the other hand, is known for its simulation of the search behavior during gold panning and is particularly effective for optimization problems with implicit patterns. In terms of efficiency, the IGWO algorithm is able to quickly converge to the global optimal solution by dynamically adjusting the search strategy. The musical chairs algorithm, on the other hand, may require more iterations to achieve the same result, which may be a disadvantage in high-voltage power supply application scenarios. The speed of convergence of the spider bee optimization algorithm and the gold rush optimization algorithm, on the other hand, depends on the specific characteristics of the problem and the tuning of the algorithm parameters. In terms of adaptability, the IGWO algorithm is capable of adapting to different search environments and constraints, making it applicable to a wide range of engineering and scientific problems. In contrast, the musical chairs algorithm and the spider bee optimization algorithm may require algorithmic adaptation for specific problems. The Gold Rush optimization algorithm may not be as widely adaptable as the IGWO algorithm, although it performs well on some problems. However, the IGWO algorithm is relatively complex in terms of parameter tuning and algorithm implementation, which may increase the difficulty of using the algorithm in practical applications. The musical chairs algorithm and the spider bee optimization algorithm usually have simpler parameter structures that are easy to implement and tune. Although the Gold Rush optimization algorithm also has simple parameter settings, its performance may be limited by the problem characteristics. In conclusion, the musical chairs algorithm, the spider bee optimization algorithm, and the gold panning optimization algorithm may provide simpler solutions to particular problems, but they may not be as adaptable and efficient as the IGWO algorithm.
The innovative and academic value of the high-voltage power supply firing device developed in this paper compared with existing devices can be summarized as follows: (1) In this paper, we design more intelligent protection strategies to distinguish between minor firing and abnormal firing events in normal operation to avoid non-essential power interruptions [18,19,20,21,22], in order to solve the non-essential shutdown of high-voltage power supply by the traditional high-voltage power supply firing protection circuit. (2) In this paper, we develop a more accurate and fast ignition detection technology to adapt to the protection needs of high-frequency switching power supplies, and solve the problems of slow and unresponsive response in ignition protection detection of high-frequency high-voltage power supplies. (3) In this paper, we enhance the self-recovery function of the protection circuit to ensure that after the firing fault is cleared, the normal operation of the system can be quickly and automatically restored when the firing event protection circuit shuts down the power supply, enabling the system to return to normal operating conditions in a timely manner.
The protection circuit can accurately identify the ignition phenomenon and achieve uninterrupted operation under the safety threshold. When the safety threshold is exceeded, the DC-side switching element of the front auxiliary power supply is quickly cut off to protect the high-voltage power supply, and then, through the ‘segmented’ voltage start, it is expected to achieve the effect that the output voltage ripple of the self-recovery circuit of the ignition is less than 1%, and the accuracy of the output voltage and current is as high as 99%.
The remainder of the paper is split into four sections. The first section outlines the general design framework for the self-recovering firing protection circuit, describes the design flow in detail, and highlights key considerations during the design of the IGWO-PID PWM controller. The second section further delves into the subdivided design of the self-recovery lightering protection circuit, including detailed design options for the safety threshold judgment circuit and the control circuit. Meanwhile, this section focuses on the design principles and implementation methods of the IGWO-PID PWM controller. The third section simulates and analyzes the high-voltage power supply self-recovery circuit. Based on the optimized controller parameters, this section demonstrates the voltage output curves and evaluates the application effect and optimization performance of the IGWO optimization algorithm in the high-voltage power supply system to verify its effectiveness in practical engineering. The fourth section describes the process of building an experimental platform on an 80 kV high-voltage power supply product to simulate the actual firing environment and test the firing response and self-recovery performance. The experimental results in this section provide empirical support for the practical application of the self-recovery ignition protection circuit. Overall, the research work in this paper is not only innovative in theory but also has important guiding significance in practical application.

2. High-Voltage Power Supply Self-Recovery Ignition Protection Circuit Overall Design

The self-recovering ignition protection circuit overall design block diagram is shown in Figure 1. The DC voltage input by the full-bridge inverter for the AC voltage output flows into the corresponding turns ratio of the high-frequency transformer to obtain a higher AC voltage, and then through the doubling circuit to obtain a high DC voltage; at the same time, in the doubling rectifier module sampling the resistor sampling voltage, current is sampled and transmitted to the MCU; the MCU compares the sampling value with the set value of the feedback adjustment to control the PWM signal drive circuit. The MCU compares the sampling value with the set value for feedback adjustment and controls the PWM signal driving circuit, forming a closed-loop system to stabilize the output of the high-voltage power supply. When the firing phenomenon occurs and the sampling signal is within the normal voltage range, the high-voltage power supply works normally; once the sampling signal exceeds the normal voltage value, the MCU accepts the signal to turn off the high-voltage power supply, and when the firing discharge disappears, the hybrid control circuit of IGWO and PID is turned on [23,24,25], and the output voltage of the system is restored to the initial set value.
To ensure the stability of the output voltage, this paper proposes a PID controller design based on the IGWO of the lighter self-recovery circuit, which is combined with the MCU to perform a “segmented” ramp output voltage [26,27,28,29,30] to achieve the lighter self-recovery circuit of the regulated voltage regulation. This circuit is shown in Figure 2. The circuit design covers several key aspects such as feedback gain, compensation amplification, and PWM. The feedback gain module is responsible for establishing the proportionality between the set voltage and the actual output voltage. By using a resistor divider, the module can realize an accurate mapping between the set voltage and the output voltage, and the position of the feedback point does not change with the output voltage Vout, ensuring that the current in the lower resistor of the feedback module remains constant. Considering the instability that the high-voltage power supply system may exhibit when the frequency exceeds the output filter cut-off frequency, this paper introduces the IGWO-PID controller as the compensation amplification module. Through frequency-domain analysis, this controller not only realizes accurate voltage regulation but also ensures that the total phase shift of the system is always less than 360° within the full operating frequency range, which meets the dynamic response requirements, thus effectively meeting the performance requirements of the system. In the pulse-width modulation link, the proportionality between the duty cycle and the amplitude of the modulated sawtooth wave voltage is precisely controlled. By setting the input and the amplitude of the sawtooth wave voltage, the gain of the link is set to a fixed constant value, ensuring the stability and accuracy of the PWM signal. Through precise feedback gain control, dynamic compensation amplification, and stable pulse-width modulation, the stability and self-recovery capability of the high-voltage power supply system in the face of fluctuations in the input power supply are effectively enhanced.
The program also has some limitations. The gray wolf algorithm is able to adapt to systems with different complexity and nonlinear characteristics by simulating the social hierarchy and hunting behavior of wolves and optimizing the parameters of the PID controller. However, the grey wolf optimization algorithm is a heuristic optimization algorithm that produces an optimal solution that is only close to the original optimal solution, which means that in PWM control, the PID parameters that are rectified using the GWO may not be optimal, but are usually close enough to achieve good control.

3. Self-Recovery Lightering Protection Circuit Design

3.1. Ignition Safety Threshold Judgment Circuit Design

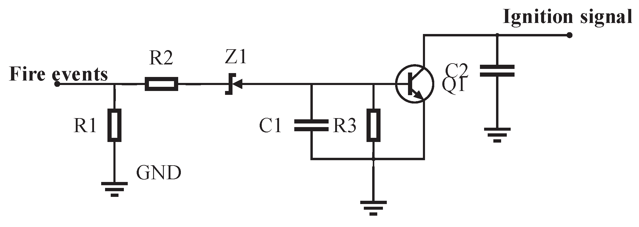
To avoid non-essential shutdown, starting and stopping the power supply, the self-recovery lightering protection circuit is divided into a lightering threshold judgment circuit and a lightering self-recovery circuit. As shown in Figure 3, the ignition threshold judgment circuit uses a current transformer to monitor the induced current in the circuit as an indication of the ignition phenomenon. When the current detected by the current transformer exceeds the set safety threshold, the voltage value on the sampling resistor R 1 reaches or exceeds the rated breakdown voltage of the Zener diode Z 1 . At this point, Z 1 reverses breakdown and conducts, resulting in current flowing through Z 1 . This change triggers the base potential of the NPN-type transistor Q 1 to rise to a high level, causing Q 1 to conduct and output a clear firing signal. If no ignition phenomenon is detected, the circuit remains in a non-activated state with no signal output. The design is simple in structure, stable in performance, and economically efficient.
The selected current transformer model is the ZMCT103C, which, according to its supplied datasheet, has an operating temperature range of −40 °C to +85 °C. This means that the device can operate stably within the specified operating temperature range. In addition, it has an isolation withstand voltage of 4500 V, indicating that it has good electrical isolation performance, which reduces the risk of damage due to voltage shocks. The selected diode, SZMMSZ5231BT1G, manufactured by ON Semiconductor, Phoenix City, AZ, USA has an operating temperature range of −55 °C to +150 °C and complies with the automotive-grade standard AEC-Q101, meaning that it is designed to operate stably for long periods of time in harsh environments, where the life expectancy of this type of device is typically years or even decades depending on its operating conditions and environmental factors.

3.2. Control Circuit Design

In the study of the self-recovery lightering protection mechanism of the high-voltage power supply system, the design of the control circuit is crucial. In this paper, a self-recovery strategy is designed to perform an instantaneous cut-off of the power output through the MCU when an abnormal signal is detected by the ignition safety threshold judgment circuit. Subsequently, the MCU restarts the high-voltage power supply after a preset delay period to ensure a smooth transition of the system to the normal operating state. For the output voltage instability caused by input power fluctuations, this paper designs a PID controller based on the improved grey wolf optimization (IGWO) algorithm, combined with the MCU to perform a “segmented” ramp output voltage. For larger firing events, the “three-stage” ramp output voltage is adopted, while for general firing events, the self-recovery circuit adopts the “two-stage” ramp output voltage to realize voltage regulation of the firing self-recovery circuit [31,32].
As shown in Figure 4, the feedback block diagram of the self-recovery circuit demonstrates the realization process of this control strategy. The design not only improves the dynamic response capability of the system but also ensures that the system can quickly recover to the predetermined rated output voltage in the face of changes in the input power supply through precise feedback control, effectively solving the voltage oscillation problem that may occur in traditional high-voltage power supply systems when the input power supply fluctuates.
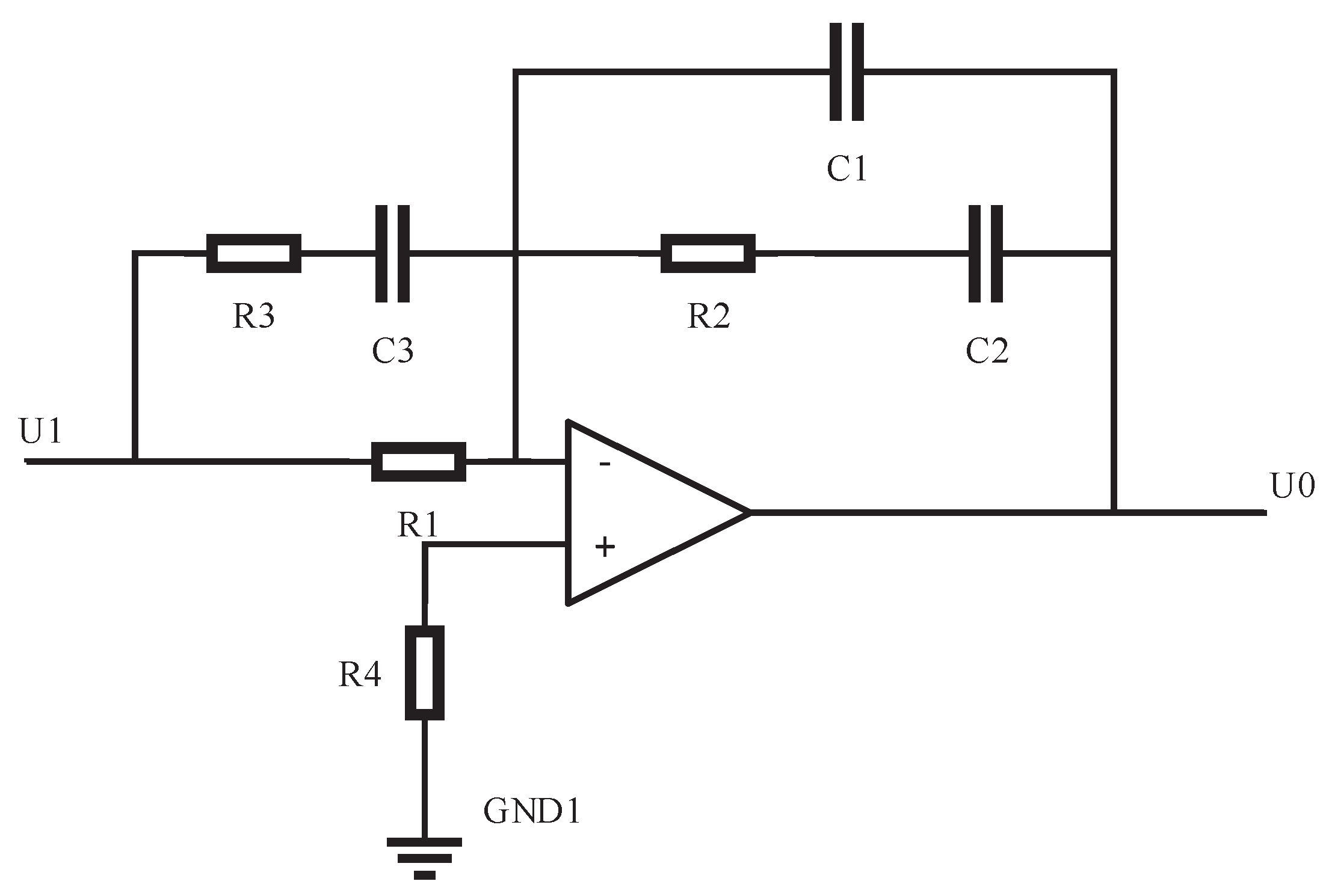
High-voltage power supply designs use more type II and type III controllers for loop compensation, introducing additional high-frequency poles to attenuate high-frequency noise, variants of the PID controller. In order to make the loop more stable, the phase margin of the switching power supply is more than 45°, the gain margin of the switching power supply is more than 10 dB, and the bandwidth of the switching power supply after compensation reaches 1/5–1/10 of the switching frequency, which is used to keep away from the switching noise of the switching power supply. In our design we selected a type III controller. Figure 5 shows the circuit topology of the PID controller, first analyzed from the frequency-domain point of view. The circuit composed of R 1 , R 3 , and C 3 is regarded as an impedance Z 1 ; the circuit composed of R 2 , C 2 , and C 1 is regarded as another impedance Z 2 . The two impedances can be calculated as follows:
Z 1 = R 1 / / 1 j w C 1 Z 2 = R 2 + 1 j w C 2 / / 1 j w C 3
According to the integrated op amp circuit false short and false break characteristics, it can be obtained that
U 1 0 Z 1 = 0 U 0 Z 2
Then, the transfer function is
H s = R 1 + R 3 R 1 R 3 C 1 × S + 1 R 2 C 2 S + 1 R 1 + R 3 C 3 S S + C 1 + C 2 R 2 C 1 C 2 S + 1 R 3 C 3
where S = j w .
Analyzing it from the time-domain perspective, R 1 and C 1 form the proportional part, R 2 and C 2 form the integral part, and R 3 and C 3 form the differential part; they can be obtained as follows:
U P = U 1 R 1 R 1 + R 2 U I = 1 R 2 C 2 U 1 d t U D = 1 R 3 C 3 d U 1 d t
The output U 0 of the operational amplifier is connected to the proportional portion U P through the feedback network R 4 to obtain the relationship between the output voltage and the input voltage:
U 0 = U P U I U D
That is
U 0 = R 1 R 1 + R 2 U 1 1 R 2 C 2 U 1 d t 1 R 3 C 3 d U 1 d t
From Equation (6), set the proportional, integral and differential coefficients:
K P = R 1 R 1 + R 2 K I = 1 R 2 C 2 K D = 1 R 3 C 3
In order to accurately regulate the type III controller, the IGWO algorithm is introduced to determine the proportional, integral, and differential coefficients of the PID controller, to avoid local optimization, to speed up the response speed, and to enhance the stability of the system, and the main workflow is shown in Figure 6.
The main workflow is divided into four steps: Step 1: Set appropriate parameters, such as the population size, the maximum number of iterations, and the location of the initialized generated gray wolf population; then use the chaotic initialization method to generate the initial gray wolf population and set the number of iterations to 1. Step 2: For each iteration, calculate the fitness value of each individual gray wolf, sort the resulting fitness values from smallest to largest, select the location of the first three gray wolves with the smallest fitness values and note them as gray wolf α , gray wolf β , and gray wolf δ , respectively. Step 3: Update the gray wolf positions based on the adaptation values of the current intelligent gray wolf individuals. Step 4: If the end condition of the algorithm is satisfied (reaching the specified accuracy or the maximum number of iterations), the algorithm stops iterating and outputs the optimal solution; otherwise, go to step 2.

3.3. IGWO Algorithm Based on the Self-Recovery of High-Voltage Power Supply Firing

The IGWO algorithm mainly focuses on two aspects: on the one hand, it improves the algorithm update iteration mechanism; on the other hand, it uses the optimization of inter-algorithm complementary combinations of other algorithms. This paper optimizes the gray wolf algorithm by the former, and uses the size of A and 1 to separate the gray wolf and the prey, and to find the better prey. When applying the grey wolf optimization algorithm, it is not difficult to find that the results are perfect when the optimal solution position is close to the origin. Explaining the flow of the algorithm, the behavior in the gray wolf algorithm is symmetric, with the head wolf as the center, and there is no anomaly in the movement of individual gray wolves; but as a whole, it produces a weak tendency to move closer to the origin.
With an increase in iteration number t, the value of A converges linearly from 2 to 0. In the whole iteration process of the grey wolf optimization algorithm, the probability of A randomly falling in the interval of 1 , 1 is larger, which leads to the over-representation of the local search, thus causing the algorithm to fall into a local optimum and affecting the solution of the global optimum. Based on this finding, this paper proposes the following scheme: in the pre-iteration A > 1 , the individual gray wolves are mainly global search, and in the late iteration, local search is carried out, i.e., controlling the position of A randomly falling in the interval 2 , 2 , so that the group first spreads to the whole solution space, and then converges to the center of the group. An improvement of the tracking–hunting phase formula is shown in Equations (8) and (9):
D = C · X i t X t X t + 1 = X i t A · D a = 2 2 t / M a x t A = 2 a · r 1 a C = 2 a r 2
A = a r 1 + t M a x t 2 r 1 + 1 2 , r 1 0.5 ; a r 1 + t M a x t 2 r 1 1 , r 1 > 0.5 .
where D denotes the distance between the individual gray wolf and the prey, and X i ( t ) , X ( t ) , and X ( t + 1 ) are the prey position, the gray wolf position, and the updated position of the gray wolf, respectively. A and C denote the coefficient vectors; the size of C is positively correlated with the stochastic weights of the gray wolf’s position on the prey’s influence. t denotes the number of iterations, a denotes the convergence factor, M a x t denotes the maximum number of iterations, and r 1 and r 2 denote the stochastic vectors in the interval 0 , 1 .
In the improved algorithm, the probability that the value of A is in the interval [ 1 , 1 ] increases gradually from 0 to 1, i.e., the global search accounts for a smaller and smaller proportion and the local search accounts for a larger and larger proportion to avoid falling into a local optimum, helping to quickly converge to the global optimum solution or the approximate global optimum solution; and because C is nonlinearly decreasing, stochastic, and provides the decision space for the global search in the iterative process, the algorithm does not easily fall into a local optimum, the accuracy of the global optimal solution is greatly improved, and the algorithm can be optimized theoretically.

4. Simulation

4.1. Simulink Simulation of Voltage Rise to 80 kV

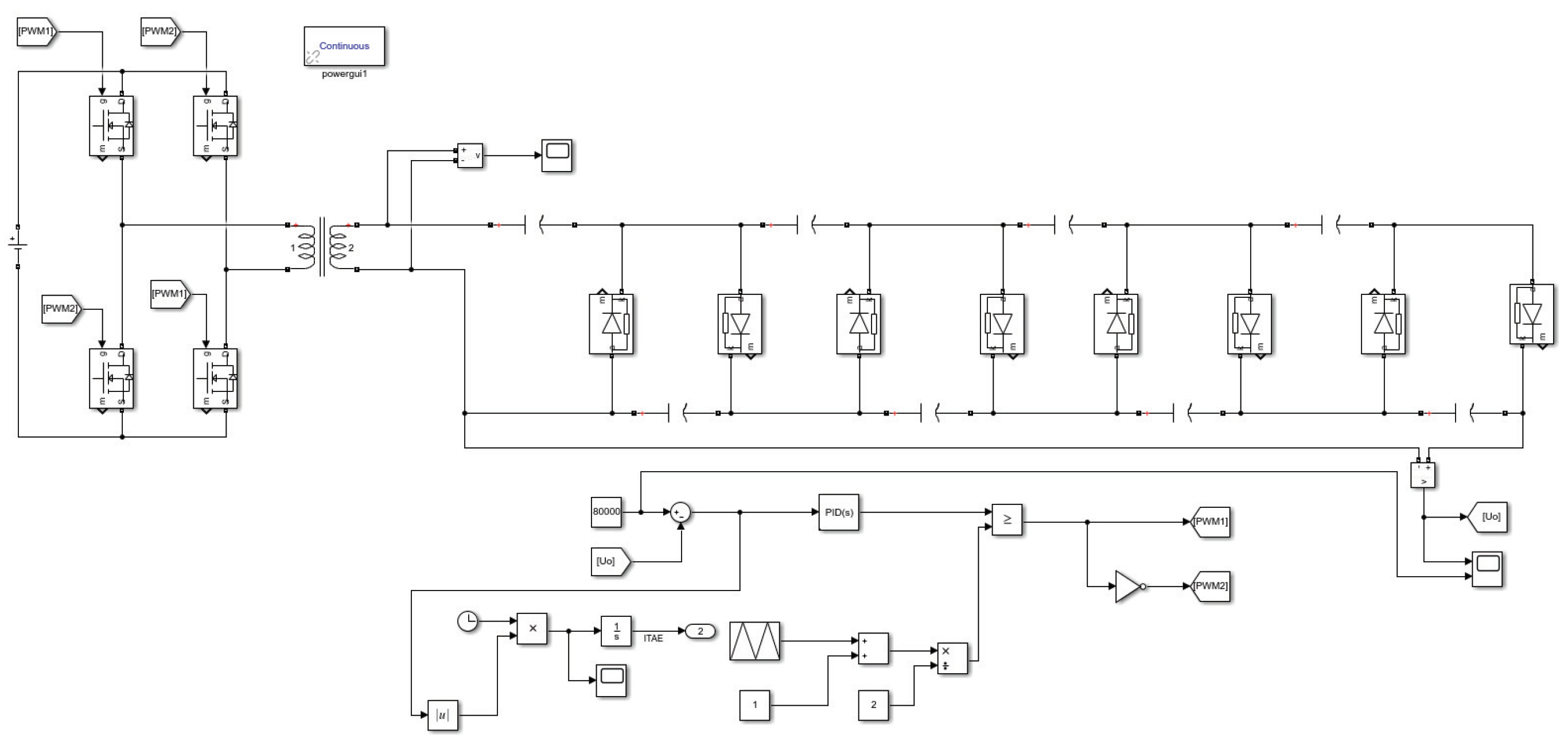
Simulating the high-voltage power supply environment in MATLAB2021A with all the devices in an ideal environment may not be able to fully simulate all the non-ideal factors that may occur in the actual hardware, such as temperature variations, power supply fluctuations, component aging, etc., which leads to the test results being more favorable than the actual situation. Second, in the simulation process, we approximate certain component characteristics and system dynamics to simplify the problem. While this simplification helps to improve the simulation efficiency, it may also overlook some subtle but important system behaviors. We assume that the IGWO-PID-based high-voltage power supply circuit is built in an ideal environment to test its performance. As shown in Figure 7, a high-voltage power supply circuit is built based on IGWO-PID, including an inverter circuit, high-frequency transformer, and voltage doubler circuit, and its main device parameters are shown in Table 1.
In the MOSFET, the coil is the ideal device environment. The ignition-triggered high-voltage power supply shutdown is simulated, and the power supply is re-boosted to restore it to the initial voltage, and once again work normally. For setting 80 kV as the target voltage value, running the M file, and then running the model, the output voltage response graph is shown in Figure 8. The output voltage reaches the target voltage value in about 2 ms, the system response speed is fast, and the stability of the output voltage rising waveform is strong, which meets the requirements of the high-voltage power supply design.

4.2. PID Controller Parameter Adjustment

Parameter adjustment has always been a difficult problem for PID controllers; the three coefficients of the PID controller parameters are independent of each other, affecting the response speed of the system, steady-state error, and overshooting. However, in practice, the three coefficients produce coupling between the three coefficients, and the use of a trial-and-error method makes it difficult to obtain a more optimized value. It is common in academia to use a stool, a design tool for system compensators in MATLAB, to add zeros and poles to adjust the system performance, visualize the time- and frequency-domain performance metrics, and update the root trajectory, obtaining a Bode plot and response curve in real time.
As shown in Figure 9, according to the simulation model-related parameters in Table 2, the MATLAB Bode plot compensation tool sisotool is utilized to add the zero-pole point for direct compensation, and the parameters are derived, showing that a better compensation effect can be obtained.
Where the transfer function is
G ( s ) = V g V m ( 1 D ) 2 · 1 L s R ( 1 D ) 2 1 + L s R ( 1 D ) 2 + L C s 2 ( 1 D ) 2
In practical engineering applications, the control system often presents nonlinear and time-varying characteristics. sisotool tuning of PID controller parameters is suitable for single-input single-output systems, and there are limitations in its applicability and effectiveness when dealing with multiple-input multiple-output or complex systems with highly nonlinear and time-varying characteristics. Therefore, the PID controller parameters are regulated and optimized according to IGWO, and the global search of the parameter space is carried out by simulating the social behavior and hunting strategy of gray wolves, with a view to finding the optimal PID parameter configurations. In practical engineering applications such as high-voltage power supply systems, the IGWO-optimized PID controller shows significant performance improvement. The Bird’s plot of the optimized system is shown in Figure 10, and its gain margins and phase margins are in line with the engineering requirements, and the system meets the expected design criteria in terms of stability and performance.

4.3. Comparative Analysis of the Mustiness of Improved Gray Wolf Algorithms

4.3.1. Comparison of PSO, IGWO, and SWO Performance

To verify the feasibility of the improved GWO algorithm, one each of the unimodal, multimodal, and composite benchmark functions, F4, F11, and F20, was randomly selected and compared with the PSO algorithm and the Spider Wasp Optimization (SWO) algorithm. To ensure the accuracy of the comparison results and the persuasiveness of the data, we set the same parameters for all the algorithms: the population size was 30, the number of iterations was 500, and each algorithm was run independently 20 times to calculate the average performance. The randomly selected CEC test functions and the comparison of the best values of the objective functions of the different algorithms are shown in Table 3 and Table 4.
The corresponding functional equations in the table are as follows:
f 4 x = max i x i , 1 i n f 11 x = 1 4000 i = 1 n x i 2 i = 1 n cos x i i + 1 f 20 x = i = 1 4 c i exp j = 1 6 a i j x j p i j 2
Convergence through analysis Figure 11, we can clearly observe the superior performance of the improved grey wolf optimization (GWO) algorithm. The number of iterations required by the improved GWO algorithm is significantly lower than that of other algorithms when the optimal solutions of the objective function are close; and when the number of iterations is similar, the optimal solution obtained by the improved GWO algorithm is closer to the theoretical optimal value. Therefore, it can be confirmed that the improved GWO algorithm is not only feasible but also has significant improvement in convergence speed and solution accuracy. Applying this algorithm to real engineering cases can effectively solve a variety of problems, thus improving the effectiveness of the work and the quality of the results.

4.3.2. Comparison of GWO, IGWO, and PSO Performance

A PID engine involving the desired research algorithm was created using M-files, and a model of the PID regulation transfer function was built in Simulink to verify the feasibility of the algorithm. The transfer function G s = 10 s + 10 was selected as the test function to evaluate the tracking performance of the PID controller parameters optimized by the genetic algorithm on the step response of the system. The experimental setup was as follows: the population size of the genetic algorithm was set to 100, the number of iterations was set to 200, the number of repetitive tests was set to 30, and the traditional GWO and PSO regulate the effect of the PID controller in the IGWO regulation effect comparison experiment.
Figure 12 shows the step function response graphs of the three algorithms to regulate PID, focusing on the steady-state value, rise time, and overshoot amount of the three indicators. The results show that although the GWO regulation PID has a faster response speed, it is accompanied by a larger amount of overshooting; the PSO regulation PID does not produce an overshoot, but the response speed is relatively slower, compared to the IGWO regulation PID, which demonstrates superiority in the response speed and the steady-state performance, and has a greater potential to improve the system control performance.

5. Setting Up the Experimental Platform

As shown in Figure 13, the experimental platform based on the 80 kV high-voltage power supply developed by Xintlong Technology (Wuxi) Co., Ltd. (Wuxi, China) was set up, and the test prototype was subjected to a firing test and self-recovery test, and the relevant parameters of the test prototype are shown in Table 5.
Figure 14 shows the flow chart of the high-voltage power supply ignition test experimental platform. Using a 48 V/1000 W switching power supply to supply power to the control board, the control board drives the high-voltage power supply and receives the high-voltage power supply output voltage, output current, and the signal of the ignition, and then connects to the PC through the RS232 serial line, and interacts with the upper computer signals. A Tektronix TBS2074B, Biverton, OR, USA oscilloscope is used to measure the signals, and the electrode spacing is controlled to simulate the ignition environment under the 80 kV/8 mA working condition of the high-voltage power supply, and the load is placed in insulating oil to draw out the high voltage, which ensures the security of the test environment and maintains professionalism. Experimental method tests, micro-firing tests, firing discharge tests, and firing self-recovery tests are performed.

5.1. Experimental Method Validation

An experimental method of approaching and then distancing the electrodes was used to test the feasibility of the method of controlling the electrode spacing to simulate the lighting environment. The two electrodes were gradually brought together until a firing signal was detected, after which the displacement system was immediately operated to pull the electrodes further apart. As shown in Figure 15, the current waveform showed multiple spikes during the electrode proximity process, which belonged to the micro-firing discharge phenomenon. When the electrode spacing was reduced to a certain degree, the electric field strength increased, causing the breakdown voltage of the air or other medium to decrease, resulting in a discharge and a steep rise in current. At this time, the distance between the electrodes, power supply normal operation, and micro-fire discharge phenomenon also slowly disappear. Obviously, the electrode spacing has a close influence on the power supply current signal and the weak firing discharge can be detected, meaning the test method is feasible.

5.2. Ignition Test

In performing the current signal measurement of the high-voltage power supply system, a Tektronix TBS2074B oscilloscope was used to measure the current response during firing, as shown in Figure 16a. In the case of slight firing, the current signal exhibited a rapid rise, peaked after about 3 microseconds, and quickly recovered to a level close to the initial state. The high-voltage power supply still operated normally. Although the high-voltage power supply system remained in normal operation during this process, the instantaneous peak value of the output current increased significantly, reaching more than three times the value of the normal operating current, and the firing produced greater damage to the high-voltage power supply system and internal devices. The slight ignition current did not exceed the set safety threshold, the system did not trigger the ignition signal, thus avoiding the non-essential start-stop cycle, which helped to maintain the stability of the system and extend the service life of the equipment. Figure 16b shows the waveform of the high-voltage power supply shutting down and stopping operation after a large firing discharge has occurred. When the high-voltage power supply system is subjected to a larger firing discharge event, the current signal shows an extreme rise, with a peak current of up to 48 mA, far exceeding the current level of the system during normal operation. This situation indicates that the larger firing event poses a serious threat to the system and requires immediate action to prevent further damage. The entire process from ignition to system shutdown lasts only 10 microseconds, and this rapid response mechanism is critical in protecting the high-voltage power system from catastrophic failure.

5.3. Ignition Self-Recovery Test

The ignition self-recovery circuit employs an intelligent MCU-based control method to optimize the power supply startup process and reduce the risk of an ignition event. The MCU executes a preset delay program after detecting the disappearance of the ignition signal to ensure a stable system environment for a smooth power supply startup.
The MCU selects an appropriate ramp startup strategy based on the spike current value detected during ignition. The peak current value serves as a benchmark for the selection of the startup strategy, ensuring that the current control during the power supply startup process is accurate and complies with safety standards. When the peak current value is less than or equal to 30 mA, a “two-stage” ramp output voltage strategy is adopted, involving two stages of voltage rise;
When the spike current value is greater than 30 mA, a “three-stage” ramp output voltage strategy is adopted, with an intermediate stage added to further refine the voltage rise process, in order to reduce the risk of firing under high current conditions. The “two-stage” ramp output voltage is shown in Figure 17: the voltage in the first 30 ms quickly rises to 20 kV, and then continues to rise to the normal operating voltage of the high-voltage power supply 80 kV, the whole process takes 170 ms, the waveform is stable, the segmented ramp output voltage can make the high-voltage power supply output steady. It is not prone to sparking discharge.
As shown in Figure 18, the “three-stage” voltage ramp is initiated when a large spike current is generated by the firing. The first stage of the voltage ramp takes 30 ms, increasing to 20 kV; in the second stage, the voltage continues to rise, but the rate has slowed down, from 20 kV to 50 kV; this process lasted 90 ms. Finally, the voltage enters the third stage, from 50 kV to 80 kV, a process that takes 80 ms. In this stage, the rate of rise of the voltage is further reduced until it reaches a steady state. During the whole process, there is no overshoot in the voltage rise curve, and the system control strategy effectively suppresses the overshoot and ensures the smooth transition and output of the voltage.
The high-voltage power supply system shows excellent performance in the process of self-recovery to the normal working state, the measured output value reaches 80.2 kV with the analog output set to 80 kV, and the accuracy of the output voltage is 99.875 % . The high-voltage power supply system is stable, with good self-adaptive ability and anti-interference performance, and in the process effectively avoids the occurrence of firing discharge.

6. Conclusions

In this paper, a self-recovery firing protection circuit based on IGWO and PID control strategy for high-voltage power supply system is designed to protect the high-voltage power supply by quickly cutting off the switching elements on the DC side of the front-stage auxiliary power supply; it is suitable for high-voltage power supply with a wide voltage range of 60 kV–160 kV. After repeated experimental tests, we found that this protection circuit is able to detect the lightering event efficiently and to ensure that it continues to operate in a safe range. Once the set safety threshold is detected to be exceeded, the circuit automatically activates the firing protection function to protect the high-voltage power supply system from damage by reducing the voltage output of the power supply. This research methodology and solution are innovative. On the one hand, compared with the traditional PID parameter setting, the improved grey wolf algorithm can effectively avoid voltage overshoot, and the “segmented” voltage start effectively solves the voltage start fluctuation problem. On the other hand, the improved grey wolf algorithm has a faster system response, shorter regulation time, smaller fluctuations, and achieves a value closer to the reference value than other intelligent algorithms. Together with the example of a self-recovery ignition protection circuit of a high-voltage power supply system, it can effectively solve the ignition problem that causes non-essential starts and stops, and significantly improve the efficiency and quality of work. In short, the circuit has low static power consumption, stable operation, a rapid response time, and other characteristics to solve the problems that traditional high-voltage power supply ignition protection circuits have of non-essential starting and stopping of the power supply, slow response speeds, the system needing to be restarted manually, and other issues. It provides a reference for the relevant high-voltage power supply protection circuit design. In the future, there are still areas where the circuit can be improved, such as choosing switching tubes with higher precision. In the future, the design of the protection circuit will be further improved to make the design versatile and better improve the safety performance of the power supply.

Author Contributions

Conceptualization, J.Z. and W.Z.; methodology, J.Z.; software, J.Z.; validation, W.Z., H.W. and Y.Z.; formal analysis, J.Z.; investigation, W.Z.; resources, H.W.; data curation, Y.Z.; writing—original draft preparation, J.Z.; writing—review and editing, J.Z.; visualization, W.Z.; supervision, H.W.; project administration, Y.Z.; funding acquisition, W.Z. All authors have read and agreed to the published version of the manuscript.

Funding

This research was funded by the Natural Science Foundation of Jiangsu Province No. BK20221297, BK20231257, the National Natural Science Foundation of China under Grant No. 51977101, and the Zhenjiang City Industrial Prospective and Common Key Technology Research and Development Project under Grant No. GY2023003.

Data Availability Statement

Data are contained within the article.

Conflicts of Interest

The authors declare no conflicts of interest.

References

  1. Zhang, B. Development of 100 kV/25 mA low ripple high voltage DC power supply. High Power Laser Part. Beams 2023, 35, 135–139. [Google Scholar]
  2. He, K.; Li, Q.; Xia, Y. Control strategy based on a 200 kV/15 A inverter-type DC high-voltage power supply. High Power Laser Part. Beams 2023, 35, 148–153. [Google Scholar]
  3. Sahoo, B.; Panda, S. Improved grey wolf optimization technique for fuzzy aided PID controller design for power system frequency control. Sustain. Energy Grids Netw. 2018, 16, 278–299. [Google Scholar] [CrossRef]
  4. Zheng, L.; Zhu, Y.; Ren, J.; Chang, C.; Ye, J. High-voltage DC–DC converter based on adaptive frequency conversion modulation. J. Power Electron. 2024, 24, 339–348. [Google Scholar] [CrossRef]
  5. Schlatter, S.; Illenberger, P.; Rosset, S. Peta-pico-Voltron: An open-source high voltage power supply. HardwareX 2018, 4, e00039. [Google Scholar] [CrossRef]
  6. Liu, J.; Zhong, S.; Zhang, J. Auxiliary power supply for medium-/high-voltage and high-power solid-state transformers. IEEE Trans. Power Electron. 2019, 35, 4791–4803. [Google Scholar] [CrossRef]
  7. Zhang, L.; Ji, S.; Gu, S. Design considerations for high-voltage insulated gate drive power supply for 10-kV SiC MOSFET applied in medium-voltage converter. IEEE Trans. Power Electron. 2020, 38, 5712–5724. [Google Scholar] [CrossRef]
  8. Bandeira, D.; Lazzarin, T.; Barbi, I. High voltage power supply using a T-type parallel resonant DC–DC converter. IEEE Trans. Ind. Appl. 2018, 54, 2459–2470. [Google Scholar] [CrossRef]
  9. Liu, Y.; He, Z.; Hou, R. A Multi-Mode Wide Output Range High Voltage Power Supply for Magnetrons. IEEE Trans. Ind. Electron. 2022, 70, 11153–11162. [Google Scholar] [CrossRef]
  10. Meng, Z.; Duan, J.; Sun, L. Voltage Drop Compensation Technology for High-Voltage and High-Power DC Energy Storage Power Supply System. IEEE Trans. Ind. Electron. 2023, 71, 549–559. [Google Scholar] [CrossRef]
  11. Jafari, H.; Habibi, M. High-voltage charging power supply based on an LCC-type resonant converter operating at continuous conduction mode. IEEE Trans. Power Appl. 2019, 35, 5461–5478. [Google Scholar] [CrossRef]
  12. Luo, Z.; Ker, M. A high-voltage-tolerant and power-efficient stimulator with adaptive power supply realized in low-voltage CMOS process for implantable biomedical applications. IEEE J. Emerg. Sel. Top. Circuits Syst. 2018, 8, 178–186. [Google Scholar] [CrossRef]
  13. Takaki, K.; Hayashi, N.; Wang, D. High-voltage technologies for agriculture and food processing. J. Phys. D Appl. Phys. 2019, 52, 473001. [Google Scholar] [CrossRef]
  14. Zhou, R. DC High Voltage Power Supply Protection Circuit Design. Master’s Thesis, Shenyang Normal University, Shenyang, China, 2023. [Google Scholar]
  15. Chen, Y.; Wang, Y.; Yu, Y. Research on power supply of medical X-ray machine based on improved BP algorithm. Foreign Electron. Meas. Technol. 2021, 40, 77–81. [Google Scholar]
  16. Hong, Y.; Chen, B.; Wang, Q. Optimization method of Type III loop compensation in voltage-mode Buck circuits. Power Supply Technol. 2021, 45, 1209–1212+1226. [Google Scholar]
  17. Li, X. Research on the Improvement and Application of Gray Wolf Optimization Algorithm. Ph.D. Thesis, Beijing Architecture University, Beijing, China, 2022. [Google Scholar]
  18. Kang, P.; Jin, J.; Yan, W. Brushless DC motor control strategy based on improved GWO-PID. Manuf. Autom. 2023, 45, 147–152. [Google Scholar]
  19. Bai, J.; Li, Z.; Ma, X. Application of PID controller optimized by Gray Wolf algorithm in temperature control of experimental coke oven. Metall. Energy 2023, 42, 55–59. [Google Scholar]
  20. Neretti, G.; Ricco, M. Self-tuning high-voltage and high-frequency sinusoidal power supply for dielectric barrier discharge plasma generation. Electronics 2019, 8, 1137. [Google Scholar] [CrossRef]
  21. Abood, L. Optimal modified PID controller for automatic voltage regulation system. AIP Conf. Proc. 2022, 2415, 030007. [Google Scholar]
  22. Aziz, G.; Shneen, S.; Abdullah, F. Advanced optimal GWO-PID controller for DC motor. Int. J. Adv. Appl. Sci. 2022, 11, 263–276. [Google Scholar] [CrossRef]
  23. Jagatheesan, K.; Boopathi, D.; Samanta, S. Grey wolf optimization algorithm-based PID controller for frequency stabilization of interconnected power generating system. Soft Comput. 2024, 28, 5057–5070. [Google Scholar] [CrossRef]
  24. Padhy, S.; Panda, S. Application of a simplified Grey Wolf optimization technique for adaptive fuzzy PID controller design for frequency regulation of a distributed power generation system. Prot. Control Mod. Power Syst. 2021, 6, 1–16. [Google Scholar] [CrossRef]
  25. Ghanamijaber, M. A hybrid fuzzy-PID controller based on gray wolf optimization algorithm in power system. Evol. Syst. 2019, 10, 273–284. [Google Scholar] [CrossRef]
  26. Burkard, J.; Biela, J. Design of a protection concept for a 100-kVA hybrid transformer. IEEE Trans. Power Electron. 2019, 35, 3543–3557. [Google Scholar] [CrossRef]
  27. Zhang, H. Modeling and loop compensation design of switching mode power supplies. Linear Technol. 2015. [Google Scholar]
  28. Bibian, S.; Jin, H. Time delay compensation of digital control for DC switchmode power supplies using prediction techniques. IEEE Trans. Power Electron. 2000, 15, 835–842. [Google Scholar] [CrossRef]
  29. Ghosh, A.; Banerjee, S. Design and implementation of Type-II compensator in DC-DC switch-mode step-up power supply. In Proceedings of the 2015 Third International Conference on Computer, Communication, Control and Information Technology, West Bengal, India, 7–8 February 2015; pp. 1–5. [Google Scholar]
  30. Ren, R.; Zhang, F.; Liu, B. A closed-loop modulation scheme for duty cycle compensation of PWM voltage distortion at high switching frequency inverter. IEEE Trans. Ind. Electron. 2019, 67, 1475–1486. [Google Scholar] [CrossRef]
  31. Choi, H. Practical feedback loop design considerations for switched mode power supplies. Fairchild Semicond. Power Semin. 2010, 2011, 489–498. [Google Scholar]
  32. Sheehan, R.; Diana, L. Switch-Mode Power Converter Compensation Made Easy; Texas Instruments: Dallas, TX, USA, 2016. [Google Scholar]
Figure 1. Block diagram of the overall design flow of the high-voltage power supply.
Figure 1. Block diagram of the overall design flow of the high-voltage power supply.
Energies 17 06332 g001
Figure 2. Sketch of IGWO-PID PWM controller design.
Figure 2. Sketch of IGWO-PID PWM controller design.
Energies 17 06332 g002
Figure 3. Threshold judgment circuit.
Figure 3. Threshold judgment circuit.
Energies 17 06332 g003
Figure 4. Block diagram of regulated voltage regulation feedback based on IGWO-PID controller.
Figure 4. Block diagram of regulated voltage regulation feedback based on IGWO-PID controller.
Energies 17 06332 g004
Figure 5. PID controller.
Figure 5. PID controller.
Energies 17 06332 g005
Figure 6. Flow chart of the improved grey wolf optimization algorithm.
Figure 6. Flow chart of the improved grey wolf optimization algorithm.
Energies 17 06332 g006
Figure 7. Simulink simulation model of high-voltage power supply based on IGWO-PID.
Figure 7. Simulink simulation model of high-voltage power supply based on IGWO-PID.
Energies 17 06332 g007
Figure 8. Output voltage response of high-voltage power supply system based on IGWO-PID.
Figure 8. Output voltage response of high-voltage power supply system based on IGWO-PID.
Energies 17 06332 g008
Figure 9. Bode plot of transfer function after sisotool adjustment.
Figure 9. Bode plot of transfer function after sisotool adjustment.
Energies 17 06332 g009
Figure 10. PID Bode plot after optimization of IGWO regulation.
Figure 10. PID Bode plot after optimization of IGWO regulation.
Energies 17 06332 g010
Figure 11. Convergence curves of the 3 comparison algorithms on the F4, F11, and F20 test functions.
Figure 11. Convergence curves of the 3 comparison algorithms on the F4, F11, and F20 test functions.
Energies 17 06332 g011
Figure 12. Comparison of step response curves.
Figure 12. Comparison of step response curves.
Energies 17 06332 g012
Figure 13. Experimental platform for high-voltage power supply firing test.
Figure 13. Experimental platform for high-voltage power supply firing test.
Energies 17 06332 g013
Figure 14. Flow chart of the high-voltage power supply firing test experiment platform.
Figure 14. Flow chart of the high-voltage power supply firing test experiment platform.
Energies 17 06332 g014
Figure 15. Feasibility verification of high-voltage power supply ignition program.
Figure 15. Feasibility verification of high-voltage power supply ignition program.
Energies 17 06332 g015
Figure 16. Current waveform of high-voltage power supply during ignition.
Figure 16. Current waveform of high-voltage power supply during ignition.
Energies 17 06332 g016
Figure 17. Flame-on recovery “two-stage” voltage start waveforms.
Figure 17. Flame-on recovery “two-stage” voltage start waveforms.
Energies 17 06332 g017
Figure 18. Flame-on recovery “three-stage” voltage start waveforms.
Figure 18. Flame-on recovery “three-stage” voltage start waveforms.
Energies 17 06332 g018
Table 1. Important parameters of the simulation model.
Table 1. Important parameters of the simulation model.
ParameterValue
Input voltage100 V
Output voltage80 kV
Coil turns ratio8:800
Capacitance, C 2.2 × 10 6 F
Table 2. Important parameters of the simulation model.
Table 2. Important parameters of the simulation model.
ParameterValue
Input voltage, V g 100 V
Output voltage, V 0 300 V
Triangular wave carrier amplitude200 V
Capacitance, C 33 × 10 6 F
Inductor, L 470 × 10 6 H
Load30 R
Duty cycle, D 2 / 3
Table 3. Randomly selected CEC test functions.
Table 3. Randomly selected CEC test functions.
FunctionDimensionalityRangeTheoretical Minimum
f 4 ( x ) 30 R 1 0
f 11 ( x ) 30 R 2 0
f 20 ( x ) 6 R 3 3
Table 4. Comparison of the optimal values of the objective functions of different algorithms.
Table 4. Comparison of the optimal values of the objective functions of different algorithms.
F4F11F20
GWO 5.92 × 10 7 0 3.311
SWO 5.5238 × 10 7 0 3.312
IGWO 1.7434 × 10 16 0 3.1624
Table 5. Test power supply parameters and PID controller optimization parameter values.
Table 5. Test power supply parameters and PID controller optimization parameter values.
ParameterValueParameterValue
Load10 M R 1 20 k Ω
Output current8 mA R 2 4.7  k Ω
Output voltage80 kV R 3 1 k Ω
Coil turns ratio8:800 C 1 3.3  nF
Power640 W C 2 100 nF
Voltage doubler capacitor, C 2.2 × 10 6 F C 3 10 nF
Disclaimer/Publisher’s Note: The statements, opinions and data contained in all publications are solely those of the individual author(s) and contributor(s) and not of MDPI and/or the editor(s). MDPI and/or the editor(s) disclaim responsibility for any injury to people or property resulting from any ideas, methods, instructions or products referred to in the content.

Share and Cite

MDPI and ACS Style

Zhu, J.; Zhu, W.; Wei, H.; Zhang, Y. Research on Self-Recovery Ignition Protection Circuit for High-Voltage Power Supply System Based on Improved Gray Wolf Algorithm. Energies 2024, 17, 6332. https://doi.org/10.3390/en17246332

AMA Style

Zhu J, Zhu W, Wei H, Zhang Y. Research on Self-Recovery Ignition Protection Circuit for High-Voltage Power Supply System Based on Improved Gray Wolf Algorithm. Energies. 2024; 17(24):6332. https://doi.org/10.3390/en17246332

Chicago/Turabian Style

Zhu, Jingyi, Wanlu Zhu, Haifeng Wei, and Yi Zhang. 2024. "Research on Self-Recovery Ignition Protection Circuit for High-Voltage Power Supply System Based on Improved Gray Wolf Algorithm" Energies 17, no. 24: 6332. https://doi.org/10.3390/en17246332

APA Style

Zhu, J., Zhu, W., Wei, H., & Zhang, Y. (2024). Research on Self-Recovery Ignition Protection Circuit for High-Voltage Power Supply System Based on Improved Gray Wolf Algorithm. Energies, 17(24), 6332. https://doi.org/10.3390/en17246332

Note that from the first issue of 2016, this journal uses article numbers instead of page numbers. See further details here.

Article Metrics

Back to TopTop