Control of Three-Phase Two-Level Inverters: A Stochastic LPV Model Approach
Abstract
1. Introduction
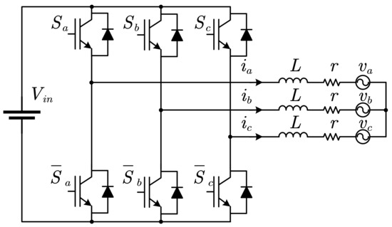
2. System Description and Inverter Modeling
3. System Analysis and Controller Design
3.1. Stability Analysis and Synthesis
3.2. Performance Analysis and Synthesis
4. Simulation Results
4.1. Stabilization
4.2. Stabilization with Slack Matrix
4.3. Disturbance Attenuation
4.4. Disturbance Attenuation with Slack Matrix
5. Conclusions
Author Contributions
Funding
Data Availability Statement
Conflicts of Interest
References
- Luo, W.; Stynski, S.; Chub, A.; Franquelo, L.G.; Malinowski, M.; Vinnikov, D. Utility-Scale Energy Storage Systems: A Comprehensive Review of Their Applications, Challenges and Future Directions. IEEE Ind. Electron. Mag. 2021, 15, 17–27. [Google Scholar] [CrossRef]
- Yin, Y.; Vazquez, S.; Marquez, A.; Liu, J.; Leon, J.I.; Wu, L.; Franquelo, L.G. Observer-based sliding-mode control for grid-connected power converters under unbalanced grid conditions. IEEE Trans. Ind. 2022, 69, 517–527. [Google Scholar] [CrossRef]
- Zafra, E.; Granado, J.; Lecuyer, V.B.; Vazquez, S.; Alcaide, A.M.; Leon, I.; Franquelo, G. Computationally Efficient Sphere Decoding Algorithm Based on Artificial Neural Networks for Long-Horizon FCS-MPC. IEEE Trans. Ind. Electron. 2024, 71, 39–48. [Google Scholar] [CrossRef]
- Shamma, S.; Athans, M. Guaranteed properties of gain scheduled control for linear parameter-varying plants. Automatica 1991, 27, 559–564. [Google Scholar] [CrossRef]
- Briat, C. Stability analysis and state-feedback control of LPV systems with piecewise constant parameters subject to spontaneous poissonian jumps. IEEE Control Syst. Lett. 2018, 2, 230–235. [Google Scholar] [CrossRef]
- De Araújo, L.O.; Pellanda, P.C.; Galdino, J.F.; Simões, A.M. Haar-based stability analysis of LPV sys-tems. IEEE Trans. Autom. Control 2015, 60, 192–198. [Google Scholar] [CrossRef]
- De Oliveira, M.S.; Pereira, L. LMI-based filter design conditions for discrete-time LPV systems with bounded parameter variation. IEEE Trans. Autom. Control 2021, 66, 910–915. [Google Scholar] [CrossRef]
- Pandey, P.; de Oliveira, M.C. On the necessity of LMI-based design conditions for discrete time LPV filters. IEEE Trans. Autom. Control 2018, 63, 3187–3188. [Google Scholar] [CrossRef]
- Tan, J.; Olaru, S.; Xu, F.; Wang, X. Toward a convex design framework for online active fault diagnosis of LPV systems. IEEE Trans. Autom. Control 2022, 67, 4154–4161. [Google Scholar] [CrossRef]
- Nguyen, A.-T.; Chevrel, P.; Claveau, F. LPV static output feedback for constrained direct tilt control of narrow tilting vehicles. IEEE Trans. Control Syst. Technol. 2020, 28, 661–670. [Google Scholar] [CrossRef]
- Ma, J.; Zhu, M.; Li, Y.; Cai, X. Dynamic analysis of multimode buck–boost converter: An LPV system model point of view. IEEE Trans. Power Electron. 2021, 36, 8539–8551. [Google Scholar] [CrossRef]
- Incremona, P.; Ferrara, A.; Utkin, I. Sliding mode optimization in robot dynamics with LPV controller design. IEEE Control Syst. Lett. 2022, 6, 1760–1765. [Google Scholar] [CrossRef]
- Shen, Y.; Wu, Z.-G.; Shi, P.; Shu, Z.; Karimi, R. H∞ control of Markov jump time-delay systems under asynchronous controller and quantizer. Automatica 2019, 99, 352–360. [Google Scholar] [CrossRef]
- Wu, L.; Su, X.; Shi, P. Sliding mode control with bounded L2 gain performance of Markovian jump singular time-delay systems. Automatica 2012, 48, 1929–1933. [Google Scholar] [CrossRef]
- Yang, X.; Yin, S.; Kaynak, O. Robust identification of LPV time-delay system with randomly missing measurements. IEEE Trans. Syst. Man Cybern. Syst. 2018, 48, 2198–2208. [Google Scholar] [CrossRef]
- Yang, X.; Yin, S. Robust global identification and output estimation for LPV dual-rate systems subjected to random output time-delays. IEEE Trans. Ind. Inform. 2017, 13, 2876–2885. [Google Scholar] [CrossRef]
- Wang, Q.; Zhu, B. Stability analysis of semi-Markov switched stochastic systems. Automatica 2018, 94, 72–80. [Google Scholar] [CrossRef]
- Tang, Y.; Wu, X.; Shi, P.; Qian, F. Input-to-state stability for nonlinear systems with stochastic impulses. Automatica 2020, 113, 108766. [Google Scholar] [CrossRef]
- Tan, H.; Shen, B.; Kaixiang, P.; Liu, H. Robust recursive filtering for uncertain stochastic systems with ampli-fy-and-forward relays. Int. J. Syst. Sci. 2020, 51, 1188–1199. [Google Scholar] [CrossRef]
- Chen, Y.; Wang, Z.; Yuan, Y.; Date, P. Distributed H∞ filtering for switched stochastic delayed systems over sensor networks with fading measurements. IEEE Trans. Cybern. 2020, 50, 2–14. [Google Scholar] [CrossRef]
- Luo, W.; Vazquez, S.; Liu, J.; Gordillo, F.; Franquelo, L.G.; Wu, L. Control system design of a three-phase active front end using a sliding-mode observer. IEEE Trans. Syst. Man Cybern. Syst. 2022, 52, 739–748. [Google Scholar] [CrossRef]
- Luo, W.; Li, S.; Vazquez, S.; Du, J.; Wu, L.; Franquelo, L.G. Grid-connected inverter control via linear parame-ter-varying system approach. In Proceedings of the IECON 2022—48th Annual Conference of the IEEE Industrial Electronics Society, Brussels, Belgium, 17–20 October 2022; pp. 1–6. [Google Scholar]
- Mao, X. Stability of stochastic differential equations with Markovian switching. Stoch. Process. Their Appl. 1999, 79, 45–67. [Google Scholar] [CrossRef]
- Xu, S.; Chen, T. Robust H∞ control for uncertain stochastic systems with state delay. IEEE Trans. Autom. Control 2002, 47, 2089–2094. [Google Scholar]
- Gahinet, P.; Apkarian, P. A linear matrix inequality approach to H∞ control. Int. J. Robust Nonlinear Control 1994, 4, 421–448. [Google Scholar] [CrossRef]



Disclaimer/Publisher’s Note: The statements, opinions and data contained in all publications are solely those of the individual author(s) and contributor(s) and not of MDPI and/or the editor(s). MDPI and/or the editor(s) disclaim responsibility for any injury to people or property resulting from any ideas, methods, instructions or products referred to in the content. |
© 2024 by the authors. Licensee MDPI, Basel, Switzerland. This article is an open access article distributed under the terms and conditions of the Creative Commons Attribution (CC BY) license (https://creativecommons.org/licenses/by/4.0/).
Share and Cite
Luo, W.; Zhang, R.; Zhang, J.; Wu, L.; Vazquez, S.; Franquelo, L.G. Control of Three-Phase Two-Level Inverters: A Stochastic LPV Model Approach. Energies 2024, 17, 6142. https://doi.org/10.3390/en17236142
Luo W, Zhang R, Zhang J, Wu L, Vazquez S, Franquelo LG. Control of Three-Phase Two-Level Inverters: A Stochastic LPV Model Approach. Energies. 2024; 17(23):6142. https://doi.org/10.3390/en17236142
Chicago/Turabian StyleLuo, Wensheng, Ruifang Zhang, Jianwen Zhang, Ligang Wu, Sergio Vazquez, and Leopoldo G. Franquelo. 2024. "Control of Three-Phase Two-Level Inverters: A Stochastic LPV Model Approach" Energies 17, no. 23: 6142. https://doi.org/10.3390/en17236142
APA StyleLuo, W., Zhang, R., Zhang, J., Wu, L., Vazquez, S., & Franquelo, L. G. (2024). Control of Three-Phase Two-Level Inverters: A Stochastic LPV Model Approach. Energies, 17(23), 6142. https://doi.org/10.3390/en17236142

