Abstract
Hydraulic piston motors are characterized by their excellent starting performance, high transmission torque, good sealing performance, compact design, and lightweight. These attributes make them highly applicable in fields such as construction machinery and marine applications. With the advancement of hydraulic transmission technology, higher performance requirements have been set for hydraulic motors. While extensive research has been conducted on hydraulic pumps, studies focusing on the performance of hydraulic motors remain relatively limited. Therefore, this paper is novel in that, based on the motion and force conditions of the piston, it differs from previous research on swashplate-type machinery by considering the complex structure of the bent-axis motor; it employs a micro finite element method to analyze the oil film characteristics at the piston–cylinder interface in a bent-axis piston motor, the structural changes in the piston assembly in the bent-axis motor are comprehensively considered, and a fluid–structure coupling model for the piston–cylinder interface is established. The leakage and viscous friction power loss equations for the piston–cylinder interface are derived. Simulation analyses are conducted using MATLAB R2016a to reveal the variation patterns of leakage and viscous friction power loss under different operating conditions and structural parameters, providing valuable insights for the operation analysis, energy loss evaluation, structural design optimization, and engineering applications of bent-axis piston motors.
1. Introduction
The bent-axis-type piston motor features an inclined angle between the main shaft axis and the cylinder block axis, enabling high rotational speeds, a wide range of speed adjustments, and a low minimum stable speed; this type of motor is commonly used in high-speed, high-pressure environments, such as construction machinery, shield machines, and rotary drilling rigs. The cylinder block end face and the valve plate end face uniformly fit together, reducing leakage and improving volumetric efficiency; this type of motor holds great application potential [1]. Its main components are shown in Figure 1, with key performance parameters listed in Table 1. Currently, research on the performance of bent axial motors under various operating conditions is limited, especially regarding their performance in high-speed, high-pressure environments and with various friction pair structures, where issues such as poor reliability and a short lifespan are prevalent [2]. The improvement of these performance aspects relies heavily on the enhancement of the lubrication performance of the hydraulic motor’s friction pairs. The novelty of this paper lies in its relatively limited research on the friction pairs of complex bent-axis hydraulic motors. Compared to the extensive research on swashplate hydraulic machines, this paper establishes a fluid–structure coupling model for the piston pair in a bent-axis motor using a micro finite element approach to analyze the oil film characteristics at the piston pair interface and investigates how leakage and viscous friction power loss vary with different operating conditions. The piston–cylinder interface assembly, one of the main friction pairs in axial piston motors, plays a key role in power transmission and oil sealing. Under different operating conditions, the bent axial piston motor’s piston assembly experiences states such as piston eccentricity [3], which can affect fluid characteristics within the piston assembly, leading to oil film fluctuation, increased leakage, and higher viscous friction losses. Therefore, it is crucial to study the interactions between various physical fields. To form a stable oil film, the lubrication model for the oil film in the piston–cylinder interface assembly is established. The model investigates the oil film characteristics during the operation of the bent-axis motor and, based on this, analyzes how the leakage flow and viscous friction power loss of the piston pair vary under different conditions and structural parameters. This is significant for understanding the oil film failure mechanisms, efficiency loss, and performance improvement of the bent-axis motor under complex working conditions.
Figure 1.
Main components in bent-axis type piston motor.
Table 1.
The basic technical characteristics of motor.
The research on bent-axis-type motors can be referenced through studies on axial piston pumps. Scholars have used numerical analysis methods to examine the motion and force of pistons, which provides useful insights for the motion and force analysis of the piston pair in a bent-axis motor discussed in this paper. Baek [4] utilized theoretical equations to determine the transmission range of tapered pistons. Zhang elucidated the motion patterns of various components during the operation of the bent axial pump and motor [5]. Lv [6] fully considered the force model of the bent axial piston pump to solve the lubrication characteristics of the piston–cylinder interface oil film. Jiang [7] analyzed the impact of the inertial force and centrifugal force of the piston-connecting rod on balancing the cylinder block. Shi [8] introduced the correction factor, primarily analyzing the working state of pistons in the hingeless bent-axis axial piston pump, thereby evaluating its impact on the pump’s output flow rate. Zhang et al. [9] addressed the significant centrifugal and inertial forces encountered under high-speed conditions, examining the impact of piston–cylinder interface leakage on the efficiency of bent axial piston pumps.
To study the oil film characteristics of friction pairs, multi-phase coupling models are generally considered. The oil film characteristics of the piston pair are an important aspect of studying the fluid properties of the piston pair. Scholars have used modeling and experimental methods to investigate the physical fields in the friction pair’s oil film, verifying the validity of the oil film numerical model. Ivantysynova [10] comprehensively considered the effects of deformation and established a fluid–structure–thermal coupling model. Qian et al. [11] established a non-isothermal fluid–structure interaction model for the piston–cylinder interface, considering piston eccentricity, elastic deformation, and non-isothermal flow. Fang and Shirakashi [12] considered the squeeze film effect generated by transient micro-motions of parts and established a model at the piston–cylinder interface. Dai compared the performance of the piston–cylinder interface under normal pressure conditions with that under ultra-high-pressure conditions and conducted experimental verification [13]. Kumar [14] proposed a numerical model for studying the fluid characteristics at the sealing ring–cylinder interface in bent axial machines. Shin [15] conducted research on the mixed lubrication of the piston–cylinder interface under high lateral loads. Zhang [16] established a fluid–structure–thermal interaction model to analyze the oil film lubrication state and built a test bench for comparative validation. Zhang [17] analyzed the oil film characteristics of both the slipper and piston pairs in axial piston pumps. Schenk [18] established a numerical model that considers the multi-physical field, multi-scale, and transient characteristics of lubrication problems to analyze the oil film characteristics between the slipper and swashplate. Rouizi [19] derived and validated a semi-analytical heat transfer model that considers fluid conduction, advection, and solid wall conduction in planar microchannels. Cho and Beak [20] established thickness and pressure models for the oil film in the piston ring–cylinder interface in bent axial piston pumps. Pelosi [21] developed a unique, fully coupled multi-body dynamics model to capture the complex fluid–structure interaction phenomena affecting non-isothermal lubrication conditions.
The losses in friction pairs primarily include volumetric losses and mechanical losses, both of which are crucial for the performance of hydraulic machinery. The volumetric losses in the piston pair of hydraulic machinery mainly refer to leakage, while mechanical losses include viscous friction power loss in the piston pair. Numerical models are typically developed based on the structural characteristics of friction pairs, and hydraulic simulation software is used for the analysis. Hu conducted a three-dimensional dynamic analysis of the piston–cylinder interface and established a fluid leakage model using Fluent software to solve the leakage [22]. Qing and Gu [23] combined the minimum oil film model with the flow equation to establish a mathematical model for leakage in the sealing ring–cylinder interface. Cho and Jung [24] studied the pressure pulsation characteristics of bent axial pumps. Gajević et al. employed different methods to perform multi-objective optimization of the tribological properties of composite materials [25]. Ke discussed the impact of back pressure on the efficiency of hydraulic motors [26]. Pandey and Vardhan [27] considered two different types of bent axial hydraulic motors, studying the characteristics of a steady-state leakage flow. Milojević [28] analyzed the friction and wear issues in auxiliary devices, such as internal combustion engines, through redesigning the structure and conducting experiments. Hu comprehensively analyzed the power losses in key friction pairs of axial piston pumps [29]. Ivantysyn [30] provided a comprehensive overview of the principles, design, performance, modeling, analysis, control, and testing of hydrostatic pumps and motors. Qing [31] studied the effects of piston ring deformation and fluid cavitation on leakage.
Different structural designs significantly influence the fluid characteristics of a bent-axis machinery’s friction pairs, which play a key role in improving the overall performance of hydraulic machinery. To enhance the performance of axial piston pumps and motors, researchers have conducted corresponding studies from the overall structure to the design of specific key friction pairs. Hu researched a new type of conical piston bore surface morphology structure [32]. Xu et al. [33] used computers to create a virtual prototype of an axial piston pump, studying and analyzing the impact of different friction pair clearances on oil film characteristics. Zhang [34] analyzed the structural design, motion, dynamic characteristics, and flow leakage characteristics of bent axial piston pumps using kerosene as the hydraulic fluid medium. Wang [35] studied the impact of different structural parameters, such as micro-chamfering and clearances of piston–cylinder interface on the multi-physical field. Liu and Zeng [36] established numerical models and a friction force test bench for the piston–cylinder interface, achieving the design and analysis of micro-geometric tapered surfaces of piston cylinders.
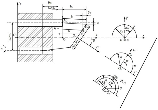
2. Analysis of Piston–Cylinder Interface Movement and Force
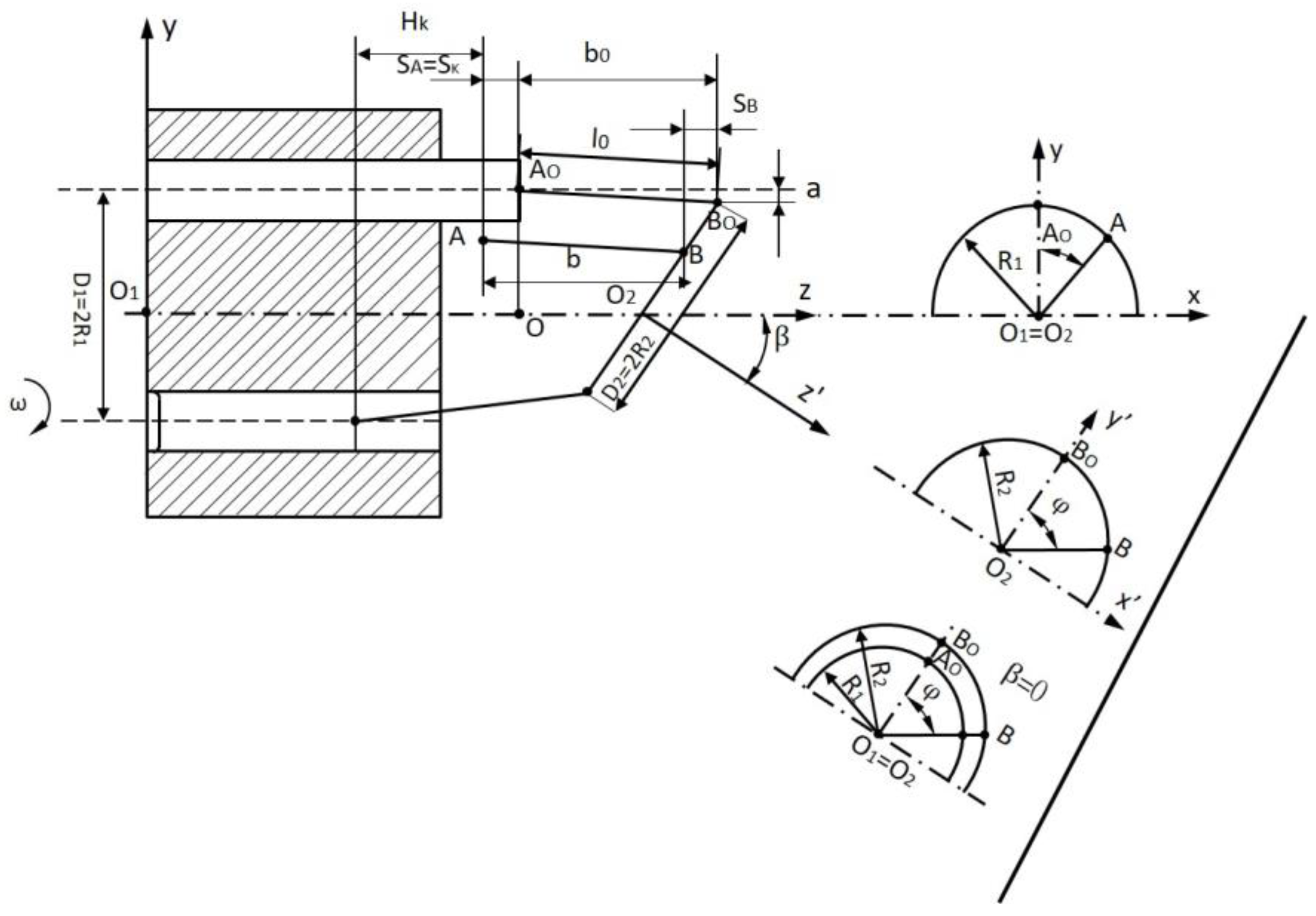
2.1. Kinematics Analysis
As shown in Figure 2, the basic structural diagram of the piston–cylinder interface motion in a bent axial motor illustrates that the angle β between the axis O2Z’ of the bent axial spindle and the axis O1Z of the cylinder block is the bent axial inclination angle. The rod AB represents the piston, where point A indicates the piston tail end near the displacement chamber of the cylinder block, and point B represents the piston head near the spindle chuck, hinged to the spindle chuck. We assume the rod AOBO is the initial position of the piston movement. In the bent axial motor, the cylinder block holes and the spindle ball hinges are evenly distributed on distribution circles with radii R1 and R2, respectively. During operation, the piston, cylinder block, and spindle rotate synchronously to complete torque transmission.
Figure 2.
Diagram of movement.
To better understand the piston motion, we discuss both ends of the piston within the same coordinate system, using the coordinate system of the cylinder block as the common coordinate system. The motion trajectory of point B on the piston head is projected onto the x–y plane. The displacement coordinates of point A and point B are as follows: φ represents the rotational angle.
The displacement of the piston in the cylinder block can be expressed as
In this equation, SB represents the displacement of point B from BO:
As shown in Figure 3, which illustrates the spatial relationship of points A and B at both ends of the piston, the value of b can be calculated using Equation (4), where is the projection of the piston in the xoz plane.
Figure 3.
Spatial relationship representation between points A and B.
The displacement Sk of the piston can be calculated as follows:
By differentiating Equation (5), the velocity of the piston motion can be obtained:
Similarly, differentiating again yields the acceleration of the piston motion:
Additionally, the circumferential velocity and circumferential acceleration during the piston motion can be expressed by the following equations:
2.2. Forces on the Piston
As shown in Figure 4, the forces acting on the piston during rotation primarily include the pressure force FDK, oil force Fop, viscous friction force FT, normal support force FN, gravity of the piston Fg, centrifugal force FwK, inertial force FmK, spindle chuck support force FSS, and friction force at the chuck ball hinge FSf.
Figure 4.
Schematic diagram of piston force.
The pressure force FDK acting on the piston is given by Equation (9), where dp is the diameter of the tapered piston:
The inertial force FmK is given by
The centrifugal force is given by
Here, RR represents the radius from the centroid of the piston to the axis of the cylinder bore.
Establish a spatial coordinate system, as shown in Figure 5, and use the relevant dimensional relationships to solve for the value of RR. In the x–y plane, the dimensional positional relationships of triangle AB4′ and triangle ACGA′ are shown in Figure 6.
Figure 5.
Three-dimensional spatial coordinate system.
Figure 6.
RR in the x–y plane.
The relationship for the radius RR can be obtained as follows, thereby determining the centrifugal force of the piston. xCG and yCG are the coordinates of the piston centroid.
During the operation of the bent axial piston motor, the piston axis will deflect, so the forces acting on the piston need to be decomposed into a unified force coordinate system. In the three-dimensional spatial coordinate system established in Figure 5, the force decomposition is carried out. The values of angles ν, ε and ξ can be determined as
The expressions for the components of the pressure force are
The inertial force FmK acting on the piston is always in the z-axis direction.
The centrifugal force FwK acting radially on the piston can be expressed as
Additionally, the piston is subjected to the force from the spindle chuck:
The normal force acting on the cylinder hole wall is given by
After solving for the external forces acting on the piston, the corresponding moments of the forces on the x-axis and y-axis are calculated as follows:
In these equations, Fxx and Fyy are the components of the resultant external force acting on the piston in the x-axis and y-axis coordinate systems, and lMz is the distance from the centroid of the piston to the end face of the cylinder block near the chuck.
2.3. Analysis of Piston Movement State in the Cylinder Bore
Analyze the posture of the piston during its motion in the cylinder bore to solve the oil film thickness equation in the piston–cylinder interface. The schematic diagram of the piston’s posture in the cylinder bore is shown in Figure 7. The offset is used to describe the piston’s motion posture.
Figure 7.
Piston/Cylinder inclined position and film thickness definition [21].
The oil film thickness at any point on the piston–cylinder interface during the motion can be calculated as
In the equation, rc is the radius of the cylinder bore, rp is the radius of the piston, λ is the angle between OAA and the positive direction of the x-axis, Lz is the length of the piston at any axial cross-section from the cylinder bore end face, and Lcz is the coupling length.
3. Mathematical Model
As shown in Figure 8, the algorithm for solving the bent axial motor is presented. At the initial position of the operation cycle, given the initial posture and offset velocity, combined with the oil film pressure boundary conditions, the Reynolds equation is solved to obtain the oil film thickness field and pressure field of the piston–cylinder interface. From this, the oil film velocity field is derived, and the leakage flow rate and viscous friction power loss of the oil film are calculated. After calculating the pressure field of the oil film, the external forces acting on the piston under this oil film condition can be obtained. According to the force balance conditions, the Newton iteration method is used to calculate the offset velocity of the piston at the initial angle, thereby solving the piston offset. The process then proceeds to the calculation for the next angle, and so on, completing the numerical calculation for the entire operation cycle.
Figure 8.
Solution algorithm for piston–cylinder interface.
Specifically, for the analysis of the oil film in the piston–cylinder interface, the fluid N-S equation and continuity equation are combined to derive the Reynolds equation for the oil film in the piston–cylinder interface [35]:
The oil film in the piston–cylinder interface is unfolded into a plane, and the finite volume method is used to discretize and solve the Reynolds equation. As shown in the Figure 9 below for boundary conditions, the upper and lower boundaries are subjected to piston chamber pressure and casing pressure, while the left and right boundaries are set to cyclic. The length in the x-direction is the circumference of the piston, and the length in the y-direction is the coupling length of the piston–cylinder interface.
Figure 9.
Diagram of fluid mesh and boundary conditions.
Through the numerical model established, the oil film characteristics of the piston pair can be obtained. As shown in Figure 10, the oil film pressure distribution of the piston pair is illustrated; ODC and IDC represent the top and bottom dead centers of the piston motion, respectively. The piston completes a rotation cycle starting from the top dead center, passing through low- and high-pressure zones. As the angle increases, oil film pressure fluctuates, and pressure peaks appear at different positions, with higher oil pressure leading to an increase in the oil film peak.
Figure 10.
Oil film pressure distribution.
During the motion, the piston is subjected to external forces and the supporting force of the oil film. After obtaining the oil film forces, a force balance analysis is performed. A force balance and moment balance analysis of the external forces and oil film forces acting on the piston is performed:
In the equation, Fp represents the supporting force of the oil film in the piston–cylinder interface, and F(t) represents other external forces acting, which have been solved in the previous force analysis section.
Expanding Equation (25) yields the following nonlinear equation expression:
The Newton iteration method is used to solve the system of equcations [6]:
In the equation, J represents the Jacobian matrix, which is a function of e′ [17]:
Solving by using the differential form
Subsequently, after obtaining the piston displacement velocity using the above formula, the piston offset e at the next angle is solved:
The leakage flow rate and viscous friction power loss are calculated with
where N represents the total number of discrete grid cells of the oil film in the piston–cylinder interface, vi represents the fluid velocity in the discrete grid cells of the oil film, and τi represents the tangential stress in the discrete grid cells of the oil film.
4. Simulation Results
Based on the numerical model established in this paper, MATLAB is used in this section to simulate the working parameters shown in Table 2. The simulation analyzes the leakage flow and viscous friction power loss of the piston pair over three rotation cycles, with the results from the final cycle used for analysis. Through the analysis of the oil film characteristics of the piston pair, the effects of different operating conditions and structural parameters on the leakage flow and viscous friction power loss of the piston pair are further examined.
Table 2.
Simulation parameters.
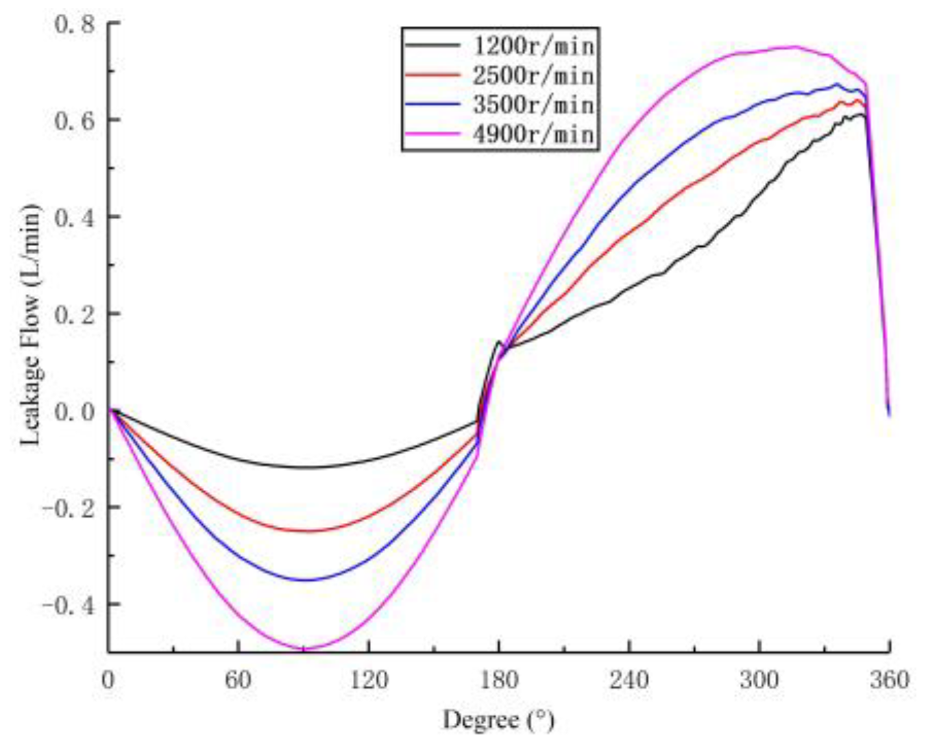
4.1. Simulation of Different Speeds
The motor’s inlet pressure is set to 22 MPa, while the motor’s rotational speeds are set at 1200 rpm, 2500 rpm, 3500 rpm, and 4900 rpm to obtain simulation results for each speed.
As shown in Figure 11, as the piston moves from the top dead center, it rotates 180° to the bottom dead center, with the fluid being expelled through the low-pressure port. After another 180° rotation, the piston moves back to the top dead center, with fluid entering the piston chamber from the high-pressure port. As the rotational speed increases, the piston speed increases, leading to a higher proportion of shear flow in the overall flow. Initially, during the discharge phase, the reciprocating speed of the piston is relatively low, and the flow rate is small. As the piston speed increases in the low-pressure region, the shear flow becomes more significant, causing the total flow to increase. The flow in the piston–cylinder pair becomes negative, indicating that oil is flowing into the piston chamber from the motor housing. As the piston’s axial speed decreases, the flow rate in the piston–cylinder pair also decreases. At different motor speeds, the faster the piston’s axial motion changes, the more pronounced the influence of the shear flow on the total flow. In the high-pressure region, the flow in the piston–cylinder pair is positive, with both the shear flow and pressure-driven flow contributing to the oil flow from the piston chamber to the motor housing. The leakage increases as the rotational speed increases.
Figure 11.
Leakage of different speeds.
The effect of different rotational speeds on the viscous friction power loss of the motor piston–cylinder pair is shown in Figure 12. In the low-pressure region, the shear flow generated by the piston’s reciprocating motion is the dominant factor, leading to increased viscous friction power loss as the speed increases. In the high-pressure region, the pressure-driven flow due to the pressure difference between the piston chamber and the housing becomes more significant. This pressure difference increases the fluid’s viscous friction, resulting in a greater viscous friction power loss, with the increase being more substantial than in the low-pressure region.
Figure 12.
Viscous friction power loss of different speeds.
Figure 13 further demonstrates the fluid characteristics of the piston–cylinder pair. The total flow of the piston–cylinder pair consists of Poiseuille flow and Couette flow. Couette flow, which is related to the piston speed, is called the shear flow, while the piston speed is influenced by the motor speed. Poiseuille flow, on the other hand, is determined by the pressure difference across the piston and is referred to as pressure-driven flow. In the low-pressure zone, the shear flow and pressure-driven flow act in opposite directions, with the piston expelling fluid. In the high-pressure zone, fluid enters the piston chamber, driving piston movement, and both flows are in the same direction. The figure shows the fluid behavior of the piston pair in the low-pressure zone. Therefore, under the same piston chamber pressure, the leakage flow in the low-pressure zone is negatively correlated with the motor speed, while the leakage flow in the high-pressure zone is positively correlated with the motor speed.
Figure 13.
Piston–Cylinder pair fluid.
4.2. Simulation of Different Piston Chamber Pressures
At a motor speed of 2500 rpm, the high-pressure region is simulated with pressures of 12 MPa, 22 MPa, 32 MPa, and 40 MPa. Simulation results can be found in Figure 14 and Figure 15.
Figure 14.
Leakage of different pressures.
Figure 15.
Viscous friction power loss of different pressures.
As shown in Figure 14, since the low-pressure conditions are identical, the flow in the low-pressure region remains the same across different pressure conditions, showing negative values. This is because, under low pressure, the shear flow dominates, and oil flows from the housing to the piston chamber. In the high-pressure region, the rapid pressure increase leads to a rise in the pressure-driven flow, and the combined effects of the shear and pressure-driven flow result in positive values for the flow in the piston–cylinder pair, indicating an increase in leakage. As the piston chamber pressure increases, the leakage flow also increases, and the inflow to the piston chamber is significantly greater than the outflow. It is evident from the figure that higher piston chamber pressure leads to greater leakage.
The effect of varying piston chamber pressures on the viscous friction power loss is shown in Figure 15. In the discharge region, the shear flow effects are similar across different pressure conditions, resulting in comparable viscous friction power loss. As the pressure difference increases, the viscous friction power loss in the high-pressure region becomes larger than in the low-pressure region. At this point, the effect of the differential flow becomes more significant, and the tangential force of the oil film increases, resulting in an increase in viscous friction power loss in the piston assembly as the pressure rises.
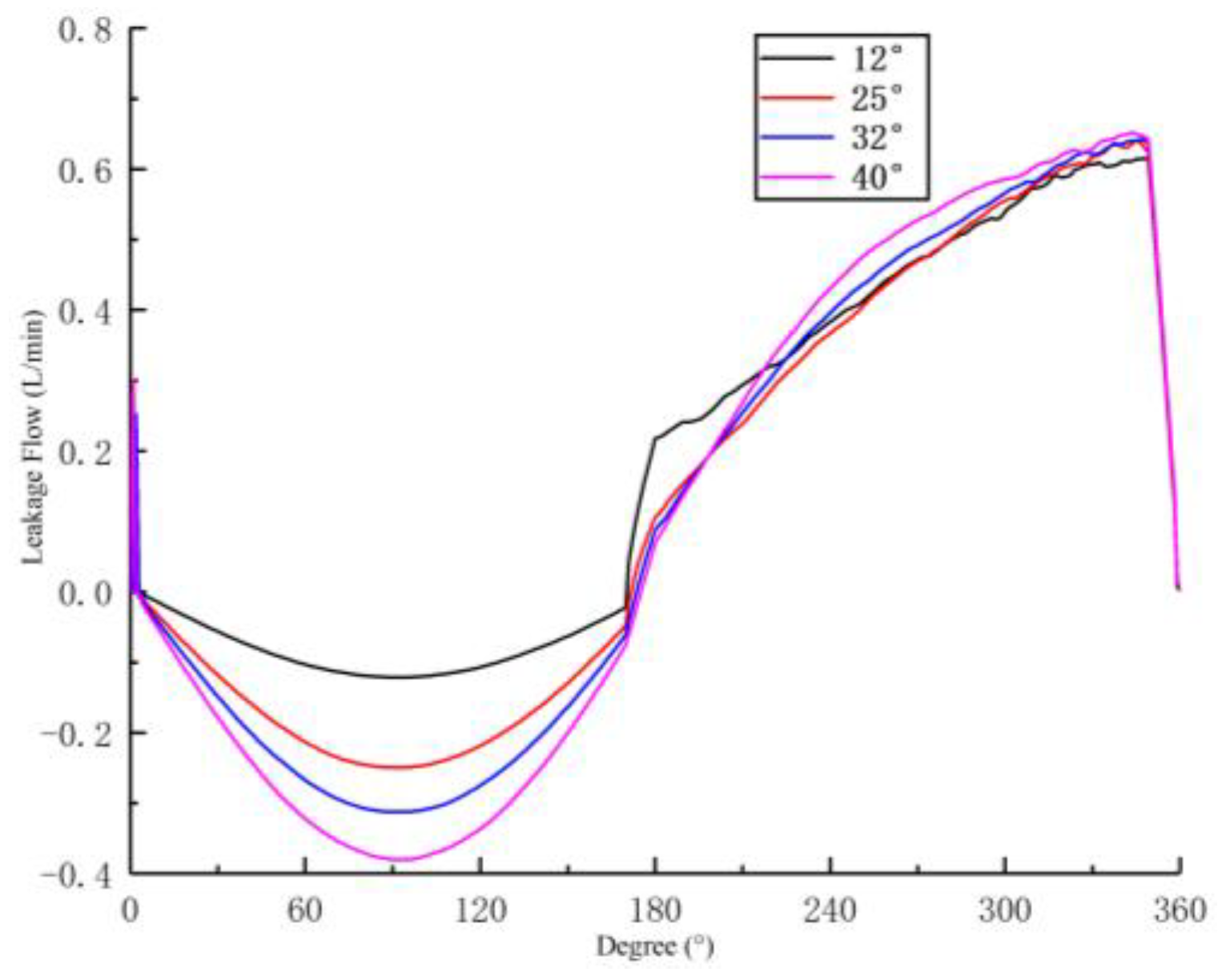
4.3. Simulation of Different Inclination Angles
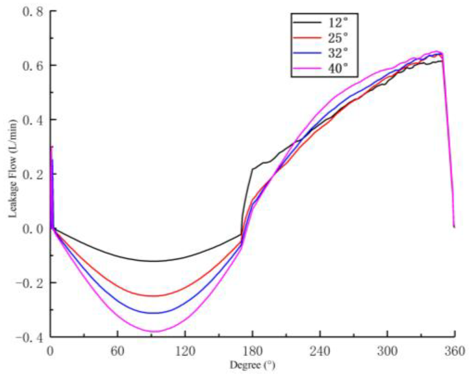
The inclination angles of the motor are set at 12°, 22°, 32°, and 40° for simulation. The leakage flow and viscous friction power loss at the piston–cylinder interface are analyzed for these four different inclination angles.
Figure 16 shows the effect of different inclination angles on the leakage flow of the piston–cylinder interface. In the low-pressure region, as the angle increases, the clearance height between the piston and the cylinder bore increases, leading to an increase in the flow rate. Additionally, the increase in the inclination angle results in a higher axial velocity of the piston, causing the flow rate from the motor housing into the piston chamber to increase with the inclination angle. In the high-pressure region, the leakage flow rate generally increases with the increase in inclination angle.
Figure 16.
Leakage of different angles.
The effect of different inclination angles on the viscous friction power loss is shown in Figure 17. In both low and high-pressure regions, the viscous friction power loss increases with the increase in the inclination angle. This is because the increase in the angle enlarges the clearance between the piston and the cylinder bore, as well as the axial velocity of the piston, thereby increasing the fluid velocity and the instability of piston motion, which, in turn, increases the viscous friction power loss. In the low-pressure region, due to the smaller pressure difference between the housing and the piston chamber, the viscous friction power loss for different angles is smaller than that in the high-pressure region. To reduce the viscous friction loss of the motor’s piston–cylinder interface, the inclination angle of the bent axial motor should be minimized.
Figure 17.
Viscous friction power loss of different angles.
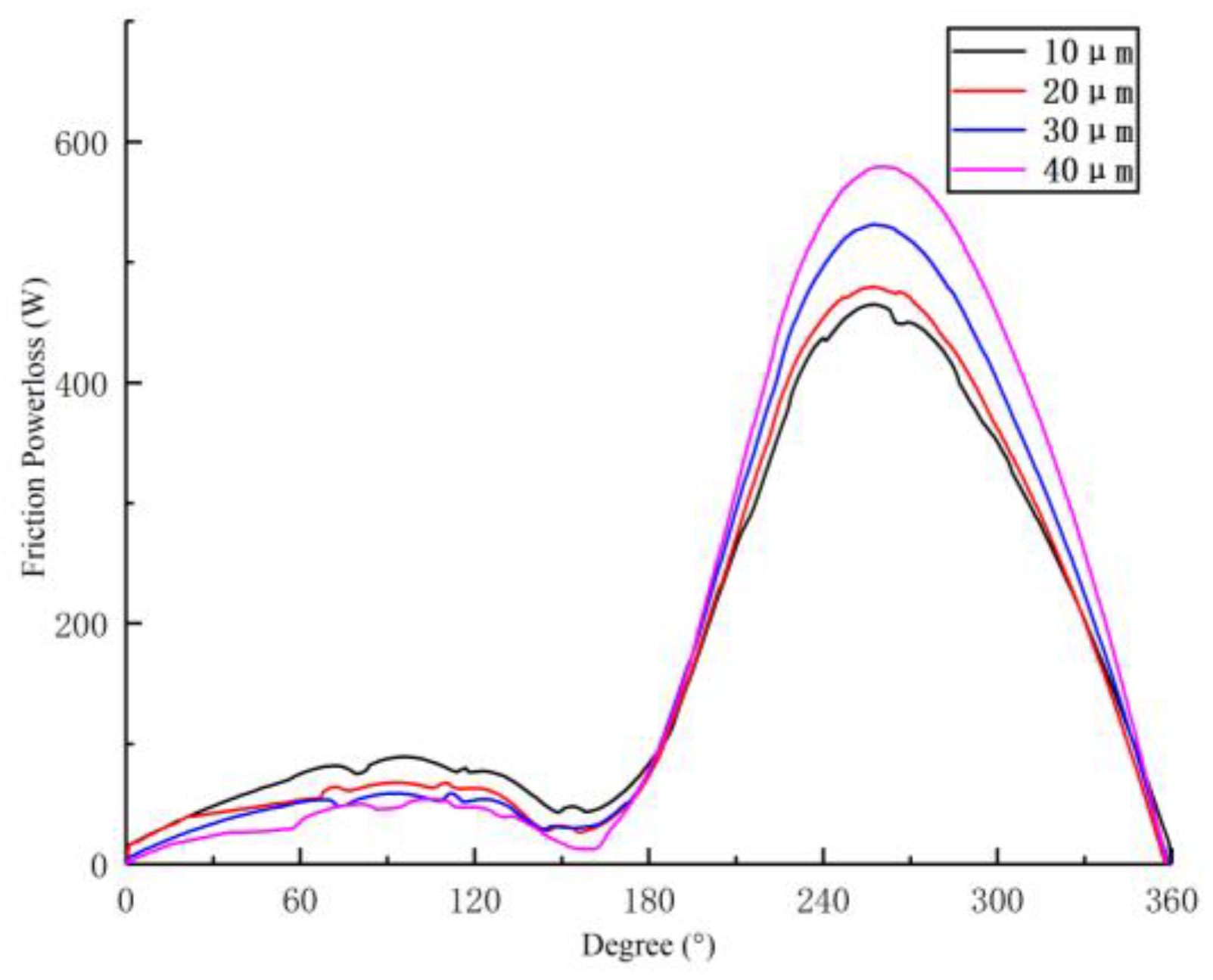
4.4. Simulation of Different Piston–Cylinder Interface End Clearances
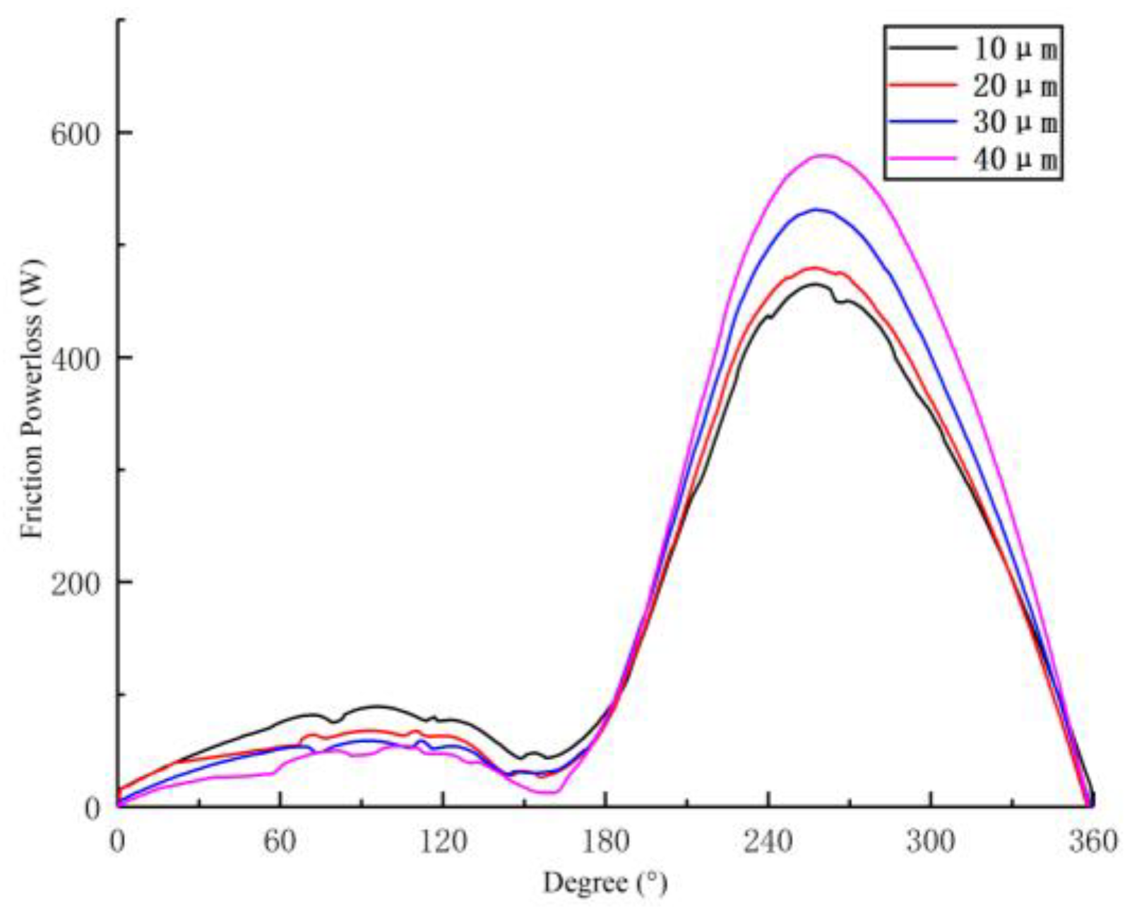
Different piston–cylinder interface end clearances of 10 μm, 20 μm, 30 μm, and 40 μm are set. Using the piston–cylinder interface oil film numerical model established previously, simulations are conducted to analyze the leakage and viscous friction power loss of the piston–cylinder interface under these four different clearances.
Figure 18 shows the leakage variation during one rotation of the piston for different piston–cylinder interface end clearances. In the low-pressure region, the leakage value is negative, indicating that the oil flow is primarily the shear flow, with the oil flowing from the housing end to the displacement chamber. The larger the clearance, the more significant the backflow. In the high-pressure region, the pressure in the displacement chamber increases, and the differential pressure flow causes an increase in leakage; as the clearance increases, the leakage flow also increases.
Figure 18.
Leakage of different clearances.
During one rotation of the cylinder block, the variation in viscous friction power loss for different clearance values is shown in Figure 19. During the 0° to 180° operation, the piston–cylinder interface is in the low-press oil shear action, thereby increasing the viscous friction power loss during operation; as the piston clearance increases, the viscous friction power loss decreases. During the 180° to 360° operation, high-pressure oil flows into the displacement chamber, increasing the pressure difference at both ends of the piston; consequently, the viscous friction power loss increases with the clearance.
Figure 19.
Viscous friction power loss of different clearances.
5. Experimental and Method Validation
In the previous sections, the oil film characteristics of the piston–cylinder pair in the bent-axis motor are analyzed. Based on this, simulation analyses are conducted on the leakage volume and viscous friction power loss of the piston–cylinder pair. To further verify the accuracy of the above models and methods, a corresponding experimental plan is designed to compare the leakage of the bent-axis motor in order to validate the accuracy of the proposed method.
A hydraulic motor leakage test system is constructed, as shown in Figure 20 and Figure 21. In this setup, the drive motor rotates to power the hydraulic pump, causing oil to flow into the test motor. The motor is equipped with A/B ports, a leakage port, and an output shaft. The oil drives the pistons to perform an axial reciprocating motion, which, in turn, rotates the motor’s main shaft before the oil is discharged into the oil tank. Flow meters are connected to the relevant oil circuits to monitor the flow at the A/B ports and the leakage port. By adjusting the motor’s output power, the input flow to the motor is regulated to change the motor’s operating pressure and output speed, and parameter measurements are taken accordingly. Test parameters are shown in Table 3.
Figure 20.
Overall Test Design.
Figure 21.
Test system.
Table 3.
Test parameters.
To validate the model’s accuracy, simulations of the piston–cylinder pair leakage are performed using the model presented in this paper under the same conditions as the test. The average value of the leakage over a simulation cycle is used for analysis, and the simulated results are compared with the experimental data, as shown in Figure 22. The results indicate that both the simulation data and the experimental measurements exhibit the same trend: as the rotational speed and piston chamber pressure increase, overall motor leakage increases accordingly. Both trends are positively correlated with the speed and load. As shown in the figure, the predicted leakage values are smaller than the actual measured leakage. This discrepancy is because the experimentally measured total leakage of the bent-axis piston motor includes leakage from multiple friction pairs, with the piston–cylinder pair contributing a smaller portion. The experimentally measured leakage from the leakage port represents the total leakage of all structural components. Variations in the flow of other parts, such as the valve plate pair, also cause the rate of change in the experimental results to differ from that of the simulation curve. Overall, the experimental data align with the expected trends.
Figure 22.
Measured leakage and simulated leakage for motor.
6. Conclusions
This paper establishes a mathematical model for the piston–cylinder interface and conducts simulation calculations, primarily including the following:
(1) Based on the bent-axis structure, the oil film pressure distribution at the piston–cylinder interface is solved, and the leakage flow rate and viscous friction power loss during operation are evaluated. The coupling model for the oil film characteristics at the piston–cylinder interface is established.
(2) Using the numerical model established for the piston–cylinder interface, the effects of different operating conditions and structural parameters on the leakage flow rate and viscous friction power loss at the bent-axis motor piston–cylinder interface are simulated and analyzed. The specific conclusions are as follows:
First, the increase in motor speed leads to a decrease in the piston pair’s leakage flow rate initially, followed by an increase. The viscous friction power loss increases as the speed increases.
Second, as the pressure in the piston chamber increases, the leakage flow rate in the discharge area of the piston pair remains unchanged. In the intake area, higher pressure leads to an increase in leakage flow rate, while in the high-pressure area, viscous friction power loss increases significantly with increasing piston chamber pressure.
Third, as the bent-axis tilt angle increases, the leakage flow rate initially decreases and then increases. Increasing the tilt angle results in higher viscous friction power loss for the piston pair. Reducing the motor tilt angle helps to lower the viscous friction power loss.
Finally, an increase in the piston–cylinder interface gap leads to more oil entering the piston chamber in the low-pressure area, while in the high-pressure area, an increased gap results in higher leakage flow. In the low-pressure area, smaller gap values increase the viscous friction power loss. In the high-pressure area, due to the pressure difference, increasing the gap results in higher viscous friction power loss.
The oil film numerical model for the piston–cylinder interface in the bent-axis motor established in this paper provides a reference for the operating condition analysis and structural optimization of the piston–cylinder interface.
(3) Experimental validation was conducted by designing and setting up a test rig. The overall leakage flow rate of the motor under different working conditions was measured. A corresponding simulation model was developed, and the simulation results were compared with experimental data, showing consistent trends. As the speed and piston chamber pressure increase, the leakage flow rate of the hydraulic motor also increases.
Author Contributions
Conceptualization, X.H.; methodology, X.H. and J.Y.; software, J.Y.; validation, X.H. and J.Y.; writing—original draft preparation, J.Y.; writing—review and editing, J.Y.; visualization, J.Y.; supervision, X.H. All authors have read and agreed to the published version of the manuscript.
Funding
This research is funded by the Research on Hydraulic Piston Motor Under High Speed and High Pressure (Grant number 2022GXGG003).
Data Availability Statement
The original contributions presented in the study are included in the article, further inquiries can be directed to the corresponding author.
Conflicts of Interest
The authors declare no conflicts of interest.
References
- Yang, K. Research on Double Row Type Bent Axis Fixed Displacement Axial Piston Pump. Master’s Thesis, Harbin Institute of Technology, Harbin, China, 2019. [Google Scholar]
- Du, Y.; Zhao, H.; Ji, H.; Wang, W.; Wang, H.; Xu, F. Research on lubrication mechanism of plunger pair considering viscosity temperature and pressure effect. Phys. Fluids 2024, 36, 097119. [Google Scholar] [CrossRef]
- Li, J.; Chen, H.; Yin, Y.B. Analysis of Oil Film Characteristics in the Eccentric State of the Piston-Slipper Pair in an Axial Piston Pump. J. South China Univ. Technol. (Nat. Sci. Ed.) 2016, 44, 30–35+42. [Google Scholar]
- Baek, I.-H.; Cho, I.-S.; Jung, J.-Y.; Hong, L. Analysis of piston behavior according to eccentricity ratio of disk in bent-axis type piston pump. J. Mech. Sci. Technol. 2008, 22, 1726–1733. [Google Scholar] [CrossRef]
- Zhang, D.W. Analysis of the Kinematic Characteristics of the Hinge-Free Swashplate Axial Piston Pump and Motor. Coal Sci. Technol. 1978, 6, 28–32. [Google Scholar]
- Lv, F.; Xu, B.; Zhang, J.H. Simulative Analysis of Piston Posture and Piston/Cylinder Interface Leakage of EHA Pumps by the Influence of Rotating Speed. J. Mech. Eng. 2018, 54, 123–130. [Google Scholar] [CrossRef]
- Jihai, J.; Boran, D.; Biao, Z.; Zhidong, H. Study on the Influence of Speed on the Cylinder Block Overturning process of Aerospace Bent-Axis Piston Pump. In Proceedings of the 2019 IEEE 8th International Conference on Fluid Power and Mechatronics (FPM), Wuhan, China, 10–13 April 2019; IEEE: New York, NY, USA, 2019; pp. 730–737. [Google Scholar]
- Shi, J.; Shi, J.; Gao, J.; Chen, D.; Li, X.; Li, Y.; Zhang, J. The Influence of Complex Piston Movement on the Output Flow Rate of a Hingeless Bent-Axis Axial Piston Pump. Processes 2024, 12, 1141. [Google Scholar] [CrossRef]
- Zhang, J.; Li, Y.; Zhang, D.; Xu, B.; Lv, F.; Chao, Q. A centrifugal force interaction analysis on the piston/cylinder interface leakage of bent-Axis type piston pumps. In Proceedings of the 2016 IEEE International Conference on Aircraft Utility Systems (AUS), Beijing, China, 10–12 October 2016; IEEE: New York, NY, USA, 2016; pp. 611–615. [Google Scholar]
- Ivantysynova, M.; Huang, C. Investigation of the gap flow in displacement machines considering elastohydrodynamic effect. In Proceedings of the JFPS International Symposium on Fluid Power; The Japan Fluid Power System Society: Tokyo, Japan, 2002; Volume 2002, pp. 219–229. [Google Scholar]
- Qian, D.; Liao, R. A nonisothermal fluid–structure interaction analysis on the piston/cylinder interface leakage of high-pressure fuel pump. J. Tribol. 2014, 136, 021704. [Google Scholar] [CrossRef]
- Fang, Y.; Shirakashi, M. Mixed lubrication characteristics between the piston and cylinder in hydraulic piston pump-motor. J. Tribol. 1995, 117, 80–85. [Google Scholar] [CrossRef]
- Dai, Q.M. Study on Oil Film Characteristics of Piston Pair of Ultra-High Pressure Axial Piston Pump. Master’s Thesis, Yanshan University, Qinhuangdao, China, 2019. [Google Scholar]
- Kumar, R. A Study of the Piston Ring-Cylinder Bore Interface for Bent Axis Axial Piston Pump Using an Advanced Computer Model. Master’s Thesis, Purdue University, West Lafayette, IN, USA, 2009. [Google Scholar]
- Shin, J.; Jung, D.; Kim, K.W. Lubrication modeling of reciprocating piston in piston pump with high lateral load. Tribol. Lubr. 2014, 30, 116–123. [Google Scholar] [CrossRef][Green Version]
- Zhang, X.; Wu, H.; Chen, C.; Wang, D.; Li, S. Oil film lubrication state analysis of piston pair in piston pump based on coupling characteristics of the fluid thermal structure. Eng. Fail. Anal. 2022, 140, 106521. [Google Scholar] [CrossRef]
- Zhang, X.C. Research on the Oil Film Characteristics of Slipper Pair and Piston Pair in Aviation Axial-Piston Pump. Master’s Thesis, Zhejiang University, Hangzhou, China, 2016. [Google Scholar]
- Schenk, A. Predicting Lubrication Performance Between the Slipper and Swashplate in Axial Piston Hydraulic Machines. Ph.D. Thesis, Purdue University, West Lafayette, IN, USA, 2014. [Google Scholar]
- Rouizi, Y.; Maillet, D.; Jannot, Y. Fluid temperature distribution inside a flat mini-channel: Semi-analytical wall transfer functions and estimation from temperatures of external faces. Int. J. Heat Mass Transf. 2013, 64, 331–342. [Google Scholar] [CrossRef]
- Cho, I.; Beak, I.; Jo, J.; Park, J.; Oh, S.; Jung, J. Lubrication characteristics of dual piston ring in bent-axis type piston pumps. J. Mech. Sci. Technol. 2010, 24, 1363–1368. [Google Scholar] [CrossRef]
- Pelosi, M. An investigation of the Fluid–Structure Interaction of Piston/Cylinder Interface. Ph.D. Thesis, Purdue University, West Lafayette, IN, USA, 2012. [Google Scholar]
- Hu, R.; Yuan, S.; Liu, H.; Meng, Q. Analysis on the leaking flow field of the piston sector considering the high press and high velocity. Trans. Chin. Soc. Agric. Mach. 2009, 40, 221–226. [Google Scholar]
- Qing, L.; Gu, L.; Wang, Y.; Xue, W.; Lei, Z. The Piston Ring-Cylinder Bore Interface Leakage of Bent-Axis Piston Pumps Based on Elastohydrodynamic Lubrication and Rotation Speed. Shock Vib. 2021, 2021, 5534702. [Google Scholar] [CrossRef]
- Cho, I.S.; Jung, J.Y. A study on the pressure ripple characteristics in a bent-axis type oil hydraulic piston pump. J. Mech. Sci. Technol. 2013, 27, 3713–3719. [Google Scholar] [CrossRef]
- Gajević, S.; Marković, A.; Milojević, S.; Ašonja, A.; Ivanović, L.; Stojanović, B. Multi-Objective Optimization of Tribological Characteristics for Aluminum Composite Using CTaguchi Grey and TOPSIS Approaches. Lubricants 2024, 12, 171. [Google Scholar] [CrossRef]
- Ke, M.C.; Ding, F.; Li, B.; Chen, Z. Exploration of the Influence of Backing Pressure on the Efficiency of Hydraulic Motor. Trans. Chin. Soc. Agric. Mach. 2006, 10, 127–131. [Google Scholar]
- Pandey, A.K.; Vardhan, A.; Kumar, Y.; Dasgupta, K. Effect of Temperature and Pressure on the Leakage Flow Characteristics of the Bent Axis Hydro-Motors—An Experimental Study. In Advances in Fluid and Thermal Engineering: Select Proceedings of FLAME 2018; Springer: Singapore, 2019; pp. 679–688. [Google Scholar]
- Milojević, S.; Savić, S.; Mitrović, S.; Marić, D.; Krstić, B.; Stojanović, B.; Popović, V. Solving the problem of friction and wear in auxiliary devices of internal combustion engines on the example of reciprocating air compressor for vehicles. Teh. Vjesn. 2023, 30, 122–130. [Google Scholar]
- Hu, M. Study on Power Losses and Design Technology for the Surface Topography of Friction Pairs of Axial Piston Pump. Ph.D. Thesis, Zhejiang University, Hangzhou, China, 2017. [Google Scholar]
- Ivantysyn, J.; Ivantysynova, M. Hydrostatic Pumps and Motors; Akademia Books International: New Delhi, India, 2001. [Google Scholar]
- Qing, L.J. Research on Flow Characteristics of Integrated Piston Bent-axis Piston Pump Under Elasto-Hydrodynamic and Cavitation Effects. Ph.D. Thesis, Chang’an University, Xi’an, China, 2022. [Google Scholar]
- Hu, M. Design Investigation of the Swash Plate Axial Piston Pump with Conical Cylinder Blocks. Master’s Thesis, Lanzhou University of Technology, Lanzhou, China, 2011. [Google Scholar]
- Xu, B.; Zhang, J.H.; Yang, H.Y. Simulative analysis of piston–cylinder pair of axial piston pump based on virtual prototype. J. Lanzhou Univ. Technol. 2010, 36, 31–37. [Google Scholar]
- Zhang, Q.R. Research on Bent Axis Type Variable Displacement Axial Piston Pump Using Kerosene as Working Medium. Master’s Thesis, Harbin Institute of Technology, Harbin, China, 2015. [Google Scholar]
- Wang, K.L. Micro-Motion and Lubrication Characteristics of Piston–Cylinder Interface in Axial Piston Pump. Ph.D. Thesis, Harbin Institute of Technology, Harbin, China, 2019. [Google Scholar]
- Liu, R.; Zeng, Y.; Hu, M.; Zhu, H.; Liu, C.; Wang, L. An investigation into the micro-geometric tapered-shape surface design of the piston bore of a piston–cylinder interface in an axial piston motor. Mech. Sci. 2023, 14, 259–275. [Google Scholar] [CrossRef]
Disclaimer/Publisher’s Note: The statements, opinions and data contained in all publications are solely those of the individual author(s) and contributor(s) and not of MDPI and/or the editor(s). MDPI and/or the editor(s) disclaim responsibility for any injury to people or property resulting from any ideas, methods, instructions or products referred to in the content. |
© 2024 by the authors. Licensee MDPI, Basel, Switzerland. This article is an open access article distributed under the terms and conditions of the Creative Commons Attribution (CC BY) license (https://creativecommons.org/licenses/by/4.0/).





















