Next Article in Journal
Kinematics Analysis and Oil Film Lubrication Characteristics in the Piston–Cylinder Interface of a Bent-Axis-Type Piston Motor
Next Article in Special Issue
Methods for the Investigation and Mitigation of Conducted Differential-Mode Electromagnetic Interference in Commercial Electrical Vehicles
Previous Article in Journal
Control Strategy for Power Fluctuation Smoothing at Distribution Network Substations Considering Multiple Types of Adjustment Resources
Previous Article in Special Issue
Novel Droop-Based Techniques for Dynamic Performance Improvement in a Linear Active Disturbance Rejection Controlled-Dual Active Bridge for Fast Battery Charging of Electric Vehicles
 
 
Font Type:
Arial Georgia Verdana
Font Size:
Aa Aa Aa
Line Spacing:
Column Width:
Background:
Article

Optimal Variable Frequency Soft Switching for Interleaved Grid Tied Inverters in Electric Vehicle Charging Applications

Department of Electrical Engineering, Columbia University in the City of New York, New York, NY 10027, USA
*
Author to whom correspondence should be addressed.
Energies 2024, 17(23), 6077; https://doi.org/10.3390/en17236077
Submission received: 15 October 2024 / Revised: 26 November 2024 / Accepted: 27 November 2024 / Published: 3 December 2024

Abstract

Synchronized variable frequency soft-switching is analyzed and implemented in a 3-phase bidirectional grid-tied inverter. The common-mode connected topology and control allow for independent analysis of a single phase leg before six are combined into two interleaved, 3-phase inverters. Effective operation is enabled by discretizing the variable switching frequencies before synchronizing them with a control signal. The resulting inverter can operate at any power factor at power levels up to 50 kVA while maintaining zero-voltage switching (ZVS) throughout the grid cycle. Formal conditions for soft-switching and methods for achieving ZVS while maintaining global synchronization are presented. These conditions are then verified in a simulation. Finally, results for different power factors with and without interleaving are demonstrated in a prototype that achieves >98.1% efficiency when converting all real power.

1. Introduction

The proliferation of electric vehicles (EVs) in recent years has led to a necessary increase in the power electronics that power both them and the required charging infrastructure [1,2]. This has created a demand for the rapid conversion of the largely alternating current (AC) of the power grid to battery-usable direct current (DC). Grid-tied switching inverters are key in accomplishing this.
Isolated DC fast chargers provide quick, safe, and efficient charging for EVs. One technique that has emerged in the literature to improve the existing grid-tied inverter concepts is soft-switching [3]. Zero-voltage switching (ZVS) in particular is used with wide band-gap MOSFETs (such as SiC and GaN based FETs) to reduce the power loss associated with each switching instance. This allows for faster switching speeds and thus a physically smaller footprint, improving power density.
Soft-switching has been achieved and studied in 3-phase inverters in the past [3,4,5,6,7,8,9,10,11,12,13]. The increased complexity, be it in circuitry or control, needed to achieve soft-switching is offset by the increase in efficiency of the chargers.
There are several ways to achieve ZVS. Some methods utilize additional active components [5] to move the necessary energy into and out of the switch capacitors. However, they can suffer from additional conduction and switching losses incurred by the extra devices.
Although resonant approaches are traditionally used in DC/DC converters, some [6] use a resonant approach, in which the energy is transferred between the resonating components and, by adjusting the frequency, the circuit can achieve power factor correction and soft-switching. This is a new approach, however, and remains at low powers. Still others [12,14] use a form of discontinuous PWM (DPWM) to modify the shape of the current ripple to achieve ZVS, but they can suffer from relatively high ripples and distortion.
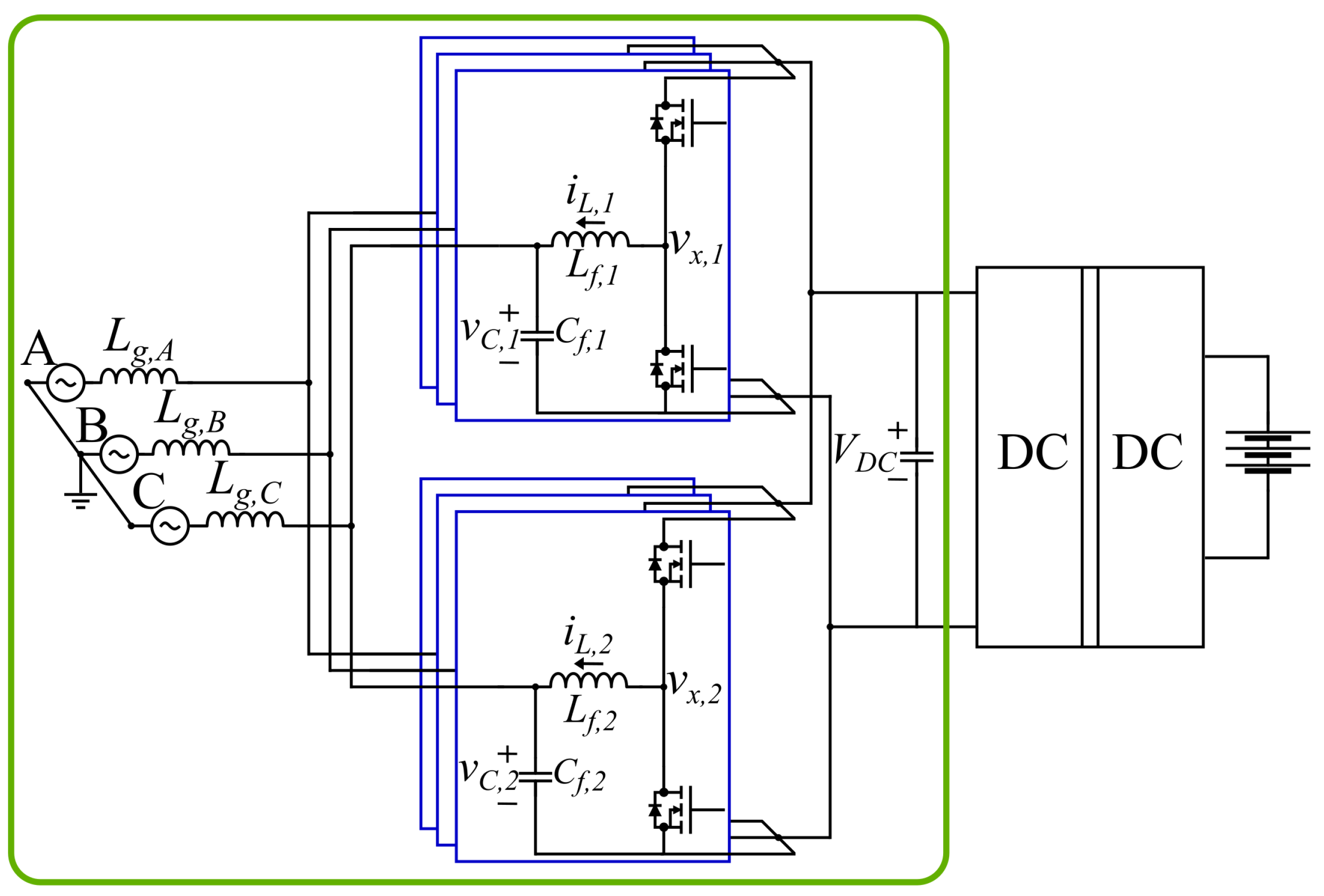
The basic topology and control strategy to achieve ZVS by varying the switching frequency in order to inversely vary the current ripple have been proposed and studied before [8,10,15]. In this paper, variations on the ZVS boundaries and increased power levels are introduced. Furthermore, as shown in the circuit diagram of Figure 1, two inverters can be placed in parallel to allow higher power operation by utilizing global synchronization and interleaving of the modules. Paralleling on the output side, as is carried out in the inverter created to demonstrate these effects, is optional and does not affect circuit operation.
The inverters used in this paper differ from a typical configuration by the addition of a connection between the star point of the filter capacitors and the DC negative. This introduces a path for zero sequence current (ZSC) to flow but it also allows for simple, symmetric control in the DQZ domain using the Park–Clarke transformations [10]. The system is fundamentally bidirectional and produces a rectified DC voltage from which it can provide positive or negative real and reactive powers using PI controllers.
As switching frequencies rise, both the dead times and the inductances tend to decrease. The first is in an effort to mitigate distortion, which occurs when the dead-time becomes comparable to the switching period [16]. The second occurs in an effort to increase power density. Additionally, in order to meet higher power demands, both operating voltages and currents are trending upwards. The increased current demand drives up the size of individual MOSFETs, which tend to increase the drain-source capacitance. As will be explained, all of these trends restrict the ZVS operation of the converter. The conditions that will be presented provide broad guidelines that take each of these into account, allowing for soft-switching to remain feasible as power electronics advance to meet future requirements.
Synchronization and interleaving of MOSFET switching has been used to improve efficiency and reduce circulating currents [17,18,19,20,21,22]. Synchronization removes any uncertainty that may be introduced by the microcontroller when updating duty cycle and switching frequency values, improving stability. Interleaving works by taking advantage of destructive interference in the ripple currents present in the LC filter of the two paralleled converters. These ripples, which flow into the filter capacitor, can be partially canceled if the two converters, operating with the same duty cycle and switching frequency, operate with a phase shift of 180°. The partial cancellation reduces current stress on the filter capacitors and improves filter response by effectively doubling the apparent frequency.
Interleaving is common among papers that utilize synchronization; ref. [21] takes the additional step of coupling the filter inductors, but relies on very large grid inductances to operate. Meanwhile, ref. [20] has decoupled inductors but relies on very heavy filtering in addition to complex control. Ref. [17] again uses DPWM to achieve soft-switching with a similar topology.
This paper formalizes the boundaries of soft-switching operation for the particular grid-tied inverter used and presents new ways of examining these limits to ensure ZVS across all operating points. The current ripple is interleaved, and soft-switching is still achievable despite the additional constraint. The structure of the paper is as follows. Section 2 discusses the converter control, Section 3 goes through the soft-switching derivation and bounds, Section 4 shows the operating regions, and Section 5 demonstrates the concepts in a converter prototype. Lastly, the paper is concluded in Section 6.

2. Control Structure

The inverter control is based on that of [10]. Layers of abstraction in the code allow for scaling of the control regardless of power level and aid in modification of the structure between the different switching schemes. It also means that adding additional inverters in an interleaved configuration does not require control modifications. Instead, the code is duplicated for the interleaved stages, with the only change being a constant additional phase shift. A simplified control diagram is shown in Figure 2a and an overview of the control is provided in this section.
The control works using a total of six PI regulators acting in the DQZ domain. Three act in parallel on the capacitor voltages and are cascaded after by three acting on the grid currents. The voltage controller produces DQZ current references that regulate the bus voltage, reactive power, and zero sequence voltage, respectively. These references are fed into the second stage of PI controllers, which act on the grid current and produce DQZ voltages. The inverse Park–Clarke transformation is applied to bring the voltages back to the phase domain. They are then scaled to produce duty cycles; these are then actuated by the converter. More details on the control, including derivation of a state space model linking the parameters mentioned can be found in [10].
Additionally, the duty cycles are used as one input to the particular variable frequency soft-switching (VFSS) algorithm chosen. The algorithm is based around a frequency calculation that aims to produce sufficient current ripple to soft-switch to increase efficiency. Detailed descriptions of different algorithms used, along with conditions on the inputs and parameters to achieve ZVS, are provided in the following sections.

3. Variable Frequency Discrete Soft-Switching

To improve efficiency and reduce overall EMI, the converters are operated exclusively in the soft-switching regime. The soft-switching boundaries are derived assuming the average capacitor voltage is controlled to a constant, decoupling the switching events between phases.

3.1. Variable Frequency Soft-Switching

VFSS relies on the inductor current ripple to charge and discharge the C D S capacitor of each switch as it is actuated [23]. The charge in the drain–source capacitance, C D S , of the turning-on FET must be reduced to zero in order to achieve ZVS across it. The voltage across the turning-off FET will be nonzero; however, this is of less concern as the turn-off energy loss, E O F F , of power MOSFETs is typically much smaller than their turn-on energies, E O N [23,24]. In this way, the aggregate turn-on losses are exchanged for lower turn-off losses, improving efficiency over hard-switched converters.
To determine ZVS conditions, the inductor ripple current is examined in one inverter leg. The triangular wave, peak-to-peak inductor ripple current is given by the equation
Δ I = D ( 1 D ) V D C f s w L
where D is the duty cycle, V D C is the DC bus voltage, f s w is the MOSFET switching frequency, and L is the filter inductance. Considering the turning-on of one MOSFET, its V D S must be reduced to zero before the ripple changes sign. As such, for a given dead-time, there is a minimum inductor current magnitude, designated I L i m , opposite in sign to the average current, that is required to fully discharge the C D S .
To determine the ripple current necessary to soft-switch, the inductor ripple can be related to the measured grid current by
Δ I = α ( I g r i d + I L i m ) ,
where I g r i d is the sinusoidal grid current, and α is the so-called ripple ratio between the average current and peak-to-peak ripple. In steady state, α is typically set at 2, lower values have the potential to introduce hard switching, while higher ones result in excess ripple and thus lower efficiency.
The simplest soft-switching schemes set I L i m at a constant value and solve (1) and (2) for the switching frequency. This paper, however, in addition to clarifying soft-switching boundaries, investigates optimal values for I L i m , as well as methods to synchronize switching across all converter legs and switching frequencies.

3.2. ZVS Boundaries

One important assumption for ZVS operation that must be examined is that of piecewise linear inductor currents, which can be described as occurring in a “continuous conduction mode” (CCM). The assumption holds under several conditions, most prominently a piecewise constant inductor voltage V L , formed by the center point voltage V x and the filter capacitor voltage V C .
The term CCM is used to emphasize the piecewise linear nature of the current ripple. This condition can be broken by several means, most relevantly if V x is disconnected from both the DC plus and DC minus for an extended time. The MOSFET dead-time must be bounded while taking into account the amount of voltage and filter inductance in the circuit.
If left unbounded, it is possible for the converter to slip instead into a “resonant conduction mode” (RCM). This can happen if the inductor current ripple falls from its peak to zero before the lower switch turns on (reflectively, if the ripple rises to zero before the upper switch turns on). During the dead-time in RCM, the capacitor for the turned-off switch, which just charged, begins to discharge because V x has reached equilibrium with V C . The capacitor and filter inductor can then begin to resonate. This will cause undesired pulses in V x , particularly when the relevant MOSFET is actually turned on. The result is distortion in the output voltage and hard-switching. These are shown in Figure 3b.
Therefore, the boundary for CCM operation is that the dead-time must be shorter than the time it takes for the inductor current, I L , to reach zero. The inductor current can be expressed as
I L = V L t L I 0 ,
where I 0 is the initial current as determined by the previous switching cycle. Assuming on average that V C = D V D C , the inductor voltage is either V L = D V D C or V L = ( 1 D ) V D C , depending on the switching state. A simple condition for CCM can then be derived as
I L i m , o p t max t d D V D C L , t d ( 1 D ) V D C L ,
where t d is the dead-time.
This condition can be easily updated over the cycle of the grid as the duty cycle changes. Furthermore, this condition is robust to variable dead times that may be desired to accommodate varying switching periods. If the dead time is scaled throughout the grid cycle, I L i m can be scaled proportionally. A robust condition maximizes d, giving
I L i m , r o b t d V D C L .
This special case of the broader (4) is similar to those found in the past [23].
An LTSpice simulation was performed to demonstrate the condition as a boundary for ZVS. Figure 3a first shows a soft turn-on of the upper FET; here, the center point V x has been allowed to rise to the bus voltage. This ensures V D S , u p p e r = 0 when V g s , u p p e r begins to rise. Figure 3b, meanwhile, shows a case with an exaggerated dead-time in which V x begins to discharge. After discharging, partially or fully, V g s , u p p e r is actuated, resulting in a non-zero voltage across the upper FET and thus a hard turn-on. Figure 3c shows the current flow corresponding to CCM while Figure 3d shows the current path in RCM after the current reaches zero. Both currents flow within the dead-time.
The derived conditions improve upon past soft-switching boundaries such as in [9]. In that condition, the current in (3) is integrated over the dead-time to produce the charge moved in that time. Solving for the minimum required I 0 gives
I L i m V L t d 2 2 L Q t o t a l t d ,
where Q t o t a l is the net charge moved on and off the C D S capacitors. This is an explicit expression for the amount of charge needed to be moved in order to achieve ZVS. It requires that the charge moved in the dead-time be at least as much as can be stored on the C D S capacitors. If, however, the dead-time is too long for the magnitude of current achieved, then the charge will begin to be deposited back onto the discharged capacitors, as shown in Figure 3b.
While accurately assessing soft-switching, (6) uses the charge on the MOSFET output as a key parameter. This can be difficult to measure or even estimate. In contrast, either (4) or (5) can be easily implemented in a controller as they involve controlled and easily measurable quantities.

3.3. Synchronization and Hysteresis Control

The synchronization scheme used to align all switching and control updates will now be examined. All six phase legs of the inverter of Figure 1 are controlled from a single microcontroller. In addition to feeding the gate signals, PWM signals are also used to trigger the analog-to-digital conversion (ADC) interrupt that reads in sensor data. This way, the frequency of the ADC, f b a s e , can be used as the base for all switching frequencies.
When synchronizing waveforms, there must be an integer number of periods that occur before the base period completes. This alignment is shown in Figure 4. The three phases all switch at different frequencies but the endpoints are aligned to prevent glitches in synchronization. The base frequency is, therefore, the lowest possible f s w as the synchronization pulse occurs once per control cycle. The upper bound of frequency is determined by other factors, including gate driver ability, distortion from dead time, and frequency-dependent losses.
A differential hysteresis controller is used to discretize the continuously calculated frequency f s w , c into integer multiples of f b a s e . The controller prevents signal noise from causing rapid changes in the discretized signal. Additionally, to ensure that the current ripple is always large enough to soft-switch the MOSFETs, the discrete value must be lower than the continuous frequency.
The hysteresis controller is called differential because it acts on a multiplier, b ( i ) , of f b a s e . The calculation uses the present and previous continuous switching frequency values f s w , c ( i ) and f s w , c ( i 1 ) . A “residual”, r ( i ) , is first calculated as
r ( i ) = f s w , c ( i ) f s w , c ( i 1 ) f b a s e ,
where f s w , c ( i 1 ) is the continuously calculated frequency from (1) in the previous control cycle. If the residual is less than zero, the frequency bin, b ( i ) , is reduced by one; if it is between 1 and 1 + δ where δ is a tunable constant, then the bin remains the same; and if r ( i ) is greater than 1 + δ , b ( i ) is increased. This is visualized in Figure 5a. Different tunings of δ applied to a noisy sinusoidal segment are shown in Figure 5b. The output frequency is then equal to
f s w , d ( i ) = b ( i ) f b a s e .

3.4. Soft-Switching Ripple Prediction

In the description of soft-switching above, (2) has a reference of I g r i d . This can be provided in two different ways. First, in the DQZ space, I g r i d can be set to the magnitude I g r i d , d 2 + I g r i d , q 2 ; a constant over grid frequency time scales. This control is simple and robust but may not be maximally efficient because the ripple extends beyond the minimum necessary magnitude to soft-switch.
To minimize the ripple magnitude, the current reference can also be set to I g r i d ( t ) , which exists in the ABC space. Using this reference, critical soft-switching can be achieved such that the current ripple only extends far enough to meet the soft-switching criteria described above, with a small margin. This trades off reduced resistive losses because of decreased ripple magnitude with higher frequency switching.
The different methods of soft-switching result in different operating points across a single grid cycle. Four methods are compared: ABC referenced “constant ripple” soft-switching and DQZ referenced “critical” soft-switching, each in continuous and discretized forms. Examples of duty cycles, frequencies, and current ripple magnitudes are shown in Figure 6. In blue, the left column shows constant ripple while the right shows critical soft-switching. Red colors depict the discretized versions of the frequency and the resulting current ripples.
The discretization process using the described hysteresis controller has a preference towards lower frequencies to maintain soft-switching. As can be seen, this additional threshold results in a more pronounced underestimation of rising frequencies, resulting in slightly asymmetric ripple.
For real power, the maximum ripple comes at the duty cycle extrema, which correspond to the lowest frequencies. If reactive power is desired, only the critical version of the waveform has a significant difference in f s w , given the phase shift in the ABC domain.
In particular, in the discrete case, the maximum ripple is much higher than in the next worst case, because the frequency changes by a fixed amount each step, f b a s e , and as the frequency approaches its minimum, this step size becomes comparable to the frequency magnitude. For example, going from 500 kHz to 475 kHz results in a small proportional change to the ripple (1.05), while changing from 75 kHz to 50 kHz increases it by 3/2. It is advantageous, therefore, for the system to reduce the time spent in the lowest-frequency operating points.
The trade-off for globally synchronized PWM gate signals is increased ripple, regardless of the method used to generate frequencies. The discretization frequency affects the “quantization error”, and thus the increased ripple, that occurs in approximating the continuous ideal with a discretized output. This is clearly seen in the ripple current panes in Figure 6.

4. ZVS Operating Regions with VFDSS

A range of specifications must be considered when mapping the conditions for soft-switching an inverter. These include power, current stress, and AC and DC voltage. The values of key parameters such as the filter inductance and capacitance values, FET equivalent resistances, and capacitances must also be considered. The control and resonant frequencies, as well as the switching frequency range, must all be examined within this space.
The 3-phase power requirement fully defines the grid current as P 3 ϕ = 3 V L N , r m s I r m s . The most common European three-phase connection is 400 V L L ( 230 V L N ) at 50 Hz. The resulting value for I r m s can be converted to a peak value and used in (2), along with one of the soft-switching schemes defined above. This will set the ripple current range needed throughout the grid cycle: from a minimum of I L i m to the now defined maximum. The grid voltage also constrains the bus voltage range because duty cycles, dependent on the grid-to-bus voltage ratio, must be kept between [0,1].
The last two parameters that affect the ripple are f s w and L. As the other parameters of (1) are constrained by the specifications, these two provide the most freedom to affect converter performance. Several trade-offs exist when choosing appropriate values, especially when considered in the context of VFDSS. Since the frequency will be changing, the inductance must be chosen to provide the necessary ripple across the grid cycle as shown in Figure 6.
Designing for the extreme cases of maximum and minimum switching frequencies ensures robust operation. The maximum frequency is used in critical soft-switching near the zero crossing of the current. In this case, the maximum frequency will be set by the minimum current needed to soft-switch, as defined by, for example, (4). Other f s w limits include gate driver ability, dead-time duration, and FET gate capacitance.
With real power, the minimum frequency occurs at the extremes of the duty cycle. This is fortunate because the switch ON times are not then forced to the worst case scenario of maximum frequency and minimum duty cycle, in which the pulse width would be driven down to the length of the dead-time.
Once the operating regions of the inputs and outputs have been established, they can be visualized in a parameter space of the instantaneous filter capacitor voltage, which tracks the line-to-neutral grid voltage and grid current. These two parameters fully determine the operating point of the converter, assuming that the established DC bus is constant. Figure 7 shows the regions for the duty cycle (Figure 7a), discrete critical f s w required for soft-switching (Figure 7b), the optimal ripple current value based on the current duty cycle (Figure 7c), and the resulting inductor current ripple (Figure 7d).
Within each parameter space, the colored loci plotted indicate the pairings of voltage and current at the same apparent powers but differing power factors. The exception is the horizontal black line, which indicates that there is no net power transfer. The blue and green lines represent positive and negative real power; while the red circle shows pure reactive power; the yellow and purple are P F = ± 0.5 . During steady state operation, as the phase of the grid changes, the converter will operate along one of the loci. The converter has the ability to operate on any locus and, therefore, with any power factor. Examples will be shown in Section 5.
The plots of Figure 7 show the operating regions for the discrete, critical soft-switching and optimal ripple current regimes. The duty cycle is always calculated in a continuous fashion so the contours depicting bins are shown only for the other plots. Similar plots can be created for the other soft-switching schemes described, including continuous soft-switching and constant ripple soft-switching.
Using these plots, one can see both the necessary conditions for soft-switching and also predict effects of parameter variation. For instance, if t d were increased, I L i m would need to increase to maintain soft-switching, this, in turn, could result in a decrement of b ( i ) . Care must be taken at the lower switching frequencies because, in the worst case, a single decrement could result in a doubling of ripple current magnitude, greatly affecting performance.
The boundaries of the shaded regions indicate where, for the design plotted, soft-switching no longer becomes feasible. The voltage is limited only by the bus and the duty cycle margin to unity. The current, meanwhile, is limited primarily by the minimum f s w . Once f s w is minimized, the ripple is maximized and thus the ability of the ripple to discharge the MOSFET C D S diminishes.

5. Design Example and Results

A Texas Instruments C2000 F28379D microcontroller (MCU, Dallas, TX, USA) was used for control of the circuit. The control, synchronization, and sampling frequencies were all set at 25 kHz, so there is one sample taken every control period. The MCUs have PWM modules with low- and high-resolution (HR) modes for duty cycle and switching frequency. The HR modes increase the number of registers that store parameter information. The HR duty cycle was required in all cases to prevent large errors in the actuated values. HR switching frequency was also required for discrete soft-switching. Without it, small errors meant that the actuated frequency was no longer a multiple of f b a s e , causing errors in the PWM waveform at every synchronization pulse.
However, the HR modes do not work with the global synchronization methods provided by TI. Instead a “manual” synchronization scheme, pictured in Figure 8, is devised with two timed interrupts: control and write. Within the 40 μ s control period, the ADCs feed values to the controller, DQZ transformations are performed and, based off of parallel PI controllers acting on the dq axes, duty cycles are produced to be used in the next control period. The chosen VFSS scheme, Figure 2b, is then executed before both the duty cycle and frequency are sent to the write interrupt. The write interrupt simply writes values into the PWM hardware registers after the start of the fastest gate PWM; it must finish executing before the start of the next control cycle. The timing ensures only duty cycles and switching frequencies from the same control period are written to the register at any given time. This creates an additional upper bound on switching frequency but prevents mismatched register values, which can cause instability.
An inverter was designed according to the procedure defined in [16]. The target minimum switching frequency was 50 kHz, this, along with a target peak duty cycle of 0.9, led to a maximum inductance of approximately 10 μH; a value of 8 μH is used to provide margin. A prototype with the key parameters laid out in Table 1 was created to test up to 50 kW.

Experimental Results

Figure 9 shows the physical setup used to develop and test the prototype. The PCB consists of six half bridge modules with attached inductors to form the circuit of Figure 1.
The inductors are custom wound, air-gapped parallel E cores that achieve 8 μ H. Each phase uses three 10 μ F capacitors that would not normally be able to handle the current ripple. However, due to the reduction in the RMS current achieved through interleaving, the capacitors operate well within the specification provided ( 14 A R M S each).
Using this setup, a net power of 50 kW was applied both into and out of the grid. Real power waveforms are shown in Figure 10a. The voltages and currents on the AC side are sinusoidal with minimal distortion. The interleaving reduces the effects of switching oscillations by reducing the effective ripple currents and, therefore, the amount of “leakage ripple” that is present on the grid currents and voltages. No disturbances are observed in the DC voltage.
The efficiency of the inverter setup was measured using a Yokogawa power analyzer. Probes were placed on the grid and DC bus voltages and currents. Using these, the Yokogawa was then able to calculate the input and output power before calculating the efficiency.
The maximum efficiency achieved was 98.1%. Several conditions affect this result, including the type of FET, Infineon IMZA120R007M1H (Infineon, Neubiberg, Germany), that was chosen for its current handling capability and low on resistance. The inductance was also chosen to ensure that just enough ripple current is present at maximum power [8]. Furthermore, to take advantage of the soft-switching by reducing turn-off losses, 470 pF of additional C D S was added, as explained in [23].
Reactive power waveforms are shown in Figure 10b. There is less ripple on the AC side due to the different switching profile depicted in Figure 7d. Meanwhile, a slight increase in the DC current ripple is observed, for similar reasons.
Figure 11a shows the actuated ripple currents. The critical soft-switching is best depicted through the envelope of the inductor currents. It also shows how the current is split up by the LCL filter into the 50 Hz grid frequency and the hundreds of kHz range ripple current that is confined to the capacitors and reduced through interleaving. Figure 11b magnifies the previous figure to show the synchronized inductor currents, 180° out of phase but with the same frequency and duty cycle. The destructive interference results in smaller ripple currents in the filter capacitor.
The MCU’s perspective is shown in Figure 12. The duty cycles and switching frequencies actuated as the instantaneous phase of the grid changes between 0 and 2 π over two periods are shown. The strong phase locked loop and minimally distorted voltages ensure clean waveforms. Next, the DQZ-transformed capacitor voltages and grid currents indicate that the controller is capable of achieving steady state in this frame of reference.

6. Conclusions

This paper presents analysis of and methods to achieve synchronous soft-switching in interleaved 3-phase grid-tied inverters. Formal conditions for ZVS are derived and demonstrated, along with prediction and generation methods for the inductor current ripple, to achieve this. A 50 kVA prototype demonstrates the effects and control described. Furthermore, the synchronization used facilitates parallelization and, therefore, scaling of the grid interfaces. Future work may include increasing parallelization to multiple inverters and integration of battery storage.

Author Contributions

Conceptualization, Y.A.F. and M.J.; Methodology, Y.A.F.; Software, Y.A.F.; Validation, Y.A.F.; Formal analysis, Y.A.F.; Investigation, Y.A.F.; Resources, M.P.; Writing—original draft, Y.A.F.; Writing—review & editing, Y.A.F. and M.P.; Visualization, Y.A.F. and M.P.; Supervision, M.J. and M.P.; Project administration, M.P.; Funding acquisition, M.P. All authors have read and agreed to the published version of the manuscript.

Funding

This research received no external funding.

Data Availability Statement

The original contributions presented in the study are included in the article, further inquiries can be directed to the corresponding author.

Conflicts of Interest

The authors declare no conflicts of interest. The funders had no role in the design of the study; in the collection, analyses, or interpretation of data; in the writing of the manuscript; or in the decision to publish the results.

References

  1. IEA; IRENA; UNSD; WHO; World Bank. Tracking SDG 7: The Energy Progress Report; Technical report; World Bank: Washington, DC, USA, 2023. [Google Scholar]
  2. Safayatullah, M.; Elrais, M.T.; Ghosh, S.; Rezaii, R.; Batarseh, I. A Comprehensive Review of Power Converter Topologies and Control Methods for Electric Vehicle Fast Charging Applications. IEEE Access 2022, 10, 40753–40793. [Google Scholar] [CrossRef]
  3. Mohammed, S.A.Q.; Jung, J.W. A State of the Art Review on Soft-Switching Techniques for DC/DC, DC/AC, AC/DC, and AC/AC Power Converters. IEEE Trans. Ind. Info. 2021, 17, 6569–6582. [Google Scholar] [CrossRef]
  4. Pahlevani, M.; Jain, P.K. Soft-Switching Power Electronics Technology for Electric Vehicles: A Technology Review. IEEE J. Emerg. Sel. Topics Power Electron. 2020, 1, 80–90. [Google Scholar] [CrossRef]
  5. Li, R.; Xu, D. A zero-voltage switching three-phase inverter. IEEE Trans. Power Electron. 2014, 29, 1200–1210. [Google Scholar]
  6. Forouzesh, M.; Liu, Y.F.; Sen, P.C. A Novel Soft-Switched Three-Phase Three-Wire Isolated AC-DC Converter with Power Factor Correction. In Proceedings of the 2022 IEEE Applied Power Electronics Conference and Exposition (APEC), Houston, TX, USA, 20–24 March 2022; pp. 887–894. [Google Scholar]
  7. Tayebi, S.M.; Batarseh, I. Analysis and Optimization of Variable-Frequency Soft-Switching Peak Current Mode Control Techniques for Microinverters. IEEE Trans. Power Electron. 2018, 33, 1644–1653. [Google Scholar] [CrossRef]
  8. Jahnes, M.; Zhou, L.; Eull, M.; Wang, W.; Preindl, M. Design of a 22kW Transformerless EV Charger with V2G Capabilities and Peak 99.5% Efficiency. IEEE Trans. Ind. Electron. 2022, 70, 5862–5871. [Google Scholar] [CrossRef]
  9. Kohlhepp, B.; Heubeck, J.; Duerbaum, T. Non Ideal behavior of ZVS inverter comprising variable and fixed frequency operation: Analysis, compensation, and verification. Power Electron. Devices Compon. 2022, 2, 100007. [Google Scholar] [CrossRef]
  10. Zhou, L.; Jahnes, M.; Eull, M.; Wang, W.; Preindl, M. Control Design of a 99% Efficiency Transformerless EV Charger Providing Standardized Grid Services. IEEE Trans. Power Electron. 2022, 37, 4022–4038. [Google Scholar] [CrossRef]
  11. Zhou, L.; Preindl, M. Decentralized Circulating Current Attenuation with Model Predictive Control for Distributed/Shunted Single/Three-Phase Grid-Tied Inverters. IEEE Trans. Power Electron. 2022, 37, 11534–11539. [Google Scholar] [CrossRef]
  12. Chen, J.; Han, Y.; Han, Q.; Liu, Q. A DPWM-Based Quasi-Constant Switching Frequency Control for Full ZVS Range Three-Phase Inverter With Reactive Power Transfer Capability. IEEE Trans. Ind. Electron. 2023, 70, 4912–4921. [Google Scholar] [CrossRef]
  13. Arshadi, S.A.; Ordonez, M.; Eberle, W.; Craciun, M.; Botting, C. Three-Phase LLC Battery Charger: Wide Regulation and Improved Light-Load Operation. IEEE Trans. Power Electron. 2021, 36, 1519–1531. [Google Scholar] [CrossRef]
  14. Huang, Z.; Li, Q.; Lee, F.C. Critical-Conduction-Mode-Based Soft-Switching Modulation for Three-Phase PV Inverters With Reactive Power Transfer Capability. IEEE Trans. Power Electron. 2020, 35, 5702–5713. [Google Scholar] [CrossRef]
  15. Haider, M.; Anderson, J.A.; Mirić, S.; Nain, N.; Zulauf, G.; Kolar, J.W.; Xu, D.; Deboy, G. Novel ZVS S-TCM Modulation of Three-Phase AC/DC Converters. IEEE Open J. Power Electron. 2020, 1, 529–543. [Google Scholar] [CrossRef]
  16. Jahnes, M.; Zhou, L.; Fahmy, Y.; Preindl, M. A Peak 1.2 MHz, >99.5% Efficiency, and >10kW/L Power Density Soft-Switched Inverter for EV Fast Charging Applications. IEEE Trans. Transp. Electrif. 2023, 10, 5520–5532. [Google Scholar] [CrossRef]
  17. Chen, J.; Han, Q.; Han, W.; Xin, Z. Current Ripple Prediction and DPWM Based Variable Switching Frequency Control for Full ZVS Range Two Parallel Interleaved Three-Phase Inverters. IEEE Trans. Ind. Electron. 2022, 69, 420–428. [Google Scholar] [CrossRef]
  18. Kim, H.S.; Baek, J.W.; Ryu, M.H.; Kim, J.H.; Jung, J.H. The High-Efficiency Isolated AC–DC Converter Using the Three-Phase Interleaved LLC Resonant Converter Employing the Y-Connected Rectifier. IEEE Trans. Power Electron. 2014, 29, 4017–4028. [Google Scholar] [CrossRef]
  19. Choi, H.W.; Lee, K.B. Reduction Method of Circulating Current in Parallel Three-Level Inverters Using Modified Discontinuous Pulse-Width Modulation Based on Interleaving Scheme. IEEE Trans. Power Electron. 2024, 39, 2322–2333. [Google Scholar] [CrossRef]
  20. Zeng, Z.; Li, Z.; Goetz, S.M. Optimal Discontinuous Space Vector PWM for Zero-Sequence-Circulating Current Reduction in Two Paralleled Three-Phase Two-Level Converter. IEEE Trans. Ind. Electron. 2021, 68, 1252–1262. [Google Scholar] [CrossRef]
  21. Li, Q.; Ma, Y.; Zhao, X.; Jiang, D.; Zhang, Y. VSFPWM Based on Circulating Current Ripple Prediction for ZVS in Two Paralleled Grid-Tied Inverters with Coupled Inductors. IEEE Trans. Ind. Electron. 2023, 70, 39–51. [Google Scholar] [CrossRef]
  22. Neumayr, D.; Bortis, D.; Kolar, J.W. The essence of the little box challenge-part A: Key design challenges & solutions. CPSS Trans. Power Electron. Appl. 2020, 5, 158–179. [Google Scholar]
  23. Agrawal, B.; Zhou, L.; Emadi, A.; Preindl, M. Variable-Frequency Critical Soft-Switching of Wide-Bandgap Devices for Efficient High-Frequency Nonisolated DC-DC Converters. IEEE Trans. Veh. Technol. 2020, 69, 6094–6106. [Google Scholar] [CrossRef]
  24. Infineon. IMZA120R007M1H. 2023. Available online: https://www.infineon.com/dgdl/Infineon-IMZA120R007M1H-DataSheet-v01_20-EN.pdf?fileId=8ac78c8c7f2a768a017f878c94d831d0 (accessed on 9 July 2023).
Figure 1. Parallel 3-phase grid tied inverters to be used as the first stage of a DC fast charger.
Figure 1. Parallel 3-phase grid tied inverters to be used as the first stage of a DC fast charger.
Energies 17 06077 g001
Figure 2. (a) A simplified control diagram and (b) a block diagram of the f s w calculation process.
Figure 2. (a) A simplified control diagram and (b) a block diagram of the f s w calculation process.
Energies 17 06077 g002
Figure 3. SPICE simulation showing CCM (a) and RCM (b) following the conditions of (4). In this simulation L = 8 μ H, V D C = 800 V, and the dead-time was adjusted between t d = 250 ns and 500 ns to demonstrate the boundaries. The equivalent circuits for CCM (c) and RCM (d) are also shown.
Figure 3. SPICE simulation showing CCM (a) and RCM (b) following the conditions of (4). In this simulation L = 8 μ H, V D C = 800 V, and the dead-time was adjusted between t d = 250 ns and 500 ns to demonstrate the boundaries. The equivalent circuits for CCM (c) and RCM (d) are also shown.
Energies 17 06077 g003
Figure 4. The VFDSS synchronization scheme in which each phase leg’s PWM operates at a multiple of the control frequency allowing for precise alignment.
Figure 4. The VFDSS synchronization scheme in which each phase leg’s PWM operates at a multiple of the control frequency allowing for precise alignment.
Energies 17 06077 g004
Figure 5. The differential hysteresis controller (a) discretizes the switching frequency and can be tuned (b) to produce cleanly transitioning frequencies based on the signal-to-noise ratio.
Figure 5. The differential hysteresis controller (a) discretizes the switching frequency and can be tuned (b) to produce cleanly transitioning frequencies based on the signal-to-noise ratio.
Energies 17 06077 g005
Figure 6. DQZ and ABC referenced soft-switching over a grid cycle. (Top) to (bottom) shows duty cycle, varying frequency, and the resulting peak-to-peak ripple. Note the difference in scale of the switching frequency row.
Figure 6. DQZ and ABC referenced soft-switching over a grid cycle. (Top) to (bottom) shows duty cycle, varying frequency, and the resulting peak-to-peak ripple. Note the difference in scale of the switching frequency row.
Energies 17 06077 g006
Figure 7. Plots of instantaneous capacitor voltage and grid current showing the operating regions of (a) the duty cycle, (b) the switching frequency, (c) the optimal soft-switching current, and (d) the current ripple for discrete critical soft-switching. The paths show operating points over the grid cycle across all power factors.
Figure 7. Plots of instantaneous capacitor voltage and grid current showing the operating regions of (a) the duty cycle, (b) the switching frequency, (c) the optimal soft-switching current, and (d) the current ripple for discrete critical soft-switching. The paths show operating points over the grid cycle across all power factors.
Energies 17 06077 g007
Figure 8. A flow chart of the algorithm executed by the MCU showing the control and write interrupts with appropriate delay and synchronization.
Figure 8. A flow chart of the algorithm executed by the MCU showing the control and write interrupts with appropriate delay and synchronization.
Energies 17 06077 g008
Figure 9. The physical prototype used for the experiments.
Figure 9. The physical prototype used for the experiments.
Energies 17 06077 g009
Figure 10. Oscilloscope screenshots showing (a) 50 kW of real power conversion between 3-phase AC and DC and (b) 50 kVA of reactive power with the same measurements.
Figure 10. Oscilloscope screenshots showing (a) 50 kW of real power conversion between 3-phase AC and DC and (b) 50 kVA of reactive power with the same measurements.
Energies 17 06077 g010
Figure 11. Oscilloscope screenshots showing (a) the inductor, grid, and capacitor currents for an interleaved phase; (b) details of the inductor currents and the resulting reduced capacitor currents.
Figure 11. Oscilloscope screenshots showing (a) the inductor, grid, and capacitor currents for an interleaved phase; (b) details of the inductor currents and the resulting reduced capacitor currents.
Energies 17 06077 g011aEnergies 17 06077 g011b
Figure 12. Measurements and actuated values of the microcontroller over two grid cycles.
Figure 12. Measurements and actuated values of the microcontroller over two grid cycles.
Energies 17 06077 g012
Table 1. Inverter specifications used to verify switching schemes.
Table 1. Inverter specifications used to verify switching schemes.
SymbolValue
V G 400 V LL
F G 50 Hz
V D C 800 V
L f 8 μH
C f 30 μF
F s w 50–675 kHz
Disclaimer/Publisher’s Note: The statements, opinions and data contained in all publications are solely those of the individual author(s) and contributor(s) and not of MDPI and/or the editor(s). MDPI and/or the editor(s) disclaim responsibility for any injury to people or property resulting from any ideas, methods, instructions or products referred to in the content.

Share and Cite

MDPI and ACS Style

Fahmy, Y.A.; Jahnes, M.; Preindl, M. Optimal Variable Frequency Soft Switching for Interleaved Grid Tied Inverters in Electric Vehicle Charging Applications. Energies 2024, 17, 6077. https://doi.org/10.3390/en17236077

AMA Style

Fahmy YA, Jahnes M, Preindl M. Optimal Variable Frequency Soft Switching for Interleaved Grid Tied Inverters in Electric Vehicle Charging Applications. Energies. 2024; 17(23):6077. https://doi.org/10.3390/en17236077

Chicago/Turabian Style

Fahmy, Youssef A., Matthew Jahnes, and Matthias Preindl. 2024. "Optimal Variable Frequency Soft Switching for Interleaved Grid Tied Inverters in Electric Vehicle Charging Applications" Energies 17, no. 23: 6077. https://doi.org/10.3390/en17236077

APA Style

Fahmy, Y. A., Jahnes, M., & Preindl, M. (2024). Optimal Variable Frequency Soft Switching for Interleaved Grid Tied Inverters in Electric Vehicle Charging Applications. Energies, 17(23), 6077. https://doi.org/10.3390/en17236077

Note that from the first issue of 2016, this journal uses article numbers instead of page numbers. See further details here.

Article Metrics

Back to TopTop