Abstract
The development of power systems puts forward higher requirements for transient stability evaluations of power systems. The accuracy and timeliness of transient stability assessment are of great significance to the safe and stable operation of power systems. Traditional mechanistic judgment methods and criteria have strong interpretability, but they also have great limitations. They are still difficult to apply to complex power systems and are in urgent need of improvement. Artificial intelligence methods have high accuracy in stability judgment, but they have problems such as poor interpretability, and their stability judgment results are often difficult to explain. Based on the transient stability judgment mechanism of the response-driven transient energy function, this paper proposes a transient energy function stability judgment method based on a two-machine equivalent model and enhanced by a convolutional neural network. Firstly, the ST-kmeans method is used to cluster the generator sets, and the S-transformation is performed on the power angle changes of the generator sets to extract features. Then, the principal component analysis method is used to reduce the dimension of the feature data. Based on the k-means clustering method, the IEEE-39 node system generator synchronization units are grouped according to the power angle change trend of each generator after the fault. On the basis of the above methods, a two-machine equivalent model of the IEEE-39 node system is established, and the transient energy function of the two-machine system is derived. Based on the convolutional neural network, the critical energy is enhanced, and the fixed critical energy threshold is replaced by the corrected critical energy. The example results show that the transient stability prediction framework proposed in this paper can improve the scope of the application of mechanism discrimination and enhance the interpretability of the results of the intelligent method.
1. Introduction
With the increasing popularity of renewable energy [1,2] and the application of power electronic devices [3], the structure and operation of transmission networks are becoming increasingly complex, posing unprecedented challenges to the stability of traditional power systems. In particular, due to the change of the operation mode and power flow distribution of traditional equipment, the rotor angle stability, voltage stability, frequency stability and other aspects have been affected. In addition, new stability problems, including electromechanical low-frequency oscillation and electromagnetic broadband oscillation, have gradually emerged [4]. The accuracy and reliability of transient stability assessment (TSA) [5] are crucial to the safe operation of the system and the best decision making after faults.
Traditional methods for transient stability assessment of power systems mainly include the time domain simulation method [6] and direct method [7]. The time domain simulation method obtains transient stability analysis results by formulating the instability criterion of the power system, solving the system differential equations and determining the curves of each state variable, and incorporating the dynamic model of the electrical components into the analysis. However, its solution process is extremely time-consuming and requires high accuracy in modeling the power system, making it difficult to meet the needs of real-time decision making. Direct methods such as the extended equal area criterion [8,9] and the transient energy function method [10] have fast calculation speeds and are intuitive and clear in their stability judgment principles. They have good interpretability and can directly judge stability. However, for modern large-scale power systems, the grid structure is complex and modeling is difficult. The direct method is difficult to apply and has disadvantages such as poor adaptability and conservative results. The BCU method analyzes stability in the power system after disturbance by establishing a dynamic model and a state space representation, and evaluates whether the system can restore equilibrium by using the eigenvalue criterion [11,12]. By establishing a dynamic model of the system, the dominant unstable equilibrium point method analyzes the system response under specific disturbance conditions, identifies the dominant unstable equilibrium point, and evaluates its influence on the overall system stability, so as to determine whether the system can effectively recover to the equilibrium state after disturbance [13]. In [14], the author presents a singular fixed-point homotopy algorithm to solve the nearest unstable equilibrium point, and uses the singular fixed-point strategy to quickly determine an initial set of values converging to the type I unstable equilibrium point. This method can obtain multiple type I unstable equilibrium points on the stable boundary, but whether this method can be applied to nonlinear large-scale systems remains to be studied. Reference [15] defines a power system stability criterion by studying the voltage amplitude and phase dynamic information of branch nodes, that is, simplifying the transient transmission capacity of the branch, and by screening the key branches, calculating the transmission index, and comparing it with the judgment threshold, the stability judgment result can be obtained, but its accuracy is low. Reference [16] used EEAC to analyze the system and established a transient energy function model of the system, but its unit grouping principle and accuracy need to be further improved. References [17,18] used the Maximum Lyapunov Exponent (MLE) to determine stability. This method can accurately describe the dynamic behavior of the system, but its timeliness is poor. The analysis method of the transient stability limit condition is used to correct the transient energy function, the concept of a transient stability limit is defined, and the principle of transient energy function method is combined to identify the stability, but its accuracy needs to be strengthened urgently [19].
In recent years, the application of artificial intelligence in power systems has made great progress. By training a large number of system transient stability samples and mining the intrinsic relationship between electrical quantity data information and system stability, artificial intelligence methods can obtain a model that can be used to evaluate the transient stability of power systems. The main machine learning algorithms that have been applied to transient stability assessment include decision tree [20] (DT), deep belief network [21] (DBN), long short-term memory (LSTM) [22], convolutional neural network (CNN) [23,24], support vector machine [25] (SVM) and graph neural network [26] (GNN). In addition, reference [27] uses deep learning to enhance the transient stability analysis of power systems and improves the accuracy of stability judgment, but its interpretability needs to be enhanced. Reference [28] proposes a transient stability assessment method based on a convolutional neural network (CNN), which uses a CNN to learn and automatically extract the time series features of the transient process to achieve end-to-end time series feature extraction and stability classification. An online evaluation method of transient stability of a power system driven by image data is proposed. Compared with text, an image can store more information, and the stability judgment result can be obtained by reading the image. Compared with other data-driven artificial intelligence methods, it has the advantages of simplicity and intuition [29]. Reference [30] proposed a method for obtaining the optimal feature set by recursive feature removal based on cross-validation. Reference [31] built a feature separation model based on the different degrees of correlation between different electrical features and transient stability, which has strong interpretability. References [32,33] extracted features from the time domain information of the power system and conducted transient stability assessment. Reference [34] proposed an imbalance correction method based on support vector machine (SVM) to solve the problem that unstable samples rarely appear in actual systems, which leads to sample imbalance. Reference [35] applied an artificial intelligence method based on sparse dictionary learning to transient stability assessment in order to evaluate the transient stability of power systems by improving classification accuracy. Reference [36] achieved data-driven effective transient stability prediction through a transient stability assessment method based on highly expressible and low-depth quantum circuits. In [37], bi-directional long short-term memory (Bi-LSTM) was used to extract spatial information, and on this basis, a power system transient stability evaluation model is established. The above method uses electrical measurement data as the input to construct a power system stability evaluation model based on time characteristics, which has achieved certain effectiveness in stability evaluation [38]. Although the artificial intelligence method has a faster judgment speed than the time domain simulation method and a higher accuracy than the direct method, its judgment mechanism is usually difficult to describe, and the interpretability of its judgment results is difficult to reflect.
Combining the direct method with artificial intelligence, taking advantage of the strong interpretability of the direct method, and on this basis performing data enhancement based on the artificial intelligence method, thereby making stability judgments on the power system to improve the judgment accuracy and interpretability of the judgment method, has become a research idea. This paper proposes a transient stability assessment framework based on the transient energy function method and intelligent enhancement. The ST-kmeans (S Transform-kmeans) clustering method is used to group the generator sets: first, the power angle data of the generator sets is S-transformed [39] to extract feature data, and then the feature data are reduced in dimension using the principal component analysis method. Finally, the power system is grouped using the k-means clustering method [40] to obtain the two-machine equivalent model of the system, and on this basis, the transient energy and critical energy of the model are derived. The system is judged to be stable by comparing the two energies: if the transient energy is greater than the critical energy, the system is unstable; otherwise, it is not unstable. Considering that the accuracy of direct stability judgment using the transient energy function method is low, the actual transient stability of the power system obtained by time domain simulation is compared with the stability discrimination results obtained by comparing transient energy and critical energy under the equivalent model of two machines, to obtain the misjudged and missed samples. The critical energy and transient energy of the misjudged and missed samples are input, and the convolutional neural network is used to correct the critical energy of the system, and the corrected critical energy is output to meet the actual stability situation. The main innovative contributions of the method proposed in this paper are as follows: a method of using ST-kmeans to group the synchronous units is proposed, and a two-machine equivalent model of the multi-machine power system is obtained. On the basis of this model, the transient energy and critical energy calculation formulas of the system are derived; the critical energy correction model constructed by the convolutional neural network improves the accuracy of stability judgment of the transient energy function method. For convolutional neural network training, the input sample is 10,118 fault data generated by a transient process simulation in MATLAB toolbox PST3.0. The mean square error loss of the convolutional neural network converges to about 0.25. The batch size and training rounds in the training process are 64 and 200.
2. Materials and Methods
2.1. Basic Principles of Transient Energy Function
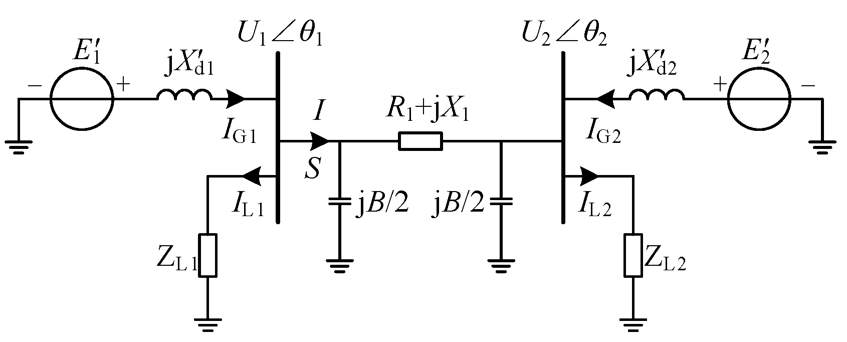
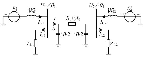
The transient energy function is simple in form and its physical meaning is clear and easy to understand. The stability of the system can be judged by simply comparing the transient energy and critical energy of the system after the fault. However, the modern power system is huge in scale and complex in structure. The energy function of a complex large power grid is difficult to model. Therefore, this paper will make the system equal to two machines and then construct the transient energy function. The two-machine equivalent model of a multi-machine power system is shown in Figure 1.
Figure 1.
Two-machine equivalence model.
By extending the generator node inward, incorporating the generator transient impedance into the network impedance, and connecting the load to the ground in parallel through the load node, the internal node augmented admittance matrix of the generator can be derived: .
The rotor motion equation of the ith machine is [16] as follows:
where represents the inertia time constant of the ith generator; , , respectively, represent the mechanical power and electromagnetic power of the ith generator; and represents the equivalent power angle of the ith generator.
Further, we can obtain the following:
where is the mechanical power of the generator, is the electromagnetic power of the generator, M is the system inertia time constant, and is used to represent the relative rotor angle of the two machines. Assuming , we can obtain the following:
where .
Let , , ; then,
where is the equivalent transient potential of the ith generator. Assuming that
, , the rotor motion equation of the system is obtained:
The stable equilibrium point of the system after the fault is set to S, the corresponding power angle is , the unstable equilibrium point is set to U, and the corresponding power angle is . and represent the power after the fault, then
Let , ; we obtain the following:
The post-fault energy function and critical energy expression are obtained by integration:
where represents the equivalent angular speed of the generator rotor.
Through the transient energy and critical energy calculation formulas derived above, only the relevant electrical quantities after the system failure need to be obtained for calculation. When the transient energy is greater than the critical energy, that is, , the system is unstable; otherwise, it is not unstable.
Since the above energy function is derived under the premise of equal values of the two machines, it is necessary to perform synchronous grouping of the generator group first.
2.2. Grouping of Synchronous Generating Units
Synchronization is the similarity of the changes in each generator in the dynamic process, which reflects the correlation degree of the power angle of each generator set when it swings. After the system is disturbed, if the relative deviation of the power angle of two generators at any time is not greater than the given threshold, the two units are said to be synchronized during this period. If the generators in a group of units are synchronized with each other, then this group of units is called a synchronized group. In essence, the grouping of synchronized units is to assign units with similar dynamic characteristics to a group and distinguish units with obvious differences in dynamic characteristics. This paper uses the ST-kmeans clustering method to cluster the generator sets. The process is as follows: first, the power angle data of the generator sets are processed and features are extracted through discrete S transform and principal component analysis, and clustered according to the swing curves of all units after disturbance through the k-means clustering algorithm to determine the optimal two-machine equivalent result.
2.2.1. Data Processing of Unit Power Angle Variation Based on S-Transformation and Principal Component Analysis
Considering the large number of generator sets in the system, the amount of data that needs to be processed for direct cluster analysis is very large. Clustering takes too long and is inefficient, and it cannot meet the accuracy and speed requirements of generator set grouping. Therefore, it is necessary to preprocess the data first, mine the key information, and then quickly extract the characteristics of the generator swing curve before clustering analysis can be performed.
The S-transform proposed by physicist R.G. Stockwell combines the advantages of Fourier transform and wavelet transform, and can analyze non-stationary signals through Gaussian window functions with adjustable width.
The S-transform form of time series signal is as follows [39]:
where is the time-frequency spectrum matrix obtained by transformation, is the time in the domain, which is used to control the time position of the window function, is the frequency in the domain, which is used to control the width of the window function, and is the Gaussian window function.
where a is the shape parameter of the Gaussian window function, the shape of the window function can be changed by a, and the resolution can be adjusted.
After performing discrete S transformation on the collected unit power angle increment signal, the corresponding time-frequency feature modulus value matrix can be obtained. The rows and columns of the matrix correspond to frequency and time, respectively, and any element in the matrix represents the S transformation modulus value of the power angle increment information at the time and frequency.
The time-frequency feature modulus value matrix obtained after S transformation contains a lot of redundant information. The matrix dimension is too high. If clustering is performed directly, the amount of calculation is very large. Therefore, the principal component analysis method is considered for data processing to remove unimportant features and noise and improve the efficiency of feature extraction. The main idea of the principal component analysis method is to sequentially find a set of new mutually orthogonal coordinate axes on the original coordinates and map the previous dimensional features to new dimensions. Since the direction that maximizes the data center variance is selected when selecting the coordinate axis, most of the variance is included in the selected coordinate axes; that is, the dimensional features containing most of the variance are retained, thereby realizing the dimensionality reduction processing of the feature data.
For a p-dimensional data set, ; to reduce it to q-dimensions, we first need to decentralize it:
For two different samples X and Y, their covariance is as follows:
Dividing the covariance matrix by gives the scatter matrix, which measures the dispersion of the samples:
Then, we can find the eigenvalues and eigenvectors of the covariance matrix, sort the eigenvalues from large to small, select the first largest eigenvalues and use their corresponding q eigenvectors as row vectors to form the eigenvector matrix P, and transform the data to the new coordinates:
2.2.2. Generator Clustering Analysis Based on K-Means Clustering Algorithm
After obtaining the data with dimensionality reduction, cluster analysis can be performed to group the generator sets with similar power angle characteristics into the same subsystem and determine the results of the coherent generator set clustering. This paper uses the k-means clustering method to cluster the generator sets.
The main process of the k-means clustering analysis method can be summarized into the following 4 steps.
Step 1: Select initial cluster centers.
Step 2: For the remaining data samples, calculate their distances from the cluster centers and assign the obtained distances to the class where the cluster center with the smallest distance is located. The distance calculation formula is as follows:
where represents the ith data sample, and represents the ith cluster center.
Step 3: Update the cluster center. Update the cluster center position by taking the average value. For the jth cluster, the kth dimension data of the updated cluster center is as follows:
where represents the set consisting of all data samples assigned to cluster , represents data samples in this cluster, and is the K-dimensional data value of data sample .
Step 4: Iterate the second and third steps. If the updated cluster center is consistent with the last cluster center or has only a small movement (less than the set threshold), the iteration is considered to have converged, clustering is completed, and the results of each group of clusters can be output.
In the process of the k-means clustering algorithm, it can be seen that a value needs to be given as the number of initial cluster centers. For the two-machine equivalent model, it only needs to be divided into two groups, so k = 2 can be set.
The power angle difference is used to measure the effect of this method on the grouping of synchronous units. The power angle difference is an effective indicator for measuring the similarity between units. Based on this indicator, the degree of synchronization of units in the same group can be quantified. Considering the correlation between the power angles of the generator sets, the synchronization criterion of the generator set is defined as follows:
where Δδi(t) and Δδj(t) are the power angle changes of generator and generator , respectively, T is the observation time, Ks is the proportional coefficient, and the calculation formula of is as follows:
where δi(t) and δj(t) are the power angles of generator and generator , respectively.
After completing the grouping of synchronous units, the multi-machine power system can be modeled with two machines as an equivalent, and the transient energy and critical energy expressions of the model can be obtained.
2.3. Critical Energy Correction Based on Neural Network
Considering that the transient energy function of the two-machine equivalent model has a low accuracy rate in judging the stability of the power system, it is necessary to enhance it. By analyzing the stability judgment principle of the transient energy function method and considering its critical energy as the threshold for judging stability, the enhancement idea of this paper is to use a convolutional neural network to correct the critical energy, correct the critical energy of the missed cases to be lower than the transient energy, and correct the critical energy of the misjudged cases to be higher than the critical energy. The critical energy of the misjudged missed samples and the transient energy are input and the corrected critical energy is output to meet the actual stability situation, thereby improving the accuracy of the transient energy function stability judgment.
2.3.1. Convolutional Neural Network Construction
This paper uses convolutional neural network to learn the obtained data set in order to achieve the correction and enhancement of critical energy.
The convolutional neural network is a special neural network that is mainly used to process sequence data, including the convolution layer, pooling layer, and fully connected layer. Its structure is shown in Figure 2.
Figure 2.
The structure of a convolutional neural network.
X = [x1, x2,…, xt,…, xs] is transmitted to the input layer as the model input, where X∈Rs*d and s are the time series and time series length, respectively, and d is the number of eigenvalues. xt represents the eigenvalue vector at time t. After the convolution operation, the input layer is mapped to the convolution layer. The pooling layer is used to extract the most characteristic information of the convolution layer sequence. The pooling operation is usually the maximum pooling, which can halve the sequence length. The last pooling operation uses the global maximum pooling to mine the most characteristic global time series information, and the sequence length is reduced to 1. The fully connected layer has the same structure as the traditional neural network and contains multiple hidden layers. It can further mine and combine the global time series features. Its output is as follows:
where Wfc is the weight matrix of the fully connected layer, b is the bias vector, and the activation function fτ is Relu. The output result of the fully connected layer is as follows:
The final output is the predicted result y = z.
Considering that the initial features should be able to effectively reflect the transient process of the system, and real-time data collection is feasible, the power angle of the system generator after the fault is selected as the initial feature input. First, the constructed neural network is trained offline to establish a training sample set. For a sample set with a sample capacity of N, each sample X(i) has a feature vector at time t, where i is the generator number, δ is the power angle change of the ith generator to characterize the stability of the system power angle, and V and Vcr are the transient energy and critical energy of the system, respectively. The network structure of three convolutional layers and pooling layers can fully extract the characteristics of stable and unstable conditions without making the network structure redundant. The power angle data in the input feature vector is used to judge whether the system is truly stable. The transient energy and critical energy are used to judge whether the stability judgment result of the transient energy function method without correcting the critical energy is correct or not. The output of the network is the critical energy after enhancement.
2.3.2. Intelligent Enhanced Temporary Stability Assessment Model Framework
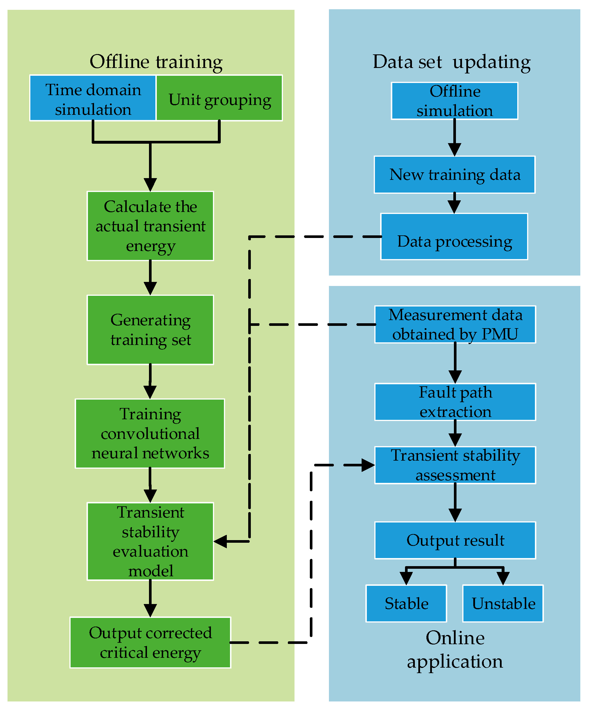
The transient stability assessment framework of the power system based on the transient energy function enhanced by neural network intelligence proposed in this paper is shown in Figure 3.
Figure 3.
Intelligent enhanced transient stability evaluation schematic.
Its process is mainly divided into the following steps: (1) In the simulation software, adjust the load level to form a variety of operating modes, set different fault locations and durations, generate a large number of transient stability assessment samples, and mark the samples as stable and unstable according to the power angle changes obtained by simulation. (2) Perform S transformation and principal component analysis on the original fault trajectory to extract features and reduce the dimension of the power angle data of the generator set, and use the k-means clustering method to group the units; calculate the transient energy and critical energy of the system after the two machines are equal. (3) Compare the actual stability judgment situation with the stability judgment result using the transient energy function method to obtain missed samples and misjudged samples. (4) Use the convolutional neural network to learn the missed and misjudged samples and correct the critical energy. The actual application mode of this model is shown in Figure 4. Based on offline training, this process realizes the real-time updating and online application of the model through real-time PMU measurement and new simulation data generation.
Figure 4.
Practical application of transient stability evaluation model.
3. Results
This paper uses the IEEE-39 node system to verify the effectiveness of the proposed method. The system consists of 10 generators, 39 nodes and 46 lines. Its topology diagram is shown in Figure 5.
Figure 5.
IEEE-39 node standard test case topology.
3.1. Data Set Generation
The transient process simulation was carried out in MATLAB toolbox PST3.0 to generate the required data set. The most serious three-phase short-circuit fault was set on all 46 lines. The fault occurred at 0.1 s, and the duration fluctuated from 0.03 s to 0.20 s with a step size of 0.01 s. The occurrence position was 10% away from the left node of each line. The node system load fluctuated randomly from 80% to 120% under the benchmark load, with a total of 11 operating modes. The simulation time was 10 s, with a step size of 0.01 s. The stability of the sample was marked according to whether the maximum power angle difference of the generator exceeded 360°. Based on the above faults, a total of 10,118 samples were generated, including 2586 unstable samples and 7532 stable samples. 90% of the samples were extracted as training samples for the convolutional neural network, and the remaining samples were used to verify the training results.
3.2. Generator Clustering Analysis Based on sT-Kmeans Clustering Algorithm
The ST-kmeans clustering method is used to cluster generator sets. By applying different faults, the generator power angle is used as the main reference electrical quantity for cluster analysis, and the clustering results under different faults are obtained. The change in the generator power angle after a large number of faults is analyzed. The power angle change trend of the G1 and G10 generators is often the same. Therefore, the generator grouping result is G1 and G10 as one group; the rest of the generators are another group. The criterion of synchronous generator set is selected as the index to measure the result of unit grouping and the calculated result is . Figure 6 is the power angle change curve of the line 3–18 three-phase short circuit fault. The generator grouping results are shown in Table 1.
Figure 6.
Curves of generator power angle variation.
Table 1.
The result of the generator clustering.
3.3. Analysis of Convolutional Neural Network Corrected Critical Energy Example
In order to improve the accuracy of transient energy function transient stability assessment, based on the transient energy and critical energy obtained by a time domain simulation, combined with the actual stability of the system, the convolutional neural network is used to regress and predict the critical energy and enhance the critical energy of the system. The training principle is that when the system is unstable, the critical energy output value of the neural network must be lower than the transient energy of the system, and the critical energy must be higher than the transient energy when stable. The batch size and training rounds in the training process are 64 and 200. Figure 7 shows the change in the loss function during the training process.
Figure 7.
Demonstration of CNN training process.
After correcting the critical energy, a sample with actual power angle instability was selected; according to the power angle change curve, it is easy to know that the system power angle is unstable. The transient energy method without correcting the critical energy was used to judge the stability. The calculated critical energy was 2.1152 p.u., which is greater than the transient energy 2.0513 p.u., and since the critical energy is greater than the transient energy, the system power angle was judged to be stable, resulting in missed judgment; the critical energy obtained after correction by the neural network is 2.0451 p.u., which is less than the transient energy, so it could be correctly judged as the system power angle instability.
100 misidentified samples from the remaining samples were selected to verify the effectiveness of neural network enhancement. The uncorrected critical energy of the missed samples is higher than the transient energy. After neural network enhancement, as shown in Figure 8, the corrected critical energy of 96 samples was lower than the transient energy, and they were correctly judged as unstable. For comparison, the 100 error-discriminated samples were also used as inputs, but the machine learning algorithm used was decision tree, and its training mode is consistent with that of a convolutional neural network. The corrected critical energy, transient energy and initial critical energy of its output are shown in Figure 9. It can be seen that the corrected critical energy of 13 samples is still lower than the transient energy, and these 13 samples will still be wrongly judged.
Figure 8.
Enhanced energy function curve based on convolutional neural network.
Figure 9.
Enhanced energy function curve based on decision tree.
The results of the transient energy function enhanced by the convolutional neural network are shown in Table 2. The three evaluation indicators of accuracy rate (ACC), false positive rate (FAR) and missed positive rate (MAR) were used to measure the discrimination accuracy of the intelligent enhancement framework, and the results are shown in Table 3.
Table 2.
Confusion matrix of stable results.
Table 3.
Evaluation index of transient stability evaluation.
It can be seen from Table 3 that the proposed method of generator clustering and convolutional neural network enhancement of critical energy can greatly improve the accuracy of stability judgment and reduce the false positive rate and missed positive rate.
4. Conclusions
This paper proposes a method for judging the stability of the power system through the transient energy function method. Firstly, S-transformation is performed on the power angle data of generating units to extract characteristic data, and then the principal component analysis method is used to reduce the dimension of characteristic data. Finally, the k-means clustering method is used to group the power system to obtain the two-machine equivalent model of the system. The convolutional neural network is used to modify the critical energy of the system, and the corrected critical energy is output to make it meet the actual stability requirement to improve the accuracy of stability discrimination. The specific research content and contributions of this paper are summarized as follows:
- (1)
- By analyzing the trend in power angle changes of generators after faults using the sT-kmeans clustering method, the generators were clustered and the optimal clustering results were obtained. Based on this, a two-machine equivalent model was established, and a transient energy function model was derived from it. The formulas for calculating transient energy and critical energy were given, and the instability criterion was derived.
- (2)
- The critical energy of the system was corrected by using a convolutional neural network. The corrected critical energy can better improve the accuracy of the transient energy method. The enhanced model’s stability judgment accuracy increased from 81% to 93.3%.
Currently, the transient stability assessment model proposed in the paper is designed to cater to both offline and online application scenarios grounded in simulation-based analysis. By significantly reducing model training time while enhancing evaluation accuracy, this approach offers a substantial advantage for electric utilities and power system operators. It enables expedited and reliable stability assessments with a relatively low computational burden, thereby addressing critical operational needs in power system management.
Future research directions will include, but are not limited to, the selection of direct methods for the stability discrimination of other power systems and the selection of more advanced neural networks for enhancement.
Author Contributions
Methodology, T.M. and J.L. (Liu Jun); formal analysis, J.L. (Liu Jiacheng) and G.W.; investigation, Y.L.; resources, K.L. All authors have read and agreed to the published version of the manuscript.
Funding
This work was supported by the National Natural Science Foundation of China under Grant 52177111.
Data Availability Statement
The original contributions presented in the study are included in the article; further inquiries can be directed to the corresponding author.
Conflicts of Interest
The authors declare no conflicts of interest. The funders had no role in the design of the study; in the collection, analyses, or interpretation of data; in the writing of the manuscript; or in the decision to publish the results.
References
- Kang, C.; Yao, L. Key Scientific Issues and Theoretical Research Framework for Power Systems with High Proportion of Renewable Energy. Autom. Electr. Power Syst. 2017, 41, 2–11. [Google Scholar]
- Su, T.; Liu, Y.; Shen, X. Evolutionary Algorithm for Power System Transient Stability Prevention Control Driven by Deep Learning. Proc. CSEE 2020, 40, 3813–3824. [Google Scholar]
- Haghighi, R.; Bui, V.-H.; Wang, M.; Su, W. Survey of Reliability Challenges and Assessment in Power Grids with High Penetration of Inverter-Based Resources. Energies 2024, 17, 5352. [Google Scholar] [CrossRef]
- Shair, J.; Li, H.; Hu, J.; Xie, X. Power system stability issues, classifications and research prospects in the context of high-penetration of renewables and power electronics. Renew. Sustain. Energy Rev. 2021, 145, 111111. [Google Scholar] [CrossRef]
- Musca, R.; Gonzalez-Longatt, F.; Gallego Sánchez, C.A. Power System Oscillations with Different Prevalence of Grid-Following and Grid-Forming Converters. Energies 2022, 15, 4273. [Google Scholar] [CrossRef]
- Hassani, R.; Mahseredjian, J.; Tshibain, T.; Karaagac, U. Evaluation of time-domain and phasor-domain methods for power system transients. Electr. Power Syst. Res. 2021, 45, 71–191. [Google Scholar] [CrossRef]
- Kundur, P. Power System Stability and Control; McGraw-Hill, Inc.: New York, NY, USA, 1994; ISBN 978-0070-35958-1. [Google Scholar]
- Xue, Y.; Van Custem, T.; Ribbens-Pavella, M. Extended equal area criterion justifications, generalizations, applications. IEEE Trans Power Syst. 1989, 4, 44–52. [Google Scholar] [CrossRef]
- Tang, L.; Sun, W. An Automated Transient Stability Constrained Optimal Power Flow Based on Trajectory Sensitivity Analysis. IEEE Trans. Power Syst. 2017, 32, 590–599. [Google Scholar] [CrossRef]
- Rahimi, F.A.; Lauby, M.G.; Wrubel, J.N.; Lee, K.L. Evaluation of the transient energy function method for on-line dynamic security analysis. IEEE Trans. Power Syst. 1993, 8, 497–507. [Google Scholar] [CrossRef]
- Chiang, H.; Wu, F.; Varaiya, P. A BCU method for direct analysis of power system stability. IEEE Trans. Power Syst. 1994, 9, 1194–1208. [Google Scholar] [CrossRef]
- Jiang, N.; Song, W.; Dai, X. A restriction on the power system by theoretical requisitions of the BCU method. Proc. CSEE 2004, 24, 35–39. [Google Scholar]
- Fouad, A. A Critical energy of direct transient stability assessment of a multimachine power system. IEEE Trans. Power Appa. Syst. 1984, PAS-103, 2199–2206. [Google Scholar] [CrossRef]
- Lee, J.; Chiang, H. A singular fixed-point homotopy method to locate the closest unstable equilibrium point for transient stability region estimate. IEEE Trans. Circu. Syst. II Express Briefs 2004, 51, 185–189. [Google Scholar] [CrossRef]
- Chao, Z.; Huadong, S.; Bing, Z. Identification of Dominant Stable Forms and Multi-level Active Control Based on amplitude-phase Correlation of sBTTC index in Key Branches. Proc. CSEE 2022, 42, 2474–2486. [Google Scholar]
- Wang, X.; Liu, D.; Wu, J. Transient Stability Analysis of Power grid based on Energy Function Method. Power Grid Techn. 2011, 35, 114–118. [Google Scholar]
- Liu, J.; Liu, J.; Li, Y. Transient Stability evaluation of Power System under MLE probabilistic predictive Intelligence Enhanced framework. Proc. CSEE 2024. [Google Scholar]
- Wang, C.; Jiang, T.; Chen, H. Transient Voltage Stability Evaluation of Power System based on Phase-corrected Lyapunov Index. J. Electr. Soc. 2021, 36, 3221–3236. [Google Scholar]
- Wang, H.; Fan, H.; Xu, Y. A new criterion for Medium and long Term voltage Stability. East China Electr. Power 2010, 38, 1702–1707. [Google Scholar]
- Li, X.; Yang, Z.; Guo, P. An Intelligent Transient Stability Assessment Framework with Continual Learning Ability. IEEE Trans. Ind. Inform. 2021, 17, 8131–8141. [Google Scholar] [CrossRef]
- Chen, Q.; Lin, N.; Bu, S. Interpretable Time-Adaptive Transient Stability Assessment Based on Dual-Stage Attention Mechanism. IEEE Trans. Power Syst. 2023, 38, 2776–2790. [Google Scholar] [CrossRef]
- Zhu, L.; Hill, D.J.; Lu, C. Intelligent Short-Term Voltage Stability Assessment via Spatial Attention Rectified RNN Learning. IEEE Trans. Ind. Inform. 2021, 17, 7005–7016. [Google Scholar] [CrossRef]
- Yan, R.; Geng, G.; Jiang, Q.; Li, Y. Fast Transient Stability Batch Assessment Using Cascaded Convolutional Neural Networks. In Proceedings of the 2020 IEEE Power & Energy Society General Meeting (PESGM), Montreal, QC, Canada, 2–6 August 2020; IEEE: Montreal, QC, Canada, 2020; pp. 2802–2813. [Google Scholar]
- Zhu, L.; Hill, D.J.; Lu, C. Hierarchical Deep Learning Machine for Power System Online Transient Stability Prediction. IEEE Trans. Power Syst. 2020, 35, 2399–2411. [Google Scholar] [CrossRef]
- Wang, Z.; Zhou, Y.; Guo, Q. Transient Stability Assessment of Power System Considering Topological Change: A Message Passing Neural Network-based Approach. Proc. CSEE 2021, 41, 2341–2350. [Google Scholar]
- Tan, B.; Yang, J.; Liu, Y. Adaptive Integrated Assessment Method for Transient Stability of Power System Considering PMU Data Missing. Autom. Electr. Power Syst. 2021, 45, 68–75. [Google Scholar]
- Feng, Z. Research on Transient Stability Prediction Method of Power System Based on Deep Learning; Beijing Jiaotong University: Beijing, China, 2022. [Google Scholar]
- Gao, K.; Yang, S.; Liu, S. Transient Stability evaluation of Power Systems based on one-dimensional Convolutional neural Networks. Autom. Electr. Power Syst. 2019, 43, 18–26. [Google Scholar]
- Peng, X.; Liu, J.; Liu, J. Graphical Data-driven Online Transient Stability Evaluation Method for Power Systems. Smart Electr. Power 2022, 50, 17–24. [Google Scholar]
- Li, J.; Yang, H.; Yan, L. Integrated Assessment Method for Transient Stability of Power System Under Sample Imbalance. Autom. Electr. Power Syst. 2021, 45, 34–41. [Google Scholar]
- Zhou, Z.; Bu, G.; Ma, S. Assessment and Optimization of Power System Transient Stability Based on Feature-separated Neural Networks. Power Syst. Technol. 2021, 45, 3658–3667. [Google Scholar]
- Li, P.; Dong, X.; Meng, Q. Transient stability assessment method for power system based on Fisher Score feature selection. Electr. Power Autom. Equip. 2023, 43, 117–123. [Google Scholar]
- Huang, D.; Yang, X.; Chen, S. Prediction of disturbed trajectories in transient stability analysis based on self-memory gray Verhulst model. High Volt. Eng. 2018, 44, 85–1291. [Google Scholar]
- Wang, H.; Hu, L.; Zhang, Y. SVM based imbalanced correction method for Power Systems Transient stability evaluation. ISA Trans. 2022, 136, 245–253. [Google Scholar] [CrossRef] [PubMed]
- Wang, Q.; Pang, C.; Qian, C. Sparse Dictionary Learning for Transient Stability Assessment. Front. Energy Res. 2022, 10, 932770. [Google Scholar] [CrossRef]
- Zhang, R.; Yao, W.; Shi, Z.; Ai, X.; Tang, Y.; Wen, J. Towards Multi-Scenario Power System Stability Analysis: An Unsupervised Transfer Learning Method Combining DGAT and Data Augmentation. IEEE Trans. Power Syst. 2023, 38, 5367–5380. [Google Scholar] [CrossRef]
- Wang, G.; Guo, J.; Ma, S. Data-driven Transient Stability Assessment Using Sparse PMU Sampling and Online Self-check Function. CSEE J. Power Energy Syst. 2023, 9, 910–920. [Google Scholar]
- Zhou, Y.; Zhang, P. Noise-Resilient Quantum Machine Learning for Stability Assessment of Power Systems. IEEE Trans. Power Syst. 2022, 38, 475–487. [Google Scholar] [CrossRef]
- Stockwell, R.G.; Mansinha, L.; Lowe, R.P. LoweLocalization of the complex spectrum: The S transform. IEEE Trans. Signal Proc. 1996, 44, 998–1001. [Google Scholar] [CrossRef]
- Zheng, S.; Zhao, J.; Liu, M. Scheduling method of wind power photovoltaic photovoltaic complementary generator set based on K-means clustering algorithm. Electr. Mach. Control Appl. 2019, 50, 61–66. [Google Scholar]
Disclaimer/Publisher’s Note: The statements, opinions and data contained in all publications are solely those of the individual author(s) and contributor(s) and not of MDPI and/or the editor(s). MDPI and/or the editor(s) disclaim responsibility for any injury to people or property resulting from any ideas, methods, instructions or products referred to in the content. |
© 2024 by the authors. Licensee MDPI, Basel, Switzerland. This article is an open access article distributed under the terms and conditions of the Creative Commons Attribution (CC BY) license (https://creativecommons.org/licenses/by/4.0/).








