Modeling of Lithium-Ion Batteries for Electric Transportation: A Comprehensive Review of Electrical Models and Parameter Dependencies
Abstract
1. Introduction
2. Classification of Battery Models
- Electrochemical,
- Mathematical,
- Electrical,
- Reduced-order electrochemical model,
- Based on spectroscopy,
- Data-driven.
- White box models: These models provide a detailed and transparent representation of the system’s internal mechanisms and processes. It is easy to understand how input variables influence output variables through a series of equations, physical laws, or known algorithms. Electrochemical models and mathematical models can be included in this category.
- Black box models: These models offer only the system’s inputs and outputs, without knowing or considering the specific internal mechanisms or causal relationships driving the system’s behavior. The internal workings remain hidden, and the system is treated as a black box, focusing attention exclusively on the observable results. Data-driven models, such as those based on neural networks, are included in this category.
- Gray box models: These models represent a middle ground between black box and white box models. It combines transparency and compressibility of white box models with the flexibility and adaptability of black box models. It typically includes a combination of known and explicitly modeled components along with unknown or more simplified modeled components. This type of model is often used when you do not have a complete understanding of the system but want to incorporate some degree of knowledge or theoretical constraints into the modeling. Electrical models and reduced-order electrochemical models are examples of this group.
2.1. Electrochemical Models
2.2. Mathematical Model
2.3. Electrical Models
2.4. Reduced-Order Electrochemical Model
2.5. Electrochemical Impedance Spectroscopy
2.6. Data-Driven Models
2.7. Real-World Scenarios for Different Battery Models
2.8. Future Trends and Limitations
3. Electrical Models of Lithium-Ion Battery Cells
3.1. Thevenin Model
3.2. Thevenin Model with RC Branches
3.3. Hysteresis Model
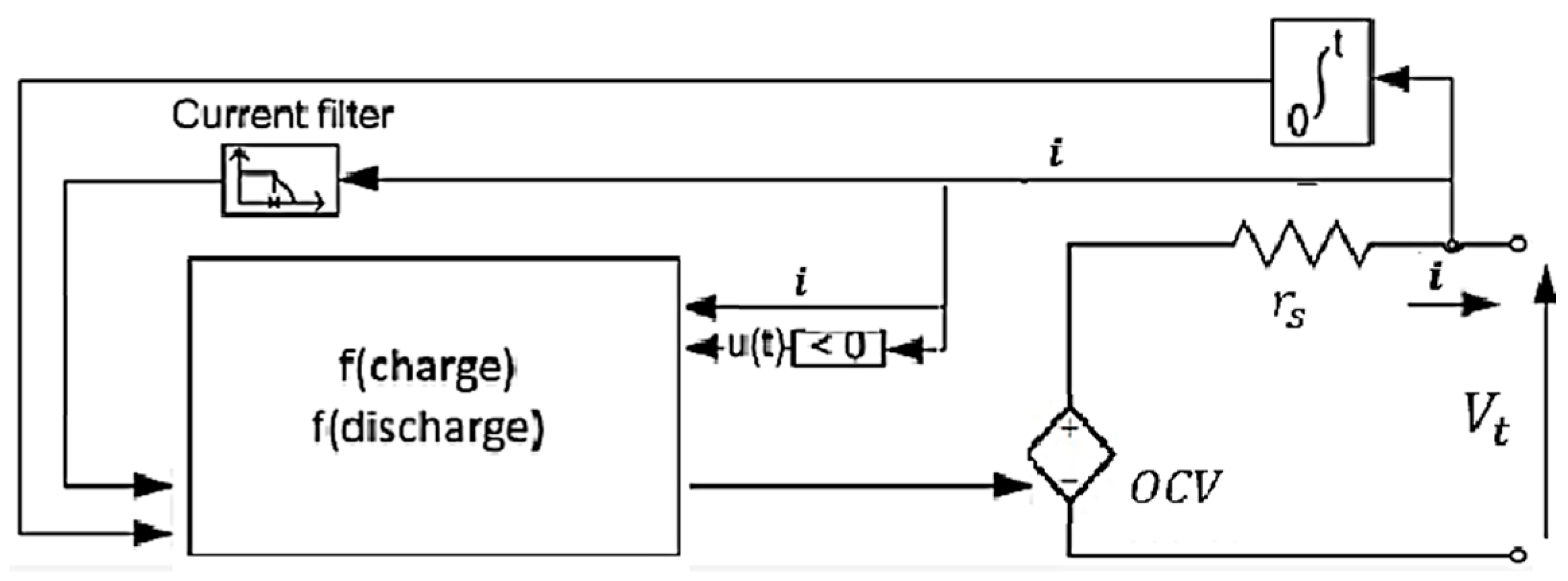
3.4. Run-Time Model
3.5. Dynamic Model
4. Parameter Identification
4.1. Preconditioning Test
4.2. Capacity Test
4.3. Open Circuit Voltage Test
4.4. Hybrid Pulse Power Characterization
4.5. Pulse Discharge Test
5. Model Parameter Dependencies
5.1. Temperature
5.2. State of Charge
5.3. C-Rate
5.4. Aging
6. Conclusions
Author Contributions
Funding
Data Availability Statement
Acknowledgments
Conflicts of Interest
References
- European Climate Law—European Commission. Available online: https://climate.ec.europa.eu/eu-action/european-climate-law_en (accessed on 4 October 2024).
- EV Adoption: Impact Series|Barclays Corporate & Investment Bank. Available online: https://www.ib.barclays/our-insights/will-the-road-to-100-ev-adoption-be-green-cheap-or-easy.html?cid=paidsearch-textads_google_google_themes_ev_uk-we_ev_nonbrand_1432393805200&gad_source=1&gclid=Cj0KCQjwpP63BhDYARIsAOQkATYYX2Js77JxQWjeHwuSoyJZ5HlrQv8Y0G-zz3oZxmKAjqy-DVzQxVUaAiyfEALw_wcB&gclsrc=aw.ds (accessed on 11 October 2024).
- IEA. Global EV Outlook 2024—Analysis; IEA: Paris, France, 2024; Available online: https://www.iea.org/reports/global-ev-outlook-2024 (accessed on 4 October 2024).
- Fu, W.; Wang, Y.; Kong, K.; Kim, D.; Wang, F.; Yushin, G. Materials and Processing of Lithium-Ion Battery Cathodes. Nanoenergy Adv. 2023, 3, 138–154. [Google Scholar] [CrossRef]
- Plett, G.L. Battery Management Systems, Volume I: Battery Modeling; Artech House: London, UK, 2015; ISBN 978-1-63081-024-5. [Google Scholar]
- Navigating the Rapidly Evolving EV Battery Chemistry Mix—CRU Group. Available online: https://www.crugroup.com/en/communities/thought-leadership/2023/navigating-the-rapidly-evolving-ev-battery-chemistry-mix (accessed on 11 October 2024).
- Camargos, P.; Dos Santos, P.; Dos Santos, I.; Ribeiro, G.; Caetano, R. Perspectives on Li-ion Battery Categories for Electric Vehicle Applications: A Review of State of the Art. J. Energy Res. 2022, 46, 19258–19268. [Google Scholar] [CrossRef]
- Miao, Y.; Hynan, P.; Von Jouanne, A.; Yokochi, A. Current Li-Ion Battery Technologies in Electric Vehicles and Opportunities for Advancements. Energies 2019, 12, 1074. [Google Scholar] [CrossRef]
- Liu, H.; Li, M.; Xiang, M.; Guo, J.; Bai, H.; Bai, W.; Liu, X. Effects of Crystal Structure and Plane Orientation on Lithium and Nickel Co-Doped Spinel Lithium Manganese Oxide for Long Cycle Life Lithium-Ion Batteries. J. Colloid Interface Sci. 2021, 585, 729–739. [Google Scholar] [CrossRef]
- Wang, K.; Wan, J.; Xiang, Y.; Zhu, J.; Leng, Q.; Wang, M.; Xu, L.; Yang, Y. Recent Advances and Historical Developments of High Voltage Lithium Cobalt Oxide Materials for Rechargeable Li-Ion Batteries. J. Power Sources 2020, 460, 228062. [Google Scholar] [CrossRef]
- Wu, K.; Yang, J.; Zhang, Y.; Wang, C.; Wang, D. Investigation on Li4Ti5O12 Batteries Developed for Hybrid Electric Vehicle. J. Appl. Electrochem. 2012, 42, 989–995. [Google Scholar] [CrossRef]
- BU-205: Types of Lithium-Ion. Available online: https://batteryuniversity.com/article/bu-205-types-of-lithium-ion (accessed on 4 October 2024).
- EPD-IES-0005471:002 (S-P-05471)—HMU Masaccio Train. Available online: https://www.environdec.com/library/epd5471 (accessed on 4 October 2024).
- Nissan Leaf Specifications. Available online: https://www-asia.nissan-cdn.net/content/dam/Nissan/AU/Files/Brochures/Models/Specsheet/LEA0173_Nissan_Next_LEAF%20eSpecs_v7.pdf (accessed on 11 October 2024).
- Akpolat, A.N.; Yang, Y.; Blaabjerg, F.; Dursun, E.; Kuzucuoğlu, A.E. Li-Ion-Based Battery Pack Designing and Sizing for Electric Vehicles under Different Road Conditions. In Proceedings of the 020 International Conference on Smart Energy Systems and Technologies (SEST), Istanbul, Turkey, 7–9 September 2020. [Google Scholar] [CrossRef]
- Tomasov, M.; Kajanova, M.; Bracinik, P.; Motyka, D. Overview of Battery Models for Sustainable Power and Transport Applications. Transp. Res. Procedia 2019, 40, 548–555. [Google Scholar] [CrossRef]
- Tamilselvi, S.; Gunasundari, S.; Karuppiah, N.; Razak, R.K.A.; Madhusudan, S.; Nagarajan, V.M.; Sathish, T.; Shamim, M.Z.M.; Saleel, C.A.; Afzal, A.A. A Review on Battery Modelling Techniques. Sustainability 2021, 13, 10042. [Google Scholar] [CrossRef]
- Fuller, T.F.; Doyle, M.; Newman, J. Simulation and Optimization of the Dual Lithium Ion Insertion Cell. J. Electrochem. Soc. 1994, 141, 1. [Google Scholar] [CrossRef]
- Doyle, M.; Fuller, T.F.; Newman, J. Modeling of Galvanostatic Charge and Discharge of the Lithium/Polymer/Insertion Cell. J. Electrochem. Soc. 1993, 140, 1526. [Google Scholar] [CrossRef]
- Newman, J.; Tiedemann, W. Porous-electrode Theory with Battery Applications. AIChE J. 1975, 21, 25–41. [Google Scholar] [CrossRef]
- Aishwarya, M.; Sailaja, M.; Brisilla, R.M. Modeling of Lithium-Ion Batteries: An Overview. In Proceedings of the 2021 Innovations in Power and Advanced Computing Technologies (i-PACT), Kuala Lumpur, Malaysia, 27–29 November 2021; pp. 1–9. [Google Scholar]
- Oyewole, I.; Kwak, K.H.; Kim, Y.; Lin, X. Optimal Discretization Approach to the Enhanced Single-Particle Model for Li-Ion Batteries. IEEE Trans. Transp. Electrif. 2021, 7, 369–381. [Google Scholar] [CrossRef]
- Ren, L.; Zhu, G.; Kang, J.; Wang, J.V.; Luo, B.; Chen, C.; Xiang, K. An Algorithm for State of Charge Estimation Based on a Single-Particle Model. J. Energy Storage 2021, 39, 102644. [Google Scholar] [CrossRef]
- Manwell, J.F.; McGowan, J.G. Lead Acid Battery Storage Model for Hybrid Energy Systems. Sol. Energy 1993, 50, 399–405. [Google Scholar] [CrossRef]
- Martinez, J.; Morales, A.; Probst, O.; Llamas, A.; Rodriguez, C. Analysis and Simulation of a Wind-electric Battery Charging System. Int. J. Energy Res. 2006, 30, 633–646. [Google Scholar] [CrossRef]
- Chiasserini, C.F.; Rao, R.R. Pulsed Battery Discharge in Communication Devices. In Proceedings of the 5th Annual ACM/IEEE International Conference on Mobile Computing and Networking, Seattle, WA, USA, 15–19 August 1999; ACM: New York, NY, USA, 1999; pp. 88–95. [Google Scholar]
- Panigrahi, D.; Chiasserini, C.; Dey, S.; Rao, R.; Raghunathan, A.; Lahiri, K. Battery Life Estimation of Mobile Embedded Systems. In Proceedings of the VLSI Design 2001. Fourteenth International Conference on VLSI Design, Bangalore, India, 7 January 2001; pp. 57–63. [Google Scholar]
- Rao, V.; Singhal, G.; Kumar, A.; Navet, N. Battery Model for Embedded Systems. In Proceedings of the 18th International Conference on VLSI Design Held Jointly with 4th International Conference on Embedded Systems Design, Kolkata, India, 3–7 January 2005; pp. 105–110. [Google Scholar]
- Fan, G.; Li, X.; Canova, M. A Reduced-Order Electrochemical Model of Li-Ion Batteries for Control and Estimation Applications. IEEE Trans. Veh. Technol. 2018, 67, 76–91. [Google Scholar] [CrossRef]
- Rawat, S.K.; Gope, S.; Jana, M.; Basu, S. Accurate Estimation of State of Charge Using Reduced Order Electrochemical Model. In Proceedings of the 2021 IEEE Transportation Electrification Conference (ITEC-India), New Delhi, India, 16–19 December 2021; pp. 1–6. [Google Scholar]
- Pebriyanti, G. A Lithium-Ion Battery Modeling for a HIL-Battery Simulator. In Proceedings of the 2013 International Conference on Computer, Control, Informatics and Its Applications (IC3INA), Jakarta, Indonesia, 19–21 November 2013; pp. 185–190. [Google Scholar]
- Saldaña, G.; San Martín, J.I.; Zamora, I.; Asensio, F.J.; Oñederra, O. Analysis of the Current Electric Battery Models for Electric Vehicle Simulation. Energies 2019, 12, 2750. [Google Scholar] [CrossRef]
- Kollmeyer, P.; Hackl, A.; Emadi, A. Li-Ion Battery Model Performance for Automotive Drive Cycles with Current Pulse and EIS Parameterization. In Proceedings of the 2017 IEEE Transportation Electrification Conference and Expo (ITEC), Chicago, IL, USA, 22–24 June 2017; pp. 486–492. [Google Scholar]
- Pastor-Fernández, C.; Uddin, K.; Chouchelamane, G.H.; Widanage, W.D.; Marco, J. A Comparison between Electrochemical Impedance Spectroscopy and Incremental Capacity-Differential Voltage as Li-Ion Diagnostic Techniques to Identify and Quantify the Effects of Degradation Modes within Battery Management Systems. J. Power Sources 2017, 360, 301–318. [Google Scholar] [CrossRef]
- Liu, W.; Xu, Y.; Feng, X. A Hierarchical and Flexible Data-Driven Method for Online State-of-Health Estimation of Li-Ion Battery. IEEE Trans. Veh. Technol. 2020, 69, 14739–14748. [Google Scholar] [CrossRef]
- Lucu, M.; Martinez-Laserna, E.; Gandiaga, I.; Camblong, H. A Critical Review on Self-Adaptive Li-Ion Battery Ageing Models. J. Power Sources 2018, 401, 85–101. [Google Scholar] [CrossRef]
- Liu, K.; Shang, Y.; Ouyang, Q.; Widanage, W.D. A Data-Driven Approach With Uncertainty Quantification for Predicting Future Capacities and Remaining Useful Life of Lithium-Ion Battery. IEEE Trans. Ind. Electron. 2021, 68, 3170–3180. [Google Scholar] [CrossRef]
- Yao, P.; Liu, X. Electrochemical and Thermal Analysis of Lithium-Ion Batteries Based on Variable Solid-State Diffusion Coefficient Concept. World Electr. Veh. J. 2024, 15, 416. [Google Scholar] [CrossRef]
- Vermeer, W.; Chandra Mouli, G.R.; Bauer, P. A Comprehensive Review on the Characteristics and Modeling of Lithium-Ion Battery Aging. IEEE Trans. Transp. Electrif. 2022, 8, 2205–2232. [Google Scholar] [CrossRef]
- Campagna, N.; Castiglia, V.; Miceli, R.; Mastromauro, R.A.; Spataro, C.; Trapanese, M.; Viola, F. Battery Models for Battery Powered Applications: A Comparative Study. Energies 2020, 13, 4085. [Google Scholar] [CrossRef]
- Meddings, N.; Heinrich, M.; Overney, F.; Lee, J.-S.; Ruiz, V.; Napolitano, E.; Seitz, S.; Hinds, G.; Raccichini, R.; Gaberšček, M.; et al. Application of Electrochemical Impedance Spectroscopy to Commercial Li-Ion Cells: A Review. J. Power Sources 2020, 480, 228742. [Google Scholar] [CrossRef]
- Singh, A.; Pal, K.; Vishwakarma, C.B. State of Charge Estimation Techniques of Li-Ion Battery of Electric Vehicles. e-Prime-Adv. Electr. Eng. Electron. Energy 2023, 6, 100328. [Google Scholar] [CrossRef]
- Alkhedher, M.; Al Tahhan, A.B.; Yousaf, J.; Ghazal, M.; Shahbazian-Yassar, R.; Ramadan, M. Electrochemical and Thermal Modeling of Lithium-Ion Batteries: A Review of Coupled Approaches for Improved Thermal Performance and Safety Lithium-Ion Batteries. J. Energy Storage 2024, 86, 111172. [Google Scholar] [CrossRef]
- Recalde, A.; Cajo, R.; Velasquez, W.; Alvarez-Alvarado, M.S. Machine Learning and Optimization in Energy Management Systems for Plug-In Hybrid Electric Vehicles: A Comprehensive Review. Energies 2024, 17, 3059. [Google Scholar] [CrossRef]
- Ji, C.; Dai, J.; Zhai, C.; Wang, J.; Tian, Y.; Sun, W. A Review on Lithium-Ion Battery Modeling from Mechanism-Based and Data-Driven Perspectives. Processes 2024, 12, 1871. [Google Scholar] [CrossRef]
- Marin-Garcia, G.; Vazquez-Guzman, G.; Sosa, J.M.; Lopez, A.R.; Martinez-Rodriguez, P.R.; Langarica, D. Battery Types and Electrical Models: A Review. In Proceedings of the 2020 IEEE International Autumn Meeting on Power, Electronics and Computing (ROPEC), Ixtapa, Mexico, 4–6 November 2020; Volume 4, pp. 1–6. [Google Scholar]
- Aslan, E.; Yasa, Y. A Review on The Battery State of Charge Estimation Methods For Electric Vehicle Battery Management Systems. In Proceedings of the 2019 11th International Conference on Electrical and Electronics Engineering (ELECO), Bursa, Turkey, 28–30 November 2019; pp. 281–285. [Google Scholar]
- Xiong, R.; Cao, J.; Yu, Q.; He, H.; Sun, F. Critical Review on the Battery State of Charge Estimation Methods for Electric Vehicles. IEEE Access 2018, 6, 1832–1843. [Google Scholar] [CrossRef]
- How, D.N.T.; Hannan, M.A.; Lipu, M.H.; Ker, P.J. State of Charge Estimation for Lithium-Ion Batteries Using Model-Based and Data-Driven Methods: A Review. IEEE Access 2019, 7, 136116–136136. [Google Scholar] [CrossRef]
- Subburaj, A.S.; Bayne, S.B. Analysis of Dual Polarization Battery Model for Grid Applications. In Proceedings of the 2014 IEEE 36th International Telecommunications Energy Conference (INTELEC), Vancouver, BC, Canada, 28 September–2 October 2014; pp. 1–7. [Google Scholar]
- Xiong, R. Battery Management Algorithm for Electric Vehicles; Springer: Singapore, 2020; ISBN 9789811502477. [Google Scholar]
- Plett, G.L. Battery Management Systems, Volume II: Equivalent-Circuit Methods; Artech House: London, UK, 2015; ISBN 978-1-63081-028-3. [Google Scholar]
- Sun, K.; Shu, Q. Overview of the Types of Battery Models. In Proceedings of the 30th Chinese Control Conference, Yantai, China, 22–24 July 2011; pp. 3644–3648. [Google Scholar]
- Susanna, S.; Dewangga, B.R.; Wahyungoro, O.; Cahyadi, A.I. Comparison of Simple Battery Model and Thevenin Battery Model for SOC Estimation Based on OCV Method. In Proceedings of the 2019 International Conference on Information and Communications Technology (ICOIACT), Yogyakarta, Indonesia, 24–25 July 2019; pp. 738–743. [Google Scholar]
- Bae, K.; Choi, S.; Kim, J.; Won, C.; Jung, Y. LiFePO4 Dynamic Battery Modeling for Battery Simulator. In Proceedings of the 2014 IEEE International Conference on Industrial Technology (ICIT), Busan, Republic of Korea, 26 February–1 March 2014; pp. 354–358. [Google Scholar]
- Rosewater, D.M.; Copp, D.A.; Nguyen, T.A.; Byrne, R.H.; Santoso, S. Battery Energy Storage Models for Optimal Control. IEEE Access 2019, 7, 178357–178391. [Google Scholar] [CrossRef]
- Nejad, S.; Gladwin, D.T.; Stone, D.A. A Systematic Review of Lumped-Parameter Equivalent Circuit Models for Real-Time Estimation of Lithium-Ion Battery States. J. Power Sources 2016, 316, 183–196. [Google Scholar] [CrossRef]
- Zhang, C.; Li, K.; Mcloone, S.; Yang, Z. Battery Modelling Methods for Electric Vehicles—A Review. In Proceedings of the 2014 European Control Conference (ECC), Strasbourg, France, 24–27 June 2014; pp. 2673–2678. [Google Scholar]
- Du, J. Development of an Intelligent Li-Ion Battery Management System for Electric Vehicles. Ph.D. Thesis, Nanyang Technological University, Singapore, 2016. [Google Scholar]
- Kamrueng, C.; Kittiratsatcha, S.; Polmai, S. A Number of RC Pairs Consideration of Electrical Equivalent Circuit Model of Li-Ion Battery. In Proceedings of the 2020 6th International Conference on Engineering, Applied Sciences and Technology (ICEAST), Chiang Mai, Thailand, 1–4 July 2020; pp. 1–4. [Google Scholar]
- Wang, J.; Jia, Y.; Yang, N.; Lu, Y.; Shi, M.; Ren, X.; Lu, D. Precise Equivalent Circuit Model for Li-Ion Battery by Experimental Improvement and Parameter Optimization. J. Energy Storage 2022, 52, 104980. [Google Scholar] [CrossRef]
- Vedel, P.; Hubka, L. Linear Regression Model of Li-Ion Battery Capacity Losing Rate Based on Equivalent Circuit Model Parameters and Operation Modes. In Proceedings of the 2022 International Conference on Smart Systems and Technologies (SST), Osijek, Croatia, 19–21 October 2022; pp. 243–248. [Google Scholar]
- Cittanti, D.; Ferraris, A.; Airale, A.; Fiorot, S.; Scavuzzo, S.; Carello, M. Modeling Li-Ion Batteries for Automotive Application: A Trade-off between Accuracy and Complexity. In Proceedings of the 2017 International Conference of Electrical and Electronic Technologies for Automotive, Turin, Italy, 15–16 June 2017; pp. 1–8. [Google Scholar]
- Naseri, F.; Schaltz, E.; Stroe, D.-I.; Gismero, A.; Farjah, E. An Enhanced Equivalent Circuit Model with Real-Time Parameter Identification for Battery State-of-Charge Estimation. IEEE Trans. Ind. Electron. 2022, 69, 3743–3751. [Google Scholar] [CrossRef]
- Petzl, M.; Danzer, M.A. Advancements in OCV Measurement and Analysis for Lithium-Ion Batteries. IEEE Trans. Energy Convers. 2013, 28, 675–681. [Google Scholar] [CrossRef]
- Huo, Y.; Hu, W.; Li, Z.; Rao, Z. Research on Parameter Identification and State of Charge Estimation of Improved Equivalent Circuit Model of Li-Ion Battery Based on Temperature Effects for Battery Thermal Management. Int. J. Energy Res. 2020, 44, 11583–11596. [Google Scholar] [CrossRef]
- Wehbe, J.; Karami, N. Battery Equivalent Circuits and Brief Summary of Components Value Determination of Lithium Ion: A Review. In Proceedings of the 2015 Third International Conference on Technological Advances in Electrical, Electronics and Computer Engineering (TAEECE), Beirut, Lebanon, 29 April–1 May 2015; pp. 45–49. [Google Scholar]
- Miniguano, H.; Barrado, A.; Lázaro, A.; Zumel, P.; Fernández, C. General Parameter Identification Procedure and Comparative Study of Li-Ion Battery Models. IEEE Trans. Veh. Technol. 2020, 69, 235–245. [Google Scholar] [CrossRef]
- Guenther, C.; Barillas, J.K.; Stumpp, S.; Danzer, M.A. A Dynamic Battery Model for Simulation of Battery-to-Grid Applications. In Proceedings of the 2012 3rd IEEE PES Innovative Smart Grid Technologies Europe (ISGT Europe), Berlin, Germany, 14–17 October 2012; pp. 1–7. [Google Scholar]
- Hussein, A.A.-H.; Kutkut, N.; Batarseh, I. A Hysteresis Model for a Lithium Battery Cell with Improved Transient Response. In Proceedings of the 2011 Twenty-Sixth Annual IEEE Applied Power Electronics Conference and Exposition (APEC), Fort Worth, TX, USA, 6–11 March 2011; pp. 1790–1794. [Google Scholar]
- Tran, M.-K.; Mevawala, A.; Panchal, S.; Raahemifar, K.; Fowler, M.; Fraser, R. Effect of Integrating the Hysteresis Component to the Equivalent Circuit Model of Lithium-Ion Battery for Dynamic and Non-Dynamic Applications. J. Energy Storage 2020, 32, 101785. [Google Scholar] [CrossRef]
- Baronti, F.; Femia, N.; Saletti, R.; Visone, C.; Zamboni, W. Hysteresis Modeling in Li-Ion Batteries. IEEE Trans. Magn. 2014, 50, 1–4. [Google Scholar] [CrossRef]
- Tjandra, R.; Thanagasundram, S.; Tseng, K.J.; Jossen, A. Improved Lithium-Ion Battery Model with Hysteresis Effect. In Proceedings of the 2014 IEEE Transportation Electrification Conference and Expo (ITEC), Dearborn, MI, USA, 15–18 June 2014; pp. 1–8. [Google Scholar]
- He, Y.; He, R.; Guo, B.; Zhang, Z.; Yang, S.; Liu, X.; Zhao, X.; Pan, Y.; Yan, X.; Li, S. Modeling of Dynamic Hysteresis Characters for the Lithium-Ion Battery. J. Electrochem. Soc. 2020, 167, 090532. [Google Scholar] [CrossRef]
- Hussein, A.A. Experimental Modeling and Analysis of Lithium-Ion Battery Temperature Dependence. In Proceedings of the 2015 IEEE Applied Power Electronics Conference and Exposition (APEC), Charlotte, NC, USA, 15–19 March 2015; pp. 1084–1088. [Google Scholar]
- Wahyuddin, M.I.; Priambodo, P.S.; Sudibyo, H. State of Charge (SoC) Analysis and Modeling Battery Discharging Parameters. In Proceedings of the 2018 4th International Conference on Science and Technology (ICST), Yogyakarta, Indonesia, 7–8 August 2018; pp. 1–5. [Google Scholar]
- Chen, M.; Rincon-Mora, G.A. Accurate Electrical Battery Model Capable of Predicting Runtime and I-V Performance. IEEE Trans. Energy Convers. 2006, 21, 504–511. [Google Scholar] [CrossRef]
- Lam, L.; Bauer, P.; Kelder, E. A Practical Circuit-Based Model for Li-Ion Battery Cells in Electric Vehicle Applications. In Proceedings of the 2011 IEEE 33rd International Telecommunications Energy Conference (INTELEC), Amsterdam, The Netherlands, 9–13 October 2011; pp. 1–9. [Google Scholar]
- Khattak, A.A.; Khan, A.N.; Safdar, M.; Basit, A.; Zaffar, N.A. A Hybrid Electric Circuit Battery Model Capturing Dynamic Battery Characteristics. In Proceedings of the 2020 IEEE Kansas Power and Energy Conference (KPEC), Manhattan, KS, USA, 13–14 July 2020; pp. 1–6. [Google Scholar]
- Sarrafan, K.; Sutanto, D.; Muttaqi, K.M. An Electric Circuit Based EV Battery Model for Runtime Prediction and State of Charge Tracking. In Proceedings of the 2017 IEEE Transportation Electrification Conference (ITEC-India), Pune, India, 13–15 December 2017; pp. 1–6. [Google Scholar]
- Kharisma, M.D.; Ridwan, M.; Ilmiawan, A.F.; Ario Nurman, F.; Rizal, S. Modeling and Simulation of Lithium-Ion Battery Pack Using Modified Battery Cell Model. In Proceedings of the 2019 6th International Conference on Electric Vehicular Technology (ICEVT), Bali, Indonesia, 18–21 November 2019; pp. 25–30. [Google Scholar]
- Tremblay, O.; Dessaint, L.-A. Experimental Validation of a Battery Dynamic Model for EV Applications. World Electr. Veh. J. 2009, 3, 289–298. [Google Scholar] [CrossRef]
- Nikolian, A.; de Hoog, J.; Fleurbaey, K.; Timmermans, J.-M.; Noshin, O.; Van den Bossche, P.; Van Mierlo, J. Classification of Electric Modeling and Characterization Methods of Lithium-Ion Batteries for Vehicle Applications. In Proceedings of the European Electric Vehicle Congress, Brussels, Belgium, 3–5 December 2014. [Google Scholar]
- Vashisht, S.; Rakshit, D.; Panchal, S.; Fowler, M.; Fraser, R. Thermal Behaviour of Li-Ion Battery: An Improved Electrothermal Model Considering the Effects of Depth of Discharge and Temperature. J. Energy Storage 2023, 70, 107797. [Google Scholar] [CrossRef]
- Baccouche, I.; Jemmali, S.; Manai, B.; Nikolian, A.; Omar, N.; Essoukri Ben Amara, N. Li-Ion Battery Modeling and Characterization: An Experimental Overview on NMC Battery. Int. J. Energy Res. 2022, 46, 3843–3859. [Google Scholar] [CrossRef]
- Jayasinghe, A.E.; Fernando, N.; Kumarawadu, S.; Wang, L. Review on Li-Ion Battery Parameter Extraction Methods. IEEE Access 2023, 11, 73180–73197. [Google Scholar] [CrossRef]
- Xing, Y.; He, W.; Pecht, M.; Tsui, K.L. State of Charge Estimation of Lithium-Ion Batteries Using the Open-Circuit Voltage at Various Ambient Temperatures. Appl. Energy 2014, 113, 106–115. [Google Scholar] [CrossRef]
- Park, S.-J.; Song, Y.-W.; Kang, B.-S.; Kim, W.-J.; Choi, Y.-J.; Kim, C.; Hong, Y.-S. Depth of Discharge Characteristics and Control Strategy to Optimize Electric Vehicle Battery Life. J. Energy Storage 2023, 59, 106477. [Google Scholar] [CrossRef]
- Xi, Z.; Dahmardeh, M.; Xia, B.; Fu, Y.; Mi, C. Learning of Battery Model Bias for Effective State of Charge Estimation of Lithium-Ion Batteries. IEEE Trans. Veh. Technol. 2019, 68, 8613–8628. [Google Scholar] [CrossRef]
- Nikolian, A.; Firouz, Y.; Gopalakrishnan, R.; Timmermans, J.M.; Omar, M.; Van den Bossche, P.; Van Mierlo, J. Lithium Ion Batteries—Development of Advanced Electrical Equivalent Circuit Models for Nickel Manganese Cobalt Lithium-Ion. Energies 2016, 9, 360. [Google Scholar] [CrossRef]
- Baccouche, I.; Jemmali, S.; Manai, B.; Omar, N.; Amara, N.E.B. Improved OCV Model of a Li-Ion NMC Battery for Online SOC Estimation Using the Extended Kalman Filter. Energies 2017, 10, 764. [Google Scholar] [CrossRef]
- Wang, S.; Fernandez, C.; Yu, C.; Fan, Y.; Cao, W.; Stroe, D.-I. A Novel Charged State Prediction Method of the Lithium Ion Battery Packs Based on the Composite Equivalent Modeling and Improved Splice Kalman Filtering Algorithm. J. Power Sources 2020, 471, 228450. [Google Scholar] [CrossRef]
- Li, C.; Cui, N.; Wang, C.; Zhang, C. Simplified Electrochemical Lithium-Ion Battery Model with Variable Solid-Phase Diffusion and Parameter Identification over Wide Temperature Range. J. Power Sources 2021, 497, 229900. [Google Scholar] [CrossRef]
- Liu, Z.; He, H. Model-Based Sensor Fault Diagnosis of a Lithium-Ion Battery in Electric Vehicles. Energies 2015, 8, 6509–6527. [Google Scholar] [CrossRef]
- Li, K.; Wei, F.; Tseng, K.J.; Soong, B.-H. A Practical Lithium-Ion Battery Model for State of Energy and Voltage Responses Prediction Incorporating Temperature and Ageing Effects. IEEE Trans. Ind. Electron. 2018, 65, 6696–6708. [Google Scholar] [CrossRef]
- Hentunen, A.; Lehmuspelto, T.; Suomela, J. Time-Domain Parameter Extraction Method for Thévenin-Equivalent Circuit Battery Models. IEEE Trans. Energy Convers. 2014, 29, 558–566. [Google Scholar] [CrossRef]
- Hossain, M.; Saha, S.; Haque, M.E.; Arif, M.T.; Oo, A. A Parameter Extraction Method for the Thevenin Equivalent Circuit Model of Li-Ion Batteries. In Proceedings of the 2019 IEEE Industry Applications Society Annual Meeting, Baltimore, MD, USA, 29 September–3 October 2019; pp. 1–7. [Google Scholar]
- Peng, J.; Meng, J.; Wu, J.; Deng, Z.; Lin, M.; Mao, S.; Stroe, D.-I. A Comprehensive Overview and Comparison of Parameter Benchmark Methods for Lithium-Ion Battery Application. J. Energy Storage 2023, 71, 108197. [Google Scholar] [CrossRef]
- Feng, F.; Lu, R.; Zhu, C. A Combined State of Charge Estimation Method for Lithium-Ion Batteries Used in a Wide Ambient Temperature Range. Energies 2014, 7, 3004–3032. [Google Scholar] [CrossRef]
- Zhu, J.; Knapp, M.; Darma, M.S.D.; Fang, Q.; Wang, X.; Dai, H.; Wei, X.; Ehrenberg, H. An Improved Electro-Thermal Battery Model Complemented by Current Dependent Parameters for Vehicular Low Temperature Application. Appl. Energy 2019, 248, 149–161. [Google Scholar] [CrossRef]
- Lv, H.; Liao, Y.; Zhao, C.; Shang, X.; Zhang, F. State of Charge Estimation of Lithium-Titanate Battery Based on Multi-Model Extended Kalman Filter Considering Temperature and Current Rate. J. Energy Storage 2024, 77, 109890. [Google Scholar] [CrossRef]
- Herdjunanto, S. Estimation of Open Circuit Voltage and Electrical Parameters of a Battery Based on Signal Processed by Recursive Least Square Method Using Two Separate Forgetting Factors. In Proceedings of the 2016 6th International Annual Engineering Seminar (InAES), Yogyakarta, Indonesia, 1–3 August 2016; pp. 67–71. [Google Scholar]
- He, L.; Guo, D. An Improved Coulomb Counting Approach Based on Numerical Iteration for SOC Estimation with Real-Time Error Correction Ability. IEEE Access 2019, 7, 74274–74282. [Google Scholar] [CrossRef]
- Sorouri, H.; Oshnoei, A.; Che, Y.; Teodorescu, R. A Comprehensive Review of Hybrid Battery State of Charge Estimation: Exploring Physics-Aware AI-Based Approaches. J. Energy Storage 2024, 100, 113604. [Google Scholar] [CrossRef]
- Ali, O.; Ishak, M.K.; Ahmed, A.B.; Salleh, M.F.M.; Ooi, C.A.; Khan, M.F.A.J.; Khan, I. On-Line WSN SoC Estimation Using Gaussian Process Regression: An Adaptive Machine Learning Approach. Alex. Eng. J. 2022, 61, 9831–9848. [Google Scholar] [CrossRef]
- Hossain, M.; Haque, M.E.; Arif, M.T. Online Model Parameter and State of Charge Estimation of Li-Ion Battery Using Unscented Kalman Filter Considering Effects of Temperatures and C-Rates. IEEE Trans. Energy Convers. 2022, 37, 2498–2511. [Google Scholar] [CrossRef]
- Mushini, J.C.D.; Rana, K.; Aspalli, M.S. Analysis of Open Circuit Voltage and State of Charge of High Power Lithium Ion Battery. Int. J. Power Electron. Drive Syst. 2022, 13, 657. [Google Scholar] [CrossRef]
- Lucaferri, V.; Valentini, M.; De Lia, F.; Laudani, A.; Presti, R.L.; Schioppo, R.; Riganti Fulginei, F. Modeling and Optimization Method for Battery Energy Storage Systems Operating at Variable C-Rate: A Comparative Study of Lithium Technologies. J. Energy Storage 2023, 73, 109232. [Google Scholar] [CrossRef]
- Werner, D.; Paarmann, S.; Wetzel, T. Calendar Aging of Li-Ion Cells—Experimental Investigation and Empirical Correlation. Batteries 2021, 7, 28. [Google Scholar] [CrossRef]
- Scarfogliero, M.; Carmeli, S.; Castelli-Dezza, F.; Mauri, M.; Rossi, M.; Marchegiani, G.; Rovelli, E. Lithium-Ion Batteries for Electric Vehicles: A Review on Aging Models for Vehicle-to-Grid Services. In Proceedings of the 2018 International Conference of Electrical and Electronic Technologies for Automotive, Milan, Italy, 9–11 July 2018; pp. 1–6. [Google Scholar]
- Guo, J.; Li, Y.; Pedersen, K.; Stroe, D.I. Lithium-Ion Battery Operation, Degradation, and Aging Mechanism in Electric Vehicles: An Overview. Energies 2021, 14, 5220. [Google Scholar] [CrossRef]
- Rahman, T.; Alharbi, T. Exploring Lithium-Ion Battery Degradation: A Concise Review of Critical Factors, Impacts, Data-Driven Degradation Estimation Techniques, and Sustainable Directions for Energy Storage Systems. Batteries 2024, 10, 220. [Google Scholar] [CrossRef]
- Feinauer, M.; Wohlfahrt-Mehrens, M.; Hölzle, M.; Waldmann, T. Temperature-Driven Path Dependence in Li-Ion Battery Cyclic Aging. J. Power Sources 2024, 594, 233948. [Google Scholar] [CrossRef]
- Gismero, A.; Stroe, D.-I.; Schaltz, E. Calendar Aging Lifetime Model for NMC-Based Lithium-Ion Batteries Based on EIS Measurements. In Proceedings of the 2019 Fourteenth International Conference on Ecological Vehicles and Renewable Energies (EVER), Monte-Carlo, Monaco, 8–10 May 2019; pp. 1–8. [Google Scholar]
- Kucinskis, G.; Bozorgchenani, M.; Feinauer, M.; Kasper, M.; Wohlfahrt-Mehrens, M.; Waldmann, T. Arrhenius Plots for Li-Ion Battery Ageing as a Function of Temperature, C-Rate, and Ageing State—An Experimental Study. J. Power Sources 2022, 549, 232129. [Google Scholar] [CrossRef]



























| Symbol | Specific Energy (Wh/kg) | Number of Cycles | Voltage (V) |
|---|---|---|---|
| NCA | 200–260 | 500–600 | 3.65 |
| NMC | 150–220 | 1000–2000 | 3.8–4.01 |
| LFP | 90–120 | 1000–2000 | 2.3–2.5 |
| LMO | 100–150 | 300–700 | 4.0 |
| LCO | 150–200 | 500–1000 | 3.7–3.9 |
| LTO | 70–80 | 3000–7000 | 2.3–2.5 |
| Model | Applications |
|---|---|
| Electrochemical | Used for cell design |
| Mathematical | Applicable only for constant operating condition |
| Electrical | Electric vehicles, energy storage systems |
| Reduced order | Real-time control systems, Battery Management Systems |
| Spectroscopy | Analyze dynamic behavior as a function of frequency |
| Data-driven | Battery life prediction, performance monitoring |
Disclaimer/Publisher’s Note: The statements, opinions and data contained in all publications are solely those of the individual author(s) and contributor(s) and not of MDPI and/or the editor(s). MDPI and/or the editor(s) disclaim responsibility for any injury to people or property resulting from any ideas, methods, instructions or products referred to in the content. |
© 2024 by the authors. Licensee MDPI, Basel, Switzerland. This article is an open access article distributed under the terms and conditions of the Creative Commons Attribution (CC BY) license (https://creativecommons.org/licenses/by/4.0/).
Share and Cite
Graber, G.; Sabatino, S.; Calderaro, V.; Galdi, V. Modeling of Lithium-Ion Batteries for Electric Transportation: A Comprehensive Review of Electrical Models and Parameter Dependencies. Energies 2024, 17, 5629. https://doi.org/10.3390/en17225629
Graber G, Sabatino S, Calderaro V, Galdi V. Modeling of Lithium-Ion Batteries for Electric Transportation: A Comprehensive Review of Electrical Models and Parameter Dependencies. Energies. 2024; 17(22):5629. https://doi.org/10.3390/en17225629
Chicago/Turabian StyleGraber, Giuseppe, Simona Sabatino, Vito Calderaro, and Vincenzo Galdi. 2024. "Modeling of Lithium-Ion Batteries for Electric Transportation: A Comprehensive Review of Electrical Models and Parameter Dependencies" Energies 17, no. 22: 5629. https://doi.org/10.3390/en17225629
APA StyleGraber, G., Sabatino, S., Calderaro, V., & Galdi, V. (2024). Modeling of Lithium-Ion Batteries for Electric Transportation: A Comprehensive Review of Electrical Models and Parameter Dependencies. Energies, 17(22), 5629. https://doi.org/10.3390/en17225629

