Dynamic Modeling of Distribution Power Systems with Renewable Generation for Stability Analysis
Abstract
1. Introduction
2. State of the Art of Distribution Power Systems
2.1. Latest Issues and Trends
2.2. Simulation of Distribution Power Systems
2.3. Measurements in Distribution Power Systems
3. Stability Analysis
Reactive Power Demand
4. Proposed Modeling for Dynamic Studies
4.1. Distribution Power System
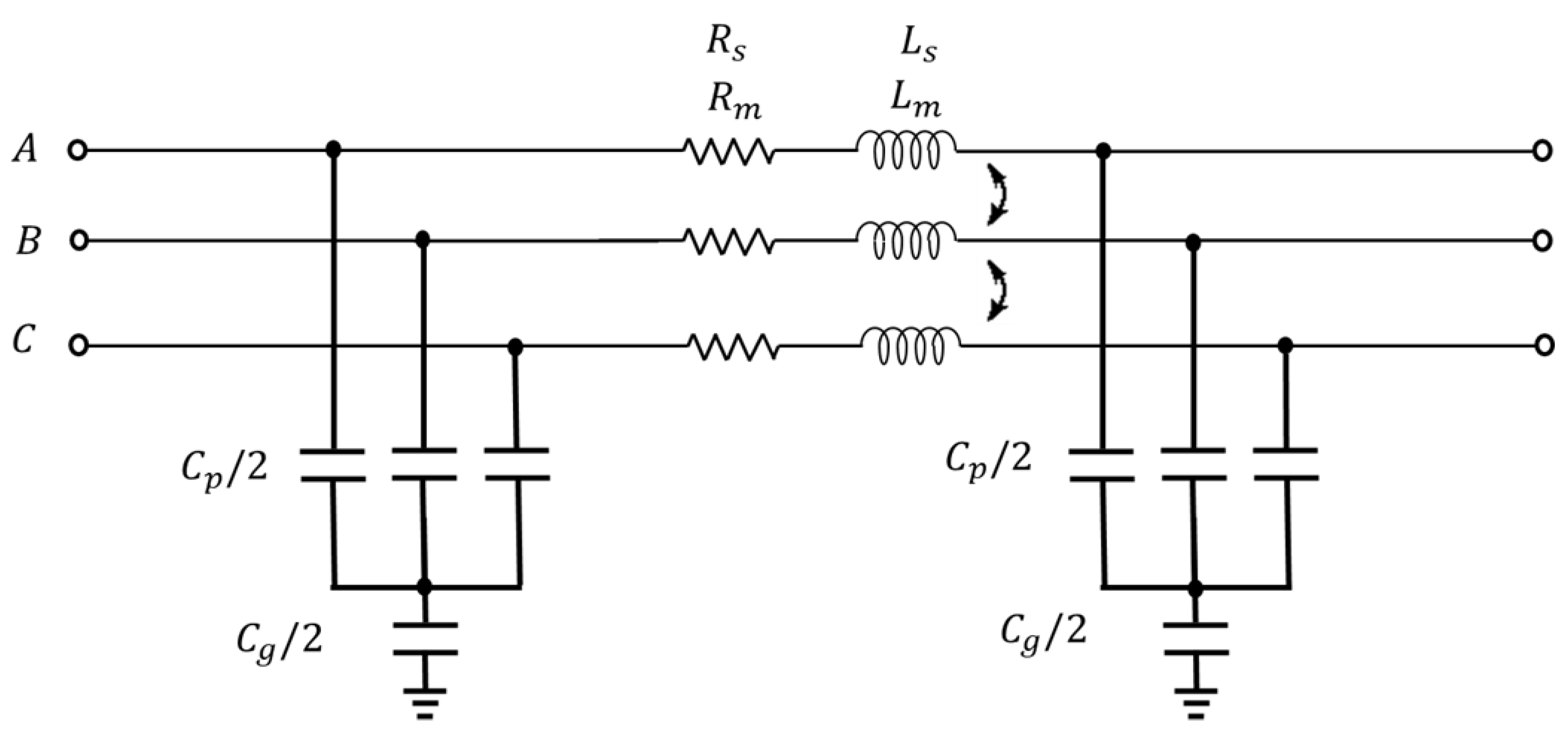
4.2. Modeling of the Power Grid
4.3. Load Modeling
4.3.1. Static Load Model
4.3.2. Dynamic Load Model
4.3.3. Composite Load Model
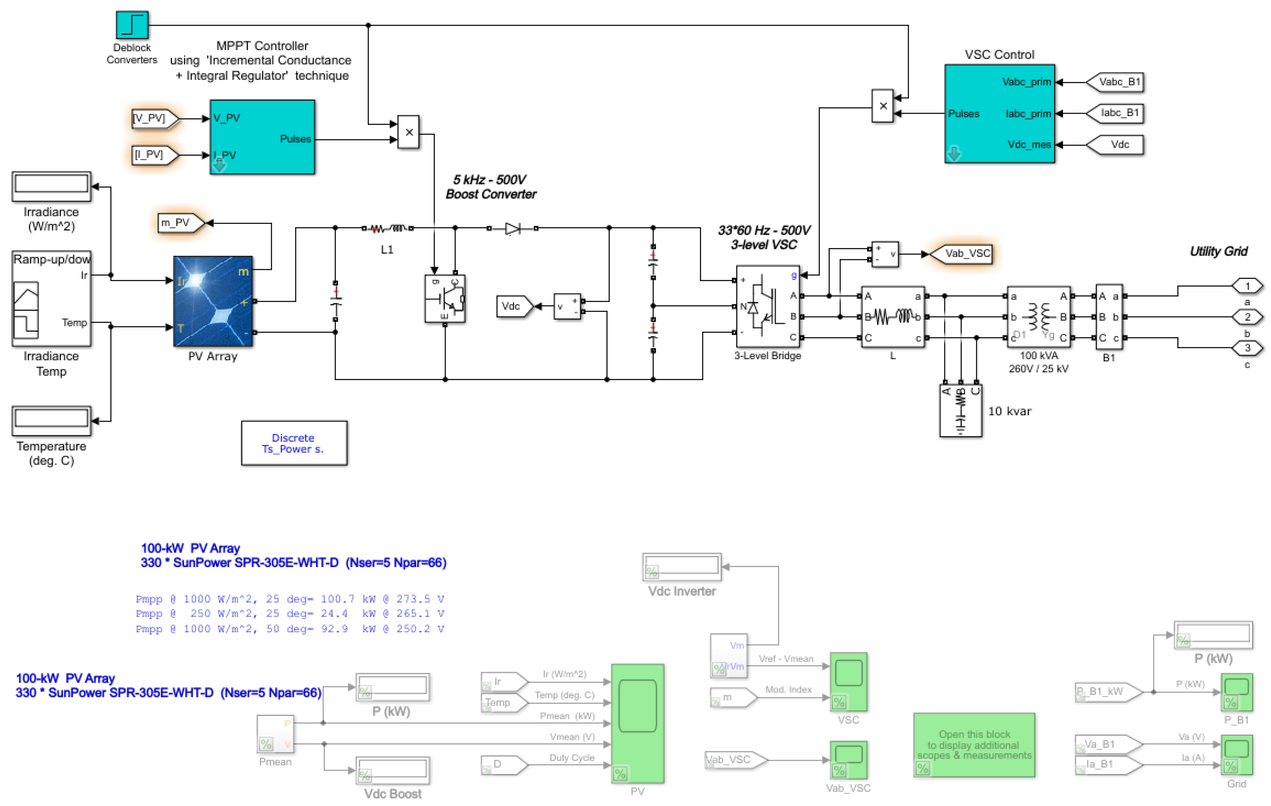
4.4. Modeling of the Distributed Generation
4.5. Study Cases
4.5.1. Study Case 1
4.5.2. Study Case 2
Study Case 2.1
Study Case 2.2
Study Case 2.3
Comparison of Study Cases “Static Z Load”
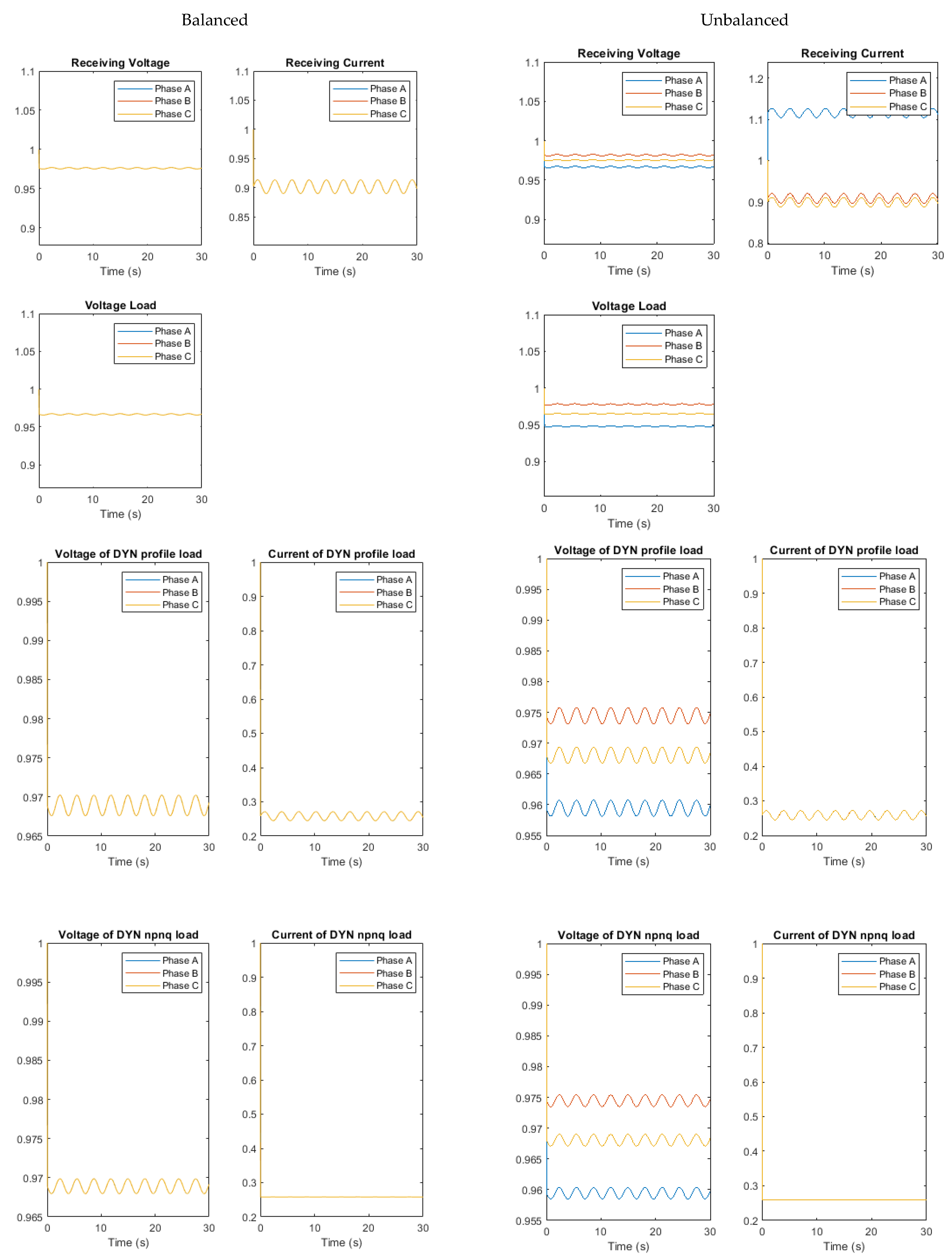
4.5.3. Study Case 3
4.5.4. Study Case 4
Study Case 4.1
Study Case 4.2
Study Case 4.3
Comparison of Study Cases “Static Z Load, Dynamic Load and RES”
4.6. Comparison of All Study Cases
5. Conclusions
Author Contributions
Funding
Data Availability Statement
Conflicts of Interest
References
- European Commission. Fit for 55: Delivering the EU’s 2030 Climate Targets on the Way to Climate Neutrality. Available online: https://www.eesc.europa.eu/en/our-work/opinions-information-reports/opinions/fit-55-delivering-eus-2030-climate-target-way-climate-neutrality (accessed on 22 September 2024).
- European Environment Agency. Renewable Energy in Europe: Key for Climate Objectives. Available online: https://www.eea.europa.eu/themes/energy/renewable-energy (accessed on 22 September 2024).
- European Environment Agency. Electric Vehicles as a Key for Reducing Emissions. Available online: https://www.eea.europa.eu/themes/transport/electric-vehicles (accessed on 22 September 2024).
- Asare-Bediako, B.; Woud, W.K.; Ribeiro, P.F. Future residential load profiles: Scenario-based analysis of high penetration of heavy loads and distributed generation. Energy Build. 2014, 75, 228–238. [Google Scholar] [CrossRef]
- ElNozahy, M.S.; Salama, M.M.A. A Comprehensive Study of the Impacts of PHEVs on Residential Distribution Networks. IEEE Trans. Sustain. Energy 2014, 5, 332–342. [Google Scholar] [CrossRef]
- Vittal, V.; McCalley, J.D.; Anderson, P.M.; Fouad, A.A. Power System Control and Stability, 3rd ed.; John Wiley & Sons: New York, NY, USA, 2019. [Google Scholar]
- Electric Power Research Institute. Measurement-Based Load Modeling; Product ID: 1014402; Electric Power Research Institute: Palo Alto, CA, USA, 2006. [Google Scholar]
- IEEE Standard 2781; IEEE Guide for Load Modeling and Simulations for Power Systems. IEEE Standard: Piscataway, NJ, USA, 2022.
- Neagu, B.-C.; Gavrilas, M.; Ivanov, O.; Grigoras, G. Load Modeling Approaches in Smart Grids: An Overview. In Springer Proceedings in Energy; Springer: Berlin/Heidelberg, Germany, 2022. [Google Scholar] [CrossRef]
- Rahman, M.T.; Hasan, K.N.; Sokolowski, P. Impact of Renewable Integration in Distribution Networks on Static Load Model Parameters. In Proceedings of the 2020 IEEE PES Innovative Smart Grid Technologies Europe (ISGT-Europe), The Hague, The Netherlands, 26–28 October 2020; pp. 725–729. [Google Scholar] [CrossRef]
- Fulgêncio, N.; Moreira, C.; Carvalho, L.; Lopes, J.A. Equivalent Dynamic Model of Active Distribution Networks for Large Voltage Disturbances. In Proceedings of the 2019 IEEE Milan PowerTech, Milan, Italy, 23–27 June 2019; pp. 1–6. [Google Scholar] [CrossRef]
- Zali, S.M.; Milanovic, J.V. Generic Model of Active Distribution Network for Large Power System Stability Studies. IEEE Trans. Power Syst. 2013, 28, 3126–3133. [Google Scholar] [CrossRef]
- Tielens, P.; Hertem, D.V. The relevance of inertia in power systems. Renew. Sustain. Energy Rev. 2016, 55, 999–1009. [Google Scholar] [CrossRef]
- Fan, L.; Miao, Z. Modeling and Stability Analysis of Inverter-Based Resources; CRC Press: Boca Raton, FL, USA, 2024. [Google Scholar]
- IEEE/NERC Task Force on Short-Circuit and System Performance Impact of Inverter-Based Generation. Impact of Inverter-Based Generation on Bulk Power System Dynamics and Short-Circuit Performance. IEEE PES Technical Report PES-TR68. 2018. Available online: https://resourcecenter.ieee-pes.org (accessed on 23 September 2024).
- Haddadi, A.; Farantatos, E.; Kocar, I.; Karaagac, U. Impact of Inverter Based Resources on System Protection. Energies 2021, 14, 1050. [Google Scholar] [CrossRef]
- Boricic, A.; Rueda Torres, J.L.; Popov, M. Impact of Modelling Assumptions on the Voltage Stability Assessment of Active Distribution Grids. In Proceedings of the 2020 IEEE PES Innovative Smart Grid Technologies Europe (ISGT-Europe), The Hague, The Netherlands, 26–28 October 2020; pp. 1040–1044. [Google Scholar] [CrossRef]
- Kyesswa, M.; Çakmak, H.; Kühnapfel, U.; Hagenmeyer, V. Dynamic Modelling and Control for Assessment of Large-Scale Wind and Solar Integration in Power Systems. IET Renew. Power Gener. 2021, 14, 4010–4018. [Google Scholar] [CrossRef]
- Al Essa, M.J.M.; Cipcigan, L.M. Integration of Renewable Resources into Low Voltage Grids Stochastically. In Proceedings of the 2016 IEEE International Energy Conference (ENERGYCON), Leuven, Belgium, 4–8 April 2016; pp. 1–5. [Google Scholar] [CrossRef]
- Mohapatra, G.R.; Kalam, A. Dynamic Stability Analysis of Renewable Energy Sources Interconnected to the Distribution Networks. In Proceedings of the 2008 Australasian Universities Power Engineering Conference, Sydney, Australia, 14–17 December 2008; pp. 1–4. [Google Scholar]
- Musse, B.F.; Barbosa, M.W.; Carvalho, J.S.; da Silva, D.C.; de Oliveira, L.W.; de Oliveira, J.G. Real Time Simulation of PV System Integration to the Distribution Grid Using Dynamic Load Model. In Proceedings of the 2017 IEEE 8th International Symposium on Power Electronics for Distributed Generation Systems (PEDG), Florianopolis, Brazil, 17–20 April 2017; pp. 1–6. [Google Scholar] [CrossRef]
- Li, F.; Wang, Y.; Wu, F.; Huang, Y.; Liu, Y.; Zhang, X.; Ma, M. Review of Real-Time Simulation of Power Electronics. J. Mod. Power Syst. Clean Energy 2020, 8, 796–808. [Google Scholar] [CrossRef]
- Clements, K.A. The Impact of Pseudo-Measurements on State Estimator Accuracy. In Proceedings of the 2011 IEEE Power and Energy Society General Meeting, Detroit, MI, USA, 24–28 July 2011; IEEE: San Diego, CA, USA, 2011; pp. 1–4. [Google Scholar] [CrossRef]
- Phadke, A.G.; Thorp, J.S. Synchronized Phasor Measurements and Their Applications; Springer Science & Business Media: Berlin/Heidelberg, Germany, 2008. [Google Scholar]
- Kundur, P. Power System Stability and Control; McGraw-Hill Education: New York, NY, USA, 1994. [Google Scholar]
- IEEE/CIGRE Joint Task Force on Stability Terms and Definitions. Definition and Classification of Power System Stability. IEEE Trans. Power Syst. 2004, 19, 1387–1401. [Google Scholar] [CrossRef]
- Munkhchuluun, E.; Meegahapola, L.; Vahidnia, A. Long-term Voltage Stability with Large-Scale Solar-Photovoltaic (PV) Generation. Int. J. Electr. Power Energy Syst. 2020, 117, 105663. [Google Scholar] [CrossRef]
- Gasperic, S.; Mihalic, R. Estimation of the Efficiency of FACTS Devices for Voltage-Stability Enhancement with PV Area Criteria. Renew. Sustain. Energy Rev. 2019, 105, 144–156. [Google Scholar] [CrossRef]
- Cutsem, T.V.; Vournas, C. Voltage Stability of Electric Power Systems; Kluwer Academic Publishers: Boston, MA, USA, 1998. [Google Scholar]
- Cutsem, T.V. Voltage Instability: Phenomena, Countermeasures, and Analysis Methods. Proc. IEEE 2000, 88, 208–227. [Google Scholar] [CrossRef]
- Vartanian, C.; Bauer, R.; Casey, L.; Loutan, C.; Narang, D.; Patel, V. Ensuring System Reliability: Distributed Energy Resources and Bulk Power System Considerations. IEEE Power Energy Mag. 2018, 16, 52–63. [Google Scholar] [CrossRef]
- Alenius, H.; Luhtala, R.; Messo, T.; Roinila, T. Autonomous Reactive Power Support for Smart Photovoltaic Inverter Based on Real-time Grid-impedance Measurements of a Week Grid. Electr. Power Syst. Res. 2020, 182, 106207. [Google Scholar] [CrossRef]
- Eftekhari, S.; Oukati, M. The Effect of Load Modelling on Phase Balancing in Distribution Networks Using Search Harmony Algorithm. Int. J. Electr. Comput. Eng. (IJECE) 2019, 9, 1461. [Google Scholar] [CrossRef]
- Bustillo, C.S.; Diaz, O.I.; Mendoza, J.; Rivera, D.A. Modeling and Simulation of Composite Load Using MATLAB/SIMULINK. In Proceedings of the 2019 IEEE 39th Central America and Panama Convention (CONCAPAN XXXIX), Guatemala City, Guatemala, 20–22 November 2019; pp. 1–6. [Google Scholar] [CrossRef]
- Navarro-Espinosa, A.; Ochoa, L. Deliverable 3.6 “What-If Scenario Impact Studies Based on Real LV Networks”; eScholar: Niagara Falls, NY, USA, 2014. [Google Scholar] [CrossRef]
- MathWorks. 250 kW Grid-Connected PV Array. Available online: https://de.mathworks.com/help/sps/ug/250-kw-grid-connected-pv-array.html (accessed on 21 September 2024).
- Brito, M.A.G.d.; Sampaio, L.P.; Melo, G.J.d.A.e.; Canesin, C.A. Comparative analysis of MPPT techniques for PV applications. In Proceedings of the 2011 International Conference on Clean Electrical Power (ICCEP), Ischia, Italy, 14–16 June 2011; pp. 99–104. [Google Scholar]


















| Constant Impedance | Constant Current | Constant Power | Industrial | Commercial | Residential | Load Type |
|---|---|---|---|---|---|---|
| 2 | 1 | 0 | 0.18 | 1.51 | 0.92 | |
| 2 | 1 | 0 | 6 | 3.4 | 4.04 |
| Study Case | Static Load Used | Dynamic Load Used | RES Used |
|---|---|---|---|
| 1 | Yes | No | No |
| 2 | Yes | Yes | No |
| 3 | Yes | No | Yes |
| 4 | Yes | Yes | Yes |
Disclaimer/Publisher’s Note: The statements, opinions and data contained in all publications are solely those of the individual author(s) and contributor(s) and not of MDPI and/or the editor(s). MDPI and/or the editor(s) disclaim responsibility for any injury to people or property resulting from any ideas, methods, instructions or products referred to in the content. |
© 2024 by the authors. Licensee MDPI, Basel, Switzerland. This article is an open access article distributed under the terms and conditions of the Creative Commons Attribution (CC BY) license (https://creativecommons.org/licenses/by/4.0/).
Share and Cite
Madjovski, D.; Dumancic, I.; Tranchita, C. Dynamic Modeling of Distribution Power Systems with Renewable Generation for Stability Analysis. Energies 2024, 17, 5178. https://doi.org/10.3390/en17205178
Madjovski D, Dumancic I, Tranchita C. Dynamic Modeling of Distribution Power Systems with Renewable Generation for Stability Analysis. Energies. 2024; 17(20):5178. https://doi.org/10.3390/en17205178
Chicago/Turabian StyleMadjovski, Darko, Ivan Dumancic, and Carolina Tranchita. 2024. "Dynamic Modeling of Distribution Power Systems with Renewable Generation for Stability Analysis" Energies 17, no. 20: 5178. https://doi.org/10.3390/en17205178
APA StyleMadjovski, D., Dumancic, I., & Tranchita, C. (2024). Dynamic Modeling of Distribution Power Systems with Renewable Generation for Stability Analysis. Energies, 17(20), 5178. https://doi.org/10.3390/en17205178
