A Novel Method for Online Diagnostic Analysis of Partial Discharge in Instrument Transformers and Surge Arresters from the Correlation of HFCT and IEC Methods
Abstract
1. Introduction
2. Methodology Proposed for Discrimination and Presentation of PD Signals
2.1. Procedures for Pre-Processing and Detection of PD Signals
- A first-order smoothing Savitzky-Golay filter [38] (step 4a) applied to the output of step 3, that from the convolution operation (2) is defined bygenerates a smoothed version of this (black line in Figure 4C), denoted by , with the coefficients pre-computed using the least squares method, for a window of n points estimated around the central value. The parameter m controls the size of the filter () as well as its degree of smoothness. Despite a simple implementation, the aforementioned filter proved effective and efficient (due to the low computational resource employed) in discriminating the pulses candidate to PD, as shown in Figure 4C;
- The threshold produced by Otsu method [36], used as a thresholding technique in the step 4b for determining a magnitude threshold above which pulses can be considered either candidates to PD, or noise. Figure 4C also shows the threshold defined by Otsu for the window under analysis, as indicated by the dashed horizontal line in black;
- The rising and falling thresholds and the PD candidate pulses generated, respectively, from the identification of crossings with the threshold established by Otsu (step 4b), incorporating the first derivative criterion for the discrimination of pulses (step 4c); and
- The central point of the samples length between two candidate pulses, which will determine the end of the first subwindow and the beginning of the second one. In the step 4d, subwindows with optimized size containing only one PD pulse will be subordinated to the origin window for the construction of PRPD at the end of the method. Figure 4C illustrates the procedure.
2.2. Phase-Resolved Partial Discharge Assembly
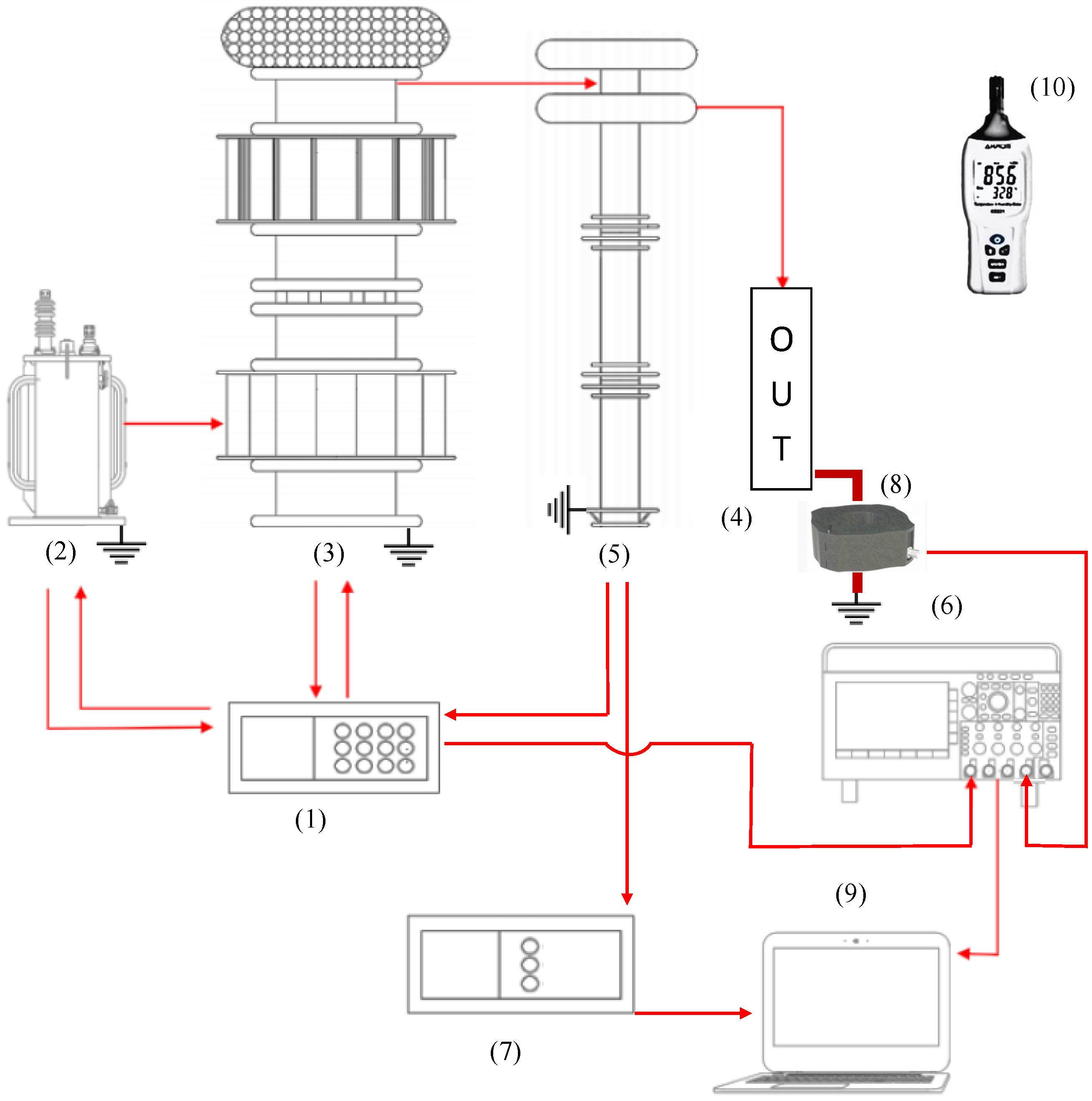
3. Experimental Setup
3.1. Description of Objects Under Testing and Tests
3.1.1. Insertion of External PD into IT and Test Scenarios
- Normal
- Corona;
- Saline solution deposition;
- Preparation of the saline solution and ESDD calculation considering an approximate value of the IT superficial area and disregarding the temperature;
- Application of pollution to all the IT body by a sprayer;
- Application of operation nominal voltage of the equipment; and Measurement of PD activity by IEC and HFCT methods.
4. Results and Discussions
- The amplitude scale in the oscilloscope was adjusted to avoiding saturation, hence, guaranteeing visualization of the maximum amplitude of the PD pulses measured, as shown in Figure 10a;
- For this case the methodology shows little activity of PD to pulses near zero crossing.
- Saturation is observed in the results from the commercial equipment near 3200 pC (see Figure 10b);
- Tests conducted in the upper section also qualitatively evidence the agreement of the PD activity between the methodology proposed and the conventional one, despite the saturation of the commercial equipment;
- Both methods corresponded in the profile change of the test PD incidence with the complete SA (concentration of higher-amplitude pulses in the negative semicircle) and of the tests applied only to the upper section (concentration of higher-amplitude pulses in the positive semicircle);
5. Conclusions
Author Contributions
Funding
Data Availability Statement
Acknowledgments
Conflicts of Interest
References
- Du, J.; Mi, J.; Jia, Z.; Mei, J. Feature Extraction and Pattern Recognition Algorithm of Power Cable Partial Discharge Signal. Int. J. Pattern Recognit. Artif. Intell. 2023, 37, 2258010. [Google Scholar] [CrossRef]
- Subramaniam, A.; Sahoo, A.; Manohar, S.S.; Raman, S.J.; Panda, S.K. Switchgear Condition Assessment and Lifecycle Management: Standards, Failure Statistics, Condition Assessment, Partial Discharge Analysis, Maintenance Approaches, and Future Trends. IEEE Electr. Insul. Mag. 2021, 37, 27–41. [Google Scholar] [CrossRef]
- Zhang, X.; Pang, B.; Liu, Y.; Liu, S.; Xu, P.; Li, Y.; Liu, Y.; Qi, L.; Xie, Q. Review on Detection and Analysis of Partial Discharge along Power Cables. Energies 2021, 14, 7692. [Google Scholar] [CrossRef]
- Rodrigues, T.B.; Amorim, H.P.; Tanscheit, R.; Vellasco, M. Automatic Evaluation of Partial Discharges Presence in Surge Arresters and Current Transformers Installed in Substations without Equipment Shutdown. In Proceedings of the 2020 IEEE 3rd International Conference on Dielectrics, ICD 2020, Valencia, Spain, 5–31 July 2020; pp. 842–845. [Google Scholar] [CrossRef]
- Wu, M.; Cao, H.; Cao, J.; Nguyen, H.L.; Gomes, J.B.; Krishnaswamy, S.P. An overview of state-of-the-art partial discharge analysis techniques for condition monitoring. IEEE Electr. Insul. Mag. 2015, 31, 22–35. [Google Scholar] [CrossRef]
- Bartnikas, R. Partial discharges their mechanism, detection and measurement. IEEE Trans. Dielectr. Electr. Insul. 2002, 9, 763–808. [Google Scholar] [CrossRef]
- Stone, G.C.; Cavallini, A.; Behrmann, G.; Serafino, C.A. Practical Partial Discharge Measurement on Electrical Equipment, 1st ed.; IEEE Press Series on Power and Energy Systems; Wiley-IEEE Press: Hoboken, NJ, USA, 2023. [Google Scholar]
- Montanari, G.; Cavallini, A. Partial discharge diagnostics: From apparatus monitoring to smart grid assessment. IEEE Electr. Insul. Mag. 2013, 29, 8–17. [Google Scholar] [CrossRef]
- Kai, R.; Yamanoue, T.; Tanaka, H.; Kawano, H.; Kozako, M.; Hikita, M. A Study of PRPD Statistics to Improve the Performance of PD Detection and Defect Type Identification. In Proceedings of the 2022 9th International Conference on Condition Monitoring and Diagnosis, CMD 2022, Kitakyushu, Japan, 13–18 November 2022; pp. 666–671. [Google Scholar] [CrossRef]
- IEC 60270:2000; High-Voltage Test Techniques: Partial Discharge Measurements. British Standard: London, UK, 2000.
- Gu, F.C.; Chang, H.C.; Hsueh, Y.M.; Kuo, C.C.; Chen, B.R. Development of a high-speed data acquisition card for partial discharge measurement. IEEE Access 2019, 7, 140312–140318. [Google Scholar] [CrossRef]
- Maresch, K.; Freitas-Gutierres, L.F.; Oliveira, A.L.; Borin, A.S.; Cardoso, G.; Damiani, J.S.; Morais, A.M.; Correa, C.H.; Martins, E.F. Advanced Diagnostic Approach for High-Voltage Insulators: Analyzing Partial Discharges through Zero-Crossing Rate and Fundamental Frequency Estimation of Acoustic Raw Data. Energies 2023, 16, 33. [Google Scholar] [CrossRef]
- Maresch, K.; Freitas-Gutierres, L.; Cardoso, G., Jr.; Borin, A.; Damiani, J.; Quatrin, A.; Morais, A.; Nunes, M.; Correa, C.; Martins, E.; et al. Innovative Approach for Detecting Early-Stage Partial Discharges in Instrument Transformers via Ultrasound and Random Forest Analysis. Measurement 2024, 232, 114710. [Google Scholar] [CrossRef]
- Singsathien, J.; Suwanasri, T.; Suwanasri, C.; Ruankon, S.; Fuangpian, P.; Namvong, W.; Saengsaikaew, P.; Khotsang, W. Partial discharge detection and localization of defected power cable using HFCT and UHF sensors. In Proceedings of the 2017 14th International Conference on Electrical Engineering/Electronics, Computer, Telecommunications and Information Technology (ECTI-CON), Phuket, Thailand, 27–30 June 2017; pp. 505–508. [Google Scholar] [CrossRef]
- Uckol, H.I.; Ilhan, S. Identification of corona discharges based on wavelet scalogram images with deep convolutional neural networks. Electr. Power Syst. Res. 2023, 224, 109712. [Google Scholar] [CrossRef]
- Ashtiani, M.; Shahrtash, S. Partial discharge pulse localization in excessive noisy data window. IEEE Trans. Dielectr. Electr. Insul. 2015, 22, 428–435. [Google Scholar] [CrossRef]
- Freitas-Gutierres, L.F.; Maresch, K.; Morais, A.M.; Nunes, M.V.; Correa, C.H.; Martins, E.F.; Fontoura, H.C.; Schmidt, M.V.; Soares, S.N.; Cardoso, G.; et al. Framework for decision-making in preventive maintenance: Electric field analysis and partial discharge diagnosis of high-voltage insulators. Electr. Power Syst. Res. 2024, 233, 110447. [Google Scholar] [CrossRef]
- Uwiringiyimana, J.P.; Khayam, U.; Suwarno; Montanari, G.C. Comparative Analysis of Partial Discharge Detection Features Using a UHF Antenna and Conventional HFCT Sensor. IEEE Access 2022, 10, 107214–107226. [Google Scholar] [CrossRef]
- Salih, M.; Harid, N.; Barkat, B.; Habib, B.H. Correlation Between Partial Discharge Parameters Measured by UHF, IEC and HFCT Methods. In Proceedings of the 2023 58th International Universities Power Engineering Conference (UPEC), Dublin, Ireland, 30 August–1 September 2023; pp. 1–6. [Google Scholar] [CrossRef]
- Klüss, J.V.; Elg, A.P.; Wingqvist, C. High-Frequency Current Transformer Design and Implementation Considerations for Wideband Partial Discharge Applications. IEEE Trans. Instrum. Meas. 2021, 70, 1–9. [Google Scholar] [CrossRef]
- Kumar, C.L.G.P.; Khalid, N.H.A.; Ahmad, M.H.; Nawawi, Z.; Sidik, M.A.B.; Jambak, M.I.; Kurnia, R.F.; Waldi, E.P.; Aulia. Development and Validation of Rogowski Coil with Commercial High Frequency Current Transformer for Partial Discharge Detection. In Proceedings of the 2018 International Conference on Electrical Engineering and Computer Science (ICECOS), Pangkal Pinang, Indonesia, 2–4 October 2018; pp. 315–320. [Google Scholar] [CrossRef]
- Long, J.; Wang, X.; Tian, M.; Dai, D.; Zhu, G.; Zhang, J. A novel automatic pulse segmentation approach and its application in PD-induced electromagnetic wave detection. IEEE Trans. Dielectr. Electr. Insul. 2017, 24, 304–315. [Google Scholar] [CrossRef]
- Zhou, X.; Zhou, C.; Kemp, I.J. An improved methodology for application of wavelet transform to partial discharge measurement denoising. IEEE Trans. Dielectr. Electr. Insul. 2005, 12, 586–594. [Google Scholar] [CrossRef]
- Gaouda, A.M.; El-Hag, A.; Abdel-Galil, T.K.; Salama, M.M.; Bartnikas, R. On-line detection and measurement of partial discharge signals in a noisy environment. IEEE Trans. Dielectr. Electr. Insul. 2008, 15, 1162–1173. [Google Scholar] [CrossRef]
- Ashtiani, M.; Shahrtash, S. Partial discharge de-noising employing adaptive singular value decomposition. IEEE Trans. Dielectr. Electr. Insul. 2014, 21, 775–782. [Google Scholar] [CrossRef]
- Ma, X.; Zhou, C.; Kemp, I.J. Interpretation of wavelet analysis and its application in partial discharge detection. IEEE Trans. Dielectr. Electr. Insul. 2002, 9, 446–457. [Google Scholar] [CrossRef]
- Satish, L.; Nazneen, B. Wavelet-based denoising of partial discharge signals buried in excessive noise and interference. IEEE Trans. Dielectr. Electr. Insul. 2003, 10, 354–367. [Google Scholar] [CrossRef]
- Bajwa, A.A.; Habib, S.; Kamran, M. An investigation into partial discharge pulse extraction methods. Int. J. Electr. Power Energy Syst. 2015, 73, 964–982. [Google Scholar] [CrossRef]
- Dai, D.; Wang, X.; Long, J.; Tian, M.; Zhu, G.; Zhang, J. Feature extraction of GIS partial discharge signal based on S-transform and singular value decomposition. IET Sci. Meas. Technol. 2017, 11, 186–193. [Google Scholar] [CrossRef]
- Li, L.; Wei, X. Suppression Method of Partial Discharge Interferences Based on Singular Value Decomposition and Improved Empirical Mode Decomposition. Energies 2021, 14, 8579. [Google Scholar] [CrossRef]
- Jean, G.; Banon, F.; Barrera, B.J.; Rezende, S.M.; Cover, F.B.; Christine, L.; Cover, B.; Angulo, J.; Serra, J. Mathematical Morphology and Its Applications to Signal and Image Processing: 8th International Symposium on Mathematical Morphology; MCT/INPE: Brasilia, Brazil, 2007; pp. 127–163. [Google Scholar]
- Ashtiani, M.B.; Shahrtash, S.M. Feature-oriented de-noising of partial discharge signals employing mathematical morphology filters. IEEE Trans. Dielectr. Electr. Insul. 2012, 19, 2128–2136. [Google Scholar] [CrossRef]
- Zhang, Z.; Xiao, D.; Liu, Y. A wavelet transform approach to adaptive extraction of partial discharge pulses from interferences. In Proceedings of the 2009 IEEE/PES Power Systems Conference and Exposition, Seattle, DC, USA, 15–18 March 2009; pp. 1–7. [Google Scholar] [CrossRef]
- Amorim, H.P.; Carvalho, A.T.D.; Rodrigues, T.B.; Borges, J.B.S.; de C. Cunha, C.F.F. On-site measurements of Partial Discharges through tap of the bushings—Brazilian experience in power transformers. In Proceedings of the 2013 IEEE International Conference on Solid Dielectrics (ICSD), Bologna, Italy, 30 June–4 July 2013; pp. 1020–1023. [Google Scholar] [CrossRef]
- Tatizawa, H.; Bacega, A.G.; Burani, G.F. Evaluation at Field of Aged 345kV Class ZnO Surge Arresters. In Proceedings of the 2010 IEEE PES Transmission & Distribution Conference & Exposition: Smart Solutions for a Changing World, New Orleans, LA, USA, 19–22 April 2010. [Google Scholar]
- Otsu, N. A threshold selection method from gray-level histograms. IEEE Trans. Syst. Man Cybern. 1979, 9, 62–66. [Google Scholar] [CrossRef]
- Gustafsson, F. Determining the initial states in forward-backward filtering. IEEE Trans. Signal Process. 1996, 44, 988–992. [Google Scholar] [CrossRef]
- Savitzky, A.; Golay, M.J. Smoothing and differentiation of data by simplified least squares procedures. Anal. Chem. 1964, 36, 1627–1639. [Google Scholar] [CrossRef]
- EC/TS 60815-2: 2008; Selection and Dimensioning of High-Voltage Insulators Intended for use in Polluted Conditions. Part 2: Ceramic and Glass Insulators for AC Systems (I). EC/TS: Geneva, Switzerland, 2008.


















Disclaimer/Publisher’s Note: The statements, opinions and data contained in all publications are solely those of the individual author(s) and contributor(s) and not of MDPI and/or the editor(s). MDPI and/or the editor(s) disclaim responsibility for any injury to people or property resulting from any ideas, methods, instructions or products referred to in the content. |
© 2024 by the authors. Licensee MDPI, Basel, Switzerland. This article is an open access article distributed under the terms and conditions of the Creative Commons Attribution (CC BY) license (https://creativecommons.org/licenses/by/4.0/).
Share and Cite
Romano, M.A.d.A.; de Morais, A.M.; Nunes, M.V.A.; Maresch, K.; Freitas-Gutierres, L.F.; Cardoso, G., Jr.; Oliveira, A.d.L.; Martins, E.F.; Correa, C.H.; Fontoura, H.C. A Novel Method for Online Diagnostic Analysis of Partial Discharge in Instrument Transformers and Surge Arresters from the Correlation of HFCT and IEC Methods. Energies 2024, 17, 4921. https://doi.org/10.3390/en17194921
Romano MAdA, de Morais AM, Nunes MVA, Maresch K, Freitas-Gutierres LF, Cardoso G Jr., Oliveira AdL, Martins EF, Correa CH, Fontoura HC. A Novel Method for Online Diagnostic Analysis of Partial Discharge in Instrument Transformers and Surge Arresters from the Correlation of HFCT and IEC Methods. Energies. 2024; 17(19):4921. https://doi.org/10.3390/en17194921
Chicago/Turabian StyleRomano, Marcel Antonionni de Andrade, André Melo de Morais, Marcus Vinicius Alves Nunes, Kaynan Maresch, Luiz Fernando Freitas-Gutierres, Ghendy Cardoso, Jr., Aécio de Lima Oliveira, Erick Finzi Martins, Cristian Hans Correa, and Herber Cuadro Fontoura. 2024. "A Novel Method for Online Diagnostic Analysis of Partial Discharge in Instrument Transformers and Surge Arresters from the Correlation of HFCT and IEC Methods" Energies 17, no. 19: 4921. https://doi.org/10.3390/en17194921
APA StyleRomano, M. A. d. A., de Morais, A. M., Nunes, M. V. A., Maresch, K., Freitas-Gutierres, L. F., Cardoso, G., Jr., Oliveira, A. d. L., Martins, E. F., Correa, C. H., & Fontoura, H. C. (2024). A Novel Method for Online Diagnostic Analysis of Partial Discharge in Instrument Transformers and Surge Arresters from the Correlation of HFCT and IEC Methods. Energies, 17(19), 4921. https://doi.org/10.3390/en17194921

