Variable-Length Pendulum-Based Mechatronic Systems for Energy Harvesting: A Review of Dynamic Models
Abstract
1. Introduction
1.1. Manually Adjustable Pendulum
1.2. Automated Adjustable Pendulum
1.3. Tuning-Fork Pendulum
1.4. Spring-Mounted Pendulum
1.5. Elastic Cord Pendulum
1.6. Piezoelectric Materials
1.7. Electromagnetic Induction
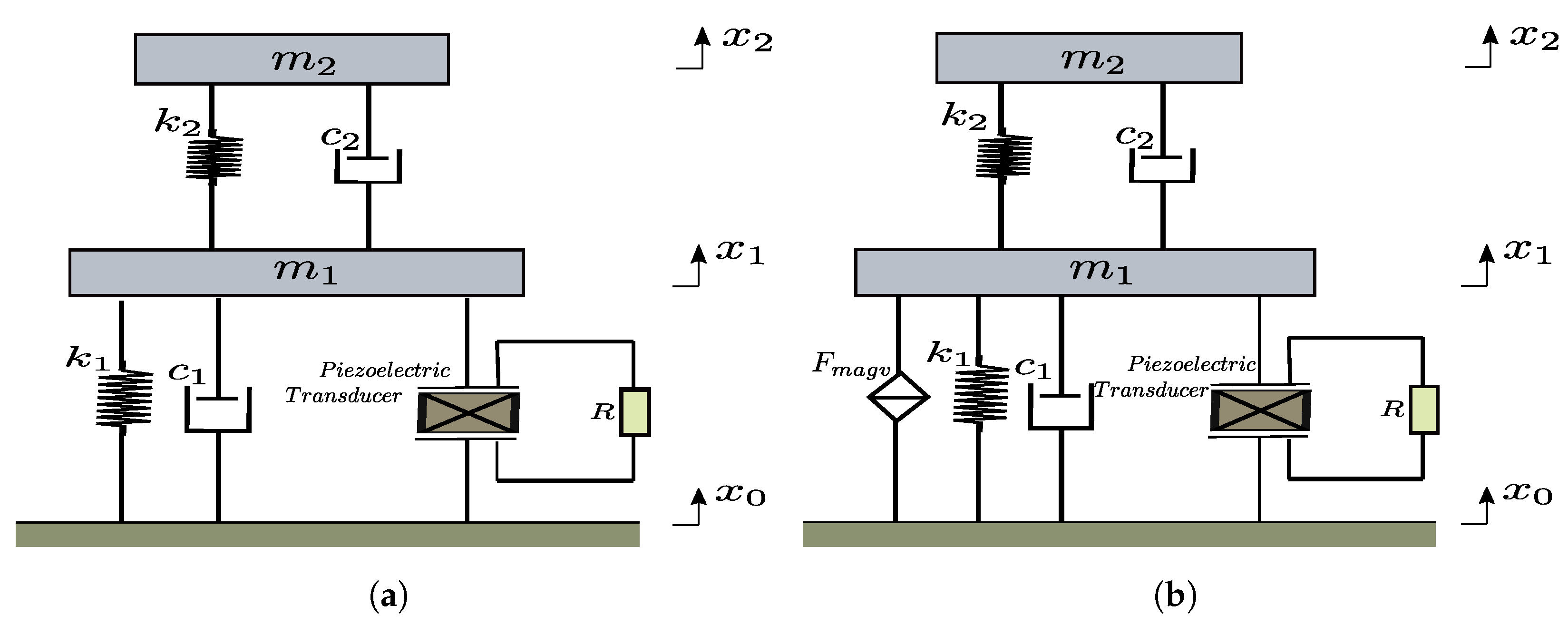
2. Piezoelectric Device Energy Harvesting from a Variable-Length Pendulum
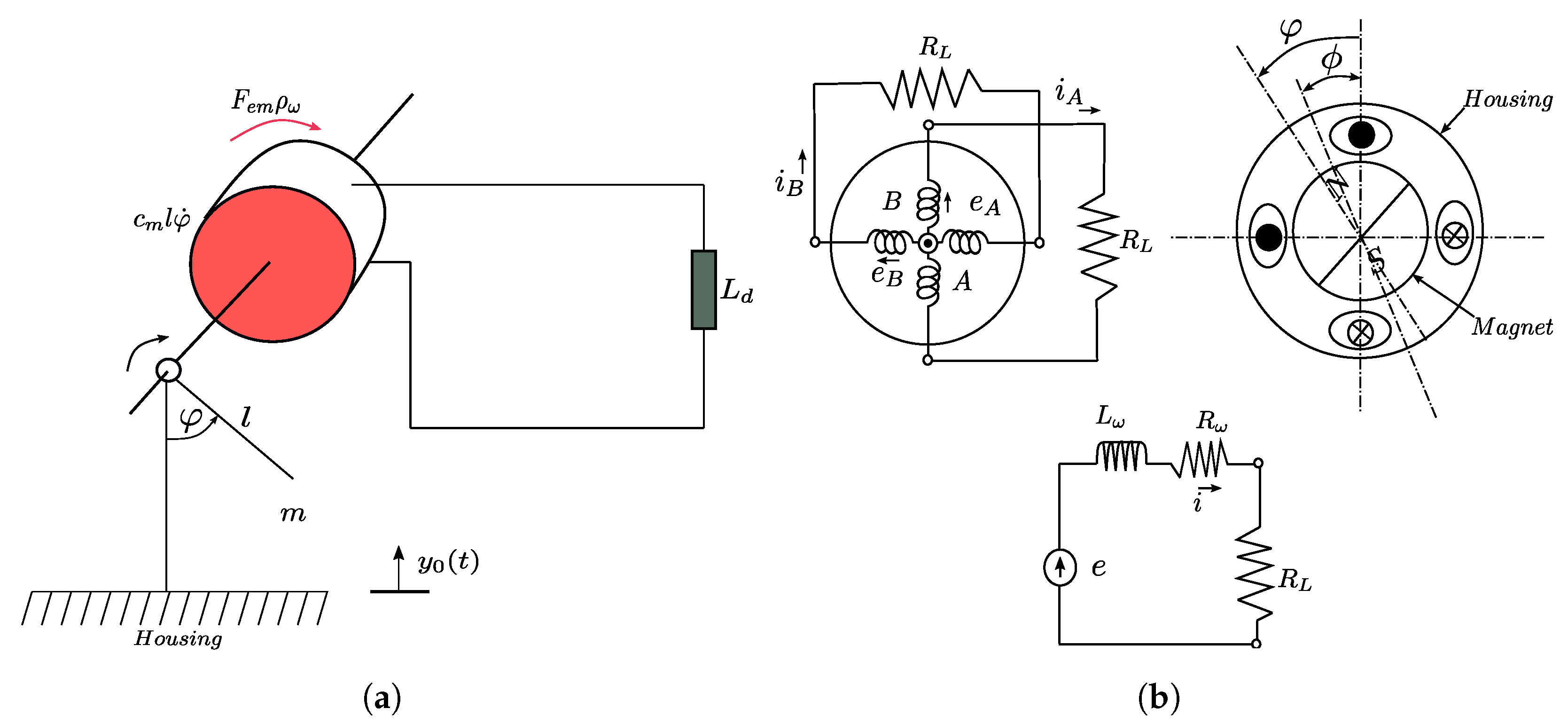
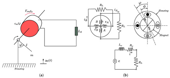
3. Electromagnetic Device Energy Harvesting from Constant- and Variable-Length Pendulums
3.1. Principle of the Electromagnetic Coupling and Pendulum Application
3.2. Energy Harvesting with a Constant-Length Pendulum Using Electromagnetic Devices
3.3. Energy Harvesting with a Variable-Length Pendulum Using Electromagnetic Devices
3.3.1. Advantages of Piezoelectric Coupling
3.3.2. Limitations of Piezoelectric Coupling
3.3.3. Advantages of Electromagnetic Coupling
3.3.4. Limitations of Electromagnetic Coupling
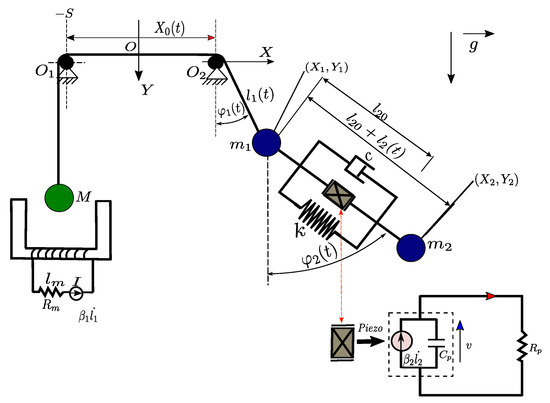
4. A Novel Variable-Length Pendulum Energy Harvester Utilizing the Modified Swinging Atwood Machine
- A damped spring model connects the two pendulum masses and ;
- The mass of the cord (also called rope) connecting all system masses is insignificant and, therefore, neglected;
- The system is non-symmetric, that is, the two pendulum masses and have more inertia as a result of the kinematic excitation that was applied to their point of suspension, i.e., the right-hand side of the pendulum of the two coupled masses and (refer to Figure 18 for more information);
- The drag forces generated by the system’s masses due to air resistance are neglected.
4.1. Mathematical Modeling of the Modified SAM Energy Harvester
4.2. Simulation Results
5. Conclusions
Author Contributions
Funding
Data Availability Statement
Conflicts of Interest
Nomenclature
| Resonance frequency (Hz) | |
| External acceleration (m·s−2) | |
| Linear coupling coefficients | |
| Pendulum displacement (m) | |
| Pendulum mass (kg) | |
| Pendulum’s moment of inertia (kg·m2) | |
| v | Output voltage (V) |
| I | Output current (A) |
| Clamped capacitance (F) | |
| Magnitude of magnetic forcing (A) | |
| Global equivalent stiffness (N·m−1) | |
| Damping coefficient (N·s·m−1) | |
| Resistive load of the piezoelectric circuit () | |
| Resistive load of the electromagnetic circuit () | |
| Displacement in the horizontal direction (m) | |
| Displacement in the vertical direction (m) | |
| Excitation operating on the pivot (Hz) | |
| Excitation amplitude (m) | |
| Excitation frequency (Hz) | |
| Power take-off term in the angular direction (W) | |
| Classical linear viscous damping term (N·s·m−1) | |
| Magnetic force amplitude (N) | |
| Natural frequency (Hz) | |
| Equivalent rotational inertia (kg·m2) | |
| Total rotational inertia (kg·m2) | |
| , | Electrical and mechanical damping ratios |
| Electrical damping force (N) | |
| Initial energy of the system (J) | |
| Effective winding radius (m) | |
| Vacuum permeability (H·m−1) | |
| Equivalent volume (m3) | |
| Surface charge density (C·m−2) | |
| Permanent magnet’s residual flux density (T) |
References
- Xin, X.; Liu, Y. Variable Length Pendulum. In Control Design and Analysis for Underactuated Robotic Systems; Springer: London, UK, 2014; pp. 139–153. [Google Scholar] [CrossRef]
- Yakubu, G.; Olejnik, P.; Awrejcewicz, J. On the Modeling and Simulation of Variable-Length Pendulum Systems: A Review. Arch. Comput. Methods Eng. 2022, 29, 2397–2415. [Google Scholar] [CrossRef]
- Hazem, Z.B.; Bingül, Z. Comprehensive Review of Different Pendulum Structures in Engineering Applications. IEEE Access 2023, 11, 42862–42880. [Google Scholar] [CrossRef]
- Cao, D.X.; Zhan, C.H.; Guo, X.Y.; Yao, M.H. An Impact-Driven Enhanced Tuning Fork for Low-Frequency Ambient Vibration Energy Harvesting: Modeling, Simulation, and Experiment. J. Vib. Eng. Technol. 2024, 12, 5073–5088. [Google Scholar] [CrossRef]
- Szumiński, W.; Woźniak, D. Dynamics and integrability analysis of two pendulums coupled by a spring. Commun. Nonlinear Sci. Numer. Simul. 2020, 83, 105099. [Google Scholar] [CrossRef]
- Szumiński, W.; Maciejewski, A.J. Dynamics and non-integrability of the double spring pendulum. J. Sound Vib. 2024, 589, 118550. [Google Scholar] [CrossRef]
- Olejnik, P.; Yakubu, G.; Pepa, K.; Jabłoński, J. A Double Variable-Length Pendulum with Counterweight Mass, Kinematic Excitation and Electromagnetic Forcing. Nonlinear Dyn. 2023, 111, 19723–19747. [Google Scholar] [CrossRef]
- Szumiński, W. A new model of variable-length coupled pendulums: From hyperchaos to superintegrability. Nonlinear Dyn. 2024, 112, 4117–4145. [Google Scholar] [CrossRef]
- Wu, Y.; Qiu, J.; Zhou, S.; Ji, H.; Chen, Y.; Li, S. A Piezoelectric Spring Pendulum Oscillator Used for Multi-Directional and Ultra-Low Frequency Vibration Energy Harvesting. Appl. Energy 2018, 231, 600–614. [Google Scholar] [CrossRef]
- Bagheri, M.H.; Khan, A.A.; Shahzadi, S.; Rana, M.M.; Hasan, M.S.; Ban, D. Advancements and Challenges in Molecular/Hybrid Perovskites for Piezoelectric Nanogenerator Application: A Comprehensive Review. Nano Energy 2024, 120, 109101. [Google Scholar] [CrossRef]
- Hu, G.; Tang, L.; Das, R.; Marzocca, P. A Two-Degree-of-Freedom Piezoelectric Energy Harvester with Stoppers for Achieving Enhanced Performance. Int. J. Mech. Sci. 2018, 149, 500–507. [Google Scholar] [CrossRef]
- Mei, X.; Nan, H.; Dong, R.; Zhou, R.; Jin, J.; Sun, F.; Zhou, S. Magnetic-Linkage Nonlinear Piezoelectric Energy Harvester with Time-Varying Potential Wells: Theoretical and Experimental Investigations. Mech. Syst. Signal Process. 2024, 208, 110998. [Google Scholar] [CrossRef]
- Abohamer, M.K.; Awrejcewicz, J.; Amer, T.S. Modeling of the Vibration and Stability of a Dynamical System Coupled with an Energy Harvesting Device. Alex. Eng. J. 2023, 63, 377–397. [Google Scholar] [CrossRef]
- Kecik, K. Simultaneous Vibration Mitigation and Energy Harvesting From a Pendulum-Type Absorber. Commun. Nonlinear Sci. Numer. Simul. 2021, 92, 105479. [Google Scholar] [CrossRef]
- He, C.H.; Amer, T.S.; Tian, D.; Abolila, A.F.; Galal, A.A. Controlling the Kinematics of a Spring-pendulum System Using an Energy Harvesting Device. J. Low Freq. Noise Vib. Act. Control 2022, 41, 1234–1257. [Google Scholar] [CrossRef]
- Ma, T.W.; Zhang, H.; Xu, N.S. A Novel Parametrically Excited Non-Linear Energy Harvester. Mech. Syst. Signal Process. 2012, 28, 323–332. [Google Scholar] [CrossRef]
- Abohamer, M.K.; Awrejcewicz, J.; Starosta, R.; Amer, T.S.; Bek, M.A. Influence of the Motion of a Spring Pendulum on Energy-Harvesting Devices. Appl. Sci. 2021, 11, 8658. [Google Scholar] [CrossRef]
- Hassan, S.A.; Abdelnaby, M.A.; Osman, T.; Khattab, A.; Arafa, M. Design of a Self-Tunable, Variable-Length Pendulum for Harvesting Energy From Rotational Motion. J. Vibroeng. 2020, 22, 1309–1325. [Google Scholar] [CrossRef]
- Kumar, R.; Gupta, S.; Ali, S.F. Energy Harvesting From Chaos in Base Excited Double Pendulum. Mech. Syst. Signal Process. 2019, 124, 49–64. [Google Scholar] [CrossRef]
- Krasilnikov, P.; Gurina, T.; Svetlova, V. Bifurcation Study of a Chaotic Model Variable-Length Pendulum on a Vibrating Base. Int. J. Non-Linear Mech. 2018, 105, 88–98. [Google Scholar] [CrossRef]
- Luo, A.C.J.; Yuan, Y.; Caramel, S. Bifurcation Trees of Period-1 to Period-2 Motions in a Periodically Excited Nonlinear Spring Pendulum. J. Vib. Test. Syst. Dyn. 2020, 4, 201–248. [Google Scholar] [CrossRef]
- Smiechowicz, W.; Loup, T.; Olejnik, P. Lyapunov Exponents of Early Stage Dynamics of Parametric Mutations of a Rigid Pendulum with Harmonic Excitation. Math. Comput. Appl. 2019, 24, 90. [Google Scholar] [CrossRef]
- Yakubu, G.; Olejnik, P.; Awrejcewicz, J. Modeling, Simulation, and Analysis of a Variable-Length Pendulum Water Pump. Energies 2021, 14, 8064. [Google Scholar] [CrossRef]
- Pietrzak, P.; Ogińska, M.; Krasuski, T.; Figueiredo, K.; Olejnik, P. Near The Resonance Behavior of a Periodically Forced Partially Dissipative Three-Degrees-of-Freedom Mechanical System. Lat. Am. J. Sci. Struct. 2018, 15, 1–12. [Google Scholar]
- Olejnik, P.; Fečkan, M.; Awrejcewicz, J. Analytical and Numerical Study on a Parametric Pendulum with the Step-Wave Modulation of Length and Forcing. Int. J. Struct. Stab. Dyn. 2019, 19, 1941006. [Google Scholar] [CrossRef]
- Saxena, S.; Sharma, R.; Pant, B.D. Piezoelectric Layer Length and Thickness Variation Effects on Displacement, Von-Mises Stress and Electric Potential Generated by Cantilever Type Piezoelectric Energy Harvester. Mater. Today Proc. 2020, 30, 23–27. [Google Scholar] [CrossRef]
- Saxena, S.; Sharma, R.; Pant, B.D. Effect of Seismic Mass Thickness on the Resonance Frequency of Cantilever Type Piezoelectric Energy Harvester. Mater. Today Proc. 2020, 30, 88–92. [Google Scholar] [CrossRef]
- Zhang, T.; Cao, H.; Zhang, Z.; Kong, W.; Kong, L.; Liu, J.; Yan, J. A Variable Damping Vibration Energy Harvester Based on Half-Wave Flywheeling Effect for Freight Railways. Mech. Syst. Signal Process. 2023, 200, 110611. [Google Scholar] [CrossRef]
- Barton, D.A.W.; Burrow, S.G.; Clare, L.R. Energy Harvesting From Vibrations with a Nonlinear Oscillator. J. Vib. Acoust. 2010, 132, 021009. [Google Scholar] [CrossRef]
- Challa, V.R.; Prasad, M.G.; Shi, Y.; Fisher, F.T. A Vibration Energy Harvesting Device with Bidirectional Resonance Frequency Tunability. Smart Mater. Struct. 2008, 17, 015035. [Google Scholar] [CrossRef]
- Kecik, K.; Brzeski, P.; Perlikowski, P. Non-Linear Dynamics and Optimization of a Harvester-Absorber System. Int. J. Struct. Stab. Dyn. 2016, 17, 1740001. [Google Scholar] [CrossRef]
- Daqaq, M.F.; Stabler, C.; Qaroush, Y.; Seuaciuc-Osório, T. Investigation of Power Harvesting via Parametric Excitations. J. Intell. Mater. Syst. Struct. 2009, 20, 545–557. [Google Scholar] [CrossRef]
- Covaci, C.; Gontean, A. Piezoelectric Energy Harvesting Solutions: A Review. Sensors 2020, 20, 3512. [Google Scholar] [CrossRef] [PubMed]
- Rocha, R.T.; Balthazar, J.M.; Tusset, A.M.; Piccirillo, V.; Felix, J.L.P. Nonlinear Piezoelectric Vibration Energy Harvesting From a Portal Frame with Two-to-One Internal Resonance. Meccanica 2017, 52, 2583–2602. [Google Scholar] [CrossRef]
- Stanton, S.C.; McGehee, C.C.; Mann, B.P. Nonlinear Dynamics for Broadband Energy Harvesting: Investigation of a Bistable Piezoelectric Inertial Generator. Phys. D Nonlinear Phenom. 2010, 239, 640–653. [Google Scholar] [CrossRef]
- Chen, J.; Bao, B.; Liu, J.; Wu, Y.; Wang, Q. Pendulum Energy Harvesters: A Review. Energies 2022, 15, 8674. [Google Scholar] [CrossRef]
- Al-Halhouli, A.; Kloub, H.A.; Wegner, M.; Büttgenbach, M. Design and Experimental Investigations of Magentic Energy Harvester at Low Resonance Frequency. Int. J. Therm. Environ. Eng. 2015, 10, 69–78. [Google Scholar] [CrossRef]
- Krasnopolskaya, T.; Pechuk, E. Energy Extraction by an Oscillating System from a Shaker or a Wave Field. Int. J. Nonlinear Dyn. Control 2019, 1, 304–316. [Google Scholar] [CrossRef]
- Panyam, M.; Daqaq, M.F.; Emam, S.A. Exploiting the Subharmonic Parametric Resonances of a Buckled Beam for Vibratory Energy Harvesting. Meccanica 2018, 53, 3545–3564. [Google Scholar] [CrossRef]
- Belhaq, M.; Hamdi, M. Energy Harvesting From Quasi-Periodic Vibrations. Nonlinear Dyn. 2016, 86, 2193–2205. [Google Scholar] [CrossRef]
- Daqaq, M.F.; Masana, R.; Erturk, A.; Dane Quinn, D. On the Role of Nonlinearities in Vibratory Energy Harvesting: A Critical Review and Discussion. Appl. Mech. Rev. 2014, 66, 040801. [Google Scholar] [CrossRef]
- Barth Lenz, W.; Ribeiro, M.; Tumolin Rocha, R.; Balthazar, J.; Tusset, A. Numerical Simulations and Control of Offshore Energy Harvesting Using Piezoelectric Materials in a Portal Frame Structure. Shock Vib. 2021, 2021, 6651999. [Google Scholar] [CrossRef]
- Xu, D.; Hu, Y.; Bu, X.; Chen, H.; Jia, H. Energy Harvesting Properties of the d31 Type Piezoelectric Cantilever Harvester. J. Electroceram. 2023, 51, 221–229. [Google Scholar] [CrossRef]
- Sezer, N.; Koç, M. A Comprehensive Review on the State-of-the-Art of Piezoelectric Energy Harvesting. Nano Energy 2021, 80, 105567. [Google Scholar] [CrossRef]
- Kim, J.; Byun, S.; Lee, S.; Ryu, J.; Cho, S.; Oh, C.; Kim, H.; No, K.; Ryu, S.; Lee, Y.M.; et al. Cost-Effective and Strongly Integrated Fabric-Based Wearable Piezoelectric Energy Harvester. Nano Energy 2020, 75, 104992. [Google Scholar] [CrossRef]
- Xia, G.; Zhang, S.; Kang, X.; Han, T.; Chen, L.; Lim, C.W. Performance Analysis of Nonlinear Piezoelectric Energy Harvesting System Under Bidirectional Excitations. Compos. Struct. 2023, 324, 117529. [Google Scholar] [CrossRef]
- Rajarathinam, M.; Awrejcewicz, J.; Ali, S.F. A Novel Design of an Array of Pendulum-Based Electromagnetic Broadband Vibration Energy Harvester. Mech. Syst. Signal Process. 2024, 208, 110955. [Google Scholar] [CrossRef]
- Sani, G.; Awrejcewicz, J.; Tabekoueng, Z.N. Modeling, Analysis and Control of Parametrically Coupled Electromechanical Oscillators. Mech. Mach. Theory 2024, 191, 105514. [Google Scholar] [CrossRef]
- Xiao, Y.; Lu, Z.Q.; Wu, N. Development and Analysis of Magnet-Engaged Piezoelectric Energy Generator Under Friction-Induced Vibration. Int. J. Non-Linear Mech. 2024, 158, 104560. [Google Scholar] [CrossRef]
- Basheer, F.; Mehaisi, E.; Elsergany, A.; ElSheikh, A.; Ghommem, M.; Najar, F. Energy Harvesters for Rotating Systems: Modeling and Performance Analysis. Tech. Mess. 2021, 88, 164–177. [Google Scholar] [CrossRef]
- Zaouali, E.; Najar, F.; Kacem, N.; Foltete, E. Pendulum-Based Embedded Energy Harvester for Rotating Systems. Mech. Syst. Signal Process. 2022, 180, 109415. [Google Scholar] [CrossRef]
- Hsieh, J.C.; Lin, D.T.W.; Lin, C.L. The Development and Optimization of an Innovative Piezoelectric Energy Harvester on the Basis of Vapor-Induced Vibrations. Mech. Syst. Signal Process. 2019, 131, 649–658. [Google Scholar] [CrossRef]
- Dhote, S.; Li, H.; Yang, Z. Multi-frequency Responses of Compliant Orthoplanar Spring Designs for Widening the Bandwidth of Piezoelectric Energy Harvesters. Int. J. Mech. Sci. 2019, 157-158, 684–691. [Google Scholar] [CrossRef]
- Li, T.; Lee, P.S. Piezoelectric Energy Harvesting Technology: From Materials, Structures, to Applications. Small Struct. 2022, 3, 2100128. [Google Scholar] [CrossRef]
- Ambrożkiewicz, B.; Litak, G.; Wolszczak, P. Modelling of Electromagnetic Energy Harvester with Rotational Pendulum Using Mechanical Vibrations to Scavenge Electrical Energy. Appl. Sci. 2020, 10, 671. [Google Scholar] [CrossRef]
- Marszal, M.; Witkowski, B.; Jankowski, K.; Perlikowski, P.; Kapitaniak, T. Energy Harvesting From Pendulum Oscillations. Int. J. Non-Linear Mech. 2017, 94, 251–256. [Google Scholar] [CrossRef]
- Liu, H.; Zhong, J.; Lee, C.; Lee, S.W.; Lin, L. A Comprehensive Review on Piezoelectric Energy Harvesting Technology: Materials, Mechanisms, and Applications. Appl. Phys. Rev. 2018, 5, 041306. [Google Scholar] [CrossRef]
- Wu, Z.; Xu, Q. Design and Testing of a New Dual-Axial Underfloor Piezoelectric Energy Harvester. Sensors Actuators A Phys. 2020, 303, 111858. [Google Scholar] [CrossRef]
- Zhang, B.; Zhou, H.; Zhao, X.; Gao, J.; Zhou, S. Design and Experimental Analysis of a Piezoelectric Energy Harvester Based on Stacked Piezoceramic for Nonharmonic Excitations. Energy 2023, 282, 128948. [Google Scholar] [CrossRef]
- Fan, Y.; Zhang, Y.; Niu, M.Q.; Chen, L.Q. An Internal Resonance Piezoelectric Energy Harvester Based on Geometrical Nonlinearities. Mech. Syst. Signal Process. 2024, 211, 111176. [Google Scholar] [CrossRef]
- Peralta-Braz, P.; Alamdari, M.M.; Ruiz, R.O.; Atroshchenko, E.; Hassan, M. Design Optimisation of Piezoelectric Energy Harvesters for Bridge Infrastructure. Mech. Syst. Signal Process. 2023, 205, 110823. [Google Scholar] [CrossRef]
- Prajwal, K.; Manickavasagam, K.; Suresh, R. A Review on Vibration Energy Harvesting Technologies: Analysis and Technologies. Eur. Phys. J. Spec. Top. 2022, 231, 1359–1371. [Google Scholar] [CrossRef]
- Khan, M.Z.A.; Khan, H.A.; Aziz, M. Harvesting Energy From Ocean: Technologies and Perspectives. Energies 2022, 15, 3456. [Google Scholar] [CrossRef]
- Khaligh, A.; Zeng, P.; Zheng, C. Kinetic Energy Harvesting Using Piezoelectric and Electromagnetic Technologies—State of the Art. IEEE Trans. Ind. Electron. 2010, 57, 850–860. [Google Scholar] [CrossRef]
- Wu, N.; Bao, B.; Wang, Q. Review on Engineering Structural Designs for Efficient Piezoelectric Energy Harvesting to Obtain High Power Output. Eng. Struct. 2021, 235, 112068. [Google Scholar] [CrossRef]
- Wang, H.; Jasim, A.; Chen, X. Energy Harvesting Technologies in Roadway and Bridge for Different Applications—A Comprehensive Review. Appl. Energy 2018, 212, 1083–1094. [Google Scholar] [CrossRef]
- Bao, B.; Wang, Q. Bladeless Rotational Piezoelectric Energy Harvester for Hydroelectric Applications of Ultra-Low and Wide-Range Flow Rates. Energy Convers. Manag. 2021, 227, 113619. [Google Scholar] [CrossRef]
- Izadgoshasb, I.; Lim, Y.Y.; Tang, L.; Padilla, R.V.; Tang, Z.S.; Sedighi, M. Improving Efficiency of Piezoelectric Based Energy Harvesting From Human Motions Using Double Pendulum System. Energy Convers. Manag. 2019, 184, 559–570. [Google Scholar] [CrossRef]
- Wu, Y.; Ji, H.; Qiu, J.; Han, L. A 2-Degree-of-Freedom Cubic Nonlinear Piezoelectric Harvester Intended for Practical Low-Frequency Vibration. Sensors Actuators A Phys. 2017, 264, 1–10. [Google Scholar] [CrossRef]
- Wang, H.; Tang, L. Modeling and Experiment of Bistable Two-Degree-of-Freedom Energy Harvester with Magnetic Coupling. Mech. Syst. Signal Process. 2017, 86, 29–39. [Google Scholar] [CrossRef]
- Emam, S.A.; Inman, D.J. A Review on Bistable Composite Laminates for Morphing and Energy Harvesting. Appl. Mech. Rev. 2015, 67, 060803. [Google Scholar] [CrossRef]
- Yakubu, G.; Shehu, Y.; Ibrahim, A.G.; Aminu, M. Employing Electromagnetic Actuator to Harvest Energy Through a Variable-Length Pendulum. Niger. J. Trop. Eng. (NJTE) 2024, 18, 151–162. [Google Scholar] [CrossRef]
- Siddique, A.R.M.; Mahmud, S.; Heyst, B.V. A Comprehensive Review on Vibration Based Micro Power Generators Using Electromagnetic and Piezoelectric Transducer Mechanisms. Energy Convers. Manag. 2015, 106, 728–747. [Google Scholar] [CrossRef]
- Owens, B.A.M.; Mann, B.P. Linear and Nonlinear Electromagnetic Coupling Models in Vibration-Based Energy Harvesting. J. Sound Vib. 2012, 331, 922–937. [Google Scholar] [CrossRef]
- Beeby, S.P.; Torah, R.N.; Tudor, M.J.; Glynne-Jones, P.; O’Donnell, T.; Saha, C.R.; Roy, S. A Micro Electromagnetic Generator for Vibration Energy Harvesting. J. Micromecha. Microengin. 2007, 17, 1257. [Google Scholar] [CrossRef]
- Sharghi, H.; Bilgen, O. Energy Harvesting from Human Walking Motion using Pendulum-based Electromagnetic Generators. J. Sound Vib. 2022, 534, 117036. [Google Scholar] [CrossRef]
- Shen, W.-a.; Zhu, S.; Xu, Y.-l. An Experimental Study on Self-Powered Vibration Control and Monitoring System Using Electromagnetic TMD and Wireless Sensors. Sensors Actuators A Phys. 2012, 180, 166–176. [Google Scholar] [CrossRef]
- Wojna, M.; Wijata, A.; Wasilewski, G.; Awrejcewicz, J. Numerical and Experimental Study of a Double Physical Pendulum with Magnetic Interaction. J. Sound Vib. 2018, 430, 214–230. [Google Scholar] [CrossRef]
- Musharraf, M.; Khan, I.U.; Khan, N. Design of an Oscillating Coil Pendulum Energy Generating System. Procedia Comput. Sci. 2014, 32, 639–646. [Google Scholar] [CrossRef][Green Version]
- Wang, Y.J.; Chen, C.D.; Sung, C.K. System Design of a Weighted-Pendulum-Type Electromagnetic Generator for Harvesting Energy From a Rotating Wheel. IEEE/ASME Trans. Mechatron. 2013, 18, 754–763. [Google Scholar] [CrossRef]
- Wang, Y.J.; Chen, C.D.; Sung, C.K. Design of a Frequency-Adjusting Device for Harvesting Energy From a Rotating Wheel. Sensors Actuators A Phys. 2010, 159, 196–203. [Google Scholar] [CrossRef]
- Hao, Z.; Wang, D.; Wiercigroch, M. Nonlinear Dynamics of New Magneto-Mechanical Oscillator. Commun. Nonlinear Sci. Numer. Simul. 2022, 105, 106092. [Google Scholar] [CrossRef]
- Furlani, E.P. Permanent Magnet and Electromechanical Devices: Materials, Analysis, and Applications; Academic Press: Cambridge, MA, USA, 2001. [Google Scholar]
- Gaikwad, A.; Sudhakar, D.S.S.; Sinha, N.; Nakum, K. Simulation and Modelling of Solenoid in Switch Gear. Int. J. Eng. Res. Technol. 2016, 5, 114–120. [Google Scholar] [CrossRef]
- Naseradinmousavi, P.; Nataraj, C. Transient Chaos and Crisis Phenomena in Butterfly Valves Driven by Solenoid Actuators. Commun. Nonlinear Sci. Numer. Simul. 2012, 17, 4336–4345. [Google Scholar] [CrossRef]
- Jebelli, A.; Mahabadi, A.; Yagoub, M.; Chaoui, H. Magnetic Force Calculation Between Magnets and Coils. Int. J. Phys. 2020, 8, 71–80. [Google Scholar] [CrossRef]
- Chae, S.; Ju, S.; Choi, Y.; Chi, Y.E.; Ji, C.H. Electromagnetic Linear Vibration Energy Harvester Using Sliding Permanent Magnet Array and Ferrofluid as a Lubricant. Micromachines 2017, 8, 288. [Google Scholar] [CrossRef] [PubMed]
- Wang, Y.; Wang, P.; Li, S.; Gao, M.; Ouyang, H.; He, Q.; Wang, P. An Electromagnetic Vibration Energy Harvester Using a Magnet-Array-Based Vibration-to-Rotation Conversion Mechanism. Energy Convers. Manag. 2022, 253, 115146. [Google Scholar] [CrossRef]
- López-Alcolea, F.J.; Real, J.V.; Roncero-Sánchez, P.; Torres, A.P. Modeling of a Magnetic Coupler Based on Single- and Double-Layered Rectangular Planar Coils with In-Plane Misalignment for Wireless Power Transfer. IEEE Trans. Power Electron. 2020, 35, 5102–5121. [Google Scholar] [CrossRef]
- Gomis-Bellmunt, O.; Galceran-Arellano, S.; Sudrià-Andreu, A.; Montesinos-Miracle, D.; Campanile, L.F. Linear Electromagnetic Actuator Modeling for Optimization of Mechatronic and Adaptronic Systems. Mechatronics 2007, 17, 153–163. [Google Scholar] [CrossRef]
- Xu, X.; Han, X.; Liu, Y.; Liu, Y.; Liu, Y. Modeling and Dynamic Analysis on the Direct Operating Solenoid Valve for Improving the Performance of the Shifting Control System. Appl. Sci. 2017, 7, 1266. [Google Scholar] [CrossRef]
- Caciagli, A.; Baars, R.J.; Philipse, A.P.; Kuipers, B.W. Exact Expression for the Magnetic Field of a Finite Cylinder with Arbitrary Uniform Magnetization. J. Magn. Magn. Mater. 2018, 456, 423–432. [Google Scholar] [CrossRef]
- Zhou, W.; Huang, S.Y. Modeling the Self-Capacitance of an Irregular Solenoid. IEEE Trans. Electromagn. Compat. 2020, 63, 783–791. [Google Scholar] [CrossRef]
- Abedinifar, M.; Ertugrul, S.; Tayyar, G.T. Design Optimization of a Solenoid Actuator Using Particle Swarm Optimization Algorithm with Multiple Objectives. Adv. Mech. Eng. 2022, 14, 16878132221135737. [Google Scholar] [CrossRef]
- Song, C.W.; Lee, S.Y. Design of a Solenoid Actuator with a Magnetic Plunger for Miniaturized Segment Robots. Appl. Sci. 2015, 5, 595–607. [Google Scholar] [CrossRef]
- Ebrahimi, N.; Schimpf, P.; Jafari, A. Design Optimization of a Solenoid-Based Electromagnetic Soft Actuator with Permanent Magnet Core. Sensors Actuators A Phys. 2018, 284, 276–285. [Google Scholar] [CrossRef]
- Sommermann, P.; Cartmell, M.P. The Dynamics of an Omnidirectional Pendulum Harvester. Nonlinear Dyn 2021, 32, 1889–1900. [Google Scholar] [CrossRef]
- Friswell, M.I.; Ali, S.F.; Bilgen, O.; Adhikari, S.; Lees, A.W.; Litak, G. Non-Linear Piezoelectric Vibration Energy Harvesting from a Vertical Cantilever Beam with Tip Mass. J. Intell. Mater. Syst. Struct. 2012, 23, 1505–1521. [Google Scholar] [CrossRef]
- Huguet, T.; Badel, A.; Druet, O.; Lallart, M. Drastic Bandwidth Enhancement of Bistable Energy Harvesters: Study of Subharmonic Behaviors and Their Stability Robustness. Appl. Energy 2018, 226, 607–617. [Google Scholar] [CrossRef]
- Chen, Y.H.; Lee, C.; Wang, Y.J.; Chang, Y.Y.; Chen, Y.C. Energy Harvester Based on an Eccentric Pendulum and Wiegand Wires. Micromachines 2022, 13, 623. [Google Scholar] [CrossRef] [PubMed]
- Kuang, Y.; Hide, R.; Zhu, M. Broadband Energy Harvesting by Nonlinear Magnetic Rolling Pendulum with Subharmonic Resonance. Appl. Energy 2019, 255, 113822. [Google Scholar] [CrossRef]
- Tang, X.; Zuo, L. Vibration Energy Harvesting from Random Force and Motion Excitations. Smart Mater. Struct. 2012, 21, 075025. [Google Scholar] [CrossRef]
- Tang, X.; Zuo, L. Enhanced Vibration Energy Harvesting Using Dual-Mass Systems. J. Sound Vib. 2011, 330, 5199–5209. [Google Scholar] [CrossRef]
- Byung-Chul Lee, G.S.C. Design and Analysis of a Pendulum-Based Electromagnetic Energy Harvester Using Anti-Phase Motion. IET Renew. Power Gener. 2016, 10, 1625–1630. [Google Scholar] [CrossRef]
- Zhang, J.; Su, Y. Design and Analysis of a Non-Resonant Rotational Electromagnetic Harvester with Alternating Magnet Sequence. J. Magn. Magn. Mater. 2021, 540, 168393. [Google Scholar] [CrossRef]
- Graves, J.; Kuang, Y.; Zhu, M. Counterweight-Pendulum Energy Harvester with Reduced Resonance Frequency for Unmanned Surface Vehicles. Sensors Actuators A Phys. 2021, 321, 112577. [Google Scholar] [CrossRef]
- Dotti, F.E.; Sosa, M.D. Pendulum Systems for Harvesting Vibration Energy from Railroad Tracks and Sleepers During the Passage of a High-Speed Train: A Feasibility Evaluation. Theor. Appl. Mech. Lett. 2019, 9, 229–235. [Google Scholar] [CrossRef]
- Zhou, Z.; Whiteman, C. Motions of a Double Pendulum. Nonlinear Anal. Theory, Methods Appl. 1996, 26, 1177–1191. [Google Scholar] [CrossRef]
- Zhang, A.; Sorokin, V.; Li, H. Energy Harvesting Using a Novel Autoparametric Pendulum Absorber-Harvester. J. Sound Vib. 2021, 499, 116014. [Google Scholar] [CrossRef]





















| Set | L | l | I(A) | N | ||||
|---|---|---|---|---|---|---|---|---|
| 1 | 50 | 60 | 150 | 6 | 20 | 20 | 6 | 540 |
| 2 | 50 | 60 | 150 | 6 | 22 | 20 | 6 | 540 |
| 3 | 50 | 60 | 150 | 6 | 26 | 20 | 6 | 540 |
| 4 | 50 | 60 | 180 | 6 | 26 | 20 | 6 | 540 |
| 5 | 50 | 60 | 180 | 6 | 26 | 20 | 6 | 540 |
| Ref. | Structure | Conversion Method | Applications | Input Condition | Output Power |
|---|---|---|---|---|---|
| [13] | Spring-mounted/ Elastic cord | Electromagnetic | Duffing oscillator | 12 Hz | µW |
| [16] | Automated adjustable | Electromagnetic | Parametric resonance | 4 Hz | − |
| [17] | Elastic cord | Piezoelectric | Uniform circular motion | 10 Hz | − |
| [17] | Elastic cord | Electromagnetic | Uniform circular motion | 10 Hz | − |
| [18] | Automated adjustable | Electromagnetic | Rotating systems | Hz | W |
| [28] | Automated adjustable | Electromagnetic | Freight train-based railway | 90 Km/h (train speed) | W |
| [51] | Manually adjustable | Electromagnetic | Rotating systems | 89 rpm | mW |
| [58] | Automated adjustable | Piezoelectric | Underfloor energy harvester | 5 Hz | mW |
| [68] | Manually adjustable | Piezoelectric | Human motion | 2 Hz | µW |
| [9] | Elastic cord | Piezoelectric | Asymmetric cantilever beams | Hz | mW |
| [99] | Spring-mounted | Electromagnetic | Bistable energy harvesters | 70 Hz | 100 µW |
| [100] | Eccentric and Wiegan wires | Electromagnetic | Rotating systems | 660 rpm | µW |
| [101] | Automated adjustable | Electromagnetic | Rail track vibration | Hz | 1 mW |
| [104] | Manually adjustable | Electromagnetic | Anti-phase motion | 2 Hz | 247 µW |
| [106] | Counterweight | Electromagnetic | Marine environment | Hz | W |
| [107] | Manually adjustable | Electromagnetic | Railroad tracks and sleepers | 3 Hz | 5–6 W |
| [109] | Spring-mounted | Electromagnetic | Absorber- harvester | Hz | − |
Disclaimer/Publisher’s Note: The statements, opinions and data contained in all publications are solely those of the individual author(s) and contributor(s) and not of MDPI and/or the editor(s). MDPI and/or the editor(s) disclaim responsibility for any injury to people or property resulting from any ideas, methods, instructions or products referred to in the content. |
© 2024 by the authors. Licensee MDPI, Basel, Switzerland. This article is an open access article distributed under the terms and conditions of the Creative Commons Attribution (CC BY) license (https://creativecommons.org/licenses/by/4.0/).
Share and Cite
Yakubu, G.; Olejnik, P.; Adisa, A.B. Variable-Length Pendulum-Based Mechatronic Systems for Energy Harvesting: A Review of Dynamic Models. Energies 2024, 17, 3469. https://doi.org/10.3390/en17143469
Yakubu G, Olejnik P, Adisa AB. Variable-Length Pendulum-Based Mechatronic Systems for Energy Harvesting: A Review of Dynamic Models. Energies. 2024; 17(14):3469. https://doi.org/10.3390/en17143469
Chicago/Turabian StyleYakubu, Godiya, Paweł Olejnik, and Ademola B. Adisa. 2024. "Variable-Length Pendulum-Based Mechatronic Systems for Energy Harvesting: A Review of Dynamic Models" Energies 17, no. 14: 3469. https://doi.org/10.3390/en17143469
APA StyleYakubu, G., Olejnik, P., & Adisa, A. B. (2024). Variable-Length Pendulum-Based Mechatronic Systems for Energy Harvesting: A Review of Dynamic Models. Energies, 17(14), 3469. https://doi.org/10.3390/en17143469

