Review on Absorption Refrigeration Technology and Its Potential in Energy-Saving and Carbon Emission Reduction in Natural Gas and Hydrogen Liquefaction
Abstract
1. Introduction
2. Progress in Absorption Refrigeration Technology
2.1. Working Pairs
2.1.1. Water-Based Working Pairs
2.1.2. Ammonia-Based Working Pairs
2.1.3. Alcohol-Based Working Pairs
2.1.4. Freon-Based Working Pairs
2.1.5. Other Working Pairs
2.2. Cycle Configurations
2.2.1. Single-Effect Absorption Cycle
2.2.2. Multi-Effect Absorption Cycle
2.2.3. Multi-Stage Absorption Cycle
2.2.4. Auto-Cascade Absorption Cycle
2.2.5. GAX Absorption Cycle
2.2.6. Ejector-Assisted Absorption Refrigeration Cycle
2.2.7. Compressor-Assisted Absorption Refrigeration Cycle
2.3. Heat and Mass Transfer in Main Components
2.3.1. Heat and Mass Transfer in Absorber
2.3.2. Heat and Mass Transfer in Generator
3. Energy-Saving and Carbon Emission Reduction Potential of Absorption Refrigeration Technology in Natural Gas Liquefaction
3.1. Carbon Emission Calculation Method
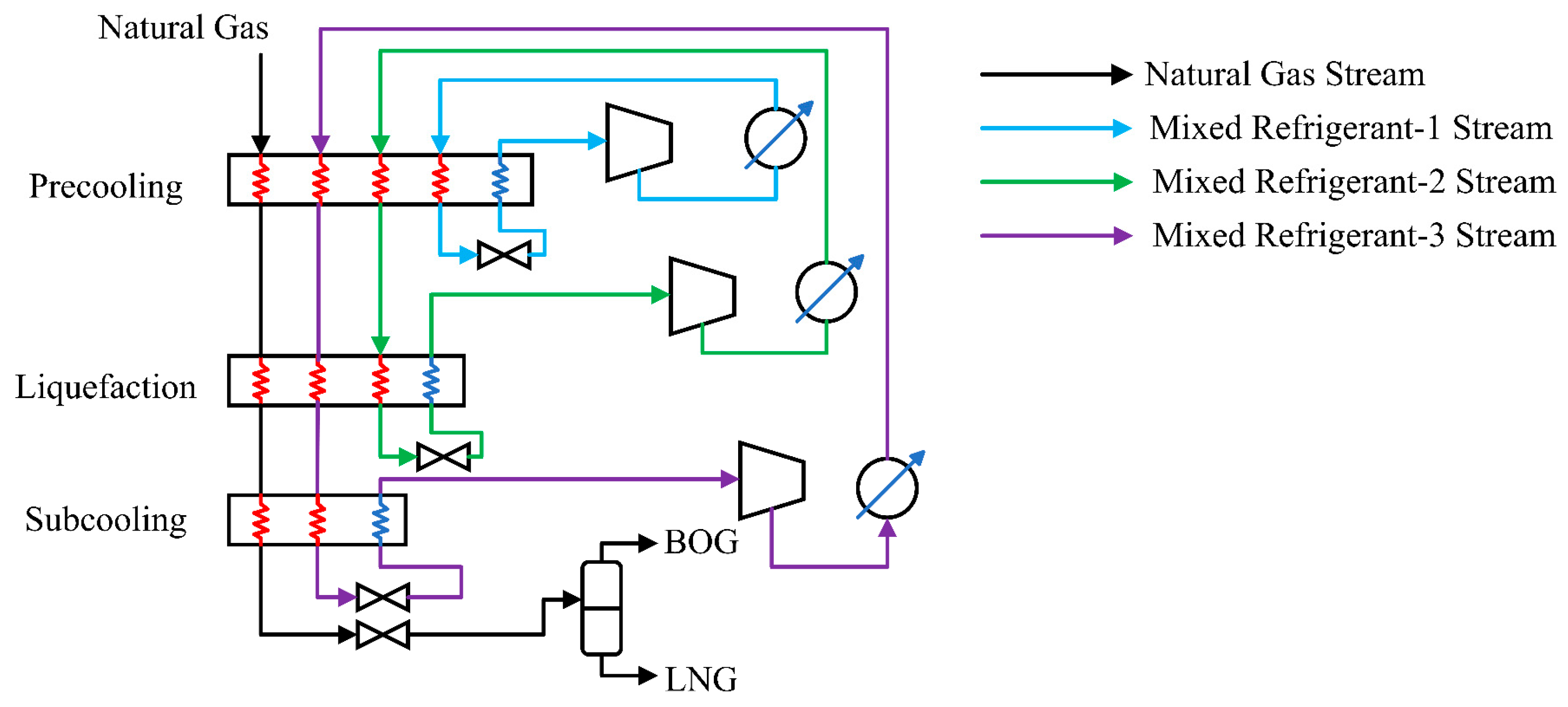
3.2. Mixed Refrigerant Liquefaction Process
3.2.1. Single Mixed Refrigerant Process
3.2.2. Propane Precooling Mixed Refrigerant Process
3.2.3. Dual Mixed Refrigerant Process
3.2.4. Cascade Processes
3.3. Expansion Refrigeration Liquefaction Process
4. Energy-Saving and Carbon Emission Reduction Potential of Absorption Refrigeration Technology in Hydrogen Liquefaction
4.1. Linde–Hampson Cycle
4.2. Claude Cycle
4.3. Joule–Brayton Cycle
5. Conclusions
- (1)
- To match different driven heat sources and refrigeration temperatures, working pairs present a diversified development trend, among which environment-friendly and high-efficiency working pairs with ionic liquids and deep eutectic solvents as new absorbers exhibit promising development potential. Ionic liquids and deep eutectic solvents could form good working pairs with various environmentally friendly refrigerants, but their refrigerant vapor absorbability still needs to be enhanced.
- (2)
- Through the heat and mass transfer coupling within the cycle and the addition of sub-components, cycle configurations with high energy efficiency, which are suitable for different driven heat sources and refrigeration temperatures, are developed.
- (3)
- Additives, ultrasonic oscillations, and mechanical treatment of heat transfer surfaces are efficient approaches to enhance the ARC’s heat and mass transfer. A synergistic enhancement effect exists between ultrasonic oscillation and nanoparticle additives, as ultrasonic oscillations improve the dispersion homogeneity of nanoparticles in the circulating solution.
- (4)
- The ARC, driven by industrial waste heat or renewable thermal energy, integrated into conventional NG liquefaction processes, including SMR, C3MR, DMR, cascade, and expansion refrigeration liquefaction processes, by providing precooling temperatures of −13~−54 °C, results in a reduction in SPC and CE by 10~38% and 10~36%, respectively.
- (5)
- The ARC integrated into conventional H2 liquefaction processes, including Linde–Hampson, Claude, and Joule–Brayton liquefaction processes, by providing precooling temperatures of 9~−59 °C, results in a reduction in SPC and CE by 2~24% and 5~24%, respectively.
- (6)
- The ARC, which can achieve lower precooling temperatures and higher energy efficiency, exhibits greater energy-saving and carbon emission reduction potential in NG and H2 liquefaction. Compared to the lithium bromide cycle, which only provides a cooling temperature above 0 °C for the inter-stage cooler, the auto-cascade absorption, absorption–compression cascade, and absorption-cascade cycles could provide precooling temperatures of −50~−60 °C, which could substitute the compression or expansion precooling cycle, thus exhibiting more significant energy-saving and carbon emission reduction potential.
Author Contributions
Funding
Conflicts of Interest
Nomenclature
| ACAR | Auto-cascade absorption refrigeration cycle | |
| ARS | Absorption refrigeration system | |
| BOG | Boil-off gas | |
| CE | Carbon dioxide emission | kgCO2/kgLNG; kgCO2/kgLH2 |
| CFC | Chlorofluorocarbon | |
| COP | Coefficient of performance | |
| CRS | Compression refrigeration system | |
| C3MR | Propane precooling mixed refrigerant process | |
| DES | Deep eutectic solvent | |
| DMR | Dual mixed refrigerant process | |
| GWP | Global warming potential | |
| GAX | Generator–absorber heat exchange | |
| HFC | Hydrofluorocarbon | |
| HFO | Hydrofluoroolefin | |
| HCFC | Hydrochlorofluorocarbon | |
| J-B | Joule–Brayton cycle | |
| L-H | Linde–Hampson cycle | |
| LNG | Liquefied natural gas | |
| LH2 | Liquefied hydrogen | |
| LN2 | Liquefied nitrogen | |
| NRU | Nitrogen recovery unit | |
| MFC | Mixed fluid cascade process | |
| MR | Mixed refrigerant | |
| SPC | Specific power consumption | kWh/kg |
| SMR | Single mixed refrigerant process | |
| ODP | Ozone depletion potential | |
| ORC | Organic Rankine cycle |
References
- Zichittella, G.; Pérez-Ramírez, J. Status and prospects of the decentralised valorisation of natural gas into energy and energy carriers. Chem. Soc. Rev. 2021, 50, 2984–3012. [Google Scholar] [CrossRef]
- Bairrão, D.; Soares, J.; Almeida, J.; Franco, J.F.; Vale, Z. Green Hydrogen and Energy Transition: Current State and Prospects in Portugal. Energies 2023, 16, 551. [Google Scholar] [CrossRef]
- Epelle, E.I.; Obande, W.; Udourioh, G.A.; Afolabi, I.C.; Desongu, K.S.; Orivri, U.; Gunes, B.; Okolie, J.A. Perspectives and prospects of underground hydrogen storage and natural hydrogen. Sustain. Energy Fuels 2022, 6, 3324–3343. [Google Scholar] [CrossRef]
- Yang, J.; Li, Y.; Tan, H.; Bian, J.; Cao, X. Optimization and analysis of a hydrogen liquefaction process integrated with the liquefied natural gas gasification and organic Rankine cycle. J. Energy Storage 2023, 59, 106490. [Google Scholar] [CrossRef]
- Zhang, J.; Meerman, H.; Benders, R.; Faaij, A. Comprehensive review of current natural gas liquefaction processes on technical and economic performance. Appl. Therm. Eng. 2020, 166, 114736. [Google Scholar] [CrossRef]
- Mehrpooya, M.; Amirhaeri, Y.; Hadavi, H. Proposal and investigation of a novel small-scale natural gas liquefaction process using diffusion absorption refrigeration technology. Chem. Pap. 2022, 76, 5901–5927. [Google Scholar] [CrossRef]
- Lu, D.; Liu, Z.; Bai, Y.; Sun, S.; Gong, M.; Shen, J. Experimental study and economic analysis of an absorption refrigeration system with new generator structure applied for pre-cooling in liquefied natural gas plant. Int. J. Refrig. 2021, 129, 78–87. [Google Scholar] [CrossRef]
- Guangming, C.; Yuqi, S. State-of-the-art Absorption Refrigeration and Heat Pump Cycles. J. Refrig. 2017, 38, 1–22. [Google Scholar]
- Mehrpooya, M.; Sharifzadeh, M.M.M.; Rosen, M.A. Energy and exergy analyses of a novel power cycle using the cold of LNG (liquefied natural gas) and low-temperature solar energy. Energy 2016, 95, 324–345. [Google Scholar] [CrossRef]
- Mehrpooya, M.; Bahramian, P.; Pourfayaz, F.; Katooli, H.; Delpisheh, M. A novel hybrid liquefied natural gas process with absorption refrigeration integrated with molten carbonate fuel cell. Int. J. Low-Carbon Technol. 2021, 16, 956–976. [Google Scholar] [CrossRef]
- Jiang, W.; Song, J.; Jia, T.; Yang, L.; Li, S.; Li, Y.; Du, K. A comprehensive review on the pre-research of nanofluids in absorption refrigeration systems. Energy Rep. 2022, 8, 3437–3464. [Google Scholar] [CrossRef]
- Ji, L.; Shukla, S.K.; Zuo, Z.; Lu, X.; Ji, X.; Wang, C. An overview of the progress of new working pairs in absorption heat pumps. Energy Rep. 2023, 9, 703–729. [Google Scholar] [CrossRef]
- Braga Martins, K.R.S.; Figueiredo, J.R. Computational simulation and optimization methodology of an ammonia-water GAX absorption cooling system. J. Braz. Soc. Mech. Sci. Eng. 2019, 41, 507. [Google Scholar] [CrossRef]
- Dubey, A.M. Modified vapour absorption refrigeration cycles. Int. J. Ambient Energy 2020, 43, 2194–2200. [Google Scholar] [CrossRef]
- Narvaez-Romo, B.; Chhay, M.; Zavaleta-Aguilar, E.W.; Simoes-Moreira, J.R. A critical review of heat and mass transfer correlations for LiBr-H2O and NH3-H2O absorption refrigeration machines using falling liquid film technology. Appl. Therm. Eng. 2017, 123, 1079–1095. [Google Scholar] [CrossRef]
- Zhu, H.; Guo, B.; Geng, W.; Chi, J.; Guo, S. Simulation of an improved solar absorption refrigeration system with phase change materials. Energy Rep. 2022, 8, 3671–3679. [Google Scholar] [CrossRef]
- Li, Q.; Zhao, S.; Wang, D.; Song, Q.; Zhou, S.; Wang, X.; Li, Y. Simulation Study on Solar Single/Double-Effect Switching LiBr-H2O Absorption Refrigeration System. Energies 2023, 16, 3220. [Google Scholar] [CrossRef]
- Nairne, E. An Account of some experiments made with an air pump on Mr. Smeaton’s Principle; together with some experiments with a common air pump. Philos. Trans. R. Soc. Lond. 1777, 67, 614–648. [Google Scholar]
- Srikhirin, P.; Aphornratana, S.; Chungpaibulpatana, S. A review of absorption refrigeration technologies. Renew. Sustain. Energy Rev. 2001, 5, 343–372. [Google Scholar] [CrossRef]
- Nikbakhti, R.; Wang, X.; Hussein, A.K.; Iranmanesh, A. Absorption cooling systems—Review of various techniques for energy performance enhancement. Alex. Eng. J. 2020, 59, 707–738. [Google Scholar] [CrossRef]
- Zhang, J.; Wang, H.; Liu, J.; Yu, H. Selection of Lithium Bromide Absorption Chiller. Soda Ind. 2020, 6, 11–13. [Google Scholar] [CrossRef]
- Bian, Y.; He, G.; Cai, D.; Xiao, R.; Zhang, A. Research Progress of Absorption Refrigeration Working Pairs. J. Refrig. 2015, 36, 17–26. [Google Scholar]
- Cho, Y.; Han, S.; Seo, H.; Shin, M.; Woo, S.; Jeong, S. Corrosion and inhibition process of carbon steel in LiBr-H2O solution. J. Mech. Sci. Technol. 2019, 33, 2995–3000. [Google Scholar] [CrossRef]
- Li, N.; Luo, C.; Su, Q. A working pair of CaCl2-LiBr-LiNO3/H2O and its application in a single-stage solar-driven absorption refrigeration cycle. Int. J. Refrig.-Rev. Int. Du Froid 2018, 86, 1–13. [Google Scholar] [CrossRef]
- Cheng, X.; Yin, Y.; Guo, Y.; Zhou, W. Experimental study on a novel air conditioning system for deep cascade utilization of waste heat. Appl. Therm. Eng. 2022, 200, 117695. [Google Scholar] [CrossRef]
- Lee, M.; Ham, J.; Chinnasamy, V.; Cho, H. Investigation on absorption performance of R134a and R1234yf refrigerants using HMIM-based ionic liquids. J. Environ. Chem. Eng. 2023, 11, 109726. [Google Scholar] [CrossRef]
- Takalkar, G.D.; Bhosale, R.R.; Mali, N.A.; Bhagwat, S.S. Thermodynamic analysis of EMISE-Water as a working pair for absorption refrigeration system. Appl. Therm. Eng. 2019, 148, 787–795. [Google Scholar] [CrossRef]
- De Araujo, H.V.; Parolin Massuchetto, L.H.; Correa do Nascimento, R.B.; Rocha de Carvalho, S.M.; Hallak Dangelo, J.V. Thermodynamic performance analysis of a single-effect absorption refrigeration system operating with water and 1-ethyl-3-methylimidazolium-based ionic liquids mixtures. Appl. Therm. Eng. 2022, 201, 117761. [Google Scholar] [CrossRef]
- Kallitsis, K.; Koulocheris, V.; Pappa, G.; Voutsas, E. Evaluation of water plus imidazolium ionic liquids as working pairs in absorption refrigeration cycles. Appl. Therm. Eng. 2023, 233, 121201. [Google Scholar] [CrossRef]
- Sun, D.W. Comparison of the performances of NH3-H2O, NH3-LiNO3 and NH3-NaSCN absorption refrigeration systems. Energy Convers. Manag. 1998, 39, 357–368. [Google Scholar] [CrossRef]
- Zhou, S.; He, G.; Li, Y.; Liang, X.; Pang, Q.; Cai, D. Comprehensive experimental evaluation of an exhaust-heat-driven absorption refrigeration cycle system using NH3-NaSCN as working pair. Int. J. Refrig. 2021, 126, 168–180. [Google Scholar] [CrossRef]
- Wang, M.; Ferreira, C.A.I. Absorption heat pump cycles with NH3—Ionic liquid working pairs. Appl. Energy 2017, 204, 819–830. [Google Scholar] [CrossRef]
- Gong, Y.; Yang, L.; Lu, Z.; Wang, L.; Li, H. Thermodynamic performance assessment of ammonia/ionic liquid based half-effect absorption refrigeration cycle. Case Stud. Therm. Eng. 2021, 25, 100924. [Google Scholar] [CrossRef]
- Zhang, M.; Zhang, X.; Liu, Y.; Wu, K.; Zhu, Y.; Lu, H.; Liang, B. Insights into the relationships between physicochemical properties, solvent performance, and applications of deep eutectic solvents. Environ. Sci. Pollut. Res. 2021, 28, 35537–35563. [Google Scholar] [CrossRef]
- Haghbakhsh, R.; Peyrovedin, H.; Raeissi, S.; Duarte, A.R.C.; Shariati, A. Investigating the performance of novel green solvents in absorption refrigeration cycles: Energy and exergy analyses. Int. J. Refrig. 2020, 113, 174–186. [Google Scholar] [CrossRef]
- Chen, W.; Xu, C.; Wu, H.; Bai, Y.; Li, Z.; Zhang, B. Energy and exergy analyses of a novel hybrid system consisting of a phosphoric acid fuel cell and a triple-effect compression-absorption refrigerator with mmim DMP/CH3OH as working fluid. Energy 2020, 195, 116951. [Google Scholar] [CrossRef]
- Chen, W.; Liang, S.; Guo, Y.; Cheng, K.; Gui, X.; Tang, D. Thermodynamic performances of mmim DMP/Methanol absorption refrigeration. J. Therm. Sci. 2012, 21, 557–563. [Google Scholar] [CrossRef]
- Medrano, M.; Bourouis, M.; Coronas, A. Double-lift absorption refrigeration cycles driven by low-temperature heat sources using organic fluid mixtures as working pairs. Appl. Energy 2001, 68, 173–185. [Google Scholar] [CrossRef]
- Long, Z.; Luo, Y.; Li, H.; Bu, X.; Ma, W. Performance analysis of a diffusion absorption refrigeration cycle working with TFE-TEGDME mixture. Energy Build. 2013, 58, 86–92. [Google Scholar] [CrossRef]
- Luo, Y.; Long, Z.; Li, H.; PU, X.; Ma, W. Research of absorption refrigeration based on TFE/E181, TFE/NMP and NH3/H20 working pairs. Renew. Energy Resour. 2013, 31, 85–89. [Google Scholar] [CrossRef]
- Nowaczyk, U.; Steimle, F. Thermophysical Properties of New Working Fluid Systems for Absorption Processes. Int. J. Refrig.-Rev. Int. Froid 1992, 15, 10–15. [Google Scholar] [CrossRef]
- Yi, T.; Zhang, L.; Du, J. Computer-aided molecular design of new organic working pairs in absorption heat pump cycle. CIESC J. 2021, 72, 1457–1464. [Google Scholar]
- Wang, C.; Wang, Q.; Hui, X.; Zong, R.; Shan, B. Simulation analysis of R134a/DMF absorption refrigeration system based on Aspen Plus. IOP Conf. Ser. Earth Environ. Sci. 2021, 766, e012075. [Google Scholar] [CrossRef]
- Zhang, X.; Cai, L.; Chen, T.; Qiao, J.; Zhang, X. Vapor-liquid equilibrium measurements and assessments of Low-GWP absorption working pairs (R32+DMETEG, R152a+DMETEG, and R161+DMETEG) for absorption refrigeration systems. Energy 2021, 224, 120082. [Google Scholar] [CrossRef]
- Sujatha, I.; Venkatarathnam, G. Comparison of performance of a vapor absorption refrigeration system operating with some hydrofluorocarbons and hydrofluoroolefins as refrigerants along with ionic liquid hmim TF2N as the absorbent. Int. J. Refrig.-Rev. Int. Froid 2018, 88, 370–382. [Google Scholar] [CrossRef]
- Kumma, N.; Sarath, S.; Kruthiventi, S.S.H. Exergy and performance analysis of low GWP and Non-flammable HFO based refrigerant mixtures as alternatives to R134a. Therm. Sci. Eng. Prog. 2023, 39, 101691. [Google Scholar] [CrossRef]
- Khelifa, S.; Ramadan, K.; Ammar, M.A.H.; Mohammed Moundji, H. Performance evaluation of an absorption refrigeration system using R1234yf-organic absorbents working fluids. Sci. Technol. Built Environ. 2021, 27, 936–947. [Google Scholar] [CrossRef]
- Sun, Y.; Di, G.; Wang, J.; Wang, X.; Wu, W. Performance analysis of R1234yf/ionic liquid working fluids for single-effect and compression-assisted absorption refrigeration systems. Int. J. Refrig. 2020, 109, 25–36. [Google Scholar] [CrossRef]
- Wu, W.; You, T.; Zhang, H.; Li, X. Comparisons of different ionic liquids combined with trans-1,3,3,3-tetrafluoropropene (R1234ze(E)) as absorption working fluids. Int. J. Refrig.-Rev. Int. Du Froid 2018, 88, 45–57. [Google Scholar] [CrossRef]
- Abedin, R.; Shen, Y.; Flake, J.C.; Hung, F.R. Deep Eutectic Solvents Mixed with Fluorinated Refrigerants for Absorption Refrigeration: A Molecular Simulation Study. J. Phys. Chem. B 2020, 124, 4536–4550. [Google Scholar] [CrossRef]
- Bao, Y.; Li, L.; Zhong, Y.; Li, H.; Liang, B. Research Progress on the new working fluid pairs of absorption refrigeration systems. Chem. Ind. Eng. 2023, 41, 1–13. [Google Scholar] [CrossRef]
- Jia, X.; Luo, Y.; Wang, X. Performance Analysis of Absorption Refrigeration Cycles Using DME or R600a and Squalane as Working Pair. J. Refrig. 2022, 43, 62–69. [Google Scholar]
- Yang, R.; Yang, Z.; Sun, R.; Chen, Y.; Zhang, L.; Liu, Q. Investigation on the Miscibility of Lubricants with Natural Refrigerant R290. J. Refrig. 2013, 34, 23–27. [Google Scholar]
- Fukuta, M.; Yanagisawa, T.; Iwata, H.; Tada, K. Performance of compression/absorption hybrid refrigeration cycle with propane/mineral oil combination. Int. J. Refrig.-Rev. Int. Du Froid 2002, 25, 907–915. [Google Scholar] [CrossRef]
- Jia, X.; Luo, Y.; Xiao, D.; Wang, X. Experimental investigation on the phase behavior of DME/ P6,6,6,14 Cl and thermodynamic analysis for absorption refrigeration system. Int. J. Refrig. 2022, 135, 5–13. [Google Scholar] [CrossRef]
- Martin, A.; Dolores Bermejo, M. Thermodynamic analysis of absorption refrigeration cycles using ionic liquid plus supercritical CO2 pairs. J. Supercrit. Fluids 2010, 55, 852–859. [Google Scholar] [CrossRef]
- He, L.; Huang, Y.; Li, H. Performance of a dual-temperature low-grade heat-driven transcritical CO2/[emim][Tf_2N] absorption refrigeration system. Chin. J. Process Eng. 2017, 17, 626–631. [Google Scholar]
- Iyoki, S.; Tanaka, K.; Uemura, T. Theoretical Performance Analysis of Absorption Refrigerating Machine, Absorption Heat-Pump and Absorption Heat Transformer Using Alcohol as Working Medium. Int. J. Refrig.-Rev. Int. Du Froid 1994, 17, 180–190. [Google Scholar] [CrossRef]
- Wanyu, W.; Haozhan, W.; Hui, L. Simulation Analysis of R134a-DMF Absorption Refrigeration System. Gas Heat 2023, 43, 1–8. [Google Scholar] [CrossRef]
- Verma, A.; Kaushik, S.C.; Tyagi, S.K. Performance enhancement of absorption refrigeration systems: An overview. J. Therm. Eng. 2023, 9, 1100–1113. [Google Scholar] [CrossRef]
- FathiAlmas, Y.; Ghadamian, H.; Aminy, M.; Moghadasi, M.; Amirian, H.; Hoseinzadeh, S.; Garcia, D.A. Thermo-economic analysis, energy modeling and reconstructing of components of a single effect solar-absorption lithium bromide chiller for energy performance enhancement. Energy Build. 2023, 285, 112894. [Google Scholar] [CrossRef]
- Khan, M.S.; Kadam, S.T.; Kyriakides, A.S.; Papadopoulos, A.I.; Hassan, I.; Rahman, M.A.; Seferlis, P. A new correlation for performance prediction of small and large capacity single-effect vapor absorption refrigeration systems. Clean. Energy Syst. 2022, 1, 100002. [Google Scholar] [CrossRef]
- Liu, Z.; Wu, A.; Wen, H. Double Loop Energy-Saving Control for Single-Effect LiBr/H_2O Absorption Refrigeration System. In Proceedings of the 40th Chinese Control Conference (CCC 2021), Shanghai, China, 26–28 July 2021; p. 7. [Google Scholar]
- Arshad, M.U.; Zaman, M.; Rizwan, M.; Elkamel, A. Economic optimization of parallel and series configurations of the double effect absorption refrigeration system. Energy Convers. Manag. 2020, 210, 112661. [Google Scholar] [CrossRef]
- Arun, M.B.; Maiya, M.P.; Murthy, S.S. Performance comparison of double-effect parallel-flow and series flow water-lithium bromide absorption systems. Appl. Therm. Eng. 2001, 21, 1273–1279. [Google Scholar] [CrossRef]
- Azhar, M.; Siddiqui, M.A. Comprehensive exergy analysis and optimization of operating parameters for double effect parallel flow absorption refrigeration Cycle. Therm. Sci. Eng. Prog. 2020, 16, 100464. [Google Scholar] [CrossRef]
- Gomri, R. Investigation of the potential of application of single effect and multiple effect absorption cooling systems. Energy Convers. Manag. 2010, 51, 1629–1636. [Google Scholar] [CrossRef]
- Maryami, R.; Dehghan, A.A. An exergy based comparative study between LiBr/water absorption refrigeration systems from half effect to triple effect. Appl. Therm. Eng. 2017, 124, 103–123. [Google Scholar] [CrossRef]
- Kyriakides, A.-S.; Papadopoulos, A.I.; Seferlis, P.; Hassan, I. Dynamic modelling and control of single, double and triple effect absorption refrigeration cycles. Energy 2020, 210, 118529. [Google Scholar] [CrossRef]
- Arora, A.; Dixit, M.; Kaushik, S.C. Computation of optimum parameters of a half effect water lithium bromide vapour absorption refrigeration system. J. Therm. Eng. 2016, 2, 683–692. [Google Scholar] [CrossRef]
- Ziegler, F.; Alefeld, G. Coefficient of Performance of Multistage Absorption Cycles. Int. J. Refrig.-Rev. Int. Froid 1987, 10, 285–295. [Google Scholar] [CrossRef]
- Ziegler, F. State of the art in sorption heat pumping and cooling technologies (Reprinted from Proceedings International Energy Agency Heat Pump Conference (IEAHPC 99), Berlin, 31, May-2 June, 1999). Int. J. Refrig.-Rev. Int. Froid 2002, 25, 450–459. [Google Scholar] [CrossRef]
- Du, S.; Wang, R.Z.; Lin, P.; Xu, Z.Z.; Pan, Q.W.; Xu, S.C. Experimental studies on an air-cooled two-stage NH3-H2O solar absorption air-conditioning prototype. Energy 2012, 45, 581–587. [Google Scholar] [CrossRef]
- Aprile, M.; Toppi, T.; Guerra, M.; Motta, M. Experimental and numerical analysis of an air-cooled double-lift NH3-H2O absorption refrigeration system. Int. J. Refrig.-Rev. Int. Froid 2015, 50, 57–68. [Google Scholar] [CrossRef]
- She, X.; Yin, Y.; Xu, M.; Zhang, X. A novel low-grade heat-driven absorption refrigeration system with LiCl-H2O and LiBr-H2O working pairs. Int. J. Refrig.-Rev. Int. Froid 2015, 58, 219–234. [Google Scholar] [CrossRef]
- He, Y.; Chen, G. Experimental study on an absorption refrigeration system at low temperatures. Int. J. Therm. Sci. 2007, 46, 294–299. [Google Scholar] [CrossRef]
- He, Y.; Li, R.; Chen, G.; Wang, Y. A potential auto-cascade absorption refrigeration system for pre-cooling of LNG liquefaction. J. Nat. Gas Sci. Eng. 2015, 24, 425–430. [Google Scholar] [CrossRef]
- He, Y.; Chen, G. Analyses of an Improved Double-Absorber Absorption Refrigeration System at Low Temperatures. J. Therm. Sci. 2019, 28, 705–713. [Google Scholar] [CrossRef]
- He, Y.; Chen, G. Equivalent Cycle and Optimization of Auto-Cascade Absorption Refrigeration Systems. J. Therm. Sci. 2020, 29, 1053–1062. [Google Scholar] [CrossRef]
- Rojey, A.; Cohen, G.; Cariou, J.P. Heat Transformers—Present State of a New Technology. Proc. Inst. Mech. Eng. Part A-J. Power Energy 1983, 197, 71–77. [Google Scholar] [CrossRef]
- Sivalingam, S.; Gopal, S.T.; Pandey, V.; Parthiban, M. Experimental Analysis of Performance Improvement of a Modified Vapour Absorption System (VAS-GAX) for Cooling Applications. Int. J. Heat Technol. 2021, 39, 1878–1886. [Google Scholar] [CrossRef]
- Shan, W. Analysis of Phase Equilibrium Properties of NH3-H2O-LiBr Mixed Solution and Its Effect on the Performance of GAX Absorption Cycle. Master’s Thesis, Southeast University, Nanjing, China, 2021. [Google Scholar]
- Erickson, D.C. Branched GAX Absorption Vapour Compressor. U.S. Patent No 5,024,063, 18 June 1991. [Google Scholar]
- Seiiedhoseiny, M.; Khani, L.; Mohammadpourfard, M.; Akkurt, G.G. Exergoeconomic analysis and optimization of a high-efficient multi-generation system powered by Sabalan (Savalan) geothermal power plant including branched GAX cycle and electrolyzer unit. Energy Convers. Manag. 2022, 268, 115996. [Google Scholar] [CrossRef]
- Hong, D.; Chen, G.; Tang, L.; He, Y. A novel ejector-absorption combined refrigeration cycle. Int. J. Refrig.-Rev. Int. Froid 2011, 34, 1596–1603. [Google Scholar] [CrossRef]
- Farshi, L.G.; Mahmoudi, S.M.S.; Rosen, M.A. Exergoeconomic comparison of double effect and combined ejector-double effect absorption refrigeration systems. Appl. Energy 2013, 103, 700–711. [Google Scholar] [CrossRef]
- Yuqi, S.; Daliang, H.; Guangming, C.; Liming, T.; Yijian, H.; Yunxia, Z. A two-stage absorption refrigeration cycle with ejectors. Acta Energiae Solaris Sin. 2015, 36, 599–603. [Google Scholar]
- Gharir, A.D.; Farshi, L.G. Proposal of a double ejector-two flash tank absorption refrigeration cycle: Energy, exergy and thermoeconomic evaluation. Case Stud. Therm. Eng. 2023, 50, 103498. [Google Scholar] [CrossRef]
- Zhang, X.; Cai, L.; Chen, T.; Zhang, X. Performance analysis of a novel compression-assisted absorption power and refrigeration system with selected 1,1-difluoroethane/ionic liquid. J. Clean. Prod. 2022, 340, 130856. [Google Scholar] [CrossRef]
- Hu, Z.; Wan, Y.; Zhang, C.; Chen, Y. Compression-assisted absorption refrigeration using ocean thermal energy. Renew. Energy 2022, 186, 755–768. [Google Scholar] [CrossRef]
- Rameshkumar, A.; Udayakumar, M.; Saravanan, R. Heat transfer studies on a GAXAC (generator-absorber-exchange absorption compression) cooler. Appl. Energy 2009, 86, 2056–2064. [Google Scholar] [CrossRef]
- Kim, J.S.; Ziegler, F.; Lee, H. Simulation of the compressor-assisted triple-effect H2O/LiBr absorption cooling cycles. Appl. Therm. Eng. 2002, 22, 295–308. [Google Scholar] [CrossRef]
- Dixit, M.; Arora, A.; Kaushik, S.C. Thermodynamic and thermoeconomic analyses of two stage hybrid absorption compression refrigeration system. Appl. Therm. Eng. 2017, 113, 120–131. [Google Scholar] [CrossRef]
- Mousavi, S.A.; Mehrpooya, M. A comprehensive exergy-based evaluation on cascade absorption-compression refrigeration system for low temperature applications—Exergy, exergoeconomic, and exergoenvironmental assessments. J. Clean. Prod. 2020, 246, 119005. [Google Scholar] [CrossRef]
- Khan, Y.; Faruque, M.W.; Nabil, M.H.; Ehsan, M.M. Ejector and Vapor Injection Enhanced Novel Compression-Absorption Cascade Refrigeration Systems: A Thermodynamic Parametric and Refrigerant Analysis. Energy Convers. Manag. 2023, 289, 117190. [Google Scholar] [CrossRef]
- Zhang, H.; Pan, X.; Chen, J.; Xie, J. Energy, exergy, economic and environmental analyses of a cascade absorption-compression refrigeration system using two-stage compression with complete intercooling. Appl. Therm. Eng. 2023, 225, 120185. [Google Scholar] [CrossRef]
- Lei, Y.; Huashan, L.; Zhenneng, L.; Gaokai, C.; Jiong, L.; Weibin, M.; Yulie, G. Progress of H2O/LiBr Absorption Refrigeration Technology. Adv. New Renew. Energy 2019, 7, 532–541. [Google Scholar]
- Gao, H.; Mao, F.; Song, Y.; Hong, J.; Yan, Y. Effect of adding copper oxide nanoparticles on the mass/heat transfer in falling film absorption. Appl. Therm. Eng. 2020, 181, 115937. [Google Scholar] [CrossRef]
- Lee, J.K.; Koo, J.; Hong, H.; Kang, Y.T. The effects of nanoparticles on absorption heat and mass transfer performance in NH3/H2O binary nanofluids. Int. J. Refrig.-Rev. Int. Froid 2010, 33, 269–275. [Google Scholar] [CrossRef]
- Kang, Y.T.; Kim, H.J.; Lee, K.I. Heat and mass transfer enhancement of binary nanofluids for H2O/LiBr falling film absorption process. Int. J. Refrig.-Rev. Int. Froid 2008, 31, 850–856. [Google Scholar] [CrossRef]
- Zhang, H.; Yin, D.; You, S.; Zheng, W.; Wei, S. Experimental investigation of heat and mass transfer in a LiBr-H2O solution falling film absorber on horizontal tubes: Comprehensive effects of tube types and surfactants. Appl. Therm. Eng. 2019, 146, 203–211. [Google Scholar] [CrossRef]
- Jiang, W. Performance of Nano-Ammonia Absorption Refrigeration System and Study on Solution Physical Properties and Stability. Ph.D. Thesis, Southeast University, Nanjing, China, 2019. [Google Scholar]
- Wei, X.; Zhao, R.; Wu, S.; Wang, S.; Huang, D. Effect of rhombus mesh on 3D falling film flow characteristics over microchannel flat tube for LiBr (Lithium bromide) absorber. Int. J. Heat Mass Transf. 2023, 209, 124097. [Google Scholar] [CrossRef]
- Yunyu, H.; Shuhong, L. Numerical study on absorption characteristics of ammonia falling film enhanced by ultrasonic atomization. J. Southeast Univ. (Nat. Sci. Ed.) 2022, 52, 953–962. [Google Scholar]
- Zhou, R.; Gu, R.; Wang, M.; Qin, L.; Li, S.; Zhang, H.; Li, Y. Parameters optimization of the parallel and series mode ultrasonic atomizer on the ammonia-water absorption system. Int. J. Therm. Sci. 2024, 199, 108934. [Google Scholar] [CrossRef]
- Dong, P.; Liu, G.; Liu, F.; Yan, G.; Wang, G. Effect of structure and operation parameters on heat and mass transfer coefficients of single-bubble absorption for lithium bromide solution. Int. J. Heat Mass Transf. 2023, 201, 123587. [Google Scholar] [CrossRef]
- Jiheng, L. Experimental and Numerical Study of the Absorption Flow and Heat Transfer Characteristics of Lithium Bromide Solution Bubbling in a Vertical Single Tube. Master’s Thesis, Beijing University of Civil Engineering and Architecture, Beijing, China, 2023. [Google Scholar]
- Xiangqiang, K.; Huazhao, L.; Jianbo, L. Study on Bubble Absorption haracteristics of R134a-DMF in Vertical Tube. J. Refrig. 2022, 43, 80–88. [Google Scholar]
- Minqi, W.; Runfa, Z.; Zhenghao, J.; Shuhong, L.; Lijie, F. Experimental study on enhancement of ultrasonic and TiO2 nanoparticles on NH3-H2O-LiBr solution bubbling absorption. J. Southeast Univ. (Nat. Sci. Ed.) 2022, 52, 658–665. [Google Scholar]
- Kim, J.K.; Jung, J.Y.; Kang, Y.T. The effect of nano-particles on the bubble absorption performance in a binary nanofluid. Int. J. Refrig.-Rev. Int. Froid 2006, 29, 22–29. [Google Scholar] [CrossRef]
- Palacios, E.; Izquierdo, M.; Lizarte, R.; Marcos, J.D. Lithium bromide absorption machines: Pressure drop and mass transfer in solutions conical sheets. Energy Convers. Manag. 2009, 50, 1802–1809. [Google Scholar] [CrossRef]
- Yanyang, W.; Fengmin, S.; Chengshu, W.; Yifan, W.; Benli, P. Effect of phase change microcapsules on heat and mass transfer during adiabatic spray absorption. J. Dalian Marit. Univ. 2023, 49, 110–116. [Google Scholar] [CrossRef]
- Jiang, W.; Li, S.; Yang, L.; Du, K. Experimental investigation on enhancement of ammonia absorption process with TiO2 nanoparticles in newly designed absorber. Int. J. Refrig.-Rev. Int. Froid 2019, 100, 93–103. [Google Scholar] [CrossRef]
- Zhai, C.; Wu, W.; Coronas, A. Membrane-based absorption cooling and heating: Development and perspectives. Renew. Energy 2021, 177, 663–688. [Google Scholar] [CrossRef]
- Isfahani, R.N.; Moghaddam, S. Absorption characteristics of lithium bromide (LiBr) solution constrained by superhydrophobic nanofibrous structures. Int. J. Heat Mass Transf. 2013, 63, 82–90. [Google Scholar] [CrossRef]
- Zhai, C.; Wu, W. Experimental parameter study and correlation development of microchannel membrane-based absorption process for efficient thermal cooling with high compactness. Energy 2023, 279, 128080. [Google Scholar] [CrossRef]
- Lv, W. Performance Analysis of Hydrophobic Membrane-Type Plate and Frame Absorber for Lithium Bromide Absorption Refrigeration Systems. Master’s Thesis, Dalian Maritime University, Dalian, China, 2020. [Google Scholar]
- Xiaoyang, Y.; Shuhong, L.; Mengkai, X.; Yanjun, L.; Kai, D.; Liu, Y. Analysis of NH3-H2O-LiBr absorption refrigeration system based on membrane separator. Chem. Ind. Eng. Prog. 2019, 38, 813–818. [Google Scholar] [CrossRef]
- Narvaez-Romo, B.; Zavaleta-Aguilar, E.W.; Simoes-Moreira, J.R. Heat and mass transfer in falling films technology applied to the generator and the rectifier of an ammonia-water absorption refrigeration cycle. Int. J. Refrig. 2022, 135, 276–287. [Google Scholar] [CrossRef]
- Hu, T.; Xie, X.; Jiang, Y. Design and experimental study of a plate-type falling-film generator for a LiBr/H2O absorption heat pump. Int. J. Refrig.-Rev. Int. Froid 2017, 74, 304–312. [Google Scholar] [CrossRef]
- Hu, T.; Xie, X.; Jiang, Y. A detachable plate falling film generator and condenser coupling using lithium bromide and water as working fluids. Int. J. Refrig.-Rev. Int. Froid 2019, 98, 120–128. [Google Scholar] [CrossRef]
- Wirtz, M.; Stutz, B.; Hai Trieu, P.; Boudehenn, F. Numerical modeling of falling-film plate generator and rectifier designed for NH3-H2O absorption machines. Heat Mass Transf. 2022, 58, 431–446. [Google Scholar] [CrossRef]
- Lee, J.H.; Kim, D.H.; Kim, S.M.; Kim, M.S.; Kim, I.G.; Woo, S.M.; Hong, S.J.; Park, C.W. Heat transfer characteristics of a falling film generator for various configurations of heating tubes in an absorption chiller. Appl. Therm. Eng. 2019, 148, 1407–1415. [Google Scholar] [CrossRef]
- Yanjun, L. The Investigation of Heat and Mass Transfer in Ammonia-Water Falling Film Generation by Adding Nanoparticles. Ph.D. Thesis, Southeast University, Nanjing, China, 2016. [Google Scholar]
- Yong, T.; Xiaodong, H.; Chuan, C.; Ting, F.; Ziping, G. Effects of Ultrasonic Waves on Mass Transfer Enhancement in Absorption Refrigeration System. J. South China Univ. Technol. (Nat. Sci. Ed.) 2012, 40, 115–120. [Google Scholar]
- Maochuan, Z.; Guobing, Z. Experimental investigation on the performance of small LiBr absorption refrigerator enhanced by ultrasonic waves. Chem. Ind. Eng. Prog. 2019, 38, 1316–1323. [Google Scholar] [CrossRef]
- Zhaoning, H.; Lin, W.; Xiaona, Y. Performance analysis of generating process of LiBr aqueous solution based on ultrasonic atomization. Cryog. Supercond. 2020, 48, 60–67. [Google Scholar] [CrossRef]
- Zhao-Ning, H.; Lin, W.; Xiao-Na, Y.; Li, X.-Z.; Kun-Feng, L.; Zhan-Wei, W. Study on Characteristics of the Cavitation Bubble Dynamics of Lithium Bromide Aqueous Solution With Multi-frequency Ultrasonic Interaction. J. Eng. Thermophys. 2021, 42, 3106–3112. [Google Scholar]
- Zheng, M.; Li, B.; Wan, Z.; Wu, B.; Tang, Y.; Li, J. Ultrasonic heat transfer enhancement on different structural tubes in LiBr solution. Appl. Therm. Eng. 2016, 106, 625–633. [Google Scholar] [CrossRef]
- He, J.; Hirata, R.; Hihara, E.; Dang, C. Desorption characteristic of LiBr-H2O solution in hydrophobic hollow fiber membrane for absorption chiller. Appl. Therm. Eng. 2021, 195, 117164. [Google Scholar] [CrossRef]
- De Vega, M.; Venegas, M.; Garcia-Hernando, N. Performance of an air-cooled membrane based microchannel desorber-condenser working with LiBr-water. Appl. Therm. Eng. 2024, 236, 121442. [Google Scholar] [CrossRef]
- Venegas, M.; Garcia-Hernando, N.; de Vega, M. Experimental evaluation of a membrane-based microchannel desorber operating at low desorption temperatures. Appl. Therm. Eng. 2020, 167, 114781. [Google Scholar] [CrossRef]
- Talpada, J.S.; Ramana, P. The theoretical analysis of H2O-LiBr absorption refrigeration system using Al2O3 nanoparticles. Int. J. Mech. Prod. Eng. Res. Dev. (IJMPERD) 2019, 9, 303–322. [Google Scholar]
- Cuenca, Y.; Vernet, A.; Vallès, M. Thermal conductivity enhancement of the binary mixture (NH3+ LiNO3) by the addition of CNTs. Int. J. Refrig. 2014, 41, 113–120. [Google Scholar] [CrossRef]
- Yang, W.; Cao, X.; Sun, L.; Wang, D. Natural gas liquefaction technology research status and progress. Nat. Gas Chem. Ind. 2015, 40, 88–93. [Google Scholar]
- Meher-Homji, C.; Qualls, W.; Eaton, A. Liquid Expanders in the Phillips Optimized Cascade LNG Process. In Proceedings of the 14th International Conference and Exhibition on Liquefied Natural Gas (LNG14), Doha, Qatar, 21–24 March 2004; pp. 21–24. [Google Scholar]
- Qyyum, M.A.; Qadeer, K.; Lee, M. Comprehensive Review of the Design Optimization of Natural Gas Liquefaction Processes: Current Status and Perspectives. Ind. Eng. Chem. Res. 2018, 57, 5819–5844. [Google Scholar] [CrossRef]
- Ghorbani, B.; Shirrnohammadi, R.; Amidpour, M.; Inzoli, F.; Rocco, M. Design and thermoeconomic analysis of a multi-effect desalination unit equipped with a cryogenic refrigeration system. Energy Convers. Manag. 2019, 202, 112208. [Google Scholar] [CrossRef]
- Ghorbani, B.; Mehrpooya, M.; Ghasemzadeh, H. Investigation of a hybrid water desalination, oxy-fuel power generation and CO2 liquefaction process. Energy 2018, 158, 1105–1119. [Google Scholar] [CrossRef]
- Ghorbani, B.; Mehrpooya, M.; Omid, E. Hybrid solar liquefied natural gas, post combustion carbon dioxide capture and liquefaction. Energy Convers. Manag. 2020, 207, 112512. [Google Scholar] [CrossRef]
- Mehrpooya, M.; Ghorbani, B.; Mousavi, S.A.; Zaitsev, A. Proposal and assessment of a new integrated liquefied natural gas generation process with auto—Cascade refrigeration (exergy and economic analyses). Sustain. Energy Technol. Assess. 2020, 40, 100728. [Google Scholar] [CrossRef]
- Ghorbani, B.; Ebrahimi, A.; Skandarzadeh, F.; Ziabasharhagh, M. Energy, exergy and pinch analyses of an integrated cryogenic natural gas process based on coupling of absorption-compression refrigeration system, organic Rankine cycle and solar parabolic trough collectors. J. Therm. Anal. Calorim. 2021, 145, 925–953. [Google Scholar] [CrossRef]
- Ebrahimi, A.; Ghorbani, B.; Skandarzadeh, F.; Ziabasharhagh, M. Integrated LNG/NRU Configuration with the Biomass Gasification Unit and Absorption-Compression Refrigeration System. Waste Biomass Valorization 2022, 13, 1731–1748. [Google Scholar] [CrossRef]
- Ansarinasab, H.; Mehrpooya, M. Advanced exergoeconomic analysis of a novel process for production of LNG by using a single effect absorption refrigeration cycle. Appl. Therm. Eng. 2017, 114, 719–732. [Google Scholar] [CrossRef]
- Kalinowski, P.; Hwang, Y.; Radermacher, R.; Al Hashimi, S.; Rodgers, P. Application of waste heat powered absorption refrigeration system to the LNG recovery process. Int. J. Refrig.-Rev. Int. Froid 2009, 32, 687–694. [Google Scholar] [CrossRef]
- Ghorbani, B.; Hamedi, M.-H.; Amidpour, M.; Shirmohammadi, R. Implementing absorption refrigeration cycle in lieu of DMR and C3MR cycles in the integrated NGL, LNG and NRU unit. Int. J. Refrig.-Rev. Int. Froid 2017, 77, 20–38. [Google Scholar] [CrossRef]
- Rodgers, P.; Mortazavi, A.; Eveloy, V.; Al-Hashimi, S.; Hwang, Y.; Radermacher, R. Enhancement of LNG plant propane cycle through waste heat powered absorption cooling. Appl. Therm. Eng. 2012, 48, 41–53. [Google Scholar] [CrossRef]
- Mortazavi, A.; Somers, C.; Alabdulkarem, A.; Hwang, Y.; Radermacher, R. Enhancement of APCI cycle efficiency with absorption chillers. Energy 2010, 35, 3877–3882. [Google Scholar] [CrossRef]
- Mehrpooya, M.; Ghorbani, B.; Bahnamiri, F.K. Basic design and thermodynamic analysis of a high helium content natural gas-fuel cell power plant. J. Clean. Prod. 2020, 262, 121401. [Google Scholar] [CrossRef]
- Mouneer, T.A.; Hawwash, A.A.; Aly, M.H.; Mina, E.M. Thermodynamic analysis for novel vapor compression/absorption cascade refrigeration system for LNG liquefaction processes in Egypt. Energy Convers. Manag. 2022, 270, 116238. [Google Scholar] [CrossRef]
- Berger, E.; Forg, W.; Heiersted, R.; Paurola, P. The MFC®(mixed fluid cascade) process for the first European baseload LNG production plant. Linde Technol. 2003, 1, 12–23. [Google Scholar]
- Mehrpooya, M.; Omidi, M.; Vatani, A. Novel mixed fluid cascade natural gas liquefaction process configuration using absorption refrigeration system. Appl. Therm. Eng. 2016, 98, 591–604. [Google Scholar] [CrossRef]
- Ghorbani, B.; Mehrpooya, M.; Shirmohammadi, R.; Hamedi, M.-H. A comprehensive approach toward utilizing mixed refrigerant and absorption refrigeration systems in an integrated cryogenic refrigeration process. J. Clean. Prod. 2018, 179, 495–514. [Google Scholar] [CrossRef]
- Zaitsev, A.; Mehrpooya, M.; Ghorbani, B.; Sanavbarov, R.; Naumov, F.; Shermatova, F. Novel integrated helium extraction and natural gas liquefaction process configurations using absorption refrigeration and waste heat. Int. J. Energy Res. 2020, 44, 6430–6451. [Google Scholar] [CrossRef]
- Ghorbani, B.; Shirmohammadi, R.; Mehrpooya, M. A novel energy efficient LNG/NGL recovery process using absorption and mixed refrigerant refrigeration cycles—Economic and exergy analyses. Appl. Therm. Eng. 2018, 132, 283–295. [Google Scholar] [CrossRef]
- Ghorbani, B.; Hamedi, M.-H.; Amidpour, M. Exergoeconomic evaluation of an integrated nitrogen rejection unit with LNG and NGL Co-Production processes based on the MFC and absorbtion refrigeration systems. Gas Process. J. 2016, 4, 1–28. [Google Scholar]
- Zhang, J.; Meerman, H.; Benders, R.; Faaij, A. Technical and economic optimization of expander-based small-scale natural gas liquefaction processes with absorption precooling cycle. Energy 2020, 191, 116592. [Google Scholar] [CrossRef]
- Yin, L.; Ju, Y. Conceptual design and analysis of a novel process for BOG re-liquefaction combined with absorption refrigeration cycle. Energy 2020, 205, 118008. [Google Scholar] [CrossRef]
- Kim, K.-h.; Yang, K.W.; Jeong, S.; Nam, K.; Chang, D. Absorption refrigeration system utilising engine exhaust gas for bulk gas carriers. Ships Offshore Struct. 2014, 9, 380–386. [Google Scholar] [CrossRef]
- Wang, H.; Yang, J.; Dong, X.; Gong, M. Review on hydrogen liquefaction and cryo-compression hydrogen storage technologies. Clean Coal Technol. 2023, 29, 102–113. [Google Scholar]
- Aziz, M. Liquid Hydrogen: A Review on Liquefaction, Storage, Transportation, and Safety. Energies 2021, 14, 5917. [Google Scholar] [CrossRef]
- Ratlamwala, T.A.H.; Dincer, I.; Gadalla, M.A. Thermodynamic analysis of a novel integrated geothermal based power generation-quadruple effect absorption cooling-hydrogen liquefaction system. Int. J. Hydrog. Energy 2012, 37, 5840–5849. [Google Scholar] [CrossRef]
- Ratlamwala, T.A.H.; Dincer, I.; Gadalla, M.A.; Kanoglu, M. Thermodynamic analysis of a new renewable energy based hybrid system for hydrogen liquefaction. Int. J. Hydrogen Energy 2012, 37, 18108–18117. [Google Scholar] [CrossRef]
- Yilmaz, C.; Kanoglu, M.; Bolatturk, A.; Gadalla, M. Economics of hydrogen production and liquefaction by geothermal energy. Int. J. Hydrogen Energy 2012, 37, 2058–2069. [Google Scholar] [CrossRef]
- Aasadnia, M.; Mehrpooya, M.; Ansarinasab, H. A 3E evaluation on the interaction between environmental impacts and costs in a hydrogen liquefier combined with absorption refrigeration systems. Appl. Therm. Eng. 2019, 159, 113798. [Google Scholar] [CrossRef]
- Kanoglu, M.; Yilmaz, C.; Abusoglu, A. Geothermal energy use in absorption precooling for Claude hydrogen liquefaction cycle. Int. J. Hydrogen Energy 2016, 41, 11185–11200. [Google Scholar] [CrossRef]
- Kanoglu, M.; Yilmaz, C.; Abusoglu, A. Geothermal energy use in hydrogen production. J. Therm. Eng. 2016, 2, 699–708. [Google Scholar] [CrossRef]
- Yilmaz, C.; Kaska, O. Performance analysis and optimization of a hydrogen liquefaction system assisted by geothermal absorption precooling refrigeration cycle. Int. J. Hydrogen Energy 2018, 43, 20203–20213. [Google Scholar] [CrossRef]
- Yilmaz, C. A case study: Exergoeconomic analysis and genetic algorithm optimization of performance of a hydrogen liquefaction cycle assisted by geothermal absorption precooling cycle. Renew. Energy 2018, 128, 68–80. [Google Scholar] [CrossRef]
- Yan, F.; Geng, J.; Rong, G.; Sun, H.; Zhang, L.; Li, J. Optimization and Analysis of an Integrated Liquefaction Process for Hydrogen and Natural Gas Utilizing Mixed Refrigerant Pre-Cooling. Energies 2023, 16, 4239. [Google Scholar] [CrossRef]
- Krasae-In, S. Optimal operation of a large-scale liquid hydrogen plant utilizing mixed fluid refrigeration system. Int. J. Hydrogen Energy 2014, 39, 7015–7029. [Google Scholar] [CrossRef]
- Aasadnia, M.; Mehrpooya, M. Conceptual design and analysis of a novel process for hydrogen liquefaction assisted by absorption precooling system. J. Clean. Prod. 2018, 205, 565–588. [Google Scholar] [CrossRef]
- Ghorbani, B.; Mehrpooya, M.; Aasadnia, M.; Niasar, M.S. Hydrogen liquefaction process using solar energy and organic Rankine cycle power system. J. Clean. Prod. 2019, 235, 1465–1482. [Google Scholar] [CrossRef]
- Azizabadi, H.R.; Ziabasharhagh, M.; Mafi, M. Introducing a proper hydrogen liquefaction concept for using wasted heat of thermal power plants-case study: Parand gas power plant. Chin. J. Chem. Eng. 2021, 40, 187–196. [Google Scholar] [CrossRef]
- Zhang, S.; Li, K.; Liu, G. An efficient hydrogen liquefaction process integrated with a solar power tower and absorption precooling system. Clean Technol. Environ. Policy 2023, 25, 1015–1041. [Google Scholar] [CrossRef]
- Shavandi, M.; Faramarzi, S.; Mafi, M. Tapping the benefits of using geothermal energy and absorption refrigeration system in the precooling part of a hydrogen liquefaction cycle. Gas Process. J. 2022, 10, 65–74. [Google Scholar]
- Faramarzi, S.; Gharanli, S.; Mohammadi, M.R.; Rahimtabar, A.; Chamkha, A.J. Energy, exergy, and economic analysis of an innovative hydrogen liquefaction cycle integrated into an absorption refrigeration system and geothermal energy. Energy 2023, 282, 128891. [Google Scholar] [CrossRef]



















| Working Pair | Method | Cycle Configuration | Operating Temps. (°C) | COP | Remarks | Refs. |
|---|---|---|---|---|---|---|
| [Water-based] | ||||||
| H2O/CaCl2+LiBr+LiNO3 | Experiment | single-effect | Tg = 80.3 Te = 7.0 Ta = 37.0 Tc = 37.0 | 0.81 | Compared to H2O/LiBr, the COP of the new working pair is 0.04 higher, and Tg is 7.7 °C lower. | [24] |
| H2O/KCOOH | Experiment | single-effect | 71 < Tg < 81 Te = 15 28 < Ta < 34 28 < Tc < 34 | 0.54~0.65 | Compared to H2O/LiBr, H2O/KCOOH can operate in lower Tg, while the COP is approximately 10% lower; less corrosion and crystallization issues. | [25] |
| H2O/[emim][EtSO4] | Simulation | single-effect | 65 < Tg < 100 5 < Te < 15 30 < Ta < 40 30 < Tc < 40 | 0.32~0.68 | The COP of H2O/[emim][EtSO4] is higher than NH3/H2O, but lower than H2O/LiBr under the same operational conditions; less corrosion and crystallization issues. | [27] |
| H2O/[emim][EtSO4] | Simulation | single-effect | 70 < Tg < 150 6 < Te < 12 35 < Ta < 45 35 < Tc < 45 | 0.14~0.75 | At lower Ta and Tc and higher Te, the refrigeration performance of H2O/[EMIM][EtSO4] is comparable to H2O/LiBr; less corrosion and crystallization issues. | [28] |
| H2O/[dmim][Cl] H2O/[dmim][DMP] | Simulation | single-effect | 70 < Tg < 130 5 < Te < 15 30 < Ta < 40 30 < Tc < 40 | 0.68~0.84 | Compared to H2O/LiBr, H2O/[dmim][Cl] has higher COP under Tg and Te at around 100 and 15 °C. | [29] |
| H2O/[dmim][Cl] | Simulation | double-effect | 100 < Tg < 160 5 < Te < 15 30 < Ta < 40 30 < Tc < 40 | 0.85~1.35 | When the Tg is below 120 °C, the COPs of H2O/[dmim][Cl] in single- and double-effect are comparable. | [29] |
| [Ammonia-based] | ||||||
| NH3/LiNO3 | Simulation | single-effect | 65 < Tg < 100 −10 < Te < 10 20 < Ta < 40 20 < Tc < 40 | 0.57~0.7 | The COP of NH3/LiNO3 is higher than NH3/H2O with no requirement for a rectifier; the circulation ratio and viscosity of NH3/LiNO3 are slightly higher than NH3/H2O. | [30] |
| NH3/NaSCN | Simulation | single-effect | 60 < Tg < 100 −10 < Te < 10 20 < Ta < 40 20 < Tc < 40 | 0.55~0.72 | The COP of NH3/NaSCN is higher than NH3/H2O with no requirement for a rectifier; NH3/NaSCN is not suitable for refrigeration below −10 °C due to crystallization. | [30] |
| NH3/NaSCN | Experiment | single-effect | 100 < Tg < 120 −24 < Te < 5 36 < Ta < 42 30 < Tc < 33 | 0.351-0.653 | The NH3-NaSCN is potentially applied in wide ranges including both freezing and air-conditioning applications. | [31] |
| NH3/[emim][BF4] NH3/[dema][Ac] NH3/[dmim][DMP] NH3/[emim][SCN] | Simulation | double-stage | 65 < Tg < 90 5 < Te < 10 30 < Ta < 40 40 < Tc < 45 | [emim][BF4]: 0.32~0.40 [dema][Ac]: 0.12~0.39 [dmim][DMP]: 0.13~0.36 [emim][SCN]: 0.10~0.36 | The COPs of four NH3/IL are higher than the COP of NH3/H2O; the circulation ratios of NH3/ILs are all higher than NH3/H2O. | [33] |
| NH3/ethaline (DES) NH3/reline (DES) NH3/glyceline (DES) | Simulation | single-effect | 70 < Tg < 120 Te = 2 20 < Ta < 40 Tc = 45 | ethaline: 0.53~0.67 reline: 0.51~0.66 glyceline: 0.52~0.65 | Compared to NH3/H2O, NH3/DES has higher COP and ECOP, while the circulation ratio is significantly higher (about 3 times); NH3/ethaline exhibits the best refrigeration performance. | [35] |
| [Alcohol-based] | ||||||
| CH3OH/LiBr CH3OH/ZnCl2+LiBr CH3OH/ZnBr2 CH3OH/LiI CH3OH/ZnBr2+LiI | Simulation | double-effect | 120 < Tg < 170 Te = −10 Ta = 30 Tc = 30 | LiBr: 1.15~1.18 ZnCl2+LiBr: 0.98~1.03 ZnBr2: 0.77~0.79 LiI: 0.83~0.84 ZnBr2+LiI: 1.06~1.11 | The viscosity of these alcohol-based working pairs is higher than NH3/H2O and H2O/LiBr. | [58] |
| CH3OH/ZnCl2+LiBr CH3OH/LiI CH3OH/ZnBr2+LiI CH3OH/ZnCl+ZnBr2 | Simulation | double-stage | 65 < Tg < 165 Te = −10 Ta = 30 Tc = 30 | ZnCl2+LiBr: 0.31~0.33 LiI: 0.24~0.27 ZnBr2+LiI: 0.29~0.34 ZnCl+ZnBr2: 0.26~0.27 | CH3OH/LiBr exhibited the highest COP; CH3OH/ZnBr2+LiI and CH3OH/ZnCl2+LiBr have the wider temperature operational range. | [58] |
| CH3OH/[mmim]DMP | Simulation | single-effect | 92 < Tg < 112 2 < Te < 12 22 < Ta < 37 37 < Tc < 57 | 0.4~0.8 | The COPs of CH3OH/[mmim]DMP are higher than NH3/H2O by 20%, while lower than H2O/LiBr by 10%, under typical operation conditions. | [37] |
| TFE/TEGDME | Simulation | diffusion absorption refrigeration | 100 < Tg < 190 −17 < Te < 12 40 < Tc < 50 | 0.02~0.62 | At low cooling temperatures, the TFE/TEGDME cycle is a good alternative to NH3/H2O. | [39] |
| TFE/TEGDMETFE/NMP | Simulation | single-effect | 70 < Tg < 120 −15 < Te < 20 20 < Ta < 40 25 < Tc < 45 | TEGDME: 0.45~0.82 NMP: 0.35~0.92 | The COPs of TFE/NMP and TFE/TEGDME are higher than NH3/H2O, while the circulation ratios showed the opposite trend. | [40] |
| [Freon-based] | ||||||
| R134a/DMF | Simulation | single-effect | 70 < Tg < 100 13 < Te < 21 25 < Ta < 35 25 < Tc < 35 | 0.39~0.53 | - | [59] |
| R32/DMETEG R152a/DMETEG R161/DMETEG | Simulation | single-effect | 80 < Tg < 180 Te = 5 Ta = 35 Tc = 40 | R32: 0.07~0.43 R152a: 0.23~0.51 R161: 0.08~0.55 | R161/DMETEG yields the highest COP when the Tg is above 135 °C, followed by R161/DMETEG when below 135 °C. | [44] |
| R32/DMETEG R152a/DMETEG R161/DMETEG | Simulation | compressor-assisted absorption | 60 < Tg < 180 Te = 5 Ta = 35 Tc = 40 | R32: 0.17~0.56 R152a: 0.34~0.62 R161: 0.33~0.69 | A compressor can effectively enhance the absorptivity of working pairs, thus improving refrigeration performances. | [44] |
| R32/[hmim][TF2N] R152a/[hmim][TF2N] R125/[hmim][TF2N] R1234zeE/[hmim][TF2N] R1234yf/[hmim][TF2N] | Simulation | single-effect | Tg = 100 0 < Te < 25 30 < Ta < 40 40 < Tc < 50 | R32: 0.05~0.62 R152a: 0.25~0.60 R125: 0.09~0.34 R1234zeE: 0.07~0.41 R1234yf: 0.02~0.35 | The refrigeration performance of [hmim][TF2N]/HFCs (R32 and R152a) is better than that of [hmim][TF2N]/HFOs (R1234yf and R1234zeE). | [45] |
| R1234yf/DMETEG R1234yf/NMP | Simulation | single-effect | 60 < Tg < 95 −5 < Te < 10 20 < Ta < 30 20 < Tc < 30 | DMETEG: 0.053~0.409 NMP: 0.025~0.333 | Incorporation of a compressor can improve the COP of the cycle and extend the operation range. | [47] |
| R1234yf/[emim][BF4] R1234yf/[hmim][TF2N] R1234yf/[hmim][BF4] R1234yf/[omim][BF4] R1234yf/[hmim][PF6] R1234yf/[hmim][TfO] | Simulation | single-effect | 62 < Tg < 95 −11 < Te < 15 20 < Ta < 40 20 < Tc < 40 | [emim][BF4]: 0.01~0.07 [hmim][TF2N]: 0.01~0.35 [hmim][BF4]: 0.01~0.24 [omim][BF4]: 0.01~0.30 [hmim][PF6]: 0.01~0.16 [hmim][TfO]: 0.01~0.22 | R1234yf/[hmim][Tf2N] shows the best performance. | [48] |
| R1234yf/[emim][BF4] R1234yf/[hmim][TF2N] R1234yf/[hmim][BF4] R1234yf/[omim][BF4] R1234yf/[hmim][PF6] R1234yf/[hmim][TfO] | Simulation | compressor-assisted absorption | 45 < Tg < 95 −20 < Te < 15 20 < Ta < 40 20 < Tc < 40 | [emim][BF4]: 0.01~0.11 [hmim][TF2N]: 0.01~0.4 [hmim][BF4]: 0.01~0.28 [omim][BF4]: 0.02~0.31 [hmim][PF6]: 0.01~0.27 [hmim][TfO]: 0.01~0.30 | Compared to the single-effect cycle, the compression-assisted cycle effectively improves the cooling performance, reduces the circulation ratio, and extends the operational conditions. | [48] |
| [Other types] | ||||||
| R600a/squalane DME/squalane | Simulation | single-effect | 60 < Tg < 120 −8 < Te < 20 Ta = 30 Tc = 30 | R600a: 0.02~0.95 DME: 0.02~0.81 | Compared to DME/squalane, R600a/squalane performs better. | [52] |
| R600a/squalane | Simulation | compressor-assisted absorption | 40 < Tg < 100 −12 < Te < 14 Ta = 30 Tc = 30 | 0.25~0.82 | - | [52] |
| R290/[P6,6,6,14][Cl] R600a/[P6,6,6,14][Cl] DME/[P6,6,6,14][Cl] | Simulation | single-effect | 65 < Tg < 110 30 < Ta < 50 | R290: 0.08~0.35 R600a: 0.05~0.31 DME: 0.04~0.54 | DME/[P6,6,6,14][Cl] exhibits the highest COP and ECOP at Tg above 72 °C and Ta below 42 °C. | [55] |
| CO2/[bmim][Tf2N] | Simulation | single-effect | 100 < Tg < 185 −3 < Te < 7 | 0.13~0.21 | Due to the limitation of absorbability, the circulation ratio of CO2/IL is much higher than NH3/H2O, and the COP is slightly lower. | [56] |
| CO2/[emim][Tf2N] | Simulation | novel configuration | 60 < Tg_l < 90 100 < Tg_h < 120 −5 < Te < 11 19 < Ta < 27 19 < Tc < 27 | 0.25~0.70 | The COP of a CO2/[emim][Tf2N] single-effect absorption cycle was improved by 50% through configuration optimization. | [57] |
| Cycle Configuration | Method | Working Pair | Operating Temps. (°C) | COP | Remarks | Refs. |
|---|---|---|---|---|---|---|
| Single-effect | Experiment | H2O/LiBr | 85 < Tg < 92 Te = 6 36 < Ta < 45 30 < Tc < 43 | 0.05~0.77 | Optimization of operating conditions can significantly improve cycle performance. | [61] |
| Experiment | H2O/LiBr | Tg = 85 Te = 12 Ta = 30 Tc = 30 | 0.4175 | The novel double-closed-loop control strategy improves energy efficiency by 19.3% under typical conditions. | [63] | |
| Double-effect (series) | Simulation | H2O/LiBr | 115 < Tg < 190 4 < Te < 10 33 < Ta < 39 33 < Tc < 39 | 0.74~1.32 | The COP of the double-effect cycle is about twice that of the single-effect, while the required Tg is higher. | [67] |
| Double-effect (parallel and series) | Simulation | H2O/LiBr | 2 < Te < 10 25 < Ta < 40 30 < Tc < 45 | parallel: 1.32~1.50 series: 1.08~1.43 | The COPs of parallel cycles are higher than series cycles in most conditions, while the distribution ratio of parallel cycles needs to be regulated. | [65] |
| Triple-effect (series) | Simulation | H2O/LiBr | 135 < Tg < 225 4 < Te < 10 33 < Ta < 39 33 < Tc < 39 | 1.07~1.63 | The triple-effect cycle can work efficiently at high Tg. | [67] |
| Two-stage | Simulation | H2O/LiBr | 50 < Tg < 85 4 < Te < 10 33 < Ta < 39 33 < Tc < 39 | 0.18~0.44 | Compared to the single-effect cycle, the COP of a double-stage cycle is higher under a low Tg (around 65 °C and below). | [68] |
| Experiment | NH3/H2O | 69 < Tg < 88 −6 < Te < 8 21 < Ta < 29 32 < Tc < 36 | 0.13~0.29 | The performance of the air-cooled two-stage NH3/H2O cycle driven by solar energy has been tested in a prototype. | [73] | |
| Simulation | H2O/LiCl and H2O/LiBr | 60 < Tg < 70 1 < Te < 9 30 < Ta < 40 30 < Tc < 40 | 0.28~0.40 | The cycle with dual solutions shows a higher COP than the traditional two-stage cycle, with a maximum COP improvement of 35%. | [75] | |
| Auto-cascade | Experiment | R23+R134a/DMF | Tg = 157 Te = −47.2 Ta = 28 Tc = 18 | 0.011 | The cooling temperature of ARAC is much lower than the traditional absorption refrigeration cycle. | [76] |
| Experiment | R23+R32+R134a/DMF | Tg = 122 Te = −52.9 Ta = 28 Tc = 17 | 0.011 | - | [77] | |
| Simulation | R23+R134a/DMF | Tg = 160 −57.5 < Te < −56.5 Ta = 30 Tc = 30 | 0.399~0.415 | The COP of a novel ACAR with a double absorber is 20% higher than that of an ACAR with a single absorber. | [78] | |
| GAX | Experiment | NH3/H2O | 25 < Tg < 50 −15 < Te < 20 0 < Ta < 80 Tc = 24 | 0.22~0.63 | The maximum COP of the GAX cycle is higher (0.1–0.3) than that of the single-effect cycle. | [81] |
| Simulation | NH3/H2O | 110 < Tg < 180 Te = 5 Ta = 30 Tc = 39 | 0.45~0.65 | The performance advantage of the GAX cycle is even more significant at high Tg. | [82] | |
| Ejector-assisted absorption refrigeration | Simulation | H2O/LiBr | 120 < Tg < 155 2 < Te < 14 Ta = 40 Tc = 40 | 0.72~1.5 | The pressure potential energy in a single-effect cycle has been utilized by the ejector; thus, the COP improves by 0~80%. | [85] |
| Simulation | H2O/LiBr | 70 < Tg < 90 1 < Te < 15 Ta = 40 Tc = 40 | 0.40~0.79 | The pressure potential energy in a two-stage cycle has been utilized by the ejector; thus, the COP improves by 0~78%. | [87] | |
| Simulation | NH3/H2O | 70 < Tg < 125 −10 < Te < 10 30 < Ta < 40 30 < Tc < 40 | 0.04~1.86 | The addition of two flash tanks enhances the performance of the ejector-assisted absorption cycle. | [88] | |
| Compressor-assisted absorption refrigeration | Simulation | R1234yf/[emim][BF4] R1234yf/[hmim][TF2N] R1234yf/[hmim][BF4] R1234yf/[omim][BF4] R1234yf/[hmim][PF6] R1234yf/[hmim][TfO] | 62 < Tg < 95 −11 < Te < 15 20 < Ta < 40 20 < Tc < 40 | [emim][BF4]: 0.01~0.12 [hmim][Tf2N]: 0.01~0.40 [hmim][BF4]: 0.02~0.30 [omim][BF4]: 0.01~0.32 [hmim][PF6]: 0.01~0.28 [hmim][TfO]: 0.01~0.31 | The utilization of a compressor significantly improves refrigeration performance, reduces the circulation ratio, and widens the temperature range of operational conditions. | [48] |
| Simulation | H2O/LiBr | 45 < Tg < 75 4 < Te < 10 32 < Ta < 38 32 < Tc < 38 | 0.38~0.44 | Compared to the conventional two-stage cycle, the Tg of a compressor-assisted two-stage cycle is lower by 7~10 °C with higher COP. | [93] | |
| Simulation | H2O/LiBr | Tg = 162.8 Te = 5 Ta = 35 Tc = 40 | 1.70~1.74 | Four types of compressor-assisted triple-effect cycles were investigated; the Tg of a compressor-assisted cycle is lower by 40 °C, approximately. | [92] |
| Enhancement Strategy | Method | Enhanced Process | Working Pair | Remarks | Refs. |
|---|---|---|---|---|---|
| additive | Simulation | falling-film absorption | H2O/LiBr | The CuO nanoparticles augment the average mass transfer rate of the absorber by 28~75%. | [98] |
| Experiment | falling-film absorption | H2O/LiBr | The mass transfer enhancement was 2.48 times with the 0.1 wt.% CNT and 1.9 times with the 0.1 wt.% Fe nanoparticles. | [100] | |
| Simulation | absorption process | H2O/LiBr | The addition of Al2O3 nanoparticles increases the COP by 1–35% under Tg of 87~120 °C; the maximum COP occurred with 0.2% volume fraction of Al2O3. | [133] | |
| Experiment | falling-film absorption | H2O/LiBr | 2-ethyl-1-hexanol improved the heat and mass transfer rates by 400% and 350%; 1-octanol improved the heat and mass transfer rates by 350% and 155%. | [101] | |
| Experiment | bubble absorption | NH3/H2O | The addition of nanoparticles (Cu, CuO, Al2O3) enhances the bubble absorption performance; Cu with 0.1 wt.% enhances the absorption rates up to 3.21 times. | [110] | |
| Experiment | absorption process | NH3/H2O | CNT with 0.02% volume fraction increases the absorption rate and heat transfer rate by 17% and 16%; Al2O3 with 0.02% volume fraction increases the absorption rate and heat transfer rate by 29% and 18%. | [99] | |
| Experiment | - | NH3/LiNO3 | CNT nanoparticles with 0.01 wt.% enhance thermal conductivity by 7.5%. | [134] | |
| Simulation and experiment | generation process | NH3/H2O | The addition of TiO2 (0.5 wt.%, nanoparticle) and SDBS (0.02 wt.%, surfactant) increases the COP of the system by 28%. | [113] | |
| Simulation and experiment | falling-film generation | NH3/H2O | The addition of ZnFe2O4 (0.1 wt.%, nanoparticle) and SDBS (0.05 wt.%, surfactant) increases the generation rates by 60%. | [124] | |
| ultrasonic oscillation | Simulation | falling-film absorption | H2O/LiBr | Ultrasonic atomization increases the absorption rate by 15.1% and elevates the ammonia mass fraction of a strong solution by 1.2%. | [104] |
| Experiment | bubble absorption | NH3/H2O+LiBr | Ultrasonic oscillations and nanoparticles have a synergistic optimization effect; under operational conditions (ultrasonic frequency of 68 kHz, TiO2 of 0.1 wt.%), the absorption rate increased by 26%. | [109] | |
| Experiment | generation process | H2O/LiBr | Ultrasonic waves increase the generation rate by 20~60% under a Tg of 65~80 °C; the strengthening effect is more significant as the Tg decreases. | [125] | |
| Experiment | generation process | H2O/LiBr | Ultrasonic waves increase the cooling capacity and COP by 19.6% and 13.8%. | [126] | |
| Simulation | generation process | H2O/LiBr | Ultrasonic waves increase the cooling capacity and COP by 33.2% and 31.3%. | [127] | |
| Experiment | generation process | H2O/LiBr | The generation rate was increased by 10.26% for dual ultrasonic vibrators and 5.69% for single ultrasonic vibrators. | [128] | |
| Simulation | falling-film absorption | NH3/H2O | Ultrasonic atomizers can significantly improve the absorption rate and system energy efficiency under a wide range of operating conditions. | [105] | |
| surface treatment | Experiment | falling-film absorption | H2O/LiBr | Three tube surfaces (plain tube, floral finned tube, and floral tube) are tested; the average heat and mass transfer coefficients of the floral finned tube are the largest. | [101] |
| Simulation | falling-film absorption | H2O/LiBr | Incorporating rhombic mesh into the falling-film absorber improves surface coverage and promotes liquid film fluctuation and mixing. | [103] | |
| Experiment | falling-film generation | H2O/LiBr | The heat transfer coefficients of seven surface-treated tubes are tested; the heat transfer coefficient of the NF surface-modified tube increases by 60%. | [123] | |
| Simulation and experiment | generation process | H2O/LiBr | A generator with finned tubes and ultrasonic vibration at 21 kHz increases the heat transfer coefficient by 17.85%. | [129] |
| Initial Process | Coupled Absorption Refrigeration Cycle | Optimized NG Liquefaction Process | Ref. | |||||
|---|---|---|---|---|---|---|---|---|
| Configuration | Working Pair | Cooling Temp./(°C) | Heat source | SPC /(kWh/kg) | Energy Efficiency/(%) | Exergy Efficiency/(%) | ||
| SMR | Single effect | Ammonia/H2O | −26.55 | Solar energy | 0.19 | 87.31 | 91.12 | [138] |
| Single effect | Ammonia/H2O | −26.55 | Industrial waste heat | 0.18 | --- | 62.33 | [139] | |
| Single effect | Ammonia/H2O | −26.55 | Solar energy | 0.18 | --- | 88.97 | [140] | |
| Diffusion–absorption | Ammonia/H2O | −29.32 | Solar energy | 0.23 | 90.00 | 38.00 | [6] | |
| Absorption–compression cascade | Ammonia/H2O+CO2 | −54.62 | Industrial waste heat | 0.19 | 32.50 | 91.68 | [141] | |
| C3MR | Single effect | Ammonia/H2O | −30 | Industrial waste heat | 0.21 | 78.84 | --- | [144] |
| Double effect | H2O/LiBr | 9/22 | Industrial waste heat | 0.24 | 89.60 | --- | [148] | |
| DMR | Single effect | Ammonia/H2O | −10 | Industrial waste heat | 0.39 | 39.80 | --- | [7] |
| Single effect | Ammonia/H2O | −29.5 | --- | 0.26 | 87.00 | 58.10 | [146] | |
| MFC | Single effect | Ammonia/H2O | −29.5 | Industrial waste heat | 0.17 | 90.73 | --- | [152] |
| Single effect | Ammonia/H2O | −29.5 | --- | 0.18 | --- | 58.11 | [153] | |
| Single effect | Ammonia/H2O | −29.5 | --- | 0.18 | 87.16 | 88.96 | [154] | |
| Single effect | Ammonia/H2O | −29.5 | Industrial waste heat | 0.27 | --- | 48.93 | [155] | |
| Methane expansion | Single effect | Ammonia/H2O | −29.6 | Industrial waste heat | 0.32 | --- | --- | [157] |
| Nitrogen expansion | Single effect | Ammonia/H2O | −29.6 | Industrial waste heat | 0.37 | --- | --- | [157] |
| Single effect | Ammonia/H2O | −29.6 | Solar energy | 0.79 | 23.36 | 36.57 | [158] | |
| Initial Process | Coupled Absorption Refrigeration Cycle | CE of Initial NG Liquefaction Process/(kgCO2/kgLNG) | CE of Optimized NG Liquefaction Process/(kgCO2/kgLNG) | Reduction in CEtot/(%) | Ref. | ||||||
|---|---|---|---|---|---|---|---|---|---|---|---|
| Configuration | Working pairs | Cooling Temp./(°C) | CELR | CEele | CEtot | CELR | CEele | CEtot | |||
| SMR | Single effect | Ammonia/H2O | −26.55 | 0.167 | 0.267 | 0.434 | 0.159 | 0.190 | 0.349 | 19.5 | [138] |
| Single effect | Ammonia/H2O | −26.55 | 0.165 | 0.267 | 0.432 | 0.158 | 0.179 | 0.337 | 22.1 | [139] | |
| Single effect | Ammonia/H2O | −26.55 | 0.165 | 0.267 | 0.432 | 0.158 | 0.179 | 0.337 | 22.1 | [140] | |
| Diffusion–absorption | Ammonia/H2O | −29.32 | 0.228 | 0.267 | 0.495 | 0.184 | 0.225 | 0.409 | 17.34 | [6] | |
| Absorption–compression cascade | Ammonia/H2O+ CO2 | −54.62 | 0.250 | 0.305 | 0.555 | 0.167 | 0.189 | 0.356 | 35.86 | [141] | |
| C3MR | Single effect | Ammonia/H2O | −30 | 0.247 | 0.253 | 0.500 | 0.175 | 0.210 | 0.386 | 22.92 | [144] |
| Single effect | Ammonia/H2O | −29.5 | 0.235 | 0.359 | 0.595 | 0.163 | 0.257 | 0.421 | 29.24 | [146] | |
| Double effect | H2O/LiBr | 9/22 | 0.247 | 0.310 | 0.557 | 0.247 | 0.244 | 0.491 | 11.86 | [148] | |
| DMR | Single effect | Ammonia/H2O | −10 | 0.308 | 0.558 | 0.865 | 0.205 | 0.391 | 0.596 | 31.18 | [7] |
| Single effect | Ammonia/H2O | −29.5 | 0.308 | 0.351 | 0.659 | 0.205 | 0.257 | 0.462 | 29.83 | [146] | |
| MFC | Single effect | Ammonia/H2O | −29.5 | 0.190 | 0.224 | 0.414 | 0.122 | 0.172 | 0.294 | 29.0 | [152] |
| Single effect | Ammonia/H2O | −29.5 | 0.215 | 0.265 | 0.480 | 0.142 | 0.185 | 0.327 | 31.9 | [154] | |
| Single effect | Ammonia/H2O | −29.5 | 0.253 | 0.369 | 0.622 | 0.162 | 0.272 | 0.434 | 30.3 | [155] | |
| Methane Expansion | Single effect | Ammonia/H2O | −29.6 | 0.799 | 0.410 | 1.209 | 0.559 | 0.260 | 0.819 | 32.2 | [157] |
| Nitrogen Expansion | Single effect | Ammonia/H2O | −29.6 | 0 | 0.505 | 0.505 | 0 | 0.367 | 0.367 | 27.4 | [157] |
| Single effect | Ammonia/H2O | −29.6 | 0 | 0.875 | 0.875 | 0 | 0.788 | 0.788 | 9.9 | [158] | |
| Initial Process | Coupled Absorption Refrigeration Cycle | Optimized H2 Liquefaction Process | Ref. | |||||
|---|---|---|---|---|---|---|---|---|
| Configuration | Working Pair | Cooling Temp./°C | Heat Source | SPC /(kWh/kg) | Energy Efficiency/(%) | Exergy Efficiency/(%) | ||
| Linde–Hampson | Triple effect | Ammonia/H2O | −13.45 | Solar/geothermal energy | --- | 5.90 | 21.00 | [163] |
| Simple Claude | Single effect | Ammonia/H2O | −29.5 | Solar energy | 12.70 | 9.56 | 31.6 | [165] |
| Claude with LN2 precooling | Single effect | Ammonia/H2O | −26.9 | Geothermal energy | 6.78 | 20.26 | 16.20 | [165] |
| Single effect | Ammonia/H2O | −30 | Geothermal energy | 11.88 | 34.6 | 69.44 | [168] | |
| Single effect | Ammonia/H2O | −30 | Geothermal energy | 13.80 | 40.81 | 76.1 | [169] | |
| JT with MR precooling | Single effect | Ammonia/H2O | −25 | Solar energy | 6.47 | 20.34 | 45.50 | [172] |
| Single effect | Ammonia/H2O | −29.5/0 | Solar energy | 4.02 | 20.02 | 73.57 | [173] | |
| Single effect | Ammonia/H2O | −30 | Industrial waste heat | 4.54 | 27.10 | --- | [174] | |
| Single-effect cascade | Ammonia/H2O | −59.41 | Solar energy | 5.41 | 14.33 | 86.99 | [174] | |
| Single effect | Ammonia/H2O | −30 | Geothermal energy | 4.97 | --- | 57.00 | [176] | |
| Single effect | Ammonia/H2O | −26.9 | Geothermal energy | 8.87 | 49.00 | --- | [177] | |
| Initial Process | Coupled Absorption Refrigeration Cycle | CE of Initial H2 Liquefaction Process/(kgCO2/kgLH2) | CE of Optimized H2 Liquefaction Process/(kgCO2/kgLH2) | Reduction in CEtot/% | Ref. | ||||||
|---|---|---|---|---|---|---|---|---|---|---|---|
| Configuration | Working Pair | Cooling Temp./(°C) | CELR | CEele | CEtot | CELR | CEele | CEtot | |||
| Simple Claude | Single effect | Ammonia/H2O | −29.5 | 0 | 15.713 | 15.713 | 0 | 12.711 | 12.711 | 19.1 | [165] |
| Claude with LN2 precooling | Single effect | Ammonia/H2O | −26.9 | 0 | 8.509 | 8.509 | 0 | 6.786 | 6.786 | 20.3 | [166] |
| Single effect | Ammonia/H2O | −30 | 0 | 15.713 | 15.713 | 0 | 11.890 | 11.890 | 24.3 | [168] | |
| Single effect | Ammonia/H2O | −30 | 0 | 15.713 | 15.713 | 0 | 13.811 | 13.811 | 12.1 | [169] | |
| JT with MR precooling | Single effect | Ammonia/H2O | −29.5/0 | 71.458 | 4.414 | 75.871 | 68.049 | 4.023 | 72.072 | 5.0 | [173] |
| Single-effect cascade | Ammonia/H2O | −59.41 | 71.458 | 6.475 | 77.933 | 58.053 | 5.417 | 63.470 | 18.5 | [175] | |
Disclaimer/Publisher’s Note: The statements, opinions and data contained in all publications are solely those of the individual author(s) and contributor(s) and not of MDPI and/or the editor(s). MDPI and/or the editor(s) disclaim responsibility for any injury to people or property resulting from any ideas, methods, instructions or products referred to in the content. |
© 2024 by the authors. Licensee MDPI, Basel, Switzerland. This article is an open access article distributed under the terms and conditions of the Creative Commons Attribution (CC BY) license (https://creativecommons.org/licenses/by/4.0/).
Share and Cite
Wang, L.; He, L.; He, Y. Review on Absorption Refrigeration Technology and Its Potential in Energy-Saving and Carbon Emission Reduction in Natural Gas and Hydrogen Liquefaction. Energies 2024, 17, 3427. https://doi.org/10.3390/en17143427
Wang L, He L, He Y. Review on Absorption Refrigeration Technology and Its Potential in Energy-Saving and Carbon Emission Reduction in Natural Gas and Hydrogen Liquefaction. Energies. 2024; 17(14):3427. https://doi.org/10.3390/en17143427
Chicago/Turabian StyleWang, Lisong, Lijuan He, and Yijian He. 2024. "Review on Absorption Refrigeration Technology and Its Potential in Energy-Saving and Carbon Emission Reduction in Natural Gas and Hydrogen Liquefaction" Energies 17, no. 14: 3427. https://doi.org/10.3390/en17143427
APA StyleWang, L., He, L., & He, Y. (2024). Review on Absorption Refrigeration Technology and Its Potential in Energy-Saving and Carbon Emission Reduction in Natural Gas and Hydrogen Liquefaction. Energies, 17(14), 3427. https://doi.org/10.3390/en17143427
