Next Article in Journal
Vehicle-to-Grid Revenue from Retail Time-of-Day Rates, Compared with Wholesale Market Participation under FERC Order 2222
Previous Article in Journal
Fault-Tolerant Direct Torque Control of Five-Phase Permanent Magnet Synchronous Motor under Single Open-Phase Fault Based on Virtual Vectors
 
 
Font Type:
Arial Georgia Verdana
Font Size:
Aa Aa Aa
Line Spacing:
Column Width:
Background:
Article

Techno-Economic and Environmental Analyses of an Integrated Liquefied Natural Gas/Allam–Fetvedt Cycle/Air Separation Unit Complex

1
Dan F. Smith Department of Chemical & Biomolecular Engineering, Lamar University, Beaumont, TX 77710, USA
2
Department of Economics and Finance, College of Business, Lamar University, Beaumont, TX 77710, USA
*
Author to whom correspondence should be addressed.
Current address: Department of Chemical & Biomolecular Engineering, North Carolina State University, Raleigh, NC 27606, USA.
Current address: TotalEnergies Port Arthur Refinery, Port Arthur, TX 77642, USA.
Energies 2024, 17(11), 2663; https://doi.org/10.3390/en17112663
Submission received: 28 April 2024 / Revised: 18 May 2024 / Accepted: 29 May 2024 / Published: 30 May 2024
(This article belongs to the Section B: Energy and Environment)

Abstract

The natural gas (NG)-powered compressors/engines used in liquified natural gas (LNG) plants are a major source of methane emission. The Allam–Fetvedt cycle (AFC), an oxyfuel, carbon-neutral, high-efficiency power plant, generates pipeline-grade CO2. This work performed novel process modeling, economic analysis, and greenhouse gas emissions analysis for a heat-integrated, electrified LNG/AFC/air separation unit (ASU) complex (LAA), then compared it to standalone LNG and AFC/ASU plants (baseline) as well as an LNG plant electrified with AFC/ASU without heat integration. The low-grade heat generated from compressors of the LNG plant can enhance the AFC net power output by 7.1%. Utilizing the nitrogens cold energy reduces the compressor power requirement by 1.6%. In the integrated LAA complex, not only are GHG emissions avoided, but the energy efficiencies are also improved for both the LNG plant and the AFC power plant. A cash flow analysis of LAA was performed over a 20-year period with 5%, 7%, and 10% discount rates and three levels of LNG prices. The 45Q CO2 credit of USD 85/T as stipulated by the recent Inflation Reduction Act (IRA) of 2022 has been incorporated. The results clearly indicate the economic and environmental benefits of the proposed electrification and heat/power integration.

1. Introduction

The liquefied natural gas (LNG) supply chain contains oil and gas exploration, gas treatment, liquefaction, shipping, regasification, and marketing distribution. The natural gas (NG) liquefaction process plays a significant role in transporting natural gas over long distances from different regions.
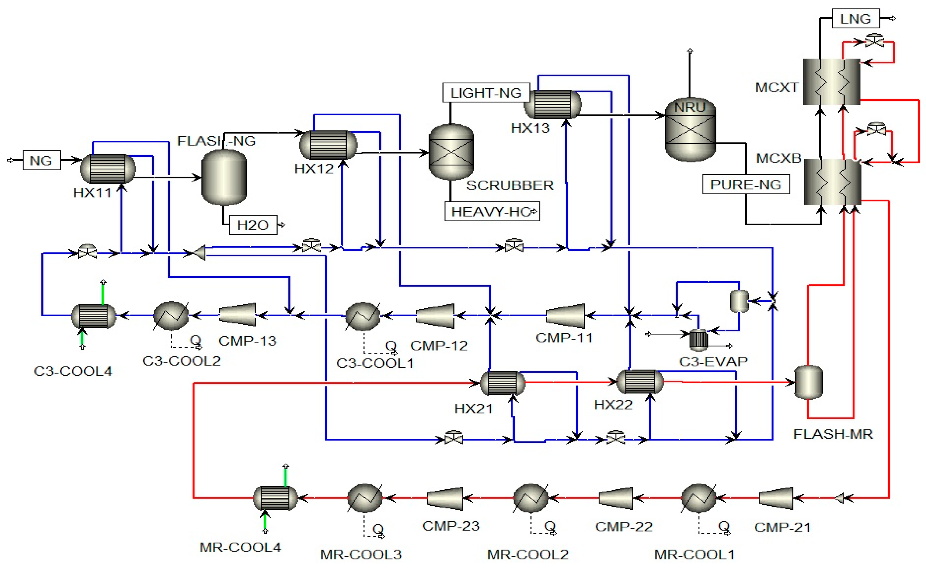
The LNG liquefaction system in this report is the propane precooled mixed refrigerant process (C3MR), which involves precooling of natural gas using a propane refrigeration loop followed by subcooling and liquefaction in the second loop using a mixed refrigerant composed of methane, ethane, and propane, as shown in Figure 1. The modeling of a typical propane/mixed refrigerant (C3MR) LNG is shown in Figure 2 [1,2,3,4,5,6,7,8,9,10,11,12,13,14,15].
The Allam–Fetvedt cycle (AFC) is an oxy-combustion, carbon-neutral, high-efficiency (approximate 59%) super-critical CO2 Brayton power cycle operated at elevated temperatures (up to 1050 °C) and pressures (between 30 and 300 bar). The exhaust CO2 is captured during the process and recycled as system working fluid. The excess high-pressure CO2 is sent to the pipelines for sequestration or utilization [16,17,18,19,20,21].
Liquified natural gas (LNG) plants use natural gas (NG)-powered compressors to run the refrigeration train, which emits methane, CO2, nitrous oxide (N2O), nitrogen oxides (NOx), and PM (soot). It is worth noting that SOx emissions are usually not an issue for the LNG plants since natural gas (sales gas) feed has been desulfurized (S content < 5 mg/m3) [22,23,24,25,26,27,28,29,30,31,32,33]. Among the above-mentioned emissions from the LNG facilities, methane emissions have gained most attention recently. Methane emissions (from various sources) contributed to about one-third of the current anthropogenic temperature rise and undermine the claim that natural gas is a clean energy. As can be seen in Figure 3, natural gas processing and petroleum production contribute significantly to US methane emissions, so the system and methods to reduce methane emissions from the LNG operations is a timely effort. Methane emissions include fugitive, vent, and flare emissions from natural gas-fired engines/turbines, storage tanks, and piping systems [22,29,33]. LNG companies plan to cut greenhouse gas (GHG) emissions and electrification is the top priority for achieving decarbonization. Electric motors are much more efficient (>95%) than the internal combustion engine (ICE, <50%). They are also lightweight, smaller, can provide instant and consistent torque, and do not emit carbon into the atmosphere. For these reasons, electric motors are replacing internal combustion in transportation and industry. Electrification has become an important tool to decarbonize NG liquefaction operations as it may increase the reliability of the equipment in addition to reducing methane emissions [4,7,15,33]. Companies intend to electrify LNG operations to minimize methane emissions and potentially CO2 emissions if the carbon intensity of electricity is below 600 metric tons of carbon dioxide equivalent per gigawatt hour (t CO2e/GWh) [25,26]. The carbon intensity qualifier for electricity is important as the power generation can come from either renewable wind, solar, biogas, or carbon-free nuclear, low-carbon natural gas, or even carbon-intensive coal-fired power plants. In other words, the benefit of electrification actually depends on the carbon intensity of the mix of electrical power sources. However, without considering methane emissions, the availability of cheap natural gas dictates the choice of compressors, i.e., whether the use of electric compressors or natural gas-powered compressors is economically more favorable. One of the novel features of this work is to replace natural gas-powered compressors in the LNG operations with electric compressors powered by the carbon-neutral AFC.
Greenhouse gas emissions in natural gas liquefaction operations come from the combustion of natural gas in heaters, flares, and most importantly, engines/turbine-driven compressors. Environmental performance was compared in terms of GHG emission reduction. Economic performance was evaluated in terms of capital investment, operating cost, payback period, net present value, and internal rate of return with a 45Q tax credit.
No prior work on such an integration between an LNG facility and the Allam–Fetvedt cycle (AFC) was found in the literature. The reason is that high-efficiency, carbon-neutral AFC power generation is fairly new. The demonstration plant in La Porte, TX, achieved its first fire in 2018 and connected to the Texas grid in 2021. This paper is believed to be the first of its kind to show the benefits of such an integration. This paper analyzes not only the technical/economic side to show the improvement in energy efficiencies and profitability but also the benefits of reducing greenhouse gas emissions (especially methane).

2. Methodology

2.1. Heat and Power Integration

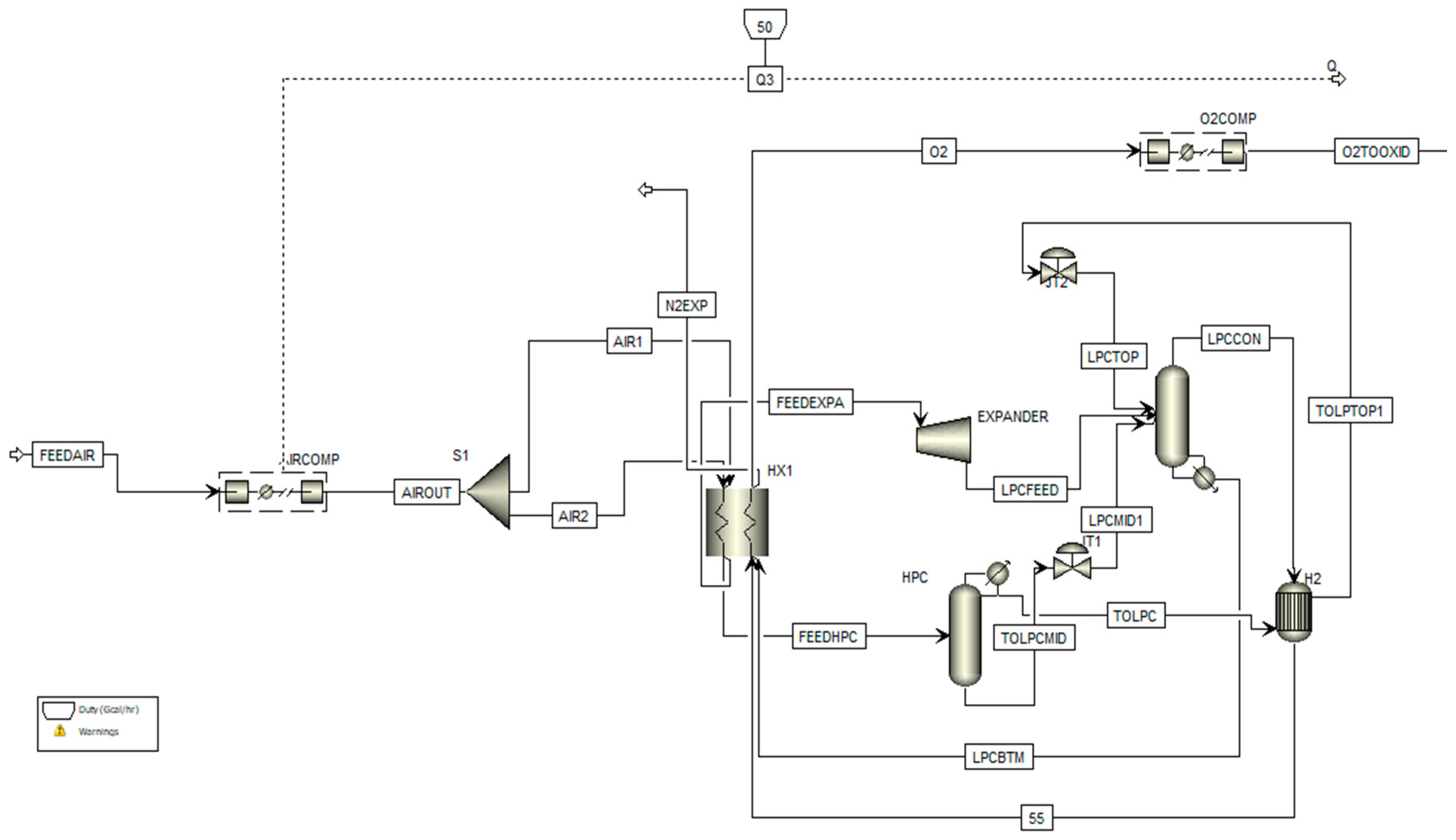
The material and energy integration of the Allam–Fetvedt cycle, air separation unit (ASU), and LNG among the three subsystems (shown in Figure 4) was modeled with Aspen Plus [34], and the important aspects are listed below [12,18,19]:
o
An air separation unit (ASU) supplies pure oxygen to the power plant and nitrogen cold energy for precooling of the natural gas feed for the LNG plant.
o
The power plant subsystem is the natural gas empowered complex, which includes an oxy-combustion power plant driven by the Allam–Fetvedt cycle to generate net power and pure CO2 for commercial utilization. The power generated from the Allam–Fetvedt cycle can also be utilized for ASU/LNG compressors.
o
An LNG plant relies on power supplied by the AFC and supplies extra heat to the AFC combustor/turbine. The low-grade heat (122–126 °C) from LNG compressors lifts the net power of the Allam–Fetvedt cycle/ASU by increasing the recycle oxidant and CO2 stream temperatures.

2.2. Economic Analysis Using Aspen Process Economic Analyzer and General Investment Evaluation Tools

2.2.1. Aspen Process Economic Analyzer (APEA)

Aspen Process Economic Analyzer (APEA), a subsystem of Aspen Plus, was used to conduct the economic analysis to evaluate the financial viability of the integration. APEA provides economic analysis including total capital cost, total operating cost, total raw material cost, and total product sales. The price data of compressors, recuperators, electricity, natural gas, and LNG were obtained from the open literature [1,5,13,17,28].
We further investigated several investment evaluation tools: net present value (NPV), payback period (PBP), internal rate of return (IRR), and cash flow [28,29,30,31,32,33,34,35,36,37,38]. These tools are detailed below.

2.2.2. Net Present Value (NPV)

The NPV is a fundamental financial metric used for investment appraisal. It measures the profitability of a project or investment by assessing the difference between the present value of expected cash inflows and the present value of cash outflows over the investment’s time horizon. A positive NPV, as shown in Equation (1), indicates a potentially profitable investment, while a negative NPV suggests that the investment may not be financially viable [28,29,30].
N P V = t = 0 n R t i + 1 t
where Rt = Net cash flow (in–out flows) during a single period t;
i = discount rate;
t = number of time periods.

2.2.3. The Payback Period (PBP)

The PBP method is widely used and considered an important, and traditional method for capital budgeting or investment decision-making [38,39,40,41,42,43]. PBP is a superior performance appraisal method because it gives a more accurate approximation even with the non-uniform future cash flows, which is more likely in the real business world [41,42]. The PBP method is a simplistic method of looking at the investment ideas and finding out the time period by which the project will earn back the investment for the investors. PBP is determined based on the cumulative net cash flow over the duration of the project. It is the point in time when the running total of net cash flow becomes positive, signifying that the investment has been paid back in full:
  • Calculate the cumulative net cash flow for each year. Start from the beginning of the project and sum the net cash flows up to that year.
  • Identify the latest year, denoted as “n”, when the cumulative net cash flow becomes positive. This year is when the investment has been fully recovered.
  • To determine the exact point in the latest year n when the remaining original investment is paid back, use the following formula:
Exact Time in Year n = (Original Investment − Cumulative Net Cash Flow at the end of Year n-1)/Net Cash Flow in Year n
In this formula,
  • “Exact Time in Year n” indicates the precise moment in the latest year when the investment is fully recovered;
  • “Original Investment” represents the initial capital invested in the project;
  • “Cumulative Net Cash Flow at the end of Year n-1” is the cumulative cash flow at the end of the previous year (n-1); and
  • “Net Cash Flow in Year n” is the cash flow for the latest year (n).

2.2.4. Internal Rate of Return

The internal rate of return (IRR) is a financial metric employed to assess the potential profitability of investments. It represents the discount rate at which the sum of the present values of all cash flows becomes zero at the end of the project period in a discounted cash flow analysis, helping determine the attractiveness of an investment opportunity [44,45].

2.2.5. Cash Flow

Cash flow tables similar to those provided by Chaturvedi et al. [14] were constructed for a project period of 20 years. These tables provide details of design capacity, sales, capital costs, working capital, total operating cost, depreciation, taxable income, taxes, CO2 credit, net earnings, cash flow, net present value (NPV), and earnings before interest, taxes, depreciation, and amortization (EBITDA). Cash flow curves were also generated to show the cash flow changes over the period.

2.3. Greenhouse Gas (GHG) Emission Analysis

The CO2 and methane emission factors were obtained from the US EPA and industrial reports. The greenhouse gas emissions were estimated based on the CO2 emission factor for the natural gas-powered turbine = 540 kg/MWh, CH4 emission factor for the LNG plant compressors = 0.240 scf/(hp*h), 90% utilization rate, natural gas simple cycle (NGSC) efficiency of 36%, and 100-year global warming potential (GWP) of methane = 28 [1,3,11,14,22,24,26,27,29,30,31,32,33].

3. Results and Discussion

3.1. LNG Plant Operating Data (Base Case)

The base case is a standalone LNG plant and a standalone AFC plant with its associated air separation unit (ASU). Table 1 gives the component flow rates of the natural gas feed stream, a typical gas sold in the US that is free of contaminants such as H2S and CO2. Table 2 provides the composition of the mixed refrigerant (MR) stream typical for the Air Products AP-C3MR process. The process conditions are based on the ones described by Ravavarapu et al. [10]. The specifications used for propane/MR cycle heat exchangers and compressors are listed in Table 3. The stream data including temperature, pressure, flow, and enthalpy are given in Table 4.

3.2. Precooling of Natural Gas Feed with Cold Nitrogen Stream from ASU

The prior work from this group (Shetty, 2020) incorporated a cold nitrogen stream from the air separation unit (ASU) associated with the Allam power plant, making use of its available cold duty for the precooling of the natural gas feed in the propane precooling cycle of the LNG plant. Different types of scenarios were modeled using Aspen Plus and analyzed based on heaty duty, compressor work, and cost.
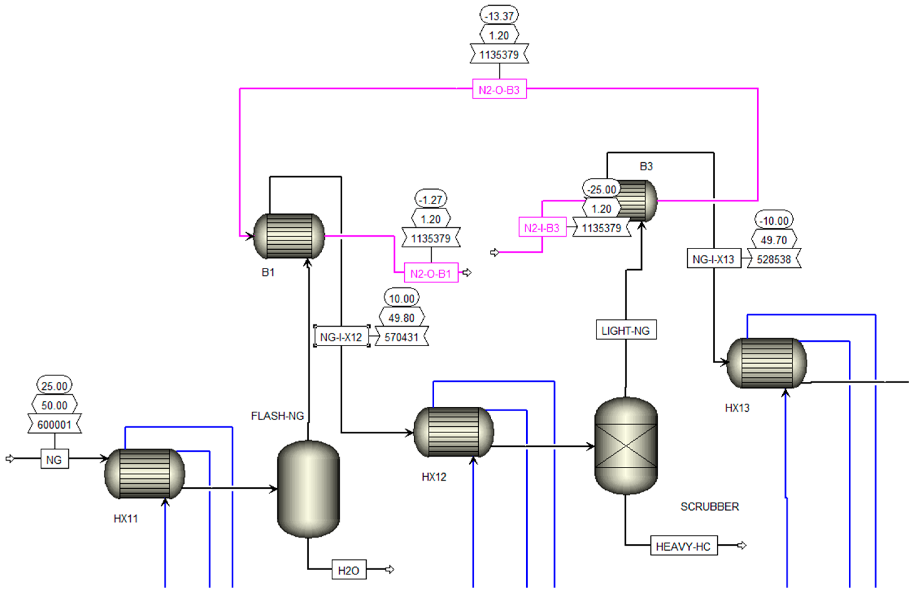
From the base case, a two-stage cooling chain including booster heat exchangers B1 and B3 is added for enhanced utilization of the cold N2 energy as shown in Figure 5.
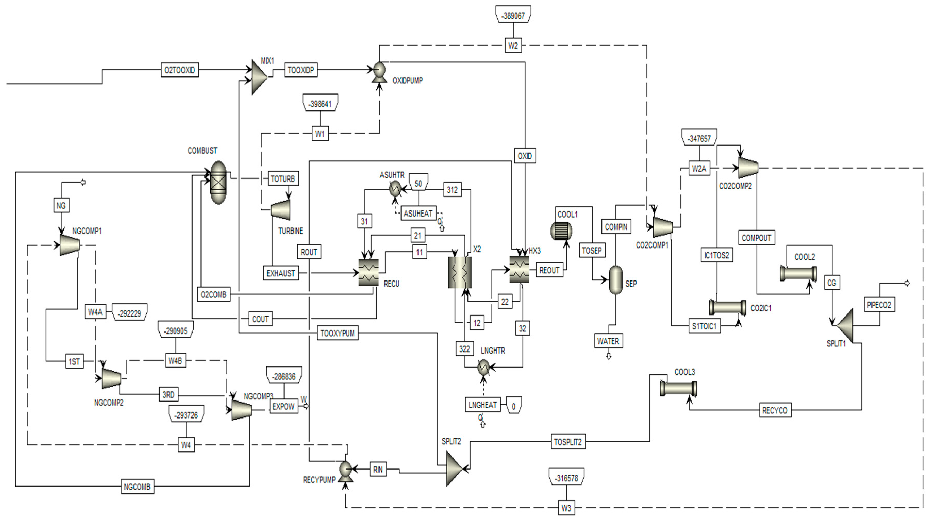
The scenario of integrating cold N2 stream from the ASU with an LNG plant is compared to the base case with no N2 precooling. The booster heat exchanger duties are given in Table 5. The total compressor power inputs required to operate the C3 and MR cycles are presented in Table 6. The Aspen Plus process flow diagrams (PFDs) for the ASU and AFC (with and without N2 precooling) are shown in Figure 6, Figure 7 and Figure 8.
As can be seen, the integrated case has a higher booster heat exchanger heat duty and a lower compressor power requirement. It also indicates that roughly half of the precooling heat duty is converted to compressor power savings (2.97 Gcal/h/6.70 Gcal/h = 3.46 MW/7.79 MW = 44.5%).
Table 7 provides the compressor aftercooler duties of the C3/MR cycle. These duties can be utilized for the recuperator in the AFC, especially with the total amounts of heat duties coming from the MR cycle (MR-COOL1, MR-COOL2, and MR-COOL3). The heat integration of the MR cycle and recuperator will increase the efficiency of the AFC, which can be calculated based on the Allam subsystem’s current efficiency.

3.3. LNG Heat from MR Compressors for the Allam–Fetvedt Cycle Recuperator

The heat generated from mixed refrigerant compressors CMP-22, -23, (i.e., cooler duties of MRCooler-2 and -3) in Figure 2 can be added to the AFC recuperator to raise the enthalpies of streams back to the combustor (Stream 9 recycled CO2 and Stream 13 recycled oxidant CO2+O2). These heat sources as given in Table 7 are used to increase the AFC’s thermal efficiency.
The AFC cycle recuperator is simulated as a series of three multi-stream heat exchangers: RECU, HX2, and HX3. In the base case, no LNG heat is supplied to the Allam–Fetvedt cycle HX3, so the ASU heat of 50 Gcal/h is added to HX2. In the improved case, HX3 utilizes the low-grade heat (26 Gcal/h, ~125 °C) from the aftercoolers’ (MR-COOL2 and MR-COOL3) heat duties of LNG mixed refrigerant compressors (CMP-22 and 23), as shown in Figure 4. Only a fraction (~19%) of the low-grade heat from the LNG compressors can be utilized in the Allam recuperator to raise the recycled oxidant (a mix of O2 and remainder CO2) and recycled CO2 from ~40 °C to ~125 °C. Then, the heat from the ASU air compressor is used in HX2 to further raise the temperature of the recycle streams to ~300 °C. The net power of the AFC is increased from 395 MW to 423 MW by increasing the NG flow to the combustor section from 36,000 kg/h to 52,800 kg/h. Simultaneously, the air flow for the ASU is increased from 917.5 T/h to 1347 T/h, which results in an increase in O2 flow from 144,145 kg/h to 211,622 kg/h.

3.4. Energy Efficiency Improvement

The compressor work in the LNG operation is reduced from 255 MW to 251 MW, or by roughly 1.6%, due to the precooling of incoming NG with the nitrogen (N2) stream from the ASU. On the other hand, the net power from the AFC is increased from 395 MW to 423 MW, or an increase of 7.1%, due to the utilization of the waste heat from the LNG MR cycle compressors.
The overall energy efficiency improvement from the standalone LNG and AFC/ASU units to fully integrated LAA complex based on the same natural gas consumption is 8.8% (=1.071/(1 − 0.016) = 1.088). The AFC/ASU power output is increased by 7.1%, while the compressor power requirement is reduced by 1.6%.

3.5. Economic Analysis for Heat Integration between LNG and AFC/ASU Plants

Within this report, we present three distinct scenarios: the base case, an electrified LNG plant, and a heat and power integration among LNG/AFC/ASU.
  • Base case: This case portrays a standalone LNG plant and a standalone ASU/AFC operating independently, devoid of electrification or heat integration.
  • Electrified case: In this scenario, an LNG plant is energized by the ASU/AFC plant, i.e., the natural gas simple cycle (NGSC) power plant in the LNG is replaced by the AFC. In addition, all natural gas-powered compressors are replaced by electric compressors.
  • Integrated case: In this scenario, power is procured from the ASU/AFC system, and conversely, surplus heat (26 Gcal/h) from the LNG plant is channeled into the ASU/AFC system. This integration leads to an enhancement in the power generation capacity of the ASU/AFC, elevating it from 395 MW to 423 MW. Also, cold N2 from the ASU/AFC plant is used to precool the incoming NG before refrigeration, resulting in reciprocal benefits for both facilities.
Table 8, Table 9 and Table 10 provide economic analysis including total capital cost, total operating cost, total raw material cost, and total product sales for the base case, electrified case (LNG plant is electrified with electricity from the AFC+ASU complex), and an electrified case with fully heat-integrated LNG+AFC+ASU complex. It can be seen from Table 11 that the heat integration increases the total capital cost by USD 14 million (one time) and the total operating cost by USD 3 million/yr, but the total product sales also go up by USD 33 million/yr. The product sales from AFC/ASU include only surplus electricity and N2.
The total capital costs include the refrigeration train (natural gas-powered/electric compressors, aftercoolers, heat exchangers) in the LNG plant, the natural gas compressors, the combustor/turbine unit, and the recuperator in the Allam–Fetvedt power plant, and air compressors, O2 compressors, and high-pressure column, and low-pressure column in the air separation unit. The operating cost includes natural gas feed, natural gas for running the AFC plant, and the natural gas simple cycle in the LNG plant, workforce to run the plants, and maintenance costs. The equipment cost bases and index to inflation are obtained from various sources [1,17,46,47,48,49,50,51]. The revenues include sales of LNG, nitrogen, and electricity.
The increase in capital cost for integrated LAA complex arises from the installation and operation of the duct connection (between the LNG compressor aftercoolers and the Allam–Fetvedt cycle recuperator, 1000 m) and 50 fans (30”, 100 BHP) for transporting hot air.
The operating cost is lower due to increased energy efficiency, i.e., the LAA complex consumes less natural gas to power the Allam–Fetvedt cycle in the integrated LNG/AFC/ASU complex.
Selection of the three LNG prices is based on the LNG contract/spot prices data from the past 10 years. The spot price spiked to USD 59/MMBtu in Asia on 4 March 2022 [50,51].
In Table 12, the NPV and PBP values are compared for the above three cases for a 7% discount rate and three different LNG sale prices. Also, for integrated LNG/AFC/ASU plant the cash flow analysis over 5%, 7%, 10% discount rates is done with both high (USD 35.5/MMBtu), medium (USD 11.1/MMBtu), and low (USD 6.05/MMBtu) LNG prices, the comparison is shown in Table 13 and a pictographic representation in Figure 9a–c.
IRR for the Base case is 29%, whereas for electrification from the Allam–Fetvedt cycle is 48.76% and the fully integrated (power + heat integration) case is 49.10%, Table 14.
In Figure 10, cash flow curves are displayed for all 3 plant configurations with a medium LNG sale price of USD 11.1/MMBtu and a 7% discount rate for a project period of over 20 years. Table 15 provides the detailed cash flow analysis for the integrated LNG/AFC/ASU plant configuration. Detailed costs, revenues, taxes, 45Q carbon credit, cash flow, net earnings, and net present value (NPV) are presented for a 20-year period.

3.6. Estimated Greenhouse Gas Reduction

The total CO2 emissions from the standalone LNG plant are 1.96 × 106 T/yr. The 100-year global warming potential of methane is set as 28. This is shown in Table 16. These calculations are based on the CO2 emission factor for the natural gas-powered turbine = 540 kg/MWh, CH4 emission factor for the LNG plant compressors = 0.240 scf/(hp*h), 90% utilization rate, and natural gas simple cycle (NGSC) efficiency of 36%. The GHG emissions from the standalone LNG are estimated to be 1.96 × 106 T/yr.
Electrification of the LNG plant with an AFC/ASU helps avoid the CO2 emissions of 1.96 × 106/yr and also captures 1.27 × 106 T/yr of the CO2 by AFC/ASU power generation, as shown in Table 17. Also, the estimated CO2 emissions avoided for the AFC plant due to LNG compressors heat integration are 4.22 × 104 T/yr. The estimated CO2 emissions avoided due to N2 precooling heat integration for the LNG plant are 9.12 × 103 T/yr. Thus, the total CO2 emissions avoided due to heat integration of the LNG plant and AFC/ASU are 5.13 × 104 T/yr or 2.6% of the standalone LNG emissions, as shown in Table 18.

4. Conclusions

The following conclusions can be drawn from this study:
o
The integration of a 5.3 million ton per annum (MTA) liquefied natural gas (LNG) plant with a 52.8 T/h NG Allam–Fetvedt Cycle (AFC) power plant and an associated air separation unit (ASU) has been modeled with Aspen Plus V. 11.
o
The heat integration of an LNG/AFC/ASU complex (LAA) provides two types of energy benefits: (1) use of the cold stream from the ASU to precool the NG feed to the LNG plant; (2) addition of low-grade waste heat from mixed refrigerant compressors to the AFC recuperator to raise the Allam–Fetvedt cycle net power.
o
The compressor work in the LNG operation is reduced from 255 MW to 251 MW, or by roughly 1.6%, due to the precooling of incoming NG with the nitrogen (N2) stream from the ASU.
o
The net power from the AFC is increased from 395 MW to 423 MW, or an increase of 7.1%, due to the utilization of the waste heat from the LNG MR cycle compressors.
o
The overall energy efficiency improvement from the standalone LNG and AFC/ASU units to the fully integrated LAA complex based on the same natural gas consumption is 8.8%.
o
Detailed cash flow analysis has been carried out for a standalone LNG plant, an electrified LNG plant with AFC/ASU power, and an integrated Allam–Fetvedt cycle and LNG plant (with N2 heat exchange and 26 Gcal/h low-grade heat use in AFC). The 45Q CO2 credit of USD 85/T as stipulated by the recent Inflation Reduction Act (IRA) of 2022 has been incorporated.
o
The net present value (NPV) and payback period (PBP) as a function of LNG price and 7% discount rate are presented. The internal rate of returns (IRRs) are compared for three different plant integration scenarios as well as three different LNG price levels.
o
The estimated CO2 emissions avoided are 4.22 × 104 T/yr due to the utilization of 26 Gcal/h LNG heat from compressors. The estimated CO2 emission avoided is 9.12 × 103 T/yr from precooling of NG by N2. The CO2 emissions avoided are 2.6% by these heat integrations. The amount of CO2 captured by AFC/ASU is 1.27 × 106 T/yr.
o
The overall greenhouse gas emission reduction from electrification and the full heat/power integration among the LNG, AFC, and ASU (LAA) complex is 1.96 × 106 T/yr CO2e compared to the base case.
o
The results clearly indicate the economic and environmental benefits of the proposed electrification and heat/power integration.

Author Contributions

D.C.: Conceptualization, Funding acquisition, Methodology, Project administration, Supervision, Writing—review and editing. P.S., S.W., V.N., F.A.: Investigation, Methodology, Software, Validation, Visualization, Writing—Original draft. Q.X.: Conceptualization, Funding acquisition, Methodology, Writing—review and editing. G.S.: Funding acquisition, Methodology, Writing—review and editing. All authors have read and agreed to the published version of the manuscript.

Funding

This work was supported by the Center for Midstream Management & Science (CMMS), Project 364, “Integrated Allam Cycle-LNG Complex for Greenhouse Gas Reduction and Efficient Energy Supply”. CMMS was not involved in the study design, in the collection, analysis and interpretation of data, in the writing of the report, and in the decision to submit the article for publication.

Data Availability Statement

The original contributions presented in the study are included in the article, further inquiries can be directed to the corresponding author.

Conflicts of Interest

The authors declare no conflicts of interest.

References

  1. Ichizo, A. LNG Plant Combined with Power Plant. 2005. Available online: https://inis.iaea.org/collection/NCLCollectionStore/_Public/28/038/28038245.pdf (accessed on 27 January 2024).
  2. Barr, B.; Pearsall, R.; Bronfenbrenner, J.; Al-Mohannadi, M.H. Maximizing LNG Revenue by Operating at Peak Performance. Gastech 2015 Singapore, 28 October 2015. Available online: https://www.airproducts.com/-/media/files/en/lng/lng-revenue-techpaper-gastech.pdf (accessed on 28 May 2024).
  3. Bukowski, J.D.; Liu, Y.N.; Pillarella, M.R.; Boccella, S.J.; Kennington, W.A. Natural Gas Liquefaction Technology for Floating LNG Facilities. In Proceedings of the LNG 17 the 17th International Conference & Exhibition on Liquefied Natural Gas, Houston, TX, USA, 16–19 April 2013. [Google Scholar]
  4. Devold, H.; Nestli, H.T.; Hurter, J. All Electric LNG Plants: Better, Safer, More Reliable—And Profitable. ABB Process Automation Oil and Gas. 2006. Available online: https://library.e.abb.com/public/9e770a172afc8d7ec125779e004b9974/Paper%20LNG_Rev%20A_lowres.pdf (accessed on 27 January 2024).
  5. International Energy Agency (IEA). World Energy Outlook 2020. 2020. Available online: https://www.iea.org/reports/world-energy-outlook-2020 (accessed on 27 January 2024).
  6. Jinrui, Z.; Hans, M.; René, B.; André, F. Comprehensive review of current natural gas liquefaction processes on technical and economic performance. Appl. Therm. Eng. 2020, 166, 114736. [Google Scholar]
  7. Kleiner, F.; Kauffman, S. All Electric Driven Refrigeration Compressors in LNG Plants Offer Advantages, Gastech 2005. 2005. Available online: https://citeseerx.ist.psu.edu/document?repid=rep1&type=pdf&doi=a6f6a41e69f9eb00cf38ba3696758048e279a320 (accessed on 11 March 2024).
  8. Kurle, Y.M.; Wang, S.J.; Xu, Q. Simulation Study on Boil-off Gas Minimization and Recovery Strategies at LNG Exporting Terminals. Appl. Energy 2015, 156, 628–641. [Google Scholar] [CrossRef]
  9. Mokhatab, S.; Messersmith, D. Liquefaction Technology Selection for Baseload LNG Plants; Hydrocarbon Processing; Gulf Publishing Company: Houston, TX, USA, 2018; pp. 53–56. [Google Scholar]
  10. Ravavarapu, V.N.; Oakley, J.H.; White, C.C. Thermodynamic analysis of a baseload LNG plant. In Chemeca 96: Excellence in Chemical Engineering, Proceedings of the 24th Australian and New Zealand Chemical Engineering Conference and Exhibition, Sydney, Australia, 30 September–2 October 1996; Weiss, G., Ed.; Institution of Engineers: Barton, ACT, Australia, 1996; Volume 1, pp. 143–148. [Google Scholar]
  11. Roman-White, S.A.; Littlefield, J.A.; Fleury, K.G.; Allen, D.T.; Balcombe, P.; Konschnik, K.E.; Ewing, J.; Ross, G.B.; George, F. LNG Supply Chains: A Supplier-Specific Life-Cycle Assessment for Improved Emission Accounting. ACS Sustain. Chem. Eng. 2021, 9, 10857–10867. [Google Scholar] [CrossRef]
  12. Shetty, P.; Wang, S.; Chen, D.; Xu, Q. Performance Analysis of LNG Lique-faction Process Integrated with Allam Cycle Centered Power Plant. In Proceedings of the AIChE Spring Meeting and Global Congress on Process Safety, Houston, TX, USA, 19 August 2020. [Google Scholar]
  13. Sweet, R. Bechtel, Sempra Agree $10.5bn Price Tag for New LNG Terminal in Texas. Global Construction Review, 21.10.22. 2022. Available online: https://www.globalconstructionreview.com/bechtel-sempra-agree-10-5bn-price-tag-for-new-lng-terminal-in-texas/ (accessed on 27 January 2024).
  14. The Levon Group. LNG Operations: Consistent Methodology for Estimating GHG Emissions; American Petroleum Institute: Washington, DC, USA, 2015. [Google Scholar]
  15. Xuan, Y.Y.; Pretlove, J.; Thornhill, N. Assessment of Flexible Operation in an LNG Plant. IFAC Pap. Online 2018, 51, 158–163. [Google Scholar] [CrossRef]
  16. Allam, R.; Martin, S.; Forrest, B.; Fetvedt, J.; Lu, X.; Freed, D.; Brown, G.W.; Sasaki, T.; Itoh, M.; Manning, J. Demonstration of the Allam Cycle: An Update on the Development Status of a High Efficiency Supercritical Carbon Dioxide Power Process Employing Full Carbon Capture. Energy Procedia 2017, 114, 5948–5966. [Google Scholar] [CrossRef]
  17. Chaturvedi, R.; Kennedy, E.; Metew, S. CO2 Sequestration by Allam Cycle. Senior Design Reports (CBE). 135. 2021. Available online: https://repository.upenn.edu/entities/publication/11d3c647-d4d9-44b5-ae98-85e95177cddd (accessed on 27 January 2024).
  18. Fernandes, D.; Wang, S.; Xu, Q.; Buss, R.; Chen, D. Process and Carbon Footprint Analyses of the Allam Cycle Power Plant Integrated with an Air Separation Unit. Clean Technol. 2019, 1, 325–340. [Google Scholar] [CrossRef]
  19. Fernandes, D.; Haque, M.E.; Palanki, S.; Rios, S.G.; Chen, D. DMC Controller Design for an Integrated Allam Cycle and Air Separation Plant. Comput. Chem. Eng. 2020, 141, 107019. [Google Scholar] [CrossRef]
  20. Patel, Sonal, Breakthrough: NET Power’s Allam Cycle Test Facility Delivers First Power to ERCOT Grid, Power, Nov 18. 2021. Available online: https://www.powermag.com/breakthrough-net-powers-allam-cycle-test-facility-delivers-first-power-to-ercot-grid/ (accessed on 28 May 2024).
  21. Storm, K. Combined Cycle Power Plant (1 × 1) Labor Estimate. Industrial Construction Estimating Manual; Gulf Professional Publishing: Houston, TX, USA, 2020; Chapter 6; pp. 95–159. ISBN 9780128235560. [Google Scholar]
  22. Climate Change Connection. CO2 Equivalent and Global Warming Potential Table. 2024. Available online: https://climatechangeconnection.org/emissions/co2-equivalents/ (accessed on 27 January 2024).
  23. Entergy. Entergy’s Path to Net-Zero Emissions and Climate Resilience. November 2022. Available online: https://www.entergy.com/userfiles/content/environment/docs/2022-Climate.pdf (accessed on 10 March 2024).
  24. GHG Institute, Compressor Station Efficiency Improvement GHG Project Using the Performance Standard Baseline Procedure, EXAMPLE 2: Compressor Station GHG Project. Available online: https://member.ghginstitute.org/ghgcourses/Course2/downloads/NaturalGasCompressor.pdf (accessed on 28 May 2024).
  25. Intergovernmental Panel on Climate Change (IPCC). Global Warming of 1.5 °C. 2024. Available online: https://www.ipcc.ch/sr15/ (accessed on 27 January 2024).
  26. Kurz, R. Carbon Footprint Assessment for Compressor Stations, The Future of Gas Turbine Technology. In Proceedings of the 7th International Gas Turbine Conference, Brussels, Belgium, 14–15 October 2014; Available online: https://etn.global/wp-content/uploads/2017/11/17_Solar_Turbines_RK.pdf (accessed on 28 May 2024).
  27. Spath, P.L.; Mann, M.K. Life Cycle Assessment of a Natural gs Combined Cycle Power Generation System; USDOE NREL/TP-570-27715; National Renewable Energy Lab. (NREL): Golden, CO, USA, 2000. [Google Scholar]
  28. U.S. Energy Information Administration. Electric Power Monthly—Table 5.6.A. 2023. Available online: https://www.eia.gov/electricity/monthly/epm_table_grapher.php?t=epmt_5_6_a (accessed on 27 January 2024).
  29. USEPA. Understanding Global Warming Potentials. 2024. Available online: https://www.epa.gov/ghgemissions/forms/contact-us-about-greenhouse-gas-emissions. (accessed on 27 January 2024).
  30. US Environmental Protection Agency, Overview of Greenhouse Gases. 2024. Available online: https://www.epa.gov/ghgemissions/overview-greenhouse-gases#methane (accessed on 28 January 2024).
  31. US Environmental Protection Agency, Methane Emissions from the Natural Gas Industry, Volume 11: Compressor Driver Exhaust, 1996. GRI-94/0257.28 EPA—600R-96-080k June 1996. Available online: https://www.epa.gov/sites/default/files/2016-08/documents/11_compressor.pdf (accessed on 28 May 2024).
  32. U.S. Environmental Protection Agency, 3.2 Heavy-Duty Natural Gas-fired Pipeline Compressor Engines. Available online: https://gaftp.epa.gov/ap42/ch03/s02/final/c03s02_oct1996.pdf (accessed on 28 May 2024).
  33. Zimmerle, D.; Vaughn, T.; Luck, B.; Lauderdale, T.; Keen, K.; Harrison, M.; Marchese, A.; Williams, L.; Allen, D. Methane Emissions from Gathering Compressor Stations in the U.S. Supplementary Information. Environ. Sci. Technol. 2020, 54, 7552–7561. [Google Scholar] [CrossRef] [PubMed]
  34. Aspentech, Aspen Plus. 2024. Available online: https://www.aspentech.com/en/products/engineering/aspen-plus (accessed on 27 January 2024).
  35. Fernando, J. Investopedia. Net Present Value (NPV): What It Means and Steps to Calculate It. 2023. Available online: https://www.investopedia.com/terms/n/npv.asp (accessed on 27 January 2024).
  36. Gallo, A. A refresher on net present value. Harv. Bus. Rev. 2014, 19, 1–6. [Google Scholar]
  37. San Ong, T.; Thum, C.H. Net present value and payback period for building integrated photovoltaic projects in Malaysia. Int. J. Acad. Res. Bus. Soc. Sci. 2013, 3, 153. [Google Scholar]
  38. Al-Ani, M.K. A strategic framework to use payback period in evaluating the capital budgeting in energy and oil and gas sectors in Oman. Int. J. Econ. Financ. Issues 2015, 5, 469–475. [Google Scholar]
  39. Grzegorzek, J. Payback Period (PBP) of An Investment. Business Management, Finance and Investment Appraisal, 4 May 2022. 2022. Available online: https://www.superbusinessmanager.com/category/business-management/finance/ (accessed on 27 January 2024).
  40. Kagan, J. Payback Period Explained, With the Formula and How to Calculate It. 26 February 2023. Available online: https://www.investopedia.com/terms/p/paybackperiod.asp (accessed on 27 January 2024).
  41. Lefley, F. The payback method of investment appraisal: A review and synthesis. Int. J. Prod. Econ. 1996, 44, 207–224. [Google Scholar] [CrossRef]
  42. Longmore, D.R. The persistence of the Payback Method: A time-adjusted decision rule perspective. Eng. Econ. 1989, 34, 185–194. [Google Scholar] [CrossRef]
  43. Zis, T.; Angeloudis, P.; Bell, M.G.; Psaraftis, H.N. Payback period for emissions abatement alternatives: Role of regulation and fuel prices. Transp. Res. Rec. 2016, 2549, 37–44. [Google Scholar] [CrossRef]
  44. Fernando, J. Internal Rate of Return (IRR): Formula and Examples. 2024. Available online: https://www.investopedia.com/terms/i/irr.asp#:~:text=The%20internal%20rate%20of%20return%20(IRR)%20is%20the%20annual%20rate,the%20NPV%20equal%20to%20zero (accessed on 11 March 2024).
  45. Gallo, A. A Refresher on Internal Rate of Return, Financial Analysis, Harvard Business Review. 2024. Available online: https://hbr.org/2016/03/a-refresher-on-internal-rate-of-return (accessed on 11 March 2024).
  46. Available online: https://www.chemicalprocessing.com/asset-management/reliability-maintenance/article/11339337/how-much-will-your-compressor-installation-cost-chemical-processing (accessed on 28 May 2024).
  47. Available online: https://www.cheresources.com/invision/topic/29270-estimation-of-gas-centrifugal-compressor-cost/ (accessed on 28 May 2024).
  48. Available online: https://www.airbestpractices.com/technology/air-treatment/benefits-site-nitrogen-generation (accessed on 28 May 2024).
  49. Available online: https://fred.stlouisfed.org/series/PCU2211102211104 (accessed on 28 May 2024).
  50. Available online: https://www.eia.gov/dnav/ng/hist/n9133us3m.htm (accessed on 28 May 2024).
  51. Available online: https://www.reuters.com/business/energy/asia-lng-spot-prices-hit-record-high-sp-data-shows-2022-03-04/ (accessed on 28 May 2024).
Figure 1. Basic flow diagram for the C3MR process [2].
Figure 1. Basic flow diagram for the C3MR process [2].
Energies 17 02663 g001
Figure 2. Aspen Plus modeling for C3MR LNG process. Red line: MR cycle; Purple line: C3 Cycle; Black line: NG stream; Greenline: Cooling Duty [8].
Figure 2. Aspen Plus modeling for C3MR LNG process. Red line: MR cycle; Purple line: C3 Cycle; Black line: NG stream; Greenline: Cooling Duty [8].
Energies 17 02663 g002
Figure 3. US methane emissions by sources [30].
Figure 3. US methane emissions by sources [30].
Energies 17 02663 g003
Figure 4. Sketch of Allam/ASU and LNG integration.
Figure 4. Sketch of Allam/ASU and LNG integration.
Energies 17 02663 g004
Figure 5. Precooling of NG feed with the cold nitrogen stream (purple) (units for T, P, and F are C, bar, and kg/h). Purple line: C3 cycle; Pink line: N2 stream; Black line: NG stream.
Figure 5. Precooling of NG feed with the cold nitrogen stream (purple) (units for T, P, and F are C, bar, and kg/h). Purple line: C3 cycle; Pink line: N2 stream; Black line: NG stream.
Energies 17 02663 g005
Figure 6. ASU section process flowchart.
Figure 6. ASU section process flowchart.
Energies 17 02663 g006
Figure 7. The Allam–Fetvedt cycle section (base case: no LNG heat).
Figure 7. The Allam–Fetvedt cycle section (base case: no LNG heat).
Energies 17 02663 g007
Figure 8. Flowchart of the Allam–Fetvedt cycle section (with LNG heat).
Figure 8. Flowchart of the Allam–Fetvedt cycle section (with LNG heat).
Energies 17 02663 g008
Figure 9. (a) Graph of PBP for three discount rates with high, medium, and low LNG prices; $ means USD (b) graph of NPV for three discount rates with high, medium, and low LNG prices; (c) graph of internal rate of return for 3 integration cases.
Figure 9. (a) Graph of PBP for three discount rates with high, medium, and low LNG prices; $ means USD (b) graph of NPV for three discount rates with high, medium, and low LNG prices; (c) graph of internal rate of return for 3 integration cases.
Energies 17 02663 g009
Figure 10. Cash flow summary of standalone, electrified, and integrated LNG plant with 7% discount rate and USD 11.1/MMBtu price of LNG.
Figure 10. Cash flow summary of standalone, electrified, and integrated LNG plant with 7% discount rate and USD 11.1/MMBtu price of LNG.
Energies 17 02663 g010
Table 1. NG feed stream composition.
Table 1. NG feed stream composition.
NG Feed Stream Composition
Mass Flow (kg/h)Mole Flow (kmol/h)
METHANE480,00029,920.039
ETHANE36,0001197.221
PROPANE12,000272.13
BUTANE-N6000103.229
BUTANE-I6000103.229
PENTAN-N300041.58
PENTAN-I300041.58
NITROGEN24,000856.73
H2O30,0001665.253
Table 2. MR feed stream composition.
Table 2. MR feed stream composition.
MR Feed Stream Composition
Mass Frac %Mole Frac %
METHANE0.2430.4
ETHANE0.3990.35
PROPANE0.2510.15
NITROGEN0.1060.1
Table 3. Input specification for propane/MR cycle heat exchangers and compressors.
Table 3. Input specification for propane/MR cycle heat exchangers and compressors.
NameHX11HX12HX13HX21HX22
Exchanger specification200−340−34
Hot side outlet pressure [bar]−0.1−0.1−0.1−0.1−0.1
Cols side outlet pressure [bar]−0.1−0.1−0.1−0.1−0.1
Inlet hot stream temperature [C]2519.950200
Outlet hot stream temperature [C]200−340−34
Inlet cold stream temperature [C]18.35−3.11−36.35−3.11−36.34
Outlet cold stream temperature [C]17.88−3.86−38.26−3.86−38.26
Heat duty [Gcal/h]1.936.8911.5832.1460.57
NameCMP-11CMP-12CMP-13CMP-21CMP-22CMP-23
Model TypeIsentropicIsentropicIsentropicIsentropicIsentropicIsentropic
Specified discharge pressure [bar]4.281251442
Mechanical efficiency0.90.90.90.90.90.9
Net work required [kW]29,015.9223,178.6415,617.6864,604.9964,888.0257,336.89
Calculated pressure ratio3.811.901.524.173.012.79
Outlet temperature [C]22.7145.5761.2850.92125.84122.40
Table 4. Major stream results for the base case.
Table 4. Major stream results for the base case.
Stream IDTemperature
°C
Pressure
Bar
Mass Enthalpy
kcal/kg
Mass Flows
kg/h
NG25.0050.00−1158.13600,000.00
NG-O-X1120.0049.90−1161.34600,000.00
DRY-NG19.9649.80−1023.69570,430.30
NG-O-X120.0049.70−1035.76570,430.30
LIGHT-NG0.0049.70−1063.66528,539.29
NG-O-X13−34.0049.60−1085.57528,539.29
PURE-NG−34.0049.60−1120.87505,261.70
LNG-MCHX−112.0049.30−1239.60505,261.70
LNG−161.0049.00−1281.83505,261.70
Table 5. Booster heat exchanger heat duties for the precooling of NG.
Table 5. Booster heat exchanger heat duties for the precooling of NG.
Booster HX Duty
HX DutyB1B3GCal/hMW
Base Case0.000.000.000.00
Integrated3.423.286.707.79
Table 6. Total compressor work required to run both C3 and MR cycles.
Table 6. Total compressor work required to run both C3 and MR cycles.
Total Compressor Work
Total WorkMWΔΜWΔGcal/h
Base Case254.640.000.00
Integrated251.183.462.97
Table 7. LNG MR compressor aftercooler heat duties utilized for the Allam recuperator.
Table 7. LNG MR compressor aftercooler heat duties utilized for the Allam recuperator.
AftercoolerHT-MRCL2HT-MRCL3
Q Gcal/h5558
T begin °C126122
T end °C4040
Table 8. Economic analysis for the base case (standalone ASU/AFC and standalone LNG plant).
Table 8. Economic analysis for the base case (standalone ASU/AFC and standalone LNG plant).
ASU/AFCLNGOverall
Total Capital Cost (MMUSD)95042535203
Total Operating Cost (MMUSD/Year)33213291661
Total Cost of Raw Materials (MMUSD/Year)7410391113
Total Product Sales (MMUSD/Year)140327524155
MMUSD: USD million.
Table 9. Economic analysis for an LNG plant electrified with an ASU/AFC complex.
Table 9. Economic analysis for an LNG plant electrified with an ASU/AFC complex.
ASU/AFCElectrified LNGOverall
Total Capital Cost (MMUSD)95036234573
Total Operating Cost (MMUSD/Year)33212041536
Total Cost of Raw Materials (MMUSD/Year)74914988
Total Product Sales (MMUSD/Year)140327524155
Table 10. Economic analysis for the LNG/AFC/ASU complex with heat/power integration.
Table 10. Economic analysis for the LNG/AFC/ASU complex with heat/power integration.
LNG/AFC/ASUHeat-Integrated ASU/AFCElectrified/Heat-Integrated LNGOverall
Total Capital Cost (MMUSD)95336344587
Total Operating Cost (MMUSD/Year)33912001539
Total Cost of Raw Materials (MMUSD/Year)74914988
Total Product Sales (MMUSD/Year)143627524188
Table 11. Comparison of the costs and revenues due to low-grade heat integration.
Table 11. Comparison of the costs and revenues due to low-grade heat integration.
MMUSD
Total Capital Cost Increase (one time)14
Total Operating Cost Increase per Year3
Total Sales Increase per Year33
Table 12. Comparison of net present value (NPV) and payback period (PBP) for a 7% discount rate.
Table 12. Comparison of net present value (NPV) and payback period (PBP) for a 7% discount rate.
LNG
Sale Price
USD/MMBtu
Discount Rate of 7%
Standalone LNGBase ElectrificationFurther Heat Integration
NPV (MMUSD)PBP (Years)NPV (MMUSD)PBP (Years)NPV (MMUSD)PBP (Years)
6.45−23.310.7312,608.53.1912,891.43.16
11.19850.73.5522,479.52.2122,762.42.20
35.552,092.71.2976,074.31.0776,357.21.07
NPV = net present value at the end of 20 years of operation; PBP = payback period.
Table 13. Comparison of net present value and payback period for integrated LNG/AFC/ASU for three discount rates.
Table 13. Comparison of net present value and payback period for integrated LNG/AFC/ASU for three discount rates.
LNG
Sale Price
USD/MMBtu
Integrated LNG/AFC/ASU
5%7%10%PBP
(Years)
NPV (MMUSD)NPV (MMUSD)NPV (MMUSD)
6.4516,106.812,891.49462.53.16
11.127,790.722,762.417,172.52.20
35.591,225.676,357.259,824.11.07
Table 14. Internal rate of return for 3 LNG prices.
Table 14. Internal rate of return for 3 LNG prices.
Internal Rate of Return
Price of LNGUSD 6.45USD 11.1USD 35.5
Standalone LNG6.9329%96.96
Base Electrification32.3848.76%125.59
Further Heat Integration32.8149.10%125.66
Table 15. Cash flow summary for the integrated LNG/AFC/ASU.
Table 15. Cash flow summary for the integrated LNG/AFC/ASU.
Years% Design CapacitySales, MMUSDCapital Costs, MMUSDWorking Capital, MMUSDTotal Op. Costs, MMUSDDepreciation, MMUSDTaxable Income, MMUSDTaxes, MMUSDCO2 Credit (USD/T CO2)CO2 Credit, MMUSDNet EarningsCash Flow, MMUSDEBITDA, MMUSDNPV, MMUSD
000458745.8700.00.00.000.00.0−4587.00.0−4587.0
1502094022.935769.50.01324.530.54051.41345.41345.41375.9−3329.6
21004188022.935153969.12579.959.385109.22629.72698.92758.2−972.3
3100418800153969.12579.959.385109.22629.72698.92758.21230.8
4100418800153969.12579.959.385109.22629.72698.92758.23289.8
5100418800153969.12579.959.385109.22629.72698.92758.25214.0
6100418800153969.12579.959.385109.22629.72698.92758.27012.4
7100418800153969.12579.959.385109.22629.72698.92758.28693.1
8100418800153969.12579.959.385109.22629.72698.92758.210,263.9
9100418800153969.12579.959.385109.22629.72698.92758.211,731.9
10100418800153969.12579.959.385109.22629.72698.92758.213,103.9
11100418800153969.12579.959.385109.22629.72698.92758.214,386.1
12100418800153969.12579.959.385109.22629.72698.92758.215,584.4
13100418800153969.12579.959.385109.22629.72698.92758.216,704.4
14100418800153969.12579.959.385109.22629.72698.92758.217,751.1
15100418800153969.12579.959.385109.22629.72698.92758.218,729.2
16100418800153969.12579.959.385109.22629.72698.92758.219,643.5
17100418800153969.12579.959.385109.22629.72698.92758.220,497.8
1810041880015390.02649.060.985109.22697.32697.32758.221,295.9
1910041880015390.02649.060.985109.22697.32697.32758.222,041.7
201004188091.7415390.02649.060.985109.22697.32789.02758.222,762.4
Table 16. Summary of greenhouse gas (GHG) emissions from the standalone LNG plant.
Table 16. Summary of greenhouse gas (GHG) emissions from the standalone LNG plant.
GHG Emissions, T/yr
CO2CH4CO2e
Compressors1.09 × 1061.02 × 104
NGSC4.61 × 1054.74 × 103
Total1.55 × 1061.49 × 1041.96 × 106
Table 17. GHG emissions captured from the zero-emission AFC/ASU.
Table 17. GHG emissions captured from the zero-emission AFC/ASU.
GHG Emissions, T/yr
CO2CH4CO2 Captured
AFC/ASU0.000.001.27 × 106
Total0.000.001.27 × 106
Table 18. Summary of greenhouse gas (GHG) emissions avoided after heat integration.
Table 18. Summary of greenhouse gas (GHG) emissions avoided after heat integration.
GHG Emissions, T/yr% Reduction
CO2CH4CO2e
LNG Heat4.22 × 1040.004.22 × 1042.2
N2 Cooling9.12 × 1030.009.12 × 1030.5
Total5.13 × 1040.005.13 × 1042.6
Note: T = metric ton.
Disclaimer/Publisher’s Note: The statements, opinions and data contained in all publications are solely those of the individual author(s) and contributor(s) and not of MDPI and/or the editor(s). MDPI and/or the editor(s) disclaim responsibility for any injury to people or property resulting from any ideas, methods, instructions or products referred to in the content.

Share and Cite

MDPI and ACS Style

Chen, D.; Shetty, P.; Wang, S.; Nellipudi, V.; Aziz, F.; Xu, Q.; Sargsyan, G. Techno-Economic and Environmental Analyses of an Integrated Liquefied Natural Gas/Allam–Fetvedt Cycle/Air Separation Unit Complex. Energies 2024, 17, 2663. https://doi.org/10.3390/en17112663

AMA Style

Chen D, Shetty P, Wang S, Nellipudi V, Aziz F, Xu Q, Sargsyan G. Techno-Economic and Environmental Analyses of an Integrated Liquefied Natural Gas/Allam–Fetvedt Cycle/Air Separation Unit Complex. Energies. 2024; 17(11):2663. https://doi.org/10.3390/en17112663

Chicago/Turabian Style

Chen, Daniel, Pawanahamsa Shetty, Song Wang, Veeracharyulu Nellipudi, Fuad Aziz, Qiang Xu, and Gevorg Sargsyan. 2024. "Techno-Economic and Environmental Analyses of an Integrated Liquefied Natural Gas/Allam–Fetvedt Cycle/Air Separation Unit Complex" Energies 17, no. 11: 2663. https://doi.org/10.3390/en17112663

APA Style

Chen, D., Shetty, P., Wang, S., Nellipudi, V., Aziz, F., Xu, Q., & Sargsyan, G. (2024). Techno-Economic and Environmental Analyses of an Integrated Liquefied Natural Gas/Allam–Fetvedt Cycle/Air Separation Unit Complex. Energies, 17(11), 2663. https://doi.org/10.3390/en17112663

Note that from the first issue of 2016, this journal uses article numbers instead of page numbers. See further details here.

Article Metrics

Back to TopTop