R455A Refrigerant as a Prospective Working Fluid in Refrigeration Systems for Gastronomy Furnishings
Abstract
1. Introduction
- The heat transferred from the environment;
- The heat of the product itself (when the temperature of the product being loaded is higher than the storage temperature);
- The heat of the respiration of the product (in the case of fresh fruit and vegetables);
- The heat introduced with the packaging;
- The heat used to remove moisture from the product.
- Natural air movement results from the local temperature inside the furniture. The density of cold air and warm air depends on local temperature differences. Therefore, the local temperature difference causes a change in density, which induces air movement. Gravity-forced airflow is characterized by a low flow velocity. In this case, there may also be areas where there is no air movement, which results in reduced cooling efficiency.
- Forced air movement is caused by the operation of a fan, so there are less likely to be areas with no air movement. The air flowing through the refrigerated space, due to the higher flow velocities, also allows food to be cooled more effectively and dried on the outer surfaces, extending the shelf life of the products.
- Low theoretical specific compression work (low energy input);
- High specific cooling capacity;
- High thermal conductivity;
- Zero stratospheric ozone depletion potential (ODP);
- Zero global warming potential (GWP);
- No negative impact on structural materials and seals;
- No oil-degrading properties, i.e., should not enter chemical reactions with greasing oils;
- No toxic, flammable, or explosive properties, durability at the pressures and temperatures used (they should not decompose);
- The ability to easily detect possible leaks in the installation;
- Low price.
2. Research Subject and Methodology
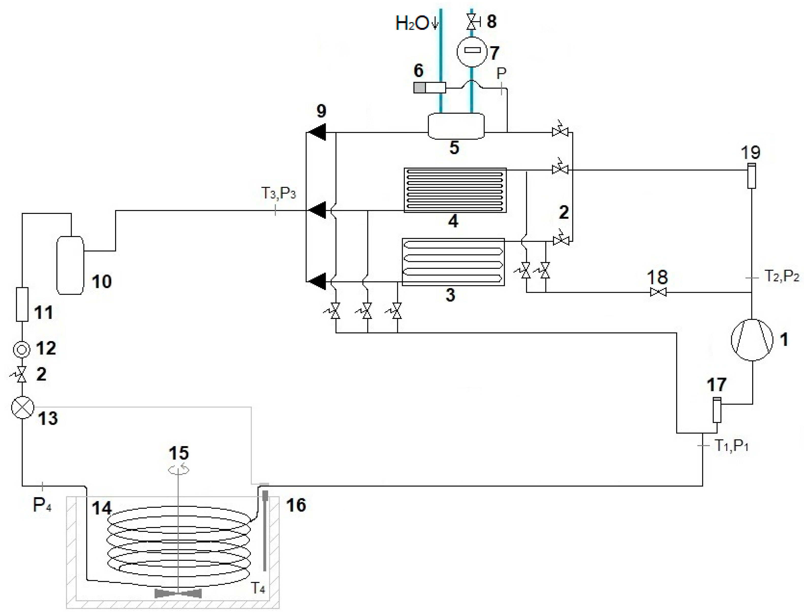
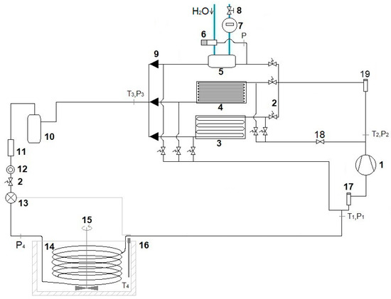
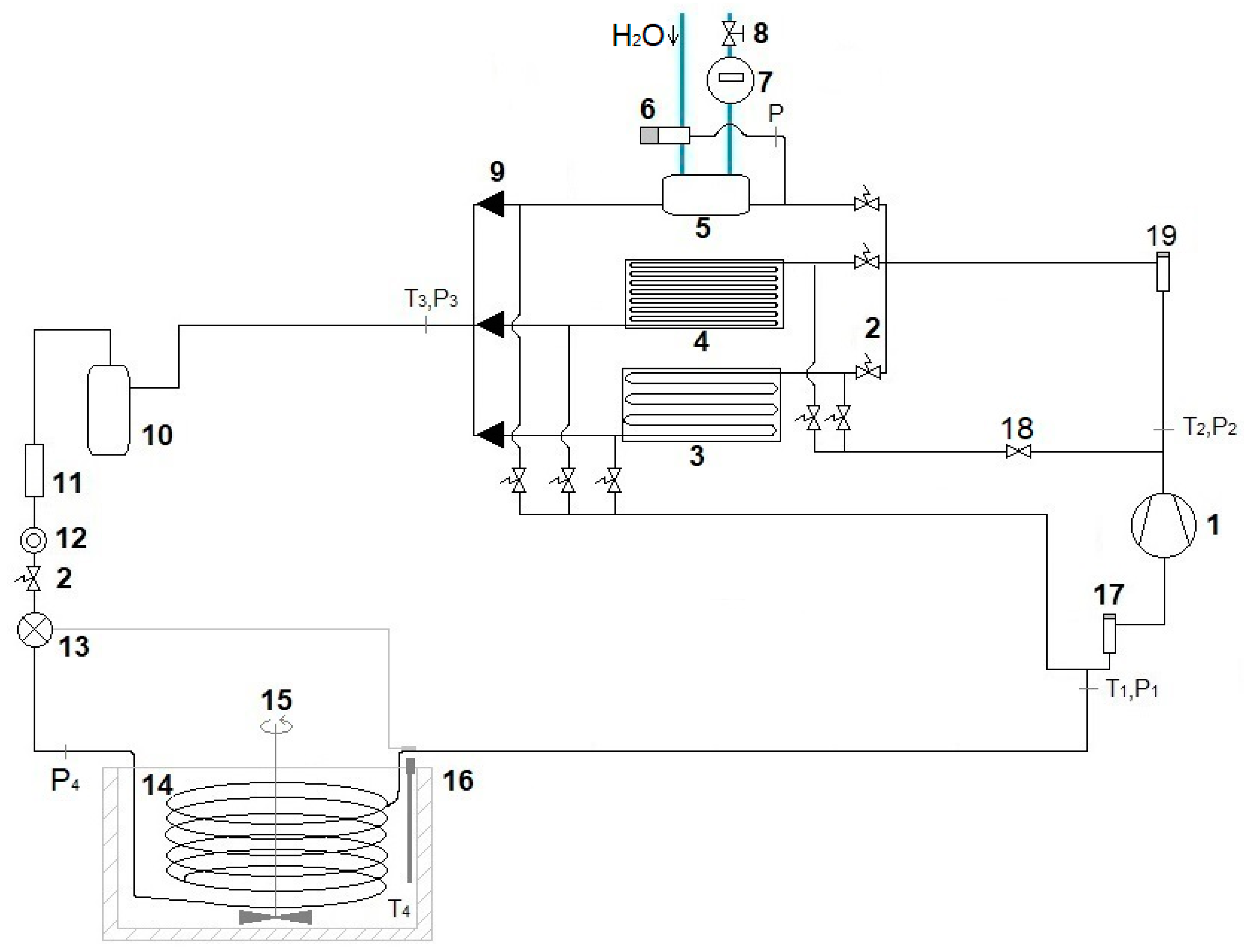
2.1. Schematic Diagram and Test Stand Description
2.2. Measuring Instruments
- Glycol temperature, measured with an ESCO ES-10 temperature controller with an accuracy of 0.5%;
- Temperature upstream of the condenser, measured with a TESTO 570 meter with an accuracy of 0.25%;
- Temperature downstream of the condenser, measured with a TESTO 570 meter with an accuracy of 0.25%;
- Temperature downstream of the evaporator, measured with a TESTO 570 meter with an accuracy of 0.25%;
- Condensation pressure, measured with TESTO 570 meter with an accuracy of 0.5%;
- Evaporation pressure, measured with TESTO 570 meter with an accuracy of 0.5%;
- Condensation temperature, measured with TESTO 570 meter with an accuracy of 0.25%;
- Evaporation temperature, measured with TESTO 570 meter with an accuracy of 0.25%;
- Electrical power, measured with VOLTCRAFT Energy Logger 4000F with an accuracy of 1%;
- Weight of heated water in 1 operation cycle, measured with a REFCO REF-METER refrigeration scale with an accuracy of 0.5%;
- Incoming water temperature, measured with the TESTO 570 meter with an accuracy of 0.25%;
- Outgoing water temperature, measured by TESTO 570 meter with an accuracy of 0.25%.
2.3. Methodology
2.4. Course of the Experiment
- Stage 1: choosing the condenser: finned (No. 1), finless (No. 2), or heat exchanger (No. 3);
- Stage 2: setting the temperature in the glycol tank (0 °C), which was to correspond to the temperature in the refrigeration compartment of the catering furniture;
- Stage 3: starting the test stand and running it until the set temperature was reached;
- Stage 4: starting the heater to simulate the evaporator heat load;
- Stage 5: starting the test, simultaneously measuring the temperatures and pressures at selected points and the electrical power of the installation.
3. Results
3.1. Tests with Refrigerant R404A
3.2. Tests with Refrigerant R455A
4. Discussion
- The COP energy efficiency values of the alternative refrigerants tested were higher compared to R404A;
- The electricity consumption of the compressor for the alternative refrigerants was lower than for R404A;
- The TEWI values of the investigated alternative refrigerants are lower than for R404A.
5. Conclusions
- The refrigeration system with refrigerant R455A operates at approximately 15% higher condensing pressure than the system with refrigerant R404A.
- The reduction in the time required to reach the temperature set point in the refrigeration chamber results in a reduction in electricity consumption of 34% on average.
- The use of a maintenance-free air condenser results in an 11% reduction in electricity consumption for the reference refrigerant and a 17% increase for the modern refrigerant.
- If a water condenser is used, at the same operating pressures as for air condensers, there is a 22% reduction in electricity consumption in both cases.
- A significant advantage of the water condenser is the possibility of further utilization of the recovered energy and the fact that there is no heat discharge to the room in which the refrigeration unit is located.
- Replacing refrigerant R404A with R455A results in an average reduction of 34% in electricity costs for 1000 operating hours.
Author Contributions
Funding
Data Availability Statement
Conflicts of Interest
Nomenclature
| A2L | name of the safety group of refrigerants according to European Standard EN 378 |
| COP | cooling coefficient of performance |
| GWP | global warming potential related to carbon dioxide, for which GWP is 1 |
| H2O | chemical formula of water |
| HFC | Hydrofluorocarbons—organic substances that do not contain chlorine or bromine atoms and whose ODP index is 0 |
| HFO | Hydrofluoroolefins—unsaturated organic compounds consisting of hydrogen, fluorine, and carbon, which are classified with an ODP of 0 and low GWP |
| ODP | ozone depletion potential, an indicator aimed at quantitatively assessing the impact of individual substances on the ozone layer related to the R11 factor, for which ODP is 1 |
| P | pressure |
| PVC | polyvinyl chloride |
| R290 | propane refrigerant |
| R404A, R449A, R452A, R454C, R455A, R457A, R465A | synthetic refrigerants |
| T | temperature |
| TEWI | total greenhouse equivalent |
References
- Tryjanowski, M.; Mazurkiewicz, P.; Ratajczak, W. Praktyczne aspekty w projektowaniu instalacji chłodniczych w supermarketach. Chłod. Klimatyzacja 2018, 8, 54–60. [Google Scholar]
- PN-EN ISO 22041:2019-09; Szafy i Lady Chłodnicze do Profesjonalnego Użytku—Wydajność i Zużycie Energii. Polski Komitet Normalizacyjny: Warszawa, Poland, 2019.
- Bernat, T.; Bieńczak, K.; Bogusławski, L. Description of energy balance for selected refrigeration furniture. J. Res. Appl. Agric. Eng. 2019, 64, 11–14. [Google Scholar]
- Bernat, T. Evaluation of thermal insulation of the gastronomic refrigeration furniture prototype. Agric. Eng. 2021, 25, 83–98. [Google Scholar] [CrossRef]
- Bieńczak, K.; Kaczmarek, R.; Rochatka, T.; Stachowiak, A. Niektóre problemy chłodniczego transportu owoców i warzyw w stanie świeżym. In Proceedings of the II Konferencja Transportu Żywności PTTŻ, Warszawa, Poland, 2–4 December 1996. [Google Scholar]
- Chițaniuc, M.; Bianca, M.; Adrian, I. FoodAR-An augmented reality application used in gastronomy. In Proceedings of the 15th Conference on Human Computer Interaction-RoCHI, Cluj-Napoca, Romania, 3–4 September 2018. [Google Scholar]
- Spang, R.L.; Gopnik, A. The Invention of the Restaurant-Paris and Modern Gastronomic Culture, with a New Preface; Harvard University Press: Cambridge, MA, USA, 2019. [Google Scholar]
- PN-EN 631-1:1996; Materiały i Przedmioty Stykające się z Żywnością—Pojemniki na Żywność—Wymiary Pojemników. Polski Komitet Normalizacyjny: Warszawa, Poland, 1996.
- AiFO. 8 problemów przy budowie układu chłodniczego w meblu chłodniczym. Chłod. Klimatyzacja 2021, 8, 62–63. [Google Scholar]
- Krzyżaniak, G. Meble chłodnicze do przechowywania wyrobów cukierniczych. Chłod. Klimatyzacja 2006, 9, 64–65. [Google Scholar]
- Eren, E.; Melike, N.Ş. Evaluation of Gastronomical and Architectural Formations of Restaurants in Touristic Regions: The Case of Alanya. J. Tour. Intell. Smartness 2022, 5, 230–242. [Google Scholar]
- Hurtado-Yugcha, J.P.; Quisimalin-Santamaría, H.; Mancheno-Saá, M.; Gamboa-Salinas, J.; Castro-Analuiza, J.C. Tourist routes, a link between economic and cultural development in the modern marketplace. J. Posit. Sch. Psychol. 2022, 6, 1562–1572. [Google Scholar]
- Bernat, T. Testing of Selected Refrigeration Systems of Environmentally and User-Friendly Gastronomic Furniture. Ph.D. Thesis, Politechnika Poznańska, Poznań, Poland, 2023. [Google Scholar]
- PN-EN 378-1+A1:2021-03; Instalacje Chłodnicze i Pompy Ciepła—Wymagania Dotyczące Bezpieczeństwa i Ochrony Środowiska—Część 1: Wymagania Podstawowe, Definicje, Klasyfikacja i Kryteria Wyboru. Polski Komitet Normalizacyjny: Warszawa, Poland, 2021.
- Devecioğlu, A.G.; Oruç, V. On the satisfaction of EU F-Gas regulation using R455A as an alternative to R404A in refrigeration systems. Mater. Today Proc. 2022, 52, 1865–1869. [Google Scholar] [CrossRef]
- Devecioğlu, A.G.; Oruç, V. Experimental comparison of R404A and R452A in refrigeration systems. Sci. Technol. Built Environ. 2021, 27, 61–69. [Google Scholar] [CrossRef]
- Mota-Babiloni, A.; Navarro-Esbrí, J.; Barragán, A.; Molés, F.; Peris, B. Theoretical comparison of low GWP alternatives for different refrigeration configurations taking R404A as baseline. Int. J. Refrig. 2014, 44, 81–90. [Google Scholar] [CrossRef]
- Sethi, A.; Pottker, G.; Motta, S.Y. Experimental evaluation and field trial of low global warming potential R404A replacements for commercial refrigeration. Sci. Technol. Built Environ. 2016, 22, 1175–1184. [Google Scholar] [CrossRef]
- Mota-Babiloni, A.; Haro-Ortuño, J.; Navarro-Esbrí, J.; Barragán-Cervera, Á. Experimental drop-in replacement of R404A for warm countries using the low GWP mixtures R454C and R455A. Int. J. Refrig. 2018, 91, 136–145. [Google Scholar] [CrossRef]
- Altinkaynak, M. Exergetic performance analysis of low GWP alternative refrigerants for R404A in a refrigeration system. Int. J. Low-Carbon Technol. 2021, 16, 842–850. [Google Scholar] [CrossRef]
- Mauro, A.W.; Naploli, G.; Pelella, F.; Viscito, L. Flow boiling heat transfer and pressure drop data of non-azeotropic mixture R455A in a horizontal 6.0 mm stainless-steel tube. Int. J. Refrig. 2020, 119, 195–205. [Google Scholar] [CrossRef]
- Saengsikhiao, P.; Taweekun, J.; Maliwan, K.; Sae-ung, S.; Theppaya, T. Investigation and analysis of R463A as an alternative refrigerant to R404A with lower global warming potential. Energies 2020, 13, 1514. [Google Scholar] [CrossRef]
- Llopis, R.; Calleja-Anta, D.; Maiorino, A.; Nebot-Andrés, L.; Sánchez, D.; Cabello, R. TEWI analysis of a stand-alone refrigeration system using low-GWP fluids with leakage ratio consideration. Int. J. Refrig. 2020, 118, 279–289. [Google Scholar] [CrossRef]
- Devecioğlu, A.G.; Oruç, V. Drop-in assessment of plug-in R404A refrigeration equipment using low-global warming potential mixtures. Int. J. Low-Carbon Technol. 2022, 17, 991–999. [Google Scholar] [CrossRef]
- Llopis, R.; Calleja-Anta, D.; Sánchez, D.; Nebot-Andrés, L.; Catalán-Gil, J.; Cabello, R. R-454C, R-459B, R-457A and R-455A as low-GWP replacements of R-404A: Experimental evaluation and optimization. Int. J. Refrig. 2019, 106, 133–143. [Google Scholar] [CrossRef]
- Aprea, C.; Greco, A.; Maiorino, A. HFOs and their binary mixtures with HFC134a working as drop-in refrigerant in a household refrigerator: Energy analysis and environmental impact assessment. Appl. Therm. Eng. 2018, 141, 226–233. [Google Scholar] [CrossRef]
- Heredia-Aricapaa, Y.; Belman-Floresa, J.M.; Mota-Babilonib, A.; Serrano-Arellanoc, J.; García-Pabón, J.J. Overview of low GWP mixtures for the replacement of HFC refrigerants: R134a, R404A and R410A. Int. J. Refrig. 2020, 111, 113–123. [Google Scholar] [CrossRef]
- Cui, Z.; Qian, S.; Yu, J. Performance assessment of an ejector enhanced dual temperature refrigeration cycle for domestic refrigerator application. Appl. Therm. Eng. 2020, 168, 114826. [Google Scholar] [CrossRef]
- Oruç, V.; Devecioğlu, A.G. Experimental investigation on the low-GWP HFC/HFO blends R454A and R454C in a R404A refrigeration system. Int. J. Refrig. 2021, 128, 242–251. [Google Scholar] [CrossRef]
- Sánchez, D.; Andreu-Nácher, A.; Calleja-Anta, D.; Llopis, R.; Cabello, R. Energy impact evaluation of different low-GWP alternatives to replace R134a in a beverage cooler. Experimental analysis and optimization for the pure refrigerants R152a, R1234yf, R290, R1270, R600a and R744. Energy Convers. Manag. 2022, 256, 115388. [Google Scholar] [CrossRef]


| Refrigerant | |||
|---|---|---|---|
| Parameter | Unit | R404A | R455A |
| GWP | - | 3922 | 148 |
| safety group of refrigerants [14] | - | A1 | A2L |
| condensation pressure at temperature 30 °C | bar | 14.2 | 15.6 |
| evaporation pressure at temperature −10 °C | bar | 4.4 | 3.4 |
| boiling temperature | °C | −47 | −52 |
| condensing temperature at 26 bar | °C | 55 | 52 |
| temperature slip | K | 0.7 | 12.8 |
| chemical formula | - | CHF2CF3/CF3CH2F/CH3CF3 | C3H2F4/CH2F2/CO2 |
| molar mass | kg/kmol | 97.60 | 87.52 |
| R404A Refrigerant—Operated Installation (GWP = 3922) | |||||||
|---|---|---|---|---|---|---|---|
| Value | Unit | Condenser 1 | Condenser 2 | Condenser 3.1 | Condenser 3.2 | Condenser 3.3 | Condenser 3.4 |
| glycol temperature | °C | 0.5 | 0.4 | 0.4 | 0.4 | 0.4 | 0.5 |
| temperature upstream of the condenser | °C | 38.3 | 54.0 | 61.8 | 60.6 | 62.0 | 64.3 |
| temperature downstream of the condenser | °C | 30.4 | 29.6 | 31.0 | 33.0 | 33.9 | 35.8 |
| temperature downstream of the evaporator | °C | −0.5 | 0.3 | −0.5 | 0.2 | −0.7 | -0.8 |
| condensation pressure | bar | 15.46 | 15.44 | 15.27 | 16.44 | 16.93 | 18.03 |
| evaporation pressure | bar | 4.78 | 4.50 | 4.46 | 4.55 | 4.48 | 4.81 |
| condensation temperature | °C | 33.1 | 33.0 | 32.7 | 35.6 | 36.8 | 39.4 |
| evaporation temperature | °C | −7.3 | −9.3 | −9.0 | −9.1 | −8.9 | −6.7 |
| refrigerant sub-cooling | K | 2.7 | 3.5 | 1.8 | 2.5 | 3.0 | 3.6 |
| refrigerant superheating | K | 6.7 | 9.6 | 8.5 | 9.3 | 8.2 | 5.9 |
| electric power | kW | 0.674 | 0.659 | 0.549 | 0.550 | 0.562 | 0.562 |
| electric power consumption | kWh/1000 h | 386 | 342 | 283 | 303 | 327 | 364 |
| mass of heated water in 1 operation cycle | kg | - | - | 14.0 | 9.7 | 9.6 | 7.8 |
| incoming water temperature | °C | - | - | 18.9 | 22.1 | 21.6 | 21.6 |
| outgoing water temperature | °C | - | - | 28.6 | 34.5 | 36.0 | 37.3 |
| water temperature difference | °C | - | - | 9.7 | 12.4 | 14.4 | 15.7 |
| amounts of energy required to heat water from 1 cycle | kJ | - | - | 568 | 504 | 577 | 513 |
| energy required to heat 10 L of water | kJ | - | - | 406 | 520 | 603 | 660 |
| R455A Refrigerant—Operated Installation (GWP = 146) | ||||
|---|---|---|---|---|
| Value | Unit | Condenser 1 | Condenser 2 | Condenser 3 |
| glycol temperature | °C | 0.2 | 0.2 | 0.2 |
| temperature upstream of the condenser | °C | 48.3 | 60.7 | 55.9 |
| temperature downstream of the condenser | °C | 24.6 | 25.1 | 27.7 |
| temperature downstream of the evaporator | °C | 1.9 | 1.1 | 3.3 |
| condensation pressure | bar | 19.15 | 18.40 | 19.33 |
| evaporation pressure | bar | 3.65 | 3.67 | 3.88 |
| condensation temperature | °C | 45.9 | 44.1 | 46.3 |
| evaporation temperature | °C | −4.9 | −4.8 | −3.2 |
| refrigerant sub-cooling | K | 21.3 | 19.0 | 18.6 |
| refrigerant superheating | K | 6.8 | 5.9 | 6.5 |
| electric power | kW | 0.696 | 0.709 | 0.572 |
| electric power consumption | kWh/1000 h | 220 | 258 | 187 |
| mass of heated water in 1 operation cycle | kg | - | - | 5.0 |
| incoming water temperature | °C | - | - | 19.8 |
| outgoing water temperature | °C | - | - | 32.1 |
| water temperature difference | °C | - | - | 12.3 |
| amounts of energy required to heat water from 1 cycle | kJ | - | - | 259 |
| energy required to heat 10 L of water | kJ | - | - | 517 |
| R404A | R455A | |||||||||
|---|---|---|---|---|---|---|---|---|---|---|
| Value | Unit | Condenser 1 | Condenser 2 | Condenser 3.1 | Condenser 3.2 | Condenser 3.3 | Condenser 3.4 | Condenser 1 | Condenser 2 | Condenser 3 |
| condensation pressure | bar | 15.46 | 15.44 | 15.27 | 16.44 | 16.93 | 18.03 | 19.15 | 18.40 | 19.33 |
| energy consumption | kWh/1000 h | 386 | 342 | 283 | 303 | 327 | 364 | 220 | 258 | 187 |
| condensation pressure | % | 0 reference | +18 | |||||||
| energy consumption | % | 0 reference | −34 | |||||||
| electricity consumption of the finless condenser vs. a finned condenser | % | −11 | +17 | |||||||
| electricity consumption of the water condenser (at the same condensing pressure setting) | % | −22 | n/a | −22 | ||||||
Disclaimer/Publisher’s Note: The statements, opinions and data contained in all publications are solely those of the individual author(s) and contributor(s) and not of MDPI and/or the editor(s). MDPI and/or the editor(s) disclaim responsibility for any injury to people or property resulting from any ideas, methods, instructions or products referred to in the content. |
© 2024 by the authors. Licensee MDPI, Basel, Switzerland. This article is an open access article distributed under the terms and conditions of the Creative Commons Attribution (CC BY) license (https://creativecommons.org/licenses/by/4.0/).
Share and Cite
Bernat, T.; Bieńczak, K. R455A Refrigerant as a Prospective Working Fluid in Refrigeration Systems for Gastronomy Furnishings. Energies 2024, 17, 2361. https://doi.org/10.3390/en17102361
Bernat T, Bieńczak K. R455A Refrigerant as a Prospective Working Fluid in Refrigeration Systems for Gastronomy Furnishings. Energies. 2024; 17(10):2361. https://doi.org/10.3390/en17102361
Chicago/Turabian StyleBernat, Tomasz, and Krzysztof Bieńczak. 2024. "R455A Refrigerant as a Prospective Working Fluid in Refrigeration Systems for Gastronomy Furnishings" Energies 17, no. 10: 2361. https://doi.org/10.3390/en17102361
APA StyleBernat, T., & Bieńczak, K. (2024). R455A Refrigerant as a Prospective Working Fluid in Refrigeration Systems for Gastronomy Furnishings. Energies, 17(10), 2361. https://doi.org/10.3390/en17102361

