Abstract
A review of the control laws (models) of alternating current arc steelmaking furnaces’ (ASF) electric modes (EM) is carried out. A phase-symmetric three-component additive fuzzy model of electrode movement control signal formation is proposed. A synthesis of fuzzy inference systems based on the Sugeno model for the implementation of the proposed additive three-component fuzzy law of arc length control is performed. A structural computer Simulink model of the EM control system in a high-power arc steelmaking furnace of the DSP-200 type with an ARDM-T-12 arcs power regulator is created. Computer research into control dynamics indicators under the influence of deterministic perturbations and also integral indicators of energy efficiency when handling stationary random arc lengths fluctuations (corresponding to various technological stages of melting) are carried out. A comparative analysis of dynamics indicators, energy efficiency, and electromagnetic compatibility of the proposed fuzzy and known differential model of ASF arc lengths control is carried out. The implementation of the proposed fuzzy three-component additive control model in comparison with the existing deterministic differential one reduces the dispersion of voltages, currents, and arcs powers, reduces electrical losses in an arc furnace high-power network by 10–22% and increases the average arc power by 0.9–1.5%.
1. Introduction
Arc furnaces (AF) are powerful electrical units that play an important role in the world’s strategic directions for steelmaking development. They are characterized by significant electricity consumption. In the energy balance of metallurgical enterprises, the share of electricity consumed by them is significant and in many cases exceeds 50%.
Today, AFs smelt more than a third of the world’s production of high-alloy steels, including structural and electrical ones, as well as precision alloys. It is expected that, by 2030, this share will exceed 50%. The spread of this technology occurs against the background of the global trend of reduction in oxygen-converter smelting and, especially, open-hearth smelting, which has been completely withdrawn from use [1,2].
The main advantage of electric steelmaking technologies, which stimulates their accelerated spread, is the higher accuracy of implementing optimal temperature regimes and physico-chemical transformations in the charge and melt [3,4].
One of the most important indicators of the energy efficiency of an arc furnace is the consumption of electricity per ton of liquid steel. Depending on the design features of the AF, the melting technology used, the means of intensification of melting, etc., the values of specific costs range from 300–450 kW∙h/t [3].
Some organizational and technical measures are used to reduce the specific costs of electricity, including pre-heating the charge with flue gases (Consteel process), increasing the specific installed capacity of furnace transformers to 1.0–1.2 MW/t (intensification of the electric regime at the stage of melting the charge), increasing the number of oxygen lances and the rate of oxygen supply, increasing the proportion of liquid iron, increasing the use of the latest “furnace-ladle” melting technology, etc. However, most of these or other measures require significant financial costs [3,4,5].
Indicators of electromagnetic compatibility of arc furnace regimes and the electricity grid, the losses in electric energy in a circuit (furnace electric circuit) of AF, and heat losses are also important.
At the present stage, the problem of implementing energy-efficient control of electrical regimes of powerful electrical installations in general and energy-efficient coordinate control, in particular, is important and relevant. Such installations include arc steelmaking furnaces whose installed capacities of power electrical equipment are within the range of 1–175 MVA and tend to increase. The specific capacity of their power electrical equipment is also increasing. In view of this, it is important and relevant to develop algorithms for energy-efficient control of the AF regimes.
As objects of control, arc furnaces belong to the class of complex phase-interconnected asymmetric nonlinear stochastic electrical systems. In addition, the elements of the kinematic scheme of the mechanism of movement of the electrodes have limited stiffness, backlash, and nonlinearity.
These features of the AF as control objects complicate the task of improving energy efficiency and implementing strategies for adaptive optimal control of the electric mode (EM) of the AF based on energy efficiency indicators, including criteria for minimizing electrical losses, specific energy consumption, maximizing furnace performance, etc.
To improve energy efficiency, in [6], a model of optimal asymmetric control based on the parameterization of balancing coefficients in the ER control system is proposed. A method of synthesizing optimal values of balancing coefficients based on a mathematical model of an arc furnace is proposed. The problem of improving the dynamics of EM perturbations control is not considered. With this approach, the energy efficiency of the arc furnace will not increase significantly.
In [7,8], solutions are proposed for the implementation of the fuzzy positional control principle for objects with intense parametric desaturations, such as arc furnaces. This solution is effective for the significant increase in the control dynamic accuracy and stabilization of the electrode position, but it requires the presence of an electrode position sensor, which is a difficult technical problem in the arc furnace.
In [9], taking into account the current trend of intensification of the solid charge melting process to increase the energy efficiency of arc furnaces, there is substantiated need to improve the control system of electrode positions by increasing speed and implementing high dynamic accuracy of EM coordinates stabilization. For this purpose, a solution for parametric optimization of the electric mode regime automated control system (EM ACS) has been developed to reduce the specific consumption of electricity, reduce the power of electrical losses in the furnace circuit and the cost of electrodes, etc.
In [10,11], the expediency of realization of an optimal control strategy based on the criterion of maximizing the power of arcs while minimizing the dispersion of the EM coordinates is substantiated. Qualitative stabilization of the EM coordinates is proposed to be obtained by operative synthesis of adaptive optimal control according to the specified criterion in the structure of the electrohydraulic electrode movement system. A simulation program is proposed for this purpose.
The interrelation of phase control channels and the influence of this factor on the dynamics of regulation of deterministic and stationary random perturbations are studied in [12,13]. Based on the results of the model research, constructive and systemic solutions for increasing the level of autonomy of phase perturbation control by weakening the interphase interactions of regimes are substantiated.
The above solutions to improve the energy efficiency and electromagnetic compatibility of AF and electricity grid regimes deserve attention. They are based on deterministic models of optimization, adaptation, and management. However, arc furnaces, as mentioned above, are stochastic objects with intense parametric and coordinate perturbations, and the control process takes place in conditions of uncertainty and incomplete information. These features of the AF do not allow the achieving of the goals of regulation in full.
Moreover, we should note that the mathematical description of the regimes of such nonlinear stochastic phase-asymmetric and interconnected objects as AFs is too complex [14]. This significantly complicates and, in some cases, makes the procedure of parametric and structural synthesis of their ACS based on the classical theory of automated control methods impossible to implement strategies of adaptive multicriteria optimal control according to the above criteria of energy efficiency and electromagnetic compatibility.
In [15], several structural, system-technical, and algorithmic solutions for improving EM control systems and coordinate control are proposed, including those based on the principles and models of fuzzy logic, which for the above conditions of AF control, parametric characteristics, and coordinate perturbations show perfect results.
In the two-loop structures of ACS of arc furnace ER, special laws of ER mismatch signal formation are used [16,17]. In such ACSs, it is necessary to adapt the models to the dependences of the artificial external characteristics of AF. The arc currents in these structures are regulated by both circuits simultaneously. Therefore, due to the use of arc currents, in the laws the phase autonomy of the EM perturbation regulation is not achieved.
According to the above review, modern solutions to improve the dynamics and increase energy efficiency are aimed at improving the control system of the electric mode because it is the main control channel of the electric steelmaking technological process and significantly affects the technical and economic performance of the electric arc furnace.
Given the above features of the AF as a control object, we consider that an appropriate approach to improve its energy efficiency is to improve the control system of the EM based on the use of the principles and models of fuzzy logic since such control corresponds to the nature of the processes, their structure, characteristics, perturbations, and operating conditions.
The control systems for arc furnaces have evolved significantly in recent years, driven by advancements in computing technology, sensing, and automation, and by the need for improved productivity, quality, and safety.
There are several state-of-the-art developments in arc furnace control systems:
- Model-based control: advanced mathematical models are used to simulate the behavior of the arc furnace, allowing for more precise control of the process variables such as temperature, chemistry, and slag viscosity. Model predictive control (MPC) algorithms are commonly used to optimize the furnace operation and reduce energy consumption [18,19].
- Artificial intelligence (AI): AI and machine learning techniques are increasingly being applied to improve the performance of arc furnace control systems. These techniques are used for anomaly detection, fault diagnosis, and predictive maintenance [20]. AI algorithms are also used for optimizing the charging and tapping schedules to reduce downtime and increase productivity. It can be indicated that for accurate operational measurement of voltages on arcs and parameters of a short network of an arc furnace, a device developed by the authors is used based on the use of neural networks [21].
- Real-time sensing: real-time sensing technologies, such as infrared cameras, laser sensors, and acoustic sensors, are used to monitor the process variables in the furnace. This information is used to adjust the furnace operation in real time to maintain the desired temperature, composition, and quality of the molten metal [22,23].
- Automation: automation technologies such as robotics and autonomous vehicles are increasingly being used in the charging and tapping operations of arc furnaces. This not only improves safety but also reduces downtime and increases productivity [24].
- Energy efficiency: energy efficiency is a critical aspect of arc furnace control systems. Advanced control algorithms are used to optimize the use of energy sources such as electricity and fossil fuels. The use of renewable energy sources such as solar and wind power is also being explored.
- Data analytics: data analytics tools are used to analyze the large amounts of data generated by the arc furnace control systems. This helps in identifying trends, optimizing furnace operation, and improving the overall efficiency of the process [25,26].
Overall, the state of the art in arc furnace control systems involves the integration of advanced mathematical models, sensing and automation technologies, AI and machine learning techniques, and data analytics tools. These developments have led to significant improvements in the efficiency, productivity, and safety of arc furnace operations.
The presented article reviews the structures and laws of electric mode control systems of arc furnaces. The expediency of using fuzzy control models is substantiated and an additive three-component fuzzy control law of electric mode is proposed. A structural diagram for the implementation of this law based on the use of a fuzzy inference system is developed and its synthesis is performed. A structural model of the electric mode control system using the developed additive three-component fuzzy control law is compiled in the Simulink environment. Computer experiments are performed and the obtained research results are presented. Their analysis proves the improvement of the indicators of the dynamics of coordinate regulation and the energy efficiency indicators of the electric mode control when using the proposed additive three-component fuzzy control law of the electric mode of the arc furnace.
The novelty of the work is the proposed mathematical model of the three-component additive fuzzy law for autonomous (phase-independent) regulation of the coordinates of the arc furnace EM.
The paper is organized as follows. Section 2 describes the basic laws of the electrical mode control of arc furnace. The proposed method of using fuzzy control models and an additive three-component fuzzy control law of electric mode is presented in Section 3. Next is the discussion about the experimental results and a comparison of the introduced method with state-of-the-art approaches. The conclusions and future research directions are given in Section 4.
2. Overview of Electric Arc Furnace Mode Control Laws
To control the electric mode of the AF, the arc length automated control systems (ACS) of electrode positions are used. Such systems are called arc power regulators, for example with electromechanical (ARDM-T type) or electrohydraulic (ARDG type) drives for moving electrodes. The quality of the dynamics of the arc length control with their use has a decisive influence on the energy efficiency and electromagnetic compatibility of the AF.
In Figure 1, a functional diagram of the electromechanical ACS of electrode positions of an arc furnace is shown. It is technically impossible to implement the continuous control of arc lengths. Therefore, information about their change is obtained indirectly on the basis of measuring the actual values of voltages and currents of arcs. This is done in the phase channels of the ACS using the voltage sensors (VS) and current sensors (CS) of the arc. As a function of these signals, in the comparison block (BC), a mismatch signal is continuously generated (() are actual values of arc voltage and current) in the EM, which gives quantitative information about the deviation of arc lengths from the specified value.
Figure 1.
Functional single-phase block-scheme of ACS of the arc lengths of AF.
The functional dependence of the mismatch signal , which is called the law (model) of control of the ER, largely determines the dynamics of the movements of the electrodes in the process of regulating perturbations. The mismatch signal is fed to the input of the control signal forming block (CSFB), at the output of which the control signal for the movement of the electrodes is formed. By means of the electric drive (ED), according to the thyristor converter-motor (TC-M) scheme and the electrode movement mechanism (MME), this signal is converted into the corresponding arc length increments , which compensate for the deviation of the arc length from the set value .
The main function of ACS of AF arc lengths is the automatic ignition of arcs, the regulation of extreme deterministic perturbations in minimum time and without overregulation and qualitative stabilization (minimization of dispersion) of EM coordinates in the process of random perturbation control.
In the above-mentioned power regulators of the ARDM-T and ARDG arcs, the mismatch signal in the BC block is formed according to the differential law [27,28,29]:
or according to its modified version:
where a, b are constant coefficients; is the arc power regulator current setting.
Differential models (1) and (2) implement perfect laws of motion of electrodes in the short-circuit modes and close to them. However, in the modes of medium and long arcs, the quality of the dynamics is worse. This is due to the sensitivity of phase currents to perturbations (currents) in other phases in three-circuit arc power supply systems. The process of regulating the lengths of arcs in phases when using them is not autonomous, which worsens the quality of regulation of both deterministic and random perturbations.
Some regulators also use the law of regulation of arc lengths for the deviation of arc voltage from the set voltage [28,29]:
where is the constant coefficient.
Due to the fact that the arc currents in model (3) are absent and the arc voltage is functionally independent of arc currents: , where are the voltage drop at the anode and the arc voltage gradient, respectively. This law is characterized by a high level of phase-based autonomy of the regulation of electrode position perturbations EM. Therefore, to minimize the dispersion of the EM coordinates, it is advisable to use it to regulate perturbations in the modes of mean deviations of arc lengths, i.e., their regulation within the vicinity of a point of a given electric mode.
Arc furnaces manufactured by companies Danieli, Siemens, are equipped with control systems with impedance and admittance models of arc length control [9,10,27,28,29,30,31]:
where , —are constant coefficients.
In [9,30,31], the improved hydraulic drive of the mechanism of movement of electrodes with the servo valve with nonlinear control characteristics and adaptive nonlinear model of admittance is considered. We should note that as in impedance model (4), in admittance model (5), as well as in models (1) and (2), the EM mismatch signals are formed using the actual values of arc currents, the values of which in three-circuit arc power supply systems depend on the loads of other phases. Therefore, when regulating perturbations in the area of middle arc lengths in such ACS, the phase autonomy of arc length regulation is not provided.
To increase the dynamic accuracy of the EM coordinates stabilization, a mismatch signal formation model, based on the combined law, is proposed in [32]. In rational modes, the dynamics improves, but in the modes of arc breaks in three-wire arc power supply circuits, the reliability of arc ignition deteriorates when it is used.
In [33,34,35], a number of organizational and constructive solutions for improving the energy efficiency of the arc furnace based on the reduction in heat and electricity losses are proposed. In [34], solutions are obtained on the basis of the neural network methods of monitoring and forecasting. We believe that the proposed solutions are partial because a significant improvement in energy efficiency can be obtained only on the basis of an integrated approach, which involves improvement of the EM perturbations control dynamics quality.
In [15], it is proposed to use a parallel fuzzy corrector of the comparison block (BC) signal and, in [36], a neurocontroller to generate an EM mismatch signal. Their use improves the dynamic accuracy of the EM coordinates stabilization, but the correlation of the arc length control phase channels in certain states of the EM is not eliminated. Therefore, the EM coordinates dispersion is not minimized.
It follows from the above that laws (1)–(5) show their perfect dynamic properties in some states of the EM, while in other states their use in terms of implementing the phase-by-phase autonomy of regulation is imperfect.
The performed analysis shows that the expedient adaptation of the model of the formation of the EM coordinate mismatch signal to the change of EM states in phases (three-phase arc combustion states) is an expedient approach for the qualitative stabilization of EM coordinates at the level of set values, i.e., the way of minimization of their dispersion.
The adequacy of the used Simulink computer model of the electrical modes of the arc furnace was proven by comparing the experimental and computer time dependences of the coordinates of the electrical mode of the DSP-200-type arc furnace when controlling deterministic and random disturbances, which have been published in research [37,38].
3. Study of Dynamics and Energy Efficiency Indicators
In view of this, to increase the dynamic accuracy of the EM coordinate control, an additive three-component fuzzy law of formation of the EM mismatch signal is proposed, which is based on the use of three partial laws, (1), (3) and (4), and which quickly adapts to changes in current EM states:
where , , are the EM state coefficients whose values are promptly calculated according to the fuzzy models.
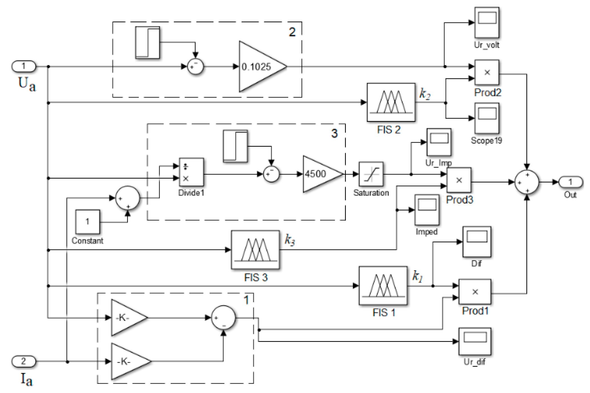
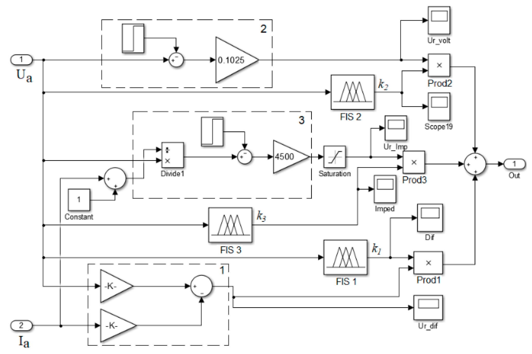
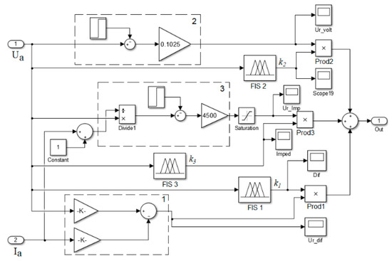
The model of proposed fuzzy law (6) is implemented within the BC comparison block (Figure 1). The block diagram of the Simulink model of proposed fuzzy law (6) is shown in Figure 2.
Figure 2.
Structural block-scheme of the Simulink model of additive three-component fuzzy law (6) of the formation of a mismatch signal.
Some partial control laws, (1), (3) and (4), are implemented in blocks 1, 2, and 3, respectively. Prompt determination of the values of the coefficients of model (6) is realized in the fuzzy output systems, FIS1, FIS2, and FIS3, respectively. Prompt calculation of their values is performed as a function of actual voltage values on the arcs of the corresponding phase. Operational control of arc voltages is performed by the device [30] based on an artificial neural network. The components of additive functional (6) are continuously formed at the outputs of multiplication blocks Prod1, Prod2, and Prod3, which are fed to output adder S, where, according to model (6), the EM mismatch signal of the corresponding phase is formed.
Based on the analysis of the functional properties of laws (1), (3) and (4), it is proposed to implement each of them in the process of regulating arc lengths in certain ranges of arc voltage changes (EM states): differential law (2) in the range of short arcs (including the modes of operational short circuits); the law of voltage (3) works in the zone of middle lengths of arcs; and the law of impedance (4) in the interval of long arcs (also in the modes of arc breaks). The input linguistic variable of the FIS blocks (Figure 2) is the arc voltage of the corresponding phase , and their output linguistic variable is the value of weights .
Figure 3 shows external characteristics and power characteristics of the arc furnace DSP-200, which are reproduced in its Simulink model. The same figure shows the graphical dependences of membership functions of the fuzzy sets, short, medium, and long, of the input linguistic variable of the fuzzy inference system FIS2. The fuzzy sets of this linguistic variable are used to describe (identify) areas of short, medium, and long arcs. The fuzzy sets of short, medium, and long of the input linguistic variable is described by gauss2mf-type membership functions.
Figure 3.
Characteristics and of DSP-200 furnace and membership functions μf the input linguistic variable of fuzzy inference systems FIS2.
Figure 4 shows the membership functions of input linguistic variable of fuzzy inference systems FIS1 (a), FIS2 (b), and FIS3 (c) of each phase of the BC (Figure 1).
Figure 4.
Membership functions of linguistic variable of the blocks: (a) FIS1; (b) FIS2; (c) FIS3.
To implement the above fuzzy model of changing partial laws (1), (3) and (4) using the additive functional (6) in the process of perturbation control, the following base of rules of fuzzy inference systems (7)–(9) is compiled and implemented in the models of fuzzy inference systems Sugeno: FIS1, FIS2, and FIS3, respectively (Figure 2):
Figure 5 shows the input–output characteristics of the fuzzy inference system Sugeno: FIS1, FIS2, and FIS3.
Figure 5.
Dependences of fuzzy systems: (a) FIS1; (b) FIS2; (c) FIS3.
Perturbations that occur in the arc intervals and electric circuit of the AF can be divided into two groups: extreme deterministic perturbations, close to single ones, causing in phases the operational short circuits or arc breaks; and continuous random perturbations, the statistical characteristics of which change during melting. These perturbations are phase-asymmetric and arise because of the fluctuations of arc lengths, parameters of arc intervals, and parameters of power elements of the arc furnace electric circuit.
Therefore, the study of the dynamics indicators of the EM coordinates using developed fuzzy model (6) of arc length control has been performed for the action of phase-asymmetric deterministic extreme perturbations and those close to them and under the action of stationary random perturbations. Random perturbations were formed in the model with statistical characteristics taking place in the main technological stages of melting: melting of wells, charge deboning, oxidation, and reduction in the melt.
Figure 6 shows the processes of testing phase-asymmetric extreme deterministic perturbations (Figure 6a), control signals (Figure 6b), of the electrode movement drive and the corresponding processes of changing voltages , currents , and power of arcs , (j = A,B,C) (Figure 6c–e) obtained by the created computer model, as well as the power of electrical losses in the AF electric circuit (Figure 6f) using proposed fuzzy model (6) of arc length control.
Figure 6.
Time dependences of deterministic perturbations for each three phases: (a) mismatch signals; (b,c) voltages; (d) currents; (e) power of arcs; (f) power of electric losses—when using fuzzy model (6).
The computer model of EM ACS of the DSP-200 furnace is implemented in the Simulink application of the Matlab 17b [32,38,39]. The model is constructed in three-phase instantaneous coordinates and is set to the parameters of the DSP-200-type arc furnace with a typical arc power regulator of the ARDM-T-12 type. The proposed three-component additive model (6) of the EM mismatch signal formation is implemented in the BC comparison block of this computer model.
Figure 7 shows the changes of the above-mentioned coordinates of the DSP-200 furnace obtained on the Simulink model in the following modes: short circuit in phase A and arc break in phase C, t ∈ 0.25–1.25 s; short circuit in phase B, t ∈ 1.25–2.25 s; arc break in phase C, t ∈ 2.25–3.25 s; short circuit in phase B and arc brêk in phase A, t ∈ 3.25–4.2 s, and two-phase short circuit in phases A and C, t ∈ 4.2–5.0 s, caused by the corresponding phase-asymmetric extreme unit single perturbations using model (1).
Figure 7.
Time dependences of deterministic perturbations: (a) mismatch signals; (b,c) voltages; (d) currents; (e) power of arcs; (f) power of electric losses when using differential model (1) (ARDM-T-12).
Comparative analysis of the obtained processes of change of EM coordinates (Figure 6 and Figure 7) shows that in a three-circuit power supply system without a zero conductor using the proposed three-component additive fuzzy model (6) are implemented phase-independent (autonomous) processes of EM perturbation control. In the phase (phases) where there are no perturbations, the mismatch signal is zero, , i.e., the regulation of arc lengths being invariant to the perturbations in other phases is realized, which prevents erroneous movements of the electrodes. Due to this, with other conditions being equal, compared to serial regulator ARDM-T-12 (model (1) of the mismatch signal formation), under the fuzzy control according to model (6), we observe a 15–20% reduction in the time of regulation of deterministic extreme perturbations, as well as a 2–4% decrease in the dispersion of arc currents and, accordingly, reduction in the power of electrical losses in a short network of the AF.
To reproduce the processes of arc voltage changes during control of both deterministic and random perturbations in the Simulink model of furnace DSP-200 EM, we used a model based on the arctangent function:
where k is the constant coefficient determining the type of dynamic volt-ampere characteristic of the arc: voltage amplitude on the arc;—instantaneous values of the arc current.
The time dependences of changes in arc currents and voltages shown in Figure 8 at the interval t∈0.4–0.5 s illustrate the possibilities of adequate reproduction in the created Simulink model of the coordinates of the electrical regime at the level of instantaneous values, as well as the possibility of implementing various models of dynamic voltages amperage characteristics of arcs, which are different at different technological stages of melting. Figure 8 uses a trapezoidal dynamic current–current characteristic of arcs. A short circuit in phase A and an arc break in phase C are eliminated (Figure 6).
Figure 8.
Time dependences of arcs: (a) voltages; (b) currents instantaneous values when handling asymmetric deterministic perturbations using fuzzy model (6).
Implementation of the optimal dynamics of the regulation of extreme deterministic perturbations increases the reliability of the ignition of arcs and improves the conditions of their combustion. However, for the indicators of energy efficiency and electromagnetic compatibility of the arc furnace as a powerful electro-technological unit, integrated indicators of the quality of control of random perturbations that occur continuously in arc intervals and short network of the AF throughout the melting are equally important.
To obtain estimates of these integrated indicators of the dynamics of EM ACS using the proposed three-component additive fuzzy model (6), based on the created Simulink model, a study of the dynamics of the regulation of stationary random perturbations has been conducted. The study has been conducted with different statistical characteristics of random perturbations, which are inherent in the perturbation of the main technological stages of melting of the charge. In the model, such random perturbations were formed on the basis of filtering the output signals of random process generators with the properties of “white noise”.
Figure 9a shows the logarithmic amplitude-frequency response of a low-pass filter with the transfer function (10), and Figure 9b,c show the correlation functions and the spectral density functions of the perturbations in the phases formed by this filtering model. These functions were calculated by expressions (11) and (12), respectively. Sampling time of random perturbation processes
where N = 600; k = 0, 1,…,20; = 0, 0.05…2; j = A, B, C.

Figure 9.
Logarithmic amplitude-frequency characteristic: (a) of the filter (10); (b) correlation functions; (c) functions of spectral density of perturbations formed in the phase channels of the model.
As an example, Figure 10 shows the 30 s fragments of the EM coordinate change process obtained during testing the stationary random perturbations inherent in the energy-intensive regime of melting of wells in a solid charge using the proposed three-component additive fuzzy model (6); meanwhile in Figure 10, for comparison, this process is depicted during the involvement of regulator ARDM-T-12, which implements the control process based on differential model (1) of the formation of the EM mismatch signal. These figures show the processes of changing the same coordinates of the EM of the DSP-200-type arc furnace as in Figure 6 and Figure 7, respectively. For the correctness of the comparison, the study of dynamics using the proposed fuzzy model (6) and the known differential model (1) was carried out with the same phases of realizations of random perturbations shown in Figure 10a and Figure 11a.
Figure 10.
Time dependences of random perturbations: (a) mismatch signals; (b,c) voltages; (d) currents; (e) power of arcs; (f) power of electric losses when using fuzzy model (6) for energy-intensive regime of melting of wells in a solid charge.
Figure 11.
Time dependences of random perturbations: (a) mismatch signals; (b,c) voltages; (d) currents; (e) power of arcs; (f) power of electric losses when using differential model (1) (ARDM-T-12) for energy-intensive regime of melting of wells in a solid charge.
A comparative analysis of the time dependences of Figure 10 and Figure 11 has shown an improvement in the dynamics when using the proposed fuzzy model (6) and when using the regulation of random perturbations. This is confirmed by the values of being phase-averaged integrated quality indicators of the random perturbation control dynamics (Table 1), which have been obtained by processing the time dependences Figure 10 and Figure 11 (δ, % is improvement of the indicator using model (6) compared to model (1)).
Table 1.
Indicators of dynamics quality and energy efficiency during random perturbations control at the stage of penetration of wells in solid charge.
In addition, the investigation of the efficiency of using the proposed fuzzy model (6) also has been carried out in the regulation of random perturbations for other amplitude and frequency characteristics that occur in other technological stages of melting in the DSP-200 furnace. Characteristics of perturbations inherent in different stages of melting are obtained by the results of experimental investigations of the regimes of this furnace.
The formation of random perturbation processes in the Simulink model, corresponding to various technological stages of melting, was performed by readjusting the transfer functions of the forming filters (10). To study the dynamics of the perturbation control processes at the beginning of the first stage of melting, the transfer function of forming filters was given by expression (14), the logarithmic amplitude-frequency characteristic of which is shown in Figure 8a:
Perturbations at this technological stage of melting have a larger amplitude and their frequency range is narrower.
Figure 12 and Figure 13 show the computer model EM coordinate changes in the arc furnace of the DSP-200 type during the first technological stage of melting using the proposed fuzzy model (6) and differential model (1).
Figure 12.
Time dependences of random perturbations: (a) mismatch signals; (b,c) voltages; (d) currents; (e) power of arcs; (f) power of electric losses when using fuzzy model (6) for first technological stage of melting.

Figure 13.
Time dependences of random perturbations: (a) mismatch signals; (b,c) voltages; (d) currents; (e) power of arcs; (f) power of electric losses when using differential model (1) (ARDM-T-12) for first technological stage of melting.
Table 2 shows the integrated indicators of the dynamics quality and energy efficiency of perturbations control at the first technological stage of melting obtained on the computer Simulink model.
Table 2.
Indicators of dynamics quality and energy efficiency of random perturbations control at the first technological stage of melting.
Studies have shown that when using the proposed fuzzy model (6) to control random perturbations at different stages of melting, the dispersion of arc voltages decreased by 11–30%, arc currents dispersion by 5.5–10%, arc power dispersion by 19–33%, and the dispersion of power losses in the short network by 15–22%. In comparison with the use of model (1), the average power of arcs increased by 0.9–1.9%, and the power of electric losses in the furnace short network decreased by 5–9.5%. At the same time, lower efficiency when using fuzzy model (6) was observed at the last non-energy-intensive stages of melting, at which the amplitude of perturbations is much lower than at the initial ones, and their frequency range is broader. This is explained by the maximum frequency of this range being already outside the range of frequencies that can be handled by the electromechanical system of electrode movement.
By increasing the dynamic accuracy of the stabilization of the EM coordinates using fuzzy model (6), energy efficiency has been improved, namely the productivity of the furnace and the specific costs of electricity. According to the known method (nomograms) [40] and studies [41,42,43,44], the obtained reduction in the dispersion of arc currents leads to a decrease in specific electricity consumption by 3–4% and to an increase in furnace productivity by 2.1–3.3%. Reducing the dispersion of arc power contributes to uniform heating of the charge and melt and prevents local overheating of the melt, which has a positive effect on the quality of electrical steel and reduces the intensity of formation and the emissions of environmentally impure and highly toxic compounds.
Reducing the dispersion of arc currents also improves a number of indicators of electromagnetic compatibility of the arc furnace with the electrical network: it reduces the fluctuations and deviations of mains voltage, reduces the flicker dose, reduces reactive power consumption, and increases the arc furnace power factor.
The following conclusions can be drawn from the conducted research:
- The model of the three-component additive fuzzy law of the EM control, based on the Sugeno fuzzy inference system, is proposed and executed.
- The structural Simulink model of a fuzzy system of arc lengths control for the DSP-200 furnace is constructed and the investigation of dynamics during the handling of deterministic and random perturbations is carried out.
- The obtained results of model research have shown an increase in EM coordinates stabilization dynamic accuracy and improvement in by-phase autonomy during perturbation control when using the proposed fuzzy three-component arc lengths control model, in comparison with the legacy ARDM-T-12 arc power regulator in the DSP-200 arc furnace.
- During the operation of the developed fuzzy model (6), the oscillations decrease, and the time to control extreme deterministic perturbations decreases.
- When controlling stationary random perturbations using fuzzy model (6), the dispersion of main EM coordinates decreases: arc voltages by 11–30%, arc currents by 5.5–10%, arc power by 19–33%, and the power of electric losses in a short network by 15–22%. In addition, the mode of reactive power consumption stabilizes, the power factor increases, and the fluctuations and deviations of the mains voltage are reduced.
- Due to the increase in EM coordinates stabilization dynamic accuracy when using the fuzzy perturbation control model, the arcs power increases by 0.9–1.9% and the electric losses in a furnace high-power network decrease by 5–9.5% in comparison with the use of ARDM-T-12 power regulators.
- Practical use of the offered fuzzy control model is possible and expedient for both the modernization of the existing control systems of the arc furnaces electric mode and design of new ones. Its implementation requires minimal capital investment.
- Further works and computer experiments will investigate the effectiveness of using the developed additive three-component fuzzy law (6) of electric mode control in regulating electric mode disturbances with various stochastic characteristics that differ significantly at different technological stages of melting.
4. Summary
Control of arc furnace EM coordinates based on fuzzy models corresponding to the nature of processes in the melting space and furnace electric circuit is an effective solution for obtaining high-quality EM coordinates stabilization in conditions of intense random perturbations. It also helps to increase the efficiency of optimal adaptive multi-criterion melting modes control strategies implementation. This follows from the fact that the qualitative stabilization of the EM coordinates at the levels of optimal settings is an additional factor in improving the accuracy and efficiency of optimal control.
Computer studies have shown that the use of the proposed three-component additive fuzzy model (6) to control the EM perturbations in comparison with the known (1) increases the dynamic accuracy of the EM coordinates stabilization at setpoints. This allows the comprehensive improvement of the energy efficiency and electromagnetic compatibility of furnace and power mains.
The proposed additive three-component fuzzy model (6) of EM coordinates control is expedient and realistic for practical implementation on low-, medium-, and high-power arc furnaces and requires small investments.
Author Contributions
Conceptualization, Y.P. and D.J.; methodology, P.F.; software, Y.P., D.J. and P.F.; validation, Y.P.; formal analysis, P.F.; investigation, Y.P., D.J. and P.F.; writing—original draft preparation, P.F., Y.P. and D.J.; writing—review and editing, P.F., D.J. and Y.P. All authors have read and agreed to the published version of the manuscript.
Funding
This research received no external funding.
Data Availability Statement
Not applicable.
Conflicts of Interest
The authors declare no conflict of interest.
References
- Deaconu, S.I.; Topor, M.; Popa, G.N.; Popa, I. Comprehensive Analysis for Modernization of 100 t Electric Arc Furnace for Steel Production. In Proceedings of the 2009 IEEE Industry Applications Society Annual Meeting, Houston, TX, USA, 4–8 October 2009; pp. 1–6. [Google Scholar]
- Deaconu, S.I.; Popa, G.N.; Tihomir, L. Comparative Study for EAF’s Reactive Energy Compensation Methods and Power Factor Improvement. WSEAS Trans. Syst. 2010, 9, 979–988. [Google Scholar]
- Mysik, V.F.; Zhdanov, A.V.; Bessonov, E.D. Increasing the energy efficiency of steelmaking. Mod. Technol. Prod. Ferr. Met. 2012, 183–185. (In English) [Google Scholar]
- Timoshenko, S.N.; Stovpchenko, A.P.; Kostetsky, Y.V.; Gubinsky, M.V. Ways to improve the energy efficiency of arc steel furnaces. Mod. Electrometall. 2019, 46–56. [Google Scholar] [CrossRef]
- Nikolaev, A.; Povelitsa, E.; Kornilov, G.; Anufriev, A. Research and Development of Automatic Control System for Electric Arc Furnace Electrode Positioning. Appl. Mech. Mater. 2015, 786, 707–713. [Google Scholar] [CrossRef]
- Nikolaev, A.A.; Tulupov, P.G. Method of setting optimum asymmetric mode of operation of electric arc furnace. In Proceedings of the 2016 11th France-Japan & 9th Europe-Asia Congress on Mechatronics (MECATRONICS)/17th International Conference on Research and Education in Mechatronics (REM), Compiegne, France, 15–17 June 2016; pp. 33–37. [Google Scholar]
- Paranchuk, Y.; Evdokimov, P.; Kuznetsov, O. Electromechanical positioning system with a neuro-fuzzy corrector. Prz. Elektrotechniczny 2020, 96, 52–55. [Google Scholar] [CrossRef]
- Paranchuk, Y.; Kuznetsov, O. Synthesis of the Intelligent Position Controller of an Electromechanical System. In Proceedings of the 25th IEEE International Conference on Problems of Automated Electric Drive. Theory and Practice, PAEP, Kremenchuk, Ukraine, 21–25 September 2020; pp. 1–6. [Google Scholar]
- Nikolaev, A.A.; Tulupov, P.G.; Malakhov, O.S.; Redhead, S.S. Improving the efficiency of control systems for electric modes of electric arc furnaces through the use of an adaptive impedance controller. Bull. YuUrGU Ser. Energy 2021, 21, 82–93. [Google Scholar]
- Nikolaev, A.; Tulupov, P.G.; Zarutskaya, Z.N. Features of Electric Mode Control in Shaft Electric Arc Furnaces and Electric Arc Furnaces Equipped with the Consteel System. In Proceedings of the 2018 International Conference on Industrial Engineering, Applications and Manufacturing (ICIEAM), Moscow, Russia, 15–18 May 2018; pp. 1–6. [Google Scholar]
- Balan, R.; Hancu, O.; Lupu, E. Modeling and Adaptive Control of an Electric Arc Furnace. IFAC Proc. Vol. 2007, 40, 163–168. [Google Scholar] [CrossRef]
- Brusa, E.G.M.; Morsut, S. Design and Structural Optimization of the Electric Arc Furnace through a Mechatronic-Integrated Modeling Activity. ASME Trans. Mechatron. 2015, 20, 1099–1107. [Google Scholar] [CrossRef]
- Nikolaev, A.A.; Tulupov, V.S.; Ivekeev, V.S. Comparative analysis of modern electric control systems of electric arc furnaces. In Proceedings of the 2020 International Ural Conference on Electrical Power Engineering, UralCon 2020, Chelyabinsk, Russia, 22–24 September 2020; pp. 464–468. [Google Scholar]
- Hay, T.; Visuri, V.V.; Aula, M.; Echterhof, T. A Review of Mathematical Process Models for the Electric Arc Furnace Process. Steel Res. Int. 2021, 92, 2000395. [Google Scholar] [CrossRef]
- Lozynskyy, O.; Paranchuk, Y.; Paranchuk, R. Fuzzy Control Law of Electrode Travel in Arc Steelmaking Furnace. In Proceedings of the 16th International Conference on Computational Problems of Electrical Engineering (CPEE’2015), Lviv, Ukraine, 2–5 September 2015; pp. 103–106. [Google Scholar]
- Lozynskyi, O.; Paranchuk, Y.; Stakhiv, P. The study of dynamics of the two-loop arc furnace electric mode ACS on a Simulink-model. Prz. Elektrotechniczny 2018, 94, 24–27. [Google Scholar] [CrossRef]
- Lozynsky, O.; Paranchuk, Y. System of Optimal Control of Arc Steel Melting Furnace Electrical Modes with Regulated Reactor Based Power Supply. Electr.-Metall. Engl. Mag. 2007, 8, 737–743. [Google Scholar]
- Olczykowski, Z. Arc Voltage Distortion as a Source of Higher Harmonics Generated by Electric Arc Furnaces. Energies 2022, 15, 3628. [Google Scholar] [CrossRef]
- Olczykowski, Z. Electric Arc Furnaces as a Cause of Current and Voltage Asymmetry. Energies 2021, 14, 5058. [Google Scholar] [CrossRef]
- Yildiz, E.; Ozdemirthe, E. Use of artificial neural networks in the control of electric arc furnaces. Int. J. 3D Print. Technol. Digit. Ind. 2022, 6, 578–591. [Google Scholar] [CrossRef]
- Paranchuk, Y.S.; Paranchuk, Y. Neural network system for continuous voltage monitoring in electric arc furnace. Nauk. Visnyk Natsionalnoho Hirnychoho Universytetu 2016, 2, 74–80. [Google Scholar]
- Jawahery, S.; Visuri, V.V.; Wasbø, S.O.; Hammervold, A.; Hyttinen, N.; Schlautmann, M. Thermophysical Model for Online Optimization and Control of the Electric Arc Furnace. Metals 2021, 11, 1587. [Google Scholar] [CrossRef]
- Blažič, A.; Logar, V. Soft sensor of bath temperature in an electric arc furnace based on a data-driven Takagi-Sugeno fuzzy model. Appl. Soft Comput. 2021, 113, 107949. [Google Scholar] [CrossRef]
- Timoshenko, S.M.; Gubinski, M.V.; Niemtsev, E.M. Energy-efficient solutions of foundry class steelmaking electric arc furnace. Nauk. Visnyk Natsionalnoho Hirnychoho Universytetu 2021, 82–87. [Google Scholar] [CrossRef]
- Boto, F.; Murua, M.; Gutierrez, T.; Casado, S.; Carrillo, A.; Arteaga, A. Data Driven Performance Prediction in Steel Making. Metals 2022, 12, 172. [Google Scholar] [CrossRef]
- Fumagalli, L.; Cattaneo, L.; Roda, I.; Macchi, M.; Rondi, M. Data-driven CBM tool for risk-informed decision-making in an electric arc furnace. Int. J. Adv. Manuf. Technol. 2019, 105, 595–608. [Google Scholar] [CrossRef]
- Moghadasian, M.; Alenasser, E. Modelling and Artificial Intelligence-Based Control of Electrode System for an Electric Arc Furnace. J. Electromagn. Anal. Appl. 2011, 3, 47–55. [Google Scholar] [CrossRef]
- Paiva, R.P. Modelling and Control of an Electric Arc Furnace. Master’s Thesis, Department of Automatic Control, Lund Institute of Technology, Lund, Sweden, June 1996; p. 69. [Google Scholar]
- Arad, S.; Marcu, M.; Pasculescu, D.; Petrilean, C. Aspects of the electric arc furnace control. In Proceedings of the International Symposium on Advanced Engineering & Applied Management, Hunedoara, Romania, 4–5 November 2010; pp. 33–38. [Google Scholar]
- Nikolaev, A.A.; Kornilov, G.P.; Anufriev, A.V.; Pekhterev, S.V.; Povelitsa, E.V. Electrical optimization of superpowerful arc furnaces. Steel Transl. 2014, 44, 289–297. [Google Scholar] [CrossRef]
- Nikolaev, A.A.; Kornilov, G.P.; Tulupov, P.G.; Povelitsa, E.V. Analysis of various options for the construction of automatic control systems for moving the electrodes of arc steel furnaces and ladle-furnace plants. Vestn. MGTU Im. G.I. Nosova 2015, 2, 90–100. [Google Scholar]
- Lozynskyi, O.; Paranchuk, Y.; Moroz, V.; Stakhiv, P. Computer Model of the Electromechanical System of Moving Electrodes of an Arc Furnace with a Combined Control Law. In Proceedings of the 2019 IEEE 20th International Conference on Computational Problems of Electrical Engineering (CPEE), Lviv-Slavske, Ukraine, 15–18 September 2019; pp. 1–5. [Google Scholar]
- Mironov, Y.M.; Mironov, A.N. Increasing the economic efficiency of arc steel-smelting furnaces by optimizing energy consumption. Electr. Eng. Energy Bull. Chuvash Univ. 2018, 3, 80–92. [Google Scholar]
- Amado, S.; Crispín, H.; Haydee, M.; Rafael, O.; Malaquías, Q.P. Energy efficiency of an Electric Arc Furnace with SVM-RFE. In Proceedings of the 2015 International Conference on Electronics, Communications and Computers (CONIELECOMP), Cholula, Mexico, 25–27 February 2015; pp. 161–167. [Google Scholar]
- Li, Z.; Yang, L.; Guo, Y.; Wang, S.; Hu, H. Calculation of Heat Loss of Furnace Body in Electric Arc Furnace Steelmaking. In Proceedings of the 12th International Symposium on High-Temperature Metallurgical Processing, Anaheim, CA, USA, 27 February–3 March 2022; Springer International Publishing: Cham, Switzerland, 2022. [Google Scholar]
- Paranchuk, Y.; Matsyhin, A. The system of arc lengths regulation of an electric arc furnace with a neuro-controller. Prz. Elektrotechniczny 2013, 89, 271–273. [Google Scholar]
- Lozynskyi, O.; Paranchuk, Y.; Kobylianskyi, O. Simulink Model of Electric Modes in Electric Arc Furnace. In Proceedings of the 2017 IEEE International Young Scientists on Applied physics and Engineering, Lviv, Ukraine, 17–20 October 2017; pp. 54–57. [Google Scholar]
- Lozynskyi, O.; Lozynskyi, A.; Paranchuk, Y.; Paranchuk, R.; Holovach, I.; Tsyapa, V. Fuzzy extreme control and electric mode coordinates stabilization of arc steel-melting furnace. In Proceedings of the 2016 XI International Scientific and Technical Conference Computer Sciences and Information Technologies (CSIT), Lviv, Ukraine, 6–10 September 2016; pp. 49–54. [Google Scholar]
- Nikolaev, A.A.; Tulupov, P.G.; Savinov, D.A. Mathematical model of electrode positioning hydraulic drive of electric arc steel-making furnace taking into account stochastic disturbances of arcs. In Proceedings of the 2017 International Conference on Industrial Engineering, Applications and Manufacturing (ICIEAM), St. Petersburg, Russia, 16–19 May 2017; pp. 1–6. [Google Scholar]
- Alekseev, S.V.; Treivas, V.G. Statistical calculation of electric modes of electric arc furnaces. Electricity 1972, 11, 62–67. [Google Scholar]
- Mineev, A.R. Energy-saving statistical and dynamic optimization of parameters and structures of computerized electric drives (on the example of electric furnaces). Electr. Eng. 1998, 10, 15–22. [Google Scholar]
- Shishimirov, M.V.; Rabinovich, V.L.; Aleksandrov, A.V.; Aksenov, A.B.; Korostelev, A.B. Optimization of the Energy-Technological Steelmaking Conditions in Modern Medium-Capacity Electric Arc Furnaces. Russ. Metall. (Met.) 2021, 2021, 709–712. [Google Scholar] [CrossRef]
- Mironov, Y.M. Effect of Arcing on the Electrical Parameters and the Technical-and-Economic Indices of an Arc Furnace. Russ. Metall. (Met.) 2019, 2019, 1238–1244. [Google Scholar] [CrossRef]
- Logar, V.; Škrjanc, I. The Influence of Electric-Arc-Furnace Input Feeds on its Electrical Energy Consumption. J. Sustain. Metall. 2021, 7, 1013–1026. [Google Scholar] [CrossRef]
Disclaimer/Publisher’s Note: The statements, opinions and data contained in all publications are solely those of the individual author(s) and contributor(s) and not of MDPI and/or the editor(s). MDPI and/or the editor(s) disclaim responsibility for any injury to people or property resulting from any ideas, methods, instructions or products referred to in the content. |
© 2023 by the authors. Licensee MDPI, Basel, Switzerland. This article is an open access article distributed under the terms and conditions of the Creative Commons Attribution (CC BY) license (https://creativecommons.org/licenses/by/4.0/).














