Multi-Time-Scale Coordinated Optimum Scheduling Technique for a Multi-Source Complementary Power-Generating System with Uncertainty in the Source-Load
Abstract
:1. Introduction
- (1)
- The influence of uncertain factors such as wind power, photovoltaic, and load is considered in the day-ahead stage. The power balance equation with uncertain variables in multiple scenarios is established, and the typical scenarios of wind power, photovoltaic, and load power prediction are generated by Latin hypercube sampling and backward scenario reduction technology. At the same time, the complementary operation characteristics of wind, photovoltaic, thermal power units, and pumped storage are analyzed, and the coordinated scheduling framework for the multi-source complementary system is proposed according to different operation characteristics. We provide scheduling strategies for multi-source complementary systems with pumped storage.
- (2)
- A multi-timescale coordinated scheduling strategy for multi-source complementary systems is proposed. In the day-ahead stage, the minimum operating cost of the system is taken as the optimization objective. In the intra-day stage, a rolling scheduling model based on ultra short-term forecast data is proposed, and the minimum day-ahead and intra-day adjustment of each source is taken as the optimization objective. Considering various constraints, such as the system power balance, pumped storage capacity, spinning reserve capacity, and demand response load, a multi-timescale coordinated optimization scheduling model for the multi-source complementary system is constructed.
- (3)
- According to the advantages of the demand response, we fully consider the interaction between the multi-source complementary power generation system and load demand side. A pricing and incentive demand response model based on market elasticity is created. The day-ahead scheduling and the introduction of the transferable load and interruptible load into the multi-source complementary system’s optimum scheduling model are considered. A future demand response project for a multi-source complementary system can use this analysis of the system’s overall impact of energy supply and demand as a guide.
2. Structure and Mathematical Model of Multi-Source Complementary Power Gene-Ration System
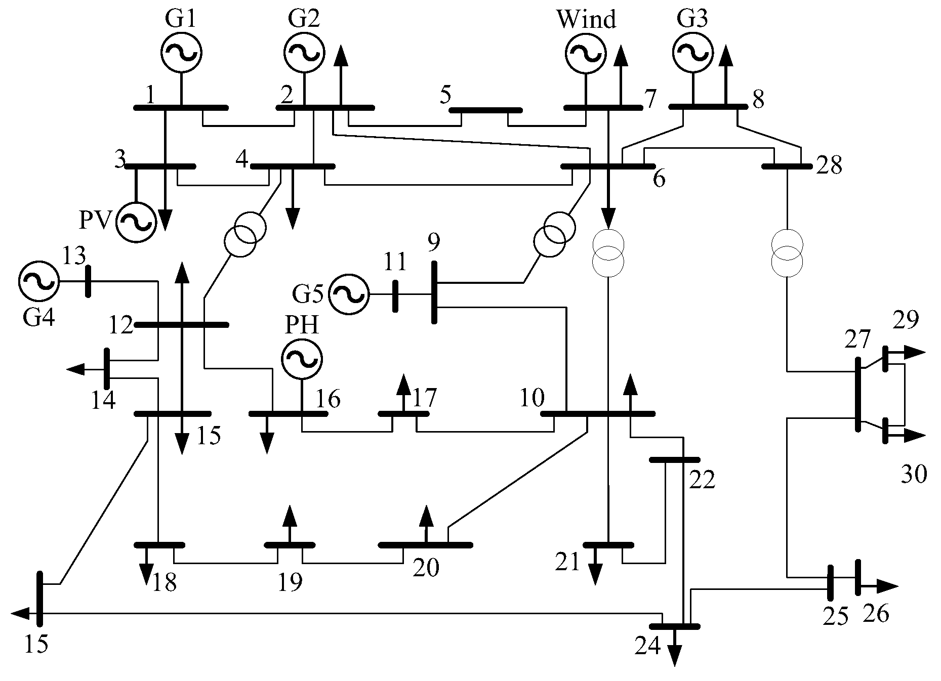
2.1. System Structure
2.2. Thermal Power Output Characteristics
2.3. Mathematical Model of Pumped Storage Unit
2.4. Wind Power–Photovoltaic–Load Uncertainty Model in Multiple Scenarios
3. Multi-Timescale Coordinated Optimal Scheduling Model
3.1. Optimal Strategy
- (1)
- The impact of wind, PV, and load power unpredictability on scheduling is taken into account in the day-ahead scheduling plan. Based on the scenario analysis method, the uncertainty model of wind–PV–load is established to optimize the day-ahead output. The time scale is set to 1 h, with a total of a 24 h execution cycle, and before the conclusion of the first day, a day-ahead scheduling plan for 24 periods on the second day is created based on the short-term forecast value. Determining the short-term forecast value of wind power and PV production is crucial for day-ahead scheduling; we obtain the short-term prediction value of user load power consumption, the output value of each unit and its cost of operation, the call plan of the PDR load response, and the IDR load, and input them into the intra-day rolling optimization scheduling as the determined quantity.
- (2)
- The variance between the wind–PV–load ultra short-term forecast data and the reference value is determined in the intra-day rolling scheduling plan based on the anticipated scheduling value of multi-scenario optimization scheduling. We set the time scale to 15 min, with a total of 4 h execution cycles and a total of 96 executions within a day, with a known ultra short-term forecast value continuously rolling correction day generation plan. All rolling schedules for the remaining five periods with the minimum load error of the day are developed during the last period ending in the first 4 h before the day. In order to correct the discrepancy between the day-ahead scheduling plan and the actual situation, intra-day rolling scheduling must be used to calculate the ultra-short-term prediction value of wind power and photovoltaic output; the ultra-short-term prediction of user load power consumption, the daily production of each unit, and the output of each unit before the day are used as the target quantities. In the final 15 min of the entire scheduling plan, the positive and negative spinning reserve capacity of the unit that the system ultimately calls is established. This is carried out to ensure that the system accurately predicts information and creates a spinning reserve plan to lower the spinning reserve cost.
- (3)
- The day-ahead scheduling plan serves as the foundation for the intra-day rolling optimization scheduling, which is based on it. The MPC method is used to carry out rolling optimization for 96 periods during the day based on the ultra-short-term forecast information of wind power and photovoltaic power output, in order to effectively reduce the amount of intra-day adjustment of each source while ensuring the effectiveness of the day-ahead scheduling plan and minimizing the impact of the day-ahead scheduling plan.
3.2. Demand Response Model
3.2.1. Day-Ahead Load Model Based on PDR
3.2.2. Day-Ahead Load Model Based on IDR
3.3. Day-Ahead Stochastic Optimal Scheduling Based on Multi-Scenario Technology
3.3.1. Objective Function
3.3.2. Constraint Condition
Power Balance Constraint
Wind and Photovoltaic Output Constraints
Thermal Power Unit Constraints
Pumped Storage Constraints
System Spinning Reserve Capacity Constraint
Demand Response Load Response Constraint
3.4. Rolling Power Generation Plan
3.4.1. Objective Function
3.4.2. Constraint Condition
3.5. Solution Method
4. Example Analysis
4.1. Data Parameter
4.2. System Optimization Scheduling Results
4.2.1. Analysis of Day-Ahead Stochastic Optimal Scheduling Results for Multi-Source Complementary Systems
4.2.2. The Influence of Different Power Balance Equations on the Optimization Results
4.2.3. Analysis of Intra-Day Rolling Scheduling Optimization Results
5. Conclusions
- The coordinated operation of pumped storage and conventional thermal power plants can significantly increase wind power consumption, decrease wind and photovoltaic curtailment, notably reduce the system’s running costs, and improve the system’s operating efficiency by implementing pumped storage on the energy supply side.
- In addition to significantly lowering the system’s scheduling costs based on the conventional scheduling mode, taking into account PBDR and IBDR can also increase the efficiency with which source and load resources are used and flatten the load curve.
- The effectiveness of the day-ahead scheduling plan is ensured by taking into account intra-day rolling optimal scheduling in the scheduling plan of a multi-source complementary power generation system. This also significantly lessens the impact of the large day-ahead prediction error on the intra-day scheduling results. As a result, including the demand response into the system and working with multi-timescale coordination may successfully increase the resource utilization and system efficiency as well as serve as a guide for future research on demand response projects of multi-source complementary systems.
Author Contributions
Funding
Data Availability Statement
Acknowledgments
Conflicts of Interest
References
- Carvalho, D.B.; Guardia, E.C.; Lima, J. Technical- economic analysis of the insertion of PV power into a wind-solar hybrid system. Sol. Energy 2019, 191, 530–539. [Google Scholar] [CrossRef]
- Biswas, P.P.; Suganthan, P.N.; Qu, B.Y.; Amaratunga, G.A.J. Multi- objective economic- environmental power dispatch with stochastic wind- solar- small hydro power. Energy 2018, 150, 1039–1057. [Google Scholar] [CrossRef]
- Cantao, M.P.; Bessa, M.R.; Bettega, R.; Detzel, D.H.; Lima, J.M. Evaluation of hydro- wind complementarity in the Brazilian territory by means of correlation maps. Renew. Energy 2017, 101, 1215–1225. [Google Scholar] [CrossRef]
- Xu, G.; Shang, C.; Fan, S.; Hu, X.; Cheng, H. A hierarchical energy scheduling framework of microgrids with hybrid energy storage systems. IEEE Access 2017, 6, 2472–2483. [Google Scholar] [CrossRef]
- Liang, H.P.; Cheng, Z.W.; Sun, H.X.; Liu, Y.P.; Gu, X.P. Optimization of power network reconstruction with wind farm considering uncertainty of wind power prediction error. Autom. Electr. Power Syst. 2019, 43, 151–158, 184. [Google Scholar]
- Qiu, H.F.; Gu, W.; Xu, Y.L.; Wu, Z.; Zhou, S.; Wang, J. Interval-partitioned uncertainty constrained robust dispatch for AC/DC hybrid micro-grids with uncontrollable renewable generators. IEEE Tran-Sactions Smart Grid 2019, 10, 4603–4614. [Google Scholar] [CrossRef]
- Li, W.H.; Wang, R.; Zhang, T.; Ming, M.; Lei, H. Multi-scenario microgrid optimization using an evolutionary multi-objective algorithm. Swarm Evol. Comput. 2019, 50, 100570. [Google Scholar] [CrossRef]
- Qian, W.; Zhao, C.; Wan, C.; Song, Y.; Yang, G. Probabilistic Forecasting Based Stochastic Optimal Dispatch and Control Method of Hybrid Energy Storage for Smoothing Wind Power Fluctuations. Autom. Electr. Power Syst. 2021, 45, 18–27. [Google Scholar]
- Wei, B.; Han, X.Q.; Li, W. Multi-time scale stochastic optimal dispatch for AC/DC hybrid microgrid incorporating multi-scenario analysis. High Volt. Eng. 2020, 46, 2359–2369. [Google Scholar]
- Bo, X.; Chao, Y. Optimal dispatch of active distribution network with electric vehicles. Sci. Technol. Eng. 2019, 19, 143–149. [Google Scholar]
- Xiao, H.; Pei, W.; Kong, L. Multi-time scale coordinated optimal dispatch of microgrid based on model predictive control. Autom. Electr. Power Syst. 2016, 40, 7–14, 55. [Google Scholar]
- Lin, L.; Yue, X.Y.; Xu, B.Q.; Sun, Y.; Wei, M. Pumped storage-thermal power combined peak shaving sequence and strategy taking into account the benefits of pumped storage and thermal power deep peak shaving. Power Syst. Technol. 2021, 45, 20–32. [Google Scholar]
- Ma, W.; Wang, W.; Wu, X.Z.; Hu, R.N.; Jiang, J.C. Optical-storage coordinated and complementary strategies to suppress power fluctuations and economic analysis. Power Syst. Technol. 2018, 42, 730–737. [Google Scholar]
- Tian, S.; Zhang, K.; Gong, C.; Li, Y.; Zeng, M.; Li, X. Model construction of pumped storage to promote wind- photovoltaic consumption considering uncertainty of wind- photovoltaic output. IOP Conf. Ser. Earth Environ. Sci. 2021, 781, 042031. [Google Scholar] [CrossRef]
- Sun, K.; Li, K.J.; Pan, J.; Liu, Y.; Liu, Y. An optimal combined operation scheme for pumped storage and hybrid wind- photovoltaic complementary power generation system. Appl. Energy 2019, 242, 1155–1163. [Google Scholar] [CrossRef]
- Reddy, S.S.; Momoh, J.A. Realistic and Transparent Optimum Scheduling Strategy for Hybrid Power System. IEEE Trans. Smart Grid 2015, 6, 3114–3125. [Google Scholar] [CrossRef]
- Reddy, S.S. Optimal scheduling of thermal- wind- solar power system with storage. Renew. Energy 2017, 101, 1357–1368. [Google Scholar]
- Wang, R.; Yang, W.; Li, X.; Zhao, Z.; Zhang, S. Day-ahead multi-objective optimal operation of Wind– PV– Pumped Storage hybrid system considering carbon emissions. Energy Rep. 2022, 8, 1270–1279. [Google Scholar] [CrossRef]
- Fu, Y.; Lu, Z.; Hu, W.; Wu, S.; Wang, Y.; Dong, L.; Zhang, J. Research on joint optimal dispatching method for hybrid power system considering system security. Appl. Energy 2019, 238, 147–163. [Google Scholar] [CrossRef]
- Chuang, L.; Ao, S.; Yibo, W.; Huan, H.; Hailiang, Z.; Liaoyi, N. Day-ahead and intra-day joint economic dispatching method of electric power system considering combined peak-shaving of fused magnesium load and energy storage. Electr. Power Autom. Equip. 2022, 42, 8–15. [Google Scholar]
- Xia, P.; Liu, W.Y.; Zhang, Y.X.; Wang, W.Z.; Zhang, B.L. Distributed robust optimal scheduling model considering the high- order uncertainty of wind power. Trans. China Electrotech. Soc. 2020, 35, 189–200. [Google Scholar]
- Jin, L.; Fang, X.Y.; Cai, H.; Chen, D.; Li, Y. Multi- time scale source storage and load coordinated dispatching strategy for power grids considering characteristic distribution of energy storage power stations. Power Syst. Technol. 2020, 44, 3641–3650. [Google Scholar]
- Shabanzadeh, M.; Sheikh-el-eslami, M.K.; Haghifam, M.R. An interactive cooperation model for neighboring virtual power plants. Appl. Energy 2017, 200, 273–289. [Google Scholar] [CrossRef]
- Ruth, M.F.; Kroposki, B. Energy Systems Integration: An Evolving Energy Paradigm. Electr. J. 2014, 27, 36–47. [Google Scholar] [CrossRef]
- Yunhui, S.; Chuangxin, G. Flexibility Reinforcement Method for Integrated Electricity and Heat System Based on Decentralized and Coordinated Multi-stage Robust Dispatching. Autom. Electr. Power Syst. 2022, 46, 10–19. [Google Scholar]
- Spyrou, I.D.; Anagnostopoulos, J.S. Design study of a stand- alone desalination system powered by renewable energy sources and a pumped storage unit. Desalination 2010, 257, 137–149. [Google Scholar] [CrossRef]
- Hong, F.; Peilin, Z.; Lu, L.; Cheng, H. The method of daily scheduling optimal considering uncertainty of wind power and photovoltaic output. Renew. Energy Resour. 2019, 37, 886–892. [Google Scholar]
- Oriti, G.; Anglani, N.; Julian, A.L. Hybrid energy storage control in a remote military microgrid with improved super-capacitor utilization and sensitivity analysis. IEEE Trans. Ind. Appl. 2019, 55, 5099–5108. [Google Scholar] [CrossRef]
- Sheikholeslami, R.; Razavi, S. Progressive Latin Hypercube Sampling: An efficient approach for robust sampling-based analysis of environmental models. Environ. Model. Softw. 2017, 93, 109–126. [Google Scholar] [CrossRef]
- Zhang, L.; Xin, H.; Li, Q.; Jiao, Y.; Tan, Z. A bi-level stochastic scheduling optimization model for virtual power plant connecting with wind-photovoltaic-gas-energy storage system with considering uncertainty and demand response. Renew. Energy Resour. 2017, 35, 1514–1522. [Google Scholar]
- Yang, C.; Zhang, H.; Zhong, W.Z. Multi-source Optimal Scheduling of Renewable Energy High-permeability Power System with CSP Plants Considering Demand Response. High Volt. Eng. 2020, 46, 1486–1496. [Google Scholar]
- Liu, D.; Dong, H.; Wang, N.; Ma, M. Optimization scheduling for multi-source complementary power plants group based on multiple temporal and spatial scales coordination. Power Syst. Prot. Control 2019, 12, 73–83. [Google Scholar]
- Jun, D.; Hua, W.; Jinghua, L.; Xiaoqing, B. A Mixed-integer Linear Programming Model Using Four Sets of Binary Variables for the Unit Commitment Problem. Proc. CSEE 2015, 35, 2770–2778. [Google Scholar]












| Parameter | Pmax/MW | Pmin/MW | rup, rdn/MW·h−1 | Ton/MW·h−1 | Toff/MW·h−1 | a/USD·(MW2·h)−1 | b/USD·(MW·h)−1 | c/USD·h−1 |
|---|---|---|---|---|---|---|---|---|
| G1 | 455 | 150 | 160 | 8 | 8 | 0.039 | 20.56 | 357.57 |
| G2 | 130 | 20 | 70 | 5 | 5 | 0.062 | 28.18 | 345.49 |
| G3 | 85 | 25 | 45 | 3 | 3 | 0.069 | 29.19 | 343.48 |
| G4 | 80 | 20 | 40 | 3 | 3 | 0.069 | 29.19 | 343.48 |
| G5 | 55 | 10 | 30 | 1 | 1 | 0.069 | 29.19 | 343.48 |
| Time Interval | Talley | Tlat | Peak |
|---|---|---|---|
| valley | −0.1 | 0.01 | 0.012 |
| flat | 0.01 | −0.1 | 0.016 |
| peak | 0.012 | 0.016 | −0.1 |
| Models | The Amount of Wind and Photovoltaic Abandoned/MW | Power Shortage/MW | Thermal Power Operation Cost/(USD) | Thermal Power Start–Stop Cost/(USD) | Spinning Reserve Cost/(USD) | Hydropower Start–Stop Cost/(USD) | Incentive Compensation Cost/(USD) | Resultant Costs/(USD) | Electricity Cost of Load/(USD) |
|---|---|---|---|---|---|---|---|---|---|
| 1 | 488.45 | 414.8 | 0.275 million | 0.010 million | 0.084 million | 0 | 0 | 0.369 million | 2.618 million |
| 2 | 0 | 0 | 0.258 million | 0.005 million | 0.084 million | 0.0004 million | 0 | 0.347 million | 2.681 million |
| 3 | 0 | 0 | 0.250 million | 0.005 million | 0.084 million | 0.0004 million | 0.005 million | 0.344 million | 2.584 million |
Disclaimer/Publisher’s Note: The statements, opinions and data contained in all publications are solely those of the individual author(s) and contributor(s) and not of MDPI and/or the editor(s). MDPI and/or the editor(s) disclaim responsibility for any injury to people or property resulting from any ideas, methods, instructions or products referred to in the content. |
© 2023 by the authors. Licensee MDPI, Basel, Switzerland. This article is an open access article distributed under the terms and conditions of the Creative Commons Attribution (CC BY) license (https://creativecommons.org/licenses/by/4.0/).
Share and Cite
Huang, Z.; Liu, L.; Liu, J. Multi-Time-Scale Coordinated Optimum Scheduling Technique for a Multi-Source Complementary Power-Generating System with Uncertainty in the Source-Load. Energies 2023, 16, 3020. https://doi.org/10.3390/en16073020
Huang Z, Liu L, Liu J. Multi-Time-Scale Coordinated Optimum Scheduling Technique for a Multi-Source Complementary Power-Generating System with Uncertainty in the Source-Load. Energies. 2023; 16(7):3020. https://doi.org/10.3390/en16073020
Chicago/Turabian StyleHuang, Zhengwei, Lu Liu, and Jiachang Liu. 2023. "Multi-Time-Scale Coordinated Optimum Scheduling Technique for a Multi-Source Complementary Power-Generating System with Uncertainty in the Source-Load" Energies 16, no. 7: 3020. https://doi.org/10.3390/en16073020
APA StyleHuang, Z., Liu, L., & Liu, J. (2023). Multi-Time-Scale Coordinated Optimum Scheduling Technique for a Multi-Source Complementary Power-Generating System with Uncertainty in the Source-Load. Energies, 16(7), 3020. https://doi.org/10.3390/en16073020
