Hydrogen Fuel Cell Power System—Development Perspectives for Hybrid Topologies
Abstract
1. Introduction
- They have high efficiency [5] and high energy density [6,7]. The basic energy density of hydrogen is about 2.7 times that of gasoline, diesel, and natural gas, while the theoretical efficiency of hydrogen fuel cells is 83% and the actual efficiency can reach 60–70%. In the literature [8], Zi’ang Xiong et al. proved that the working efficiency of a hydrogen fuel cell-powered forklift is 40.6% higher than that of a lithium battery-powered forklift.
2. Modeling of Hydrogen Fuel Cells
3. Research Status
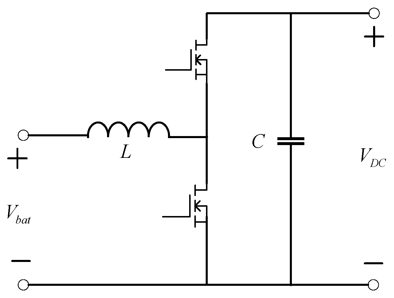
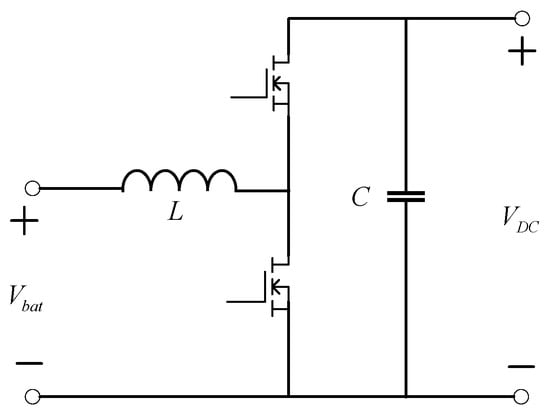
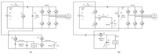
3.1. Topologies of FC + B
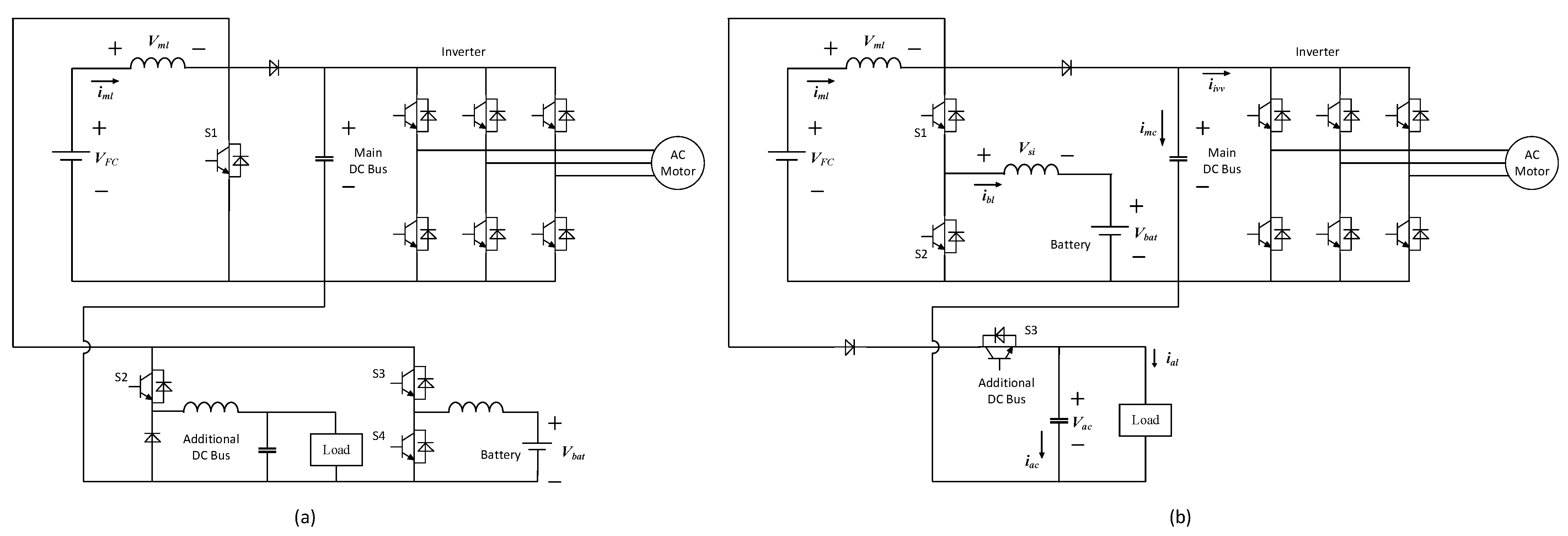
3.2. Topologies of FC + B + SC
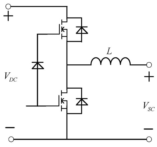
3.3. Topologies of FC + SC
4. Summary and Outlook
- Widening the energy source of hybrid power. The characteristics of fuel cells are soft, and the battery management system with multiple energy sources has become the development trend for the future. However, further research on the optimization of the combination of different energy sources is needed.
- Under the general environment of information intelligence, the Internet of Vehicles will be gradually popularized. Multi-time scale condition prediction based on big data and traffic information fusion can assist the hydrogen fuel cell system to optimize the EMS online.
- The control mode with higher control accuracy needs to be solved by “artificial intelligence” and “big data analysis”. Monitoring the vehicle operation data and the driving habits of drivers in the road section, adjusting the control strategy in the vehicle through artificial intelligence data processing, and switching different control methods to achieve optimal control are important factors.
- While vigorously promoting and developing the hydrogen fuel cell hybrid power system and EMS, the production and operation costs of hydrogen fuel cells have become a major problem that needs to be solved urgently. High cost is an important reason that hinders the promotion of hydrogen fuel cells. The development of hydrogen fuel cells is affected by the overall development level of the hydrogen energy industry chain, so the research and development cycle is long and the situation is complex.
Author Contributions
Funding
Data Availability Statement
Conflicts of Interest
References
- Agyekum, E.B.; Ampah, J.D.; Wilberforce, T.; Afrane, S.; Nutakor, C. Research Progress, Trends, and Current State of Development on PEMFC-New Insights from a Bibliometric Analysis and Characteristics of Two Decades of Research Output. Membranes 2022, 12, 1103. [Google Scholar] [CrossRef] [PubMed]
- Asif, U.; Schmidt, K. Fuel Cell Electric Vehicles (FCEV): Policy Advances to Enhance Commercial Success. Sustainability 2021, 13, 5149. [Google Scholar] [CrossRef]
- Vidović, T.; Tolj, I.; Radica, G.; Bodrožić Ćoko, N. Proton-Exchange Membrane Fuel Cell Balance of Plant and Performance Simulation for Vehicle Applications. Energies 2022, 15, 8110. [Google Scholar] [CrossRef]
- Saco, A.; Sundari, P.S.; J, K.; Paul, A. An Optimized Data Analysis on a Real-Time Application of PEM Fuel Cell Design by Using Machine Learning Algorithms. Algorithms 2022, 15, 346. [Google Scholar] [CrossRef]
- Loskutov, A.; Kurkin, A.; Shalukho, A.; Lipuzhin, I.; Bedretdinov, R. Investigation of PEM Fuel Cell Characteristics in Steady and Dynamic Operation Modes. Energies 2022, 15, 6863. [Google Scholar] [CrossRef]
- Dafalla, A.M.; Wei, L.; Habte, B.T.; Guo, J.; Jiang, F. Membrane Electrode Assembly Degradation Modeling of Proton Exchange Membrane Fuel Cells: A Review. Energies 2022, 15, 9247. [Google Scholar] [CrossRef]
- Garraín, D.; Banacloche, S.; Ferreira-Aparicio, P.; Martínez-Chaparro, A.; Lechón, Y. Sustainability Indicators for the Manufacturing and Use of a Fuel Cell Prototype and Hydrogen Storage for Portable Uses. Energies 2021, 14, 6558. [Google Scholar] [CrossRef]
- Xiong, Z.; Zhou, H.; Wu, X.; Chan, S.H.; Xie, Z.; Dang, D. Work Efficiency and Economic Efficiency of Actual Driving Test of Proton Exchange Membrane Fuel Cell Forklift. Molecules 2022, 27, 4918. [Google Scholar] [CrossRef]
- Kandidayeni, M.; Macias, A.; Boulon, L.; Trovão, J.P.F. Online Modeling of a Fuel Cell System for an Energy Management Strategy Design. Energies 2020, 13, 3713. [Google Scholar] [CrossRef]
- Jawad, N.H.; Yahya, A.A.; Al-Shathr, A.R.; Salih, H.G.; Rashid, K.T.; Al-Saadi, S.; AbdulRazak, A.A.; Salih, I.K.; Zrelli, A.; Alsalhy, Q.F. Fuel Cell Types, Properties of Membrane, and Operating Conditions: A Review. Sustainability 2022, 14, 14653. [Google Scholar] [CrossRef]
- Liu, H.; Chen, J.; Hissel, D.; Hou, M.; Shao, Z. A multi-scale hybrid degradation index for proton exchange membrane fuel cells. J. Power Sources 2019, 437, 226916. [Google Scholar] [CrossRef]
- Abdel-Basset, M.; Mohamed, R.; Chang, V. An Efficient Parameter Estimation Algorithm for Proton Exchange Membrane Fuel Cells. Energies 2021, 14, 7115. [Google Scholar] [CrossRef]
- Yasin, A.; Yasin, A.R.; Saqib, M.B.; Zia, S.; Riaz, M.; Nazir, R.; Abdalla, R.A.E.; Bajwa, S. Fuel Cell Voltage Regulation Using Dynamic Integral Sliding Mode Control. Electronics 2022, 11, 2922. [Google Scholar] [CrossRef]
- Blal, M.; Benatiallah, A.; NeÇaibia, A.; Lachtar, S.; Sahouane, N.; Belasri, A. Contribution and investigation to compare models parameters of (PEMFC), comprehensives review of fuel cell models and their degradation. Energy 2019, 168, 182–199. [Google Scholar] [CrossRef]
- Sorlei, I.-S.; Bizon, N.; Thounthong, P.; Varlam, M.; Carcadea, E.; Culcer, M.; Iliescu, M.; Raceanu, M. Fuel Cell Electric Vehicles—A Brief Review of Current Topologies and Energy Management Strategies. Energies 2021, 14, 252. [Google Scholar] [CrossRef]
- Hu, X.; Zou, C.; Tang, X.; Liu, T.; Hu, L. Cost-Optimal Energy Management of Hybrid Electric Vehicles Using Fuel Cell/Battery Health-Aware Predictive Control. IEEE Trans. Power Electron. 2019, 35, 382–392. [Google Scholar] [CrossRef]
- Jia, C.; Qiao, W.; Cui, J. Qu Adaptive Model-Predictive-Control-Based Real-Time Energy Management of Fuel Cell Hybrid Electric Vehicles. IEEE Trans. Power Electron. 2023, 38, 2681–2694. [Google Scholar] [CrossRef]
- Pereira, D.; Lopes, F.C.; Watanabe, E. Nonlinear Model Predictive Control for the Energy Management of Fuel Cell Hybrid Electric Vehicles in Real Time. IEEE Trans. Ind. Electron. 2021, 68, 3213–3223. [Google Scholar] [CrossRef]
- Chen, H.; Chen, J.; Lu, H.; Yan, C.; Liu, Z. A Modified MPC-Based Optimal Strategy of Power Management for Fuel Cell Hybrid Vehicles. IEEE/ASME Trans. Mechatron. 2020, 25, 2009–2018. [Google Scholar] [CrossRef]
- Carignano, M.; Roda, V.; Costa-Castelló, R.; Valiño, L.; Lozano, A.; Barreras, F. Assessment of Energy Management in a Fuel Cell/Battery Hybrid Vehicle. IEEE Access 2019, 7, 16110–16122. [Google Scholar] [CrossRef]
- Moghadari, M.; Kandidayeni, M.; Boulon, L.; Chaoui, H. Hydrogen Minimization of a Hybrid Multi-Stack Fuel Cell Vehicle Using an Optimization-Based Strategy. In Proceedings of the 2021 IEEE Vehicle Power and Propulsion Conference (VPPC), Gijon, Spain, 26–29 October 2021; pp. 1–5. [Google Scholar] [CrossRef]
- Yang, Z.; Guo, Q.; Chen, H.; Ding, S.; Miao, W.; Huang, J. The Fuzzy Logic Control Strategy for PEM Fuel Cell Hybrid Energy System. In Proceedings of the 5th International Conference on Energy, Electrical and Power Engineering (CEEPE), West Java, Indonesia, 22–23 November 2022; pp. 187–191. [Google Scholar] [CrossRef]
- Huangfu, Y.; Zhang, Z.; Xu, L.; Shi, W.; Zhuo, S. Research on Multi-Objective Optimized Energy Management Strategy for Fuel Cell Hybrid Vehicle Based on Work Condition Recognition. In Proceedings of the IECON 2021–47th Annual Conference of the IEEE Industrial Electronics Society, Toronto, ON, Canada, 13–16 October 2021; pp. 1–6. [Google Scholar] [CrossRef]
- Graber, G.; Calderaro, V.; Galdi, V. Researchers from University of Salerno Publish Findings in Electronics (Two-Stage Optimization Method for Sizing Stack and Battery Modules of a Fuel Cell Vehicle Based on a Power Split Control). Electron. Newsweekly 2022, 11, 361. [Google Scholar] [CrossRef]
- Kim, T. Dual Functional Power Management System for an Energy Storage in Light Fuel-Cell Hybrid Electric Vehicles. 2021 IEEE Transp. Electrif. Conf. Expo 2021, 45, 131–135. [Google Scholar] [CrossRef]
- Li, H.; Ravey, A.; N’Diaye, A.; Djerdir, A. Online adaptive equivalent consumption minimization strategy for fuel cell hybrid electric vehicle considering power sources degradation. Energy Convers. Manag. 2019, 192, 133–149. [Google Scholar] [CrossRef]
- Nguyen, H.L.; Han, J.; Vu, H.N.; Yu, S. Investigation of Multiple Degradation Mechanisms of a Proton Exchange Membrane Fuel Cell under Dynamic Operation. Energies 2022, 15, 9574. [Google Scholar] [CrossRef]
- Ferrara, A.; Hametner, C. Impact of Energy Management Strategies on Hydrogen Consumption and Start-Up/Shut-Down Cycles in Fuel Cell-Supercapacitor-Battery Vehicles. IEEE Trans. Veh. Technol. 2022, 71, 5692–5703. [Google Scholar] [CrossRef]
- Amaya, E.; Chiacchiarini, H.; Angelo, C. Energy managment system designed for reducing operational costs of a hybrid fuel cell-battery-supercapacitor vehicle. In Proceedings of the Vehicle Power and Propulsion Conference, Online, 18 November–16 December 2020; pp. 1–5. [Google Scholar] [CrossRef]
- Wang, J.; Zhou, J.; Xu, D. A real-time predictive energy management strategy of fuel cell/battery/ ultra-capacitor hybrid energy storage system in electric vehicle. In Proceedings of the 2020 Chinese Automation Congress (CAC), Shanghai, China, 6–8 November 2020; pp. 3951–3954. [Google Scholar] [CrossRef]
- Li, M.; Wang, Y.; Sun, Z.; Chen, Z. An Evaluation Study of Fuel Cell Hybrid Topology for Vehicles. In Proceedings of the 2022 IEEE/IAS Industrial and Commercial Power System Asia (I&CPS Asia), Chongqing, China, 7–9 July 2022; pp. 1333–1338. [Google Scholar] [CrossRef]














| Topological Structures | the Most Frequently Used Control Methods | Inputs | Outputs | Advantages |
|---|---|---|---|---|
| Figure 3b | Realtime adaptive model predictive control (AMPC)-based energy management strategy | Hydrogen fuel cell current Hydrogen fuel cell current Change rate Battery SOC Battery current | Hydrogen fuel cell reference current | Reduce hydrogen consumption, reduce current fluctuation of fuel cell, and extend service life of fuel cell |
| Figure 3d | Energy management strategy based on fuzzy logic control strategy | Load current Battery SOC | The output power Hydrogen fuel cell reference current | The system has strong robustness, and extend its service life |
| Figure 8b | Online adaptive equivalent power consumption minimization strategy (AECMS) | Battery SOC Supercapacitor SOC Load current | Hydrogen fuel cell reference current Supercapacitor reference current | Minimize hydrogen consumption; three power sources fully reach their potential |
| Figure 8c | Realtime predictive energy management strategy | Battery SOC Supercapacitor SOC Load current The historic velocity | Hydrogen fuel cell reference current Battery reference current | Reduce the power frequency of the fuel cell and battery; keep the SOC of supercapacitor in reasonable range |
Disclaimer/Publisher’s Note: The statements, opinions and data contained in all publications are solely those of the individual author(s) and contributor(s) and not of MDPI and/or the editor(s). MDPI and/or the editor(s) disclaim responsibility for any injury to people or property resulting from any ideas, methods, instructions or products referred to in the content. |
© 2023 by the authors. Licensee MDPI, Basel, Switzerland. This article is an open access article distributed under the terms and conditions of the Creative Commons Attribution (CC BY) license (https://creativecommons.org/licenses/by/4.0/).
Share and Cite
Pan, G.; Bai, Y.; Song, H.; Qu, Y.; Wang, Y.; Wang, X. Hydrogen Fuel Cell Power System—Development Perspectives for Hybrid Topologies. Energies 2023, 16, 2680. https://doi.org/10.3390/en16062680
Pan G, Bai Y, Song H, Qu Y, Wang Y, Wang X. Hydrogen Fuel Cell Power System—Development Perspectives for Hybrid Topologies. Energies. 2023; 16(6):2680. https://doi.org/10.3390/en16062680
Chicago/Turabian StylePan, Guangjin, Yunpeng Bai, Huihui Song, Yanbin Qu, Yang Wang, and Xiaofei Wang. 2023. "Hydrogen Fuel Cell Power System—Development Perspectives for Hybrid Topologies" Energies 16, no. 6: 2680. https://doi.org/10.3390/en16062680
APA StylePan, G., Bai, Y., Song, H., Qu, Y., Wang, Y., & Wang, X. (2023). Hydrogen Fuel Cell Power System—Development Perspectives for Hybrid Topologies. Energies, 16(6), 2680. https://doi.org/10.3390/en16062680

