Comprehensive Predictive Control Model for a Three-Phase Four-Legged Inverter
Abstract
1. Introduction
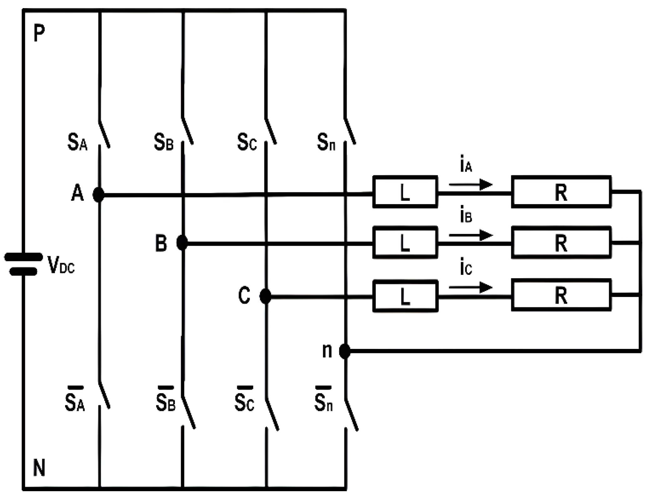
2. Materials and Methods
- (1)
- J1: Minimize the error between the predicted and reference currents as follows:
- (2)
- J2: Minimize the state-change switching frequency of switches:
- (3)
- J3: Change the state of a switch with lower voltage and current with higher priority:
- Mode I: λSFR = λSLR = 0
- Mode II: λSFR ≠ 0 and λSLR = 0
- Mode III: λSFR = 0 and λSLR ≠ 0
- Mode IV: λSFR ≠ 0 and λSLR ≠ 0
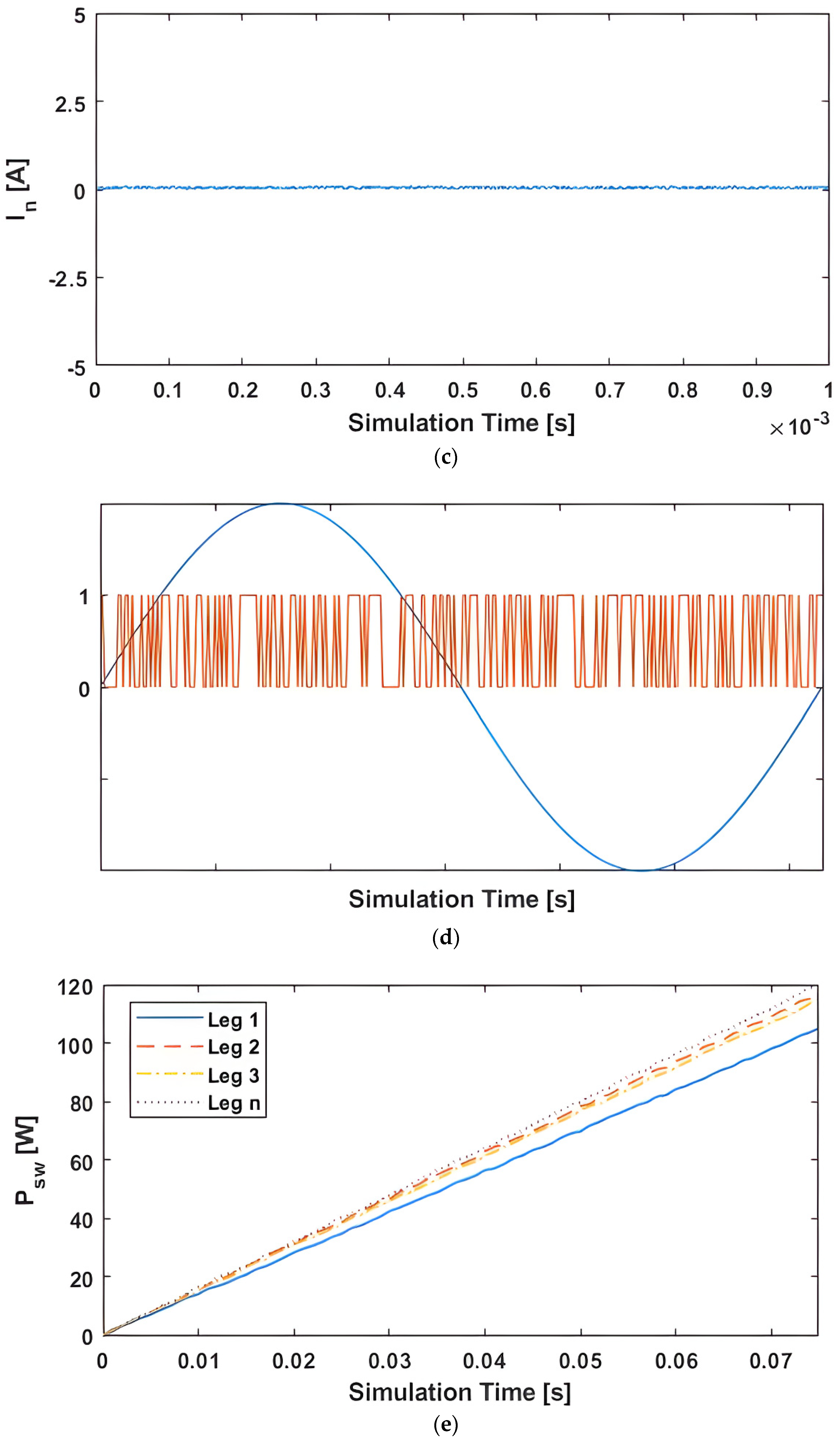
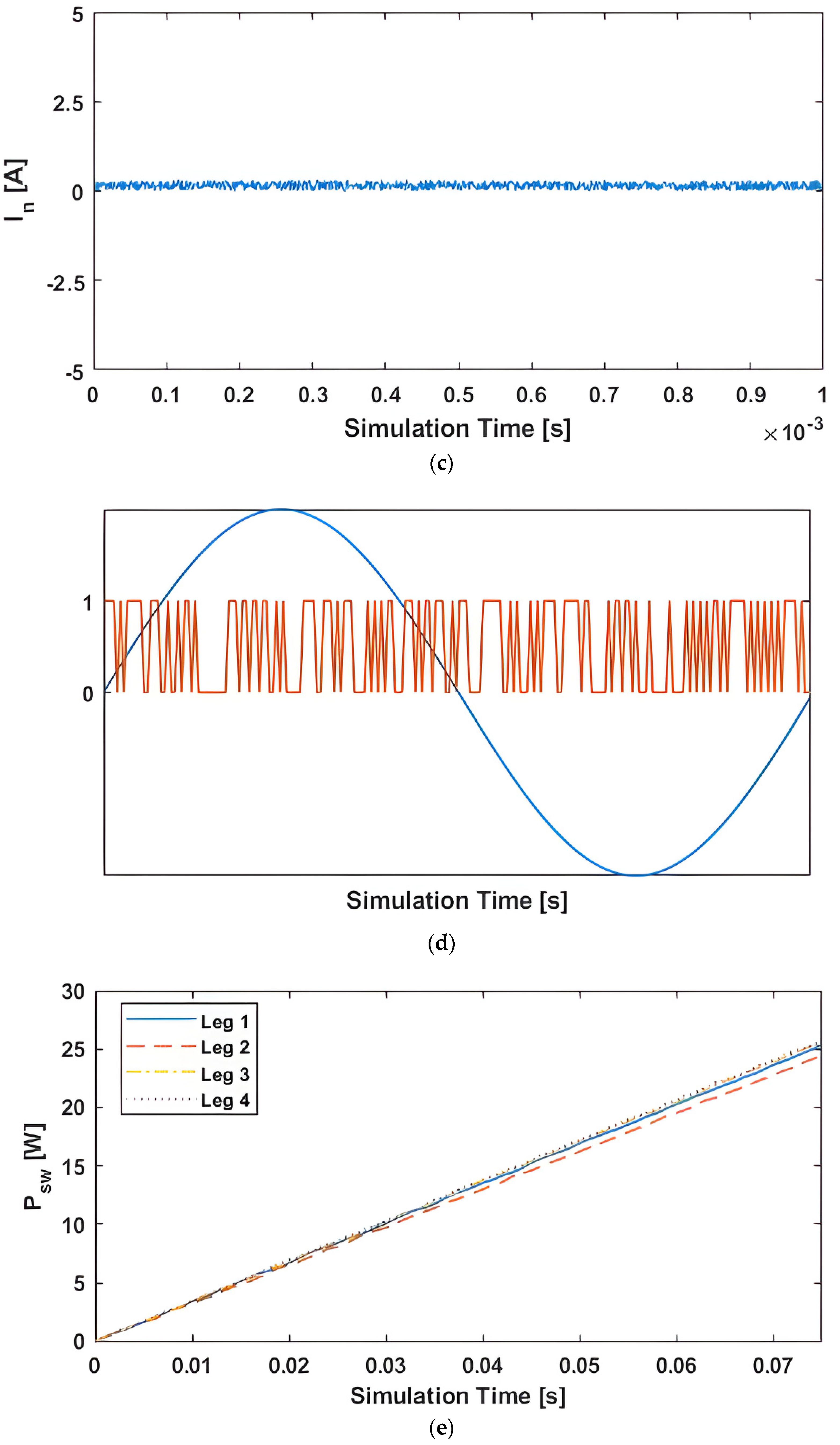
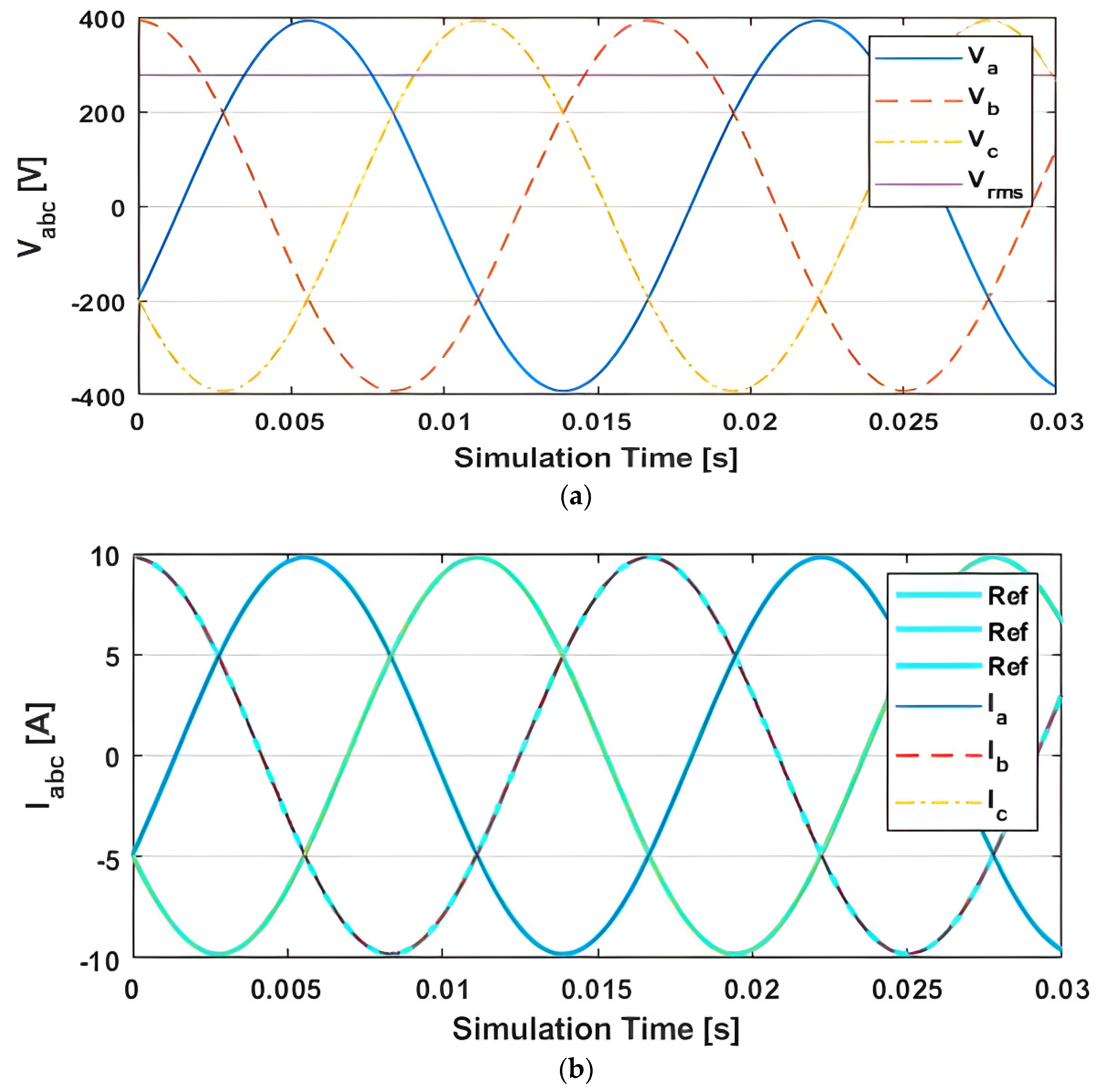
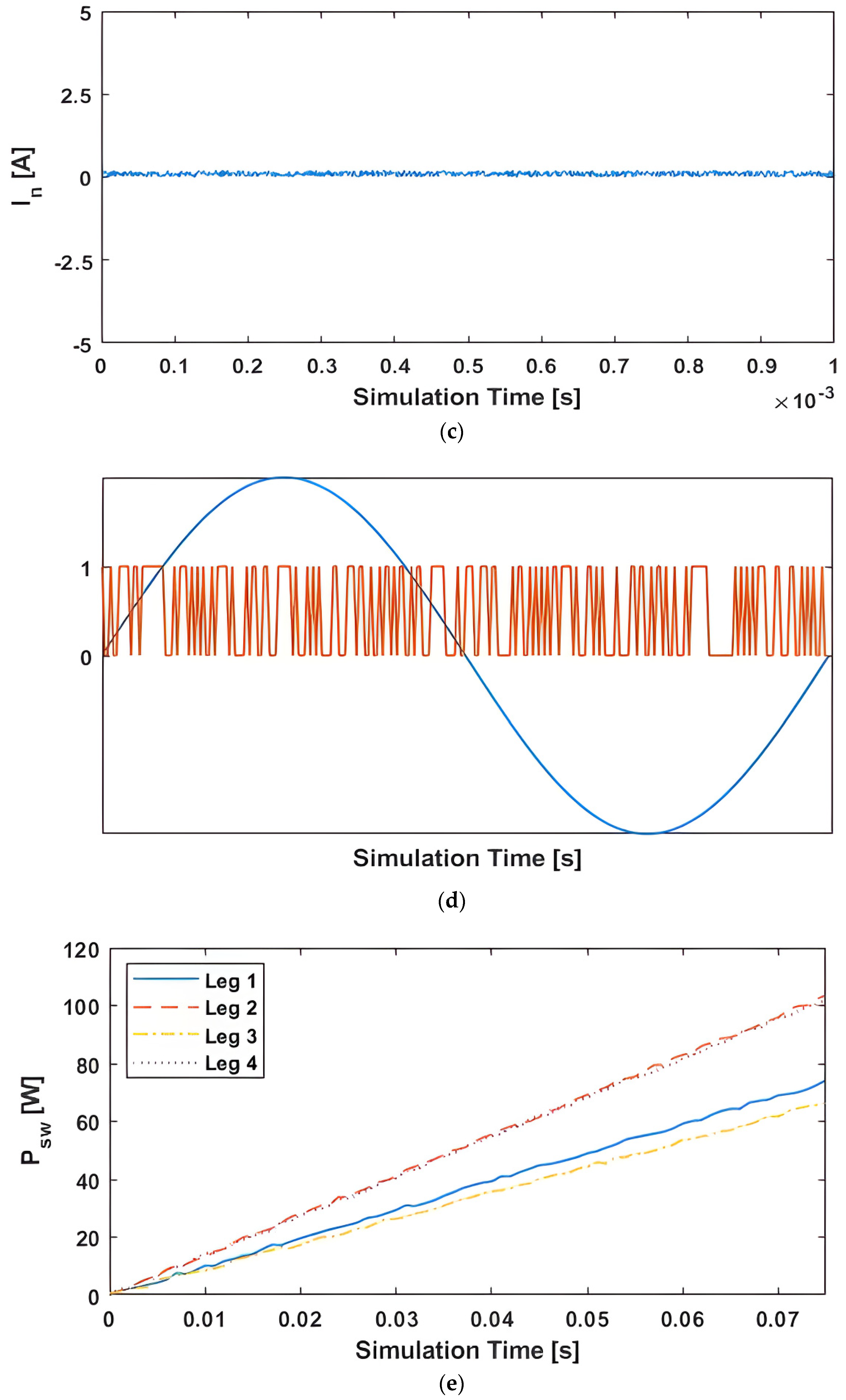
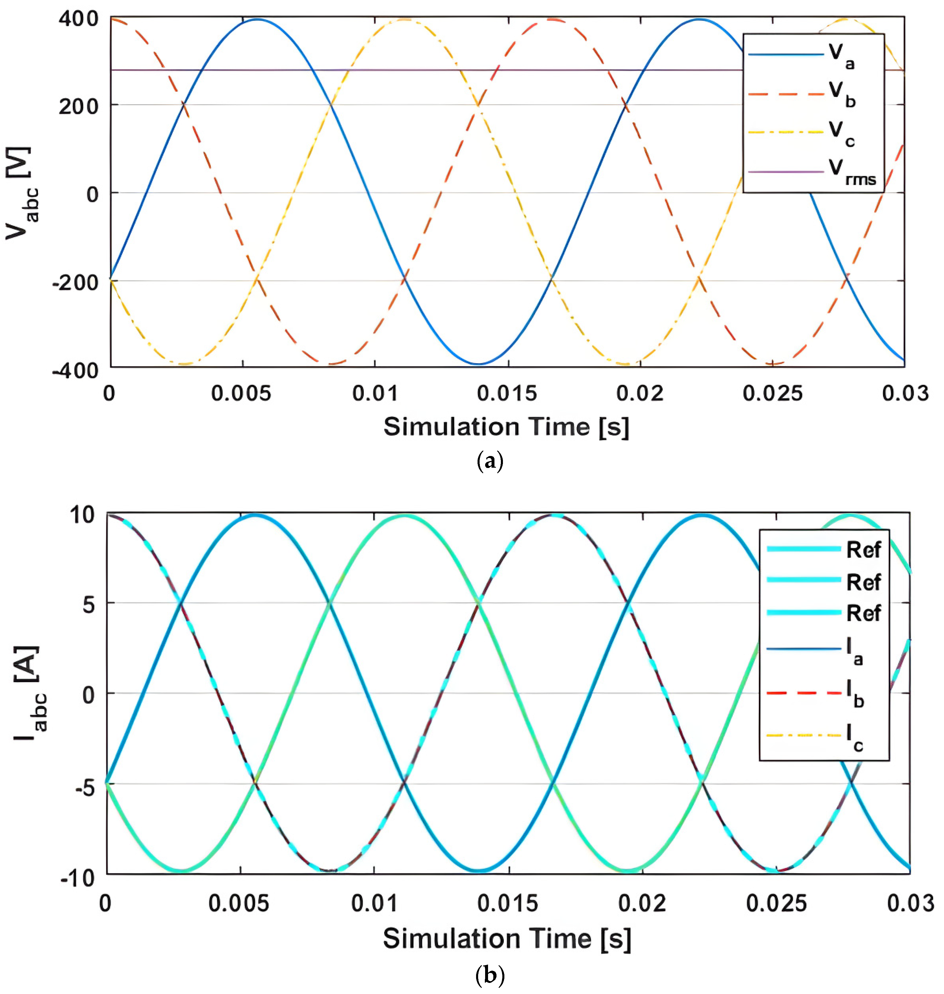
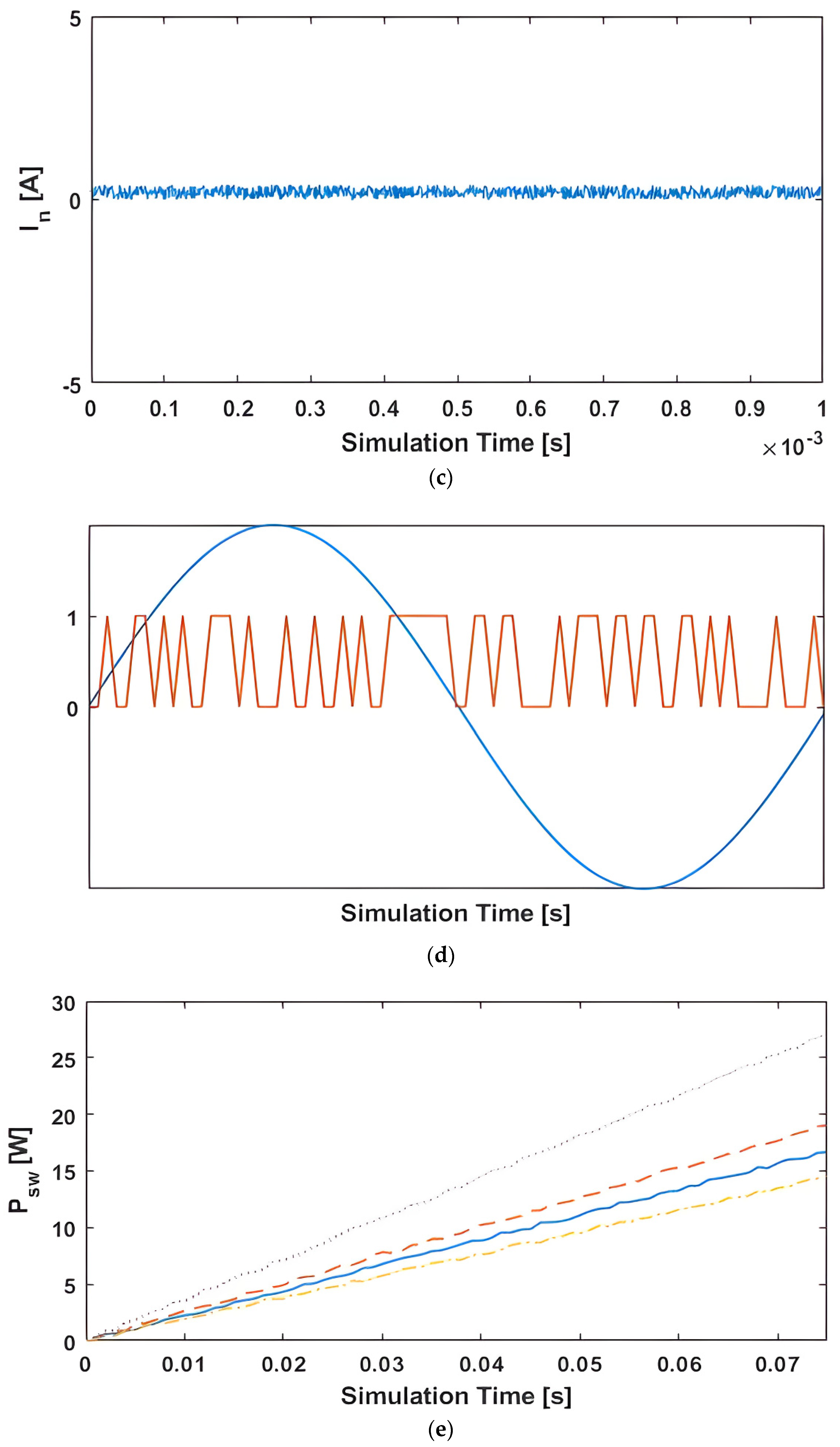
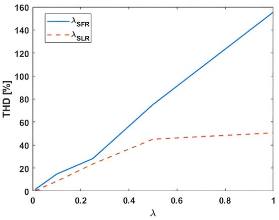
3. Results and Discussions
4. Conclusions
Author Contributions
Funding
Data Availability Statement
Conflicts of Interest
References
- The World Wind Energy Association “World Wind Energy Report 2009”. Available online: http://www.wwindea.org/home/images/stories/worldwindenergyreport2009_s.pdf (accessed on 5 July 2016).
- The National Renewable Energy Lab Report “2012 Renewable Energy Data Book”. Available online: http://www.nrel.gov/docs/fy14osti/60197.pdf (accessed on 3 June 2016).
- Xue, Y.; Chang, L.; Kjær, S.B.; Bordonau, J.; Shimizu, T. Topologies of Single-Phase Inverters for Small Distributed Power Generators: An Overview. IEEE Trans. Power Electron. 2004, 19, 1305–1314. [Google Scholar] [CrossRef]
- Kjaer, S.B.; Pedersen, J.K.; Blaabjerg, F. A Review of Single-Phase Grid-Connected Inverters for Photovoltaic Modules. IEEE Trans. Ind. Appl. 2005, 41, 1292–1306. [Google Scholar] [CrossRef]
- Mechouma, R.; Azoui, B.; Chaabane, M. Three-phase grid connected inverter for photovoltaic systems, a review. In Proceedings of the International Conference on Renewable Energies and Vehicular Technology, Nabeul, Tunisia, 26–28 March 2012. [Google Scholar]
- Ozkan, Z.; Hava, A.M. Three-phase inverter topologies for grid-connected photovoltaic systems. In Proceedings of the 2014 International Power Electronics Conference, Hiroshima, Japan, 18–21 May 2014. [Google Scholar]
- Zhou, K.; Low, K.; Wang, D.; Luo, F.; Zhang, B.; Wang, Y. Zero-phase odd-harmonic repetitive controller for a single-phase PWM inverter. IEEE Trans. Power Electron. 2006, 21, 193–201. [Google Scholar] [CrossRef]
- Zhang, K.; Kang, Y.; Xiong, J.; Chen, J. Direct repetitive control of SPWM inverter for UPS purpose. IEEE Trans. Power Electron. 2003, 18, 784–792. [Google Scholar] [CrossRef]
- Abrishamifar, A.; Ahmad, A.A.; Mohamadian, M. Fixed switching frequency sliding mode control for single-phase unipolar inverters. IEEE Trans. Power Electron. 2012, 27, 2507–2514. [Google Scholar] [CrossRef]
- Tai, T.L.; Chen, J.S. UPS inverter design using discrete time sliding mode control scheme. IEEE Trans. Ind. Electron. 2002, 49, 67–75. [Google Scholar]
- Fujii, T.; Yokoyama, T. FPGA based deadbeat control with disturbance compensator for single-phase PWM inverter. In Proceedings of the IEEE Power Electronics Specialists Conference, Jeju, Republic of Korea, 18–22 June 2006. [Google Scholar]
- Mattavelli, P. An improved deadbeat control for UPS using disturbance observers. IEEE Trans. Ind. Electron. 2005, 52, 206–212. [Google Scholar] [CrossRef]
- Monfared, M.; Golestan, S.; Guerrero, J.M. Analysis, Design, and Experimental Verification of a Synchronous Reference Frame Voltage Control for Single-Phase Inverters. IEEE Trans. Ind. Electron. 2014, 61, 258–269. [Google Scholar] [CrossRef]
- Oh, W.; Han, S.; Choi, S.; Moon, G. Three Phase Three-Level PWM Switched Voltage Source Inverter with Zero Neutral Point Potential. IEEE Trans. Power Electron. 2006, 21, 1320–1327. [Google Scholar] [CrossRef]
- Kaku, S.; Hashimoto, S.; Yoshida, K. PWM sinusoidal inverter with modulation switching and carrier frequency modulation. In Proceedings of the 1998 International Conference on Power Electronic Drives and Energy Systems for Industrial Growth, Perth, WA, Australia, 1–3 December 1998. [Google Scholar]
- Yuan, D.; Xu, G.; Hu, B.; Xiang, A.; Kong, J. Research on a novel SVPWM for three-phase VSI. In Proceedings of the IEEE Vehicle Power and Propulsion Conference, Harbin, China, 3–5 September 2008. [Google Scholar]
- Garcia, R.C.; Pinto, J.O.P. A New Simplified SVPWM Algorithm Based on Modified Carrier Signal. Rev. Controle Autom. 2011, 22, 545–557. [Google Scholar] [CrossRef]
- Zhang, W.; Yu, Y. Comparison of Three SVPWM Strategies. J. Electron. Sci. Technol. China 2007, 5, 283–287. [Google Scholar]
- Kim, J.-H.; Sul, S.-K. A carrier-based PWM method for three phase four-leg voltage source converters. IEEE Trans. Power Electron. 2004, 19, 66–75. [Google Scholar]
- Rivera, M.; Rodriguez, J.; Yaramasu, V.; Wu, B. A Simple Current Control Strategy for Two-Level Four-Leg Inverters: The Model Predictive Approach. In Proceedings of the 4th International Conference on Power Engineering, Energy and Electrical Drives, Istanbul, Turkey, 13–17 May 2013. [Google Scholar]
- Yaramasu, V.; Rivera, M.; Wu, B.; Rodriguez, J. Model predictive current control of two-level four-leg inverters-part i: Concept, algorithm, and simulation analysis. IEEE Trans. Power Electron. 2013, 28, 459–3468. [Google Scholar] [CrossRef]
- Calle-Prado, A.; Alepuz, S.; Bordonau, J.; Nicolas-Apruzzese, J.; Cortes, P.; Rodriguez, J. Model predictive current control of grid-connected neutral-point-clamped converters to meet low-voltage ride-through requirements. IEEE Trans. Ind. Electron. 2015, 62, 1503–1514. [Google Scholar] [CrossRef]
- Yaramasu, V.; Wu, B.; Alepuz, S.; Kouro, S. Predictive control for low-voltage ride-through enhancement of three-level-boost and npc converter-based pmsg wind turbine. IEEE Trans. Ind. Electron. 2014, 61, 6832–6843. [Google Scholar] [CrossRef]
- Correa, P.; Rodriguez, J.; Lizama, I.; Andler, D. A predictive control scheme for current-source rectifiers. In Proceedings of the 2008 13th International Power Electronics and Motion Control Conference, Poznan, Poland, 1–3 September 2008. [Google Scholar]
- Rivera, M.; Rodriguez, J.; Wu, B.; Espinoza, J.; Rojas, C. Current control for an indirect matrix converter with filter resonance mitigation. IEEE Trans. Ind. Electron. 2012, 59, 71–79. [Google Scholar] [CrossRef]
- Correa, P.; Pacas, M.; Rodriguez, J. Predictive torque control for inverter-fed induction machines. IEEE Trans. Ind. Electron. 2007, 54, 1073–1079. [Google Scholar] [CrossRef]
- Xie, L.; Ilie, M.D. Model Predictive Dispatch in Electric Energy Systems with Intermittent Resources. In Proceedings of the 2008 IEEE International Conference on Systems, Man and Cybernetics, Singapore, 12–15 October 2008. [Google Scholar]
- Perez, E.; Beltran, H.; Aparicio, N.; Rodriquez, P. Predictive Power Control for PV Plants with Energy Storage. IEEE Trans. Sustain. Energy 2013, 4, 482–490. [Google Scholar] [CrossRef]
- Hu, J.; Zhu, J.; Guerrero, J.M. Model predictive control in next microgrid control architectures. In Proceedings of the 17th International Conference on Electrical Machines and Systems, Hangzhou, China, 22–25 October 2014. [Google Scholar]
- Morari, M.; Lee, J.H. Model predictive control: Past, present and future. Comput. Chem. Eng. 1999, 23, 667–682. [Google Scholar] [CrossRef]
- Rodríguez, J.; Pontt, C.S.; Correa, P.; Lezana, P.; Cortés, P.; Ammann, U. Predictive current control of a voltage source inverter. IEEE Trans. Ind. Electron. 2007, 54, 495–503. [Google Scholar] [CrossRef]
- Vazquez, S.; Leon, J.I.; Franquelo, L.G.; Rodriguez, J.; Young, H.A.; Marquez, B.; Zachetta, P. Model Predictive Control: A Review of Its Applications in Power Electronics. Ind. Electron. Mag. 2014, 8, 16–31. [Google Scholar] [CrossRef]
- Syed, I.M.; Raahemifar, K. Space Vector PWM and Model Predictive Control for Voltage Source Inverter Control. Int. J. Electr. Comput. Electron. Commun. Eng. 2014, 8, 1562–1568. [Google Scholar]
- Ayad, A.F.; Kennel, R.M. Model Predictive Controller for Grid-Connected Photovoltaic based on Quasi-Z-Source Inverter. In Proceedings of the IEEE International Symposium on Sensor-less Control for Electrical Drives and Predictive Control of Electrical Drives and Power Electronics, Munich, Germany, 17–19 October 2013. [Google Scholar]
- Syed, I.M.; Raahemifar, K. Model Predictive Control of Single Phase Inverter for PV System. Int. J. Electr. Comput. Electron. Commun. Eng. 2014, 8, 1618–1623. [Google Scholar]
- Mosa, M.; Abu-Rub, H.; Ahmed, M.E.; Kouzoul, A.; Rodríguez, J. Control of Single Phase Grid Connected Multilevel Inverter Using Model Predictive Control. In Proceedings of the 4th International Conference on Power Engineering, Energy and Electrical Drives, Istanbul, Turkey, 13–17 May 2013. [Google Scholar]
- Hu, J.; Cheng, K.W.E. Predictive Control of Power Electronics Converters in Renewable Energy Systems. Energies 2017, 10, 515. [Google Scholar] [CrossRef]
- Moghadasi, A.; Sargolzaie, A.; Khalilnejad, A.; Moghaddami, M.; Sarwat, A. Model Predictive Power Control Approach for Three-Phase Single-Stage Grid-Tied PV Module-Integrated Converter. In Proceedings of the IEEE Industrial Application Society Annual Meeting, Portland, OR, USA, 2–6 October 2016. [Google Scholar]
- Hu, J.; Zhu, J.; Dorrell, D.G. Model-Predictive Control of Grid-Connected Inverters for PV Systems with Flexible Power Regulation and Switching Frequency Reduction. In Proceedings of the IEEE Conference on Energy Conversion Congress and Exposition, Denver, CO, USA, 15–19 September 2013. [Google Scholar]
- Rodriguez, J.; Wu, B.; Revera, M.; Rojas, C.; Yaramasu, V.; Wilson, A. Predictive Current Control of Three-Phase Two-Level Four-Leg Inverter. In Proceedings of the 14th International Power Electronics and Motion Control Conference, Ohrid, Macedonia, 6–8 September 2010. [Google Scholar]
- Yaramasu, V.; Wu, B. Predictive Control of a Three-Level Boost Converter and an NPC Inverter for High-Power PMSG-Based Medium Voltage Wind Energy Conversion Systems. IEEE Trans. Power 2014, 29, 5308–5322. [Google Scholar] [CrossRef]
- Kim, S.; Park, S.; Kwak, S. Simplified Model Predictive Control Method for Three-Phase Four-Leg Voltage Source Inverters. J. Power Electron. 2016, 16, 2231–2242. [Google Scholar] [CrossRef]
- Omar, R.G.; Thejel, R.H. Finite Control Set Model Predictive Current Control MPC Based on Cost Function Optimization, with Current Limit Constraints for Four-Leg VSI. Iraqi J. Electr. Electron. Eng. 2016, 12, 43–53. [Google Scholar] [CrossRef]
- 60kW Inverter Model—SG 60KU. Available online: http://en.sungrowpower.com/ (accessed on 17 October 2017).
- 25 kW Inverter Model—Conext CL-25 NA. Available online: https://solar.schneider-electric.com/product/conext-cl-na-solar-inverter/ (accessed on 28 December 2017).
- STGW30NC120HD N-Channel 1200V-30A-O-247 IGBT Datasheet STMicroelectronics group of companies. Available online: https://www.st.com/resource/en/datasheet/stgw30nc120hd.pdf (accessed on 8 March 2023).
- Ivakhno, V.; Zamaruiev, V.; Ilina, O. Estimation of Semiconductor Switching Losses under Hard Switching using MATLAB/Simulink Subsystem. Electr. Control Commun. Eng. 2013, 2, 20–26. [Google Scholar] [CrossRef]
- Rajapakse, A.D.; Wilson, P.L. Approximate Loss Formulae for Estimation of IGBT Switching Losses through EMTP-type Simulations. In Proceedings of the International Conference on Power Systems Transients, Montreal, QC, Canada, 19–23 June 2005. [Google Scholar]











| Switches | Voltage | Vector | |||||
|---|---|---|---|---|---|---|---|
| SA | SB | SC | Sn | VAn | VBn | VCn | Vx |
| n | n | n | n | 0 | 0 | 0 | V0 |
| n | n | n | p | −V | −V | −V | V1 |
| n | n | p | n | 0 | 0 | V | V2 |
| n | n | p | p | −V | −V | 0 | V3 |
| n | p | n | n | 0 | V | 0 | V4 |
| n | p | n | p | −V | 0 | −V | V5 |
| n | p | p | n | 0 | V | V | V6 |
| n | p | p | p | −V | 0 | 0 | V7 |
| p | n | n | n | V | 0 | 0 | V8 |
| p | n | n | p | 0 | −V | −V | V9 |
| p | n | p | n | V | 0 | V | V10 |
| p | n | p | p | 0 | −V | 0 | V11 |
| p | p | n | n | V | V | 0 | V12 |
| p | p | n | p | 0 | 0 | −V | V13 |
| p | p | p | n | V | V | V | V14 |
| p | p | p | p | 0 | 0 | 0 | V15 |
| Parameters | Values |
|---|---|
| R | 5 Ω |
| L | 10 m H |
| VLn | 277 V |
| f | 60 Hz |
| Ts | 1 μ sec |
| VDC | ≥√2 VLn V |
| I | 10 A |
| Simulation Time | 0.075 s |
| Performance Metric | Mode I | Mode II | Mode III | Mode IV |
|---|---|---|---|---|
| THD for current (%) | 0.06 | 2.11 | 0.89 | 1.84 |
| Number of switch flips | 13,488 | 3159 | 9195 | 2090 |
| Power loss | 431.6 | 101.19 | 345.98 | 77.39 |
| THD @ λSFR | THD @ λSLR | ||
|---|---|---|---|
| λSFR | THD (%) | λSLR | THD (%) |
| 0.01 | 1.44 | 0.01 | 0.65 |
| 0.025 | 3.55 | 0.025 | 1.35 |
| 0.05 | 7.3 | 0.05 | 4 |
| 0.1 | 14.79 | 0.1 | 8.54 |
| 0.25 | 38.23 | 0.25 | 23.55 |
| 0.5 | 75.19 | 0.5 | 45.12 |
| 1 | 155.49 | 1 | 50.61 |
Disclaimer/Publisher’s Note: The statements, opinions and data contained in all publications are solely those of the individual author(s) and contributor(s) and not of MDPI and/or the editor(s). MDPI and/or the editor(s) disclaim responsibility for any injury to people or property resulting from any ideas, methods, instructions or products referred to in the content. |
© 2023 by the authors. Licensee MDPI, Basel, Switzerland. This article is an open access article distributed under the terms and conditions of the Creative Commons Attribution (CC BY) license (https://creativecommons.org/licenses/by/4.0/).
Share and Cite
Fayyaz, M.M.; Syed, I.M.; Meng, Y.; Aman, M.N. Comprehensive Predictive Control Model for a Three-Phase Four-Legged Inverter. Energies 2023, 16, 2650. https://doi.org/10.3390/en16062650
Fayyaz MM, Syed IM, Meng Y, Aman MN. Comprehensive Predictive Control Model for a Three-Phase Four-Legged Inverter. Energies. 2023; 16(6):2650. https://doi.org/10.3390/en16062650
Chicago/Turabian StyleFayyaz, Muhammad M., Irtaza M. Syed, Yi Meng, and Muhammad N. Aman. 2023. "Comprehensive Predictive Control Model for a Three-Phase Four-Legged Inverter" Energies 16, no. 6: 2650. https://doi.org/10.3390/en16062650
APA StyleFayyaz, M. M., Syed, I. M., Meng, Y., & Aman, M. N. (2023). Comprehensive Predictive Control Model for a Three-Phase Four-Legged Inverter. Energies, 16(6), 2650. https://doi.org/10.3390/en16062650

