Distribution Network Reconfiguration Based on Hybrid Golden Flower Algorithm for Smart Cities Evolution
Abstract
1. Introduction
2. Related Works
3. Problem Formulation
3.1. Objective Function
- is the power loss and
- is the objective function.
- is the distribution network’s total number of branches,
- is the voltage magnitude at bus,
- is the active power load at bus,
- is the reactive power load at bus, and
- is the resistance of the branch, respectively.
3.2. Power System Constraints
3.2.1. Feeder Capacity Limits
3.2.2. Bus Voltage Limits
- is the maximum voltage of the bus, and
- is the minimum voltage of the bus, respectively.
3.2.3. Real and Reactive Power Balance
- is the active PL in the branch,
- is the reactive PL in the branch,
- is the real power load demand of the bus,
- is the reactive power load demand of the bus,
- is the real power output of the DG unit,
- is the reactive power output of the DG unit,
- is the real power provided from the slack bus,
- is the reactive power provided from the slack bus,
- is the total number. of buses in the DN, and
- is the total number of DG units in the PS, respectively.
3.2.4. Radial Configuration Constraint
- is the total number of tie switches in the DN,
- is the total number of lines in the loop network, and
- is the total number of lines in the RDS.
4. Proposed Methodology
4.1. Flower Pollination Algorithm
- is the levy flight step size, which is correlated with pollination strength,
- is the scaling factor used to regulate step size,
- is the current best solution,
- is the pollen I or solution vector, X − I, at iteration T,
- is the pollen I or solution vector, X − I, at iteration T + 1.
- and are the various flowers of the same plant varieties, and
- is the scaling factor for controlling the step size.
| Algorithm 1: Pseudocode of the FPA |
| objective MIN function initialize population find the best solution define a switch probability while (t > max generation) for I = 1 : N if random > p, draw a step vector L using levy distribution global pollination-based Equation (9) or else draw uniform distribution local pollination-based Equation (11) end if compute new solutions if new solutions are best, carry out an updating process end for compute the current best solution end while output the best solution |
4.2. Golden Search Algorithm
- and are boundaries at unimodal optimization curve,
- is a golden ratio.
4.3. Hybrid Golden Flower Pollination Algorithm
5. Results and Discussion
- Scenario 1: bus fault (BF)
- Scenario 2: line fault (LF)
- Scenario 3: bus and line fault (BLF)
5.1. Validation Studies on IEEE Systems
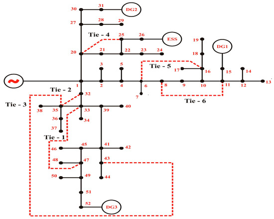
5.2. Validation Studies on Practical Indian Smart City Network
6. Conclusions
Author Contributions
Funding
Data Availability Statement
Acknowledgments
Conflicts of Interest
Nomenclature
| ABC | Artificial bee colony |
| ACO | Ant colony optimization |
| BF | Bus fault |
| CFPA | Chaos-enhanced flower pollination algorithm |
| CGFA | Chaotic golden flower algorithm |
| CGSA | Chaotic golden search algorithm |
| CSA | Cuckoo search algorithm |
| DA | Dragonfly algorithm |
| DG | Distributed generation |
| D-FACTS | Distributed-flexible AC transmission |
| DN | Distribution network |
| DNR | Distribution network reconfiguration |
| ESS | Energy Storage System |
| FPA | Flower pollination algorithm |
| GA | Genetic algorithm |
| GSFA | Golden-search-based flower algorithm |
| GS | Gravitational search |
| GSA | Golden search algorithm |
| HSA | Harmony search algorithm |
| ICT | Information and communication technology |
| IHSA | Improved harmony search algorithm |
| LBF | Line and bus fault |
| LF | Line fault |
| MFA | Modified fireworks algorithm |
| MO | Metaheuristic optimization |
| NC | Normally closed |
| NO | Normally open |
| PL | Power loss |
| PS | Power system |
| PSO | Particle swarm optimization |
| PV | Photovoltaic |
| RDS | Radial distribution system |
| SC | Smart city |
| TLBO | Teaching Learning-based optimization |
References
- Taleski, R.; Rajicic, D. Distribution Network Reconfiguration for Energy Loss Reduction. IEEE Power Eng. Rev. 1997, 17, 68–69. [Google Scholar] [CrossRef]
- Dekhandji, F.Z.; Baali, H.; Recioui, A. Optimal Placement of DGs in the Distribution Networks Using an Analytical Approach. In Proceedings of the 2022 13th International Renewable Energy Congress (IREC), Hammamet, Tunisia, 13–15 December 2022; pp. 1–6. [Google Scholar]
- Muthukumar, K.; Jayalalitha, S.; Sureshkumar, K.; Sakthivel, A.; Balamurugan, K.; Ramasamy, M. Application of Hybrid Heuristic Technique for Optimal Shunt Capacitors Planning Problem in Radial Distribution Network. Soft Comput. 2019, 23, 11227–11245. [Google Scholar] [CrossRef]
- Nazari, M.H.; Khodadadi, A.; Lorestani, A.; Hosseinian, S.H.; Gharehpetian, G.B. Optimal Multi-Objective D-STATCOM Placement Using MOGA for THD Mitigation and Cost Minimization. J. Intell. Fuzzy Syst. 2018, 35, 2339–2348. [Google Scholar] [CrossRef]
- Sabouhi, H.; Doroudi, A.; Fotuhi-Firuzabad, M.; Bashiri, M. Electricity Distribution Grids Resilience Enhancement by Network Reconfiguration. Int. Trans. Electr. Energy Syst. 2021, 31, e13047. [Google Scholar] [CrossRef]
- Chenniappan, M.; Gnanavel, D.; Gunasekaran, K.P.; Rajalakshmi, R.R.; Ramya, A.S.; Stonier, A.A.; Peter, G.; Ganji, V. Prediction of Fault Occurrences in Smart City Water Distribution System Using Time-Series Forecasting Algorithm. Math Probl. Eng. 2022, 2022, 9678769. [Google Scholar] [CrossRef]
- Wang, H.; Wang, S.; Yu, L.; Hu, P. A Novel Planning-attack-reconfiguration Method for Enhancing Resilience of Distribution Systems Considering the Whole Process of Resiliency. Int. Trans. Electr. Energy Syst. 2020, 30, e12199. [Google Scholar] [CrossRef]
- Aydin, I.; Karakose, M.; Karakose, E. A Navigation and Reservation Based Smart Parking Platform Using Genetic Optimization for Smart Cities. In Proceedings of the ICSG 2017 5th International Istanbul Smart Grids and Cities Congress and Fair, Istanbul, Turkey, 19–21 April 2017; pp. 120–124. [Google Scholar] [CrossRef]
- Choi, B.Y.; Moon, S.J.; Pyeon, M.W.; Koo, J.H. Implementation of Smart Green City in Response to Climate Change-With Focus on the Reference Case of the Ministry of Land, Transport Amp; Maritime Affairs of Korea. In Proceedings of the 2012 14th International Conference on Advanced Communication Technology (ICACT), PyeongChang, Republic of Korea, 19–22 February 2012; pp. 331–335. [Google Scholar]
- Yilmaz, M.; Krein, P.T. Review of Battery Charger Topologies, Charging Power Levels, and Infrastructure for Plug-in Electric and Hybrid Vehicles. IEEE Trans. Power Electron. 2013, 28, 2151–2169. [Google Scholar] [CrossRef]
- Kanchev, H.; Lu, D.; Colas, F.; Lazarov, V.; Francois, B. Energy Management and Operational Planning of a Microgrid with a PV-Based Active Generator for Smart Grid Applications. IEEE Trans. Ind. Electron. 2011, 58, 4583–4592. [Google Scholar] [CrossRef]
- Chen, Z.; Guerrero, J.M.; Blaabjerg, F. A Review of the State of the Art of Power Electronics for Wind Turbines. IEEE Trans. Power Electron. 2009, 24, 1859–1875. [Google Scholar] [CrossRef]
- Rajagopalan, A.; Swaminathan, D.; Alharbi, M.; Sengan, S.; Montoya, O.D.; El-Shafai, W.; Fouda, M.M.; Aly, M.H. Modernized Planning of Smart Grid Based on Distributed Power Generations and Energy Storage Systems Using Soft Computing Methods. Energies 2022, 15, 8889. [Google Scholar] [CrossRef]
- Subramanian, G.G.; Alexander Stonier, A.; Peter, G.; Ganji, V. Application of Flower Pollination Algorithm for Solving Complex Large-Scale Power System Restoration Problem Using PDFF Controllers. Complexity 2022, 2022, 7157524. [Google Scholar] [CrossRef]
- Bagheri, A.; Bagheri, M.; Lorestani, A. Optimal Reconfiguration and DG Integration in Distribution Networks Considering Switching Actions Costs Using Tabu Search Algorithm. J Ambient Intell Hum. Comput 2021, 12, 7837–7856. [Google Scholar] [CrossRef]
- Dhivya, S.; Arul, R.; Ramesh, S.; Kasinathan, P. An Efficient Energy Utilization Analysis Using Novel Chess Optimization Algorithm. Ann. Rom. Soc. Cell Biol. 2020, 24, 19–34. [Google Scholar]
- Abdelaziz, M. Distribution Network Reconfiguration Using a Genetic Algorithm with Varying Population Size. Electr. Power Syst. Res. 2017, 142, 9–11. [Google Scholar] [CrossRef]
- Essallah, S.; Khedher, A. Optimization of Distribution System Operation by Network Reconfiguration and DG Integration Using MPSO Algorithm. Renew. Energy Focus 2020, 34, 37–46. [Google Scholar] [CrossRef]
- Su, C.T.; Chang, C.F.; Chiou, J.P. Distribution Network Reconfiguration for Loss Reduction by Ant Colony Search Algorithm. Electr. Power Syst. Res. 2005, 75, 190–199. [Google Scholar] [CrossRef]
- Thunuguntla, V.K.; Injeti, S.K. Ɛ-Constraint Multiobjective Approach for Optimal Network Reconfiguration and Optimal Allocation of DGs in Radial Distribution Systems Using the Butterfly Optimizer. Int. Trans. Electr. Energy Syst. 2020, 30, e12613. [Google Scholar] [CrossRef]
- Narimani, M.R.; Vahed, A.A.; Azizipanah-Abarghooee, R.; Javidsharifi, M. Enhanced Gravitational Search Algorithm for Multi-Objective Distribution Feeder Reconfiguration Considering Reliability, Loss and Operational Cost. IET Gener. Transm. Distrib. 2014, 8, 55–69. [Google Scholar] [CrossRef]
- Nguyen, T.; Truong, V.; Tuấn, P. A Novel Method Based on Adaptive Cuckoo Search for Optimal Network Reconfiguration and Distributed Generation Allocation in Distribution Network. Int. J. Electr. Power Energy Syst. 2016, 78, 801–815. [Google Scholar] [CrossRef]
- Kumar, D.H.; Babu, P.S.; Lalitha, M.P. Distribution System Network Reconfiguration by Using Artificial Bee Colony Algorithm. IOSR J. Electr. Electron. Eng. 2014, 9, 48–52. [Google Scholar] [CrossRef]
- Lotfipour, A.; Afrakhte, H. A Discrete Teaching-Learning-Based Optimization Algorithm to Solve Distribution System Reconfiguration in Presence of Distributed Generation. Int. J. Electr. Power Energy Syst. 2016, 82, 264–273. [Google Scholar] [CrossRef]
- Swaminathan, D.; Rajagopalan, A. Multi-Objective Golden Flower Optimization Algorithm for Sustainable Reconfiguration of Power Distribution Network with Decentralized Generation. Axioms 2023, 12, 70. [Google Scholar] [CrossRef]
- Lorestani, A.; Ardehali, M.M. Optimal Integration of Renewable Energy Sources for Autonomous Tri-Generation Combined Cooling, Heating and Power System Based on Evolutionary Particle Swarm Optimization Algorithm. Energy 2018, 145, 839–855. [Google Scholar] [CrossRef]
- Flaih, F.M.F.; Lin, X.; Dawoud, S.M.; Mohammed, M.A. Distribution System Reconfiguration for Power Loss Minimization and Voltage Profile Improvement Using Modified Particle Swarm Optimization. In Proceedings of the 2016 IEEE PES Asia-Pacific Power and Energy Engineering Conference (APPEEC), Xi’an, China, 25–28 October 2016; pp. 120–124. [Google Scholar] [CrossRef]
- Duan, D.L.; Ling, X.D.; Wu, X.Y.; Zhong, B. Reconfiguration of Distribution Network for Loss Reduction and Reliability Improvement Based on an Enhanced Genetic Algorithm. Int. J. Electr. Power Energy Syst. 2015, 64, 88–95. [Google Scholar] [CrossRef]
- Khetrapal, P. Distribution Network Reconfiguration of Radial Distribution Systems for Power Loss Minimization Using Improved Harmony Search Algorithm. Int. J. Electr. Eng. Inform. 2020, 12, 341–358. [Google Scholar] [CrossRef]
- Rahiminejad, A.; Hosseinian, S.H.; Vahidi, B.; Shahrooyan, S. Simultaneous Distributed Generation Placement, Capacitor Placement, and Reconfiguration Using a Modified Teaching-Learning-Based Optimization Algorithm. Electr. Power Compon. Syst. 2016, 44, 1631–1644. [Google Scholar] [CrossRef]
- Namachivayam, G.; Sankaralingam, C.; Perumal, S.K.; Devanathan, S.T. Reconfiguration and Capacitor Placement of Radial Distribution Systems by Modified Flower Pollination Algorithm. Electr. Power Compon. Syst. 2016, 44, 1492–1502. [Google Scholar] [CrossRef]
- Mohammadian, M.; Lorestani, A.; Ardehali, M.M. Optimization of Single and Multi-Areas Economic Dispatch Problems Based on Evolutionary Particle Swarm Optimization Algorithm. Energy 2018, 161, 710–724. [Google Scholar] [CrossRef]
- Quadri, I.A.; Bhowmick, S. A Hybrid Technique for Simultaneous Network Reconfiguration and Optimal Placement of Distributed Generation Resources. Soft Comput. 2020, 24, 11315–11336. [Google Scholar] [CrossRef]
- Heidari, M.A. Optimal Network Reconfiguration in Distribution System for Loss Reduction and Voltage-Profile Improvement Using Hybrid Algorithm of PSO and ACO. CIRED Open Access Proc. J. 2017, 2017, 2458–2461. [Google Scholar] [CrossRef]
- Kahouli, O.; Alsaif, H.; Bouteraa, Y.; Ben Ali, N.; Chaabene, M. Power System Reconfiguration in Distribution Network for Improving Reliability Using Genetic Algorithm and Particle Swarm Optimization. Appl. Sci. 2021, 11, 3092. [Google Scholar] [CrossRef]
- Amini, S.; Ghasemi, S.; Moshtagh, J. Distribution Feeder Reconfiguration Using PSOGSA Algrotim in Presence of Distribution Generation Based on a Fuzzy Approach. Comput. Intell. Electr. Eng. 2021, 12, 73–86. [Google Scholar]
- Pandya, K.S.; Joshi, S.K. CHAOS Enhanced Flower Pollination Algorithm for Optimal Scheduling of Distributed Energy Resources in Smart Grid. In Proceedings of the 2018 IEEE Innovative Smart Grid Technologies-Asia (ISGT Asia), Singapore, 22–25 May 2018; pp. 705–709. [Google Scholar]
- Swaminathan, D.; Rajagopalan, A. Optimized Network Reconfiguration with Integrated Generation Using Tangent Golden Flower Algorithm. Energies 2022, 15, 8158. [Google Scholar] [CrossRef]
- Dharageshwari, K. Distributed Generations in IEEE 33 Bus Radial System Using Simulated Annealing. In Proceedings of the 2015 International Conference on Circuits, Power and Computing Technologies [ICCPCT-2015], Nagercoil, India, 19–20 March 2015. [Google Scholar]
- Prakash, D.B.; Lakshminarayana, C. Multiple DG Placements in Distribution System for Power Loss Reduction Using PSO Algorithm. Procedia Technol. 2016, 25, 785–792. [Google Scholar] [CrossRef]
- Devabalaji, K.R.; Ravi, K. Optimal Size and Siting of Multiple DG and DSTATCOM in Radial Distribution System Using Bacterial Foraging Optimization Algorithm. Ain Shams Eng. J. 2016, 7, 959–971. [Google Scholar] [CrossRef]
- Sabarinath, G.; Gowri, T. Manohar Optimal Sitting and Sizing of Distributed Generation Units in an Indian Practical Distribution System Using Bird Swarm Algorithm. Int. J. Intell. Syst. Appl. 2019, 10, 54–64. [Google Scholar]
- Rezaee Jordehi, A. Particle Swarm Optimisation with Opposition Learning-Based Strategy: An Efficient Optimisation Algorithm for Day-Ahead Scheduling and Reconfiguration in Active Distribution Systems. Soft Comput. 2020, 24, 18573–18590. [Google Scholar] [CrossRef]
- Nguyen, T.T. A Novel Metaheuristic Method Based on Artificial Ecosystem-Based Optimization for Optimization of Network Reconfiguration to Reduce Power Loss. Soft Comput. 2021, 25, 14729–14740. [Google Scholar] [CrossRef]
- Routray, A.; Mistry, K.D.; Arya, S.R. Power Loss Minimization in Radial Distribution Systems with Obstructed Solar Astronomical Model and Temperature Effect Using Grey Wolf Optimization Technique. Energy Sources Part A Recovery Util. Environ. Eff. 2020, 1–20. [Google Scholar] [CrossRef]
- Yang, X.-S. Flower Pollination Algorithm for Global Optimization. In Unconventional Computation and Natural Computation; Springer: Berlin/Heidelberg, Germany, 2012; pp. 240–249. [Google Scholar]
- Chen, Y.; Pi, D. An Innovative Flower Pollination Algorithm for Continuous Optimization Problem. Appl. Math Model 2020, 83, 237–265. [Google Scholar] [CrossRef]
- Mahendran, G.; Govindaraju, C. Flower Pollination Algorithm for Distribution System Phase Balancing Considering Variable Demand. Microprocess Microsyst. 2020, 74, 103008. [Google Scholar] [CrossRef]
- Koupaei, J.A.; Hosseini, S.M.M.; Ghaini, F.M.M. A New Optimization Algorithm Based on Chaotic Maps and Golden Section Search Method. Eng. Appl. Artif Intell. 2016, 50, 201–214. [Google Scholar] [CrossRef]
- Kalra, M.; Katyal, S.; Singh, R. A Tent Map and Logistic Map Based Approach for Chaos-Based Image Encryption and Decryption. In Innovations in Computer Science and Engineering; Springer: Berlin/Heidelberg, Germany, 2019; pp. 159–165. [Google Scholar]















| Algorithms | Objectives | Merits | Demerits |
|---|---|---|---|
| Evolutionary PSO [26,32] | Cost minimization | Segregation of different DN scenarios has been validated in a proper manner. | Computational burden seems to be greater. |
| Modified PSO [27] | Loss minimization | Simplified modelling of constraints is considered. | Power balance limits are missing. |
| Enhanced GA [28] | Loss minimization | DNR cope with meshed conditions. | Short-circuit consequences might be present. |
| Improved HSA [29] | Loss minimization | Larger systems could be managed with this method. | The iterative method looks to be complex. |
| Modified TLBO [30] | Benefit maximization | Bus injection to branch current matrix formulation has been formulated clearly. | However, the computation method requires more memory space. |
| Fuzzy FPA [31] | Loss minimization | Switching probability is made to be adaptive. | Local trapping of solution might occur. |
| Scenario 1 | Scenario 2 | Scenario 3 | |
|---|---|---|---|
| IEEE 33 | Bus 29 | Line 19 | Bus 29 and Line 19 |
| IEEE 69 | Bus 60 | Line 33 | Bus 60 and Line 33 |
| IEEE 119 | Bus 50 | Line 23 | Bus 50 and Line 23 |
| Indian 52 | Bus 27 | Line 16 | Bus 27 and Line 16 |
| S. No | Description | Notation | Value |
|---|---|---|---|
| 1 | Maximum number of iterations | Niter | 1000 |
| 2 | Golden ratio | C | 0.618 |
| 3 | Probability switch | P | 0.8 |
| 4 | Population | Ns | 60 |
| Bus System | Base kV | Base MVA | Tie Switches | Bus Locations for DG | Bus Location for ESS | DG Power (kW) | ESS Power (kW) | Base Case Power Loss(kW) |
|---|---|---|---|---|---|---|---|---|
| IEEE 33 | 12.66 | 100 | 5 | 22, 25, 33 | 18 | 10, 20, 30 | 30 | 284.2052 |
| IEEE 69 | 12.66 | 100 | 5 | 35, 46, 65 | 27 | 10, 20, 30 | 30 | 225.5454 |
| IEEE 119 | 11 | 100 | 15 | 28, 78, 114 | 55 | 10, 20, 30 | 30 | 1661.4 |
| Indian 52 | 11 | 1 | 6 | 15, 31, 52 | 26 | 10, 20, 30 | 30 | 434.7279 |
| Description | Performance | Scenario 1 | Scenario 2 | Scenario 3 |
|---|---|---|---|---|
| Optimal switch connections | 6–28, 17–26, 20–14, 18–23, 27–2 | 6–21, 10–27, 16–26, 11–5, 17–12 | 11–12, 22–14, 16–15, 13–9, 21–17 | |
| FPA | Best PL (kW) | 251.9702 | 282.9817 | 251.8790 |
| CFPA | 251.9781 | 281.9715 | 251.8650 | |
| GSFA | 251.9755 | 282.8092 | 251.8836 | |
| CGFA | 251.8613 | 281.5402 | 251.7712 | |
| FPA | Worst | 252.3170 | 283.0750 | 252.2258 |
| CFPA | 252.3001 | 283.0500 | 252.1845 | |
| GSFA | 252.2170 | 282.9750 | 252.1258 | |
| CGFA | 252.0752 | 282.7756 | 252.0756 | |
| FPA | Mean | 252.1384 | 282.9957 | 252.0472 |
| CFPA | 252.1234 | 282.8912 | 252.0231 | |
| GSFA | 252.0773 | 282.8424 | 251.9857 | |
| CGFA | 252.0631 | 282.7452 | 251.7812 | |
| FPA | Standard deviation | 0.0869 | 0.0342 | 0.0869 |
| CFPA | 0.0721 | 0.0332 | 0.0732 | |
| GSFA | 0.0105 | 0.0680 | 0.0105 | |
| CGFA | 0.0012 | 0.0054 | 0.0101 | |
| Tie | Scenario 1 | Scenario 2 | Scenario 3 |
|---|---|---|---|
| 1 | 49–58 | 107–22 | 20–39 |
| 2 | 62–118 | 24–105 | 29–62 |
| 3 | 98–53 | 43–56 | 22–91 |
| 4 | 30–40 | 110–89 | 65–106 |
| 5 | 114–14 | 26–5 | 21–68 |
| 6 | 56–60 | 47–66 | 51–119 |
| 7 | 91–104 | 7–45 | 110–92 |
| 8 | 11–66 | 8–41 | 47–27 |
| 9 | 2–73 | 64–87 | 78–93 |
| 10 | 67–16 | 68–70 | 77–44 |
| 11 | 27–69 | 3–94 | 115–19 |
| 12 | 44–88 | 75–67 | 89–90 |
| 13 | 106–113 | 29–49 | 8–117 |
| 14 | 61–82 | 72–117 | 79–113 |
| 15 | 38–89 | 60–13 | 73–105 |
| Description | Performance | Scenario 1 | Scenario 2 | Scenario 3 |
|---|---|---|---|---|
| Optimal switch connections | 45–40, 5–41, 36–16, 47–34, 10–31, 33–6 | 49–34, 15–42, 39–33, 5–23, 25–48, 6–40 | 33–52, 14–40, 5–3, 47–24, 45–10, 15–37 | |
| FPA | Best PL (kW) | 403.3059 | 427.9742 | 401.6888 |
| CFPA | 403.2012 | 427.8812 | 401.5564 | |
| GSFA | 402.8933 | 427.8438 | 401.2764 | |
| CGFA | 402.7712 | 426.2341 | 401.0012 | |
| FPA | Worst | 403.8846 | 428.6163 | 402.2675 |
| CFPA | 403.8512 | 428.4321 | 402.2512 | |
| GSFA | 402.8933 | 427.8438 | 401.2764 | |
| CGFA | 402.7765 | 427.5432 | 401.1234 | |
| FPA | Mean | 403.4506 | 428.2615 | 401.8335 |
| CFPA | 403.3432 | 428.1245 | 401.77654 | |
| GSFA | 403.3023 | 428.0792 | 401.6854 | |
| CGFA | 402.1123 | 427.1343 | 401.5462 | |
| FPA | Standard deviation | 0.2571 | 0.2724 | 0.2571 |
| CFPA | 0.2912 | 0.3242 | 0.1232 | |
| GSFA | 0.3852 | 0.3291 | 0.3850 | |
| CGFA | 0.01234 | 0.0321 | 0.04321 | |
Disclaimer/Publisher’s Note: The statements, opinions and data contained in all publications are solely those of the individual author(s) and contributor(s) and not of MDPI and/or the editor(s). MDPI and/or the editor(s) disclaim responsibility for any injury to people or property resulting from any ideas, methods, instructions or products referred to in the content. |
© 2023 by the authors. Licensee MDPI, Basel, Switzerland. This article is an open access article distributed under the terms and conditions of the Creative Commons Attribution (CC BY) license (https://creativecommons.org/licenses/by/4.0/).
Share and Cite
Swaminathan, D.; Rajagopalan, A.; Montoya, O.D.; Arul, S.; Grisales-Noreña, L.F. Distribution Network Reconfiguration Based on Hybrid Golden Flower Algorithm for Smart Cities Evolution. Energies 2023, 16, 2454. https://doi.org/10.3390/en16052454
Swaminathan D, Rajagopalan A, Montoya OD, Arul S, Grisales-Noreña LF. Distribution Network Reconfiguration Based on Hybrid Golden Flower Algorithm for Smart Cities Evolution. Energies. 2023; 16(5):2454. https://doi.org/10.3390/en16052454
Chicago/Turabian StyleSwaminathan, Dhivya, Arul Rajagopalan, Oscar Danilo Montoya, Savitha Arul, and Luis Fernando Grisales-Noreña. 2023. "Distribution Network Reconfiguration Based on Hybrid Golden Flower Algorithm for Smart Cities Evolution" Energies 16, no. 5: 2454. https://doi.org/10.3390/en16052454
APA StyleSwaminathan, D., Rajagopalan, A., Montoya, O. D., Arul, S., & Grisales-Noreña, L. F. (2023). Distribution Network Reconfiguration Based on Hybrid Golden Flower Algorithm for Smart Cities Evolution. Energies, 16(5), 2454. https://doi.org/10.3390/en16052454

