Next Article in Journal
Methodology for Modeling Multiple Non-Homogeneous Thermal Zones Using Lumped Parameters Technique and Graph Theory
Next Article in Special Issue
Extended Operating Region Algorithm for PV Array Connected to Microgrids for Wide Frequency and Amplitude Variations
Previous Article in Journal
Application of Gob-Side Entry Driving in Fully Mechanized Caving Mining: A Review of Theory and Technology
Previous Article in Special Issue
Distribution Network Reconfiguration Based on Hybrid Golden Flower Algorithm for Smart Cities Evolution
 
 
Font Type:
Arial Georgia Verdana
Font Size:
Aa Aa Aa
Line Spacing:
Column Width:
Background:
Article

Evaluating the Effect of the Communication Link of the Relays on the Operation Time of the Protection System

by
Aliakbar Azari
1,
Abass Saberi Noghabi
1,
Farhad Zishan
2,
Oscar Danilo Montoya
3,* and
Alexander Molina-Cabrera
4
1
Department of Electrical Engineering, University of Birjand, Birjand 97174-34765, Iran
2
Department of Electrical Engineering, Sahand University of Technology, Tabriz 51335-1996, Iran
3
Grupo de Compatibilidad e Interferencia Electromagnética (GCEM), Facultad de Ingeniería, Universidad Distrital Francisco José de Caldas, Bogotá D.C 110231, Colombia
4
Grupo de Campos Electromagnéticos y Fenómenos Energéticos, Facultad de Ingenierías, Universidad Tecnológica de Pereira, Pereira 660003, Colombia
*
Author to whom correspondence should be addressed.
Energies 2023, 16(6), 2692; https://doi.org/10.3390/en16062692
Submission received: 7 January 2023 / Revised: 10 February 2023 / Accepted: 20 February 2023 / Published: 14 March 2023
(This article belongs to the Special Issue Emerging Topics in Power Electronic Converters of Microgrids)

Abstract

:
In case of an error in the power system, it is the duty of the protection relays to isolate the faulty part from the rest of the system as soon as possible. Overcurrent and distance relays are usually used to protect the transmission and super distribution systems. The optimum coordination of these relays is very important. In this article, communication links are used to improve the optimal coordination of overcurrent and distance relays. In the proposed plan, the overcurrent relays on both sides of the line are equipped with a communication link for immediate action in the event of an error. Using this communication link, the complete coverage of the line is also provided by distance relays. The number and place of installation of the communication link greatly affect the operation time of overcurrent relays and the distance and coordination between them. The coordination problem is formulated by considering the location and number of communication links, and to solve it, the combined optimization algorithm of genetics and linear programming will be used. With the help of the genetic algorithm, the location and setting of the second zone of the distance relay, and by using the linear programming algorithm, the setting of the overcurrent relays is determined. The proposed method has been tested on the IEEE 14-bus (the simulation in MATLAB software) network and its results examined, and it will be seen how much the existence of a communication link can improve the performance time of the protection system.

1. Introduction

An error in the power system is unacceptable speed. In case of an error, the task of the system is to isolate the error from the rest of the system as soon as possible [1]. A protection system consists of relay units, current- and voltage-measuring transformers and a power switch. With the help of measuring transformers, the current and voltage of the power system are reduced to the permissible values of the relay operation. Relays are considered the main and intelligent part of a protection system, which are responsible for detecting abnormal conditions (error detection) [2,3]. After detecting this condition, the faulted part is isolated by sending a signal to the power switch. An efficient protection system should have features such as reliability, speed and selectivity. In power networks, the use of reliable, fast and uninterrupted protection systems reduces downtime and increases network reliability. Various communication links, such as those between relays, are used to improve the performance of the protection system (uninterrupted and fast operation to fix the fault). Any management and control for this structure require requirements and access to some parallel infrastructures. One of the most important of them is the existence of reliable platforms in infrastructure communications. Currently, and according to the progress in the communication infrastructure, protection plans equipped with communication systems between relays have been considered [4]. The aim [5] is to solve the problem of optimal coordination of overcurrent relays with respect to the transient fault current of the wind turbine. These currents can change the operation time of the relays and eventually cause inconsistency between the main and backup relays. This article aims to present a method based on the dynamic modeling of overcurrent relay with regard to the effect of the transient fault current of wind turbines. In this reference, the difference between the actual fault currents and the transient state is stated first and then the coordination of the overcurrent relays to reduce the operation time of the main relays with the help of three variables (the current adjustment factor, the time adjustment factor and the type of relay characteristic).
In [6], a method for network protection using the voltage measurement of the relay installation site is presented. Based on this, a new characteristic has been created for relays, depending on the measured voltage of the place of installation of the relay. Adding this parameter to the mathematical relation of the operation time of overcurrent relays creates a suitable flexibility to adjust and reduce their operation time. The proposed method has been evaluated for the different sizes and places of installation of the distributed generation sources, error conditions and different scenarios. In this method, the communication channel is not used, and the operation time of the relays is low only by considering the fault voltage of the relay installation location in both operating modes (connected to the network and islanded). The optimization algorithm has been improved to solve the problem of the optimal coordination of overcurrent relays in [7]. In this algorithm, each of the particles represents a solution for the proposed problem and includes the settings of each of the relays. Normally, in this algorithm, the amount of particles is based on creating a random number with a uniform distribution between zero and one; while in the improved algorithm, this is achieved based on the normal distribution. In [8], the coordination between these relays has been improved. In case of a line error, the distance relay works first. However, if this relay cannot function properly, the support directional overcurrent relay provided for it shall function. The main innovation of this article includes (1) considering the operation time of the second zone as a variable and (2) including the characteristic curve that can be changed by the user for directional overcurrent relays. By using the characteristics that the user can change, the operation time of the overcurrent relays can be determined more optimally, and therefore, better coordination can be created between it and the distance relay. In the proposed design [9], an inverted dual characteristic curve is used for overcurrent relays when they are in series and operate in only one direction. These characteristics simplify the complexity of the problem and create higher flexibility in the process of the optimal coordination of relays. By using these characteristics, a total of five variables, i.e., the variables of the current and time adjustment coefficient of the relay have been created for each of the characteristics and the setting of the second zone of the distance relay. The sine–cosine optimization algorithm has been used to determine the optimal values of these variables. The simulation and analysis results of this method on different networks show that the proposed method has been able to eliminate the inconsistency between the overcurrent and distance relays and reduce the operation time of the relays.
The directional and distance overcurrent relays have been optimally coordinated using the ant’s optimization algorithm in [10]. Here, the optimal coordination problem between these relays is formulated as a complex non-linear problem in which the continuous variables, such as the time adjustment coefficient of the overcurrent relay and the operation time adjustment of the distance relay, and the discrete variable, such as the current adjustment coefficient of the overcurrent relay, are included. The main innovation of this article can be considered only as solving the problem with the optimization algorithm of ants and combining it with the linear programming algorithm. In [11], a general objective function is presented to find the optimal settings of overcurrent and distance relays to coordinate them better. This objective function is expressed in such a way that the negative time difference between the main and backup relays (in other words, the operation of the backup overcurrent relay ahead of the main relay) is eliminated. In the proposed method, not only is the number of inconsistencies between overcurrent and distance relays greatly reduced, but also the difference in their operation time is minimized. The variables under investigation in this article include the current adjustment coefficients and the time of the overcurrent relay along with the determination of its characteristic curve type as well as the operation time of the second zone of the distance relay. To solve this problem, two genetic algorithms and an optimization algorithm based on human behavior have been used. One of the most common faults in the power system is the phase-to-ground fault. The intensity and size of this fault current depend on the type of grounding. In [12], a method is presented to improve the optimal coordination of overcurrent relays, in which phase and phase-to-ground errors are considered. Here, a new objective function is proposed for the problem of optimal coordination of overcurrent relays, which combines the operation time of overcurrent relays with phase characteristics and phase to ground. In the proposed method of this article, each of the overcurrent relays is equipped with two characteristics, that is, the characteristic of determining phase and phase-to-ground errors. By coordinating between the two phase characteristics of the main and backup relays, the occurrence of phase errors can be detected quickly. In [13], he used the non-standard characteristic curve to coordinate between overcurrent and distance relays. In this design, the constant parameters of the characteristic curve are introduced as the new variables for setting the overcurrent relays. In some cases, the fault current passing through the overcurrent relay can be lower than its maximum setting current and lose the sensitivity of overcurrent relays. In [14], a robust method for optimal setting of overcurrent relays in distribution networks has been presented. In this article, uncertainties such as network operating conditions, fault type, fault impedance, fault of current transformer measuring equipment and disconnection and connection of distributed generation units are considered. In the proposed method of this article, a characteristic curve proposed in [15] is used, in which instead of two variables in the mathematical relationship of the relay, four variables are used (conversion of fixed parameters into variables). In [16], an interval method has been used to model uncertainties in the problem of the optimal coordination of relays. In [17], a new formulation is presented for the optimal coordination of overcurrent and distance relays in the presence of series compensation. The network compensator in normal operation mode works similar to a capacitor bank. However, during the occurrence of the fault, this compensator has a little capacitive property to reduce the fault current. In [18], chaos addresses energy in networks of electrical oscillators studied.
In this article, the use of distance relays is suggested in these cases. The problem proposed here is solved with the help of the optimization algorithm, and its results are compared with that of the genetic algorithm. This comparison shows the very good accuracy of the weeding algorithm in solving the problem. The proposed method has also been able to reduce the number of inconsistencies between the overcurrent and distance relays. The overcurrent and distance relays protect the above distribution lines. Usually, in these protection plans, the main protection is with the help of distance relays and the backup protection with overcurrent relays. Therefore, the coordination between these two relays is very important. In this article, a plan is presented for the optimal coordination of distance relays and directional overcurrent relays in the super distribution network with the help of communication links. In this design, the overcurrent relays on both sides of the line are equipped with communication links with instant function, and as soon as the fault is detected, they signal each other to remove the faulty part in the shortest possible time. In the proposed plan, the location and number of this plan have been determined such that the maximum speed of operation in the protection system can be achieved with the least number of communication links. The problem of coordinating the overcurrent and distance relays in the presence of these communication links is a very huge and complex problem, which is solved by combining the genetic optimization and linear programming algorithms. With the genetic algorithm, the installation location and the setting of the operation time of the second zone of the distance relay are determined, and with the linear programming algorithm, the setting of the operation time of the overcurrent relays is determined. In this way, the main focus of this article is on the following:
  • Solving the problem of optimal coordination of overcurrent and distance relays in the presence of communication links;
  • Determining the location and the minimum required number of installation of communication links in order to reduce the operation time of overcurrent and distance relays;
  • Formulating for the proposed problem of coordination of distance and overcurrent relays in the presence of communication links.
The following is the structure of the article:
In Section 2, the coordination of overcurrent and distance relays are presented. In Section 3, the effect of a communication link on the coordinated performance of overcurrent relays is discussed. Section 4 looks at using a communication link in distance relays. In Section 5, the effect of using a communication link on the coordinated performance of distance relays is discussed. Section 6 has the formulation of the proposed. Section 7 discusses the study system and result, and finally, some conclusions will be drawn from the article.

2. Coordination of Overcurrent and Distance Relays

Usually, the distance and overcurrent relays are combined in distribution and transmission networks [19]. In Figure 1, the main and backup relays have both overcurrent and distance relays. In this case, if the main protection does not work for the F2 fault, the backup overcurrent relay must issue a shutdown command after a time limit. Therefore, the operation time of the second zone of the main distance relay must always be less than that of the backup overcurrent relay. This condition can be expressed as Equation (1):
T oc   backup T z 2   main CTI
In this regard, T oc   backup is the operation time of the backup overcurrent relay and T z 2   main the operation time of the second zone is the main distance relay. Similarly, for an F1 fault, if the first zone of the main distance relay or the main overcurrent relay does not operate, then the second zone of the auxiliary distance relay or the auxiliary overcurrent relay must operate after a CTI time margin. This clause is according to relation (2):
T z 2   backup T oc   main CTI

3. The Effect of a Communication Link on the Coordinated Performance of Overcurrent Relays

A simple example of using this communication link is shown in Figure 2. The working principles of this method are such that when an error occurs at point F1, if the current passing through these relays exceeds their regulation current, the error is detected and the Ra and Rb relays signal each other.
The operation time of line-side relays according to Equation (3) is indicated by t inter _ trip , which has a constant value, which is the minimum fault detection time by line-side relays, which is represented by T pickup and the time delay shown by t delay . In this article, the value of 0.04 s is considered two complete cycles, one complete cycle for sampling and measurement (error detection) and the other for information transfer.
t inter _ trip = T pickup + t delay
Therefore, as soon as the communication link is placed in a line, the operation time of the main relays on both sides of the line is reduced, and naturally, a modification of the operation time of the backup relays is possible. Therefore, by resetting the relays, the operation time of the backup relays can be reduced by observing the coordination between them. Therefore, adding this communication link can reduce the operation time of the main and backup network relays [11].

4. Using Communication Link in Distance Relays

An error can always occur at any point in a line. If it occurs in the first area of a line and near one of the relays, the operation of this relay will be instantaneous. However, if this error is in the second zone of the relay on the other side, this operation will be delayed. To eliminate this time delay, systems including communication channels between distance relays on both sides of the line are used.
There are different methods for using these communication ways, such as direct reception of the key cut-off signal, distance protection utilizing the extended area, distance protection using the authorized key cut-off relay of the extended range type and distance protection by sending the lock command. The main purpose of these plans is to cover the protection of the end of the line, which leads to a faster response of the relays. For a better understanding of these methods, consider Figure 3.
As can be seen in this figure, two distance relays A and B are installed on the sides of the line. In the following, the methods of using communication ways in distance relays are introduced.
  • Distance protection by directly receiving the key disconnection signal: In this so-called direct method, a signal is sent to the other relay by operating one of the relays on the sides of the line, and this relay also operates without any criteria or restrictions. In this way, according to the figure, for the occurrence of an error in the first zone of relay A, if this error is also in the second zone of relay B, a direct signal is sent to relay B to act instantly.
  • Distance protection by the developed zone: In this design, when an error occurs in the first zone of relay A and the second zone of relay B, a signal is sent from relay A to relay B, which increases the range of the first zone of relay B. This increase will be an average of 130% of the line length.
  • Distance protection by means of the permitted switch-off relay of the range-increasing type: In this range protection plan, the first zone of each relay is developed and usually covers between 120% and 150% of the line impedance. In this method, not only does the developed area cause the signal to be sent to the relay of the other side, but it is also a criterion for the performance of each relay.
  • Distance protection by sending a lock command: In this method, each relay has a reverse zone in addition to the extended zone. If an error has occurred in the extended area of relay B and in the reverse area of relay A, a signal from the reverse area of relay A is sent to bus B and prevents its operation. In this method, the extended area of relay B has a delay, and until the signal sent from the reverse area of relay A arrives and the correct command is issued for the operation of relay B, the disconnection command will not be issued [2].

5. The Effect of Using a Communication Link on the Coordinated Performance of Distance Relays

As mentioned earlier, the second zone of the distance relays acts as a cover to protect the main line. The operation time of this zone is with a time delay compared to the instantaneous operation of the first relay zone. According to Figure 4, by using the communication link for the distance relays on both sides of the line, if an error occurs at point F1 (within the first zone of the distance relay Rb and within the second zone of the Ra relay), the Rb relay will act instantaneously. Then, it signals the Ra relay so that this relay also operates quickly and does not wait for the time delay of the second relay area. In this case, the Ra relay, which previously operated with a time delay, will function with the minimum possible time by adding a communication link.
Therefore, in this situation, the second area of the distance relay, which is installed on the line with a communication link, will function with a minimum time delay, so the addition of this communication link will reduce the operation time of the distance relays.

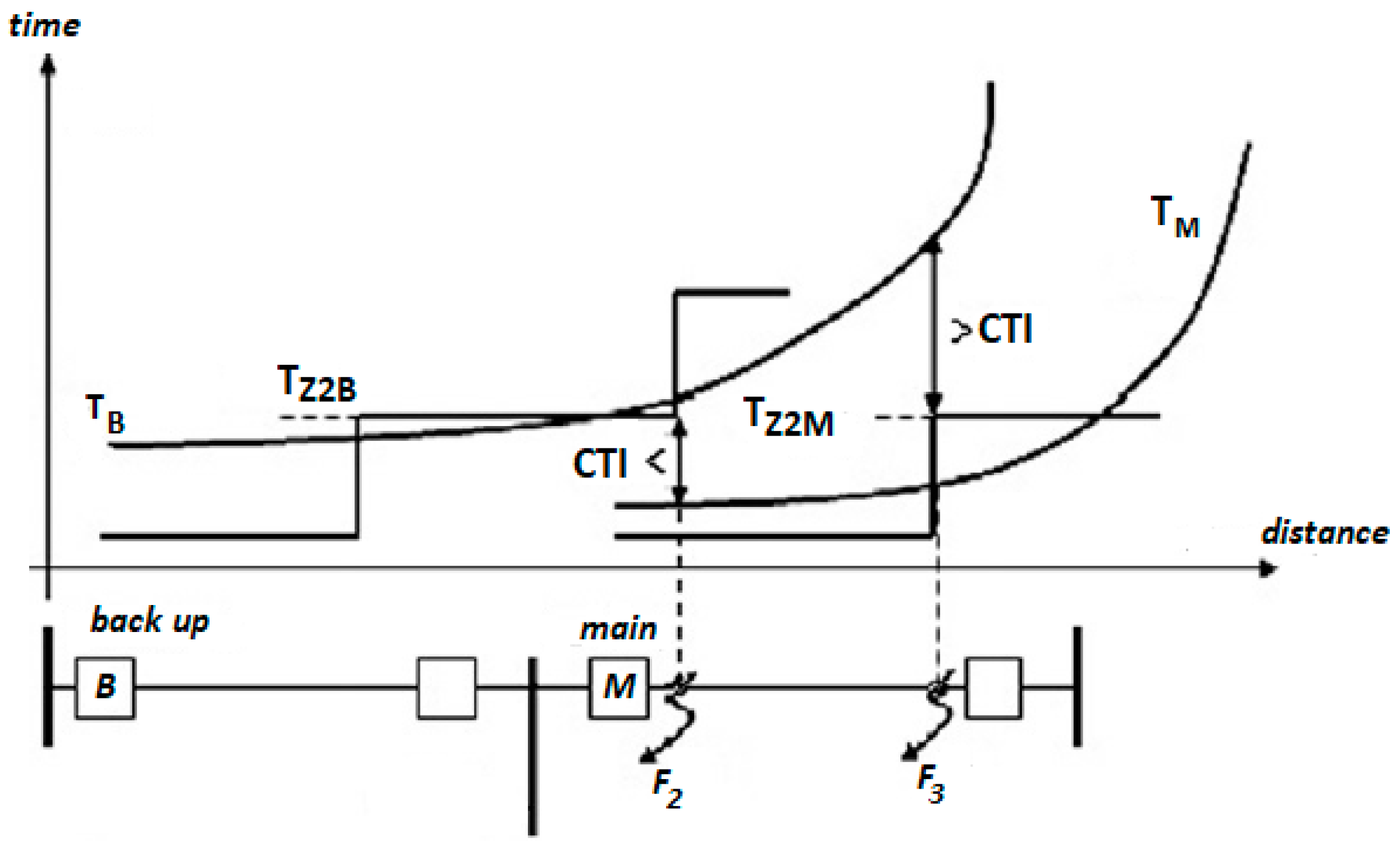
6. The Proposed Method

According to Figure 5, to F2 and F3 faults in the line, first, the main and backup relays must be coordinated. This means that the operation time of the backup relays must always be greater than that of the main network relays by the CTI. Secondly, the overcurrent relay should also be coordinated with the operation time of different areas of the distance relay. The operation time of the first zone of the distance relay is instantaneous and works much earlier than the backup overcurrent relays. With this second zone of the distance relay as the main protection, it should have a smaller volume than the backup overcurrent relay.
As seen in the above figure, a distance relay and an overcurrent relay are installed on each side of the lines. The main relays are shown with the letter M and the backup relays with B. To establish this coordination, if a fault occurs at point F3 (the end of the first zone of the distance relay M), the operation time of the zone of the distance relay M must be earlier than that of the overcurrent relay B. For F2 error (the end of the second zone of the backup distance relay B) also, the relays must be set in such a way that the main overcurrent relay M operates first, and if it fails, then the second zone of the backup distance relay operates.
According to the above explanations, establishing coordination between relays has the following three limitations:
T oc   B T oc   M CT
T z 2   B T oc   M CTI
T oc   B T z 2   M CTI
The first condition is related to the optimal coordination of the main and backup overcurrent relays in case of an error in the entire length of the line. The second condition is to ensure coordination between the overcurrent and distance relays in case of an error at the beginning of the second zone of the main distance relay. In this regard, they represent the operation time of the overcurrent relay and that of the second zone of the distance relay, respectively. The third condition is to coordinate between the distance and overcurrent relays for the occurrence of an error at the beginning of the first zone of the main distance relay. In this regard, it is the operation time of the second zone of the backup distance relay and that of the main overcurrent relay.
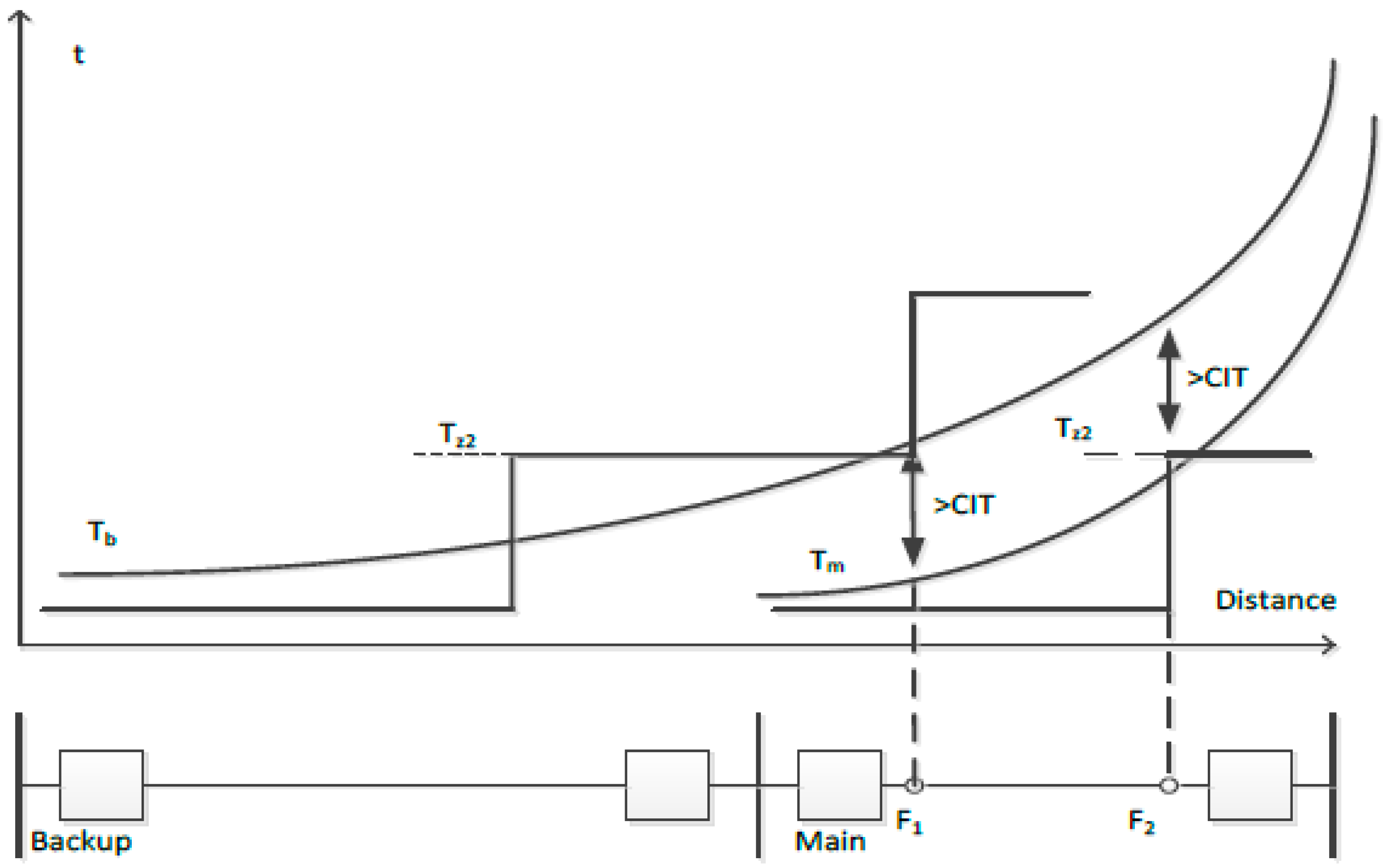
Figure 6 shows how to coordinate between the distance and overcurrent relays in the presence of a communication link. As the operation time of the overcurrent relays on both sides of the line will be equal to the fixed value with the use of communication links, the coordination relation (4) and (5) will be rewritten as the relation (7) and (8) below:
T oc   B CTI + t inter _ trip
T z 2   B CTI + t inter _ trip
On the other hand, the operation time of the second zone of the linear distance relay, which is equipped with a communication link, has also been reduced, so instead of Equation (6), Equation (9) can be written.
T oc   B CTI + t inter _ trip
In this way, the operation time of the line-side relays that are equipped with a communication link is reduced in this design. On the other hand, by resetting the backup relays for each of these relays, their operation time can be reduced. In this article, the combined optimization algorithm of genetics and linear programming is used to solve this problem. The flowchart of problem solving is shown in Figure 7. According to Figure 8, the structure of each chromosome includes two parts. In the first part, the location of installation of communication links from to is determined, where R is the maximum number of links that can be installed in the network (this location is in terms of line number). In the second part, the operation time of the second zone of each of the distance relays is stored. The values of the objective function are calculated based on Equation (10).
OF : min { i = 1 N j = 1 M ( t pi +   t bij ) } + l = 1 D t z 2 l
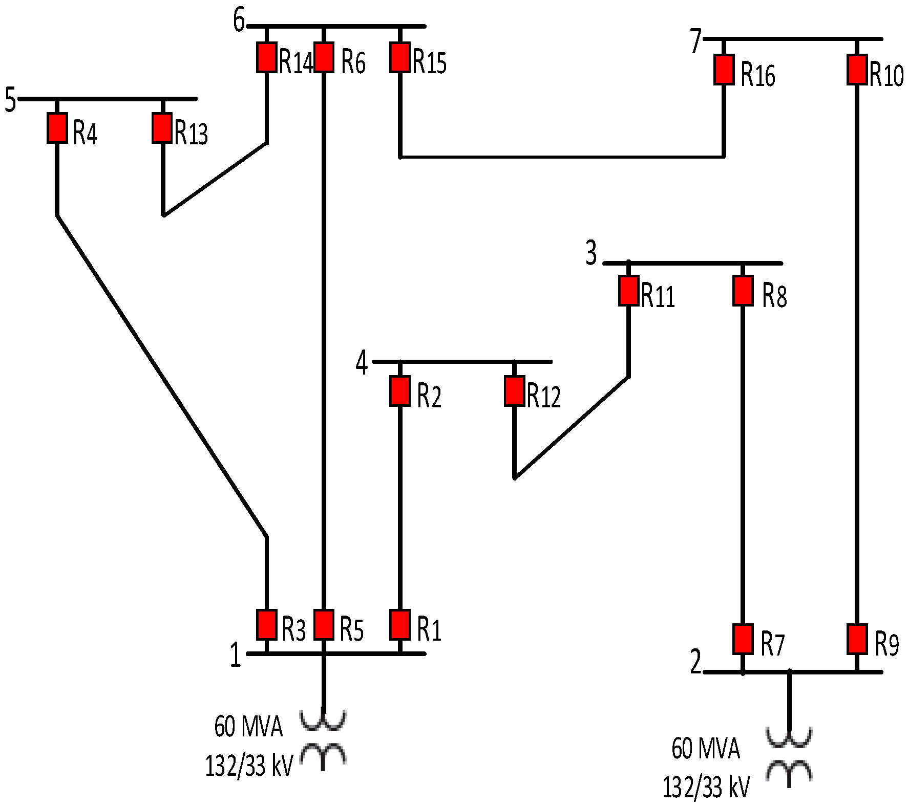
In this regard, the operation time of the main overcurrent relay, the operation time of the backup overcurrent relay and, respectively, the total number of main relays, their backup and distance relays. The proposed method is implemented on the upper distribution part of the IEEE 14-bus network, whose structure is shown in Figure 8. As can be seen, this network has eight lines with sixteen overcurrent and distance relays, which are R1 to R16. They are shown in the beginning to optimally coordinate the overcurrent relays and the distance of the sample network. It is checked without considering the communication links and with the help of genetic optimization algorithm random values for the operation time of the second zone of the relay. The distance is determined and then using the combined algorithm of its values, the optimal settings of each of the overcurrent relays are calculated by observing all the restrictions. Table 1 shows the optimal settings of each of the overcurrent relays and the operation time of the second zone of the distance relay.
The proposed problem of optimal coordination of overcurrent and distance relays in the presence of a communication link is a non-linear and complex problem, and various methods have been proposed to solve it. In this thesis, the combined optimization algorithm of genetics and linear programming is used to solve this problem. The flowchart of problem solving is shown in Figure 8.
The details of the problem-solving method are as follows:
(1)
Entry of basic information: At first, basic information such as network load values, line impedance, location of relays, optimization algorithm settings, etc., is entered into the algorithm.
(2)
Calculation of fault currents: To calculate the operation time of overcurrent relays and solve the proposed problem, two three-phase faults were created at the end of the first zone and the end of the second zone of each of the distance relays and the currents. The passage of relays is measured and stored. These calculations are repeated for all lines.
(3)
Creation of the initial population: In the genetic optimization algorithm, the candidate solutions for the problem are generated in the form of a chromosome containing the random variables of the problem. In the proposed problem, the structure of each chromosome is according to Figure 8. As you can see, the structure of each chromosome includes two parts. In the first part, the location of installation of communication links from to is determined, where R is the maximum number of links that can be installed in the network (this location is in terms of line number). In the second part, the operation time of the second zone of each of the distance relays is stored.
Based on the numbers of the initial population considered for the optimization algorithm, chromosomes are created randomly. The random values placed in each of these chromosomes for the number of lines in which the communication links are installed and the operation time of the second zone of the distance relay should be selected from the allowed values according to Equations (11) and (12).   T z 2   min ,   T z 2   max minimum and maximum operation time of the second zone of the distance relay respectively and L max the maximum number of network lines are shown below.
T z 2   min T z 2 T z 2   max
0 L L max
(4)
The calculation of the objective function and operation time of the overcurrent relays: If the setting of the current of the overcurrent relays is known (which is considered 1.5 times the maximum load current in this article), coordinating the overcurrent relays and the distance becomes a problem. This becomes linear programming whose objective function is to minimize the operation time of overcurrent relays. The objective function of the linear programming algorithm is given in relation (13).
min   = i = 1 n t i = i = 1 n f i TDS i
In this regard, the time adjustment coefficient of the relay is the i - th , and its linear coefficient is based on the relay characteristics, which is obtained from the fault current and relay current adjustment, and its value is constant. The constraints of the problem including the constraints of relations (14)–(16) are as follows:
T oc   B T oc   M CTI
T oc   B T z 2   M CTI
T z 2   B T oc   M CTI
These constraints are also formulated as linear constraints by knowing the setting current of the relays and the fault current, so the coordination problem of overcurrent and distance relays is transformed into a linear programming problem with the number of n variables, which is equal to the number of TDS of the relays. Paying attention to the fact that three constraints are written for each relay pair, the number of problem constraints is three times the number of main and backup relay pairs. This problem can be solved by linear programming and the optimal answer, which is the TDS of the relay, is obtained. By knowing the TDS, the operation time of the overcurrent relays and also the value of the objective function can be calculated.
(5)
Applying the communication link: As stated before, to apply the location of the communication link produced by the genetic algorithm, the constraints of relations (17)–(19) are replaced by the constraints (14)–(16) as well as the operation time of the second zone of the distance relay. It is variable and is included in the chromosome. If a communication link is also added to a line, the operation time of the relays on both sides of the line will change.
T oc   B CTI + t inter _ trip
T z 2   B CTI + t inter _ trip
T oc   B CTI + t inter _ trip
(6)
Evaluation of the objective function: The objective function also changes if the communication link is applied. In this case, the objective function equals the total operation time of the main and backup overcurrent relays, as well as the total operation time of the second zone of the distance relay. The objective function of the desired optimization problem is in the form of relation (20):
O F : min { i = 1 N j = 1 M ( t p i +   t b i j ) } + l = 1 D t z 2 l
In this regard, t p the operation time of the main overcurrent relay, t b the operation time of the backup overcurrent relay and N , M , D , respectively, the total number of main relays, their backup and distance relays.
(7)
Sorting and choosing the best answer.
(8)
Generation of a new population based on a combination operator.
(9)
Generation of a new population based on the mutation operator.
(10)
Complying with the stop condition: Steps seven to nine of the optimization algorithms are executed in each repetition until the number of repetitions reaches the maximum value considered. Finally, the algorithm stops, and the optimal answer is shown. This answer will include the number and the best places to install communication links and the optimal settings of each of the overcurrent and distance relays.

7. Study System and Result

For this purpose, the proposed method has been implemented on the upper part of the IEEE 14-bus network distributions, whose structure is shown in Figure 9. As can be seen, this network has eight lines with sixteen overcurrent and distance relays indicated by R1 to R16. In Table 1, the setting factor of the overcurrent relays and the operation time of the second zone of the distance relay are provided. The optimal operation time of the overcurrent relays for the occurrence of an error at the end of the second zone of the backup distance relay and the end of the first zone of the main distance relay with the help of the optimal algorithm, is shown. The calculations are given in Table 2 and Table 3, respectively. For example, consider relay R1. The operation time of distance relay R1 for the occurrence of an error at the end of the first zone of the main distance relay according to Table 3 equals 0.7245 s. This relay has two backup overcurrent relays R4 and R6, whose operation time’s equal 1.0484 and 1.0484 s, respectively, for the occurrence of an error at the end of the first zone of the distance relay R1. The coordination between the second zone of the distance relay and the backup overcurrent relays clearly has been observed in these conditions. On the other hand, the operation time of the second zone of the backup distance relays R4 and R6 for the occurrence of an error at the end of their second zone is equal to 0.7712 and 0.8956 s, respectively. The operation time of the main overcurrent relay R1 is equal to 0.5184 and 0.5823 s, respectively, for the occurrence of an error at the end of the second zone of the backup distance relay R4 and R6. In this case, the time confidence margin between the main and backup relays is properly observed.
The results show that the value of the objective function without using communication links is equal to 78.9806 s. In the next step, the number and location of communication links are determined to optimally coordinate distance and overcurrent relays in the network. The results of this step are presented in Table 4 and Figure 10.
With the help of the genetic optimization algorithm, random values for the operation time of the second zone of the distance relay are determined, and then by using the combined algorithm of its values, the optimal settings of each of the overcurrent relays are calculated by observing all the restrictions. Table 1 shows the optimal settings of each of the overcurrent relays and the operation time of the second zone of the distance relay. The optimal operation time of the overcurrent relays for the occurrence of an error at the end of the second zone of the backup distance relay and the end of the first zone of the main distance relay was calculated with the help of the optimization algorithm of the operation time of the main and backup relays and is given in Table 2 and Table 3, respectively. In Table 4, the number and the best place for installing communication links in order to optimally coordinate distance and overcurrent relays in the network are determined. Its results are presented in Table 4. According to the above table, in all cases, the number of communication links is equal to their maximum value.

8. Conclusions

In this article, a plan based on the use of communication links for the optimal coordination of distance relays and directional overcurrent relays in the super distribution network was proposed. In this design, the overcurrent and distance relays on both sides of the line are equipped with communication links and act instantly as soon as an error is detected. The existence of this link will allow the overcurrent relays on both sides of the line to perform as soon as the fault occurs. By using this communication way, the complete coverage of the line is also provided by distance relays. The location and number of relays equipped with communication links affect the fast operation of the relays. In the proposed design, the coordination problem of overcurrent and distance relays in the presence of these communication links was formulated. As solving the proposed problem was very difficult and complex, a combination of genetic optimization and linear programming algorithms was used to solve it. In such a way, with the help of a genetic algorithm, the location and number of communication links, as well as setting the operation time of the second zone of the distance relay, were determined. A linear programming algorithm was also used to determine the setting of overcurrent relays. The optimal coordination of the overcurrent and distance relays was checked in the normal state. In this condition, the objective function value of the optimal coordination of these relays was checked without considering the communication links, which is equal to 78.98 s. In the other case, the appropriate number and location for installing the communication link were determined in the coordination problem of overcurrent and distance relays. The results show that in this condition, the value of the objective function is 48.24 s for the installation of one communication link, the improved value in this case is 30.73 s and for the installation of eight communication links, the value of the objective function is 23.31 s, which is the improvement value. The result in this case is 55.66 s.

Author Contributions

Conceptualization, A.M.-C.; Methodology, A.A., A.S.N., F.Z., O.D.M. and A.M.-C.; Software, A.A., A.S.N. and F.Z.; Validation, A.A., A.S.N., O.D.M. and A.M.-C.; Formal analysis, A.A., F.Z. and O.D.M.; Investigation, A.A., F.Z., O.D.M. and A.M.-C.; Resources, A.M.-C.; Writing—original draft, A.A., A.S.N., F.Z., O.D.M. and A.M.-C.; Writing—review & editing, A.S.N., O.D.M. and A.M.-C.; Visualization, O.D.M. All authors have read and agreed to the published version of the manuscript.

Funding

This research received no external funding.

Data Availability Statement

The data used in this study are reported in the paper’s figures and tables.

Conflicts of Interest

The authors declare no conflict of interest.

References

  1. Horowitz, S.H.; Phadke, A.G.; Henville, C.F. Power System Relaying; John Wiley & Sons: Hoboken, NJ, USA, 2022. [Google Scholar]
  2. Liu, Y.; Gao, H.; Gao, W.; Peng, F. Development of a substation-area backup protective relay for smart substation. IEEE Trans. Smart Grid 2016, 8, 2544–2553. [Google Scholar] [CrossRef]
  3. Xu, S.; Ma, J.; Cao, L.; Hu, W.; Chen, L.; Lu, H.; Liu, B.; Dai, Z. Reliability evaluation of centralized protection system in smart substation considering impact of communication message. In Proceedings of the 2018 2nd IEEE Conference on Energy Internet and Energy System Integration (EI2), Beijing, China, 20–22 October 2018. [Google Scholar]
  4. Blackburn, J.L.; Domin, T.J. Protective Relaying: Principles and Applications; CRC press: Boca Raton, FL, USA, 2006. [Google Scholar]
  5. Ghotbi-Maleki, M.; Chabanloo, R.M.; Abyaneh, H.A.; Zamani, M. Considering transient short-circuit currents of wind farms in overcurrent relays coordination using binary linear programming. Int. J. Electr. Power Energy Syst. 2021, 131, 107086. [Google Scholar] [CrossRef]
  6. Jamali, S.; Borhani-Bahabadi, H. Protection method for radial distribution systems with DG using local voltage measurements. IEEE Trans. Power Deliv. 2018, 34, 651–660. [Google Scholar] [CrossRef]
  7. Bouchekara, H.R.E.H.; Zellagui, M.; Abido, M.A. Optimal coordination of directional overcurrent relays using a modified electromagnetic field optimization algorithm. Appl. Soft Comput. 2017, 54, 267–283. [Google Scholar] [CrossRef]
  8. Maleki, M.G.; Chabanloo, R.M.; Taheri, M.R. Mixed-integer linear programming method for coordination of overcurrent and distance relays incorporating overcurrent relays characteristic selection. Int. J. Electr. Power Energy Syst. 2019, 110, 246–257. [Google Scholar] [CrossRef]
  9. Yazdaninejadi, A.; Nazarpour, D.; Talavat, V. Coordination of mixed distance and directional overcurrent relays: Miscoordination elimination by utilizing dual characteristics for DOCR s. Int. Trans. Electr. Energy Syst. 2019, 29, e2762. [Google Scholar] [CrossRef]
  10. Rivas, A.E.L.; Pareja, L.A.G.; Abrão, T. Coordination of distance and directional overcurrent relays using an extended continuous domain ACO algorithm and an hybrid ACO algorithm. Electr. Power Syst. Res. 2019, 170, 259–272. [Google Scholar] [CrossRef]
  11. Ahmadi, S.A.; Karami, H.; Gharehpetian, B. Comprehensive coordination of combined directional overcurrent and distance relays considering miscoordination reduction. Int. J. Electr. Power Energy Syst. 2017, 92, 42–52. [Google Scholar] [CrossRef]
  12. El-Naily, N.; Saad, S.M.; Mohamed, F.A. Novel approach for optimum coordination of overcurrent relays to enhance microgrid earth fault protection scheme. Sustain. Cities Soc. 2020, 54, 102006. [Google Scholar] [CrossRef]
  13. Castillo, C.A.; Conde, A.; Fernandez, E. Mitigation of DOCR miscoordination through distance relays and non-standard overcurrent curves. Electr. Power Syst. Res. 2018, 163, 242–251. [Google Scholar] [CrossRef]
  14. Shabani, M.; Karimi, A. A robust approach for coordination of directional overcurrent relays in active radial and meshed distribution networks considering uncertainties. Int. Trans. Electr. Energy Syst. 2018, 28, e2532. [Google Scholar] [CrossRef]
  15. Sharaf, H.M.; Zeineldin, H.H.; Ibrahim, D.K.; Essam, E.L. A proposed coordination strategy for meshed distribution systems with DG considering user-defined characteristics of directional inverse time overcurrent relays. Int. J. Electr. Power Energy Syst. 2015, 65, 49–58. [Google Scholar] [CrossRef]
  16. Noghabi, A.S.; Sadeh, J.; Mashhadi, H.R. Parameter uncertainty in the optimal coordination of overcurrent relays. Int. Trans. Electr. Energy Syst. 2018, 28, e2563. [Google Scholar] [CrossRef]
  17. Singh, M.; Telukunta, V.; Srivani, S.G. Enhanced real time coordination of distance and user defined over current relays. Int. J. Electr. Power Energy Syst. 2018, 98, 430–441. [Google Scholar] [CrossRef]
  18. Bucolo, M.; Buscarino, A.; Famoso, C.; Fortuna, L. Chaos addresses energy in networks of electrical oscillators. IEEE Access 2021, 9, 153258–153265. [Google Scholar] [CrossRef]
  19. Abbasi, A.; Karegar, H.K.; Aghdam, T.S. Inter-trip links incorporated optimal protection coordination. Int. J. Electr. Comput. Eng. 2020, 10, 72. [Google Scholar] [CrossRef]
Figure 1. Coordination of distance and overcurrent relays.
Figure 1. Coordination of distance and overcurrent relays.
Energies 16 02692 g001
Figure 2. An example of using the communication link between the overcurrent relays on both sides of the line.
Figure 2. An example of using the communication link between the overcurrent relays on both sides of the line.
Energies 16 02692 g002
Figure 3. A transmission line with two distance relays and a communication link.
Figure 3. A transmission line with two distance relays and a communication link.
Energies 16 02692 g003
Figure 4. An example of using a communication link between distance relays on both sides of the line.
Figure 4. An example of using a communication link between distance relays on both sides of the line.
Energies 16 02692 g004
Figure 5. The usual arrangement of the distance and overcurrent relays.
Figure 5. The usual arrangement of the distance and overcurrent relays.
Energies 16 02692 g005
Figure 6. Coordination of the distance and overcurrent relays in the presence of communication links.
Figure 6. Coordination of the distance and overcurrent relays in the presence of communication links.
Energies 16 02692 g006
Figure 7. Problem-solving flowchart.
Figure 7. Problem-solving flowchart.
Energies 16 02692 g007
Figure 8. The structure of each chromosome in the proposed problem.
Figure 8. The structure of each chromosome in the proposed problem.
Energies 16 02692 g008
Figure 9. Section of IEEE 14-bus network distribution.
Figure 9. Section of IEEE 14-bus network distribution.
Energies 16 02692 g009
Figure 10. Operation time of overcurrent and distance relays per the number of communication links in the network.
Figure 10. Operation time of overcurrent and distance relays per the number of communication links in the network.
Energies 16 02692 g010
Table 1. Adjustment coefficient of overcurrent relays and operation time of the second zone of the distance relay.
Table 1. Adjustment coefficient of overcurrent relays and operation time of the second zone of the distance relay.
Relay T D S T z 2
R 1 0.21180.8694
R 2 0.29260.8573
R 3 0.25190.8942
R 4 0.26120.8493
R 5 0.36220.9387
R 6 0.25320.7343
R 7 0.39260.8273
R 8 0.24560.6716
R 9 0.13420.8118
R 10 0.32940.8794
R 11 0.33950.7918
R 12 0.41540.7294
R 13 0.51830.9311
R 14 0.24120.6936
R 15 0.36160.8974
R 16 0.29870.7483
Table 2. The optimal operation time of the relays for the occurrence of an error at the end of the second zone of the backup distance relay.
Table 2. The optimal operation time of the relays for the occurrence of an error at the end of the second zone of the backup distance relay.
L i Main RelayMain Relay Operation TimeBackup RelayBackup Relay Operation Time
L1R10.5184R40.7712
R60.8956
R20.5823R110.7901
L2R30.4912R20.9418
R61.0311
R40.4914R140.6891
L3R50.6246R20.8348
R40.9089
R60.5483R130.8295
R160.7542
L4R70.6719R100.8845
R80.5123R120.7594
L5R90.4510R80.7216
R100.6901R151.1191
L6R110.5899R70.8112
R120.6594R10.8649
L7R130.6821R30.8742
R140.3984R50.8910
R160.8389
L8R150.7164R50.9143
R130.9143
R160.5834R90.8612
Table 3. The optimal operation time of the relays for the occurrence of an error at the end of the first zone of the main distance relay.
Table 3. The optimal operation time of the relays for the occurrence of an error at the end of the first zone of the main distance relay.
L i Main RelayMain Relay Operation TimeBackup RelayBackup Relay Operation Time
L1R10.7245R41.0484
R61.0484
R20.7216R111.0812
L2R30.5821R21.4084
R64.7542
R40.5882R141.1015
L3R50.7423R21.1620
R41.5812
R60.5691R131.1623
R161.6283
L4R70.8072R101.5423
R80.5942R120.8549
L5R90.5126R81.0141
R101.1129R151.0251
L6R110.6986R70.9816
R120.7789R11.3453
L7R130.8105R31.5726
R140.4694R51.5812
R162.1632
L8R150.8794R51.5114
R131.2728
R160.7493R90.9489
Table 4. The best places to install one or more communication links.
Table 4. The best places to install one or more communication links.
The Value of the Objective FunctionOptimal Link Location (Line Number)Maximum Number of Communication Links
48.2461
40.725, 62
31.433, 6, 83
29.691, 3, 4, 84
26.091, 3, 4, 7, 85
25.141, 3, 4, 5, 7, 86
23.401, 2, 3, 5, 6, 7, 87
23.311, 2, 3, 4, 5, 6, 7, 88
Disclaimer/Publisher’s Note: The statements, opinions and data contained in all publications are solely those of the individual author(s) and contributor(s) and not of MDPI and/or the editor(s). MDPI and/or the editor(s) disclaim responsibility for any injury to people or property resulting from any ideas, methods, instructions or products referred to in the content.

Share and Cite

MDPI and ACS Style

Azari, A.; Noghabi, A.S.; Zishan, F.; Montoya, O.D.; Molina-Cabrera, A. Evaluating the Effect of the Communication Link of the Relays on the Operation Time of the Protection System. Energies 2023, 16, 2692. https://doi.org/10.3390/en16062692

AMA Style

Azari A, Noghabi AS, Zishan F, Montoya OD, Molina-Cabrera A. Evaluating the Effect of the Communication Link of the Relays on the Operation Time of the Protection System. Energies. 2023; 16(6):2692. https://doi.org/10.3390/en16062692

Chicago/Turabian Style

Azari, Aliakbar, Abass Saberi Noghabi, Farhad Zishan, Oscar Danilo Montoya, and Alexander Molina-Cabrera. 2023. "Evaluating the Effect of the Communication Link of the Relays on the Operation Time of the Protection System" Energies 16, no. 6: 2692. https://doi.org/10.3390/en16062692

APA Style

Azari, A., Noghabi, A. S., Zishan, F., Montoya, O. D., & Molina-Cabrera, A. (2023). Evaluating the Effect of the Communication Link of the Relays on the Operation Time of the Protection System. Energies, 16(6), 2692. https://doi.org/10.3390/en16062692

Note that from the first issue of 2016, this journal uses article numbers instead of page numbers. See further details here.

Article Metrics

Back to TopTop