Theoretical and Experimental Studies of Combined Heat and Power Systems with SOFCs
Abstract
1. Introduction
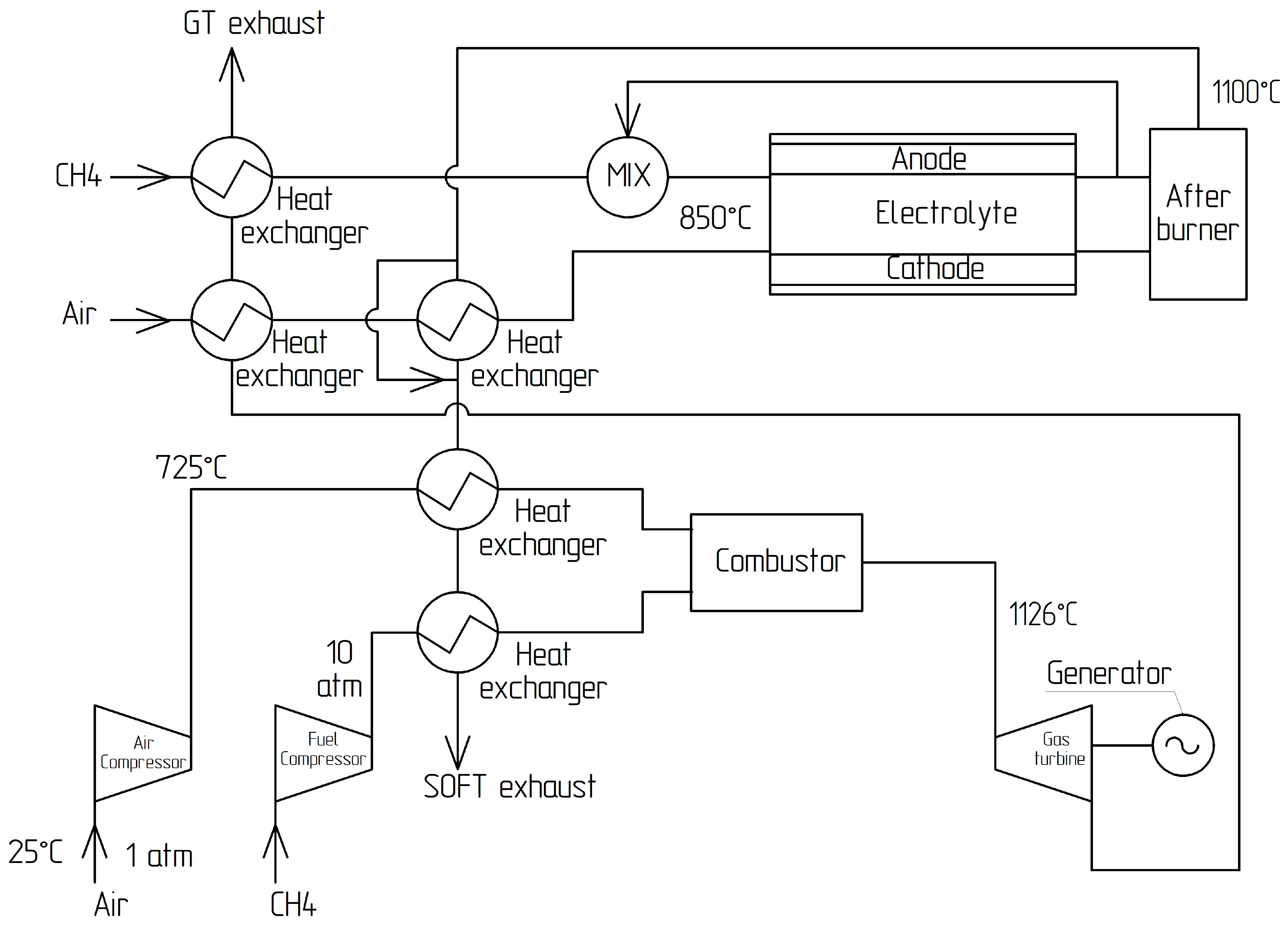
2. Layout and Schematic Diagrams of Hybrid Power Plants with SOFC
3. Projects of Pilot and Industrial Hybrid Power Plants
- The possibility for supplying SOFC exhaust gases to the GT due to the consistency of temperature and pressure of gas flows;
- The waste heat recuperator of the SOFC can be used to supply gases to the GT combustion chamber;
- The gas turbine allows the fuel cells to operate at a higher pressure, which improves fuel cell stack performance;
- The thermal energy contained in the SOFC exhaust gases increases the efficiency of the GT. This energy can be used in a compressor to pressurize the hybrid system and in an electrical generator to produce additional electricity;
- The capacity of commercially available fuel cells corresponds to the size of existing gas turbines.
- The best-known pilot project is the 220 kW Siemens Westinghouse SOFC/GT hybrid power plant installed at the University of California (Figure 4). This system was the first relatively powerful example of SOFC/GT hybrid technology. Another similar Siemens Westinghouse hybrid power plant achieved power of 300–1000 kW with an electrical efficiency of 55–60% and an overall efficiency of more than 75% [29].
- SOFC/GT to replace the auxiliary power unit of the Boeing 777–200 aircraft platform, with a total power of 432.1 kW, SOFC power of 347.0 kW, GT power of 84.2 kW, and autothermal fuel reforming;
- Hybrid power plant in Woburn, Massachusetts, USA (ZTEK Corporation) with a capacity of 200 kW;
- Delphi experimental hybrid power plant with a capacity of 50 kW. The goal is to develop an Integrated Gasification Fuel Cells Power Plant (IGFC) with power above 100 kW at a total electrical efficiency of at least 50%, which is equipped with carbon dioxide capture technologies [20].
4. Challenges of the Hybrid Systems
5. Comparison Results of the Combined Heat and Power Systems with SOFCs
6. Discussion of Current Problems and Future Prospects of Combined Heat and Power Systems with a Solid Oxide Fuel Cell
- -
- Improvement of the hybrid system layout;
- -
- Improvement of the fuel-reforming subsystem;
- -
- Selection of the optimal reforming method and heat source for the reforming process;
- -
- Modernization of SOFC design and selection of their quantity;
- -
- Selection of power installations and their integration into cogeneration or trigeneration cycles;
- -
- Selection of flow direction within the hybrid system;
- -
- Selection of the optimal pressure and ensuring tightness in the hybrid system;
- -
- Application of modern nanomaterials in the production of high-temperature SOFCs.
7. Conclusions
Author Contributions
Funding
Data Availability Statement
Conflicts of Interest
Nomenclature
| SOFC | solid oxide fuel cell |
| GT | gas turbine |
| MGT | microgas turbine |
| LNG | liquid natural gas |
| TPPs | thermal power plants |
| AC | alternating current |
| NOx | nitrogen oxide |
| ST | steam turbine |
| CHP | combined heat and power plant |
References
- Qureshi, F.; Yusuf, M.; Kamyab, H.; Vo, D.-V.N.; Chelliapan, S.; Joo, S.-W.; Vasseghian, Y. Latest eco-friendly avenues on hydrogen production towards a circular bioeconomy: Currents challenges, innovative insights, and future perspectives. Renew. Sustain. Energy Rev. 2022, 168, 112916. [Google Scholar] [CrossRef]
- Viviana, C.; Genovese, M.; Fragiacomo, P. Comprehensive Review on Fuel Cell Technology for Stationary Applications as Sustainable and Efficient Poly-Generation Energy Systems. Energies 2021, 14, 4963. [Google Scholar] [CrossRef]
- Xu, Q.; Guo, Z.; Xia, L.; He, Q.; Li, Z.; Bello, I.T.; Zheng, K.; Ni, M. A comprehensive review of solid oxide fuel cells operating on various promising alternative fuels. Energy Convers. Manag. 2022, 253, 115175. [Google Scholar] [CrossRef]
- Golkhatmi, S.Z.; Asghar, M.I.; Lund, P.D. A review on solid oxide fuel cell durability: Latest progress, mechanisms, and study tools. Renew. Sustain. Energy Rev. 2022, 161, 112339. [Google Scholar] [CrossRef]
- Chehrmonavari, H.; Kakaee, A.; Hosseini, S.E.; Desideri, U.; Tsatsaronis, G.; Floerchinger, G.; Braun, R.; Paykani, A. Hybridizing solid oxide fuel cells with internal combustion engines for power and propulsion systems: A review. Renew. Sustain. Energy Rev. 2023, 171, 112982. [Google Scholar] [CrossRef]
- Azizi, M.A.; Brouwer, J. Progress in solid oxide fuel cell-gas turbine hybrid power systems: System design and analysis, transient operation, controls and optimization. Appl. Energy 2018, 215, 237–289. [Google Scholar] [CrossRef]
- Kumar, P.; Singh, O. A review of solid oxide fuel cell based hybrid cycles. Int. J. Energy Res. 2022, 46, 8560–8589. [Google Scholar] [CrossRef]
- Ezzat, M.F.; Dincer, I. Energy and exergy analyses of a novel ammonia combined power plant operating with gas turbine and solid oxide fuel cell systems. Energy 2020, 194, 116750. [Google Scholar] [CrossRef]
- Giarola, S.; Forte, O.; Lanzini, A.; Gandiglio, M.; Santarelli, M. Techno-economic assessment of biogas-fed solid oxide fuel cell combined heat and power system at industrial scale. Appl. Energy 2018, 211, 689–704. [Google Scholar] [CrossRef]
- Cao, Y.; Zoghi, M.; Habibi, H.; Raise, A. Waste heat recovery of a combined solid oxide fuel cell—Gas turbine system for multi-generation purposes. Appl. Therm. Eng. 2021, 198, 117463. [Google Scholar] [CrossRef]
- Filimonova, A.A.; Chichirov, A.A.; Chichirova, N.D.; Pechenkin, A.V. Review of design schemes for hybrid systems with solid oxide fuel equipment and a gas turbine for combined heat and power production. Appl. Energy 2015, 156, 32–85. [Google Scholar] [CrossRef]
- Buonomano, A.; Calise, F.; d’Accadia, M.D.; Palombo, A. Hybrid solid oxide fuel cells–gas turbine systems for combined heat and power: A review. Appl. Energy 2015, 156, 32–85. [Google Scholar] [CrossRef]
- Singh, M.; Zappa, D.; Comini, E. Solid oxide fuel cell: Decade of progress, future perspectives and challenges. Int. J. Hydrogen Energy 2021, 46, 27643–27674. [Google Scholar] [CrossRef]
- Schäfer, F.; Egger, S.; Steiner, D.; Carré, M.; Eichel, R.-A. Control of oxygen-to-carbon ratio and fuel utilization with regard to solid oxide fuel cell systems with anode exhaust gas recirculation: A review. J. Power Sources 2022, 524, 231077. [Google Scholar] [CrossRef]
- Fan, L.; Li, C.; van Biert, L.; Zhou, S.-H.; Tabish, A.N.; Mokhov, A.; Aravind, P.V.; Cai, W. Advances on methane reforming in solid oxide fuel cells. Renew. Sustain. Energy Rev. 2022, 166, 112646. [Google Scholar] [CrossRef]
- Cai, L.; He, T.; Xiang, Y.; Guan, Y. Study on the reaction pathways of steam methane reforming for H2 production. Energy 2020, 207, 118296. [Google Scholar] [CrossRef]
- Abdelkareem, M.A.; Tanveer, W.H.; Sayed, E.T.; Assad, M.E.H.; Allagui, A.; Cha, S. On the technical challenges affecting the performance of direct internal reforming biogas solid oxide fuel cells. Renew. Sustain. Energy Rev. 2019, 101, 361–375. [Google Scholar] [CrossRef]
- Gür, T.M. Comprehensive review of methane conversion in solid oxide fuel cells: Prospects for efficient electricity generation from natural gas. Prog. Energy Combust. Sci. 2016, 54, 1–64. [Google Scholar] [CrossRef]
- Fan, L.; Li, C.; Aravind, P.V.; Cai, W.; Han, M.; Brandon, N. Methane reforming in solid oxide fuel cells: Challenges and strategies. J. Power Sources 2022, 538, 231573. [Google Scholar] [CrossRef]
- Damo, U.M.; Ferrari, M.L.; Turan, A.; Massardo, A.F. Solid oxide fuel cell hybrid system: A detailed review of an environmentally clean and efficient source of energy. Energy 2019, 168, 235–246. [Google Scholar] [CrossRef]
- Korovin, N.V.; Sedlov, A.S.; Slavnov, Y.A.; Burov, V.D. Calculation of the efficiency of a hybrid power plant with a high-temperature fuel cell. Therm. Eng. 2007, 2, 49–53. [Google Scholar]
- Tsgoev, R.S. The use of power plants on fuel cells at thermal power plants. Therm. Power Eng. 2020, 8, 93–100. [Google Scholar]
- aus Bamberg, M.D. Thermal Management of Solid Oxide Cell Systems with Integrated Planar Heat Pipes. Ph.D. Thesis, Friedrich-Alexander-Universität Erlangen-Nürnberg (FAU), Erlangen, Germany, 2016. [Google Scholar]
- Duong, P.A.; Ryu, B.; Jung, J.; Kang, H. Thermal Evaluation of a Novel Integrated System Based on Solid Oxide Fuel Cells and Combined Heat and Power Production Using Ammonia as Fuel. Appl. Sci. 2022, 12, 6287. [Google Scholar] [CrossRef]
- Calise, F.; Dentice, M.; Vanoli, L.; von Spakovsky, M.R. Full load synthesis/design optimization of a hybrid SOFC GT power plant. Energy 2007, 32, 446–458. [Google Scholar] [CrossRef]
- Anisimov, P.N.; Medyakov, A.A.; Ostashenkov, A.P. Autonomic stationary combined power plants for power supply of industries. Energy Sav. Water Treat. 2021, 6, 14–19. [Google Scholar]
- Cheddie, D.F. Thermo-economic optimization of an indirectly coupled solid oxide fuel cell/gas turbine hybrid power plant. Int. J. Hydrogen Energy 2011, 36, 1702–1709. [Google Scholar] [CrossRef]
- Arsali, A.S. Thermoeconomic modeling and parametric study of hybrid SOFC gas turbine steam turbine power plants ranging from 1.5 to 10 MWe. J. Power Sources 2008, 181, 313–326. [Google Scholar] [CrossRef]
- George, R.A. Status of tubular SOFC field unit demonstrations. J. Power Sources 2000, 86, 134–139. [Google Scholar] [CrossRef]
- Seidler, S.; Henke, M.; Kallo, J.; Bessler, W.G.; Maier, U.; Friedrich, K.A. Pressurized solid oxide fuel cells: Experimental studies and modeling. J. Power Sources 2011, 196, 7195–7202. [Google Scholar] [CrossRef]
- Burbank, W., Jr.; Witmer, D.D.; Holcomb, F. Model of a novel pressurized solid oxide fuel cell gas turbine hybrid engine. J. Power Sources 2009, 193, 656–664. [Google Scholar] [CrossRef]
- Zhang, X.; Li, J.; Li, G.; Feng, Z. Dynamic modeling of a hybrid system of the solid oxide fuel cell and recuperative gas turbine. J. Power Sources 2006, 163, 523–531. [Google Scholar] [CrossRef]
- Lim, T.-H.; Song, R.-H.; Shin, D.-R.; Yang, J.-I.; Jung, H.; Vinke, I.; Yang, S.-S. Operating characteristics of a 5 kW class anode-supported planar SOFC stack for a fuel cell/gas turbine hybrid system. Int. J. Hydrogen Energy 2008, 33, 1076–1083. [Google Scholar] [CrossRef]
- Martina, H.; Andreas, H.; Manfred, A. Experimental investigation of a SOFC/MGT hybrid power plant test rig: Impact and characterization of a fuel cell emulator. In Proceedings of the ASME Turbo Expo 2016: Turbomachinery Technical Conference and Exposition, Seoul, Republic of Korea, 13–17 June 2016; American Society of Mechanical Engineers: New York, NY, USA, 2016. [Google Scholar] [CrossRef]
- Henke, M.; Steilen, M.; Schnegelberger, C.; Riedel, M.; Hohloch, M.; Bücheler, S.; Herbst, M.; Huber, A.; Kallo, J.; Friedrich, K.A. Construction of a 30kw SOFC gas turbine hybrid power plant. ECS Trans. 2015, 68, 85–88. [Google Scholar] [CrossRef]
- Chen, Y.; Wang, M.; Liso, V.; Samsatli, S.; Samsatli, N.J.; Jing, R.; Chen, J.; Li, N.; Zhao, Y. Parametric analysis and optimization for exergoeconomic performance of a combined system based on solid oxide fuel cell-gas turbine and supercritical carbon dioxide Brayton cycle. Energy Convers. Manag. 2019, 186, 66–81. [Google Scholar] [CrossRef]
- Veyo, S.E.; Shockling, L.A.; Dederer, J.T.; Gillett, J.E.; Lundberg, W.L. Tubular solid oxide fuel cell/gas turbine hybrid cycle power systems: Status. J. Eng. Gas Turbines Power 2002, 124, 845–849. [Google Scholar] [CrossRef]
- Zaccaria, V.; Tucker, D.; Traverso, A. Operating strategies to minimize degradation in fuel cell gas turbine hybrids. Appl. Energy 2017, 192, 437–445. [Google Scholar] [CrossRef]
- Kim, S.J.; Choi, M.-B.; Park, M.; Kim, H.; Son, J.-W.; Lee, J.-H.; Kim, B.-K.; Lee, H.-W.; Kim, S.-G.; Yoon, K.J. Acceleration tests: Degradation of anode-supported planar solid oxide fuel cells at elevated operating temperatures. J. Power Sources 2017, 360, 284–293. [Google Scholar] [CrossRef]
- Das, H.S.; Salem, M.; Zainuri, M.A.A.M.; Dobi, A.M.; Li, S.; Ullah, H. A comprehensive review on power conditioning units and control techniques in fuel cell hybrid systems. Energy Rep. 2022, 8, 14236–14258. [Google Scholar] [CrossRef]
- Al-Othman, A.; Tawalbeh, M.; Martis, R.; Dhou, S.; Orhan, M.; Qasim, M.; Olabi, A.G. Artificial intelligence and numerical models in hybrid renewable energy systems with fuel cells: Advances and prospects. Energy Convers. Manag. 2022, 253, 115154. [Google Scholar] [CrossRef]
- Kulor, F.; Markus, E.D.; Kanzumba, K. Design and control challenges of hybrid, dual nozzle gas turbine power generating plant: A critical review. Energy Rep. 2021, 7, 324–335. [Google Scholar] [CrossRef]
- Hosseini, S.; Ahmed, K.; Tadé, M.O. CFD model of a methane fuelled single cell SOFC stack for analysing the combined effects of macro/micro structural parameters. J. Power Sources 2013, 234, 180–196. [Google Scholar] [CrossRef]
- Becker, W.L.; Braun, R.J.; Penev, M.; Melaina, M. Design and technoeconomic performance analysis of a 1MW solid oxide fuel cell polygeneration system for combined production of heat, hydrogen, and power. J. Power Sources 2012, 200, 34–44. [Google Scholar] [CrossRef]
- Zink, F.; Lu, Y.; Schaefer, L. A solid oxide fuel cell system for buildings. Energy Convers. Manag. 2007, 48, 809–818. [Google Scholar] [CrossRef]
- Homel, M.; Gür, T.M.; Koh, J.H.; Virkar, A.V. Carbon monoxide-fueled solid oxide fuel cell. J. Power Sources 2010, 195, 6367–6372. [Google Scholar] [CrossRef]
- Leal, E.M.; Bortolaia, L.A.; Junior, A.M.L. Technical analysis of a hybrid solid oxide fuel cell/gas turbine cycle. Energy Convers. Manag. 2019, 202, 112195. [Google Scholar] [CrossRef]
- Li, Y.; Wang, L.; Sharma, S.; Zhang, G.; Zhang, L.; Maréchal, F. Design and optimization of a solid oxide fuel cell-inverted gas turbine integrated system with zero carbon emission for distributed cogeneration. Energy Convers. Manag. 2022, 268, 116036. [Google Scholar] [CrossRef]
- Guo, Y.; Yu, Z.; Li, G.; Zhao, H. Performance assessment and optimization of an integrated solid oxide fuel cell-gas turbine cogeneration system. Int. J. Hydrogen Energy 2020, 45, 17702–17716. [Google Scholar] [CrossRef]
- Hedberg, G.; Hamilton, R.; McLarty, D. Design and performance analysis of a de-coupled solid oxide fuel cell gas turbine hybrid. Int. J. Hydrogen Energy 2020, 45, 30980–30993. [Google Scholar] [CrossRef]
- Mehrpooya, M.; Akbarpour, S.; Vatani, A.; Rosen, M.A. Modeling and optimum design of hybrid solid oxide fuel cell-gas turbine power plants. Int. J. Hydrogen Energy 2014, 39, 21196–21214. [Google Scholar] [CrossRef]
- Leucht, F.; Bessler, W.G.; Kallo, J.K.; Friedrich, A.; Müller-Steinhagen, H. Fuel cell system modeling for solid oxide fuel cell/gas turbine hybrid power plants, Part I: Modeling and simulation framework. J. Power Sources 2011, 196, 1205–1215. [Google Scholar] [CrossRef]
- Pirkandi, J.; Mahmoodi, M.; Ommian, M. An optimal configuration for a solid oxide fuel cell-gas turbine (SOFC-GT) hybrid system based on thermo-economic modelling. J. Clean. Prod. 2017, 144, 375–386. [Google Scholar] [CrossRef]
- Facchinetti, E.; Favrat, D.; Marechal, F. Design and Optimization of an Innovative Solid Oxide Fuel Cell–Gas Turbine Hybrid Cycle for Small Scale Distributed Generation. Fuel Cells 2014, 14, 595–606. [Google Scholar] [CrossRef]
- Wongchanapai, S.; Iwai, H.; Saito, M.; Yoshida, H. Performance evaluation of a direct-biogas solid oxide fuel cell-micro gas turbine (SOFC-MGT) hybrid combined heat and power (CHP) system. J. Power Sources 2013, 223, 9–17. [Google Scholar] [CrossRef]
- Pirkandi, J.; Penhani, H.; Maroufi, A. Thermodynamic analysis of the performance of a hybrid system consisting of steam turbine, gas turbine and solid oxide fuel cell (SOFC-GT-ST). Energy Convers. Manag. 2020, 213, 112816. [Google Scholar] [CrossRef]
- Choi, J.H.; Ahn, J.H.; Kim, T.S. Performance of a triple power generation cycle combining gas/steam turbine combined cycle and solid oxide fuel cell and the influence of carbon capture. Appl. Therm. Eng. 2014, 71, 301–309. [Google Scholar] [CrossRef]
- Rokni, M. Plant characteristics of an integrated solid oxide fuel cell cycle and a steam cycle. Energy 2010, 35, 4691–4699. [Google Scholar] [CrossRef]
- Rokni, M. Performance Comparison on Repowering of a Steam Power Plant with Gas Turbines and Solid Oxide Fuel Cells. Energies 2016, 9, 399. [Google Scholar] [CrossRef]
- Ehyaei, M.A.; Rosen, M.A. Optimization of a triple cycle based on a solid oxide fuel cell and gas and steam cycles with a multiobjective genetic algorithm and energy, exergy and economic analyses. Energy Convers. Manag. 2019, 180, 689–708. [Google Scholar] [CrossRef]







| SOFC | SOFC/GT | SOFC/GT/ST | |
|---|---|---|---|
| Features | - Quick response to load changes; - Uncomplicated sealing between fuel and oxidizer flows; - Low capital costs; - Small dimensions; - Simplicity of the production process | - High electrical efficiency; - Complexity of process control; - High cost; - Flexibility of the system | - At a high temperature of the exhaust gases, the greatest efficiency is achieved; - High capital costs; - Complexity of the system; - Suitable for high capacities; - System is inertial |
| Capacity | From W to MW power class | Pilot plants of only KW power class | Analysis or simulation models only |
| Electrical efficiency | Up to 55% | Up to 65% | Up to 75% |
| Application area | - Distributed generation; - Objects of social infrastructure; - Individual heat and power supply of residential buildings | - Thermal power plants | - Thermal power plants |
| Economical aspects | USD 2000/kW | USD 3000/kW | USD 4500/kW |
| Reference | aus Bamberg, 2016 [23] Hosseini, 2013 [43] Becker, 2012 [44] Zink, 2007 [45] Homel, 2010 [46] | Cheddie, 2011 [27] Leal, 2019 [47] Li, 2022 [48] Guo, 2020 [49] Hedberg, 2020 [50] Mehrpooya, 2014 [51] Leucht, 2011 [52] Pirkandi, 2017 [53] Facchinetti, 2014 [54] Wongchanapai, 2013 [55] | Pirkandi, 2020 [56] Choi, 2014 [57] Rokni, 2010 [58] Rokni, 2016 [59] Ehyaei, 2019 [60] |
Disclaimer/Publisher’s Note: The statements, opinions and data contained in all publications are solely those of the individual author(s) and contributor(s) and not of MDPI and/or the editor(s). MDPI and/or the editor(s) disclaim responsibility for any injury to people or property resulting from any ideas, methods, instructions or products referred to in the content. |
© 2023 by the authors. Licensee MDPI, Basel, Switzerland. This article is an open access article distributed under the terms and conditions of the Creative Commons Attribution (CC BY) license (https://creativecommons.org/licenses/by/4.0/).
Share and Cite
Iliev, I.K.; Filimonova, A.A.; Chichirov, A.A.; Chichirova, N.D.; Pechenkin, A.V.; Vinogradov, A.S. Theoretical and Experimental Studies of Combined Heat and Power Systems with SOFCs. Energies 2023, 16, 1898. https://doi.org/10.3390/en16041898
Iliev IK, Filimonova AA, Chichirov AA, Chichirova ND, Pechenkin AV, Vinogradov AS. Theoretical and Experimental Studies of Combined Heat and Power Systems with SOFCs. Energies. 2023; 16(4):1898. https://doi.org/10.3390/en16041898
Chicago/Turabian StyleIliev, Iliya Krastev, Antonina Andreevna Filimonova, Andrey Alexandrovich Chichirov, Natalia Dmitrievna Chichirova, Alexander Vadimovich Pechenkin, and Artem Sergeevich Vinogradov. 2023. "Theoretical and Experimental Studies of Combined Heat and Power Systems with SOFCs" Energies 16, no. 4: 1898. https://doi.org/10.3390/en16041898
APA StyleIliev, I. K., Filimonova, A. A., Chichirov, A. A., Chichirova, N. D., Pechenkin, A. V., & Vinogradov, A. S. (2023). Theoretical and Experimental Studies of Combined Heat and Power Systems with SOFCs. Energies, 16(4), 1898. https://doi.org/10.3390/en16041898

