Model of an Air Transformer for Analyses of Wireless Power Transfer Systems
Abstract
1. Introduction
2. Literature Review
3. Model Form
4. Investigated Devices
4.1. Air Transformer
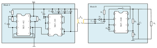
4.2. System for Wireless Power Transfer
5. Measurement Setups
5.1. Measurement of the Air Transformer’s Parameters
5.2. Measurement of WPT System Parameters
6. Investigation Results
6.1. Investigation of Properties of an Air Transformer
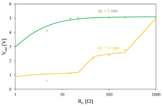
6.2. Investigation of the WPT System
7. Conclusions
Author Contributions
Funding
Data Availability Statement
Conflicts of Interest
References
- Alam, B.; Islam, N.; Bubhan, I.; Sarfraz, M. Analysis and Modelling of Basic Wireless Power Transfer Compensation Topology: A review. In Intelligent Data Analytics for Power and Energy Systems; Malik, H., Ahmad, M.W., Kothari, D., Eds.; Lecture Notes in Electrical Engineering; Springer: Singapore, 2022; Volume 802, pp. 501–515. [Google Scholar] [CrossRef]
- Valone, T.F. Geoengineering Tesla’s Wireless Power Transmission. ExtraOrdinary Science & Technology. 2017; pp. 31–42. Available online: https://www.researchgate.net/publication/320335847_Geoengineering_Tesla%27s_Wireless_Power_Transmission (accessed on 29 December 2022).
- Kurs, A.; Karalis, A.; Moffatt, R.; Joannopoulos, J.D.; Fisher, P.; Soljačić, M. Wireless power transfer via strongly coupled magnetic resonances. Science 2007, 317, 83–86. [Google Scholar] [CrossRef] [PubMed]
- Mohsan, S.; Khan, M.A.; Rokia, L.S.R.; Islam, A.; Mahmood, A.; Mazinani, A.; Amjad, H. A review on Research Challenges, Limitation and Practical Solution for Underwater Wireless Power Transfer. Int. J. Adv. Comput. Sci. Appl. 2020, 11, 554–562. [Google Scholar] [CrossRef]
- Coca, E. Wireless Power Transfer Fundamentals and Technologies; InTechOpen: London, UK, 2016. [Google Scholar]
- Moore, J.; Castellanos, S.; Xu, S.; Wood, B.; Ren, H.; Tse, Z.T.H. Applications of Wireless Power Transfer in Medicine: State-of-the-Art Reviews. Ann. Biomed. Eng. 2018, 47, 22–38. [Google Scholar] [CrossRef] [PubMed]
- Barbruni, G.L.; Ros, P.M.; Demarchi, D.; Carrara, S.; Ghezzi, D. Miniaturised Wireless Power Transfer Systems for Neurostimulation: A Review. IEEE Trans. Biomed. Circuits Syst. 2020, 14, 1160–1178. [Google Scholar] [CrossRef] [PubMed]
- Detka, K.; Górecki, K. Wireless power transfer—A review. Energies 2022, 15, 7236. [Google Scholar] [CrossRef]
- Barsukov, Y.; Qian, J. Battery Power Management for Portable Devices; Artech House Power Engineering: Norwood, MA, USA, 2013. [Google Scholar]
- Filipiak, M.; Głuchy, D. Analiza Wybranych Układów w Technice Bezprzewodowego Przesyłu Energii Elektrycznej. Poznan Univ. Technol. Acad. J. 2013, 74, 227–235. [Google Scholar]
- Okoyeigbo, O.; Olajube, A.; Shobayo, O.; Aligbe, A.; Ibhaze, A. Wireless power transfer: A review. IOP Conf. Ser. Earth Environ. Sci. 2021, 655, 012032. [Google Scholar] [CrossRef]
- Shan, D.; Wang, H.; Cao, K.; Zhang, J. Wireless power transfer system with enhanced efficiency by using frequency reconfigurable metamaterial. Sci. Rep. 2022, 12, 331. [Google Scholar] [CrossRef] [PubMed]
- Górski, K.; Kozieł, M.; Zawadzki, J.; Rosińska, K. Low power systems for energy harvesting [Układy do pozyskiwania energii elektrycznej małej mocy]. Przegląd Elektrotechniczny 2022, 98, 91–94. [Google Scholar]
- Ongaro, F.; Summerer, L. Peter Glaser lecture: Space and a sustainable 21st century energy system. In Proceedings of the 57th International Astronautical Congress, Valencia, Spain, 2–6 October 2006. Paper IAC-06-C3.1.01. [Google Scholar]
- Rim, C.T.; Mi, C. Wireless Power Transfer for Electric Vehicles and Mobile Devices; John Wiley and Sons: West Sussex, UK, 2017. [Google Scholar]
- Van den Bossche, A.; Valchev, V. Inductor and Transformers for Power Electronic; CRC Press: Boca Raton, FL, USA, 2005. [Google Scholar]
- Mou, X.; Sun, H. Wireless Power Transfer: Survey and Roadmap. In Proceedings of the 2015 IEEE 81st Vehicular Technology Conference (VTC Spring), Glasgow, UK, 11–14 May 2015; pp. 1–5. [Google Scholar] [CrossRef]
- Marcinek, M. Rezonansowy Układ Przekształtnikowy z Aktywną Stabilizacją Punktu Pracy w Systemach Bezstykowego Przekazywania Energii. Ph.D. Thesis, Zachodniopomorski Uniwersytet Technologiczny w Szczecinie, Szczecin, Poland, 2015. [Google Scholar]
- Kevin, L. Comparative Study of Different Coil Geometries for Wireless Power Transfer. 2016. Available online: http://utpedia.utp.edu.my/17133/1/Final%20Dissertation%20%28Final%29%20-%20Lau%20Kevin%2016392.pdf (accessed on 29 December 2022).
- Murakami, R.; Inamori, M.; Morimoto, M. Effects of Q factor on wireless power transmission by magnetic resonant coupling. In Proceedings of the 2016 IEEE International Conference on Power and Renewable Energy (ICPRE), Shanghai, China, 21–23 October 2016; pp. 139–143. [Google Scholar] [CrossRef]
- Wen, H.; Zhang, C. Investigation on transmission efficiency for magnetic materials in a wireless power transfer system. In Proceedings of the 2015 IEEE 11th International Conference on Power Electronics and Drive Systems, Sydney, Australia, 9–12 June 2015; pp. 249–253. [Google Scholar] [CrossRef]
- Imielski, A.; Wasowicz, S. Mutual inductance coefficient of air-core transformers. Archiv Elektrotechnik 1988, 71, 69–75. [Google Scholar] [CrossRef]
- Zeller, M. Właściwości układu bezprzewodowego przesyłu energii elektrycznej przy uwzględnieniu odkształceń prądów. Przegląd Elektrotechniczny 2019, 95, 102–109. [Google Scholar] [CrossRef]
- Agnaebrahimi, M.; Menzies, R. Air-core Transformer: A theoretical Analysis and Digital Simulations. In Proceedings of the International Conference on Power Systems Transients IPST’97, Seattle, WA, USA, 22–26 June 1997; pp. 117–122. [Google Scholar]
- Liao, Z.-J.; Wu, F.; Jiang, C.-H.; Chen, Z.-R.; Xia, C.-Y. Analysis and Design of Ideal Transformer-Like Magnetic Coupling Wireless Power Transfer Systems. IEEE Trans. Power Electron. 2022, 37, 15728–15739. [Google Scholar] [CrossRef]
- Fernández, C.; Prieto, R.; Garcia, O.; Cobos, J. Coreless Magnetic Transformer Design Procedure. In Proceedings of the 2005 IEEE 36th Power Electronics Specialists Conference, Dresden, Germany, 16 June 2005; pp. 1548–1554. [Google Scholar] [CrossRef]
- ElGhanam, E.A.; Hassan, M.S.; Osman, A. Design and Finite Element Modeling of The Inductive Link in Wireless Electric Vehicle Charging Systems. In Proceedings of the 2020 IEEE Transportation Electrification Conference & Expo (ITEC), Chicago, IL, USA, 24–26 June 2020; pp. 389–394. [Google Scholar] [CrossRef]
- Jayalath, S.; Khan, A. Design, Challenges, and Trends of Inductive Power Transfer Couplers for Electric Vehicles: A Review. IEEE J. Emerg. Sel. Top. Power Electron. 2021, 9, 6196–6218. [Google Scholar] [CrossRef]
- Rigot, V.; Phulpin, T.; Sadarnac, D.; Sakly, J. A new design of an air core transformer for Electric Vehicle On-Board Charger. In Proceedings of the 2020 22nd European Conference on Power Electronics and Applications (EPE’20 ECCE Europe), Lyon, France, 7–11 September 2020; pp. 1–9. [Google Scholar] [CrossRef]
- Liang, B.; Mao, Z.; Zhang, K.; Liu, P. Analysis and Optimal Design of a WPT Coupler for Underwater Vehicles Using Non-Dominated Sorting Genetic Algorithm. Appl. Sci. 2022, 12, 2015. [Google Scholar] [CrossRef]
- Pugi, L.; Grasso, F.; Paolucci, L.; Luchetti, L.; Zini, G. Finite Element Analysis of Copper Wire for Wireless Power Transfer Applications. In Proceedings of the 2022 IEEE 21st Mediterranean Electrotechnical Conference (MELECON), Palermo, Italy, 14–16 June 2022; pp. 801–806. [Google Scholar] [CrossRef]
- Stankiewicz, J. Comparison of the efficiency of the WPT system using circular or square planar coils. Przegląd Elektrotechniczny 2021, 97, 38–43. [Google Scholar] [CrossRef]
- Górecki, K.; Detka, K.; Górski, K. Compact Thermal Model of the Pulse Transformer Taking into Account Nonlinearity of Heat Transfer. Energies 2020, 13, 2766. [Google Scholar] [CrossRef]
- Górecki, P.; Górecki, K. Measurements and Computations of Internal Temperatures of the IGBT and the Diode Situated in the Common Case. Electronics 2021, 10, 210. [Google Scholar] [CrossRef]
- Catalog Data of WPT Systems. Available online: https://www.digikey.jp/htmldatasheets/production/2104059/0/0/1/106990017.html (accessed on 18 September 2022).
- Wireless_Power__SKU_DFR0362_-DFRobot. Available online: https://www.dfrobot.com/product-1284.html (accessed on 29 December 2022).
- AETECHRON. Catalog Data. Available online: https://www.google.com/url?sa=t&rct=j&q=&esrc=s&source=web&cd=&ved=2ahUKEwiJ8aO256D6AhWOxIsKHRm4D-UQFnoECAIQAQ&url=https%3A%2F%2Faetechron.com%2Fpdf%2Fservice%2F7228_OperatorManual.pdf&usg=AOvVaw0ZrUdH3pt-xIp7ZGSRwcwS (accessed on 18 September 2022).
- Technical Data FLIR i5. Available online: https://www.elfadistrelec.pl/Web/Downloads/n_/51/i5_60101-0201_en_51.pdf (accessed on 29 December 2022).
- Optex Product Information. Available online: http://www.dewetron.cz/optex/katlisty/PT-3S.pdf (accessed on 18 September 2022).
- Multimeter GWINSTEK LCR Meter Product Information. Available online: https://www.gwinstek.com/en-global/products/downloadSeriesDownNew/10096/742 (accessed on 12 October 2022).


















| Component | a | B | c |
|---|---|---|---|
| Lp | 0 | 5.6 pH/s | 3.55 μH |
| LS | 6 × 10−20 H/s2 | −10−13 H/s | 9.11 μH |
| RP | 5.8 × 10−14 Ω/s2 | 2 × 10−7 Ω/s | 19 mΩ |
| RS | 5.6 × 10−13 Ω/s2 | 2 × 10−9 Ω/s | 55 mΩ |
| Component | Value | Component | Value | Component | Value |
|---|---|---|---|---|---|
| R1 [kΩ] | 2.7 | C1 [nF] | 1 | C4 [nF] | 39 |
| R2 [kΩ] | 30 | C2 [µF] | 47 | C5 [nF] | 39 |
| R3 [kΩ] | 30 | C3 [nF] | 39 | C6 [nF] | 39 |
| Component | Value | Component | Value |
|---|---|---|---|
| R1 [kΩ] | 100 | C1 [nF] | 6.8 |
| R2 [kΩ] | 6.2 | C2 [µF] | 10 |
| R3 [kΩ] | 2 | C3 [µF] | 10 |
| L1 [µH] | 15 |
| Parameter | Value |
|---|---|
| Input DC voltage [V] | 5 |
| Output DC voltage [V] | 5 |
| Maximum output DC current [A] | 1.2 |
| Distance (transmitter–receiver) [mm] | 2–10 |
Disclaimer/Publisher’s Note: The statements, opinions and data contained in all publications are solely those of the individual author(s) and contributor(s) and not of MDPI and/or the editor(s). MDPI and/or the editor(s) disclaim responsibility for any injury to people or property resulting from any ideas, methods, instructions or products referred to in the content. |
© 2023 by the authors. Licensee MDPI, Basel, Switzerland. This article is an open access article distributed under the terms and conditions of the Creative Commons Attribution (CC BY) license (https://creativecommons.org/licenses/by/4.0/).
Share and Cite
Detka, K.; Górecki, K.; Ptak, P. Model of an Air Transformer for Analyses of Wireless Power Transfer Systems. Energies 2023, 16, 1391. https://doi.org/10.3390/en16031391
Detka K, Górecki K, Ptak P. Model of an Air Transformer for Analyses of Wireless Power Transfer Systems. Energies. 2023; 16(3):1391. https://doi.org/10.3390/en16031391
Chicago/Turabian StyleDetka, Kalina, Krzysztof Górecki, and Przemysław Ptak. 2023. "Model of an Air Transformer for Analyses of Wireless Power Transfer Systems" Energies 16, no. 3: 1391. https://doi.org/10.3390/en16031391
APA StyleDetka, K., Górecki, K., & Ptak, P. (2023). Model of an Air Transformer for Analyses of Wireless Power Transfer Systems. Energies, 16(3), 1391. https://doi.org/10.3390/en16031391

