Simulation of a Building with Hourly and Daily Varying Ventilation Flow: An Application of the Simulink S-Function
Abstract
1. Introduction
2. Materials and Methods
2.1. Linear Time-Varying State-Space Thermal Model of a Building Zone
2.1.1. Theoretical Background
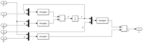
2.1.2. Time-Varying Matrix in Matlab/Simulink
/* first parameter: gain */ #define K_IDX 0 #define K_PARAM(S) ssGetSFcnParam(S,K_IDX) /* second parameter: sample time */ #define SAMPLE_TIME_IDX 1 #define SAMPLE_TIME_PARAM(S)ssGetSFcnParam(S,SAMPLE_TIME_IDX) #define NPARAMS 2
#define NOUTPUTS mxGetM(K_PARAM(S)) /* rows of K */ #define NINPUTS mxGetN(K_PARAM(S)) /* columns of K */
numInputs = NINPUTS + matrix_size;and the S-function has a single input port whose width is set by the following numInputs:
if (!ssSetNumInputPorts(S, 1)) return; ssSetInputPortWidth(S, 0, numInputs);
if (!ssSetNumOutputPorts(S, 1)) return; ssSetOutputPortWidth(S, 0, NOUTPUTS);
staticvoidmdlOutputs(SimStruct*S, int_Ttid) { real_T*y= ssGetOutputPortRealSignal(S,0); InputRealPtrsTypeuPtrs = ssGetInputPortRealSignalPtrs(S,0); real_T*kPtr = ssGetRWork(S); size_ti,j; real_Taccum; UNUSED_ARG(tid); /* Matrix Multiply: y = K * u */ for (i = 0; i< NOUTPUTS; i++) { accum = 0.0; /* K * u */ for (j = 0; j < NINPUTS; j++) { accum += kPtr[i + NOUTPUTS*j] * U(j); } y[i] = accum; } }
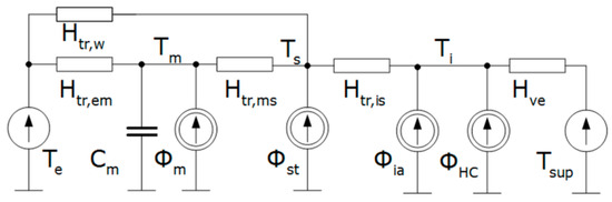
2.2. Thermal Network Model of EN ISO 13790
2.3. The 5R1C Network in Matlab/Simulink
2.4. Validation of the Model
- qve—current hourly ventilation airflow rate, m3/s;
- qve,des—design ventilation airflow rate, m3/s;
- Fschedule—user-defined schedule value (dimensionless);
- vvind—wind velocity, m/s;
- a, b, c, d—user-defined coefficients (dimensionless).
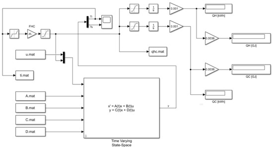
2.5. Evaluation of the Model
3. Results and Discussion
3.1. Energy Use for Space Heating and Cooling
3.2. Indoor Air Temperature
3.3. Operative Temperature
4. Conclusions
Funding
Data Availability Statement
Conflicts of Interest
References
- Both, W. Measurement of the thermal impedance of laser diodes via thermal transients. J. Therm. Anal. 1988, 34, 1311–1320. [Google Scholar] [CrossRef]
- Lauster, M.; Teichmann, J.; Fuchs, M.; Streblow, R.; Mueller, D. Low order thermal network models for dynamic simulations of buildings on city district scale. Build. Environ. 2014, 73, 223–231. [Google Scholar] [CrossRef]
- Low, Y.L.; See, B.L.I.; Tan, C.P.H.; Mou, J.Q.; Ong, E.H. Thermal network model for temperature prediction in hard disk drive. Microsyst. Technol. 2009, 15, 1653–1656. [Google Scholar] [CrossRef]
- Ziapour, B.M.; Shaker, H. Heat transfer characteristics of a two-phase closed thermosyphon using different working fluids. Heat Mass Transf. 2010, 46, 307–314. [Google Scholar] [CrossRef]
- Ma, L.; Yang, Y.; Liu, J. Cooling of high power LEDs through ventilating ambient air to front surface of chip. Heat Mass Transf. 2013, 49, 85–94. [Google Scholar] [CrossRef]
- Ghorbani, M.; Akbarpour, S. The multi-zone model of the low heat rejection engine for DI diesel injection engines. J. Braz. Soc. Mech. Sci. Eng. 2016, 38, 365–375. [Google Scholar] [CrossRef]
- Jung, S.; Park, S.H.; Choi, B.C. Power control strategy for preventing thermal failure of passively cooled automotive battery packs. Int. J. Automot. Technol. 2017, 18, 117–124. [Google Scholar] [CrossRef]
- Sameti, M.; Kasaeian, A. Numerical simulation of combined solar passive heating and radiative cooling for a building. Build. Simul. 2015, 8, 239–253. [Google Scholar] [CrossRef]
- Deng, J.; Yang, X.; Xu, Y.; Yang, M. Entransy analysis on the thermal performance of flat plate solar air collectors. Build. Simul. 2017, 10, 193–202. [Google Scholar] [CrossRef]
- Buonomano, A.; Forzano, C.; Kalogirou, S.A.; Kyriakou, C.; Palombo, A. Building façade integrated solar thermal collectors for water heating: Simulation model and case studies. In Proceedings of the First International Conference on Building Integrated Renewable Energy Systems, Dublin, Ireland, 6–9 March 2017. [Google Scholar]
- Chen, H.; Wang, X. A modified zone model for estimating equivalent room thermal capacity. Front. Energy 2013, 3, 351–357. [Google Scholar] [CrossRef]
- Dong, B.; Gorbounov, M.; Yuan, S.; Wu, T.; Srivastav, A.; Bailey, T.; O’Neill, Z. Integrated energy performance modeling for a retail store building. Build. Simul. 2013, 6, 283–295. [Google Scholar] [CrossRef]
- Mara, T.A.; Tarantola, S. Application of Global Sensitivity Analysis of Model Output to Building Thermal Simulations. Build. Simul. 2008, 1, 290–302. [Google Scholar] [CrossRef]
- Bertagnolio, S.; Andre, P.; Lemort, V. Simulation of a building and its HVAC system with an equation solver: Application to audit. Build. Simul. 2010, 3, 139–152. [Google Scholar] [CrossRef]
- Belić, F.; Slišković, D.; Hocenski, Ž. Detailed Thermodynamic Modeling of Multi-Zone Buildings with Resistive-Capacitive Method. Energies 2021, 14, 7051. [Google Scholar] [CrossRef]
- Ahn, J. Thermal Control Processes by Deterministic and Network-Based Models for Energy Use and Control Accuracy in a Building Space. Processes 2021, 9, 385. [Google Scholar] [CrossRef]
- Freier, J.; Ceccolini, C.; Arnold, M.; Hesselbach, J. A Lumped-Capacitance Model for the Assessment of Energy Flexibility in different Building Typologies. In Proceedings of the 2020 55th International Universities Power Engineering Conference (UPEC), Turin, Italy, 1–4 September 2020; pp. 1–6. [Google Scholar] [CrossRef]
- Underwood, C.P. An improved lumped parameter method for building thermal modelling. Energy Build. 2014, 79, 191–201. [Google Scholar] [CrossRef]
- Tindale, A. Third-order lumped-parameter simulation method. Build. Serv. Eng. Res. Technol. 1993, 14, 87–97. [Google Scholar] [CrossRef]
- Lombard, C.; Mathews, E. A two-port envelope model for building heat transfer. Build. Environ. 1998, 34, 19–30. [Google Scholar] [CrossRef]
- Gouda, M.; Danaher, S.; Underwood, C. Low-order model for the simulation of a building and its heating system. Build. Serv. Eng. Res. Technol. 2000, 21, 199–208. [Google Scholar] [CrossRef]
- EN ISO 13790; Energy Performance of Buildings—Calculation of Energy Use for Space Heating and Cooling. International Organization for Standardization: Geneva, Switzerland, 2009.
- Mijakowski, M.; Narowski, P.; Sowa, J. Integrated calculations of thermal behaviour of buildings and processes in AHU—The tool for assessment of energy performance of complex buildings. In Proceedings of the Eleventh International IBPSA Conference, Glasgow, Scotland, 27–30 July 2009; pp. 875–882. Available online: http://www.ibpsa.org/proceedings/bs2009/bs09_0875_882.pdf (accessed on 14 September 2023).
- Zangheri, P.; Armani, R.; Pietrobon, M.; Pagliano, L.; Boneta, M.F.; Müller, A. Heating and Cooling Energy Demand and Loads for Building Types in Different Countries of the EU; Report in the Frame of the EU Project ENTRANZE; Politecnico di Milano: Milan, Italy, 2014; Available online: https://www.entranze.eu/files/downloads/D2_3/Heating_and_cooling_energy_demand_and_loads_for_building_types_in_different_countries_of_the_EU.pdf (accessed on 22 August 2023).
- Tagliabue, L.C.; Buzzetti, M.; Marenzi, G. Energy performance of greenhouse for energy saving in buildings. Energy Procedia 2012, 30, 1233–1242. [Google Scholar] [CrossRef][Green Version]
- Barwińska Małajowicz, A.; Knapková, M.; Szczotka, K.; Martinkovičová, M.; Pyrek, R. Energy Efficiency Policies in Poland and Slovakia in the Context of Individual Well-Being. Energies 2023, 16, 116. [Google Scholar] [CrossRef]
- Barwińska-Małajowicz, A.; Pyrek, R.; Szczotka, K.; Szymiczek, J.; Piecuch, T. Improving the Energy Efficiency of Public Utility Buildings in Poland through Thermomodernization and Renewable Energy Sources—A Case Study. Energies 2023, 16, 4021. [Google Scholar] [CrossRef]
- Szczotka, K.; Barwińska-Małajowicz, A.; Szymiczek, J.; Pyrek, R. Thermomodernization as a Mechanism for Improving Energy Efficiency and Reducing Emissions of Pollutants into the Atmosphere in a Public Utility Building. Energies 2023, 16, 5026. [Google Scholar] [CrossRef]
- Hesaraki, A.; Myhren, J.A.; Holmberg, S. Multi-zone Demand-controlled Ventilation in Residential Buildings: An experimental case study. In Proceedings of the 35th AIVC Conference, 4th TightVent Conference and 2nd Venticool Conference, Poznań, Poland, 24–25 September 2014. [Google Scholar]
- Ben-David, T.; Rackes, A.; Lo, L.J.; Wen, J.; Waring, M.S. Optimizing ventilation: Theoretical study on increasing rates in offices to maximize occupant productivity with constrained additional energy use. Build. Environ. 2019, 166, 106314. [Google Scholar] [CrossRef]
- Witkowska, A.; Krawczyk, D.A.; Rodero, A. Investment Costs of Heating in Poland and Spain—A Case Study. Proceedings 2019, 16, 40. [Google Scholar] [CrossRef]
- Mokhtari, F.; Semmar, D.; Chikhi, M.; Merzouk, N.K.; Oukaci, S. Investigation of the improvement building envelope impact on energy consumption using energy audit. MATEC Web Conf. 2020, 307, 01031. [Google Scholar] [CrossRef][Green Version]
- Franco, A.; Schito, E. Definition of Optimal Ventilation Rates for Balancing Comfort and Energy Use in Indoor Spaces Using CO2 Concentration Data. Buildings 2020, 10, 135. [Google Scholar] [CrossRef]
- Rucińska, J.; Trząski, A. Measurements and Simulation Study of Daylight Availability and Its Impact on the Heating, Cooling and Lighting Energy Demand in an Educational Building. Energies 2020, 13, 2555. [Google Scholar] [CrossRef]
- Bonomolo, M.; Di Lisi, S.; Leone, G. Building Information Modelling and Energy Simulation for Architecture Design. Appl. Sci. 2021, 11, 2252. [Google Scholar] [CrossRef]
- Campana, J.P.; Morini, G.L. BESTEST and EN ISO 52016 Benchmarking of ALMABuild, a New Open-Source Simulink Tool for Dynamic Energy Modelling of Buildings. Energies 2019, 12, 2938. [Google Scholar] [CrossRef]
- Corbin, C.D.; Henze, G.P.; May-Ostendorp, P. A model predictive control optimization environment for real-time commercial building application. J. Build. Perform. Simul. 2013, 6, 159–174. [Google Scholar] [CrossRef]
- Marenzi, G. Building Simulation Models in Control Systems for Energy Efficiency. Ph.D. Thesis, Polytechnic University of Milan, Milan, Italy, 2017. Available online: https://www.politesi.polimi.it/handle/10589/132577?mode=full (accessed on 1 December 2023).
- Zadeiks, K.; Senfelds, A.; Avotins, A.; Dzenis, M. Development of Dynamic Simulation Model for Building Energy Management Systems. In Proceedings of the ERDEV 2018, Jelgava, Latvia, 23–25 May 2018; Available online: https://www.tf.lbtu.lv/conference/proceedings2018/Papers/N374.pdf (accessed on 10 July 2023).
- Dzelzitis, E.; Zadeiks, K.; Avotins, A.; Senfelds, A. Selection of Key Parameters for Energy Management of Building Heating Systems. In Proceedings of the 2019 Nordic Workshop on Power and Industrial Electronics (NORPIE), Narvik, Norway, 25–27 September 2019; pp. 1–8. [Google Scholar] [CrossRef]
- Buonomano, A.; Forzano, C.; Kalogirou, S.A.; Palombo, A. Building-façade integrated solar thermal collectors: Energy-economic performance and indoor comfort simulation model of a water based prototype for heating, cooling, and DHW production. Renew. Energy 2019, 137, 20–36. [Google Scholar] [CrossRef]
- Cirrincione, L.; Marvuglia, A.; Peri, G.; Rizzo, G.; Scaccianoce, G. The European standards for energy efficiency in buildings: An analysis of the evolution with reference to a case study. AIP Conf. Proc. 2019, 2191, 020049. [Google Scholar] [CrossRef]
- EN ISO 52016-1; Energy Performance of Buildings—Energy Needs for Heating and Cooling, Internal Temperatures and Sensible and Latent Heat Loads—Part 1: Calculation Procedures. European Committee for Standardization: Brussels, Belgium, 2017.
- Vivian, J.; Zarrella, A.; Emmi, G.; De Carli, M. Analysis of simplified lumped-capacitance models to simulate thermal behaviour of buildings. In Proceedings of the 3rd Building Simulation Applications Conference BSA 2017, Bozen-Bolzano, Italy, 8–10 February 2017; pp. 265–272. Available online: http://www.ibpsa.org/proceedings/BSA2017/9788860461360_33.pdf (accessed on 14 September 2023).
- VDI 6007 Part 1 1:2015-06; Calculation of Transient Thermal Response of Rooms and Buildings: Modelling of Rooms. Beuth Verlag GmbH: Berlin, Germany, 2015.
- Michalak, P. The development and validation of the linear time varying Simulink-based model for the dynamic simulation of the thermal performance of buildings. Energy Build. 2017, 141, 333–340. [Google Scholar] [CrossRef]
- Deshko, V.; Sukhodub, I.; Bilous, I. Mathematical models for determination of energy need for heating. J. New Technol. Environ. Sci. 2017, 1, 45–51. [Google Scholar]
- Bilous, I.Y.; Deshko, V.I.; Sukhodub, I.O. Mathematical models for determination of specific energy need for heating used in Ukraine. J. New Technol. Environ. Sci. 2018, 2, 13–25. [Google Scholar]
- Hespanha, J.P. Linear Systems Theory; Princeton University Press: Princeton, NJ, USA, 2009. [Google Scholar]
- Sandberg, H. Linear Time Varying Systems: Modelling and Reduction; Department of Automatic Control, Lund Institute of Technology: Lund, Sweden, 2002. [Google Scholar]
- Williams, R.L.; Lawrence, D.A. Linear State-Space Control Systems; John Wiley & Sons, Inc.: Hoboken, NJ, USA, 2007. [Google Scholar]
- Fateh, A.; Borelli, D.; Spoladore, A.; Devia, F. A State-Space Analysis of a Single Zone Building Considering Solar Radiation, Internal Radiation, and PCM Effects. Appl. Sci. 2019, 9, 832. [Google Scholar] [CrossRef]
- Harish, V.S.K.V.; Kumar, A.; Alam, T.; Blecich, P. Assessment of State-Space Building Energy System Models in Terms of Stability and Controllability. Sustainability 2021, 13, 11938. [Google Scholar] [CrossRef]
- Ma, L.; Huang, Y.; Zhang, J.; Zhao, T. A Model Predictive Control for Heat Supply at Building Thermal Inlet Based on Data-Driven Model. Buildings 2022, 12, 1879. [Google Scholar] [CrossRef]
- (Jos) van Schijndel, A.W.M. A review of the application of SimuLink S-functions to multi domain modelling and building simulation. J. Build. Perform. Simul. 2014, 7, 165–178. [Google Scholar] [CrossRef]
- Kalagasidis, S.A. A multi-level modelling and evaluation of thermal performance of phase change materials in buildings. J. Build. Perform. Simul. 2013, 7, 289–308. [Google Scholar] [CrossRef]
- Simulink®. Developing S-Functions, R2015a. 2015. MathWorks®. Available online: http://www.mathworks.com/help/pdf_doc/simulink/sfunctions.pdf (accessed on 14 September 2023).
- Kajiwara, H.; Apkarian, P.; Gahinet, P. Wide-Range Stabilization of an Arm-Driven Inverted Pendulum Using Linear Parameter-Varying Techniques. In Proceedings of the AIAA Guidance, Navigation, and Control Conference and Exhibit, Boston, MA, USA, 10–12 August 1998; pp. 1853–1865. Available online: http://pierre.apkarian.free.fr/papers/AIAA98.pdf (accessed on 14 September 2023).
- Sourbron, M.; Verhelst, C.; Helsen, L. Building models for model predictive control of office buildings with concrete core activation. J. Build. Perform. Simul. 2013, 6, 175–198. [Google Scholar] [CrossRef]
- Mutani, G.; Todeschi, V.; Beltramino, S. Energy Consumption Models at Urban Scale to Measure Energy Resilience. Sustainability 2020, 12, 5678. [Google Scholar] [CrossRef]
- Csáky, I. Analysis of Daily Energy Demand for Cooling in Buildings with Different Comfort Categories—Case Study. Energies 2021, 14, 4694. [Google Scholar] [CrossRef]
- Pfafferott, J.; Rißmann, S.; Halbig, G.; Schröder, F.; Saad, S. Towards a Generic Residential Building Model for Heat–Health Warning Systems. Int. J. Environ. Res. Public Health 2021, 18, 13050. [Google Scholar] [CrossRef]
- Cui, Y.; Zhu, Z.; Zhao, X.; Li, Z.; Qin, P. Bayesian Calibration for Office-Building Heating and Cooling Energy Prediction Model. Buildings 2022, 12, 1052. [Google Scholar] [CrossRef]
- Jreijiry, D.; Husaunndee, A.; Inard, C.; Villenave, J.G. Control of ventilation in buildings using SIMBAD building and HVAC toolbox. In Proceedings of the Building Simulation 2003, Eighth International IBPSA Conference, Eindhoven, The Netherlands, 11–14 August 2003; pp. 591–598. Available online: http://www.ibpsa.org/proceedings/bs2003/bs03_0591_598.pdf (accessed on 16 October 2023).
- Brohus, H.; Frier, C.; Heiselberg, P.; Haghighat, F. Quantification of uncertainty in predicting building energy consumption: A stochastic approach. Energy Build. 2012, 55, 127–140. [Google Scholar] [CrossRef]
- Ramponi, R. Computational Modeling of Urban Wind Flow and Natural Ventilation Potential of Buildings; Technische Universiteit Eindhoven: Eindhoven, The Netherlands, 2014. [Google Scholar] [CrossRef]
- Michalak, P. The simple hourly method of EN ISO 13790 standard in Matlab/Simulink: A comparative study for the climatic conditions of Poland. Energy 2014, 75, 568–578. [Google Scholar] [CrossRef]
- Neymark, J.; Judkoff, R.; Knabe, G.; Le, H.T.; Dürig, M.; Glass, A.; Zweifel, G. Applying the building energy simulation test (BESTEST) diagnostic method to verification of space conditioning equipment models used in whole-building energy simulation programs. Energy Build. 2002, 34, 917–931. [Google Scholar] [CrossRef]
- Im, P.; New, R.J.; Joe, J. Empirical Validation of Building Energy Modeling using Flexible Research Platform. In Proceedings of the 16th IBPSA International Conference, Rome, Italy, 2–4 September 2019; Available online: https://www.osti.gov/servlets/purl/1607030 (accessed on 1 December 2023).
- Palladino, D.; Nardi, I. Approaching the validation of building energy models: Billing vs indoor environmental data. E3S Web Conf. 2020, 197, 02001. [Google Scholar] [CrossRef]
- Del Ama Gonzalo, F.; Moreno Santamaría, B.; Montero Burgos, M.J. Assessment of Building Energy Simulation Tools to Predict Heating and Cooling Energy Consumption at Early Design Stages. Sustainability 2023, 15, 1920. [Google Scholar] [CrossRef]
- EnergyPlus. Available online: https://energyplus.net (accessed on 1 December 2023).
- U.S. Department of Energy. EnergyPlus™ Version 22.1.0 Documentation: Engineering Reference; U.S. Department of Energy: Washington, DC, USA, 2022. Available online: https://energyplus.net/assets/nrel_custom/pdfs/pdfs_v22.1.0/EngineeringReference.pdf (accessed on 1 December 2023).
- Pan, Y.; Li, H.; Huang, Z. Study on energy modeling methods of atrium buildings. In Proceedings of the Eleventh International IBPSA Conference “Building Simulation 2009”, Glasgow, Scotland, 27–30 July 2009; pp. 250–257. Available online: http://www.ibpsa.org/proceedings/BS2009/BS09_0250_257.pdf (accessed on 1 December 2023).
- Griffith, B.; Chen, Q.Y. Framework for Coupling Room Air Models to Heat Balance Model Load and Energy Calculations (RP-1222). HVAC&R Res. 2004, 10, 91–111. [Google Scholar] [CrossRef]
- Oropeza-Perez, I.; Østergaard, P.A.; Remmen, A. Ventilated buildings optimization by using a coupled thermal-airflow simulation program. In Proceedings of the Building Simulation 2011, 12th Conference of International Building Performance Simulation Association, Sydney, Austrilia, 14–16 November 2011; pp. 2666–2671. Available online: https://vbn.aau.dk/ws/files/148212063/VENTILATED_BUILDINGS_OPTIMISATION_BY_USING_A_COUPLED_THERMALAIRFLOW.pdf (accessed on 1 December 2023).
- Tsikaloudaki, K.; Laskos, K.; Bikas, D. On the Establishment of Climatic Zones in Europe with Regard to the Energy Performance of Buildings. Energies 2012, 5, 32–44. [Google Scholar] [CrossRef]
- EN ISO 10456; Building Materials and Products—Hygrothermal Properties—Tabulated Design Values and Procedures for Determining Declared and Design Thermal Values. International Organization for Standardization: Geneva, Switzerland, 2007.
- Kim, Y.-J.; Yoon, S.-H.; Park, C.-S. Stochastic comparison between simplified energy calculation and dynamic simulation. Energy Build. 2013, 64, 332–342. [Google Scholar] [CrossRef]
- ISO 13370:2017; Thermal Performance of Buildings—Heat Transfer via the Ground—Calculation Methods. International Organization for Standardization: Geneva, Switzerland, 2017.
- ISO 6946:2017; Building Components and Building Elements-Thermal Resistance and Thermal Transmittance-Calculation Methods. International Organization for Standardization: Geneva, Switzerland, 2017.
- EnergyPlus™ Version 9.6.0 Documentation. Input Output Reference. U.S. Department of Energy, 23 September 2021. Available online: https://energyplus.net/assets/nrel_custom/pdfs/pdfs_v9.6.0/InputOutputReference.pdf (accessed on 1 December 2023).
- Ahmed, K.; Kurnitski, J.; Olesen, B.W. Data for Occupancy Internal Heat Gain Calculation in Main Building Categories. Data Brief 2017, 15, 1030–1034. [Google Scholar] [CrossRef] [PubMed]
- EN 16798-5-1; Energy Performance of Buildings—Ventilation for Buildings—Part 1: Indoor Environmental Input Parameters for Design and Assessment of Energy Performance of Buildings Addressing Indoor Air Quality, Thermal Environment, Lighting and Acoustics—Module M1–6. The European Committee for Standardization: Brussels, Belgium, 2017.
- Achenbach, P.R.; Coblenz, C. Field measurements of air infiltration in ten electrically heated houses. Ashrae Trans. 1963, 69, 358–365. [Google Scholar]
- Ng, L.C.; Persily, A.K.; Emmerich, S.J. Improving infiltration modeling in commercial building energy models. Energy Build. 2015, 88, 316–323. [Google Scholar] [CrossRef]
- EN 15265; Energy Performance of Buildings—Calculation of Energy Needs for Space Heating and Cooling Using Dynamic Methods—General Criteria and Validation Procedures. European Committee for Standardization: Brussels, Belgium, 2007.
- Pham, H. A New Criterion for Model Selection. Mathematics 2019, 7, 1215. [Google Scholar] [CrossRef]
- Kadad, I.M.; Ramadan, A.A.; Kandil, K.M.; Ghoneim, A.A. Relationship between Ultraviolet-B Radiation and Broadband Solar Radiation under All Sky Conditions in Kuwait Hot Climate. Energies 2022, 15, 3130. [Google Scholar] [CrossRef]
- Piotrowski, P.; Rutyna, I.; Baczyński, D.; Kopyt, M. Evaluation Metrics for Wind Power Forecasts: A Comprehensive Review and Statistical Analysis of Errors. Energies 2022, 15, 9657. [Google Scholar] [CrossRef]
- Salah, S.; Alsamamra, H.R.; Shoqeir, J.H. Exploring Wind Speed for Energy Considerations in Eastern Jerusalem-Palestine Using Machine-Learning Algorithms. Energies 2022, 15, 2602. [Google Scholar] [CrossRef]
- Zhou, Y.; Wang, L.; Qian, J. Application of Combined Models Based on Empirical Mode Decomposition, Deep Learning, and Autoregressive Integrated Moving Average Model for Short-Term Heating Load Predictions. Sustainability 2022, 14, 7349. [Google Scholar] [CrossRef]
- Abdel-Aal, R.E.; Elhadidy, M.A.; Shaahid, S.M. Modeling and forecasting the mean hourly wind speed time series using GMDH-based abductive networks. Renew. Energy 2009, 34, 1686–1699. [Google Scholar] [CrossRef]
- Tahir, Z.U.R.; Asim, M.; Jamil, S.; Shad, R.; Hayat, N.; Moaz, A.; Akram, M.T.; Safyan, M. Comparison of Reanalysis, Analysis and Forecast datasets with measured wind data for a Wind Power Project in Jhimpir, Pakistan. J. Phys. Conf. Ser. 2018, 1102, 012004. [Google Scholar] [CrossRef]
- Christoforou, E.; Emiris, I.Z.; Florakis, A.; Rizou, D.; Zaharia, S. Spatio-Temporal Deep Learning for Day-Ahead Wind Speed Forecasting Relying on WRF Predictions. Energy Syst. 2021, 14, 473–493. [Google Scholar] [CrossRef]
- Vujnović, N.; Vidak, D.; Jakšić, F.; Kedmenec, Ž.; Dović, D.; Horvat, I. Differences in calculations of annual heating and cooling energy need carried out by modified simple hourly method and dynamic simulations. Trans. Famena 2021, XLV, 35–48. [Google Scholar] [CrossRef]
- Atmaca, M.; Kalaycioglu, E.; Yilmaz, Z. Evaluation of the Heating & Cooling Energy Demand of a Case Residential Building by Comparing the National Calculation Methodology of Turkey and EnergyPlus through Thermal Capacity Calculations; Technical Report; Energy Systems Laboratory, Texas A&M University: College Station, TX, USA, 2011. [Google Scholar]
- Fantin Do Amaral Silva, G.; Bergel Gómez, R. Energy Performance Modelling Introducing the Building Early-Stage Design Optimization Tool (BeDOT). Master’s Thesis, Structural Engineering and Building Technology, Chalmers University of Technology, Gothenburg, Sweden, 2018. Available online: https://odr.chalmers.se/items/6cb65337-b57e-431d-aee5-0ee0c1e72e5a (accessed on 1 December 2023).
- Bergel, R.; Fantin do Amaral Silva, G.; Tillberg, M.; Sasic Kalagasidis, A. Energy Performance Modelling: Introducing the Building Early-stage Design Optimization Tool (BeDOT). In Proceedings of the 16th IBPSA Conference, Rome, Italy, 2–4 September 2019; pp. 278–285. [Google Scholar] [CrossRef]
- Bilous, I.Y.; Deshko, V.I.; Sukhodub, I.O. Building energy modeling using hourly infiltration rate. Mag. Civ. Eng. 2020, 96, 27–41. [Google Scholar] [CrossRef]
- Džiugaitė-Tumėnienė, R.; Jankauskas, V.; Motuzienė, V. Energy balance of a low energy house. J. Civ. Eng. Manag. 2012, 18, 369–377. [Google Scholar] [CrossRef]
- Jierula, A.; Wang, S.; OH, T.-M.; Wang, P. Study on Accuracy Metrics for Evaluating the Predictions of Damage Locations in Deep Piles Using Artificial Neural Networks with Acoustic Emission Data. Appl. Sci. 2021, 11, 2314. [Google Scholar] [CrossRef]
- Lee, S.-H. Performance Evaluation of Machine Learning and Deep Learning-Based Models for Predicting Remaining Capacity of Lithium-Ion Batteries. Appl. Sci. 2023, 13, 9127. [Google Scholar] [CrossRef]
- Yan, Q.; Yang, C.; Wan, Z. A Comparative Regression Analysis between Principal Component and Partial Least Squares Methods for Flight Load Calculation. Appl. Sci. 2023, 13, 8428. [Google Scholar] [CrossRef]
- Piotrowska-Woroniak, J.; Szul, T. Application of a Model Based on Rough Set Theory (RST) to Estimate the Energy Efficiency of Public Buildings. Energies 2022, 15, 8793. [Google Scholar] [CrossRef]
- Arcuri, N.; Bruno, R.; Pizzuti, G. A simplified hourly calculation code to evaluate the buildings heating load: A case study for Italian climatic conditions. In Proceedings of the Summer Computer Simulation Conference (SummerSim 2016), Montreal, QC, Canada, 24–27 July 2016; pp. 1–7. Available online: https://dl.acm.org/citation.cfm?id=3015599 (accessed on 1 December 2023).
- Bruno, R.; Pizzuti, G.; Arcuri, N. The Prediction of Thermal Loads in Building by Means of the en ISO 13790 Dynamic Model: A Comparison with TRNSYS. Energy Procedia 2016, 101, 192–199. [Google Scholar] [CrossRef]
- Prada, A.; Baratieri, M.; Baggio, P.; Gasparella, A. Dynamic simulation of buildings: Comparison between different approaches. Fiz. Budowli W Teor. I Prakt. 2010, 5, 41–46. [Google Scholar]
- Tudor, A.; Pfafferott, J.; Maier, N. Optimizing the operation of earth-to-air heat exchangers in high-performance ventilation systems for low-energy buildings—A case study. In Proceedings of the 34th AIVC, 3rd TightVent, 2nd Cool Roofs’, 1st Venticool Conference, Athens, Greece, 25–26 September 2013; Available online: https://www.aivc.org/resource/optimizing-operation-earth-air-heat-exchangers-high-performance-ventilation-systems-low?volume=34784 (accessed on 1 December 2023).
- Panão, M.J.O.; Santos, C.A.; Mateus, N.M.; Da Graça, G.C. Validation of a lumped RC model for thermal simulation of a double skin natural and mechanical ventilated test cell. Energy Build. 2016, 121, 92–103. [Google Scholar] [CrossRef]
- Yang, L.; Du, L.; Yang, C.; Hu, C.; Yu, C.; Du, H.; Li, Q. Construction and verification of an environment and energy prediction model for Controlled Environment Housing. E3S Web Conf. 2021, 245, 01008. [Google Scholar] [CrossRef]
- Michalak, P. Simulation and Experimental Study on the Use of Ventilation Air for Space Heating of a Room in a Low-Energy Building. Energies 2023, 16, 3456. [Google Scholar] [CrossRef]
- Kalmár, F. Summer operative temperatures in free running existing buildings with high glazed ratio of the facades. J. Build. Eng. 2016, 6, 236–242. [Google Scholar] [CrossRef]
- D’Ambrosio Alfano, F.R.; Olesen, B.W.; Pepe, D.; Palella, B.I. Working with Different Building Energy Performance Tools: From Input Data to Energy and Indoor Temperature Predictions. Energies 2023, 16, 743. [Google Scholar] [CrossRef]
- D’Ambrosio Alfano, F.R.; Pepe, D.; Riccio, G.; Vio, M.; Palella, B.I. On the effects of the mean radiant temperature evaluation in the assessment of thermal comfort by dynamic energy simulation tools. Build. Environ. 2023, 236, 110254. [Google Scholar] [CrossRef]
- Capizzi, G.; Sciuto, G.L.; Cammarata, G.; Cammarata, M. Thermal transients simulations of a building by a dynamic model based on thermal-electrical analogy: Evaluation and implementation issue. Appl. Energy 2017, 199, 323–334. [Google Scholar] [CrossRef]








| Step | i | Accum | j | i + NOUTPUTS ∗ j | kPtr[i + NOUTPUTS ∗ j] | U(j) | y[i] = Accum |
|---|---|---|---|---|---|---|---|
| 1 | 0 | 0 | 0 | 0 + 2·0 | b11 | u11 | b11·u11 |
| 2 | 0 | b11·u11 | 1 | 0 + 2·1 | b13 | u21 | b11·u11 + b13·u21 |
| 3 | 0 | b11·u11 + b13·u21 | 2 | 0 + 2·2 | b15 | u31 | b11·u11 + b13·u21 + b15·u31 |
| 4 | 0 | b11·u11 + b13·u21 + b15·u31 | 3 | 0 + 2·3 | b22 | u41 | b11·u11 + b13·u21 + b15·u31 + b22·u41 |
| 5 | 0 | b11·u11 + b13·u21 + b15·u31 + b22·u41 | 4 | 0 + 2·3 | b24 | u51 | b11·u11 + b13·u21 + b15·u31 + b22·u41 + b24·u51 |
| The end of the first loop (for i = 0) | |||||||
| 6 | 1 | 0 | 0 | 1 + 2·0 | b12 | u11 | b12·u11 |
| 7 | 1 | b12·u11 | 1 | 1 + 2·1 | b14 | u21 | b12·u11 + b14· u21 |
| 8 | 1 | b12·u11 + b14·u21 | 2 | 1 + 2·2 | b21 | u31 | b12·u11 + b14· u21 + b21·u31 |
| 9 | 1 | b12·u11 + b14·u21 + b21·u31 | 3 | 1 + 2·3 | b23 | u41 | b12·u11 + b14·u21 + b21·u31 + b23·u41 |
| 10 | 1 | b12·u11 + b14·u21 + b21·u31 + b23·u41 | 4 | 1 + 2·3 | b25 | u51 | b12·u11 + b14·u21 + b21·u31 + b23·u41 + b25·u51 |
| The end of the second loop (for i = 1) | |||||||
| No. | Location | CDD | HDD | Zone | Elevation above Sea Level [m] | Latitude | Longitude |
|---|---|---|---|---|---|---|---|
| 1 | Valencia | 801 | 1088 | A | 62 | N 39°30′ | W 0°28′ |
| 2 | Montpellier | 514 | 1719 | B | 6 | N 43°34′ | E 3°58′ |
| 3 | Lajes | 385 | 696 | C | 55 | N 38°46′ | W 27°6′ |
| 4 | Torino | 388 | 2533 | D | 287 | N 45°13′ | E 7°39′ |
| 5 | Ostrava | 107 | 3644 | E | 256 | N 49°43′ | E 18°10′ |
| Partition/Material | Thicknessd [m] | Thermal Conductivityλ [W/m·K] | Densityρ [kg/m3] | Specific Heat cp [kJ/kgK] |
|---|---|---|---|---|
| External wall | ||||
| Styrofoam | 0.15 | 0.04 | 12 | 1.46 |
| Cellular concrete blocks | 0.25 | 0.17 | 600 | 0.84 |
| Internal plastering | 0.02 | 1.00 | 1800 | 1.00 |
| Internal ceiling | ||||
| Wooden floor covering | 0.02 | 0.20 | 600 | 2.50 |
| Reinforced concrete | 0.10 | 2.30 | 2300 | 1.00 |
| Internal plastering | 0.02 | 1.00 | 1800 | 1.00 |
| Roof | ||||
| Rain protection | 0.01 | 0.23 | 1500 | 1.30 |
| Insulation | 0.20 | 0.04 | 50 | 0.85 |
| Gypsum plaster | 0.02 | 0.21 | 900 | 0.85 |
| Ground floor | ||||
| Gravel | 0.10 | 0.90 | 1800 | 0.84 |
| Screed | 0.08 | 1.15 | 1800 | 0.84 |
| Styrofoam | 0.06 | 0.04 | 12 | 1.46 |
| Wooden floor covering | 0.02 | 0.20 | 600 | 2.50 |
| Period | Hours (Legal Time) | Internal Gains [W] | Design Ventilation Flow, qve,des [m3/h] |
|---|---|---|---|
| Weekdays (Monday–Friday) | 6:01—8:00, 17:01—21:00 | 700 | 382 |
| 21:01—6:00 | 300 | 191 | |
| 8:01—15:00 | 100 | 50 | |
| 15:01—17:00 | 100 | 95 | |
| Weekends (Saturday–Sunday) | Whole day | 500 | 255 |
| Location | QH,ref [GJ] | QC,ref [GJ] | Qtot,ref [GJ] | Heating [%] | Cooling [%] |
|---|---|---|---|---|---|
| 1 | 5.024 | 7.433 | 12.457 | 40.3 | 59.7 |
| 2 | 12.333 | 4.855 | 17.188 | 71.8 | 28.2 |
| 3 | 3.395 | 1.615 | 5.01 | 67.8 | 32.2 |
| 4 | 22.823 | 3.331 | 26.154 | 87.3 | 12.7 |
| 5 | 36.783 | 0.565 | 37.348 | 98.5 | 1.5 |
| Location | QH,ref [GJ] | QC,ref [GJ] | Qtot,ref [GJ] | Heating [%] | Cooling [%] |
|---|---|---|---|---|---|
| 1 | 3.662 | 8.841 | 12.503 | 29.3 | 70.7 |
| 2 | 10.362 | 5.534 | 15.896 | 65.2 | 34.8 |
| 3 | 2.896 | 2.456 | 5.352 | 54.1 | 45.9 |
| 4 | 9.249 | 5.208 | 14.457 | 64.0 | 36.0 |
| 5 | 32.704 | 1.084 | 33.788 | 96.8 | 3.2 |
| δQH [%] | δQC [%] | δQHC [%] | Tool | Period | Reference Tool | Ref. |
|---|---|---|---|---|---|---|
| % | % | % | - | - | - | - |
| - | - | 4.0 | MS Excel | Annual | EP | [47,48] |
| −44.3 | 24.8 | - | IDA ICE | Annual | EP | [96] |
| −30.1 | 37.0 | - | n.a. | Annual | EP | [97] |
| 28.8 | 53.0 | - | Rhinoceros | Annual | 6R1C model | [98] |
| - | - | 4.0 | Python | Annual | IDA ICE | [99] |
| - | - | 5.0 | n.a. | Annual | EP | [100] |
| 33.0 | −5.1 | - | Matlab | Annual | TRNSYS | [44] |
| −13.1 | - | n.a. | Annual | PHPP | [101] |
| Location | 1 | 2 | 3 | 4 | 5 | Unit | |||||
|---|---|---|---|---|---|---|---|---|---|---|---|
| Pattern | D | H | D | H | D | H | D | H | D | H | |
| MAE | 0.49 | 0.42 | 0.42 | 0.35 | 0.52 | 0.46 | 0.43 | 0.40 | 0.49 | 0.45 | °C |
| RMSE | 0.67 | 0.57 | 0.56 | 0.47 | 0.69 | 0.62 | 0.55 | 0.51 | 0.60 | 0.55 | °C |
| MSE | 0.44 | 0.33 | 0.31 | 0.22 | 0.48 | 0.38 | 0.30 | 0.26 | 0.37 | 0.31 | °C2 |
| CV(RMSE) | 2.87 | 2.46 | 2.49 | 2.08 | 3.09 | 2.75 | 2.50 | 2.31 | 2.87 | 2.63 | % |
| Location | 1 | 2 | 3 | 4 | 5 | Unit | |||||
|---|---|---|---|---|---|---|---|---|---|---|---|
| Pattern | D | H | D | H | D | H | D | H | D | H | |
| MAE | 0.45 | 0.41 | 0.39 | 0.34 | 0.49 | 0.48 | 0.38 | 0.36 | 0.47 | 0.45 | °C |
| RMSE | 0.64 | 0.58 | 0.53 | 0.45 | 0.69 | 0.68 | 0.56 | 0.53 | 0.60 | 0.57 | °C |
| MSE | 0.41 | 0.34 | 0.28 | 0.21 | 0.47 | 0.46 | 0.31 | 0.28 | 0.36 | 0.32 | °C2 |
| CV(RMSE) | 2.70 | 2.46 | 2.35 | 2.01 | 3.01 | 2.97 | 2.45 | 2.35 | 2.80 | 2.66 | % |
| Location | 1 | 2 | 3 | 4 | 5 | Unit | |||||
|---|---|---|---|---|---|---|---|---|---|---|---|
| Pattern | D | H | D | H | D | H | D | H | D | H | |
| MAE | 0.40 | 0.36 | 0.35 | 0.42 | 0.38 | 0.34 | 0.38 | 0.37 | 0.38 | 0.36 | °C |
| RMSE | 0.56 | 0.51 | 0.47 | 0.54 | 0.53 | 0.48 | 0.51 | 0.49 | 0.50 | 0.47 | °C |
| MSE | 0.32 | 0.26 | 0.22 | 0.29 | 0.29 | 0.23 | 0.26 | 0.24 | 0.25 | 0.22 | °C2 |
| CV(RMSE) | 1.73 | 1.57 | 1.58 | 1.75 | 1.72 | 1.51 | 1.72 | 1.67 | 1.77 | 1.70 | % |
| Location | 1 | 2 | 3 | 4 | 5 | Unit | |||||
|---|---|---|---|---|---|---|---|---|---|---|---|
| Pattern | D | H | D | H | D | H | D | H | D | H | |
| MAE | 0.40 | 0.38 | 0.35 | 0.35 | 0.39 | 0.39 | 0.36 | 0.36 | 0.38 | 0.37 | °C |
| RMSE | 0.56 | 0.55 | 0.47 | 0.47 | 0.56 | 0.56 | 0.56 | 0.56 | 0.55 | 0.53 | °C |
| MSE | 0.32 | 0.30 | 0.22 | 0.22 | 0.32 | 0.32 | 0.32 | 0.32 | 0.30 | 0.28 | °C2 |
| CV(RMSE) | 2.38 | 2.28 | 2.04 | 2.04 | 2.44 | 2.44 | 2.48 | 2.48 | 2.59 | 2.48 | % |
Disclaimer/Publisher’s Note: The statements, opinions and data contained in all publications are solely those of the individual author(s) and contributor(s) and not of MDPI and/or the editor(s). MDPI and/or the editor(s) disclaim responsibility for any injury to people or property resulting from any ideas, methods, instructions or products referred to in the content. |
© 2023 by the author. Licensee MDPI, Basel, Switzerland. This article is an open access article distributed under the terms and conditions of the Creative Commons Attribution (CC BY) license (https://creativecommons.org/licenses/by/4.0/).
Share and Cite
Michalak, P. Simulation of a Building with Hourly and Daily Varying Ventilation Flow: An Application of the Simulink S-Function. Energies 2023, 16, 7958. https://doi.org/10.3390/en16247958
Michalak P. Simulation of a Building with Hourly and Daily Varying Ventilation Flow: An Application of the Simulink S-Function. Energies. 2023; 16(24):7958. https://doi.org/10.3390/en16247958
Chicago/Turabian StyleMichalak, Piotr. 2023. "Simulation of a Building with Hourly and Daily Varying Ventilation Flow: An Application of the Simulink S-Function" Energies 16, no. 24: 7958. https://doi.org/10.3390/en16247958
APA StyleMichalak, P. (2023). Simulation of a Building with Hourly and Daily Varying Ventilation Flow: An Application of the Simulink S-Function. Energies, 16(24), 7958. https://doi.org/10.3390/en16247958

