Abstract
The German government’s ambitious goal of achieving CO2 neutrality by 2045 has prompted a focus on improving building insulation as a vital step toward energy efficiency. However, in this process, existing radiators and boilers are often left unchanged. Moreover, during the construction of buildings, heating systems are often designed with excess capacity to ensure there is no risk of insufficient heat supply during operation. This research presents various approaches to reduce the required radiator supply temperature, utilizing data from a study conducted in 100 multifamily buildings. The approaches encompass reducing the heat reserve, shifting the heat output, optimizing radiator utilization, and conducting heat demand analysis. The findings reveal that in pre-existing buildings equipped with radiators, it is possible to significantly lower supply temperatures without affecting the indoor temperature. Applied on the seed, reducing the heat reserve could reduce the median temperature by 18.5 K, thus curtailed by the most utilized radiator in the median to 7 K. Furthermore, the heat demand analysis showed that the consumption could decrease in the median by 13%, the peaks in median even by 29%. While each approach is analyzed individually, their combined implementation has the potential to considerably enhance the efficiency of water-to-water heat pumps, thanks to the reduced requirement for high supply temperatures.
1. Introduction
Due to climate change and the recent Ukraine–Russian War, which has resulted in an energy crisis in Germany, responsible energy consumption is becoming increasingly crucial. In 2022, 50% of all German apartments were heated with gas boilers, predominantly through central water heating systems [1]. Despite extensive renovations and improved insulation in many buildings to enhance energy efficiency, energy consumption decreased less than anticipated [2]. The BaltBest Project demonstrated that this difference can be attributed, in part, to operational management. Frequently, night setback and summer shutdown functions are absent, and the operational management does not align with the building’s needs [3].
Operational management is often adjusted in response to resident complaints. For example, if an occupant reports cold radiators, adjustments are made to increase the supply temperature by positively adjusting the heating curve. Improving the relationship between occupants and the operating staff is a key aspect of the VISE-I project, which aims to enhance user understanding and optimize technology [4]. Typically, the person in charge lacks the information required to professionally address resident complaints. The ideal operational settings for individual buildings remain unknown. Consequently, the primary goal of the operator is to fulfill residents’ heating requests by modifying various settings that impact boiler and pump power, and often also increasing the supply temperature.
Achieving a carbon dioxide-free building stock is not solely attainable through insulation improvements; it necessitates the integration of carbon-neutral heating systems. In recent years, a diverse array of heat pump systems has emerged as a promising solution due to their ability to run on electricity derived from renewable sources, thus ensuring carbon neutrality. The efficiency of heat pumps, in accordance with the Carnot efficiency principle, is greatly enhanced when the temperature differential between the heat source (e.g., air) and the heat emitter (such as radiators) is minimal. This necessitates the use of low supply temperatures, a requirement that contradicts the conventional operation of systems combining gas boilers and radiators.
Notably, even with gas boilers, efficiency is compromised when excessively high supply temperatures are employed. However, the issue becomes more pronounced when transitioning to heat pumps, given the diminishing coefficient of performance as supply temperatures rise. Consequently, the significance of implementing demand-responsive low-supply temperature levels, especially in conjunction with heat pump systems, is on a significant upswing. This research underscores the growing importance of optimizing supply temperature levels in line with the efficient utilization of heat pumps, aligning with the imperative pursuit of a carbon-neutral building stock. In scientific projects like Alfa [5], Beta Nord [6], Alliance [7], and BaltBest [3] the benefits of effective parameterization of heating systems and lower temperatures in terms of potential energy savings have been demonstrated. The BaltBest [3] project in particular has shown that in real buildings, there is significant potential to reduce supply temperatures, which was also the motivation for this paper.
Lämmle et al. illustrate that within multi-family housing, a mere 7% of the radiators require replacement to transition from a supply temperature of 75 °C/60 °C to a more energy-efficient level of 55 °C/45 °C. Their analysis primarily relied on theoretical calculations applied to a multi-family housing model, with a focus on accounting for the decreased energy demand resulting from enhanced insulation measures [8]. In a distinct investigation conducted by Lämmle et al., a comprehensive analysis of the heat pump market, specifically examining maximum supply temperatures, unveils a noteworthy finding: a significant majority of heat pumps, approximately 80%, are limited to supply temperatures below 60 °C. This underscores the compelling requirement to decrease temperature levels, with dual objectives of enhancing heat pump efficiency within existing structures and aligning with the market availability [9].
In the research article entitled “WPsmart in Stock” (translation), by Günther et al., an extensive examination was conducted on a substantial number of stock buildings featuring diverse heat pump technologies and configurations. One notable outcome of this comprehensive investigation is the pivotal role of actual supply temperatures, particularly in edifices equipped with radiators, under a significant proportion of operational conditions. This phenomenon is observed even when the outdoor temperatures are relatively mild, approximately around 0 °C, indicating that the supply temperatures can be maintained within an optimal range. It is worth noting that only around 25% of the properties exclusively employ radiators for heat distribution, which means that a relatively limited subset of buildings was taken into consideration for this specific scenario. Consequently, this highlights the need for further in-depth research to address unresolved queries pertaining to the analysis of radiator-based heating systems in the broader context [10].
Tunzi et al. have elucidated the significance of maintaining low supply temperatures as a crucial component in the operation of district heating networks. The challenge often lies in constraints imposed by inadequately controlled and managed heating systems within the existing building stock. Considering this, they conducted a study based on data obtained from heat cost allocators in five Danish multifamily buildings, with a specific focus on identifying flats with high demand, using a calculation of the minimum feasible operating temperature. Their findings revealed that supply temperatures ranging from 48 °C to 53 °C proved to be sufficient for ensuring residents’ needs at outdoor temperatures of 0 °C, all without the need for extensive energy renovations in the buildings. This research underscores the practicality of optimizing supply temperatures in district heating networks while considering the unique demands of individual units [11].
In contrast to prior studies, this investigation focuses on empirically measured data from an extensive dataset comprising 100 multi-family houses, incorporating data from heating cost allocators and heat meters. By analyzing data collected from rooms over a span of three years, this study aims to estimate the supply temperatures required to achieve the same heating output without any loss of room temperature. This estimation takes into consideration factors such as insulation enhancements, radiator dimensions, user behavior, and the impact of climate warming. It is important to note that this method assesses the necessary supply temperatures rather than the inherent efficiency of heat pumps themselves. The primary objective here is to estimate the potential reduction in supply temperatures and ascertain the feasibility of such reductions. These findings will be instrumental in evaluating the suitability of heat pumps for retrofitting existing buildings, particularly in light of their increased demand for lower supply temperatures.
To estimate the required flow temperatures using heat coast allocator data we rely on earlier works like the patent “Method and Device for Establishing Heating Reserves” which was officially registered in 2008 [12]. It outlines the procedure for calculating the power reserves of radiators based on known radiator parameters and various temperature sensors. The patent further proposes the utilization of this data as input for optimizing heating control strategies. Additionally, we employed methods like peak sharing, which is a well-established practice in electrical engineering and has also garnered attention in the context of heat supply. Initially employed in district heating networks to manage heat power and lower supply temperatures [13], it is now gaining prominence in self-sustained residential buildings, owing to the growing prevalence of decentralized heat pumps. This approach effectively curtails excess supply temperatures and heat loads. Notably, Beltram et al. [14] presented a heat peak shaving method applicable to smart homes.
Within this research study, we introduce and expound upon four distinct methodologies for assessing the potential for decreasing the supply temperature of heating systems. Our exploration commences with a detailed exposition of the theoretical underpinnings of these methodologies in Section 2. Subsequently, in Section 3, we offer practical insights by applying these approaches to representative building samples. These demonstrations showcase the capacity of these methods to estimate the feasible reduction in temperature. Additionally, we applied the heat reserve reduction as well as the heat requirement analysis on the building seed, to gather a first impression of the method’s potential. We also provide a comprehensive conclusion that summarizes the findings and delineates areas warranting further inquiry in future research endeavors (Section 4).
2. Methods and Theoretical Background
2.1. Methods
The BaltBest project has been amassing measurement data since 2018, encompassing more than 100 residential buildings. This data has been captured with a temporal resolution of 110 s, covering various devices such as heat meters, pumps, gas meters, heat cost allocators, and more. In the project’s initial phases, Techem GmbH (Eschborn, Germany) conducted on-site visits to gather information regarding building physics and system technology. Consequently, comprehensive characteristic data for each heat generator and radiator has been compiled. A uniform measurement infrastructure was implemented across all buildings. This infrastructure encompassed essential components such as heat quantity meters, gas quantity meters, temperature sensors, and intelligent pumps. Moreover, the project incorporated specifically designed heat cost allocators, which not only delivered consumption data but also included temperature readings from both the interior and exterior sides of the radiators. Data from these sensors were transmitted by wireless M-Bus to a gateway, which was installed in the basement of every building. The gateway also obtained data from other sources, e.g., circulation pumps and heat meters. All data points were transferred via mobile communications (LTE) to a central server of the company Techem and finally forwarded to the university database server utilizing PostgreSQL as the underlying platform.
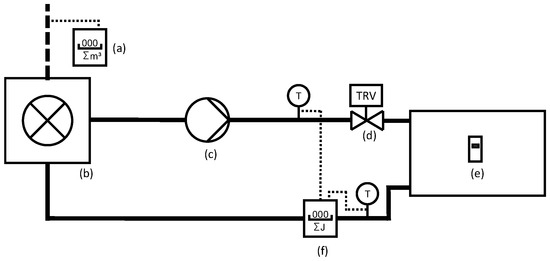
As illustrated in Figure 1, the streamlined BaltBest configuration facilitated the monitoring of energy flow from the gas meter, passing through the boiler and heat meter, and reaching the radiators within the tenants’ apartments.
Figure 1.
Simplified setup of the heating system and the measurement infrastructure. (a) Gas meter; (b) Boiler; (c) Pump; (d) Thermostat valve; (e) Heat cost allocator and (f) Heat flow meter. Dotted lines represent external sensors connected to the system.
In sum, data were collected from 1154 apartments, encompassing 5649 rooms.
All collected data underwent privacy protection measures, where contact information and measurement data were stored separately, ensuring the confidentiality of the participants. The gathered data were securely stored in a PostgreSQL Database and analyzed using Python 3.11.0, leveraging various packages including Pandas 2.0.3, Psycopg2 2.9.6, and Seaborn 0.12.2 for generating outputs. The primary objective of the BaltBest project was to gain a deeper understanding of the heating patterns of residents and the utilized system technology in pre-existing properties.
2.2. Theoretical Background
Heat cost allocators are commonly used to determine consumption units, specifically to assign the consumed heat portions to both radiators and tenants. In this context, measurements are taken of the approximate radiator center temperature and the room temperature near the radiator . By considering correction factors for both the airside and the radiator side , the operational radiator excess temperature can be estimated, as demonstrated in reference [12]:
To estimate a radiator’s operating heat power it is necessary to possess information regarding the standard heat power output , the standard and operating excess temperature and and the radiator exponent [15]. Given that the radiators are situated within actual apartments, they may be partially obstructed by furniture such as sofas and beds. This obstruction can lead to heat accumulation, influencing the radiator’s operational behavior and measurements. The estimated operating heat power may deviate from the actual output due to the absence of specific information about the radiator exponent . In this case, it is assumed to be 1.3 for all radiators, in accordance with the guidelines from Recknagel, Chapter 2.6.4–1.2 [15].
2.2.1. Heat Reserve Reduction
This section presents an analytical method for estimating the required supply temperature at the radiator’s state mass flow while maintaining the same heat power output. Simplified, a radiator can be represented as a control volume with an incoming heat flow , an outgoing heat output and an outgoing heat flow . Figure 2 provides a visual depiction of the flows and temperatures within this simplified radiator model.
Figure 2.
Simplified radiator model with relevant input and output heat flows.
The energy balance around the control volume is described in Equation (3), where is the operating mass flow, denotes the inlet temperature (supply temperature) and signifies the radiator outlet temperature. The radiator outlet temperature is not automatically identical to the return temperature at the boiler or heat pump, as the return temperature at the boiler is often a mixture of several radiators’ output temperatures.
As per Equation (3), the radiator’s operational heat output can be altered through adjustments in either the inlet mass flow or the temperature difference between the radiator’s inlet flow (supply temperature) and outlet flow temperatures. Notably, the input properties, including the inlet temperature and mass flow, are directly modifiable.
To maintain a consistent heat output, a balance should be maintained between the inlet supply temperature and the mass flow. Decreasing the supply temperature diminishes the gap between the inlet and return temperatures, while simultaneously increasing the mass flow via the opening of the radiator valve. To prevent any supply shortfalls, it is crucial to ensure that the operating mass flow never exceeds the standard mass flow.
It should be emphasized that an increase in mass flow leads to a higher demand for pump power. However, it is commonly assumed that the total required power (including both heating and pumping) decreases, particularly in the context of heat pumps. Further research is needed to thoroughly analyze this relationship.
In summary, achieving the same operational heat output is feasible by reducing supply temperature and increasing the mass flow, provided the operational mass flow remains lower than the standard mass flow, visually explained in Figure 3.
Figure 3.
Display of the state shift from s1 to s0.
The state mass flow can be estimated within the given setup and Equation (3), assuming that there are no heat losses between the boiler and the radiator. This assumption enables us to utilize the temperature recorded by the heat meter as the radiator inlet temperature . Furthermore, it is assumed that the radiators are of a substantial size:
When the state mass flow falls within the range of zero to the standard mass flow (), denoted as (0 < < ), the estimated radiator inlet temperature needed to sustain a consistent output power at the standard mass flow, while assuming a constant radiator temperature , can be approximated using from Equation (2) as:
In cases where 0 < < , the necessary radiator inlet temperature remains lower than the recorded supply temperature at the heat meter. It is crucial to grasp that utilizing this method to ascertain the required inlet temperature leaves no available heat reserve. Additionally, it is worth noting that in real heating systems, the supply temperature can only be lowered until the first radiator reaches its standard mass flow, limiting the potential for further reductions in the remaining radiators within the heating circuit. The subsequent analysis is predicated on the assumption that additional heating demand can be estimated using feedback from thermostats to the boiler.
Figure 4 provides an example of applying this method to a single radiator. The black curve represents the measured supply temperature, while the red curve represents the necessary radiator inlet temperature (the analytically required supply temperature). Each data point corresponds to a 120 s interval. The radiator’s standard output power at specific conditions with °C, °C, and °C, is W. Notably, the measured supply temperature (black curve) exhibits fluctuations, while the necessary inlet temperature, as determined by Equation (3), consistently remains significantly lower than the measured supply temperature.
Figure 4.
Measured supply temperature (black) vs. necessary supply temperature (red) at .
2.2.2. Heat Power Shifting
This section investigates whether maintaining a continuous heat supply, as opposed to providing it on demand, can lead to a reduction in the median supply temperature. Elevated heat power demands may stem from the initial operation or the behaviors of smart thermostats. In Germany, existing buildings typically possess a substantial thermal mass. Operating under the assumption that a constant room temperature can be maintained, there is limited necessity for recurrently reheating the building. To streamline the analysis, it is presumed that the heat power needed to sustain a consistent room temperature can be evenly distributed throughout the day. Figure 5a illustrates the estimated heat output of a radiator with a resolution of 110 s. In this example, the radiator’s standard output power is at , , and °C is W. The measured heat supply (black) fluctuates significantly throughout the day, ranging from 0 to approximately 850 Watts, with an average outside temperature of 13 °C. The average heat power is indicated by the red line at 332 Watts.
Figure 5.
Demonstration of the effect of steady heat supply: (a) Heat supply; (b) Necessary supply temperature at .
In Figure 5b, the required supply temperature (black) is shown, assuming that the mass flow is equal to the design mass flow. Considering the average heat power and radiator temperature, the necessary constant supply temperature is calculated using Equation (5) and is represented by the red line. Due to the consistent provision of heat, the required supply temperature decreases notably from max. 52 °C to 39 °C.
2.2.3. Uniform Radiator Usage
In this section, we analyze the influence of uneven radiator utilization in multi-radiator rooms. When rooms in flats are equipped with more than one radiator, heat is often just supplied by a single radiator [3]. Due to radiator oversizing, this operation is possible even at very low environment temperatures. Assuming, that heat for maintaining a constant room temperature retains at least the same requirements from the resident’s point of view when transferred by several radiators, there is an unused heating surface potential. Potentially, even heat supply lowers the necessary flow temperature. If the mass flow at each radiator matches the standard mass flow and the radiators are designed for the same temperatures, the heating power of each radiator, , is calculated as follows:
Considering Equations (3) and (5) the middle temperature at each radiator (simplified for large radiators) can be estimated as:
Due to missing measurement data of the room temperatures , during the following analysis, the room temperature will be simplified as the measured air temperature at the inactive radiator. The necessary radiator inlet temperature can be calculated using Equation (5); therefore, it must be understood that the radiators are supplied by the same heat circuit.
Figure 6a shows an example of the output power of two radiators in a single room over 24 h. Each measuring point corresponds to 110 s. The radiator 5608 (blue, W) does not emit any heat, while the radiator 5609 (red, W) emits up to 1400 watts. Figure 6b shows the possible output power distribution according to Equation (6).
Figure 6.
Heat power distribution in an example room: (a) Measured power output; (b) Calculated power distribution for two active radiators with even loads.
Figure 7a illustrates the state excess temperature (radiator 5609 in red) and the potential excess temperatures (5608, 5609 in black) for both radiators. Since both radiators have the same standard temperatures and are operating at the same percentage of load, the required excess temperature is identical. It is crucial to acknowledge that this method does not consider potential heat accumulation, although the radiator temperature may deviate from the calculated value. Considering this, we can calculate the radiator middle temperature using Equation (7). The radiator inlet temperature, at the state mass flow, is determined using Equation (5). In Figure 7b, the necessary inlet temperature with an even load (black) is up to 10 K lower than the necessary inlet temperature with an uneven load (red).
Figure 7.
Effect of load sharing on: (a) The excess temperatures; (b) The necessary inlet temperatures.
2.2.4. Heat Request Analysis
In this section, we take a step further. While the previously presented methods did not delve into user behavior or assess the appropriateness of radiator utilization, we now offer a simple approach to estimate potential energy wastage due to incorrect heating and ventilation practices. The required supply temperature is contingent on the degree of radiator utilization. When the radiator load closely matches the standard output, it is unlikely to expect significantly lower necessary inlet temperatures. Since users often tap into existing energy-saving opportunities [3], it is imperative to determine whether the heating power being consumed is actually necessary. However, due to various usage patterns and factors like shading or internal heat losses, it becomes challenging to precisely determine the requisite heat power for maintaining a constant room temperature.
Nonetheless, it is important to recognize that properly sized radiators should be capable of maintaining a consistent room temperature at an environment temperature, typically between 15 °C and down to −10 °C (the standard environmental temperature). In simplified terms, heat losses increase linearly from the heating boundary (for standard cases) at 15 °C and 0% heat power, up to the standard environmental temperature at 100% heat capacity, as illustrated in Figure 8.
Figure 8.
Estimation of the heat request weight.
If , then the requested utilization (left side, debatable heat request) is larger than necessary to satisfy heat losses through transmission and normal ventilation behavior (right side, acceptable heat request). Considering the growing over-dimension of radiators, it may be necessary to undertake additional work in the future to determine the exact radiator dimensions.
3. Results
We have employed a property located in Bad Driburg, Germany, as a practical illustration for the methods presented in this study. Utilizing real measurement data (and digitally applying the methods) gathered in 2021 from heat quantity meters and corresponding heat cost allocators, we assess the property, which has recently undergone energy-efficient renovations.
This property offers a heated area of 700 square meters and is divided into 12 apartments, comprising a total of 59 rooms and 60 radiators. The property boasts an average heat transfer coefficient of 0.8 W/m2K. The radiators are engineered for standard operation with a 70 °C flow temperature, a 55 °C return temperature, and a room temperature of 20 °C. Their design capacities range from 1140 W to 3712 W.
Daily outdoor temperatures at the site, depicted in red, span from −14 °C to approximately 25 °C. Figure 9a visually represents the average supply temperatures (blue), which fluctuate between 35 °C and 75 °C, and are not conducive for the use of an air-to-water heat pump. In Figure 9b, we present aggregations of the mass flow ratio within this property. The mass flow ratio reflects the proportion of actual mass flow in a radiator relative to its corresponding design mass flow. The median daily mass flow ratio (black) reaches a maximum of about 11%. When filtering out inactive radiators, the median mass flow ratio varies between 7% and 30%. The maximum daily mass flow ratio (red) typically falls within a range below 60%, highlighting the most demanding radiator of each day. It is worth noting that there are permanently inactive radiators, resulting in a minimum daily mass flow ratio (blue) of 0%.
Figure 9.
(a) Daily outdoor and flow temperatures; (b) Daily mass flow ratios.
3.1. Applied Heat Reserve Reduction and Heat Power Shifting
The concept of utilizing the heating reserve, as elucidated in Section 2.2.1, is applied to all radiators within the property. However, the required supply temperature for maintaining the existing average radiator temperature and power output can significantly differ from one radiator to another. In practical scenarios, supply temperatures are typically specified for each heating circuit, sometimes for an entire property in the case of larger heating circuits. Consequently, adjusting the supply temperature to meet the individual needs of a single radiator can be challenging.
For ensuring satisfactory power output across all radiators, the supply temperature cannot be further reduced once a radiator receives the maximum heating water mass flow (i.e., the design mass flow). As the supply temperature decreases, the thermostatic valves on the radiators open in an attempt to compensate for the resulting loss of power by increasing the mass flow. It is crucial to identify the point at which the first radiator valve is fully open.
Figure 10a depicts the limiting supply temperature (max. required; red) and the measured supply temperature (blue). The limit supply temperature, representing the highest necessary flow temperature dictated by the most heavily utilized radiator, already offers the potential for reducing the supply temperature compared to the measured supply temperature. The median of the required supply temperature (excluding the inactive radiators; black) falls within the range of 30 to 40 °C, indicating further potential for reduction. The additional potential is presented in Figure 10b as the difference between the measured supply temperature and both the limiting and the median necessary supply temperatures (red; black).
Figure 10.
Applied head reserve reduction and power shifting: (a) Supply temperatures, measured vs. necessary; (b) Reduction potential.
Notice that the median and limit supply temperatures differ a lot. Simply applying the reserve reduction and heat power shifting alone does not lead to a noticeable reduction of the necessary supply temperature in all cases. Through the conception of water heating systems, the highest necessary supply temperature for a single radiator must be supplied to the whole heat circle.
As shown in Figure 3, the method of heat reserve reduction can be applied if 0 < < . Excluding the summer months (May to September) and focusing solely on actively operating radiators, the median supply temperature exhibits a potential reduction of 20.8 K across all radiators. However, when we narrow our analysis to radiators subject to heavy utilization and establish a usage threshold, the median limiting supply temperature reduction is notably diminished, at just 7.3 K. This observation underscores the adverse influence of radiators that experience extensive use, thereby instigating inquiries into the methodology of heat cost allocation. In the prevailing system, costs are apportioned solely on the basis of energy consumption and floor area, with insufficient regard for their implications on overall energy efficiency.
Leveraging data derived from 73 buildings with substantial measurement data availability for the heating season of 2021–2022, we computed the median daily required supply temperature for all radiators and presented this data graphically in Figure 11 as a boxplot. Each building is denoted by a unique identifier, and these identifiers are arranged in ascending order according to the median required flow temperature, from the lower end (depicted in blue) to the higher end (depicted in red). When disregarding outliers, the supply temperature predominantly falls within the range of 40 °C to 50 °C. However, certain days, exemplified by Building ID 41, exhibit significant deviations of daily outliers from the median necessary supply temperature. Potential causes of such deviations may include a low count of inactive radiators experiencing high utilization on warm days or issues with the boilers. Consequently, further investigation is warranted to explore these anomalies comprehensively.
Figure 11.
Boxplot of the required median supply temperatures after the application of the Heat Reserve Reduction and Power Shifting approach for the heating period 2021/2022. The coloring corresponds to the median temperature in the object from low (blue) to high (red).
Regrettably, the application of the median required supply temperature is impractical, as it would not suffice to meet the heating demands of the most extensively used radiators. As previously elucidated, the reduction in supply temperature is constrained by the upper limits imposed by the highly utilized “limiting” radiators, as illustrated in Figure 12. Despite the notably elevated values of the limiting daily radiator temperature, it is noteworthy that our findings reveal that, in 62 out of the 73 examined buildings, supply temperatures below 60 °C were adequate to satisfy users’ room temperature requirements. Additionally, within 51 of these 73 buildings, representing the upper quartile, i.e., the required temperature during 75% of the observation period, remained below 60 °C. It is imperative to emphasize that our analysis predominantly concentrated on the reduction of heat reserves through the heat reserve reduction and power shifting approach. However, when amalgamating these strategies with other methodologies, the potential for achieving even lower supply temperatures becomes apparent. Across an additional set of 73 buildings, the median supply temperature exhibited a potential reduction of 18.5 K. Nevertheless, this reduction is limited in the median to 7 K, constrained by the influence of the most heavily utilized radiators.
Figure 12.
Boxplot of the required limiting supply temperatures after the application of the Heat Reserve Reduction and Power Shifting approach for the heating period 2021/2022. The coloring corresponds to the median temperature in the object from low (blue) to high (red).
3.2. Applied Uniform Radiator Usage
As an example, we examine the actual heat consumption in a room equipped with two radiators of varying sizes. Radiator 1 has a design power of 2911 W, whereas radiator 2 is rated at 2079 W. Interestingly, despite its larger size, radiator 1 emitted a total heat energy of 1284 kWh, which is less than the total heat emitted by radiator 2, which amounted to 1732 kWh, as depicted in Figure 13a. The unequal utilization becomes particularly evident through the highly disparate full utilization hours of the radiators. While radiator 1 has only 390 full utilization hours, radiator 2 has 716 full utilization hours.
Figure 13.
Impact of applied uniform heat loads: (a) Heat distribution; (b) Potential to reduce the supply temperature for both radiators.
Applying Equation (6) as outlined in Section 2.2.3, the provided heat is redistributed based on the radiator size. This results in 525 full utilization hours for each radiator.
The calculation is carried out in time steps of five minutes so that peak loads can still be evaluated. The inner radiator temperature was calculated applying Equation (7) therefore it was necessary to calculate a new inlet temperature according to Equation (5). For each time step, the maximum necessary temperature (from one of the two radiators) was taken to ensure proper heat supply. These values were averaged over the whole heating period. The necessary inlet temperature was reduced from 39.0 °C to 32.6 °C for this room, see Figure 13b.
3.3. Applied Heat Requirement Analysis
The heat requirement analysis described in Section 2.2.4 is applied to the example building. The utilization ratio is calculated for each radiator using average values over one-hour intervals. This chosen time interval helps to smoothen out peak values, ensuring that each data point accurately represents a substantial amount of energy transferred into the room. Data corresponding to radiator shutdowns has been excluded.
Figure 14a presents a scatterplot of all operational states relative to the ambient temperature from 1 January 2021 to 10 January 2021, which ranged from approximately 0 °C to 14 °C. The blue line signifies the estimated heat requirement, according to Section 2.2.4. Numerous data points are positioned above the indicated heat requirement, signaling an oversupply of heat. Each color within the plot corresponds to a specific radiator, enabling a detailed examination of individual heating behavior.
Figure 14.
Applied heat requirement analysis: (a) Operating states of radiators in the apartment building; (b) Operating states limited at the estimated heat requirement. Each color represents a radiator.
For instance, the orange radiator consistently exhibits high utilization, suggesting potential issues such as (a) heat wastage (e.g., due to open windows), (b) excessively high temperatures, or (c) uneven heat distribution as discussed in Section 3.2 (wherein one radiator bears the brunt of the workload). Limiting the heat supply to the estimated required value would significantly reduce the heat load, as depicted in Figure 14b.
The calculation presented in Figure 14b is extended to cover the entire month of January 2021. If each state above the line is regarded as an energy waste, the average load and energy consumption decrease by 14%. Nevertheless, even if the energy transferred into the room during each state is essential to meet the resident’s needs, the reduction in power could be offset by extended heating periods, as discussed in Section 2.2.2. This approach also contributes to a reduction in peak loads by 21%, consequently lowering the required supply temperature. For a further 73 buildings, the energy consumption could be decreased by 13% in the median, the median peak loads could be reduced by 29%.
4. Discussion
The main objective of this study is to investigate whether the supply temperatures in residential heating systems and peak heat loads can be reduced to facilitate the widespread integration of heat pumps, resulting in reduced energy consumption and minimized waste potential. The research introduces four distinct methods designed to achieve lower supply temperatures and heat loads within buildings without compromising room temperatures. No impact on residents’ requirements is expected with any of the methods studied. However, the reduction in temperature levels and associated increase in energy efficiency may motivate occupants to address energy use and settings and provide qualified feedback for building operations.
The primary approach centers on reducing heat reserves. This involves lowering the required supply temperature by increasing the volume flow, thereby maintaining a consistent heat power output. The application of this method resulted in a median temperature decrease of 18.5 K but seems limited to a median decrease of 7 K due to the highest required supply temperature in the example provided.
Another method involves redistributing heat power to address peak loads, necessitating prolonged heating periods with reduced power. Effective management with this method may require the incorporation of more sophisticated thermostats as today’s modern and intelligent thermostats tend to focus on providing on demand, rather than in advance.
In addition, the method of uniformly utilizing radiators aims to optimize existing potential and heat distribution, potentially significantly reducing the supply temperature when multiple radiators are available.
The final method, heat requirement analysis, evaluates the appropriate heat powers for each radiator, comparing them against the current configuration. This approach proves effective when combined with heat power shifting, as it identifies peak loads and calculates suitable heat power levels. By eliminating the wasteful states of the example, the load and energy consumption could be decreased by 14% in the median, and overall buildings by 13%. Meanwhile, the peak loads in the example could be reduced by 21% and overall buildings by 29% in the median.
While each method can function independently, their synergistic application can deliver even greater benefits. It is important to note that the reported values are based on optimal configurations. In real-world scenarios, various factors such as hydraulic considerations, heat losses, and user interventions must be considered. This necessitates the use of a buffer to ensure a reliable heat supply. The potential for implementing these methods exists across a wide range of buildings.
In summary: Given that existing buildings often already have insulation measures in place, it is possible to intelligently lower supply water temperature levels through applying the described methods. The achievable temperature levels frequently allow efficient utilization of water heat pumps as a replacement for traditional fossil-based heating systems. Due to the interconnected radiators through heating circuits, heavily utilized radiators can significantly raise the required supply water temperatures.
In future studies, we want to further elaborate the system by, for example, investigating the effects of the increased volume flow on the electrical power consumption of the circulating pump and evaluating it in terms of energy and emissions. The system is also to be extended to other properties with different constellations of building physics (e.g., age of construction, insulation standard) and system technology (dimension and structure of the radiators). The possible applications to commercial buildings are also to be evaluated. In summary, the core findings of this study emphasize a range of strategies to reduce supply temperatures and manage peak loads, ultimately enhancing energy efficiency in buildings. These outcomes underscore the feasibility of these methodologies, especially when tailored to specific contexts. By implementing these combined strategies and addressing practical challenges, stakeholders can embark on a path toward greener and more sustainable energy use.
Author Contributions
Methodology, S.J., F.F.S. and A.B.; Validation, F.F.S.; Formal analysis, K.F.; Resources, A.B.; Data curation, K.F.; Writing—original draft, S.J.; Supervision, V.G.; Project administration, V.G. All authors have read and agreed to the published version of the manuscript.
Funding
This work was partly funded by the Ministry of Economic Affairs, Innovation, Digitalization and Energy of the State of North Rhine-Westphalia (MWIDE) within the project “Smart User Interfaces—VISE-I” (grant no. EFO/0150C).
Data Availability Statement
Not available due to data privacy.
Conflicts of Interest
The authors declare no conflict of interest. The funders had no role in the design of the study; in the collection, analyses, or interpretation of data; in the writing of the manuscript; or in the decision to publish the results.
References
- Bdew. Heating Structure of the Housing Stock in Germany. Available online: https://www.bdew.de/service/daten-und-grafiken/beheizungsstruktur-wohnungsbestand/ (accessed on 19 October 2023). (In German).
- Pehnt, M.; Stede, J.; Schütze, F. Climate Protection in the Building Sector: Explanations for Stagnating CO2 Emissions Despite Successful Renovation Measures: Short Study Commissioned by Agora Energiewende. 2022. Available online: https://www.agora-energiewende.de/fileadmin/Projekte/2021/2021_02_Gebaeudekonsens/2022-09-21_Klimaschutz_im_Gebaeudebereich.pdf (accessed on 10 September 2023). (In German).
- Grinewitschus, V.; Jurkschat, S.; Lepper, K.; Beblek, A.; Fransen, K. BaltBest: Influence of Operational Management on the Efficiency of Old Heating Systems in Existing Buildings. 2021. Available online: https://www.ebz-business-school.de/forschung/forschungsprojekte/baltbest.html (accessed on 5 March 2023). (In German).
- Tochtrop, C. VISE-I: Smart User Interfaces. Smart Energy Virtual Institute (VISE)—Intelligent User Interfaces for Users in Energy-Efficient Households. 2023. Available online: https://smart-energy-nrw.web.th-koeln.de/vise-i-smart-user-interfaces/ (accessed on 25 September 2023). (In German).
- Gusek, A.; Bär, Y. ALFA®-Alliance for Plant Energy Efficiency: Economical—Socially Compatible—Ecologically Efficient; ALFA: Berlin, Germany, 2016. (In German) [Google Scholar]
- Sankol, B.U.; Wolter, G.; Heermann, J. BETA North: Operating Efficiency of Technical Equipment. Available online: https://www.vnw.de/interessenvertretung/technik-und-energie/beta-nord/ (accessed on 25 September 2023). (In German).
- Grinewitschus, V.; Lepper, K. Alliance: Alliance for a Climate-Neutral Residential Building Stock. 2023. Available online: https://www.energieeffizient-wohnen.de/ (accessed on 25 September 2023). (In German).
- Lämmle, M.; Bongs, C.; Wapler, J.; Günther, D.; Hess, S.; Kropp, M.; Herkel, S. Performance of air and ground source heat pumps retrofitted to radiator heating systems and measures to reduce space heating temperatures in existing buildings. Energy 2022, 242, 122952. [Google Scholar] [CrossRef]
- Lämmle, M.; Metz, J.; Kropp, M.; Wapler, J.; Oltersdorf, T.; Günther, D.; Herkel, S.; Bongs, C. Heat Pump Systems in Existing Multifamily Buildings: A Meta-Analysis of Field Measurement Data Focusing on the Relationship of Temperature and Performance of Heat Pump Systems. Energy Technol. 2023, 2300379. [Google Scholar] [CrossRef]
- Günther, D.; Wapler, J.; Langner, R.; Marek Miara, S.H.; Fischer, D.; Zimmermann, D.; Wolf, T.; Wille-Hausmann, B. Heat Pumps in Existing Buildings: Results from the “WPSMART in the Existing Building” Research Project. 2020. Available online: https://www.ise.fraunhofer.de/content/dam/ise/de/downloads/pdf/Forschungsprojekte/BMWi-03ET1272A-WPsmart_im_Bestand-Schlussbericht.pdf (accessed on 19 October 2023). (In German).
- Tunzi, M.; Benakopoulos, T.; Yang, Q.; Svendsen, S. Demand side digitalisation: A methodology using heat cost allocators and energy meters to secure low-temperature operations in existing buildings connected to district heating networks. Energy 2023, 264, 126272. [Google Scholar] [CrossRef]
- Kähler, A.; Schulz, H.-J. Method and Device for Adjusting the Heating Power Reserve. Patent EP2009536A1, 25 September 2023. [Google Scholar]
- Guelpa, E.; Barbero, G.; Sciacovelli, A.; Verda, V. Peak-shaving in district heating systems through optimal management of the thermal request of buildings. Energy 2017, 137, 706–714. [Google Scholar] [CrossRef]
- Beltram, L.; Christensen, M.H.; Li, R. Demonstration of heating demand peak shaving in smart homes. J. Phys. Conf. Ser. 2019, 1343, 12055. [Google Scholar] [CrossRef]
- Sprenger, E.; Albers, K.-J. (Eds.) Pocketbook for Heating and Air Conditioning: Including Drinking Water and Refrigeration Technology as Well as Energy Concepts, 78th ed.; 2017/2018; DIV Deutscher Industrieverlag GmbH: München, Germany, 2017; ISBN 3835672843. (In German) [Google Scholar]
Disclaimer/Publisher’s Note: The statements, opinions and data contained in all publications are solely those of the individual author(s) and contributor(s) and not of MDPI and/or the editor(s). MDPI and/or the editor(s) disclaim responsibility for any injury to people or property resulting from any ideas, methods, instructions or products referred to in the content. |
© 2023 by the authors. Licensee MDPI, Basel, Switzerland. This article is an open access article distributed under the terms and conditions of the Creative Commons Attribution (CC BY) license (https://creativecommons.org/licenses/by/4.0/).













