Hybrid Optical and Thermal Energy Conversion System to Power Internet of Things Nodes
Abstract
:1. Introduction
- kinetic and thermal energy harvesters;
- kinetic and solar energy harvesters;
- kinetic and RF (radio frequency) energy harvesters;
- optical radiation and RF energy harvesters;
- thermal and optical radiation energy harvesters.
2. Materials and Methods
2.1. Thermal Energy Harvesters
2.2. Optical Radiation Energy Harvesters
3. Results
3.1. Thermoelectric Generato (TEG)
- The maximum power is generated by the module in the impedance-matching state;
- The internal resistance of the module is in the range of 2 to 3 Ω and does not change with temperature. The results obtained are consistent in nature with the results obtained by Kramer et al. [51], where the internal resistance of TEG is at the level of 3 Ω;
- With a hot and cold cladding temperature difference of 10 °C (a gradient realizable in wearable devices—the difference between human skin temperature and room temperature), a single module generates 350 µW of power.
3.2. Photovoltanic Panels
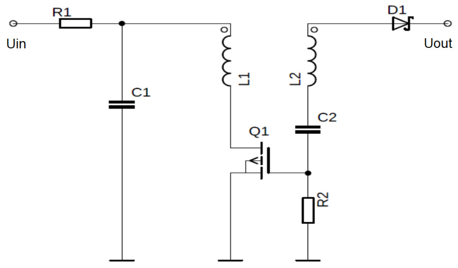
3.3. Power Supply Units—Single and Hybrid
- BQ25505 from Texas Instruments Dallas, TX, USA is dedicated to work with photovoltaic panels and TEG has implemented MPPT algorithm; the chip converts input voltages from 100 mV;
- LTC3108 from Analog Devices (Cambridge, MA, USA) is dedicated to work with photovoltaic panels, TEG and piezoelectric; the circuit processes input voltages from 20 mV.
4. Discussion and Conclusions
Funding
Data Availability Statement
Conflicts of Interest
References
- Kolcun, R.; Popescu, D.A.; Safronov, V.; Yadav, P.; Mandalari, A.M.; Mortier, R.; Haddadi, H. Revisiting IoT Device Identification. arXiv 2021, arXiv:2107.07818. [Google Scholar]
- Yin, F.; Yang, L.; Wang, Y.; Dai, J. IoT ETEI: End-to-End IoT Device Identification Method. In Proceedings of the 2021 IEEE Conference on Dependable and Secure Computing (DSC), Fukushima, Japan, 30 January–2 February 2021; pp. 1–8. [Google Scholar]
- Salman, O.; Elhajj, I.H.; Chehab, A.; Kayssi, A. A Machine Learning Based Framework for IoT Device Identification and Abnormal Traffic Detection. Trans. Emerg. Telecommun. Technol. 2022, 33, e3743. [Google Scholar] [CrossRef]
- Luong, N.C.; Hoang, D.T.; Wang, P.; Niyato, D.; Kim, D.I.; Han, Z. Data Collection and Wireless Communication in Internet of Things (IoT) Using Economic Analysis and Pricing Models: A Survey. IEEE Commun. Surv. Tutor. 2016, 18, 2546–2590. [Google Scholar] [CrossRef]
- Pawar, P.; Trivedi, A. Device-to-Device Communication Based IoT System: Benefits and Challenges. IETE Tech. Rev. 2019, 36, 362–374. [Google Scholar] [CrossRef]
- Taami, T.; Azizi, S.; Yarinezhad, R. An Efficient Route Selection Mechanism Based on Network Topology in Battery-Powered Internet of Things Networks. Peer-Peer Netw. Appl. 2023, 16, 450–465. [Google Scholar] [CrossRef]
- Lee, J.; Choi, S.; Kim, D.; Choi, Y.; Sun, W. A Novel Hardware Security Architecture for IoT Device: PD-CRP (PUF Database and Challenge–Response Pair) Bloom Filter on Memristor-Based PUF. Appl. Sci. 2020, 10, 6692. [Google Scholar] [CrossRef]
- Cai, T.; Ma, Y.; Liu, P.; Niu, D.; Li, L. A New NVM Device Driver for IoT Time Series Database. Micromachines 2022, 13, 385. [Google Scholar] [CrossRef]
- Lavalle, A.; Teruel, M.A.; Maté, A.; Trujillo, J. Improving Sustainability of Smart Cities through Visualization Techniques for Big Data from IoT Devices. Sustainability 2020, 12, 5595. [Google Scholar] [CrossRef]
- Jecan, E.; Pop, C.; Ratiu, O.; Puschita, E. Predictive Energy-Aware Routing Solution for Industrial IoT Evaluated on a WSN Hardware Platform. Sensors 2022, 22, 2107. [Google Scholar] [CrossRef]
- Usman, N.; Alfandi, O.; Usman, S.; Khattak, A.M.; Awais, M.; Hayat, B.; Sajid, A. An Energy Efficient Routing Approach for IoT Enabled Underwater WSNs in Smart Cities. Sensors 2020, 20, 4116. [Google Scholar] [CrossRef]
- Poornima, M.R.; Vimala, H.S.; Shreyas, J. Holistic Survey on Energy Aware Routing Techniques for IoT Applications. J. Netw. Comput. Appl. 2023, 213, 103584. [Google Scholar] [CrossRef]
- Häggström, F.; Delsing, J. IoT Energy Storage—A Forecast. Energy Harvest. Syst. 2018, 5, 43–51. [Google Scholar] [CrossRef]
- Krishna, G.; Singh, R.; Gehlot, A.; Akram, S.V.; Priyadarshi, N.; Twala, B. Digital Technology Implementation in Battery-Management Systems for Sustainable Energy Storage: Review, Challenges, and Recommendations. Electronics 2022, 11, 2695. [Google Scholar] [CrossRef]
- Liu, L.; Guo, X.; Liu, W.; Lee, C. Recent Progress in the Energy Harvesting Technology—From Self-Powered Sensors to Self-Sustained IoT, and New Applications. Nanomaterials 2021, 11, 2975. [Google Scholar] [CrossRef] [PubMed]
- Kjellby, R.A.; Cenkeramaddi, L.R.; Frøytlog, A.; Lozano, B.B.; Soumya, J.; Bhange, M. Long-Range & Self-Powered IoT Devices for Agriculture & Aquaponics Based on Multi-Hop Topology. In Proceedings of the 2019 IEEE 5th World Forum on Internet of Things (WF-IoT), Limerick, Ireland, 15–18 April 2019; pp. 545–549. [Google Scholar]
- Xiao, H.; Qi, N.; Yin, Y.; Yu, S.; Sun, X.; Xuan, G.; Liu, J.; Xiao, S.; Li, Y.; Li, Y. Investigation of Self-Powered IoT Sensor Nodes for Harvesting Hybrid Indoor Ambient Light and Heat Energy. Sensors 2023, 23, 3796. [Google Scholar] [CrossRef]
- Dziadak, B.; Kucharek, M.; Starzyński, J. Powering the WSN Node for Monitoring Rail Car Parameters, Using a Piezoelectric Energy Harvester. Energies 2022, 15, 1641. [Google Scholar] [CrossRef]
- Sharma, S.; Kiran, R.; Azad, P.; Vaish, R. A Review of Piezoelectric Energy Harvesting Tiles: Available Designs and Future Perspective. Energy Convers. Manag. 2022, 254, 115272. [Google Scholar] [CrossRef]
- Maharjan, P.; Lee, S.; Bhatta, T.; Pradhan, G.B.; Shrestha, K.; Jeong, S.; Rana, S.S.; Park, J.Y. A 3D Printed Compact and Intelligent Power Module Based on Vibration Energy Harvester Integrated with Self-Powered Triboelectric Sensor for Industry 4.0 IoT Applications. Adv. Mater. Technol. 2023, 8, 2201545. [Google Scholar] [CrossRef]
- Zou, Y.; Sun, M.; Yan, F.; Du, T.; Xi, Z.; Li, F.; Zhu, C.; Wang, H.; Zhao, J.; Sun, P.; et al. A High-Performance Flag-Type Triboelectric Nanogenerator for Scavenging Wind Energy toward Self-Powered IoTs. Materials 2022, 15, 3696. [Google Scholar] [CrossRef]
- Yaşar, O.; Uluşan, H.; Zorlu, Ö.; Şardan-Sukas, Ö.; Külah, H. Optimization of AA-Battery Sized Electromagnetic Energy Harvesters: Reducing the Resonance Frequency Using a Non-Magnetic Inertial Mass. IEEE Sens. J. 2018, 18, 4509–4516. [Google Scholar] [CrossRef]
- Dinulovic, D.; Shousha, M.; Al-Batol, M.; Zafar, T.; Bickel, J.; Ngo, H.-D.; Haug, M. Dual-Rotor Electromagnetic-Based Energy Harvesting System for Smart Home Applications. IEEE Trans. Magn. 2021, 57, 1–5. [Google Scholar] [CrossRef]
- Dziadak, B.; Makowski, Ł.; Kucharek, M.; Jóśko, A. Energy Harvesting for Wearable Sensors and Body Area Network Nodes. Energies 2023, 16, 1681. [Google Scholar] [CrossRef]
- Machacek, Z.; Sotola, V.; Petras, R.; Schneider, M.; Masny, Z.; Idzkowski, A.; Walendziuk, W. Advanced Energy Harvesting from Heating for a Water Consumption Meter. Proceedings 2020, 51, 21. [Google Scholar] [CrossRef]
- Chang, T.; Rincón-Mora, G.A. Fast Energy-Harvesting TEG-Supplied Charging Regulator Microsystem. IEEE Trans. Power Electron. 2023, 38, 9116–9126. [Google Scholar] [CrossRef]
- Lee, Y.C.; Ramiah, H.; Choo, A.; Churchill, K.K.P.; Lai, N.S.; Lim, C.C.; Chen, Y.; Mak, P.-I.; Martins, R.P. High-Performance Multiband Ambient RF Energy Harvesting Front-End System for Sustainable IoT Applications—A Review. IEEE Access 2023, 11, 11143–11164. [Google Scholar] [CrossRef]
- Ahmad, F.F.; Ghenai, C.; Bettayeb, M. Maximum Power Point Tracking and Photovoltaic Energy Harvesting for Internet of Things: A Comprehensive Review. Sustain. Energy Technol. Assess. 2021, 47, 101430. [Google Scholar] [CrossRef]
- Mondal, S.; Paily, R. On-Chip Photovoltaic Power Harvesting System with Low-Overhead Adaptive MPPT for IoT Nodes. IEEE Internet Things J. 2017, 4, 1624–1633. [Google Scholar] [CrossRef]
- Páez-Montoro, A.; García-Valderas, M.; Olías-Ruíz, E.; López-Ongil, C. Solar Energy Harvesting to Improve Capabilities of Wearable Devices. Sensors 2022, 22, 3950. [Google Scholar] [CrossRef]
- Mahdi Elsiddig Haroun, F.; Mohamad Deros, S.N.; Ahmed Alkahtani, A.; Md Din, N. Towards Self-Powered WSN: The Design of Ultra-Low-Power Wireless Sensor Transmission Unit Based on Indoor Solar Energy Harvester. Electronics 2022, 11, 2077. [Google Scholar] [CrossRef]
- Goldsmid, H.J. Introduction to Thermoelectricity; Springer Series in Materials Science; Springer: Berlin/Heidelberg, Germany, 2010; Volume 121, ISBN 978-3-642-00715-6. [Google Scholar]
- Hasan, M.d.N.; Nafea, M.; Nayan, N.; Mohamed Ali, M.S. Thermoelectric Generator: Materials and Applications in Wearable Health Monitoring Sensors and Internet of Things Devices. Adv. Mater. Technol. 2022, 7, 2101203. [Google Scholar] [CrossRef]
- Pourkiaei, S.M.; Ahmadi, M.H.; Sadeghzadeh, M.; Moosavi, S.; Pourfayaz, F.; Chen, L.; Pour Yazdi, M.A.; Kumar, R. Thermoelectric Cooler and Thermoelectric Generator Devices: A Review of Present and Potential Applications, Modeling and Materials. Energy 2019, 186, 115849. [Google Scholar] [CrossRef]
- Kishore, R.A.; Priya, S. A Review on Low-Grade Thermal Energy Harvesting: Materials, Methods and Devices. Materials 2018, 11, 1433. [Google Scholar] [CrossRef] [PubMed]
- Chen, C.J. Physics of Solar Energy; Wiley: Hoboken, NJ, USA, 2011. [Google Scholar]
- Sredensek, K.; Sem, S. Parameter Determination of a Solar Cell Model Using Differential Evolution Algorithm. Przegląd Elektrotechniczny 2019, 1, 167–170. [Google Scholar] [CrossRef]
- Araújo, N.M.F.T.S.; Sousa, F.J.P.; Costa, F.B. Equivalent Models for Photovoltaic Cell—A Review. Reterm 2020, 19, 77. [Google Scholar] [CrossRef]
- Shockley, W.; Queisser, H.J. Detailed Balance Limit of Efficiency of P-n Junction Solar Cells. J. Appl. Phys. 1961, 32, 510–519. [Google Scholar] [CrossRef]
- Rühle, S. Tabulated Values of the Shockley–Queisser Limit for Single Junction Solar Cells. Sol. Energy 2016, 130, 139–147. [Google Scholar] [CrossRef]
- Yoon, S.; Tak, S.; Kim, J.; Jun, Y.; Kang, K.; Park, J. Application of Transparent Dye-Sensitized Solar Cells to Building Integrated Photovoltaic Systems. Build. Environ. 2011, 46, 1899–1904. [Google Scholar] [CrossRef]
- Tonui, P.; Oseni, S.O.; Sharma, G.; Yan, Q.; Tessema Mola, G. Perovskites Photovoltaic Solar Cells: An Overview of Current Status. Renew. Sustain. Energy Rev. 2018, 91, 1025–1044. [Google Scholar] [CrossRef]
- Zhou, D.; Zhou, T.; Tian, Y.; Zhu, X.; Tu, Y. Perovskite-Based Solar Cells: Materials, Methods, and Future Perspectives. J. Nanomater. 2018, 2018, e8148072. [Google Scholar] [CrossRef]
- Roldán-Carmona, C.; Malinkiewicz, O.; Soriano, A.; Mínguez Espallargas, G.; Garcia, A.; Reinecke, P.; Kroyer, T.; Dar, M.I.; Nazeeruddin, M.K.; Bolink, H.J. Flexible High Efficiency Perovskite Solar Cells. Energy Environ. Sci. 2014, 7, 994. [Google Scholar] [CrossRef]
- Rong, Y.; Hu, Y.; Mei, A.; Tan, H.; Saidaminov, M.I.; Seok, S.I.; McGehee, M.D.; Sargent, E.H.; Han, H. Challenges for Com-mercializing Perovskite Solar Cells. Science 2018, 361, eaat8235. [Google Scholar] [CrossRef] [PubMed]
- Yamaguchi, M.; Dimroth, F.; Geisz, J.F.; Ekins-Daukes, N.J. Multi-Junction Solar Cells Paving the Way for Super High-Efficiency. J. Appl. Phys. 2021, 129, 240901. [Google Scholar] [CrossRef]
- Chang, M.-C.; Liu, S.-I. An Indoor Photovoltaic Energy Harvester Using Time-Based MPPT and on-Chip Photovoltaic Cell. IEEE Trans. Circuits Syst. II Express Briefs 2020, 67, 2432–2436. [Google Scholar] [CrossRef]
- Ibrahim, M.H.; Ang, S.P.; Dani, M.N.; Rahman, M.I.; Petra, R.; Sulthan, S.M. Optimizing Step-Size of Perturb & Observe and Incremental Conductance MPPT Techniques Using PSO for Grid-Tied PV System. IEEE Access 2023, 11, 13079–13090. [Google Scholar] [CrossRef]
- Michalski, A.; Watral, Z. Problems of Powering End Devices in Wireless Networks of the Internet of Things. Energies 2021, 14, 2417. [Google Scholar] [CrossRef]
- Michalski, A.; Dziadak, B.; Makowski, Ł. Survey of Energy Harvesting Systems for Wireless Sensor Networks in Environmental Monitoring. Metrol. Meas. Syst. 2016, 23, 495–512. [Google Scholar]
- Kramer, L.R.; Maran, A.L.O.; de Souza, S.S.; Ando Junior, O.H. Analytical and Numerical Study for the Determination of a Thermoelectric Generator’s Internal Resistance. Energies 2019, 12, 3053. [Google Scholar] [CrossRef]
- Mathews, I.; King, P.J.; Stafford, F.; Frizzell, R. Performance of III–V Solar Cells as Indoor Light Energy Harvesters. IEEE J. Photovolt. 2016, 6, 230–235. [Google Scholar] [CrossRef]
- De Rossi, F.; Pontecorvo, T.; Brown, T.M. Characterization of Photovoltaic Devices for Indoor Light Harvesting and Customization of Flexible Dye Solar Cells to Deliver Superior Efficiency under Artificial Lighting. Appl. Energy 2015, 156, 413–422. [Google Scholar] [CrossRef]
- El-Shaer, A.; Tadros, M.T.Y.; Khalifa, M. Effect of Light Intensity and Temperature on Crystalline Silicon Solar Modules Parameters. Int. J. Emerg. Technol. Adv. Eng. 2014, 4, 2014. [Google Scholar]
- Mulcué-Nieto, L.F.; Echeverry-Cardona, L.F.; Restrepo-Franco, A.M.; García-Gutiérrez, G.A.; Jiménez-García, F.N.; Mora-López, L. Energy Performance Assessment of Monocrystalline and Polycrystalline Photovoltaic Modules in the Tropical Mountain Climate: The Case for Manizales-Colombia. Energy Rep. 2020, 6, 2828–2835. [Google Scholar] [CrossRef]
- LTC3108 Datasheet and Product Info|Analog Devices. Available online: https://www.analog.com/en/products/ltc3108.html#product-overview (accessed on 3 September 2023).
- Dziadak, B.; Makowski, L.; Michalski, A. Konstrukcja Węzła Bezprzewodowej Sieci Czujnikowej Wykorzystującego Energy Harvesting. Przegląd Elektrotechniczny 2016, 1, 65–68. [Google Scholar] [CrossRef]
- Dziadak, B. Structural Health Monitoring System for Snow and Wind Load Measurement. Electronics 2020, 9, 609. [Google Scholar] [CrossRef]
- Krichen, M. A Survey on Formal Verification and Validation Techniques for Internet of Things. Appl. Sci. 2023, 13, 8122. [Google Scholar] [CrossRef]
- Souri, A.; Norouzi, M. A State-of-the-Art Survey on Formal Verification of the Internet of Things Applications. J. Serv. Sci. Res. 2019, 11, 47–67. [Google Scholar] [CrossRef]


















| Type of Energy Storage | Energy Density (Wh/kg) | Energy Density (Wh/L) | Self-Discharge Rate per Month | Cycle Life |
|---|---|---|---|---|
| Lithium-ion (Li-ion) batteries | 150–250 | 250–650 | 5% | 500–1500 |
| Lithium polymer (LiPo) batteries | 100–265 | 300–500 | 5% | 400–1200 |
| Nickel-metal hydride (NiMH) batteries | 60–120 | - | 20–30 | 500–2000 |
| Supercapacitors | 5–10 | 4–30 | 5–20% per day | >1,000,000 |
| Thin-film batteries | ~100 | - | ~0.5% | 1000 |
| Type of EH | Conditions | Power of Harvester (mW) | Power Density of Harvester (µW/cm2) | Power of Power Unit (µW) | Power Density of Power Unit (µW/cm2) | Efficiency (%) |
|---|---|---|---|---|---|---|
| TEG | dT = 8 °C | 0.2 | 12.5 | 14 | 1 | 8.3 |
| TEG | dT = 15 °C | 0.8 | 50 | 180 | 11 | 22.0 |
| TEG | dT = 20 °C | 1.2 | 77 | 409 | 26 | 34.0 |
| poli | 1000 lx | 18.5 | 437 | 150 | 4 | 0.9 |
| poli | 2000 lx | 32.1 | 759 | 204 | 5 | 0.7 |
| poli | 4000 lx | 55.5 | 1313 | 409 | 10 | 0.8 |
| TEG + poli | 2000 lx dT = 8 °C | 32.4 | - | 205 | - | 0.6 |
| TEG + poli | 2000 lx dT = 15 °C | 32.9 | - | 321 | - | 1.0 |
| TEG + poli | 2000 lx dT = 20 °C | 33.3 | - | 450 | - | 1.4 |
Disclaimer/Publisher’s Note: The statements, opinions and data contained in all publications are solely those of the individual author(s) and contributor(s) and not of MDPI and/or the editor(s). MDPI and/or the editor(s) disclaim responsibility for any injury to people or property resulting from any ideas, methods, instructions or products referred to in the content. |
© 2023 by the author. Licensee MDPI, Basel, Switzerland. This article is an open access article distributed under the terms and conditions of the Creative Commons Attribution (CC BY) license (https://creativecommons.org/licenses/by/4.0/).
Share and Cite
Dziadak, B. Hybrid Optical and Thermal Energy Conversion System to Power Internet of Things Nodes. Energies 2023, 16, 7076. https://doi.org/10.3390/en16207076
Dziadak B. Hybrid Optical and Thermal Energy Conversion System to Power Internet of Things Nodes. Energies. 2023; 16(20):7076. https://doi.org/10.3390/en16207076
Chicago/Turabian StyleDziadak, Bogdan. 2023. "Hybrid Optical and Thermal Energy Conversion System to Power Internet of Things Nodes" Energies 16, no. 20: 7076. https://doi.org/10.3390/en16207076
APA StyleDziadak, B. (2023). Hybrid Optical and Thermal Energy Conversion System to Power Internet of Things Nodes. Energies, 16(20), 7076. https://doi.org/10.3390/en16207076
