Optimal Asymmetric Duty Modulation for Dual Active Bridge Converters with DC Blocking Capacitors
Abstract
:1. Introduction
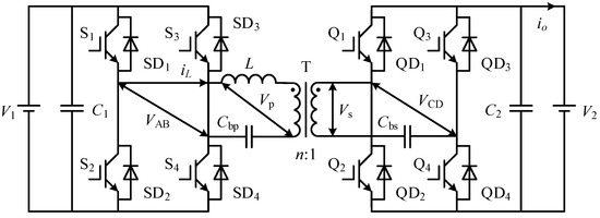
2. ADM with the Aid of DC Blocking Capacitors
3. Principles of the Proposed ADM
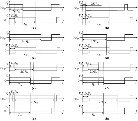
3.1. Analysis of Operation Mode
3.2. Transmission Power Analysis
3.3. ZVS Analysis
4. Optimal Asymmetric Duty Modulation
4.1. Current Stress Optimization under ZVS
4.2. Control Scheme of OADM
5. Experimental Verification
5.1. Experimental Verification of ADM
5.2. Experimental Verification of OADM
6. Conclusions
Author Contributions
Funding
Data Availability Statement
Acknowledgments
Conflicts of Interest
References
- Hou, N.; Li, Y.; Quan, Z.; Li, Y.W.; Zhou, A. Unified fast-dynamic direct-current control scheme for intermediary inductive AC-link isolated DC-DC converters. IEEE Open J. Power Electron. 2021, 2, 383–400. [Google Scholar] [CrossRef]
- Jeong, D.-K.; Kim, H.-S.; Baek, J.-W.; Kim, J.-Y.; Kim, H.-J. Dual active bridge converter for Energy Storage System in DC microgrid. In Proceedings of the 2016 IEEE Transportation Electrification Conference and Expo, Asia-Pacific (ITEC Asia-Pacific), Busan, Republic of Korea, 1–4 June 2016. [Google Scholar]
- Omran, A.H.; Said, D.M.; Hussin, S.M. A Survey of Different DC Faults in a Solar Power System. In Proceedings of the 2020 IEEE 8th Conference on Systems, Process and Control (ICSPC), Melaka, Malaysia, 11–12 December 2020. [Google Scholar]
- De Doncker, R.W.A.A.; Divan, D.M. A three-phase soft-switched high-power-density DC/DC converter for high-power applications. IEEE Trans. Ind. Appl. 1991, 27, 63–73. [Google Scholar] [CrossRef]
- Wei, Y.; Pereira, T.; Pan, Y.; Liserre, M.; Blaabjerg, F.; Mantooth, H.A. A general and automatic RMS current oriented optimal design tool for LLC resonant converters. IEEE J. Emerg. Sel. Topics Power Electron. 2022, 10, 7318–7332. [Google Scholar] [CrossRef]
- Menicanti, S.; Di Benedetto, M.; Crescimbini, F. 5-level E-Type Dual Active Bridge Converter for Photovoltaic Applications. In Proceedings of the 2023 IEEE Applied Power Electronics Conference and Exposition (APEC), Orlando, FL, USA, 19–23 March 2023. [Google Scholar]
- Jafari, A.; Nikoo, M.S. Enhanced DAB for Efficiency Preservation Using Adjustable-Tap High-Frequency Transformer. IEEE Trans. Power Electron. 2020, 35, 6673–6677. [Google Scholar] [CrossRef]
- Hou, N.; Li, Y.W. Overview and comparison of modulation and control strategies for a nonresonant single-phase dual-active-bridge DC–DC converter. IEEE Trans. Power Electron. 2020, 35, 3148–3172. [Google Scholar] [CrossRef]
- Xu, G.; Li, L.; Chen, X. Optimized EPS Control to Achieve Full Load Range ZVS With Seamless Transition for Dual Active Bridge Converters. IEEE Trans. Ind. Electron. 2021, 68, 8379–8390. [Google Scholar] [CrossRef]
- Li, L.; Xu, G. An Optimized DPS Control for Dual Active Bridge Converters to Secure Full Load Range ZVS with Low Current Stress. IEEE Trans. Transport. Electrific. 2022, 8, 1389–1400. [Google Scholar] [CrossRef]
- Chaurasiya, S.; Singh, B. A Load Adaptive DPS Control for DAB with Reduced Current Stress for Wide Load and Voltage Range. In Proceedings of the 2020 IEEE International Conference on Power Electronics, Drives and Energy Systems (PEDES), Jaipur, India, 16–19 December 2020. [Google Scholar]
- Calderon, C.; Barrado, A.; Rodriguez, A. Dual Active Bridge (TPS-DAB) with Soft Switching in the whole output power range. In Proceedings of the 2017 11th IEEE International Conference on Compatibility, Power Electronics and Power Engineering (CPE-POWERENG), Cadiz, Spain, 4–6 April 2017. [Google Scholar]
- Feng, H.; Teng, F. Passive Capacitor Voltage Balancing of SiC-Based Three-Level Dual-Active-Bridge Converter Using Hybrid NPC-Flying Capacitor Structure. IEEE Trans. Power Electron. 2022, 37, 4183–4194. [Google Scholar] [CrossRef]
- Guan, Q.X.; Zhang, Y. Optimized Switching Strategy for ANPC–DAB Converter Through Multiple Zero States. IEEE Trans. Power Electron. 2022, 37, 2885–2898. [Google Scholar] [CrossRef]
- Shao, S.; Jiang, M.; Ye, W.; Li, Y.; Zhang, J.; Sheng, K. Optimal Phase-Shift Control to Minimize Reactive Power for a Dual Active Bridge DC–DC Converter. IEEE Trans. Power Electron. 2019, 34, 10193–10205. [Google Scholar] [CrossRef]
- Li, R.; Meng, L.; Chen, R. Global Optimization for Dual Active Bridge Converters to Minimize RMS Current. In Proceedings of the 2020 IEEE Energy Conversion Congress and Exposition (ECCE), Detroit, MI, USA, 11–15 October 2020. [Google Scholar]
- Wang, T.; Chen, A.; Song, C. Optimal Control of Three-level Dual Active Bridge DC-DC Converter Under Dual Phase-shifted Modulation. In Proceedings of the 2019 IEEE Innovative Smart Grid Technologies-Asia (ISGT Asia), Chengdu, China, 21–24 May 2019. [Google Scholar]
- Mou, D.; Luo, Q.; Li, J.; Wang, Z. Optimal Asymmetric Duty Modulation to Minimize Inductor Peak-to-Peak Current for a Dual Active Bridge Converter Over a Wide Voltage Range. In Proceedings of the 2020 IEEE Energy Conversion Congress and Exposition (ECCE), Detroit, MI, USA, 11–15 October 2020. [Google Scholar]
- Liu, P.; Duan, S. A ZVS Range Enhancement Strategy for the DAB Converter by Using Blocking Capacitors. IEEE J. Emerg. Sel. Top. Power Electron. 2021, 9, 1389–1398. [Google Scholar] [CrossRef]
- Liu, P.; Duan, S. A Hybrid Modulation Strategy Providing Lower Inductor Current for the DAB Converter with the Aid of DC Blocking Capacitors. IEEE Trans. Power Electron. 2020, 35, 4309–4320. [Google Scholar] [CrossRef]


















| The Boundary Conditions | Mode |
|---|---|
| 0 ≤ D ≤ 1/2, 0 ≤ Dφ ≤ 1, D > Dφ/2 | Mode A |
| 0 ≤ D ≤ 1/2, 0 ≤ Dφ ≤ 1, D ≤ Dφ/2 | Mode B |
| 1/2 ≤ D ≤ 1, 0 ≤ Dφ ≤ 1, D > Dφ/2 + 1/2 | Mode C |
| 1/2 ≤ D ≤ 1, 0 ≤ Dφ ≤ 1, D ≤ Dφ/2 + 1/2 | Mode D |
| 0 ≤ D ≤ 1/2, −1 ≤ Dφ ≤ 0, D > Dφ/2 + 1/2 | Mode E |
| 0 ≤ D ≤ 1/2, −1 ≤ Dφ ≤ 0, D ≤ Dφ/2 + 1/2 | Mode F |
| 1/2 ≤ D ≤ 1, −1 ≤ Dφ ≤ 0, D > Dφ/2 + 1 | Mode G |
| 1/2 ≤ D ≤ 1, −1 ≤ Dφ ≤ 0, D ≤ Dφ/2 + 1 | Mode H |
| Mode | t0 | t1 | t2 | t3 |
|---|---|---|---|---|
| A | iL(t0) ≤ 0 | iL(t1) ≥ 0 | iL(t2) ≥ 0 | iL(t3) ≤ 0 |
| B | iL(t0) ≤ 0 | iL(t1) ≥ 0 | iL(t2) ≥ 0 | iL(t3) ≤ 0 |
| C | iL(t0) ≤ 0 | iL(t1) ≥ 0 | iL(t2) ≤ 0 | iL(t3) ≥ 0 |
| D | iL(t0) ≤ 0 | iL(t1) ≥ 0 | iL(t2) ≥ 0 | iL(t3) ≤ 0 |
| E | iL(t0) ≤ 0 | iL(t1) ≤ 0 | iL(t2) ≥ 0 | iL(t3) ≥ 0 |
| F | iL(t0) ≤ 0 | iL(t1) ≥ 0 | iL(t2) ≤ 0 | iL(t3) ≥ 0 |
| G | iL(t0) ≤ 0 | iL(t1) ≤ 0 | iL(t2) ≥ 0 | iL(t3) ≥ 0 |
| H | iL(t0) ≤ 0 | iL(t1) ≤ 0 | iL(t2) ≥ 0 | iL(t3) ≥ 0 |
| Parameter | Value |
|---|---|
| Input Voltage V1/V | 200 |
| Turns ratio of transformer n | 1:2 |
| Transfer inductor L/μH | 269 |
| Blocking capacitors Cbp, Cbs/μF | 1300 |
| Input capacitor C1/μF | 500 |
| Output capacitor C2/μF | 500 |
| Switching frequency f/kHz | 10 |
| Switches | 1KW40N120T2 |
| Nominal power/W | 915.36 |
Disclaimer/Publisher’s Note: The statements, opinions and data contained in all publications are solely those of the individual author(s) and contributor(s) and not of MDPI and/or the editor(s). MDPI and/or the editor(s) disclaim responsibility for any injury to people or property resulting from any ideas, methods, instructions or products referred to in the content. |
© 2023 by the authors. Licensee MDPI, Basel, Switzerland. This article is an open access article distributed under the terms and conditions of the Creative Commons Attribution (CC BY) license (https://creativecommons.org/licenses/by/4.0/).
Share and Cite
Dai, P.; Liu, S.; Fang, S.; Gong, Z. Optimal Asymmetric Duty Modulation for Dual Active Bridge Converters with DC Blocking Capacitors. Energies 2023, 16, 6674. https://doi.org/10.3390/en16186674
Dai P, Liu S, Fang S, Gong Z. Optimal Asymmetric Duty Modulation for Dual Active Bridge Converters with DC Blocking Capacitors. Energies. 2023; 16(18):6674. https://doi.org/10.3390/en16186674
Chicago/Turabian StyleDai, Peng, Shuyu Liu, Shiqi Fang, and Zheng Gong. 2023. "Optimal Asymmetric Duty Modulation for Dual Active Bridge Converters with DC Blocking Capacitors" Energies 16, no. 18: 6674. https://doi.org/10.3390/en16186674
APA StyleDai, P., Liu, S., Fang, S., & Gong, Z. (2023). Optimal Asymmetric Duty Modulation for Dual Active Bridge Converters with DC Blocking Capacitors. Energies, 16(18), 6674. https://doi.org/10.3390/en16186674

