A Backflow Power Suppression Strategy for Dual Active Bridge Converter Based on Improved Lagrange Method
Abstract
:1. Introduction
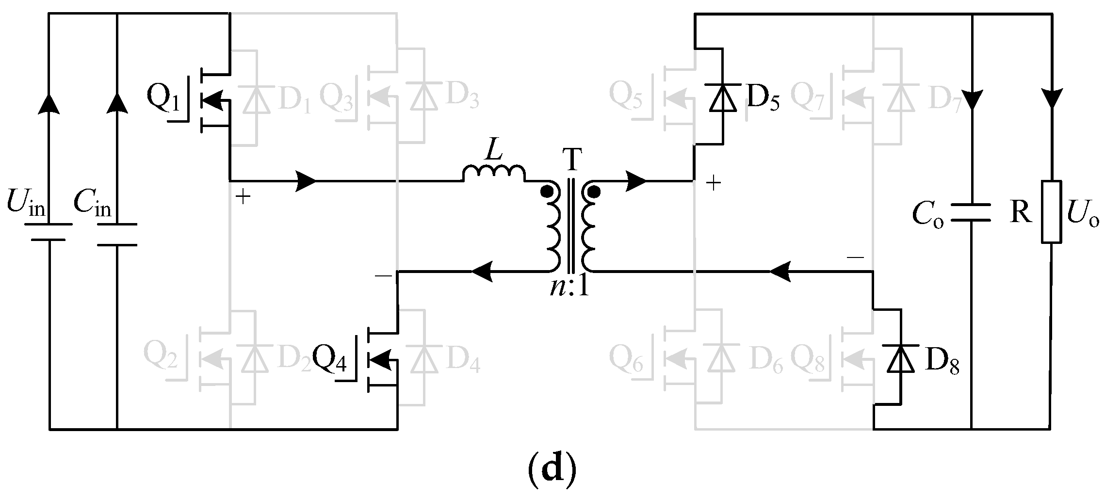
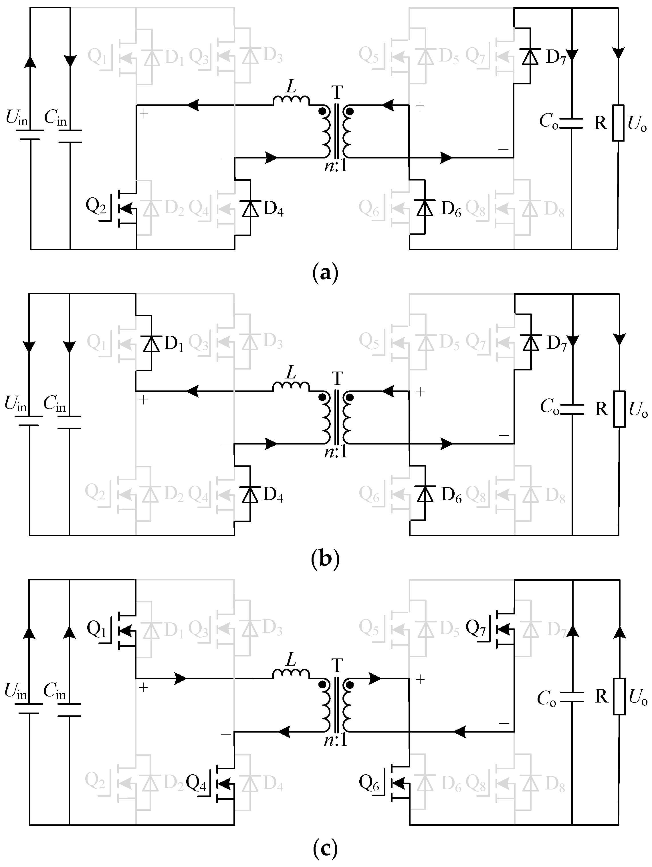
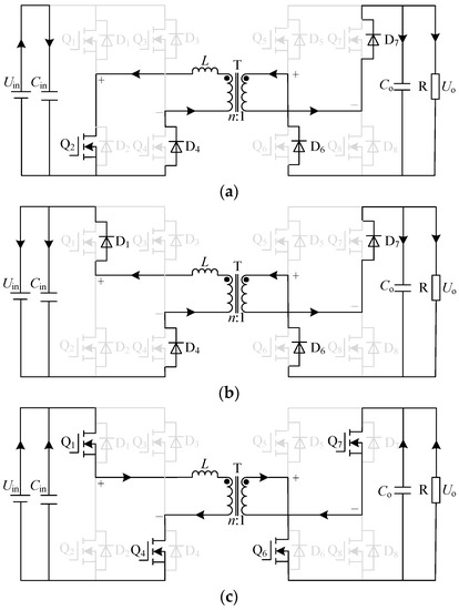
2. Working Principle of the DAB Converter
2.1. Basic Principle
2.2. Transmitted Power
2.3. Analysis of Backflow Power
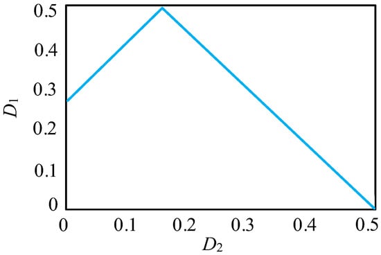
3. Backflow Power Inhibition
4. Model Predictive Control
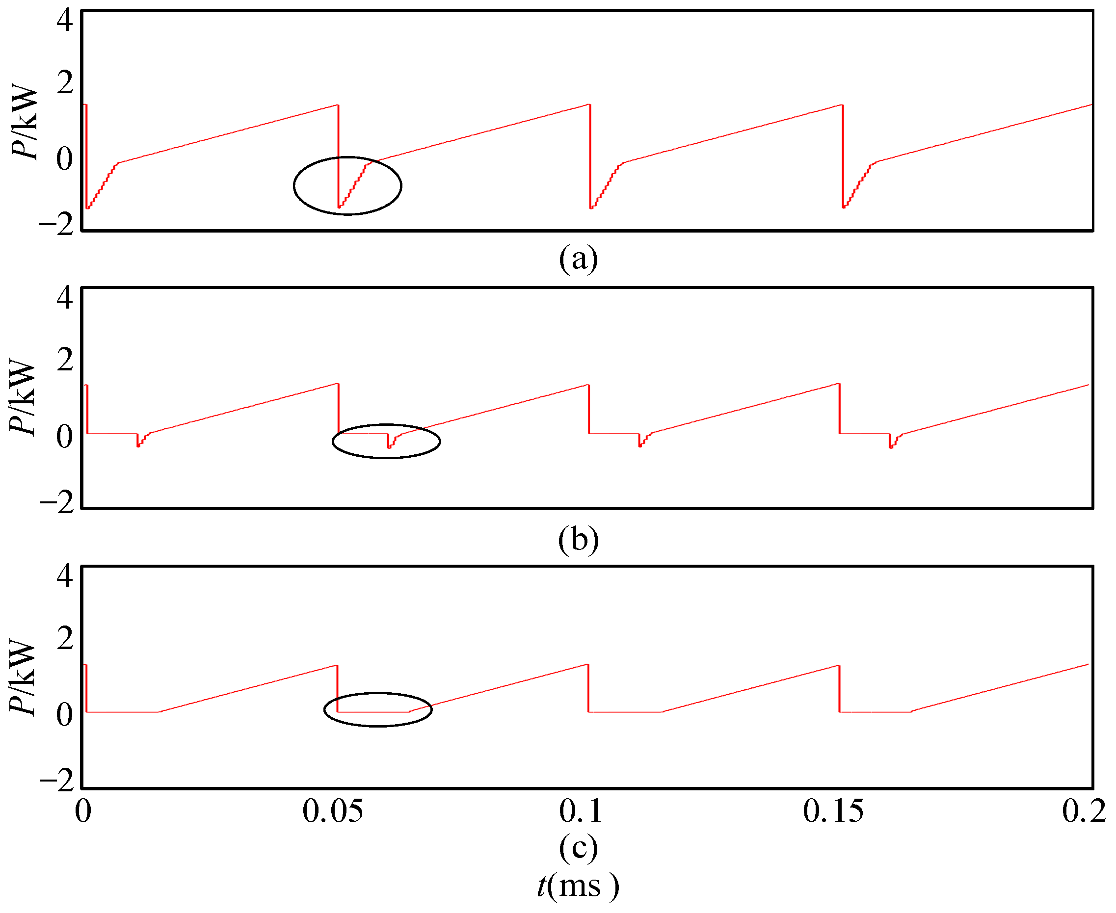
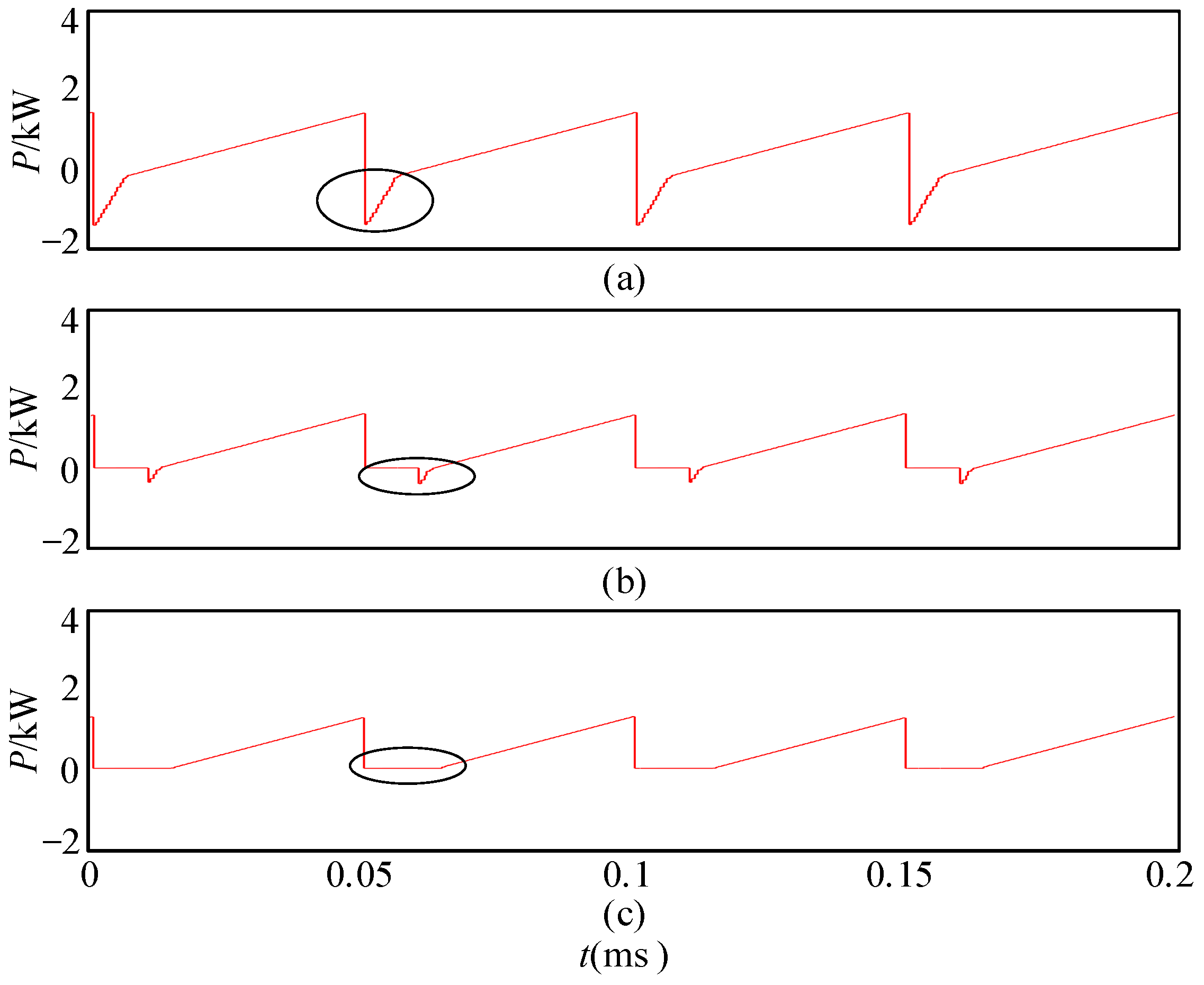
5. Simulation Verification
5.1. Backflow Power
5.2. Dynamic Characteristics
6. Conclusions
Author Contributions
Funding
Data Availability Statement
Conflicts of Interest
Appendix A
References
- Waston, J.D.; Lestas, I. Control of interlinking converters in hybrid AC/DC grids: Network stability and scalability. IEEE Trans. Power Syst. 2021, 36, 769–780. [Google Scholar] [CrossRef]
- Krishna, M.; Narayana, P.P. A network-topology-based approach for the load-flow solution of AC-DC distribution system with distributed generations. IEEE Trans. Ind. Inform. 2019, 15, 1508–1520. [Google Scholar] [CrossRef]
- Asuhaimi, F.A.; Bu, S.; Nadas, J.P.B.; Imran, M.A. Delay-aware energy-efficient joint power control and mode selection in device-to-device communications for FREEDM systems in smart grids. IEEE Access 2019, 7, 87369–87381. [Google Scholar] [CrossRef]
- Wang, L.; Wang, H.Y.; Fu, M.F.; Liang, J.R.; Liu, Y. A three-port energy router for grid-tied PV generation systems with optimized control methods. IEEE Trans. Power Electron. 2023, 38, 1218–1231. [Google Scholar] [CrossRef]
- Ataullah, H.; Iqbal, T.; Khalil, I.U.; Ali, U.; Blazek, V.; Prokop, L.; Ullah, N. Analysis of the dual active bridge-based DC-DC converter topologies, high-frequency transformer, and control techniques. Energies 2022, 15, 8944. [Google Scholar] [CrossRef]
- Bulatov, Y.; Kryukov, A.; Suslov, K. Simulation of power router-based DC distribution systems with distributed generationand energy storage units. Energies 2023, 16, 214. [Google Scholar] [CrossRef]
- Chilakalapudi, G.; Kumar, A. Optimal reactive power control for dual-active-bridge converter using improved dual-phase-shift modulation strategy for electric vehicle application. Int. J. Circ. Theor. App. 2023, 51, 1204–1223. [Google Scholar] [CrossRef]
- Feng, Z.C.; Wen, H.Q.; Bu, Q.L.; Zhu, Y.X.; Han, X.; Zhou, J.F.; Lim, E.G.; Liu, W.; Hu, Y.H. Loss balance and transient DC-bias suppression strategies in three-level DAB converters modulated with five DoFs. IEEE Trans. Power Electron. 2023, 38, 8150–8164. [Google Scholar] [CrossRef]
- Xu, F.; Liu, J.W.; Dong, Z. Minimum backflow power and ZVS design for dual-active-bridge DC-DC converters. IEEE Trans. Ind. Electron. 2023, 70, 474–484. [Google Scholar] [CrossRef]
- Fiaz, M.F.; Calligaro, S.; Iurich, M.; Prtrella, R. Analytical modeling and control of dual active bridge converter considering all phase-shifts. Energies 2022, 15, 2720. [Google Scholar] [CrossRef]
- Turzynski, M.; Bachman, S.; Jasinski, M.; Piasecki, S.; Rylko, M.; Chiu, H.J.; Kuo, S.H.; Chang, Y.C. Analytical estimation of power losses in a dual active bridge converter controlled with a single-phase shift switching scheme. Energies 2022, 15, 8262. [Google Scholar] [CrossRef]
- Zhang, H.; Isobe, T. An improved charge-based method extended to estimating appropriate dead time for zero-voltage-switching analysis in dual-active-bridge converter. Energies 2022, 15, 671. [Google Scholar] [CrossRef]
- Chen, T.X.; Yu, R.Y.; Huang, A.Q. A bidirectional isolated dual-phase-shift variable-frequency series resonant dual-active-bridge GaN AC-DC converter. IEEE Trans. Ind. Electron. 2023, 70, 3315–3325. [Google Scholar] [CrossRef]
- Zeng, J.; Rao, Y.; Lan, Z.; He, D.; Xiao, F.; Liu, B. Multi-objective unified optimal control strategy for DAB converters with triple-phase-shift control. Energies 2021, 14, 6444. [Google Scholar] [CrossRef]
- An, F.; Song, W.S.; Yu, B.; Yang, K.X. Model predictive control with power self-balancing of the output parallel DAB DC–DC converters in power electronic traction transformer. IEEE J. Emerg. Sel. Top. Power Electron. 2018, 6, 1806–1818. [Google Scholar] [CrossRef]
- Zhang, B.C.; Shao, S.; Chen, L.L.; Wu, X.K.; Zhang, J.M. Steady-state and transient DC magnetic flux bias suppression methods for a dual active bridge converter. IEEE J. Emerg. Sel. Top. Power Electron. 2021, 9, 744–753. [Google Scholar] [CrossRef]
- Sun, C.; Jiang, X.Y.; Liu, J.W.; Cao, L.L.; Yang, Y.H.; Loo, K.H. A unified design approach of optimal transient single-phase-shift modulation for noni resonant dual-active-bridge converter with complete transient DC-offset elimination. IEEE Trans. Power Electron. 2022, 37, 13217–13237. [Google Scholar] [CrossRef]
- Tu, C.M.; Guan, L.; Xiao, F.; Liu, B.; Ge, Q.; Lan, Z. Modal analysis method of dual active bridge. Pro. CSEE 2019, 39, 5468–5479. [Google Scholar] [CrossRef]
- Shi, H.C.; Wen, H.Q.; Chen, J.; Hu, Y.H.; Jiang, L.; Chen, G.P.; Ma, J.M. Minimum-backflow-power scheme of DAB-based solid-state transformer with extended-phase-shift control. IEEE Trans. Ind. Appl. 2018, 54, 3484–3496. [Google Scholar] [CrossRef]
- Zhou, B.K.; Yang, X.F.; Nong, R.B.; Li, Z.J.; Zheng, T.Q.; Kobrle, P. Multi-objective optimization control for input-series output-parallel dual-active-bridge DC-DC converter in EER application. In Proceedings of the 2020 IEEE 9th International Power Electronics and Motion Control Conference (IPEMC2020-ECCE Asia), Nanjing, China, 29 November–2 December 2020; pp. 2408–2413. [Google Scholar] [CrossRef]
- Yang, X.Z.; Kong, L.H.; Du, Y.; Su, J.H. Optimization method of current stress and backflow power of DAB converter based on dynamic matrix control. Autom. Electrif. Power Syst. 2021, 45, 153–160. [Google Scholar] [CrossRef]
- Li, S.S.; Wang, H.; Ye, W.; Fang, Q.S.; Yan, P. Dual phase shift modulation strategy for reactive power suppression of a DAB converter. Power Syst. Prot. Control. 2022, 50, 14–23. [Google Scholar] [CrossRef]
- Zeng, Y.; Pou, J.; Sun, C.J.; Mukherjee, S.; Xu, X.; Gupta, A.K.; Dong, J.X. Autonomous input voltage sharing control and triple phase shift modulation method for ISOP-DAB converter in DC microgrid: A multiagent deep reinforcement learning-based method. IEEE Trans. Power Electron. 2023, 38, 2985–2999. [Google Scholar] [CrossRef]
- Rolak, M.; Twardy, M.; Sobol, C. Generalized average modeling of a dual active bridge DC-DC converter with triple-phase-shift modulation. Energies 2022, 15, 6092. [Google Scholar] [CrossRef]
- Deng, L.B.; Zhou, G.H.; Bi, Q.; Xu, N.M. Online reactive power minimization and soft switching algorithm for triple-phase-shift modulated dual active bridge converter. IEEE Trans. Ind. Electron. 2023, 70, 2543–2555. [Google Scholar] [CrossRef]
- Jean-Pierre, G.; Altin, N.; El Shafei, A.; Nasiri, A. Overall efficiency improvement of a dual active bridge converter based on triple phase-shift control. Energies 2022, 15, 6933. [Google Scholar] [CrossRef]
- Li, L.T.; XU, G.; Xiong, W.J.; Liu, D.; Su, M. An optimized DPS control for dual-active-bridge converters to secure full-load-range ZVS with low current stress. IEEE T. Transp. Electrif. 2022, 8, 1389–1400. [Google Scholar] [CrossRef]
- Chaurasiya, S.; Singh, B. A load adaptive hybrid DPS control for DAB to secure minimum current stress and full ZVS operation over wide load and voltage conversion ratio. IEEE Trans. Ind. Appl. 2023, 59, 1901–1911. [Google Scholar] [CrossRef]
- An, F.; Song, W.S.; Yang, K.X.; Yang, S.F.; Ma, L. A simple power estimation with triple phase-shift control for the output parallel DAB DC–DC converters in power electronic traction transformer for railway locomotive application. IEEE T. Transp. Electrif. 2019, 5, 299–310. [Google Scholar] [CrossRef]


















| Parameter | Value |
|---|---|
| Uin | 140 V |
| Uo | 100 V |
| Cin | 2000 μF |
| Co | 2000 μF |
| L | 150 μH |
| n | 1:1 |
| fs | 10 kHz |
Disclaimer/Publisher’s Note: The statements, opinions and data contained in all publications are solely those of the individual author(s) and contributor(s) and not of MDPI and/or the editor(s). MDPI and/or the editor(s) disclaim responsibility for any injury to people or property resulting from any ideas, methods, instructions or products referred to in the content. |
© 2023 by the authors. Licensee MDPI, Basel, Switzerland. This article is an open access article distributed under the terms and conditions of the Creative Commons Attribution (CC BY) license (https://creativecommons.org/licenses/by/4.0/).
Share and Cite
Zhang, X.; Wang, C. A Backflow Power Suppression Strategy for Dual Active Bridge Converter Based on Improved Lagrange Method. Energies 2023, 16, 5683. https://doi.org/10.3390/en16155683
Zhang X, Wang C. A Backflow Power Suppression Strategy for Dual Active Bridge Converter Based on Improved Lagrange Method. Energies. 2023; 16(15):5683. https://doi.org/10.3390/en16155683
Chicago/Turabian StyleZhang, Xinwen, and Canlong Wang. 2023. "A Backflow Power Suppression Strategy for Dual Active Bridge Converter Based on Improved Lagrange Method" Energies 16, no. 15: 5683. https://doi.org/10.3390/en16155683
APA StyleZhang, X., & Wang, C. (2023). A Backflow Power Suppression Strategy for Dual Active Bridge Converter Based on Improved Lagrange Method. Energies, 16(15), 5683. https://doi.org/10.3390/en16155683
