You are currently viewing a new version of our website. To view the old version click .
Energies
  • Article
  • Open Access

20 July 2023

Backstepping Control of NPC Multilevel Converter Interfacing AC and DC Microgrids

,
and
1
Departamento de Engenharia Eletrotécnica, Faculdade de Ciências Exatas e da Engenharia, Universidade da Madeira, Campus Universitário da Penteada, 9020-105 Funchal, Portugal
2
Instituto de Engenharia de Sistemas e Computadores: Investigação e Desenvolvimento em Lisboa, INESC-ID, Rua Alves Redol, 1000-029 Lisboa, Portugal
3
Grupo de Investigação em Engenharia Eletrotécnica e de Computadores, GIEEC, Campus Universitário da Penteada, 9020-105 Funchal, Portugal
4
Instituto Superior de Engenharia de Lisboa, Polytechnic Institute of Lisbon, Rua Conselheiro Emídio Navarro, 1959-007 Lisboa, Portugal
This article belongs to the Special Issue Recent Advances in Power Quality Analysis and Robust Control of Renewable Energy Sources in Power Grids

Abstract

This work introduces modified backstepping methods to design controllers for neutral point clamped (NPC) converters interfacing a DC/AC microgrid. The modified backstepping controllers are derived from a proper converter model, represented in dq coordinates, and are designed to regulate the DC voltage and to balance the two NPC converter DC capacitor voltages through a DC offset in the sinusoidal pulse width modulation (SPWM) carriers. The averaged and separated dynamics backstepping controllers also enforce nearly sinusoidal AC currents at a given power factor. The two proposed NPC converter controllers are evaluated through MATLAB/Simulink simulations and experimental implementation using a laboratory prototype. Simulations and experimental results show that the two modified backstepping controllers regulate the microgrid DC voltage in steady state and in transient operation, even with load disturbances or DC voltage reference changes, while enforcing nearly AC sinusoidal currents at a given power factor or injected reactive power. The modified backstepping-controlled NPC converter is bidirectional, converting energy from DC renewable energy sources or storage systems to AC or charging storage systems from AC. The results also highlight the effective balancing of the NPC DC capacitor voltages.

1. Introduction

The adoption of microgrids is increasing globally, driven by their capacity to integrate decentralized renewable energy generation and operate autonomously from the conventional AC grid. Microgrids have the capability to incorporate distributed renewable generation sources like solar panels or wind turbines, along with community energy storage devices typically in the form of battery banks, enabling the microgrid disconnection from the national grid. Moreover, microgrids are designed to autonomously address local power issues, thereby ensuring reliable power supply [1,2,3].
Electricity consumption is experiencing ongoing global growth, and it is projected to persist in the coming years due to industrial and human activities, the increasing adoption of electric vehicles (EVs), and the drive toward decarbonizing the energy sector. Consequently, there has been a significant push to adopt distributed energy sources, with a particular emphasis on those derived from renewable energies [4,5].
Microgrids can operate only in AC or in DC or they may contain both AC and DC subsystems (hybrid). Power converters play a crucial role in connecting AC sources to DC microgrids or DC sources to DC microgrids. In the case of hybrid microgrids, converters may also be employed to facilitate the interconnection of storage systems, which may include batteries or fuel cells.
With the inclusion of DC power sources like PV panels, fuel cells, and EV batteries capable of supplying power to the grid through Vehicle-to-Grid (V2G) technology, as well as the existence of DC loads, the concept of hybrid microgrids combining AC and DC components has gained significant attention. As AC power networks have matured considerably, hybrid AC/DC microgrids that accommodate both AC and DC loads and sources are now seen as the most promising systems for efficient distribution and transportation of electrical energy [6].
The growing adoption of EVs in recent years suggests the potential utilization of their storage batteries for power/frequency control in microgrids. EV batteries, equipped with bi-directional power converters and controllers, can be viewed as mobile storage units capable of fast-charging other EVs with immediate high-power energy requirements. Additionally, they can enhance the performance of specific micro-regions within the microgrid [7,8].
Electronic power conversion within microgrids often encompasses power in the order of multiple megawatts, with voltages reaching kilovolt levels. In this context, multilevel converters emerge as a suitable solution for microgrids.
Besides energy conversion, the main role of converters integrated with microgrids is to uphold the quality of electrical power and to regulate the DC voltage, aiding photovoltaic (PV) panels to follow the maximum power point tracking (MPPT) voltage. When operating as a source on the AC side, converters work toward minimizing harmonic distortion. Conversely, when connected to a load on the DC side, they are responsible for regulating the level of DC voltage. In most unbalanced systems, voltage compensation is typically achieved through the utilization of active power filters [9,10,11].
The regulation of power/frequency and voltage/frequency in microgrids with distributed inverter-based generators is commonly achieved through the implementation of the droop control method. This method generally performs effectively in reactive power regulation [12,13,14,15] and can be of benefit if converter level controllers are fast and stable, ensuring low distortion AC waveforms and DC tracking capability.
Multiple topologies of multilevel converters exist, including the neutral point clamped (NPC) [16], flying-capacitors [17], and cascaded multicell with isolated DC sources [18]. Several modulation and linear control strategies have been devised for multilevel converters, such as sinusoidal pulse width modulation (SPWM) and space vector modulation (SVM), coupled to linear proportional integral (PI) controllers.
Coping with the nonlinearity and unpredictable disturbances in multilevel converters presents notable challenges in their control. To address these challenges effectively, the implementation of nonlinear controllers capable of handling unknown disturbances such as sliding mode and predictive control [19,20,21,22,23,24,25,26] emerged as first solutions, despite sliding mode chattering and power quality requirements needing high processing speeds for predictive control [26].
Multilevel converters enable operation at voltages and power levels of demanding microgrids and are also capable of power quality enhancement in microgrids [26,27,28,29,30] despite needing fast digital processors. To mitigate this issue, the backstepping technique stands out as a powerful tool for developing controllers that are both robust and stable [30,31,32,33,34,35]. By employing virtual control quantities and designing controllers for intermediate variables, backstepping enables a systematic approach, where the focus initially lies on the output and then progressively moves recursively towards the control input.
Backstepping controllers have several advantages due to their direct relationship with converter nonlinear dynamics and their ability to identify the control laws and the essential quantities to be measured or estimated. Furthermore, the backstepping approach is based on positive definite functions that have been chosen to ensure system stability and robustness [35,36,37,38,39,40,41,42,43]. Recently, the authors of [44] presented a method to combine backstepping and integral sliding mode to control grid-tied parallel connected inverters. In comparison to predictive controllers, backstepping requires less computational power [36,44] and maintains constant switching frequencies, all while preserving the response speed and robustness exhibited by predictive controllers [21,26,45,46]. Furthermore, predictive controllers for NPC converters necessitate extremely fast processors, whereas traditionally designed backstepping controllers [36] may necessitate extremely high switching rates, overloading PWM modulators (more than one commutation per switching period, leading to increased non-constant switching frequencies).
To address the aforementioned issues, this paper proposes two modified backstepping control algorithms to give the bidirectional NPC converter bridging the DC and AC parts of a microgrid the capabilities of regulating the DC voltage, the AC currents, and the reactive power, while balancing the NPC internal bipolar voltages. The obtained modified averaged backstepping controller and the AC and DC separated dynamics backstepping controller both regulate the converter DC voltage tightly, control the AC currents ensuring very low total harmonic distortion (THD), and maintain the bipolar voltage balance of the NPC internal capacitors, using an industry-proven fixed frequency carrier-based SPWM technique.
This paper presents in Section 2 the dq coordinate model of the multilevel converter interfacing the AC grid to the DC microgrid. Two modified backstepping controllers are derived from the NPC converter dynamics model to control the DC voltage, AC current, and balance the capacitor voltages by regulating the SPWM carrier offset. The first modified backstepping controller assumes the control action takes the average value in steady state for the next backstep. The second modification adds the assumption of decoupled (independent) AC and DC dynamics. Section 3 outlines results obtained from simulation using MATLAB/Simulink and from a reduced-scale laboratory prototype. Results cover steady-state, transient performance, THD, DC voltage tracking errors, and the comparison to standard linear control based on SPWM coupled to PI controllers. Section 4 summarizes the main findings and conclusions.

2. Microgrid NPC Converter Model and Controllers

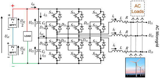
The multilevel NPC converter is connected to a DC grid, with loads and DC renewable sources, while interfacing the AC microgrid, as depicted in Figure 1.
Figure 1. Multilevel NPC converter circuit connecting DC loads and distributed power sources to the AC microgrid.
The NPC converter currents i 1 , i 2 , and i 3 are AC three-phase currents, flowing into the AC microgrid, with voltages U L 1 , U L 2 , and U L 3 , through coupling inductors L, with loss resistors, R. The NPC converter DC part has two capacitors, C 1 and C 2 , with voltages U C 1 and U C 2 , respectively, which should be kept approximately constant at U d c /2. The DC grid voltage is U d c and the NPC DC current i d c flows into the DC grid.

2.1. Microgrid-Connected NPC Converter Model

Supposing ideal semiconductors, the dynamics of the NPC converter can be written considering that each NPC converter k leg (k, ∈ {1, 2, 3}) has four switches. Assuming that when switch S k 1 is closed, its state is written as S k 1 = 1, otherwise when switch S k 1 is open S k 1 = 0, while S k 3   = 1 S k 1 and S k 4   = 1 S   k 2 . Each k leg outputs three voltages (states), defined by a variable γ k , dependent on the leg switches states.
γ k = 1 S k 1 = 1   and   S k 2 = 1 0 S k 1 = 0   and   S k 2 = 1 1 S k 1 = 0   and   S k 2 = 0
The averaged switching model of the NPC converter can be obtained, assuming C 1 = C 2 = C   and applying Kirchhoff laws, Clark–Concordia, and Park transforms to Figure 1 circuit equations, while assuming the microgrid has nearly balanced DC voltages U C 1 U C 2 and DC currents, together with nil zero sequence AC currents. State variables chosen for the NPC dynamic model in Equation (2) are the balanced AC currents in dq coordinates, i d and i q , while the DC voltages are represented by U d c , as the sum of the two U C 1 , U C 2 capacitor voltages ( U d c   =   U C 1   +   U C 2 ), and by E U C as the difference or unbalance between the two capacitor voltages E U C   =   U C 1   U C 2 :
d d t i d i q U d c E U C = R L ω γ d 2 L 0 ω R L γ q 2 L 0 γ d C γ q C 0 0 2 C γ d γ + d 2 C γ q γ + q 0 0 i d i q U d c E U C + 1 L 0 0 0 1 L 0 0 0 2 C 0 0 0 U L d U L q i d c  
where i d and i q are, respectively, the direct and quadrature components of the Park transform of the converter AC currents i 1 , i 2 , and i 3 , ω is the angular frequency of the microgrid. The Park transform components of the averaged values Γ1, Γ2, and Γ3, during one switching period of the semiconductor states, γ 1 ,   γ 2 , and γ 3 are γ d , γ q , and γ 0 , while U L d , U L q are the direct and quadrature voltages of balanced AC voltages of the microgrid. The quantities d , q (given in Equations (3) and (4), respectively) are received (Appendix A) starting from the switching period averaged values Γ1, Γ2, and Γ3, and considering their small signal responses to a γ , offset added to the SPWM carrier, as Γ1 + γ , Γ2 + γ , and Γ3 + γ , while applying the Clark–Concordia and Park transforms. The γ offset is the control input to balance the two capacitor voltages (to track E U C R e f = 0).
d = γ d 2 cos ω t C 1 + 12 18 sin 2 ω t cos 2 ω t 6 + γ q 2 cos ω t C 2 6 cos 2 ω t sin 2 ω t 6 + γ d γ q sin ω t C 4 6 + 2 2 6 cos 2 ω t 2 3 sin 2 ω t γ d γ 0 C 2 3
q = γ d 2 sin ω t C 3 6 cos 2 ω t 2 6 sin 2 ω t + γ q 2 sin ω t C sin 2 ω t 6 2 + 24 6 cos 2 ω t + γ d γ q cos ω t C 2 3 cos 2 ω t 4 6 + 2 2 6 sin 2 ω t γ q γ 0 C 2 3
As seen in Equation (2), the dynamics of i d and i q are characterized by cross-coupling and non-linearity. However, they can be controlled individually by γ d and γ q , respectively. As usually i q is small compared to i d , the DC voltage U d c depends mainly on i d . Therefore, i d must be used to control U d c , while i q may control the power factor (or the reactive power). The capacitor voltage balance error E U C control input γ in Equation (2) has negative gains, 2 γ d /C and 2 γ q /C regarding the i d and i q currents, respectively.

2.2. Block Diagram of the Microgrid Backstepping Controllers

Due to battery storage or renewable resources, power transfer must be bidirectional between DC and AC microgrid sides. Therefore, backstepping DC voltage controllers that ensure AC sinusoidal line currents at a given power factor (Figure 2) are designed. They generate the modulation waveforms of a 3-phase 3-level SPWM modulator using two triangular-shaped carriers with adjustable offset γ .
Figure 2. Block diagram of the microgrid backstepping controllers.
In the block diagram of the microgrid converter, the DC voltage is measured and compared to the reference value U d c R e f . The application of the backstepping method to the U d c voltage dynamics in Equation (2) results in the U d c controller, which calculates the virtual value of the current, i d R e f . The AC currents are measured and the Park transform is applied. These currents in dq, i d , and i q are compared with their magnitudes, i d R e f and i q R e f   =   Q R e f / U L d , where Q R e f is the reactive power value. The application of the backstepping control method results in the command quantities of the converter legs, γ d R e f and γ q R e f , which are then converted into quantities in 123, γ 1 , γ 2 , and γ 3 . The backstepping control method is also applied to the voltage error of the capacitors to calculate the offset γ R e f , which is added to the command quantities, γ 1 , γ 2 , and γ 3 , to balance the voltage of the capacitors.

2.3. Design of Microgrid Backstepping Controllers

2.3.1. Modified Backstepping Control of the Microgrid DC Voltage

To control the bidirectional DC/AC microgrid NPC converter interface, the backstepping approach starts from the DC side total voltage U d c   =   U C 1   +   U C 2 . Define the U d c voltage tracking error, e U d c , relative to its reference value U d c R e f , as:
e U d c = U d c R e f U d c ,
A feedback controlled variable x is asymptotically stable if there is a Lyapunov positive definite candidate function V(x) obeying (1) V(x = 0) = 0; (2) V(x ≠ 0) > 0; (3) V(|x|→∞)→∞; (4) V ˙ x 0 < 0 . Hence, the system stability condition is V x 0   V ˙ x 0 < 0 [33]. Therefore, consider the e U d c variable and select a positive definite function, V 1 , as follows:
V 1 = e U d c 2 2 ,
where the V 1 function obeys the previous conditions. For stability, the time derivative of V 1 must be negative. This can be accomplished if d V 1   / d t is enforced to equal K e U d c e U d c 2 , where K e U d c is a positive definite constant:
d V 1 d t = e U d c d e U d c d t = K e U d c e U d c 2 .
Replace e U d c from Equation (5) in the term d e U d c /dt of Equation (7) and use d U d c   /dt from Equation (2), to receive the control action that enforces the dynamics in Equation (7), called virtual control action i d V in Equation (8). The direct current i d is supposed to track the virtual control action i d V value to enforce stability.
i d V = C γ d K e U d c e U d c d U d c R e f d t + 2 C i d c
The virtual current i d V depends on the available control input γ d ( γ d   ≠ 0). To enforce the current i d to track the virtual control value i d V , backstep recursively by defining the tracking error e i d of the i d current as:
e i d = i d V i d .
Consider a composite positive definite function, V 2 , as:
V 2 = e U d c 2 2 + e i d 2 2 ,
where the time derivative of V 2 must be negative to ensure stability, a condition that can be written as:
d V 2 d t = e U d c   d e U d c d t + e i d d e i d d t = K e U d c e U d c 2 K e i d e i d 2
where K e U d c , K e i d are positive definite constants. From Equation (8), the term d e i d d t of Equation (11) would contain the time derivative of the control input γ d as d i d v d t   = ( i d v   γ d )( d γ d d t ). This means the control input γ d would be found integrating its time derivative [36]. This time derivative contains high frequency harmonics which strongly affect the THD of the 3-phase currents [37]. Therefore, knowing that in three-phase systems, dq variables are nearly constant in each operating regime, this paper proposes a modified averaged backstepping method. It supposes a conservative converter (R ≈ 0) and neglecting the inductor voltage drop at the fundamental frequency ω L i q ≪ ( γ d   U d c /2 −   U L d ), from d i d d t in Equation (2), the γ d average value ( γ ¯ d ) defined in steady state ( d i d d t = 0), is obtained by solving the resulting identity, 0 = γ ¯ d U d c / L U L d , for γ ¯ d , giving   γ ¯ d = 2 U L d / U d c . This value replaces γ d in Equation (8) to give a virtual control current i d v not disturbed by high frequency harmonics:
i d V = U d c C 2 U L d K e U d c e U d c d U d c R e f d t + 2 C i d c
Replacing in Equation (11) e U d c and e i d from Equations (5) and (9), respectively, and using the i d current dynamics d i d d t and the U d c voltage dynamics d U d c d t , both from Equation (2), after some simplifications, the control component, γ d R e f , for the averaged backstepping is obtained (Appendix B):
γ d R e f = 2 L U d c K e i d e i d γ d C e U d c + d i d V d t + R L i d ω i q + U L d L
The term γ d   e U d c /C is often negligible. Nevertheless, it can be estimated using the previous value of γ d v and e U d c . The control law γ d R e f will be applied to a SPWM modulator trough the inverse Park transform (Figure 2).

2.3.2. Control of the Reactive Power Injected in the AC Microgrid

The control of the reactive power can be performed indirectly by regulating the quadrature current component i q . Define the tracking error e i q :
e i q = i q R e f i q ,
where i q R e f is the i q current reference value related to the reactive power Q R e f ( i q R e f   = Q R e f / U L d , i q R e f   = 0 if unity power factor is sought), choosing a positive definite function, V 3 , given in Equation (15).
V 3 = e i q 2 2
Computing the time derivative of V 3 , and forcing it to be negative, using a positive definite constant K e i q , the stability criterion is guaranteed:
d V 3 d t = e i q d e i q d t = K e i q e i q 2
Replacing e i q in Equation (16) using Equation (14) and the i q current dynamics d i q d t from Equation (2), the control component, γ q R e f , is obtained:
γ q R e f = 2 L U d c K e i q e i q + d i q V d t + R L i q + ω i d + U L q L
where the control action γ q R e f will be fed to the aforementioned inverse Park transform and applied to the SPWM modulator (Figure 2).

2.3.3. Balancing the DC Capacitor U C 1 , U C 2 Voltages

The multilevel converter DC side capacitor voltages U C 1 , U C 2 may drift from the midpoint value due to converter asymmetries in the semiconductors, voltage vector selection, or usage of the DC microgrid in a bipolar connection. To zero the unbalance value E U C = U C 1 U C 2 , a control input was created by adding the offset γ , in the triangular SPWM modulator (Figure 2). The resulting d E U C d t dynamics (2) contains negative gains, regarding the i d and i q currents.
Select a positive definite function, V 4 , for the unbalance E U C :
V 4 = E U C 2 2
To ensure stability, enforce the time derivative of V 4 to be negative, using a positive definite constant K E U C :
d V 4 d t = E U C d E U C d t = K E U C E U C 2
Then, replace in Equation (19) the d E U C d t term using Equation (2), where γ equals its reference value γ R e f , to receive the control law (Appendix C) for this offset (Figure 2):
γ R e f = C 4 i d c K E U C E U C + d i d

2.4. DC Microgrid Voltage Backstepping Control Assuming Separated AC and DC Dynamics

The DC microgrid voltage U d c   should be as constant as possible, while the AC current components i d and i q represent nearly sinusoidal AC currents with 50 Hz frequency. Therefore, inductive and capacitive components should be designed to allow the AC current with much faster dynamics regarding DC voltage dynamics. Consequently, in the AC current control, the much slower DC voltage dynamics can be neglected. This assumption enables simplifying the control law γ d R e f . Therefore, the separated dynamics backstepping process is similar to Section 2.3.1, except that the positive definite function, V 2 (Equation (10)), used for the current i d to track the virtual control value i d V , is replaced by V 2 s that considers only the tracking error e i d :
V 2 s = e i d 2 2
For stability, the time derivative of V 2 s is made negative using a positive definite constant K e i d s :
d V 2 s d t = e i d d e i d d t = K e i d s e i d 2
Replacing in Equation (22) the e i d by Equation (9) and the i d dynamics from d i d d t in Equation (2), the separated dynamics control law is γ d s R e f :
γ d s R e f = 2 L U d c K e i d s e i d + d i d V d t + R L i d ω i q + U L d L ,
where comparing γ d s R e f in Equation (23) to γ d R e f in Equation (13), the only difference is the absence in Equation (23) of the DC voltage error, e U d c , because the slow DC dynamics do not interfere with the faster AC current dynamics.

3. Microgrid Simulation and Experimental Results

This section presents the simulation and experimental results of the AC DC microgrid interface. The simulations were conducted implementing the microgrid model in the Power System Toolbox of MATLAB/Simulink, together with the controllers derived through the averaged and the separated dynamics backstepping methods. A low-power laboratory prototype of the multilevel NPC converter (Figure 1) was built to evaluate the performance of a scaled-down microgrid controlled by backstepping controllers. Digital processors are used to implement the averaged dynamics ( i d V from Equation (12), γ d R e f   from Equation (13)) and the separated dynamics ( i d V from Equation (12), γ d s R e f from Equation (23)) backstepping controllers, together with the offset triangular carrier modulators at a sampling time ts of 28 μs. This sampling time is suitable for 50 to 60 Hz AC grid frequency f and NPC converters switching around 4 kHz compatible with MW AC microgrids.
Simulations and experiments were conducted in both steady-state and transient conditions, with distributed loads or power sources on the DC side. A comparison between the simulation and experimental performance of the modified backstepping controllers is performed to assess the performance of the averaged and the separated dynamics controllers. The parameters and corresponding values used in the simulations and experimental results are shown in Table 1.
Table 1. Microgrid parameters and their descriptions and values.

3.1. DC/AC Microgrid Steady-State Simulation and Experimental Results

Steady-state microgrid results are shown under constant DC voltage and constant load. Figure 3a shows the DC voltage simulation value (120 V) of the microgrid using either the averaged or the separated dynamics backstepping control methods. The simulation results of both backstepping DC voltage controllers are virtually identical, showing that, in steady-state conditions, both controllers effectively regulate the DC voltage with measured steady-state stationary U d c   error around 0.5 V (<0.5%). This supports the validity of the separated dynamics assumption. In the laboratory prototype, the results of DC voltage regulation in Figure 4a show the same value (120 V) as the simulation results, although some high frequency noise is apparent.
Figure 3. DC voltage simulation results in steady state using the averaged controller: (a) U d c voltage; (b) U C 1 and U C 2 voltages.
Figure 4. Experimental results in steady state using the separated dynamics backstepping controller: (a) DC voltage, vertical: 20 V/div; (b) Capacitor voltages, U C 1 and U C 2 , vertical: 10 V/div. Horizontal: 50 ms/div.
Experimental results of balancing the DC capacitor U C 1 , U C 2 voltages are shown in Figure 4b, indicating that the backstepping algorithm that controls the SPWM carrier offset effectively balances the capacitor voltages (DC error below 0.5%). Similar simulation results were obtained (Figure 3b) using both the averaged and the separated backstepping methods.
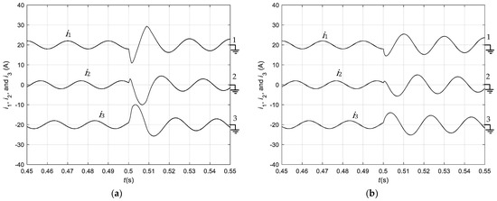
Simulation results in Figure 5 show the AC currents obtained using either the averaged dynamics ( i d V from Equation (12), γ d R e f from Equation (13)) or the separated dynamics ( i d V from Equation (12), γ d s R e f from Equation (23)) backstepping controllers. Offsets were added to each current to clearly show every single AC current. Currents are sinusoidal, balanced, with very low THD (simulations 1.6% (MATLAB/Simulink), and experimental 1.7% (Fluke 435)). These results further confirm the effectiveness of the averaged dynamics and the validity of the separated dynamics assumption. Experimental tests confirm the values in the simulations (Figure 5b). The experimental AC current, i 1 , THD was obtained from the class A power quality analyzer Fluke 435 to a csv file, whose harmonics are represented in Figure 6b.
Figure 5. Results of AC current, i 1 , i 2 , and i 3 , in steady state with the separated dynamics backstepping controller: (a) Simulation; (b) Experimental results. Vertical: 4 A/div. Horizontal: 10 ms/div.
Figure 6. (a) Experimental results of AC voltage and AC current, U L 1 and i 1 , in steady state with the averaged backstepping controller. Converter connected to a distributed power source. Vertical: 2 A/div and 20 V/div. Horizontal: 10 ms/div; (b) Experimental result of AC current, i 1 , THD.
Figure 6a shows experimental results of AC current i1 and AC voltage U L 1 , in steady state, with DC passive loads and renewable energy injection, with near unity power factor ( Q R e f   = 0). Voltage U L 1 and current i 1 are in phase meaning DC power is being injected in the AC microgrid (Figure 1) at unity power factor.
These steady-state results indicate that the averaged backstepping control is able to control the DC voltage, to balance the capacitor voltages U C 1 , U C 2 , to enforce almost sinusoidal AC currents with THD < 1.7%. The modified backstepping-controlled converter is bidirectional, as now, power is flowing into the AC grid (see Figure 1). Simulation results are similar to the experimental results. The separated dynamics backstepping controller presents also similar results, indicating AC and DC dynamics separation.

3.2. DC/AC Microgrid Simulation and Experimental Results in Transient Operation

The microgrid DC voltage U d c applied to loads or distributed power sources may require regulation to suit the load needs, the renewable distributed power sources, or microgrid stability requirements. Results of transient microgrid operation are displayed for DC voltage varying set-points and for DC current i d c variations.
When the DC reference voltage U d c R e f steps up from the lower operating value (100 V) to the upper operating value (120 V) at time t = 0.5 s, the simulated DC voltage U d c transient behavior, using the averaged backstepping controller, is displayed in Figure 7a. The response time is found to be nearly 15 ms. Using the separate dynamics controller, the results are nearly the same, with the absence in Equation (23) of the DC voltage error, e U d c , having very little effect. For performance comparison purposes, Figure 7b shows the results of standard linear control based on SPWM, coupled to PI controllers, which has a response time of approximately 45 ms and some overshoot.
Figure 7. DC voltage simulation results in transient mode, when the reference changes from 100 V to 120 V: (a) With the averaged backstepping controller; (b) With PI controller.
Figure 8a shows the simulated AC current behavior regarding the above U d c R e f step. The AC currents increase while the phase is conserved (rectifier operation) and present a rise time in the 1 ms range, in response to the increased power in the DC load. In the transient operation, the results do not show visible differences either using the averaged or the separated dynamics backstepping methods. This shows that the backstepping controllers can be designed using a fast inner loop current controller and a slow external loop DC voltage controller, which provides the values of the reference currents for the inner loop, as it is usually conducted when using linear PI controllers. The results for standard linear current control based on SPWM, coupled to PI controllers, as shown in Figure 8b, show that at the time (0.5 s) of the reference voltage variation U d c R e f , the controller response is slower regarding the averaged backstepping controller, leading to the U d c voltage slower response.
Figure 8. Simulation results of the AC currents, i 1 , i 2 , and i 3 , in transient mode, when the reference changes from 100 V to 120 V: (a) With the averaged backstepping controller; (b) With PI controller.
Simulation and experimental tests were conducted to evaluate the performance of the modified backstepping controllers to balance the DC capacitor U C 1 , U C 2 voltages in transient operation. Figure 9b shows that the capacitor voltages are balanced, when the reference DC voltage was changed from 120 V to 100 V. The DC voltage U d c transition time is approximately 75 ms. The fall time is longer than the rise time (Figure 7 and Figure 9), as the AC currents in Figure 9a show a fast phase reversal, transferring the DC capacitor’s excess energy to the AC microgrid (inverter operation), correlated to the DC voltage decreasing ratio. As the U d c voltage nears the new reference value, the currents rise again and change phase to transfer power to the DC grid (rectifier operation).
Figure 9. Experimental results in transient conditions when the reference changed from 120 V to 100 V, with the averaged backstepping controller: (a) DC voltage and AC currents, i 1 , i 2 , and i 3 , vertical: 2 A/div and 20 V/div; (b) Capacitor voltages, U C 1 and U C 2 , vertical: 10 V/div. Horizontal: 25 ms/div.
The experimental results of Figure 10 illustrate the response of separated dynamics backstepping controllers when DC loads change, leading to disturbances in the i d c current. The U d c voltage and the AC currents, i 1 , i 2 , and i 3 , are shown subjected to a step change in the i d c current from 1.2 A to 2.4 A. The steep DC current increase causes a slight decrease (sag) of the U d c voltage (Figure 10a) followed by a slow increase in U d c , as the separated dynamics backstepping controller tries to track the input reference. Figure 10b illustrates the NPC converter behavior when subjected to a negative step disturbance in the i d c current. The negative step current change increases momentarily the U d c voltage (small swell), while the separated dynamics backstepping controller slowly tracks its reference. Results obtained using the averaged backstepping controller did not show improved performance, despite the presence of the DC voltage error, e U d c , in Equation (13).
Figure 10. Experimental results of DC voltage and AC currents, i 1 , i 2 , and i 3 , with the separated dynamics backstepping controller: (a) Subjected to a step change in the i d c current from 1.2 A to 2.4 A; (b) Subjected to a step change in the i d c current from 2.4 A to 1.2 A. Vertical: 2 A/div and 20 V/div. Horizontal: 25 ms/div.
The averaged backstepping controller and the separated dynamics backstepping controller show an adequate regulation of DC voltage, capacitor voltage balance, AC current’s THD, and reactive power control at Q R e f = 0.
The microgrid DC voltage regulation can aid the power transfer of microgrid renewable energy sources, such as PV panels, energy storage batteries, and fuel cells, as both modified backstepping controllers are able to track the DC microgrid best reference voltage.

4. Conclusions

This paper presented a new method for obtaining backstepping controllers for multilevel NPC converters interconnecting AC to DC microgrids. The averaged backstepping controller is free from high-frequency harmonics, outputs very low total harmonic distortion (THD < 1.7%) AC currents, and very small steady-state DC errors (<0.5%). It also balances the two DC capacitor voltages, regulates the power factor, and shows bidirectional power transfer capability. The separated dynamics backstepping controller has virtually the same performance while needing less system information, as the DC voltage tracking error is not needed to generate the SPWM modulating waveform. The separated dynamics backstepping controller performance shows that, for NPC converters, backstepping controllers can be designed using a fast inner loop current controller and a slow external loop DC voltage controller.
To serve as the basis for the design of the backstepping controllers, a suitable NPC dynamic model was devised considering, as state variables, the AC currents in dq coordinates, the DC total voltage, and the unbalance voltage between the two capacitors.
The simulation and experimental results confirm that the AC currents exhibit sinusoidal behavior and track their reference values; the power factor is controllable using the q current component, while the total DC capacitor voltage is controlled using the d current component and tracks the reference value. To balance the DC capacitor voltages, an offset was added to the SPWM carriers. The converter is stable and bidirectional, able to regulate the DC voltage and convert energy from storage systems or DC renewable energy sources. The modified backstepping control algorithms are stable and cope with non-modeled disturbances, such as the DC current and typical component tolerances, which confirms the validity of using the control quantity steady-state averaged value for the backstepping design. The AC current’s fast response and the DC voltage response times also indicate the validity of the assumption of using separated AC and DC dynamics.

Author Contributions

Conceptualization, J.F.S., J.D.B. and L.R.; methodology, J.D.B., J.F.S. and L.R.; software, J.D.B., L.R. and J.F.S.; validation, J.D.B., L.R. and J.F.S.; formal analysis, J.F.S.; investigation, J.F.S., J.D.B. and L.R.; resources, J.F.S.; data curation, L.R.; writing—original draft preparation, J.D.B.; writing—review and editing, J.F.S., J.D.B. and L.R.; visualization, L.R., J.F.S. and J.D.B.; supervision, J.F.S.; project administration, J.F.S.; funding acquisition, J.F.S. All authors have read and agreed to the published version of the manuscript.

Funding

This research was funded by national funds through FCT, Fundação para a Ciência e a Tecnologia, under project UIDB/50021/2020.

Data Availability Statement

This study presents the main data needed to reproduce the presented simulations and experiments. Non-essential data used in this study are available upon request from the corresponding author. The data are not publicly available as it is well known by experts in the field and general variations on non-essential data do not change the results.

Conflicts of Interest

The authors declare no conflict of interest.

Appendix A

Derivation process for Equations (3) and (4). Analyzing the multilevel NPC converter circuit connecting DC loads and distributed power sources to the AC microgrid (Figure 1), the dynamic equation of the difference or unbalance between the two capacitor voltages can be written as:
d E U C d t = 1 C γ 1 2 i 1 + γ 2 2 i 2 + γ 3 2 i 3 .
Considering their small signal responses to a γ offset added to the SPWM carrier, which is equivalent to changing variables, γ 1 γ 1 + γ , γ 2 γ 2 + γ and γ 3 γ 3 + γ Equation (A1), as a function of γ , SPWM offset becomes:
d E U C d t = 1 C γ 1 + γ 2 i 1 1 C γ 2 + γ 2 i 2 1 C γ 3 + γ 2 i 3 .
Applying the Clark–Concordia transform (A3) to γ 1 , γ 2 , and γ 3 and to i 1 , i 2 , and i 3 as follows:
x 1 x 2 x 3 = 2 3 1 0 1 2 1 2 3 2 1 2 1 2 3 2 1 2 x α x β x 0 ,
results in the dynamic equation of the difference or unbalance between the two capacitor voltages as a function of semiconductor states, γ α , γ β , and γ 0 and AC currents i α and i β :
d E U C d t = 2 C γ α γ 1 6 γ α 2 C + 2 6 γ β 2 C 2 3 γ α γ β C i α + 2 C γ β γ + 2 3 γ α γ β C 2 3 γ β γ 0 C i β .
The dq dynamic equation of the two capacitor voltages difference in Equation (A6) is obtained by applying the Park transform in Equation (A5) to Equation (A4):
x α x β x 0 = cos ω t sin ω t 0 sin ω t cos ω t 0 0 0 1 x d x q x 0
d E U C d t = 2 C γ d γ + γ d 2 cos ω t C 1 + 12 18 sin 2 ω t cos 2 ω t 6 + γ q 2 cos ω t C 2 6 cos 2 ω t sin 2 ω t 6 + γ d γ q sin ω t C 4 6 + 2 2 6 cos 2 ω t 2 3 sin 2 ω t γ d γ 0 C 2 3 i d + 2 C γ q γ + γ d 2 sin ω t C 3 6 cos 2 ω t 2 6 sin 2 ω t + γ q 2 sin ω t C sin 2 ω t 6 2 + 24 6 cos 2 ω t + γ d γ q cos ω t C 2 3 cos 2 ω t 4 6 + 2 2 6 sin 2 ω t γ q γ 0 C 2 3 i q .
Defining the quantities d in Equation (A7) (or Equation (3)) and q in Equation (A8) (or Equation (4)), we obtain Equation (A6) in compressed format in Equation (A9) to insert in the NPC dynamic model Equation (2):
d = γ d 2 cos ω t C 1 + 12 18 sin 2 ω t cos 2 ω t 6 + γ q 2 cos ω t C 2 6 cos 2 ω t sin 2 ω t 6 + γ d γ q sin ω t C 4 6 + 2 2 6 cos 2 ω t 2 3 sin 2 ω t γ d γ 0 C 2 3
q = γ d 2 sin ω t C 3 6 cos 2 ω t 2 6 sin 2 ω t + γ q 2 sin ω t C sin 2 ω t 6 2 + 24 6 cos 2 ω t + γ d γ q cos ω t C 2 3 cos 2 ω t 4 6 + 2 2 6 sin 2 ω t γ d γ 0 C 2 3
d E U C d t = 2 C γ d γ + d i d + 2 C γ q γ + q i q

Appendix B

The derivation process of Equation (13) begins with the first term simplification of Equation (11), using Equation (5):
e U d c   d e U d c d t = e U d c   d U d c R e f d t e U d c   d U d c d t .
Using the DC voltage dynamics equation U d c (2) and Equation (9), to represent the current i d as a function of the virtual control value i d V and error e i d , the Equation (A11) is obtained:
e U d c   d e U d c d t = e U d c   d U d c R e f d t e U d c   γ d C i d V + γ d C e i d γ q C i q + 2 C i d c
By replacing the virtual control action i d V (8) in Equation (A11) and doing some simplifications, the following equation,
e U d c   d e U d c d t = K e U d c e U d c 2 e U d c γ d C e i d ,
is obtained. Using this term in Equation (11) gives,
d e i d d t = K e i d e i d + γ d C e U d c .
Rewriting Equation (A13) as a function of current i d and the virtual control current i d V , considering Equation (9), and using the i d current dynamics d i d d t , from Equation (2), the control component, γ d R e f , for the averaged backstepping is obtained (Equation (A14)) (or Equation (13)):
γ d R e f = 2 L U d c K e i d e i d γ d C e U d c + d i d V d t + R L i d ω i q + U L d L

Appendix C

Derivation process for Equation (20). By writing Equation (19) as the difference or unbalance between the two capacitor voltages E U C ,
d E U C d t = K E U C E U C
and using the dynamics, d E U C d t, from Equation (2), as well as considering a unity power factor ( i q ≈ 0), the value of the offset γ equals its reference value γ R e f , and is obtained in the triangular SPWM modulator,
γ R e f = C 2 i d γ d K E U C E U C + d i d .
To avoid division by i d γ d , the steady-state voltage dynamics equation is used ( d U d c d t ≈ 0) and unity power factor, obtaining:
i d γ d 2 i d c
where replacing in Equation (A16) gives the SPWM modulator offset Equation (A18) (or Equation (20)) to balance the two capacitor voltages:
γ R e f = C 4 i d c K E U C E U C + d i d  

References

  1. Parhizi, S.; Lotfi, H.; Khodaei, A.; Bahramirad, S. State of the Art in Research on Microgrids: A Review. IEEE Access 2015, 3, 890–925. [Google Scholar] [CrossRef]
  2. Guerrero, J.M.; Chandorkar, M.; Lee, T.-L.; Loh, P.C. Advanced Control Architectures for Intelligent Microgrids—Part I: Decentralized and Hierarchical Control. IEEE Trans. Ind. Electron. 2012, 60, 1254–1262. [Google Scholar] [CrossRef]
  3. Al Sumarmad, K.A.; Sulaiman, N.; Wahab, N.I.A.; Hizam, H. Energy Management and Voltage Control in Microgrids Using Artificial Neural Networks, PID, and Fuzzy Logic Controllers. Energies 2022, 15, 303. [Google Scholar] [CrossRef]
  4. Gregoratti, D.; Matamoros, J. Distributed Energy Trading: The Multiple-Microgrid Case. IEEE Trans. Ind. Electron. 2015, 64, 2551–2559. [Google Scholar] [CrossRef]
  5. Xiao, J.; Wang, P.; Setyawan, L. Implementation of Multiple-Slack-Terminal DC Microgrids for Smooth Transitions Between Grid-Tied and Islanded States. IEEE Trans. Smart Grid 2016, 7, 273–281. [Google Scholar] [CrossRef]
  6. Nejabatkhah, F.; Li, Y.W. Overview of Power Management Strategies of Hybrid AC/DC Microgrid. IEEE Trans. Power Electron. 2015, 30, 7072–7089. [Google Scholar] [CrossRef]
  7. Hu, K.-W.; Liaw, C.-M. Incorporated Operation Control of DC Microgrid and Electric Vehicle. IEEE Trans. Ind. Electron. 2016, 63, 202–215. [Google Scholar] [CrossRef]
  8. Porto Santo Island Energy Comes from Electric Cars. Available online: https://www.upsbatterycenter.com/blog/porto-santo-island-energy-electric-cars/ (accessed on 14 June 2023).
  9. Guerrero, J.M.; Loh, P.C.; Lee, T.-L.; Chandorkar, M. Advanced Control Architectures for Intelligent Microgrids—Part II: Power Quality, Energy Storage, and AC/DC Microgrids. IEEE Trans. Ind. Electron. 2013, 60, 1263–1270. [Google Scholar] [CrossRef]
  10. Sathyan, S.; Suryawanshi, H.M.; Shitole, A.B.; Ballal, M.S.; Borghate, V.B. Soft-Switched Interleaved DC/DC Converter as Front-End of Multi-Inverter Structure for Micro Grid Applications. IEEE Trans. Power Electron. 2018, 33, 7645–7655. [Google Scholar] [CrossRef]
  11. Carrasco, J.M.; Franquelo, L.G.; Bialasiewicz, J.T.; Galvan, E.; PortilloGuisado, R.; Prats, M.A.M.; Leon, J.I.; Moreno-Alfonso, N. Power-Electronic Systems for the Grid Integration of Renewable Energy Sources: A Survey. IEEE Trans. Ind. Electron. 2006, 53, 1002–1016. [Google Scholar] [CrossRef]
  12. Liu, S.; Wang, X.; Liu, P.X. Impact of Communication Delays on Secondary Frequency Control in an Islanded Microgrid. IEEE Trans. Ind. Electron. 2015, 62, 2021–2031. [Google Scholar] [CrossRef]
  13. Rezaei, N.; Ahmadi, A.; Khazali, A.H.; Guerrero, J.M. Energy and Frequency Hierarchical Management System Using Information Gap Decision Theory for Islanded Microgrids. IEEE Trans. Ind. Electron. 2018, 65, 7921–7932. [Google Scholar] [CrossRef]
  14. Zhao, Z.; Yang, P.; Guerrero, J.M.; Xu, Z.; Green, T.C. Multiple-Time-Scales Hierarchical Frequency Stability Control Strategy of Medium-Voltage Isolated Microgrid. IEEE Trans. Power Electron. 2016, 31, 5974–5991. [Google Scholar] [CrossRef]
  15. Che, L.; Shahidehpour, M.; Alabdulwahab, A.; Al-Turki, Y. Hierarchical Coordination of a Community Microgrid with AC and DC Microgrids. IEEE Trans. Smart Grid 2015, 6, 3042–3051. [Google Scholar] [CrossRef]
  16. Nabae, A.; Takahashi, I.; Akagi, H. A New Neutral-Point-Clamped PWM Inverter. IEEE Trans. Ind. Appl. 1981, 5, 518–523. [Google Scholar] [CrossRef]
  17. Meynard, T.A.; Foch, H. Multi-level choppers for high voltage applications. EPE Eur. Power Electron. Drives Assoc. J. 1992, 2, 45–50. [Google Scholar] [CrossRef]
  18. Marchesoni, M.; Mazzucchelli, M.; Tenconi, S. A non conventional power converter for plasma stabilization. In Proceedings of the 19th Annual IEEE Power Electronics Specialists Conference, Kyoto, Japan, 11–14 April 1988. [Google Scholar]
  19. Leon, J.I.; Vazquez, S.; Kouro, S.; Franquelo, L.G.; Carrasco, J.M.; Rodriguez, J. Unidimensional Modulation Technique for Cascaded Multilevel Converters. IEEE Trans. Ind. Electron. 2009, 56, 2981–2986. [Google Scholar] [CrossRef]
  20. Leon, J.I.; Vazquez, S.; Sanchez, J.A.; Portillo, R.; Franquelo, L.G.; Carrasco, J.M.; Dominguez, E. Conventional Space-Vector Modulation Techniques Versus the Single-Phase Modulator for Multilevel Converters. IEEE Trans. Ind. Electron. 2010, 57, 2473–2482. [Google Scholar] [CrossRef]
  21. Barros, J.D.; Silva, J.F.A.; Jesus, E.G.A. Fast-Predictive Optimal Control of NPC Multilevel Converters. IEEE Trans. Ind. Electron. 2013, 60, 619–627. [Google Scholar] [CrossRef]
  22. Ebrahimi, J.; Babaei, E.; Gharehpetian, G.B. A New Multilevel Converter Topology with Reduced Number of Power Electronic Components. IEEE Trans. Ind. Electron. 2012, 59, 655–667. [Google Scholar] [CrossRef]
  23. Busquets-Monge, S.; Grino, R.; Nicolas-Apruzzese, J.; Bordonau, J. Decoupled DC-Link Capacitor Voltage Control of DC–AC Multilevel Multileg Converters. IEEE Trans. Ind. Electron. 2016, 63, 1344–1349. [Google Scholar] [CrossRef]
  24. Babaei, E. A Cascade Multilevel Converter Topology with Reduced Number of Switches. IEEE Trans. Power Electron. 2008, 23, 2657–2664. [Google Scholar] [CrossRef]
  25. Deng, Y.; Wang, Y.; Teo, K.H.; Harley, R.G. A Simplified Space Vector Modulation Scheme for Multilevel Converters. IEEE Trans. Power Electron. 2016, 31, 1873–1886. [Google Scholar] [CrossRef]
  26. Barros, J.D.; Silva, J.F. Multilevel Optimal Predictive Dynamic Voltage Restorer. IEEE Trans. Ind. Electron. 2010, 57, 2747–2760. [Google Scholar] [CrossRef]
  27. Rodriguez, J.; Lai, J.-S.; Peng, F.Z. Multilevel inverters: A survey of topologies, controls, and applications. IEEE Trans. Ind. Electron. 2002, 49, 724–738. [Google Scholar] [CrossRef]
  28. Barros, J.D.; Silva, J.F. Optimal Predictive Control of Three-Phase NPC Multilevel Converter for Power Quality Applications. IEEE Trans. Ind. Electron. 2008, 55, 3670–3681. [Google Scholar] [CrossRef]
  29. Carpita, M.; Marchesoni, M.; Pellerin, M.; Moser, D. Multilevel Converter for Traction Applications: Small-Scale Prototype Tests Results. IEEE Trans. Ind. Electron. 2008, 55, 2203–2212. [Google Scholar] [CrossRef]
  30. Shieh, H.-J.; Shyu, K.-K. Nonlinear sliding-mode torque control with adaptive backstepping approach for induction motor drive. IEEE Trans. Ind. Electron. 1999, 46, 380–389. [Google Scholar] [CrossRef]
  31. Mazenc, F.; Bliman, P.-A. Backstepping design for time-delay nonlinear systems. IEEE Trans. Autom. Control. 2006, 51, 149–154. [Google Scholar] [CrossRef]
  32. Kanellakopoulos, I.; Kokotovic, P.; Morse, A. Systematic Design of Adaptive Controllers for Feedback Linearizable Systems. IEEE Trans. Autom. Control 1991, 36, 1241–1253. [Google Scholar] [CrossRef]
  33. Khalil, H.K. Nonlinear Systems, 3rd ed.; Prentice Hall: Upper Saddle River, NJ, USA, 2002. [Google Scholar]
  34. Doubabi, H.; Salhi, I.; Essounbouli, N. A Novel Control Technique for Voltage Balancing in Bipolar DC Microgrids. Energies 2022, 15, 3368. [Google Scholar] [CrossRef]
  35. Ezal, K.; Pan, Z.; Kokotovic, P. Locally optimal and robust backstepping design. IEEE Trans. Autom. Control. 2000, 45, 260–271. [Google Scholar] [CrossRef]
  36. Martin, A.D.; Cano, J.M.; Silva, J.F.A.; Vázquez, J.R. Backstepping Control of Smart Grid-Connected Distributed Photovoltaic Power Supplies for Telecom Equipment. IEEE Trans. Energy Convers. 2015, 30, 1496–1504. [Google Scholar] [CrossRef]
  37. Barros, J.D.; Silva, J.F.A.; Rocha, L. New backstepping controllers with enhanced stability for neutral point, clamped converters interfacing photovoltaics and AC microgrids. Int. J. Electr. Power Energy Syst. 2023, 153, 109332. [Google Scholar] [CrossRef]
  38. Barros, J.D.; Rocha, L.; Silva, J.F. Backstepping Predictive Control of Hybrid Microgrids Interconnected by Neutral Point Clamped Converters. Electronics 2021, 10, 1210. [Google Scholar] [CrossRef]
  39. Hajian, M.; Soltani, J.; Markadeh, G.A.; Hosseinnia, S. Adaptive Nonlinear Direct Torque Control of Sensorless IM Drives with Efficiency Optimization. IEEE Trans. Ind. Electron. 2010, 57, 975–985. [Google Scholar] [CrossRef]
  40. Yao, J.; Jiao, Z.; Ma, D. Extended-State-Observer-Based Output Feedback Nonlinear Robust Control of Hydraulic Systems with Backstepping. IEEE Trans. Ind. Electron. 2014, 61, 6285–6293. [Google Scholar] [CrossRef]
  41. Chen, F.; Jiang, R.; Zhang, K.; Jiang, B.; Tao, G. Robust Backstepping Sliding-Mode Control and Observer-Based Fault Estimation for a Quadrotor UAV. IEEE Trans. Ind. Electron. 2016, 63, 5044–5056. [Google Scholar] [CrossRef]
  42. Zhao, L.; Cheng, H.; Xia, Y.; Liu, B. Angle Tracking Adaptive Backstepping Control for a Mechanism of Pneumatic Muscle Actuators via an AESO. IEEE Trans. Ind. Electron. 2019, 66, 4566–4576. [Google Scholar] [CrossRef]
  43. Linares-Flores, J.; García-Rodríguez, C.; Sira-Ramírez, H.; Ramírez-Cárdenas, O.D. Robust Backstepping Tracking Controller for Low-Speed PMSM Positioning System: Design, Analysis, and Implementation. IEEE Trans. Ind. Inform. 2015, 11, 1130–1141. [Google Scholar] [CrossRef]
  44. Ahmad, A.; Ullah, N.; Ahmed, N.; Ibeas, A.; Mehdi, G.; Herrera, J.; Ali, A. Robust Control of Grid-Tied Parallel Inverters Using Nonlinear Backstepping Approach. IEEE Access 2019, 7, 111982–111992. [Google Scholar] [CrossRef]
  45. Scoltock, J.; Geyer, T.; Madawala, U.K. Model Predictive Direct Power Control for Grid-Connected NPC Converters. IEEE Trans. Ind. Electron. 2015, 62, 5319–5328. [Google Scholar] [CrossRef]
  46. Calle-Prado, A.; Alepuz, S.; Bordonau, J.; Cortes, P.; Rodriguez, J. Predictive Control of a Back-to-Back NPC Converter-Based Wind Power System. IEEE Trans. Ind. Electron. 2016, 63, 4615–4627. [Google Scholar] [CrossRef]
Disclaimer/Publisher’s Note: The statements, opinions and data contained in all publications are solely those of the individual author(s) and contributor(s) and not of MDPI and/or the editor(s). MDPI and/or the editor(s) disclaim responsibility for any injury to people or property resulting from any ideas, methods, instructions or products referred to in the content.

Article Metrics

Citations

Article Access Statistics

Multiple requests from the same IP address are counted as one view.