The Statistical Characteristics Analysis for Overvoltage of Elevated Transmission Line under High-Altitude Electromagnetic Pulse Based on Rosenblatt Transformation and Polynomial Chaos Expansion
Abstract
1. Introduction
2. Variables Analysis and Calculation Methods
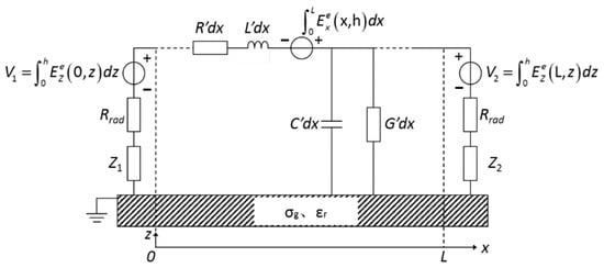
2.1. The Coupling Model of Transmission Line
2.2. Variables in the HEMP Calculation
2.2.1. Height of Burst, HOB
2.2.2. Elevation Angle Ψ
2.2.3. Orientation Angle δ
2.2.4. Azimuthal Angle Φ
2.3. How Variables Influence HEMP Propagation
2.4. Norm for Coupling Response
2.5. Efficient Calculation Method
2.5.1. Polynomial Chaos Expansion
2.5.2. Rosenblatt Transformation
3. Method Verification and Numerical Results
4. Discussion
Author Contributions
Funding
Data Availability Statement
Conflicts of Interest
References
- Mao, C.; Cheng, Y.; Xie, Y. High Altitude Electromagnetic Pulse Technology Foundation; Science Press: Beijing, China, 2019. (In Chinese) [Google Scholar]
- Lyu, Y.; Wang, X. EMC Analysis Methods and Computational Models; Beijing University of Posts and Telecommunication Press: Beijing, China, 2009. (In Chinese) [Google Scholar]
- Zhou, Y.; Xie, Y.; Zhang, D.; Dong, N.; Chen, Y.; Jing, Y. Response of 10-kV Metal-Oxide Surge Arresters Excited by Nanosecond-Level Transient Electromagnetic Disturbances. IEEE Trans. Electromagn. Compat. 2021, 63, 614–621. [Google Scholar] [CrossRef]
- Qin, F.; Chen, W.; Wang, X.; Huang, T.; Cui, Z.; Nie, X. Transient Response Characteristics of Metal Oxide Arrester under High-Altitude Electromagnetic Pulse. Energies 2022, 15, 3303. [Google Scholar] [CrossRef]
- Chen, Y.; Xie, Y.; Zhang, D.; Zhou, Y.; Ren, D.; Gou, M.; Dong, N. 10-kV Transmission Line Experimental Platform for HEMP Immunity Test of Electrical Equipment in Operation. IEEE Trans. Power Deliv. 2021, 36, 1034–1040. [Google Scholar] [CrossRef]
- Shu, Y.; Chen, W.; Li, Z. Experimental Research on Very-fast Transient Overvoltage in 1100-kV Gas-insulated Switchgear. IEEE Trans. Power Deliv. 2013, 28, 458–466. [Google Scholar] [CrossRef]
- IEC 61000-2-10; Electromagnetic Compatibility (EMC)—Part 2–10: Environment—Description of HEMP Environment—Conducted Distribution. IEC: Geneva, Switzerland, 1998.
- Zhou, B.; Shi, L.; Wang, J.; Chen, H.; Chen, B. Electromagnetic Pulse and Its Engineering Protection; National Defense Industry Press: Beijing, China, 2019. (In Chinese) [Google Scholar]
- Anile, A.M.; Spinella, S.; Rinaudo, S. Stochastic Response surface Method and Tolerance Analysis in Microelectronics. COMPEL Int. J. Comput. Math. Electr. Electron. Eng. 2003, 22, 314–327. [Google Scholar] [CrossRef]
- Ianoz, M.; Nicoara, B.; Radasky, W. Modeling of an EMP Conducted Environment. IEEE Trans. Electromagn. Compat. 1996, 38, 400–413. [Google Scholar] [CrossRef]
- Stievano, I.S.; Manfredi, P.; Canavero, F.G. Stochastic Analysis of Multiconductor Cables and Interconnects. IEEE Trans. Electromagn. Compat. 2011, 53, 501–507. [Google Scholar] [CrossRef]
- Manfredi, P.; Canavero, F.G. Polynomial Chaos for Random Field Coupling to Transmission Lines. IEEE Trans. Electromagn. Compat. 2012, 54, 677–680. [Google Scholar] [CrossRef]
- Xiu, D.; Karniadakis, G.E. The Winner-Askey Polynomial Chaos for Stochastic Differential Equations. SIAM J. Sci. Comput. 2002, 24, 619–622. [Google Scholar] [CrossRef]
- Xiu, D.; Karniadakis, G.E. Modeling Uncertainty in Steady State Diffusion Problems via Generalized Polynomial Chaos. Comput. Methods Appl. Mech. Eng. 2002, 191, 4927–4948. [Google Scholar] [CrossRef]
- Ghanem, R.; Spanoes, P. Ingredients for a General Purpose Stochastic Finite Elements Implementation. Comput. Methods Appl. Mech. Eng. 1999, 168, 19–34. [Google Scholar] [CrossRef]
- Finette, S. A Stochastic Representation of Environmental Uncertainty and Its Coupling to Acoustic Wave Propagation in Ocean Waveguides. J. Acoust. Soc. Am. 2006, 120, 2567–2579. [Google Scholar] [CrossRef]
- Wang, T.; Gao, Y.; Gao, L. Statistical Analysis of Crosstalk for Automotive Wiring Harness via the Polynomial Chaos Method. J. Balk. Tribol. Assoc. 2016, 22, 512–526. [Google Scholar]
- Spina, D.; Dhaene, T.; Knockaert, L.; Antonini, G. Polynomial Chaos-Based Macromodeling of General Linear Multiport Systems for Time-Domain Analysis. IEEE Trans. Microw. Theory Tech. 2017, 65, 1422–1433. [Google Scholar] [CrossRef]
- Kheifets, I. Multivariate Specification Tests Based on a Dynamic Rosenblatt Transform. In Computational Statistics and Data Analysis; Elsevier: Amsterdam, The Netherlands, 2018; Volume 124, pp. 1–14. [Google Scholar]
- Rosenblatt, M. Remarks on multivariate transformation. Ann. Math. Stat. 1952, 23, 470–472. [Google Scholar] [CrossRef]
- Nicolas, M.; Bertrand, D.; Markus, N.; Carlos, R.; Farhad, R. Revisiting the Calculation of the Early Time HEMP Conducted Environment. IEEE Trans. Electromagn. Compat. 2021, 63, 111–124. [Google Scholar]
- IEC 61000-2-9; Electromagnetic Compatibility (EMC)—Part 2–9: Environment—Description of HEMP Environment—Radiated Disturbance. IEC: Geneva, Switzerland, 1996.








| Height | 10 m | 20 m | 30 m | 40 m | ||||||||
|---|---|---|---|---|---|---|---|---|---|---|---|---|
| Confidence | 50% | 90% | 99% | 50% | 90% | 99% | 50% | 90% | 99% | 50% | 90% | 99% |
| Dip Angle/° | ||||||||||||
| 40 | 0.26 | 0.62 | 1.58 | 0.47 | 0.97 | 1.97 | 0.68 | 1.25 | 2.25 | 0.87 | 1.47 | 2.44 |
| 45 | 0.24 | 0.61 | 1.39 | 0.44 | 0.97 | 1.85 | 0.62 | 1.23 | 2.15 | 0.79 | 1.45 | 2.36 |
| 50 | 0.23 | 0.61 | 1.28 | 0.40 | 0.97 | 1.77 | 0.57 | 1.22 | 2.05 | 0.73 | 1.43 | 2.31 |
| 55 | 0.21 | 0.61 | 1.17 | 0.37 | 0.97 | 1.65 | 0.53 | 1.22 | 2.02 | 0.66 | 1.43 | 2.28 |
| 60 | 0.20 | 0.60 | 1.04 | 0.36 | 0.96 | 1.59 | 0.48 | 1.20 | 1.95 | 0.60 | 1.40 | 2.22 |
| 65 | 0.20 | 0.60 | 0.95 | 0.34 | 0.95 | 1.49 | 0.46 | 1.21 | 1.90 | 0.56 | 1.42 | 2.19 |
| 70 | 0.19 | 0.59 | 0.87 | 0.33 | 0.95 | 1.43 | 0.44 | 1.21 | 1.83 | 0.53 | 1.42 | 2.13 |
| 75 | 0.19 | 0.59 | 0.82 | 0.33 | 0.95 | 1.37 | 0.43 | 1.22 | 1.79 | 0.50 | 1.42 | 2.10 |
| 80 | 0.19 | 0.58 | 0.79 | 0.32 | 0.95 | 1.34 | 0.42 | 1.21 | 1.75 | 0.49 | 1.41 | 2.06 |
| Height | 10 m | 20 m | 30 m | 40 m | ||||||||
|---|---|---|---|---|---|---|---|---|---|---|---|---|
| Confidence | 50% | 90% | 99% | 50% | 90% | 99% | 50% | 90% | 99% | 50% | 90% | 99% |
| Dip Angle/° | ||||||||||||
| 40 | 0.69 | 1.26 | 2.08 | 1.05 | 2.02 | 2.80 | 1.22 | 2.67 | 3.71 | 1.30 | 3.30 | 4.56 |
| 45 | 0.63 | 1.18 | 1.95 | 0.97 | 1.86 | 2.71 | 1.13 | 2.43 | 3.54 | 1.20 | 3.00 | 4.31 |
| 50 | 0.57 | 1.12 | 1.85 | 0.87 | 1.73 | 2.58 | 1.02 | 2.21 | 3.34 | 1.09 | 2.71 | 4.00 |
| 55 | 0.52 | 1.07 | 1.73 | 0.79 | 1.57 | 2.47 | 0.92 | 2.00 | 3.17 | 0.98 | 2.41 | 3.69 |
| 60 | 0.46 | 1.00 | 1.66 | 0.71 | 1.44 | 2.40 | 0.82 | 1.78 | 2.95 | 0.89 | 2.12 | 3.42 |
| 65 | 0.42 | 0.97 | 1.60 | 0.62 | 1.30 | 2.29 | 0.74 | 1.59 | 2.86 | 0.79 | 1.86 | 3.27 |
| 70 | 0.38 | 0.93 | 1.53 | 0.55 | 1.20 | 2.22 | 0.64 | 1.41 | 2.70 | 0.70 | 1.61 | 3.05 |
| 75 | 0.34 | 0.90 | 1.50 | 0.47 | 1.12 | 2.18 | 0.55 | 1.26 | 2.61 | 0.60 | 1.38 | 2.91 |
| 80 | 0.32 | 0.87 | 1.48 | 0.40 | 1.07 | 2.10 | 0.45 | 1.16 | 2.52 | 0.49 | 1.20 | 2.78 |
Disclaimer/Publisher’s Note: The statements, opinions and data contained in all publications are solely those of the individual author(s) and contributor(s) and not of MDPI and/or the editor(s). MDPI and/or the editor(s) disclaim responsibility for any injury to people or property resulting from any ideas, methods, instructions or products referred to in the content. |
© 2023 by the authors. Licensee MDPI, Basel, Switzerland. This article is an open access article distributed under the terms and conditions of the Creative Commons Attribution (CC BY) license (https://creativecommons.org/licenses/by/4.0/).
Share and Cite
Liu, Z.; Hei, D.; Mao, C.; Du, C.; Nie, X.; Wu, W.; Chen, W. The Statistical Characteristics Analysis for Overvoltage of Elevated Transmission Line under High-Altitude Electromagnetic Pulse Based on Rosenblatt Transformation and Polynomial Chaos Expansion. Energies 2023, 16, 4622. https://doi.org/10.3390/en16124622
Liu Z, Hei D, Mao C, Du C, Nie X, Wu W, Chen W. The Statistical Characteristics Analysis for Overvoltage of Elevated Transmission Line under High-Altitude Electromagnetic Pulse Based on Rosenblatt Transformation and Polynomial Chaos Expansion. Energies. 2023; 16(12):4622. https://doi.org/10.3390/en16124622
Chicago/Turabian StyleLiu, Zheng, Dongwei Hei, Congguang Mao, Chuanbao Du, Xin Nie, Wei Wu, and Wei Chen. 2023. "The Statistical Characteristics Analysis for Overvoltage of Elevated Transmission Line under High-Altitude Electromagnetic Pulse Based on Rosenblatt Transformation and Polynomial Chaos Expansion" Energies 16, no. 12: 4622. https://doi.org/10.3390/en16124622
APA StyleLiu, Z., Hei, D., Mao, C., Du, C., Nie, X., Wu, W., & Chen, W. (2023). The Statistical Characteristics Analysis for Overvoltage of Elevated Transmission Line under High-Altitude Electromagnetic Pulse Based on Rosenblatt Transformation and Polynomial Chaos Expansion. Energies, 16(12), 4622. https://doi.org/10.3390/en16124622

