Analysis of Simultaneous WPT in Ultra-Low-Power Systems with Multiple Resonating Planar Coils
Abstract
1. Introduction
2. Materials and Methods
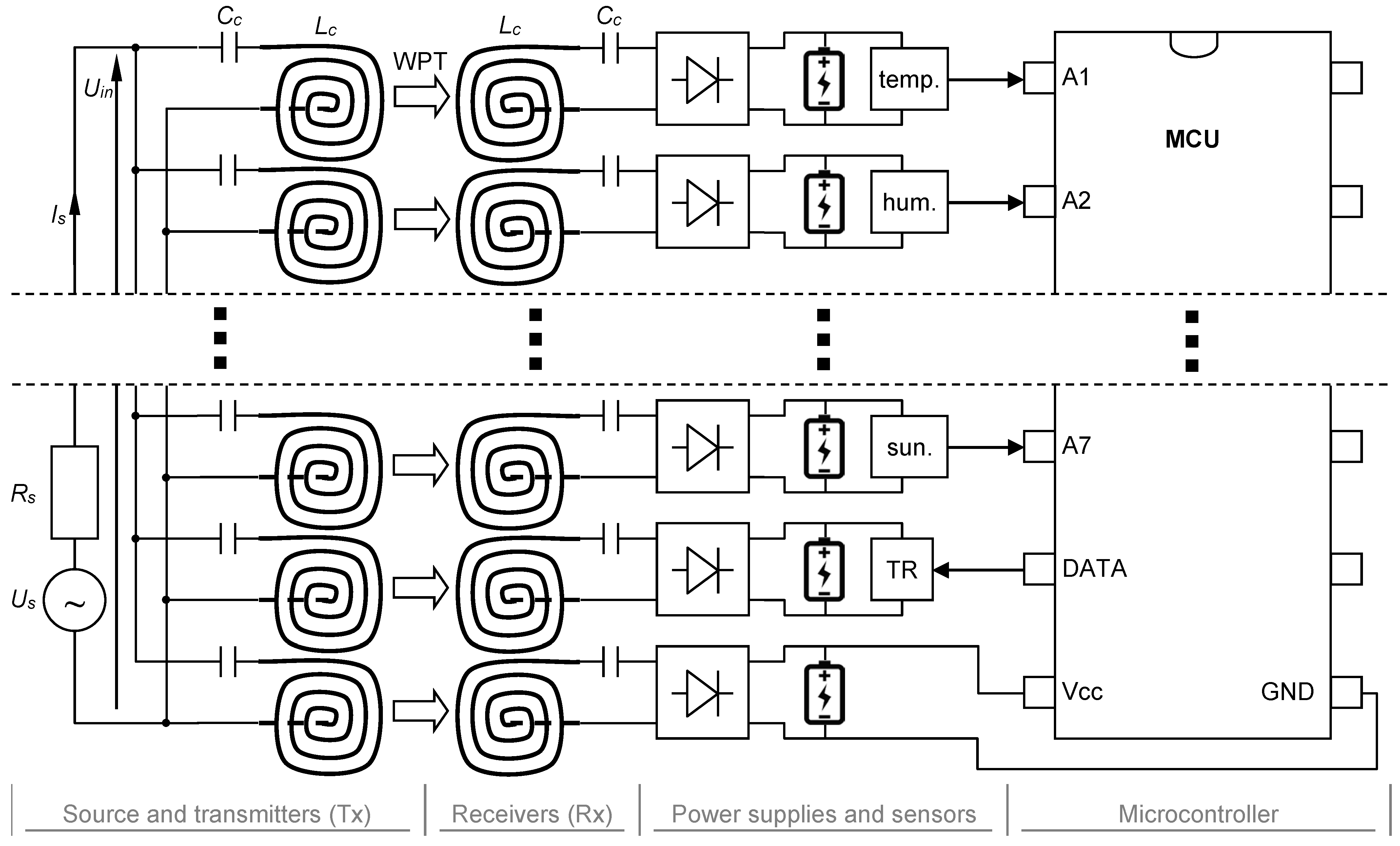
2.1. Multi-Coil Wireless Charging System

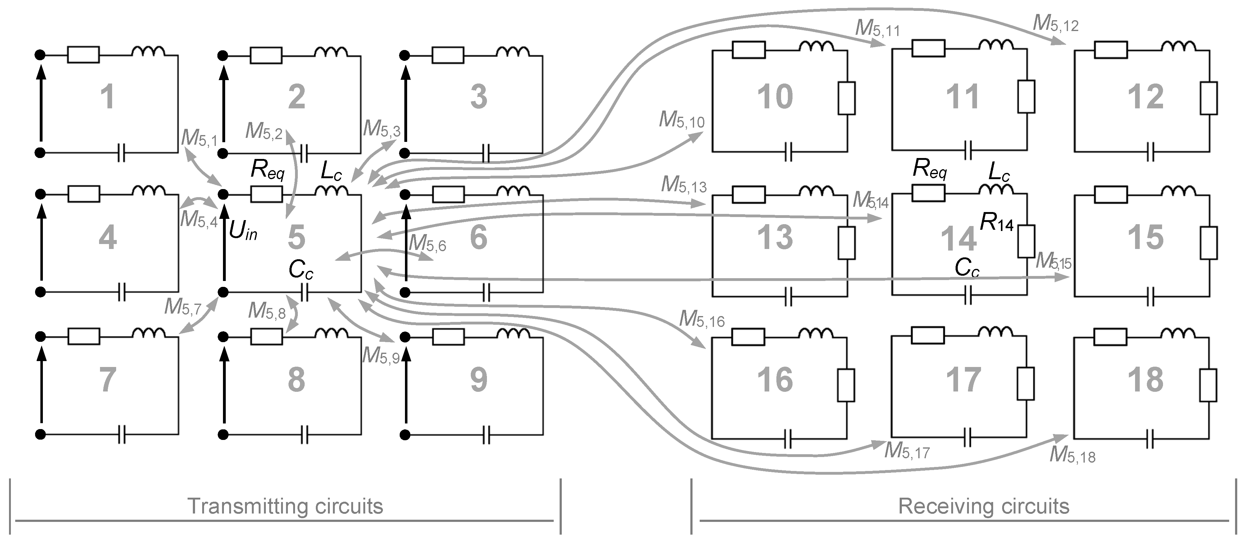
2.2. Equivalent Electrical Circuit

2.3. Experimental Stand
3. Results and Discussion
3.1. Analyzed Cases
3.2. Measured Parameters
3.3. Power Transfer Efficiency
3.3.1. The Influence of the Load Resistance
3.3.2. The Influence of the Frequency at the Constant Load
3.4. Transferred Power
3.5. The Effect of Distance on the System Performance
4. Conclusions
Author Contributions
Funding
Data Availability Statement
Conflicts of Interest
References
- Sun, L.; Ma, D.; Tang, H. A review of recent trends in wireless power transfer technology and its applications in electric vehicle wireless charging. Renew. Sustain. Energy Rev. 2018, 91, 490–503. [Google Scholar] [CrossRef]
- Luo, Z.; Wei, X. Analysis of Square and Circular Planar Spiral Coils in Wireless Power Transfer System for Electric Vehicles. IEEE Trans. Ind. Electron. 2018, 65, 331–341. [Google Scholar] [CrossRef]
- Batra, T.; Schaltz, E.; Ahn, S. Effect of ferrite addition above the base ferrite on the coupling factor of wireless power transfer for vehicle applications. J. Appl. Phys. 2015, 117, 17D517. [Google Scholar] [CrossRef]
- Inoue, K.; Kusaka, K.; Itoh, J.I. Reduction in radiation noise level for inductive power transfer systems using spread spectrum techniques. IEEE Trans. Power Electron. 2018, 33, 3076–3085. [Google Scholar] [CrossRef]
- Tang, S.C.; Lun, T.L.T.; Guo, Z.; Kwok, K.W.; McDannold, N.J. Intermediate range wireless power transfer with segmented coil transmitters for implantable heart pumps. IEEE Trans. Power Electron. 2017, 32, 3844–3857. [Google Scholar] [CrossRef]
- Kan, T.; Mai, R.; Mercier, P.P.; Mi, C.C. Design and analysis of a three-phase wireless charging system for lightweight autonomous underwater vehicles. IEEE Trans. Power Electron. 2017, 33, 6622–6632. [Google Scholar] [CrossRef]
- Nithiyanandam, V.; Sampath, V. Approach-Based Analysis on Wireless Power Transmission for Bio-Implantable Devices. Appl. Sci. 2023, 13, 415. [Google Scholar] [CrossRef]
- Li, X.; Zhang, H.; Peng, F.; Li, Y.; Yang, T.; Wang, B.; Fang, D. A wireless magnetic resonance energy transfer system for micro implantable medical sensors. Sensors 2012, 12, 10292–10308. [Google Scholar] [CrossRef]
- Fitzpatrick, D.C. Implantable Electronic Medical Devices; Academic Press: San Diego, CA, USA, 2014; pp. 7–35. [Google Scholar]
- Kang, S.H.; Choi, J.H.; Jung, C.W. Magnetic resonance wireless power transfer using three-coil system with single planar receiver for laptop applications. IEEE Trans. Consum. Electron. 2015, 61, 160–166. [Google Scholar]
- Barman, S.D.; Reza, A.W.; Kumar, N.; Karim, M.E.; Munir, A.B. Wireless powering by magnetic resonant coupling: Recent trends in wireless power transfer system and its applications. Renew. Sustain. Energy Rev. 2015, 51, 1525–1552. [Google Scholar] [CrossRef]
- Sugino, M.; Kondo, H.; Takeda, S. Linear motion type transfer robot using the wireless power transfer system. In Proceedings of the 2016 International Symposium on Antennas and Propagation (ISAP), Okinawa, Japan, 24–28 October 2016; pp. 508–509. [Google Scholar]
- Wu, Q.; Tao, M.; Kwan Ng, D.W.; Chen, W.; Schober, R. Energy-efficient resource allocation for wireless powered communication networks. IEEE Trans. Wirel. Commun. 2016, 15, 2312–2327. [Google Scholar] [CrossRef]
- Zouaoui, S.; Dghais, W.; Melicio, R.; Belgacem, H. Omnidirectional WPT and Data Communication for Electric Air Vehicles: Feasibility Study. Energies 2020, 13, 6480. [Google Scholar] [CrossRef]
- Choroszucho, A.; Butryło, B. Local attenuation of electromagnetic field generated by wireless communication system inside the building. Przegląd Elektrotechniczny 2011, 87, 123–127. [Google Scholar]
- Khang, S.T.; Lee, D.J.; Hwang, I.J.; Yeo, T.D.; Yu, J.W. Microwave power transfer with optimal number of rectenna arrays for midrange applications. IEEE Antennas Wirel. Propag. Lett. 2018, 17, 155–159. [Google Scholar] [CrossRef]
- De Santi, C.; Meneghini, M.; Caria, A.; Dogmus, E.; Zegaoui, M.; Medjdoub, F.; Kalinic, B.; Cesca, T.; Zanoni, E. GaN-based laser wireless power transfer system. Materials 2018, 11, 153. [Google Scholar] [CrossRef]
- Li, Q.; Deng, Z.; Zhang, K.; Wang, B. Precise attitude control of multirotary-joint solar-power satellite. J. Guid. Control Dyn. 2018, 41, 1435–1442. [Google Scholar] [CrossRef]
- Yu, L.; Wu, L.; Zhu, Y.; Cao, X.; Zhang, G.; Xiang, S. Wireless Charging Concave Coil Design for UAVs. Electronics 2022, 11, 1962. [Google Scholar] [CrossRef]
- Rayan, B.A.; Subramaniam, U.; Balamurugan, S. Wireless Power Transfer in Electric Vehicles: A Review on Compensation Topologies, Coil Structures, and Safety Aspects. Energies 2023, 16, 3084. [Google Scholar] [CrossRef]
- Abou Houran, M.; Yang, X.; Chen, W. Free Angular-Positioning Wireless Power Transfer Using a Spherical Joint. Energies 2018, 11, 3488. [Google Scholar] [CrossRef]
- Micus, S.; Padani, L.; Haupt, M.; Gresser, G.T. Textile-Based Coils for Inductive Wireless Power Transmission. Appl. Sci. 2021, 11, 4309. [Google Scholar] [CrossRef]
- Sun, D.; Chen, M.; Podilchak, S.; Georgiadis, A.; Abdullahi, Q.S.; Joshi, R.; Yasin, S.; Rooney, J.; Rooney, J. Investigating flexible textile-based coils for wireless charging wearable electronics. J. Ind. Text. 2020, 50, 333–345. [Google Scholar] [CrossRef]
- Chen, L.; Liu, S.; Zhou, Y.C.; Cui, T.J. An optimizable circuit structure for high-efficiency wireless power transfer. IEEE Trans. Ind. Electron. 2013, 60, 339–349. [Google Scholar] [CrossRef]
- Villa, J.L.; Sallan, J.; Sanz Osorio, J.F.; Llombart, A. High-misalignment tolerant compensation topology for icpt systems. IEEE Trans. Ind. Electron. 2012, 59, 945–951. [Google Scholar] [CrossRef]
- Lee, S.-H.; Lorenz, R.D. Development and validation of model for 95%-efficiency 220-w wireless power transfer over a 30-cm air gap. IEEE Trans. Ind. Appl. 2011, 47, 2495–2504. [Google Scholar] [CrossRef]
- Zhong, W.; Lee, C.K.; Hui, S.Y.R. General analysis on the use of Tesla’s resonators in domino forms for wireless power transfer. IEEE Trans. Ind. Electron. 2013, 60, 261–270. [Google Scholar] [CrossRef]
- Alberto, J.; Reggiani, U.; Sandrolini, L.; Albuquerque, H. Fast calculation and analysis of the equivalent impedance of a wireless power transfer system using an array of magnetically coupled resonators. Prog. Electromagn. Res. B 2018, 80, 101–112. [Google Scholar] [CrossRef]
- Xun, J.-H.; Mu, Y.; Zhang, K.; Liu, H.; Li, L. The Efficiency Improvement of Multiple Receivers in Wireless Power Transmission by Integrating Metasurfaces. Materials 2022, 15, 6943. [Google Scholar] [CrossRef]
- Steckiewicz, A. Homogenization of the vertically stacked medium frequency magnetic metamaterials with multi-turn resonators. Sci. Rep. 2022, 12, 20333. [Google Scholar] [CrossRef]
- Mirbozorgi, S.A.; Maghsoudloo, E.; Bahrami, H.; Sawan, M.; Gosselin, B.A. Multi-resonator arrays for smart wireless power distribution: Comparison with experimental assessment. IET Power Electron. 2021, 13, 4189–4193. [Google Scholar] [CrossRef]
- Pahlavan, S.; Shooshtari, M.; Jafarabadi Ashtiani, S. Star-Shaped Coils in the Transmitter Array for Receiver Rotation Tolerance in Free-Moving Wireless Power Transfer Applications. Energies 2022, 15, 8643. [Google Scholar] [CrossRef]
- Stankiewicz, J.M.; Choroszucho, A. Efficiency of the Wireless Power Transfer System with Planar Coils in the Periodic and Aperiodic Systems. Energies 2022, 15, 115. [Google Scholar] [CrossRef]
- Stankiewicz, J.M. Analysis of the Influence of the Skin Effect on the Efficiency and Power of the Receiver in the Periodic WPT System. Energies 2023, 16, 2009. [Google Scholar] [CrossRef]
- Shu, Y.; Yousefi, H.; Cheng, P.; Chen, J.; Gu, Y.; He, T.; Shin, K.G. Near-Optimal Velocity Control for Mobile Charging in Wireless Rechargeable Sensor Networks. IEEE Trans. Mob. Comput. 2016, 15, 1699–1713. [Google Scholar] [CrossRef]
- Chen, T.-S.; Chen, J.-J.; Gao, X.-Y.; Chen, T.-C. Mobile Charging Strategy for Wireless Rechargeable Sensor Networks. Sensors 2022, 22, 359. [Google Scholar] [CrossRef]
- Liu, S.; Su, J.; Lai, J. Accurate Expressions of Mutual Inductance and Their Calculation of Archimedean Spiral Coils. Energies 2019, 12, 2017. [Google Scholar] [CrossRef]
- Torki, J.; Joubert, C.; Sari, A. Electrolytic capacitor: Properties and operation. J. Energy Storage 2023, 58, 106330. [Google Scholar] [CrossRef]
- Knight, D.W. Practical Continuous Functions for the Internal Impedance of Solid Cylindrical Conductors. G3YNH. 2016. Available online: https://g3ynh.info/zdocs/comps/Zint.pdf (accessed on 1 May 2023).








| Number of turns | nt | 30 |
| Wire diameter | dw | 200 µm |
| Insulation thickness | di | 5 µm |
| Coil diameter | dc | 20 mm |
| Separation between coils | ds | 25 mm |
| Distances between transmitters and receivers | dz | 5 mm |
| 10 mm | ||
| Design frequency | fc | 500 kHz |
| Electrical conductivity | σ | 5.6 × 107 S/m |
| Dissipation factor | DF | 0.05 |
| Resistance increase coefficient | kR | 1.25 |
| No. | Lc (μH) | Rc (mΩ) | Cc (nF) |
|---|---|---|---|
| 1 | 16.12 | 862 | 6.29 |
| 2 | 14.55 | 855 | 6.96 |
| 3 | 14.72 | 912 | 6.88 |
| 4 | 13.11 | 850 | 7.73 |
| 5 | 15.60 | 871 | 6.49 |
| 6 | 13.25 | 854 | 7.65 |
| 7 | 17.11 | 864 | 5.92 |
| 8 | 14.58 | 863 | 6.95 |
| 9 | 13.80 | 831 | 7.34 |
| 10 | 14.78 | 839 | 6.86 |
| 11 | 15.16 | 860 | 6.68 |
| 12 | 14.40 | 858 | 7.04 |
| 13 | 15.76 | 875 | 6.43 |
| 14 | 15.45 | 869 | 6.56 |
| 15 | 14.98 | 909 | 6.76 |
| 16 | 16.60 | 879 | 6.10 |
| 17 | 16.82 | 872 | 6.02 |
| 18 | 13.06 | 858 | 7.76 |
| Average | 14.99 | 866 | 6.80 |
| Varying Parameter | dz = 5 mm | dz = 10 mm | Change |
|---|---|---|---|
| Load resistance, with a measured resonance at 500 kHz | 28.05 VA | 12.11 VA | −56.83% |
| Frequency, with a theoretical resonance at 550 kHz | 42.31 VA | 18.46 VA | −56.37% |
| f (kHz) | dz/dc | dz (mm) | R (Ω) | ηmax (%) | Sout (VA) |
|---|---|---|---|---|---|
| 500 | 0.20 | 4 | 12.5 | 49.43 | 28.99 |
| 0.25 | 5 | 10 | 40.47 | 27.91 | |
| 0.50 | 10 | 10 | 13.08 | 11.67 | |
| 550 | 0.20 | 4 | 12.5 | 58.69 | 28.83 |
| 0.25 | 5 | 12.5 | 51.94 | 34.39 | |
| 0.50 | 10 | 5 | 26.13 | 27.59 |
| dz/dc | dz (mm) | R (Ω) | 500 kHz | 550 kHz | ||
|---|---|---|---|---|---|---|
| η (%) | Sout (VA) | η (%) | Sout (VA) | |||
| 0.2 | 4 | 5 | 41.62 | 20.13 | 49.16 | 14.86 |
| 10 | 49.43 | 27.49 | 57.72 | 25.01 | ||
| 12.5 | 49.43 | 28.99 | 58.69 | 28.83 | ||
| 25 | 42.07 | 29.02 | 55.47 | 40.03 | ||
| 50 | 29.60 | 23.08 | 44.58 | 44.94 | ||
| 100 | 18.48 | 15.49 | 30.79 | 39.84 | ||
| 0.25 | 5 | 5 | 36.47 | 23.59 | 45.62 | 19.70 |
| 10 | 40.47 | 27.91 | 51.83 | 30.79 | ||
| 12.5 | 39.57 | 28.05 | 51.94 | 34.39 | ||
| 25 | 31.72 | 24.54 | 46.36 | 42.47 | ||
| 50 | 21.45 | 17.96 | 34.83 | 42.31 | ||
| 100 | 13.02 | 11.21 | 22.59 | 32.66 | ||
| 0.5 | 10 | 5 | 12.71 | 11.76 | 26.13 | 27.59 |
| 10 | 13.08 | 11.67 | 25.17 | 31.49 | ||
| 12.5 | 12.43 | 11.03 | 23.72 | 31.24 | ||
| 25 | 9.08 | 7.99 | 17.34 | 26.14 | ||
| 50 | 5.57 | 4.98 | 10.86 | 18.46 | ||
| 100 | 3.10 | 2.75 | 6.15 | 10.74 | ||
Disclaimer/Publisher’s Note: The statements, opinions and data contained in all publications are solely those of the individual author(s) and contributor(s) and not of MDPI and/or the editor(s). MDPI and/or the editor(s) disclaim responsibility for any injury to people or property resulting from any ideas, methods, instructions or products referred to in the content. |
© 2023 by the authors. Licensee MDPI, Basel, Switzerland. This article is an open access article distributed under the terms and conditions of the Creative Commons Attribution (CC BY) license (https://creativecommons.org/licenses/by/4.0/).
Share and Cite
Stankiewicz, J.M.; Steckiewicz, A.; Choroszucho, A. Analysis of Simultaneous WPT in Ultra-Low-Power Systems with Multiple Resonating Planar Coils. Energies 2023, 16, 4597. https://doi.org/10.3390/en16124597
Stankiewicz JM, Steckiewicz A, Choroszucho A. Analysis of Simultaneous WPT in Ultra-Low-Power Systems with Multiple Resonating Planar Coils. Energies. 2023; 16(12):4597. https://doi.org/10.3390/en16124597
Chicago/Turabian StyleStankiewicz, Jacek Maciej, Adam Steckiewicz, and Agnieszka Choroszucho. 2023. "Analysis of Simultaneous WPT in Ultra-Low-Power Systems with Multiple Resonating Planar Coils" Energies 16, no. 12: 4597. https://doi.org/10.3390/en16124597
APA StyleStankiewicz, J. M., Steckiewicz, A., & Choroszucho, A. (2023). Analysis of Simultaneous WPT in Ultra-Low-Power Systems with Multiple Resonating Planar Coils. Energies, 16(12), 4597. https://doi.org/10.3390/en16124597

