Modelling of Bidirectional Three-Phase Four-Wire Three-Level NPC MLC under Single-Loop Current Sensorless Control
Abstract
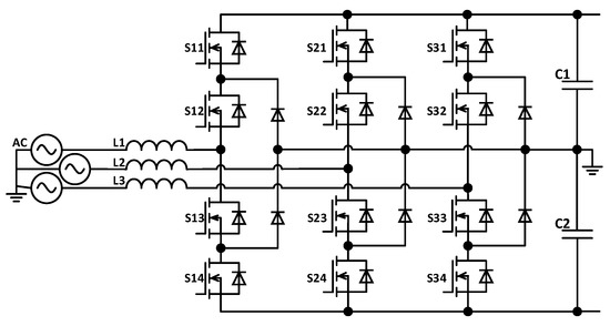
1. Introduction
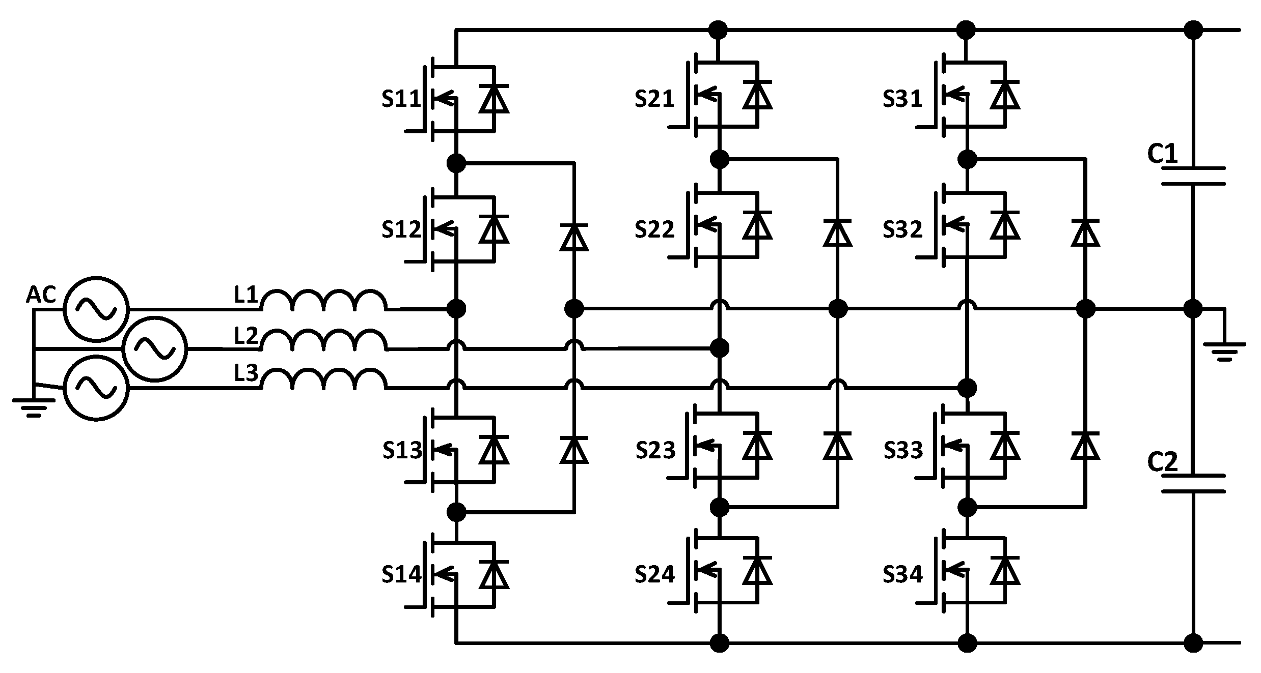
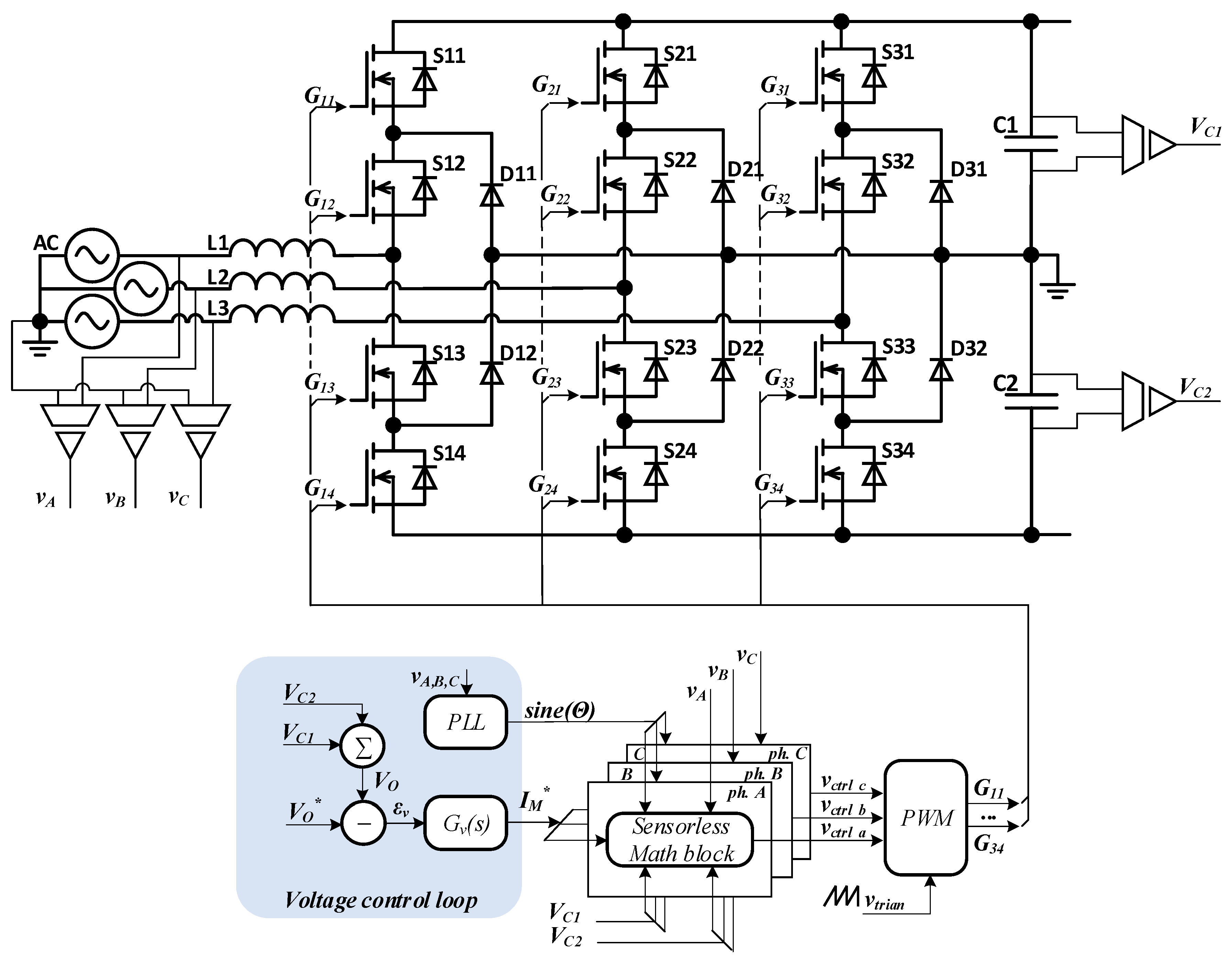
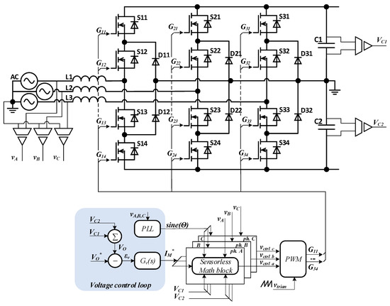
2. Methods
2.1. Switching State Table
2.2. Current Sensorless Control
2.3. Controller Design
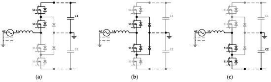
2.4. Capacitor Voltage Balancing
3. Results
3.1. Rectifier Mode
3.2. Inverter Mode
3.3. Capacitor Balancing
3.4. Step Response with Conversion Mode Change
3.5. Grid Voltage Step Response
4. Discussion and Conclusions
Author Contributions
Funding
Data Availability Statement
Conflicts of Interest
Abbreviations
| ANPC | asymmetric neutral point clamped |
| GaN | gallium nitride |
| Hi-Z | high ohmic input state |
| IGBT | Insulated Gate Bipolar Transistor |
| MOSFET | metal oxide semiconductor field effect transistor |
| MLC | multilevel converter |
| NPC | neutral point clamped |
| PELS | power electronics |
| PID | proportional integral regulator |
| PWM | pulse width modulation |
| SiC | silicon carbide |
References
- Chen, C. A Review of SiC Power Module Packaging: Layout, Material System and Integration. CPSS Trans. Power Electron. Appl. 2017, 2, 170–186. [Google Scholar] [CrossRef]
- Emon, A.I.; Mustafeez-ul-Hassan; Mirza, A.B.; Kaplun, J.; Vala, S.S.; Luo, F. A Review of High Speed GaN Power Modules: State of the Art, Challenges, and Solutions. IEEE J. Emerg. Sel. Top. Power Electron. 2022, 1. [Google Scholar] [CrossRef]
- Sidorov, V.; Chub, A.; Vinnikov, D.; Peng, F.Z. Survey of Topology Morphing Control Techniques for Performance Enhancement of Galvanically Isolated DC-DC Converters. IEEE Open J. Ind. Electron. Soc. 2022, 3, 751–777. [Google Scholar] [CrossRef]
- Yang, S.; Xiang, D.; Bryant, A.; Mawby, P.; Ran, L.; Tavner, P. Condition Monitoring for Device Reliability in Power Electronic Converters: A Review. IEEE Trans. Power Electron. 2010, 25, 2734–2752. [Google Scholar] [CrossRef]
- Gonzalez-Hernando, F.; San-Sebastian, J.; Garcia-Bediaga, A.; Arias, M.; Iannuzzo, F.; Blaabjerg, F. Online Condition Monitoring of Bond Wire Degradation in Inverter Operation. In Proceedings of the 2018 IEEE Energy Conversion Congress and Exposition (ECCE), Portland, OR, USA, 23–27 September 2018; IEEE: Piscataway, NJ, USA, 2018; pp. 4115–4121. [Google Scholar]
- Sun, P.; Gong, C.; Du, X.; Peng, Y.; Wang, B.; Zhou, L. Condition Monitoring IGBT Module Bond Wires Fatigue Using Short-Circuit Current Identification. IEEE Trans. Power Electron. 2017, 32, 3777–3786. [Google Scholar] [CrossRef]
- Kjaer, M.V.; Wang, H.; Blaabjerg, F. End-of-Life Detection of Power Electronic Converters by Exploiting an Application-Level Health Precursor. IEEE Open J. Power Electron. 2022, 3, 549–559. [Google Scholar] [CrossRef]
- Ronanki, D.; Williamson, S.S. Health Monitoring Scheme for Submodule Capacitors in Modular Multilevel Converter Utilizing Capacitor Voltage Fluctuations. In Proceedings of the IECON 2018—44th Annual Conference of the IEEE Industrial Electronics Society, Washington, DC, USA, 21–23 October 2018; IEEE: Piscataway, NJ, USA, 2018; pp. 2068–2073. [Google Scholar]
- Xiang, D.; Zheng, Y.; Li, H.; Gu, Y.; Zhao, N.; Zheng, J. Online ESR Monitoring of DC-Link Capacitor in Voltage-Source-Converter Using Damping Characteristic of Switching Ringings. IEEE Trans. Power Electron. 2021, 36, 7429–7441. [Google Scholar] [CrossRef]
- Suzdalenko, A.; Sribniya, V.; Zakis, J.; Huynh, K. Continuous Monitoring of Parasitic Elements in Boost Converter Circuit. In Proceedings of the 2021 IEEE 12th Energy Conversion Congress & Exposition—Asia (ECCE-Asia), Singapore, 24–27 May 2021; IEEE: Piscataway, NJ, USA, 2021; pp. 1829–1832. [Google Scholar]
- Chen, G.; Cheng, Q.; Wang, H.; Li, M.; Xu, C.; Deng, L. Study on bi-directional energy transfer of EV charging station on micro-grid operation. In Proceedings of the 11th World Congress on Intelligent Control and Automation, Shenyang, China, 29 June 2014–4 July 2014; IEEE: Piscataway, NJ, USA, 2014; Volume 2015, pp. 5517–5522. [Google Scholar]
- Guo, W.; Han, X.; Ren, C.; Wang, P. The control method of bidirectional AC/DC converter with unbalanced voltage in hybrid micro-grid. In Proceedings of the 2015 IEEE 10th Conference on Industrial Electronics and Applications (ICIEA), Auckland, New Zealand, 15–17 June 2015; IEEE: Piscataway, NJ, USA, 2015; pp. 381–386. [Google Scholar]
- Lv, Y.; Peng, Z.; Wang, Y. Design of A Novel 2.5kW Energy Storage Bidirectional Power Conversion System. In Proceedings of the 2021 IEEE 12th Energy Conversion Congress & Exposition—Asia (ECCE-Asia), Singapore, 24–27 May 2021; IEEE: Piscataway, NJ, USA, 2021; pp. 2022–2027. [Google Scholar]
- Vasiladiotis, M.; Christe, A.; Geyer, T. Model Predictive Pulse Pattern Control for Modular Multilevel Converters. IEEE Trans. Ind. Electron. 2019, 66, 2423–2431. [Google Scholar] [CrossRef]
- Wang, J.; Huang, J.; Liu, Z.; Liu, X.; Wang, Z. A Deadbeat Model Predictive Current Control Algorithm for Modular Multilevel Converters with Enhanced Steady-State Performance. In Proceedings of the 2021 IEEE International Conference on Predictive Control of Electrical Drives and Power Electronics (PRECEDE), Jinan, China, 20–22 November 2021; IEEE: Piscataway, NJ, USA, 2021; pp. 86–91. [Google Scholar]
- Sivakumar, S.; Natarajan, K.; Gudelewicz, R. Control of power factor correcting boost converter without instantaneous measurement of input current. IEEE Trans. Power Electron. 1995, 10, 435–445. [Google Scholar] [CrossRef]
- Chen, H.-C. Duty Phase Control for Single-Phase Boost-Type SMR. IEEE Trans. Power Electron. 2008, 23, 1927–1934. [Google Scholar] [CrossRef]
- Lopez-Martin, V.M.; Azcondo, F.J.; de Castro, A. Current error compensation for current-sensorless power factor corrector stage in continuous conduction mode. In Proceedings of the 2012 IEEE 13th Workshop on Control and Modeling for Power Electronics (COMPEL), Kyoto, Japan, 10–13 June 2012; IEEE: Piscataway, NJ, USA, 2012; Volume 23612, pp. 1–8. [Google Scholar]
- Chen, H.-C.; Liao, J.-Y. Bidirectional Current Sensorless Control for the Full-Bridge AC/DC Converter with Considering Both Inductor Resistance and Conduction Voltages. IEEE Trans. Power Electron. 2014, 29, 2071–2082. [Google Scholar] [CrossRef]
- Suzdalenko, A.; Zakis, J. Single-Loop Current Sensorless Control for Half-Bridge Based AC/DC Converter. IETE Tech. Rev. 2016, 33, 662–673. [Google Scholar] [CrossRef]
- Lu, C.Y.; Hsu, Y.W.; Chen, H.C. Design of Current Sensorless Control for Totem-Pole Boost PFC Converter. In Proceedings of the 2019 10th International Conference on Power Electronics and ECCE Asia (ICPE 2019—ECCE Asia), Busan, South Korea, 27–30 May 2019; Volume 3, pp. 986–991. [Google Scholar]
- Lopez, F.; Azcondo, F.J.; Corradini, L.; Lamo, P.; Pigazo, A. Third harmonic compensation in bridgeless current sensorless PFC. In Proceedings of the 2018 IEEE Applied Power Electronics Conference and Exposition (APEC), San Antonio, TX, USA, 4–8 March 2018; IEEE: Piscataway, NJ, USA, 2018; Volume 2018, pp. 2084–2090. [Google Scholar]
- Qi, T.Q.T.; Xing, L.X.L.; Sun, J.S.J. Dual-Boost PFC Converter Control without Input Current Sensing. In Proceedings of the 2009 Twenty-Fourth Annual IEEE Applied Power Electronics Conference and Exposition, Washington, DC, USA, 15–19 February 2009; IEEE: Piscataway, NJ, USA, 2009; pp. 1855–1861. [Google Scholar]
- Suzdalenko, A.; Zakis, J.; Steiks, I.; Chaiko, Y. Verification of current sensorless control for single-phase NPC multilevel inverter. In Proceedings of the 2015 9th International Conference on Compatibility and Power Electronics (CPE), Lisbon, Portugal, 24–26 June 2015; IEEE: Piscataway, NJ, USA, 2015; pp. 462–466. [Google Scholar]
- Suzdalenko, A.; Zakis, J.; Suskis, P.; Ribickis, L. Bidirectional single-loop current sensorless control applied to NPC multi-level converter considering conduction losses. Int. J. Power Electron. Drive Syst. 2020, 11, 1945–1957. [Google Scholar] [CrossRef]
- Pan, C.-T.; Chen, T.-C. Modelling and analysis of a three phase PWM AC—DC convertor without current sensor. IEE Proc. B Electr. Power Appl. 1993, 140, 201. [Google Scholar] [CrossRef]
- Roman-Loera, A.; Flores, L.A.; Rizo-Diaz, F.D.J.; Arambula-Miranda, L.E. Current sensorless predictive algorithm control for three-phase power factor correction. In Proceedings of the 2008 34th Annual Conference of IEEE Industrial Electronics, Orlando, FL, USA, 10–13 November 2008; IEEE: Piscataway, NJ, USA, 2008; pp. 653–658. [Google Scholar]
- Chen, H.-C.; Lu, C.-Y.; Li, G.-T. Design and Implementation of Three-Phase Current Sensorless Control for PFC Bridge Converter with Considering Voltage Drops of Power Semiconductors. IEEE Trans. Ind. Electron. 2018, 65, 9234–9242. [Google Scholar] [CrossRef]
- Santoyo-Anaya, M.A.; Rodriguez-Rodriguez, J.R.; Moreno-Goytia, E.L.; Venegas-Rebollar, V.; Salgado-Herrera, N.M. Current-Sensorless VSC-PFC Rectifier Control with Enhance Response to Dynamic and Sag Conditions Using a Single PI Loop. IEEE Trans. Power Electron. 2018, 33, 6403–6415. [Google Scholar] [CrossRef]
- Suzdalenko, A.; Zakis, J.; Husev, O. Development of single-loop current sensorless control for bidirectional three-phase PWM rectifier. In Proceedings of the 2015 56th International Scientific Conference on Power and Electrical Engineering of Riga Technical University (RTUCON), Riga, Latvia, 14 October 2015; IEEE: Piscataway, NJ, USA, 2015; Volume 1, pp. 1–4. [Google Scholar]
- Li, C.-Y.; Chao, N.-C.; Chen, H.-C. Design and Implementation of Four-Switch Current Sensorless Control for Three-Phase PFC Converter. IEEE Trans. Ind. Electron. 2020, 67, 3307–3312. [Google Scholar] [CrossRef]
- Suzdalenko, A.; Zakis, J. Study of Disturbing Factors in Current Sensorless Control Applied to NPC MLC. In Proceedings of the 2020 IEEE 14th International Conference on Compatibility, Power Electronics and Power Engineering (CPE-POWERENG), Setubal, Portugal, 8–10 July 2020; IEEE: Piscataway, NJ, USA, 2020; pp. 156–160. [Google Scholar]
- Suzdalenko, A.; Van Khang, H.; Zakis, J.; Sribniya, V. Nine-Level Active Neutral Point Clamped Converter with Cascading H-bridges Fed by Flying Capacitors. In Proceedings of the ICPES 2021, Shanghai, China, 18–20 December 2021; IEEE: Piscataway, NJ, USA, 2021; pp. 1–5. [Google Scholar]













| Power Mode | Grid Polarity | Voltage Level | Voltage Pole | PWM Output d(t) | Transistor Conduction State | Simplified Inductor Voltage | dVc1 | dVc2 | |||
|---|---|---|---|---|---|---|---|---|---|---|---|
| Sx1 | Sx2 | Sx3 | Sx4 | ||||||||
| Rectifier (IM > 0) | Positive (Va > 0) | 1 | - | - | 1 | - | VL = Va | 0 | 0 | ||
| 0 | 0 | 0 | 1 | 1 | - | - | VL = Va − VC1 | +∆ | 0 | ||
| Negative (Va > 0) | 1 | +Vdc/2 | 1 | - | 1 | - | - | VL = Va | 0 | 0 | |
| 0 | 0 | 0 | - | - | 1 | 1 | VL = Va + VC2 | 0 | +∆ | ||
| High-Z (IM = 0) | - | −1 | −Vdc/2 | - | - | - | - | - | VL = 0 | - | - |
| Inverter (IM < 0) | Positive (Va > 0) | Z | - | 1 | 1 | 1 | - | - | VL = Va − VC1 | −∆ | 0 |
| 1 | +Vdc/2 | 0 | - | 1 | - | - | VL = Va | 0 | 0 | ||
| Negative (Va > 0) | 0 | 0 | 1 | - | - | 1 | 1 | VL = Va + VC2 | 0 | −∆ | |
| −1 | +Vdc/2 | 0 | - | - | 1 | - | VL = Va | 0 | 0 | ||
| Order of Current Harmonics | Class A Limit | Phase A Current | ||
|---|---|---|---|---|
| Rectifier (4 kW) | Inverter (−4 kW) | |||
| Fundamental | - | 10.1 | 10.1 | |
| Even | 3 | 2.3 | 0.11 | 0.07 |
| 5 | 1.14 | 0.11 | 0.1 | |
| 7 | 0.77 | 0.092 | 0.082 | |
| 9 | 0.4 | 0.075 | 0.069 | |
| 11 | 0.33 | 0.056 | 0.052 | |
| 13 | 0.21 | 0.05 | 0.046 | |
| 15 ≤ h ≤ 39 | 0.15 | <0.05 | <0.04 | |
| Odd | 2 | 1.08 | 0.147 | 0.131 |
| 4 | 0.43 | 0.014 | 0.02 | |
| 6 | 0.3 | 0.031 | 0.033 | |
| 8 ≤ h ≤ 40 | 0.23 | <0.03 | <0.02 | |
Disclaimer/Publisher’s Note: The statements, opinions and data contained in all publications are solely those of the individual author(s) and contributor(s) and not of MDPI and/or the editor(s). MDPI and/or the editor(s) disclaim responsibility for any injury to people or property resulting from any ideas, methods, instructions or products referred to in the content. |
© 2023 by the authors. Licensee MDPI, Basel, Switzerland. This article is an open access article distributed under the terms and conditions of the Creative Commons Attribution (CC BY) license (https://creativecommons.org/licenses/by/4.0/).
Share and Cite
Suzdalenko, A.; Burenin, V.; Zarembo, J.; Zakis, J. Modelling of Bidirectional Three-Phase Four-Wire Three-Level NPC MLC under Single-Loop Current Sensorless Control. Energies 2023, 16, 4599. https://doi.org/10.3390/en16124599
Suzdalenko A, Burenin V, Zarembo J, Zakis J. Modelling of Bidirectional Three-Phase Four-Wire Three-Level NPC MLC under Single-Loop Current Sensorless Control. Energies. 2023; 16(12):4599. https://doi.org/10.3390/en16124599
Chicago/Turabian StyleSuzdalenko, Alexander, Vsevolod Burenin, Jaroslavs Zarembo, and Janis Zakis. 2023. "Modelling of Bidirectional Three-Phase Four-Wire Three-Level NPC MLC under Single-Loop Current Sensorless Control" Energies 16, no. 12: 4599. https://doi.org/10.3390/en16124599
APA StyleSuzdalenko, A., Burenin, V., Zarembo, J., & Zakis, J. (2023). Modelling of Bidirectional Three-Phase Four-Wire Three-Level NPC MLC under Single-Loop Current Sensorless Control. Energies, 16(12), 4599. https://doi.org/10.3390/en16124599

