Simulation Study on Heating Stability of PV/T-GSHP Automatic Control Heating System Based on TRNSYS
Abstract
1. Introduction
2. System Description
2.1. Operating Principle of the System
2.2. Automatic Control Strategy
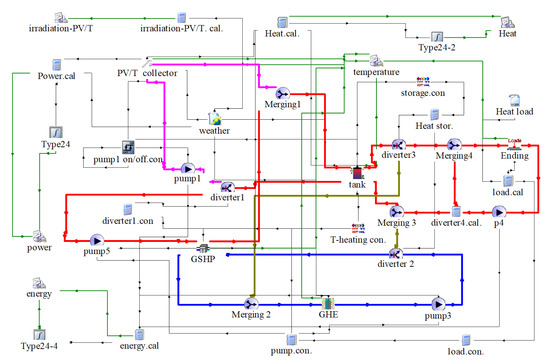
2.3. Simulation Modeling
- (1)
- In all pipelines, ignore all pipeline fluid flow thermal resistance and heat loss cases according to TRNSYS software features.
- (2)
- Ignore the physical changes due to fluid temperature changes.
- (3)
- The weather conditions should use the actual real-time data of Beijing city, but because TRNSYS uses the parameters of a typical year, this simulation system ignores this effect.
- (4)
- Water is single-phase, homogeneous, and incompressible, and its thermophysical properties do not change with temperature.
- (5)
- It is considered a constant liquid flow with a constant specific heat capacity.
2.4. Simulation Validation
3. Results and Discussion
3.1. Outdoor Meteorological Parameters
3.2. Soil Average Temperature
3.3. Automatic Control Benefits
3.3.1. Water Supply Temperature
3.3.2. Heat Supply
3.3.3. Impact of ε on COPsy
3.4. Benefits Analysis of PV/T-GSHP System
3.4.1. Energy-Saving Benefits
3.4.2. Economic Benefits
4. Conclusions
- (1)
- The PV/T-GSHP system has good stability, the typical annual water supply temperature is maintained at 45.43~50 °C, which is close to the building heating design temperature, the fluctuation range of hour-by-hour building heat supply and building heat load during the operation period is 0.01~0.17 kW, the heat supply basically meets the building heat load demand at each time, and the automatic control effect of the system is good.
- (2)
- In a typical year of the whole heating period, the data shows that the PV/T collector heat accounts for 11.54% of the total building heat supply, and the remaining 88.46% is all borne by the ground source heat pump unit. The energy efficiency of the PV/T-GSHP system is 14.5% higher than that of the GSHP system for heating operation, and the linear relationship of the effect of the ε on the COPsy is COPsy = 2.36 + 2.63ε.
- (3)
- The PV/T-GSHP system has good control of PV power generation performance, and the PV efficiency ranges from 14.24% to 20.74%. The total annual energy consumption of the system is reduced by 33.91% compared to the GSHP system operation heating due to equipment start/stop control and power generation, and the annual value of costs is reduced by 8.49% and 13.29% compared to the GSHP and traditional coal-fired boiler system, which provides some theoretical significance and reference for the larger energy consumption problem of heating in northern rural areas.
- (4)
- For the simulation class, the article needs to be verified by actual engineering at a later stage. Additionally, in future research, actual measurements of room temperature and comfort need to be conducted for better application in future projects.
Author Contributions
Funding
Data Availability Statement
Acknowledgments
Conflicts of Interest
Nomenclature
| T1–T4 | temperature value of the temperature sensor | 
| Ts | design value of heating water supply temperature | 
| M | building return water flow | 
| Mi | building return water into the mixing valve flow | 
| Mj | building return water back to the tank flow | 
| ηPV | PV efficiency | 
| ηstc | PV efficiency of PV module under standard test conditions | 
| TPV | PV panel temperature | 
| β | temperature coefficient of PV efficiency | 
| Ppower | electric power output at effective area | 
| (ατ)n | effective projected absorption product of direct radiation under normal incidence | 
| IAM | incidence angle correction factor | 
| GT | total solar radiation | 
| APV/T | PV/T collector area | 
| DJ | useful collector heat | 
| mdot | mass flow rate through the collector | 
| cp | fluid specific heat capacity | 
| Tin | collector inlet fluid temperature | 
| Q.abs | soil heat extraction | 
| Capheating | actual heat production of GSHP | 
| P.heating | actual power of the compressor of the heat pump | 
| Tload,out, Tload,in | outlet/inlet of water temperature of the load side of the GSHP | 
| m.load | water flow rate of the load side of GSHP | 
| ε | percentage of direct solar energy supply | 
| COPsy | system energy efficiency | 
| Pheating | unit compressor energy consumption | 
| Ppump | pump energy consumption | 
Appendix A

Appendix B


References
- Qu, F.T.; Lu, N.; Feng, S.Y. Impact of land use change on carbon emissions. China Popul. Resour. Environ. 2011, 21, 76–83. [Google Scholar]
- Xu, W.; Sun, D.Y.; Lu, F.; Yu, Z.; Wang, J. Research progress on the definition and index system of near-zero energy buildings. Build. Sci. 2018, 34, 1–9. [Google Scholar]
- Yi, J.; Yi, J. Academician: Preface to the Annual Development Study Report on Building Energy Efficiency in China 2020. Build. Energy Effic. 2020, 48, 166. [Google Scholar]
- Wang, J.; Zha0ng, M.L.; Xu, Y.Q. Applicability of PV/T photovoltaic solar thermal system combined with ground source heat pump. Mod. Electron. Technol. 2013, 36, 168–170. [Google Scholar]
- Dai., L.; Li, S.; DuanMu, L.; Li, X.; Shang, Y.; Dong, M. Experimental performance analysis of a solar assisted ground source heat pump system under different heating operation modes. Appl. Therm. Eng. 2015, 75, 325–333. [Google Scholar] [CrossRef]
- Du, W.; Li, S.S. Introduction to the research and development of solar-soil source heat pump. Build. Energy Effic. 2012, 40, 30–32+61. [Google Scholar]
- Zhao, X.L. Study on Dynamic Simulation and Performance of Solar Photovoltaic Photothermal Coupled Heat Pump Heating System. Master’s Thesis, North China Electric Power University, Beijing, China, 2020. [Google Scholar]
- Canelli, M.; Entchev, E.; Sasso, M.; Yang, L.; Ghorab, M. Dynamic simulations of hybrid energy systems in load sharing application. Appl. Therm. Eng. 2015, 78, 315–325. [Google Scholar] [CrossRef]
- Xu, P.; Quan, Z.H.; Zhao, Y.H.; Sun, C.; Wang, G. Experimental Study on New Solar photovoltaic Heat Pump Compound Building Energy Supply System and its Performance. Archit. Sci. 2015, 31, 99–105. [Google Scholar]
- Sommerfeldt, N.; Madani, H. In-depth techno-economic analysis of PV/Thermal plus ground source heat pump systems for multi-family houses in a heating dominated climate. Sol. Energy 2019, 190, 44–62. [Google Scholar] [CrossRef]
- Pärisch, P.; Mercker, O.; Warmuth, J.; Tepe, R.; Bertram, E.; Rockendorf, G. Investigations and model validation of a ground-coupled heat pump for the combination with solar collectors. Appl. Therm. Eng. 2014, 62, 375–381. [Google Scholar] [CrossRef]
- Niu, S. Research on Composite Ground Source Heat Pump Heating with PV/T System in New Heat Collection Structure. Master’s Thesis, North China Electric Power University, Beijing, China, 2021. [Google Scholar]
- Li, H.; Peng, X.Y.; Jia, Y. Application and simulation of photovoltaic technology in building electrical energy efficiency. Comput. Simul. 2022, 39, 96–100. [Google Scholar]
- Wang, S.Q.; He, S.J.; Ma, K.Y. Study on the operation strategy of soil source heat pump system in severe cold region. Renew. Energy 2016, 34, 900–907. [Google Scholar]
- Bertram, E.; Glembin, J.; Rockendorf, G. Unglazed PVT collectors as additional heat source in heat pump systems with borehole heat exchanger. Energy Procedia 2012, 30, 414–423. [Google Scholar] [CrossRef]
- Fine, J.P.; Nguyen, H.V.; Friedman, J.; Leong, W.H.; Dworkin, S.B. A simplified ground thermal response model for analyzing solar-assisted ground source heat pump systems. Energy Convers. Manag. 2018, 165, 276–290. [Google Scholar] [CrossRef]
- Zhang, C.X.; Xu, H.; Lu, J.H.; Liu, Y.; Peng, D. Operational characteristics of solar PV/T collector coupled soil source heat pump composite system. J. Agric. Eng. 2021, 37, 215–222. [Google Scholar]
- Emmi, G.; Zarrella, A.; De Carli, M.; Galgaro, A. An analysis of solar assisted ground source heat pumps in cold climates. Energy Convers. Manag. 2015, 106, 660–675. [Google Scholar] [CrossRef]
- Li, K.F. Simulation Study of PV/T Coupled Ground Source Heat Pump Cooling, Heating and Power Trigeneration System. Master’s Thesis, Northeastern Electric Power University, Jilin, China, 2022. [Google Scholar]
- Liu, X.P.; Lei, Y.H.; Tian, D.; Hao, X.; Liao, S. Simulation of operational performance of solar photovoltaic/photothermal-ground source heat pump combined heating system in hot summer and cold winter regions. J. Cent. South Univ. Nat. Sci. Ed. 2021, 52, 1892–1900. [Google Scholar]

















| Disclaimer/Publisher’s Note: The statements, opinions and data contained in all publications are solely those of the individual author(s) and contributor(s) and not of MDPI and/or the editor(s). MDPI and/or the editor(s) disclaim responsibility for any injury to people or property resulting from any ideas, methods, instructions or products referred to in the content. | 
© 2023 by the authors. Licensee MDPI, Basel, Switzerland. This article is an open access article distributed under the terms and conditions of the Creative Commons Attribution (CC BY) license (https://creativecommons.org/licenses/by/4.0/).
Share and Cite
Zhao, J.; Chen, J.; Liu, P. Simulation Study on Heating Stability of PV/T-GSHP Automatic Control Heating System Based on TRNSYS. Energies 2023, 16, 4341. https://doi.org/10.3390/en16114341
Zhao J, Chen J, Liu P. Simulation Study on Heating Stability of PV/T-GSHP Automatic Control Heating System Based on TRNSYS. Energies. 2023; 16(11):4341. https://doi.org/10.3390/en16114341
Chicago/Turabian StyleZhao, Jianhui, Jiamei Chen, and Panxue Liu. 2023. "Simulation Study on Heating Stability of PV/T-GSHP Automatic Control Heating System Based on TRNSYS" Energies 16, no. 11: 4341. https://doi.org/10.3390/en16114341
APA StyleZhao, J., Chen, J., & Liu, P. (2023). Simulation Study on Heating Stability of PV/T-GSHP Automatic Control Heating System Based on TRNSYS. Energies, 16(11), 4341. https://doi.org/10.3390/en16114341
 
        

