Development of a Scalable MMC Pulsed Power Supply through HIL Methodology
Abstract
1. Introduction
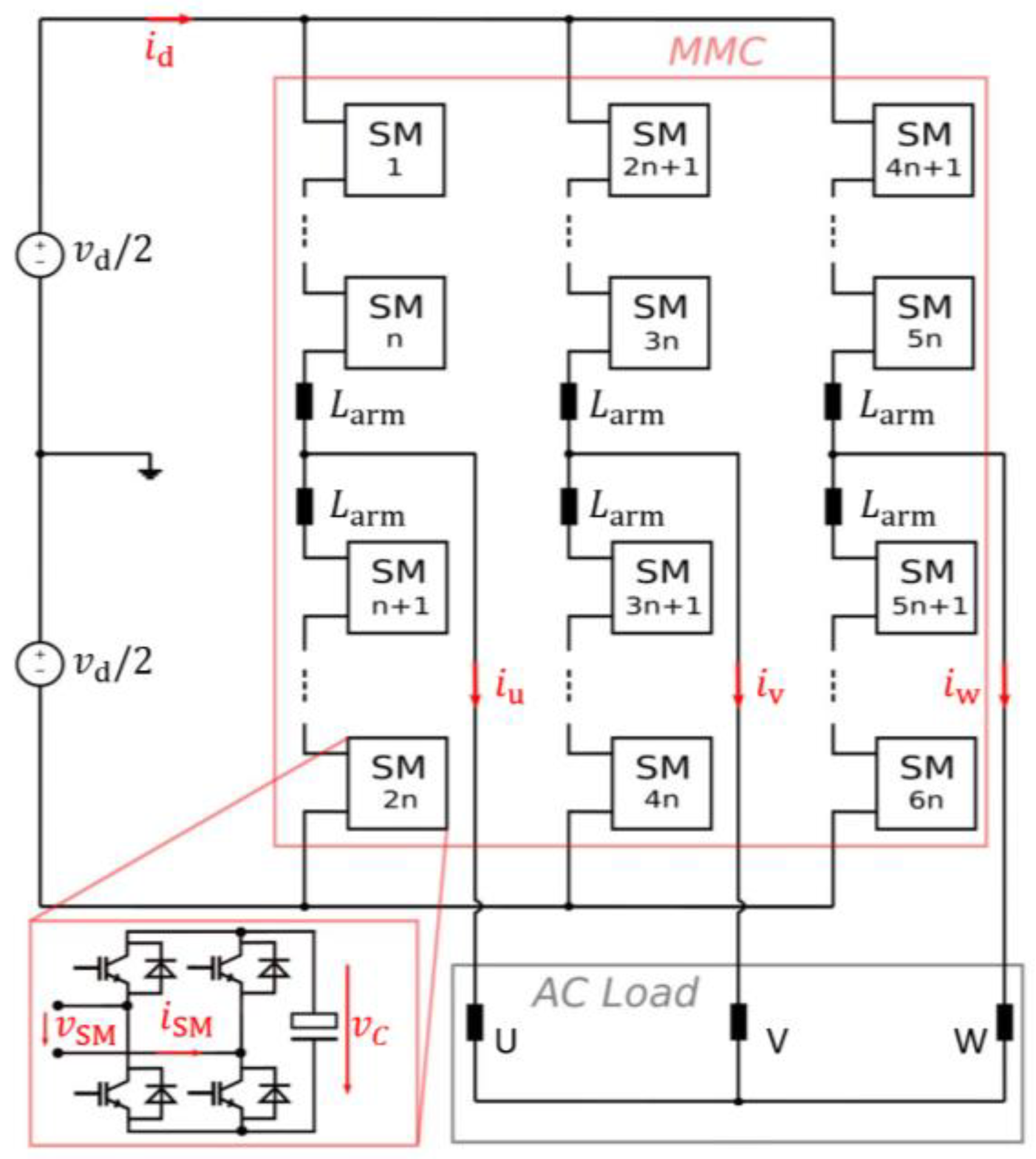
2. MMC-like Converter: Main Design Choices
3. Control Strategy
- SM enabled in direct mode (vSM = vSC);
- SM enabled in reverse mode (vSM = −vSC);
- SM by-passed (vSM = 0);
- Freewheeling mode.
- Obtaining a load current ripple lower than 0.1% of nominal current value, which means lower than 54 A for TF AUG application.
- Discharge the SCs evenly to better exploit their available stored energy.
Load Current Tracking and SC Voltage Balancing
4. Control Strategy Implementation and Test Bench
- PLC (Programmable Logic Controller): the host PC is converted into a PLC thanks to the software TwinCAT, which manages the control computations/execution, the EtherCAT protocol and the input/output (I/O) management. The I/O are, respectively, measurements from the control boards and control signals to the IGBTs [26].
- CU2508 Port Multiplier: it connects up to eight Ethernet networks and interfaces the PLC with the control boards by implementing the EtherCAT communication protocol and consequently the distributed clock method [27].
- Infineon XMC4800 Relax EtherCAT Kit with XMC EtherCAT PHY Board: relatively low-cost control board with EtherCAT communication protocol kit ready to use.
- Adapter board: hardware interface between control boards and physical system. It adapts the signal levels, both in voltage and in current, and connects the I/Os.
- Physical system: system to be tested, such as the proposed MMC-like topology, that can be real-time simulated in the case of HIL or real in the case of a prototype.
4.1. TwinCAT Implementation
- reading all the values measured by the current, voltage and temperature sensors and read by the microcontrollers;
- checking if the read values are within the set limit, in case all the IGBTs will be commanded to be turned off and the operation will be stopped.
- sorting all SMs by their SC voltage;
- sending the commands to insert or bypass each SM depending on the balancing.
4.2. Control Board
4.3. Prototype
4.4. Hardware-in-the-Loop
5. Results
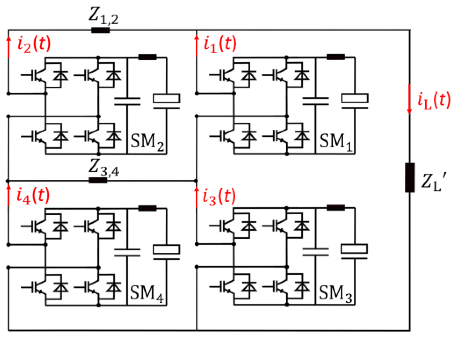
5.1. 2 × 2 MMC-like: Comparison of Test Benches (Prototype vs. Simulation vs. HIL)
- Using a discretized solver with resolution time step (Tr = 1 µs) much lower than the control discretization time step (Ts = 2 ms) to correctly study the measurements’ waveform;
- Implementing a discretized control working at computational frequency fC = 1/Ts = 500 Hz and switching frequency fsw = 50 Hz;
- Including the measurement filtering action, implemented for the variables used to compute the control signals through moving average blocks;
- Choosing a suitable SM-equivalent model.
5.2. MMC-like Scalability: HIL vs. Detailed Simulation Model Results
- Directly increasing the size of the prototype would be expensive and not completely flexible to the testing needs;
- Only the results obtained with the detailed simulation model and the HIL test facility are comparable with the prototype ones;
- The detailed simulation model can only achieve good results after specific measurements on the prototype test bench. Therefore, it is not effective if different components are to be tested.
6. Conclusions
Author Contributions
Funding
Data Availability Statement
Conflicts of Interest
References
- Dekka, A.; Wu, B.; Fuentes, R.L.; Perez, M.; Zargari, N.R. Evolution of Topologies, Modeling, Control Schemes, and Applications of Modular Multilevel Converters. IEEE J. Emerg. Sel. Top. Power Electron. 2017, 5, 1631–1656. [Google Scholar] [CrossRef]
- Rodriguez, J.; Franquelo, L.G.; Kouro, S.; Leon, J.I.; Portillo, R.C.; Prats, M.M.; Perez, M.A. Multilevel Converters: An Enabling Technology for High-Power Applications. Proc. IEEE 2009, 97, 1786–1817. [Google Scholar] [CrossRef]
- Abu-Rub, H.; Holtz, J.; Rodriguez, J.; Baoming, G. Medium-Voltage Multilevel Converters—State of the Art, Challenges, and Requirements in Industrial Applications. IEEE Trans. Ind. Electron. 2010, 57, 2581–2596. [Google Scholar] [CrossRef]
- Martinez-Rodrigo, F.; Ramirez, D.; Rey-Boue, A.B.; De Pablo, S.; Herrero-de Lucas, L.C. Modular Multilevel Converters: Control and Applications. Energies 2017, 10, 1709. [Google Scholar] [CrossRef]
- Deng, F.; Lü, Y.; Liu, C.; Heng, Q.; Yu, Q.; Zhao, J. Overview on submodule topologies, modeling, modulation, control schemes, fault diagnosis, and tolerant control strategies of modular multilevel converters. Chin. J. Electr. Eng. 2020, 6, 1–21. [Google Scholar] [CrossRef]
- Rohner, S.; Bernet, S.; Hiller, M.; Sommer, R. Modulation, Losses, and Semiconductor Requirements of Modular Multilevel Converters. IEEE Trans. Ind. Electron. 2009, 57, 2633–2642. [Google Scholar] [CrossRef]
- Käsemann, C.; Grois, E.; Stobbe, F.; Rott, M.; Klaster, K. Pulsed power supply system of the ASDEX upgrade Tokamak research facility. In Proceedings of the IEEE 15th International Conference on Environment and Electrical Engineering (EEEIC), Rome, Italy, 10–13 June 2015; pp. 237–242. [Google Scholar]
- Magnanimo, A.; Teschke, M.; Griepentrog, G. Supercapacitors-based power supply for ASDEX upgrade toroidal field coils. Fusion Eng. Des. 2021, 171, 112574. [Google Scholar] [CrossRef]
- Magnanimo, A.; Teschke, M.; Griepentrog, G. Full-Bridge Submodule Development of an MMC-Like Topology for ASDEX Upgrade Toroidal Field Coils Power Supply. IEEE Trans. Plasma Sci. 2022, 50, 2178–2184. [Google Scholar] [CrossRef]
- Terlizzi, C.; Berardi, D.; Santoro, F.; Magnanimo, A.; Teschke, M.; Bifaretti, S. Voltage balancing algorithm of a MMC-like topology for pulsed power applications. In Proceedings of the 2022 AEIT International Annual Conference (AEIT), Rome, Italy, 3–5 October 2022; pp. 1–6. [Google Scholar]
- Magnanimo, A.; Griepentrog, G.; Santoro, F.; Terlizzi, C.; Teschke, M. Development of a MMC demonstrator for nuclear fusion devices power supplies. Fusion Eng. Des. 2023, 188, 113433. [Google Scholar] [CrossRef]
- Maffia, G.; Lampasi, A.; Zito, P. A new generation of pulsed power supplies for experimental physics based on supercapacitors. In Proceedings of the IEEE 15th International Conference on Environment and Electrical Engineering (EEEIC), Rome, Italy, 10–13 June 2015; pp. 1067–1072. [Google Scholar]
- Lampasi, A.; Taddia, G.; Tenconi, S.M.; Gherdovich, F. Compact Power Supply with Integrated Energy Storage and Recovery Capabilities for Arbitrary Currents up to 2 kA. IEEE Trans. Plasma Sci. 2018, 46, 3393–3400. [Google Scholar] [CrossRef]
- Lampasi, A.; Romano, R.; Cocchi, A.; Zito, P. Poloidal Power Supply System of the Divertor Tokamak Test (DTT) Facility. In Proceedings of the 2020 IEEE 20th Mediterranean Electrotechnical Conference (MELECON), Palermo, Italy, 16–18 June 2020; pp. 634–639. [Google Scholar]
- Akagi, H. What Led to Success in Academic Research on the Family of Modular Multilevel Cascade Converters? In Proceedings of the 2018 International Power Electronics Conference (IPEC-Niigata 2018-ECCE Asia), Niigata, Japan, 20–24 May 2018; pp. 2352–2359. [Google Scholar]
- Santoro, F.; Ferro, A.; De Nardi, M.; Gaio, E. Studies on Alternative Schemes for the MMC-Based Acceleration Grid Power Supply of DEMO Neutral Beam Injector. IEEE Trans. Plasma Sci. 2022, 50, 4039–4046. [Google Scholar] [CrossRef]
- Tu, Q.; Xu, Z.; Xu, L. Reduced Switching-Frequency Modulation and Circulating Current Suppression for Modular Multilevel Converters. IEEE Trans. Power Deliv. 2011, 26, 2009–2017. [Google Scholar] [CrossRef]
- Fang, J.; Blaabjerg, F.; Liu, S.; Goetz, S.M. A Review of Multilevel Converters with Parallel Connectivity. IEEE Trans. Power Electron. 2021, 36, 12468–12489. [Google Scholar] [CrossRef]
- Sharifabadi, K.; Harnefors, L.; Nee, H.-P.; Norrga, S.; Teodorescu, R. Design, Control and Application of Modular Multilevel Converters for HVDC Transmission Systems; John Wiley & Sons Inc.: New York, NY, USA, 2016. [Google Scholar]
- Debnath, S.; Qin, J.; Bahrani, B.; Saeedifard, M.; Barbosa, P. Operation, Control, and Applications of the Modular Multilevel Converter: A Review. IEEE Trans. Power Electron. 2014, 30, 37–53. [Google Scholar] [CrossRef]
- Marzo, I.; Sanchez-Ruiz, A.; Barrena, J.A.; Abad, G.; Muguruza, I. Power Balancing in Cascaded H-Bridge and Modular Multilevel Converters Under Unbalanced Operation: A Review. IEEE Access 2021, 9, 110525–110543. [Google Scholar] [CrossRef]
- Marquardt, R. Modular Multilevel Converters: State of the Art and Future Progress. IEEE Power Electron. Mag. 2018, 5, 24–31. [Google Scholar] [CrossRef]
- Nguyen, V.Q.; Jeon, J.W. EtherCAT network latency analysis. In Proceedings of the 2016 International Conference on Computing, Communication and Automation (ICCCA), Greater Noida, India, 29–30 April 2016; pp. 432–436. [Google Scholar]
- Cena, G.; Bertolotti, I.C.; Scanzio, S.; Valenzano, A.; Zunino, C. Evaluation of EtherCAT Distributed Clock Performance. IEEE Trans. Ind. Inform. 2011, 8, 20–29. [Google Scholar] [CrossRef]
- Correa, T.P.; Almeida, L. DiSortNet: A Network Protocol with Distributed Sorting for Modular Multilevel Converters. IEEE Open J. Ind. Electron. Soc. 2022, 3, 223–235. [Google Scholar] [CrossRef]
- EtherCAT: PLC and Motion Control Software TwinCAT. Available online: https://www.ethercat.org/en/products/EE89D3E40659427C8D3458706B14AC57.htm (accessed on 24 February 2023).
- BECKHOFF: CU2508. Available online: https://www.beckhoff.com/it-it/products/i-o/infrastructure-components/cuxxxx-ethernet-port-multiplier/cu2508.html (accessed on 24 February 2023).
- EtherCAT: Product Guide. Available online: https://www.ethercat.org/en/products.html (accessed on 7 March 2023).
- Pejovic, P.; Maksimovic, D. A method for fast time-domain simulation of networks with switches. IEEE Trans. Power Electron. 1994, 9, 449–456. [Google Scholar] [CrossRef]
- Terlizzi, C.; Bifaretti, S.; Lampasi, A. Current Sharing Control Strategy for parallel-connected H-Bridges DC-DC Converter: Modelling, Analysis and HIL test. In Proceedings of the 2021 IEEE Energy Conversion Congress and Exposition (ECCE), Vancouver, BC, Canada, 10–14 October 2021; pp. 2777–2783. [Google Scholar]
























| Parameter | Meaning | Value |
|---|---|---|
| Capacitance of SC | ||
| Parasitic equivalent series resistance (ESR) of SC | ||
| Parasitic equivalent series inductance (ESL) of SC | ||
| ESL of filter film capacitor | ||
| ESR of filter film capacitor | ||
| Capacitance of film capacitor | ||
| Filter resistance | ||
| Filter inductance | ||
| ESR of filter electrolytic capacitor | ||
| ESL of filter electrolytic capacitor | ||
| Capacitance of filter electrolytic capacitor |
Disclaimer/Publisher’s Note: The statements, opinions and data contained in all publications are solely those of the individual author(s) and contributor(s) and not of MDPI and/or the editor(s). MDPI and/or the editor(s) disclaim responsibility for any injury to people or property resulting from any ideas, methods, instructions or products referred to in the content. |
© 2023 by the authors. Licensee MDPI, Basel, Switzerland. This article is an open access article distributed under the terms and conditions of the Creative Commons Attribution (CC BY) license (https://creativecommons.org/licenses/by/4.0/).
Share and Cite
Terlizzi, C.; Magnanimo, A.; Santoro, F.; Bifaretti, S. Development of a Scalable MMC Pulsed Power Supply through HIL Methodology. Energies 2023, 16, 4106. https://doi.org/10.3390/en16104106
Terlizzi C, Magnanimo A, Santoro F, Bifaretti S. Development of a Scalable MMC Pulsed Power Supply through HIL Methodology. Energies. 2023; 16(10):4106. https://doi.org/10.3390/en16104106
Chicago/Turabian StyleTerlizzi, Cristina, Antonio Magnanimo, Francesco Santoro, and Stefano Bifaretti. 2023. "Development of a Scalable MMC Pulsed Power Supply through HIL Methodology" Energies 16, no. 10: 4106. https://doi.org/10.3390/en16104106
APA StyleTerlizzi, C., Magnanimo, A., Santoro, F., & Bifaretti, S. (2023). Development of a Scalable MMC Pulsed Power Supply through HIL Methodology. Energies, 16(10), 4106. https://doi.org/10.3390/en16104106

