You are currently viewing a new version of our website. To view the old version click .
Energies
  • Review
  • Open Access

21 December 2022

Review on Solar Photovoltaic-Powered Pumping Systems

,
and
Power Systems Group, Catalonia Institute for Energy Research (IREC), 08930 Barcelona, Spain
*
Author to whom correspondence should be addressed.
This article belongs to the Special Issue Grid and Photovoltaic Powered Pumping Systems

Abstract

Water and energy are becoming more and more important in agriculture, urban areas and for the growing population worldwide, particularly in developing countries. To provide access to water it is necessary to use appropriate pumping systems and supply them with enough energy for operation. Pumps powered by solar photovoltaic energy are complex electromechanical systems that include hydraulic equipment, electrical machines, sensors, power converters, and control units. Therefore, solar photovoltaic pumping systems are associated with various fields of science and engineering. In remote, less-populated areas without electricity, where it is either challenging to connect to the grid or it is not possible, solar photovoltaic water pumping systems can play a significant role. To see whether solar photovoltaic pumping systems may be a practical, viable, and affordable method of pumping water it is necessary to study different aspects of their operation. The goal of this current article is to evaluate and outline recent research and advancement in the field of solar photovoltaic pumping systems. The major focus is on the standalone photovoltaic pumping system’s components, factors that affect system efficiency, performance evaluation, system optimization, and the potential for integration with modern control techniques. The main objective of this article is to give a broader overview of solar photovoltaic technologies for researchers, engineers, and decision-makers.

1. Introduction

Pumping systems are crucial in a variety of industries, including the production of oil, chemicals, agriculture, sanitation, wastewater treatment, and in water supply. They account for approximately 20% of electricity consumption for water treatment [1]. Water resources are becoming crucial for meeting the needs of our society [2]. Due to the high cost of diesel and the unavailability of energy in some rural regions, they are especially crucial for irrigation and communal water supplies. Natural water supplies are essential for the community, the ecosystem, and the production of food [3].
The majority of the world’s water pumping is powered by traditional electricity or fossil-fuel-generated electricity. Solar water pumping (SWP) reduces the need for electricity generated by coal, gas, or diesel [4]. The usage of traditionally powered fossil-fuel-based pumping systems causes air pollution and environmental damage in addition to fuel consumption. Compared to a photovoltaic (PV) powered pump, the price, cost of operation, maintenance, and replacement are all greater. Therefore, solar photovoltaic water pumping systems are one of the sustainable development strategies in the water production and water treatment fields [5].
One of the highly effective and sustainable methods of resolving the world’s energy and environmental crises is the use of photovoltaic cell systems, which directly transform solar energy into electric energy through the photovoltaic effect. To achieve the goal of ensuring energy, water, and environmental security it is necessary to use this green energy technology for water pumping. Given that water is the primary factor in agricultural productivity and that green, inexpensive water pumping systems are crucial, the use of solar energy in conjunction with water pumps might have a significant impact [6].
The price of conventional fossil fuel and its effects on the environment, which result in an increase in carbon dioxide and pollution emissions, are significant factors for pump operation. Pumps powered by photovoltaic panels are more environmentally friendly, require less maintenance, and use no fuel. One of the most significant and promising uses of photovoltaic systems in urban and rural areas are solar water pumping plants (SWPP). The increasing effectiveness of solar water pumping plants today is mainly due to the improvement of their output characteristics (thanks to the more sophisticated designs, materials, and manufacturing technology of photovoltaic modules and photovoltaic cells).
Due to the ongoing depletion of oil supplies, the unequal distribution of fossil fuels, and the rising cost of electricity, which is a key problem for developing nations in Asia and Africa, the need for solar PV energy to power water pump increases is constantly increasing. Another driving force of SWPP’s significance is that, due to policies and programs aimed at reducing climate change, solar energy is quickly gaining importance. Among the advantages of photovoltaic systems is that there are no moving mechanical parts, while at the same time photovoltaic systems are modular and have low operating costs. The lifespan of a PV module is relatively lengthy, and the balance of system (BOS) maintenance is minimal [7]. However, there are some drawbacks for photovoltaic systems including the relatively low solar-to-electric power conversion efficiency, a high initial investment cost, and non-linear voltage–current (V–I) characteristics.
Lowering the pay-back period in terms of better performance and efficiency as well as reducing the number of components to lower overall cost are the main areas of interest in the field of SWPP. Being economically competitive with a diesel generator and grid-connected water pumping systems is one of the major factors that can ensure growth in the popularity of photovoltaic pumping systems, especially in rural areas. The photovoltaic pumping system should be properly designed and the appropriate equipment chosen to meet the requirements of economical practicability. Water pumping systems that utilize renewable energy are typically equipped with power electronic drives. By integrating energy storage units, gaining maximum power point tracking (MPPT) for solar energy, boosting the efficiency of the motors with variable-speed operation, dispatching capabilities with energy storage units, etc., greater flexibility, reliability, and efficiency of operation are, therefore, ensured.
Although the use of renewable energy sources dates back to ancient times, scientific research did not begin on them until the middle of the 19th century. In [8], the author examined the research conducted by several scientists on using solar energy to pump water. The Soviet Union claimed the first solar photovoltaic water pump case in 1964. In scientific works conducted by pioneers in this field such as Lidorenko, Tarnizhevsky, and Rodichev, the main principles of solar photovoltaic pumping systems were presented [9,10,11]. The authors proposed several options for powering a motor-pump with a PV array. These options were examined for different scenarios, including those with or without the use of a buffer battery of any size. The research was conducted while examining the average daily power consumption of the pump’s electrical motor during a daily 9 h PV array generation period. Although the water pumping systems’ operational head and flow rates were quite modest at that time, these tests ultimately demonstrated key development milestones for future solar-powered water pumping systems. In Mead, Nebraska, one of the earliest industry-scale solar photovoltaic pumping systems was built in 1977 [12].
A thorough analysis of the scientific literature on solar pumping is provided in the current work. It can serve as a reference book for the initial selection of photovoltaic pump equipment, taking into account the advantages and disadvantages of various system configurations. In addition, it attempts to cover the latest statuses and characteristics of many SWPPs.
This article is separated into the following parts. The following three sections account for the theoretical background, components, topology, and factors influencing the performance of the photovoltaic pumping systems. Here, the mathematical models, the structure of the SWPP, and the impact of the components on the performance are presented. Then, the simulation and control strategies of photovoltaic pumps and their subsystems are explained. In the final part, several aspects of optimization for the SWPPs are analyzed.

2. Models of a Photovoltaic Pump

Using an electric motor-pump set with a photovoltaic option, solar energy is converted from solar to electric and used to pump water. Thus, the solar energy is finally converted into the hydraulic energy of the pumped liquid for agricultural or industrial needs. The PV array, power converter unit, battery storage, and motor-pump set are the main components that are included in a photovoltaic pumping system. Induction or alternative current (AC) motors with a centrifugal pump and direct current (DC) motors with a positive displacement pump are the two most widely used motor-pump sets in photovoltaic pump applications. For these motor-pump sets, a power converter unit must have a DC/AC inverter or a DC/DC converter, as well as a maximum power point tracking and battery storage unit. The basic solar water pumping system’s structure is shown in Figure 1.
Figure 1. The general structure of the pumping system.
To achieve the minimal voltage and power needs of an electric drive, the PV modules must be connected in series and parallel. A photovoltaic water pump’s capacity is influenced by the connected network’s main hydraulic parameters such as head and flow (H-Q). The static head, or Hs, of a pump is the altitude difference between its input and output and is determined by the equation:
Z 1 Z 2 = H s ,
The source of the water may be a pond, spring, river, or man-made lake. The primary requirement is that the selected pump must work with the liquid being pumped.
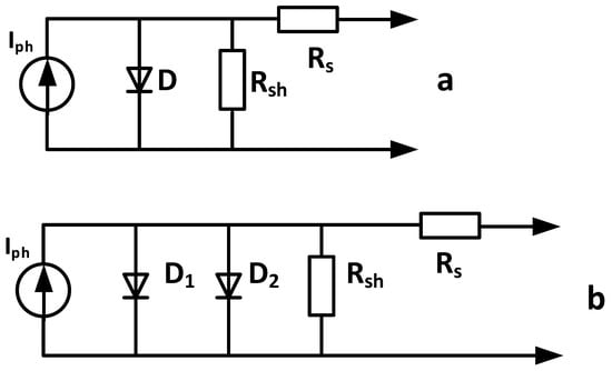
A solar pump’s photovoltaic module is made up of a number of photovoltaic cells that are combined in series and parallel. With regards to model PV cells, there are basically two main types of model. One diode is used in the first model. In addition, two diodes are used in the second one, as shown in Figure 2. In [13] the authors proposed a simplified equivalent circuit, depicted in Figure 2b, that only contains a few diodes, one current generator, and two resistors to account for the dissipative effects. The authors presented a condensed equivalent circuit, with just two diodes, one current generator, and two resistors that account for the energy-loss effects as well as the presence of any constructive flaws.
Figure 2. The general single (a) and two diode (b) equivalent circuits for a PV cell.
As demonstrated in the above-shown equivalent circuit of a PV cell, the single-diode model can be used as a current source [14]. This model is described in detail by authors in [15,16,17]. It has nonlinear electrical properties that could alter depending on the module’s temperature and solar radiation. In [15] the authors address the research of a photovoltaic cell’s electrical behavior by calculating several parameters, resolving an equations system, and modifying and simulating the conventional model. The authors claim that, in comparison to experimental results, their model enables them to obtain a series of I–V curves that account for environmental variability with errors of less than 1%.
The output current–voltage characteristics of a particular PV cell for a single diode model are represented by the equation:
I o = I p h × n p I d × n p ( e ( q ( V o + R s I o ) a k T n s ) 1 ) n p × ( V o + R s I o n s R s h ) ,
where:
  • Io—is the output current, A
  • Iph—is the light generated current, A
  • Id—is the diode reverse saturation current, A
  • q—is electron charge, 1.602 × 10−19 C
  • a—is the ideality factor
  • k—is the Boltzmann constant, 1.381 × 10−23 J/K
  • Vo—is the output voltage, V
  • T—is the temperature, K
  • Rs—is the series resistance, Ω
  • Rsh—is the shunt resistance, Ω
  • ns—is the number of cells connected in series,
  • np—is the number of cells connected in parallel.
The light-generated current Iph is dependent on solar radiation and Io is influenced by cell temperature, while ns, np, Rs, and Rsh are constant according to the conventional method. The light-generated current Iph rises as a result of the illumination of the semiconductor junction, which shifts the current–voltage (I–V) curve vertically to translate a quantity that is almost exclusively linked to the density of the solar energy falling on the surface of a photovoltaic module.
Various approaches to a pump model are described in the literature [18,19]. Most studies are focused on an empirical pump model based on experimental data or data provided by the manufacturer. Based on the examined publications, in order to establish a direct relationship between the electric output power of the photovoltaic unit, liquid flow rate, and the pumping head, some of the analytical models are used.
The main hydraulic characteristics of a pumping unit are head H and flow Q [20,21]. The mechanical energy of the rotation from an electrical machine is transferred to a pump and converted into the hydraulic energy of the liquid. The hydraulic characteristics of a centrifugal pumping system can be presented in the form of a polynomial function by the following equation:
H ( Q ) = H 0 C 1 Q C 2 Q 2 ,
where:
  • H—is total hydraulic head, m
  • H0—is a shutoff head, m
  • C1, C2—are the head friction factors
  • Q—is the liquid flowrate, m3/s.
The graphical representation of the head-to-flow function is the so-called performance curve of a pump. In contrast to the analytical approach, other researchers employed a graphical representation of the performance characteristics from the manufacturer’s datasheet or the application of affinity laws to calculate the pump parameters for various speed values, as shown by the following equations [22]:
Q 1 Q 2 = n 1 n 2 , H 1 H 2 = ( n 1 n 2 ) 2 , P 1 P 2 = ( n 1 n 2 ) 3 ,
where:
  • P—is mechanical power, W
  • n—rotational speed, rpm.
Based on the data in the datasheet, the pump affinity laws are used to determine how well a centrifugal pump performs when operated at various rotational speeds. In addition to these methods based on analytical calculation, and data provided by the manufacturer, some specific approaches to modeling pumping systems can also be found in the literature. In [23,24,25] authors suggested a centrifugal pump hardware-in-the-loop (HIL) model. The motor-pump and pipeline imitators designed for the HIL simulator are constructed using variable-speed drives (VSD) and connected to a programmable logic controller (PLC) and Profibus communication equipment. A number of experiments were run on the developed system to better understand its advantages and disadvantages, and the results showed that the system was flexible and accurate in simulating processes that take place in both static and dynamic modes of centrifugal pump operation.
Centrifugal pumps that are widely used in solar photovoltaic pumping systems belong to the family of rotodynamic types of pumps. The output pump power, electrical supply power Psup, and the efficiency of the pump—which is an electromechanical system—are its defining characteristics. The following equations can be used to simulate the centrifugal pumps’ hydraulic performance and the efficiency of the SPWPP [26]:
P h y d = H Q ρ g ,
where:
  • ρ—liquid density, kg/m3
  • g—is acceleration due to gravity, 9.8 m/s2.
The supply power of the solar photovoltaic pumping system is given by the equation:
P sup = I o V o ,
In [27] the authors propose a simulation methodology for estimating the solar water pumping system’s efficiency. It looks into the viability of calculating efficiency for the specific centrifugal pumping system using a solar photovoltaic power source. The proposed approach enables a preliminary performance study in addition to an efficiency estimation for a specific photovoltaic water pumping system during the design phase of a real solar-powered pumping system. The single-drive centrifugal pump’s model-based calculation method and other required components are described in that paper. The model that was developed includes a simulation of photovoltaic arrays from the company SunPower SPR-E20-435-COM, Figure 3. The six-pulse voltage inverter, which powers the induction motor (IM), is connected to the solar power source. The five panels are linked in parallel and the six are in series to generate the appropriate output power.
Figure 3. The simulation of characteristics for PV array in [27].
The authors show that it is necessary to calculate the overall efficiency of the system and consider all the parts according to the following equations:
efficiency of the PV array:
η p h = I o V o G A n s n p ,
efficiency of the electric drive:
η E D = P s h a f t P sup = P s h a f t I o V o ,
efficiency of the pump:
η h y d = ρ g H Q P s h a f t ,
where:
  • G—is solar irradiance, W/m2
  • A—is the PV array’s surface, m2
  • Pshaft—is the mechanical power on the shaft, W
  • Io—is the output current of the PV array, A
  • Pshaft—is the mechanical power on the shaft, W.
The following equation can be used to express the photovoltaic pumping system’s cumulative efficiency:
η t o t a l = η p h × η E D × η h y d ,
Since the ambient temperature and amount of sunlight in most of the models are considered to stay constant. A first essential part to estimate is the efficiency of the PV array. Next, the efficiency of the electric drive should be evaluated, and last but not least, the efficiency of the centrifugal pump itself should be taken into consideration.
Based on the abovementioned estimations it is possible to design the SWWP by taking into account the power and energy consumption requirements for typical photovoltaic pumping systems, Table 1.
Table 1. Typical nominal power of solar-powered DC borehole pumps [28].

3. Electrical Machines for Photovoltaic Pumps

The electrical machines are an important part of the equipment of the photovoltaic pumping subsystem. Electrical machines are devices that convert electrical energy into the mechanical energy of a rotating shaft. There are two primary types of motors utilized in photovoltaic pumping systems: induction motors and direct current motors (DC). The classification of these motors is shown in Figure 4.
Figure 4. Main types of electrical machines for photovoltaic pump applications.
The simplest regulation is possible with a low-power DC machine, and no complicated power converters are needed because it is possible in some cases to connect it directly to the PV array. One of the earliest investigations of DC motors for water pumping applications is described by the author in [29]. DC machines are getting larger and more expensive for high powers because they need commutating poles and compensation windings. The commutator and its brushes, which reduce reliability and raise maintenance costs, are another drawback, especially when operating in a humid environment close to the mechanical pump. The rotor of the direct current machine experiences the majority of losses. Therefore, it needs a complicated cooling system at high power that limits the overload capacity.
Along with the direct current machines, induction machines with squirrel cage rotors are among the most technologically advanced machines; they provide more power and more efficiency than DC machines [30]. Copper losses are the main type of losses in induction machines. The copper losses are decreased as a result of the lower magnetization current in the area of field weakening, and as a result, the induction machine offers a wide speed range in addition to a relatively high efficiency at high speeds. After the rapid growth of power semiconductor technologies, AC motors began to outweigh DC motors in relevance for pumping applications. The appropriate electrical machine should be chosen depending on the system’s size, cost, power input, availability, and maintenance status. Some of the advantages and disadvantages of both types of electrical machines are presented in Table 2 and Table 3.
Table 2. Advantages and disadvantages of DC machines.
Table 3. Advantages and disadvantages of AC machines.
Different topologies including both AC and DC machines are described in the literature related to solar photovoltaic pumping systems. For instance, in [31] the authors propose a pumping system based on an induction motor for processing the water from a well in the desert. The mathematical model was developed to allow a computer simulation assessment of the system performance. The model of the induction motor is based on Thevenin’s theorem. A model enables the representation of the flow rate and system efficiency in relation to the supply frequency and pumping head as well as the motor torque in relation to speed at various supply frequencies. In [32] the authors suggest how to implement an optimized operation of a photovoltaic pumping system supplied with an induction motor. The optimization variable is the quantity of pumped water and to achieve the maximum daily output the efficiency of the motor-driven system is optimized at each operating point. Table 4 contains some of the research results regarding the implementation of various motor drives for SWPPs and conventional grid-connected pumps.
Table 4. Application of different electrical machines in solar- and grid-powered pumping systems.
In [36] authors have demonstrated the developed and tested the brushless direct current (BLDC) motor-driven water pumping system based on a single-stage solar photovoltaic generation. Thanks to the suggested system’s design, water pumping powered by photovoltaic-fed brushless DC motors can be accomplished without the use of a DC–DC converter. In [37] authors examined the DC motors attached to the pump and showed how the characteristics of the DC motors and the pump alter under various environmental conditions. In [38] authors examined the dynamic performance of a typical photovoltaic-powered water pumping system. A photovoltaic array, a DC shunt motor, and a centrifugal pump make up the system. The system’s mathematical models in both steady-state and dynamic conditions are considered. In [39,40,41] authors mainly focus on the implementation and investigation of solar photovoltaic pumping systems based on three-phase squirrel cage induction motors. Another analysis regarding the application of DC and AC electrical machines in SWPP is conducted [42].
It cannot be stated unambiguously that a particular type of electrical machine is the most preferable for a photovoltaic pumping system. The process of electric motor selection depends on the specific requirements of an application. For instance, in the case of a borehole sometimes it is even not possible to choose an electric motor separately. In most cases, the submersible borehole pumps are centrifugal pumps with a squirrel cage induction motor, which is usually installed in the same casing by the manufacturer. The brushed permanent magnet DC motors are preferable when the SWPP is supplied directly from a photovoltaic array and does not need extra energy conversion stages. These types of electrical machines are usually used for applications when the power does not exceed approximately the level of 5 kW.
Brushless DC motors are less used in photovoltaic pumping systems despite the fact that they have high efficiency, a high power factor, and relatively high power density. Among the reasons why BLDC motors are not common in photovoltaic pumping applications is that they need advanced control algorithms and in most cases sensors for a feedback control loop.
Permanent magnet synchronous electrical machines in addition to high efficiency and a high power factor also offer reduced torque ripple. Thus, making these types of electrical machines quite attractive for use in photovoltaic water pumping applications. In particular, the good results for these machines can be achieved with the help of modern control techniques such as fuzzy control and sliding mode control. Another promising type of electrical machine for SWPPs is the SynRM. As was shown by authors in [34], the application of a synchronous reluctance machine for a pumping system can lead to significant efficiency gain, which is very important in the case of a photovoltaic pump system when the power flow is quite limited and depends on climatic conditions. Therefore, the development of simplified control systems for SynRM can help to make these electrical machines more affordable for photovoltaic pumping systems.

4. Power Converters and Control Systems for SWPPs

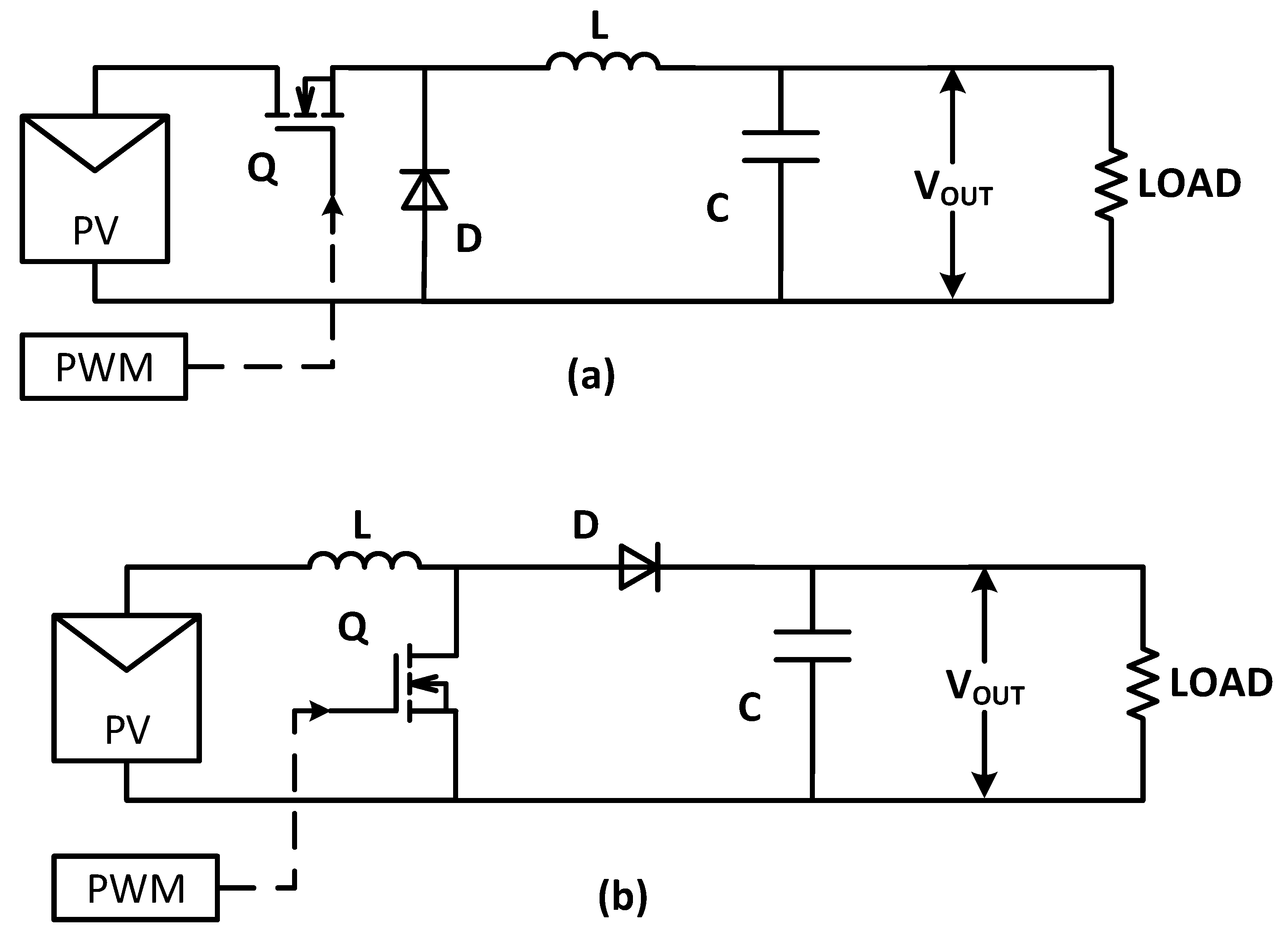
Because of the changing insolation, photovoltaic cells produce a large voltage variation. In this approach, a special type of power converter, so-called DC–DC converters, might be used to better utilize the energy produced by the solar panels. The DC–DC converters, out of all power converters, are now one of the most crucial electrical circuits for photovoltaic applications since they allow for power regulation and output voltage stabilization regardless of input voltage variation and output load conditions in the range of some minimal and maximal values. The converters must be able to handle a high voltage gain. Two types of conventional DC–DC converters are shown in Figure 5a,b supplied from a PV array. Various types of such converters have been proposed in the literature [43,44,45,46].
Figure 5. The general topology of buck (a) and boost (b) PV fed converters.
Both of the topologies consist of similar elements including L inductance, C capacitance, D diode, and switching transistor Q. The duty cycle d values calculated by the maximum power point tracking (MPPT) controller are used to generate the pulse-width modulation (PWM) signal that is connected to the gate of the transistor, which in most cases is a metal-oxide-semiconductor field-effect transistor (MOSFET).
The MPPT technology allows for the harnessing of more electricity from the photovoltaic array, thus increasing the pumping capabilities of the SWPP. Analog and digital MPPT controllers are the two main categories that can be distinguished based on the hardware version. The output voltage of the converter is compared with the control signal’s reference voltage in analog controllers, and the mismatch signal is then processed by a conventional control system based on a proportional-integral (PI) controller. The application of the MPPT controller in a general form for solar photovoltaic pumping systems is shown in Figure 6.
Figure 6. The general block diagram of SWPP with MPPT controller.
In [47] authors classified conventional and modern MPPT algorithms and methods including look-up-tables, fractional open-circuit voltages, and fractional short-circuit currents. This review has covered the developed MPPT’s efficiency calculation process, too. In order to successfully monitor the maximum power point under stochastic environmental conditions, an approach based on the intersection point determination method (IPDM) is proposed in [48]. The authors propose an iterative process that begins by creating a rectangle by drawing straight lines perpendicular to the voltage and current axes of the I–V curve. Next, it determines where the diagonals of the rectangle intersect. In [49] a novel sliding mode controller (SMC)-based framework for the MPPT algorithm that is applicable to photovoltaic panels under partial shading conditions (PSC) and uniform conditions is described. To determine the desired values for the controller’s parameters using the variable-step-size perturb-and-observe method, this approach uses the modified shuffled frog leaping algorithm (MSFLA). Some examples of MPPT strategy implementations are shown in Table 5.
Table 5. Application of different MPPT methods for pumping systems.
The following table helps to understand the advantages and disadvantages of different MPPT methods, Table 6.
Table 6. Advantages and disadvantages of MPPT techniques.
Several papers have already covered the selection and control of the motor that is important for solar water pumping systems. An appropriate motor control technique might reduce the size of the PV array that is required to reach the specified energy usage, and hence, decrease the overall cost of the photovoltaic pumping system. In [57] the authors proposed a method of efficiency comparison for conventional valve control and motor speed control. The single-drive centrifugal pump head and pressure control were calculated using a proposed Matlab/Simulink model. The characteristics of the centrifugal pump were expressed in the form of a look-up table and then used for calculations. The proposed model’s ability to forecast the energy efficiency of a centrifugal pumping system at various working points during pressure regulation using either throttling or speed control depending on the necessary pressure level and pipeline resistance is one of its advantages.
There are two main control techniques for the IM in photovoltaic pumping systems. The first one is scalar control and the other one is vector control. In [58] authors proposed the use of direct torque control (DTC) for a developed hybrid control algorithm for pressure maintenance, Figure 7. The programmable logic controller is applied to operate the DTC-based control system according to the proposed hybrid algorithm.
Figure 7. The DTC control of IM in pumping applications.
The twelve-sector DTC control technique is described in [59]. An enhanced conventional direct torque control is suggested in this work. The system can be controlled using a switching table with 12 sectors as part of the proposed control. Consequently, a twelve-sector developed look-up switching table is introduced. Additionally, a technique for loss minimization based on an approach is developed in order to improve the efficiency of photovoltaic systems. In [60] the authors propose a DTC technique that calculates the vector terminal voltage (VS) module based on the estimated electromagnetic torque value in comparison to the baseline. If the torque approaches its reference value, the VS module steadily drops until it reaches zero. The electromagnetic torque error and stator flux error together determine the angle of the vector VS. Finally, the vector VS is produced using the modulation vector.
A more simple control strategy for induction motors is scalar control, sometimes also known as voltage–frequency (v/f) control. In [61] a novel scalar technique for independent control of the main winding and auxiliary winding of a single-phase induction motor is proposed. A two-inverter topology is proposed and implemented in the voltage–frequency control technique. The proposed method totally excludes the disadvantages of using a capacitor attached to the auxiliary winding. The technique enhances overall drive performance in terms of energy savings and torque profile throughout the whole speed range.
In [62] authors propose Field-Oriented Control (FOC) by adjusting a magnetizing current (Id) and a torque-producing current (Iq) in an equal ratio, to maintain a constant ratio of the currents, Figure 8. The experimental investigations support the idea that Id and Iq should be kept at a constant ratio for maximum efficiency in the water pumping system powered by photovoltaic arrays.
Figure 8. The FOC of IM in pumping application.
Table 7 shows some major results related to the implementation of various electrical drive control techniques.
Table 7. Application of different drive control methods for SWPPs.

5. Optimization Techniques for SWPPs

It is crucial to improve the solar photovoltaic pumping system’s performance and reduce losses in order to identify the system’s ideal characteristics. To optimize a system, one should design and manufacture it to be as productive as possible. Below, some optimization strategies are presented by several researchers. Among the optimization techniques the main ones are sizing, control optimization, and performance prediction, Figure 9.
Figure 9. The main optimization techniques for solar-powered water pumping plants.
In [66] the researchers present the optimization technique for the motor starting and operating performance of a three-phase induction motor driving a centrifugal water pump and fed from a photovoltaic array without storage components. The direct current from the photovoltaic module is converted using a three-level three-phase inverter to a variable voltage and frequency to power the squirrel cage induction motor. Using a Teaching–Learning-Based Optimization (TLBO) algorithm, the inverter’s output voltage and frequency are controlled to draw the maximum power from the solar panels while operating at various levels of irradiance and temperatures while at the same time keeping the motor losses at a low level. The design of an artificial neural network (ANN) allows for maximum photovoltaic output under any conditions of temperature and solar radiation. After training using data generated by the TLBO approach, this maximum photovoltaic power is used as an input signal for another ANN to provide the ideal inverter voltage and frequency.
A sophisticated approach to enhance a four-module Reconfigurable PV array (RPV)-based water pumping system’s performance is proposed in [67]. Based on the irradiance received by the photovoltaic array, the pumping head, and the Partial Shade Condition (PSC), the four-module photovoltaic array’s configuration changes. Under low irradiance conditions, the pump is operated by the modified PV module, which also increases output power. This study suggests a straightforward algorithm and control circuit for the RPV pumping system’s smooth and reliable functioning.
The proposed techno-economic model underwent multi-objective optimization (MOO), which took dependability into account in terms of loss-of-load probability (LLP) and life-cycle cost (LCC) in [68]. The tilt angle, installed and unutilized photovoltaic power, water tank volume, and surplus water were all taken into account when sizing the solar photovoltaic pumping system. The novelty of the proposed approach lies in the possibility to simulate the suggested SWPP model by application of a particle swarm optimization (PSO) technique and the integration of the new python package PV pumping system. The authors also conducted sensitivity analysis, taking into account tank amount, PV capacity, and system performance. As a result of the research project, an optimization of a multi-objective model was created to provide 8.64 m3/day of water to a remote-area village, taking into account the initial constraints, LLP, LCC, and excessive water (Qe). The co-optimization approach for the simultaneous examination of technical and economic elements improves the accuracy of the developed model.
Some other research methods and approaches for different optimization aspects are shown in Table 8.
Table 8. Application of different optimization methods for pumping systems.

6. Conclusions

The current state of system technologies, research, and the application of conventional and novel methods are presented in a review of solar water pumping systems. This publication aimed to compile studies on water pumping systems powered by solar energy with the help of photovoltaics. Extensive research was conducted, with a strong focus on electrical engineering. It includes information regarding the modeling and simulation of PV cells and modules, power electronics for MPPT control, and motor drive systems. In addition, different aspects of the application of both DC and AC electrical machines in SWPP, particularly the control approaches used for the efficient energy usage of photovoltaic energy sources and power electronics for drive control are taken into consideration.
This report reviewed more than seventy research papers and articles published between 1965 and 2022 that are dedicated to the investigation of solar photovoltaic pumping systems’ operation and performance. This review paper emphasizes the value of applying advanced control techniques in solar photovoltaic-fed water pumping systems. It is mentioned in some recent research publications that, based on energy management criteria and predictive control techniques, the system can obtain better controllability, which significantly aids in achieving better optimal functioning. Additionally, recent advancements and analyses of control strategies conducted by different researchers have been discussed for water pumping systems based on solar energy.
The crucial steps in deciding the initial investment and the SWPP system’s long-term performance are system dimensioning and component selection. These optimization issues are also covered in this paper. Literally, sizing misconceptions might result in higher starting costs than necessary or spoil overall system performance when the system is unable to pump enough water in response to the anticipated level of flow or pressure. Based on the current review it can be stated that first of all, it is necessary to consider the technical requirements for the photovoltaic pumping system, the features of the water supply (is it a borehole or another type of water body), and characteristics on the installation side (environmental conditions). Because the production of power with the help of PV arrays greatly depends not only on solar radiation but also on climatic conditions.
Further research should be aimed at the current issues in the field of SWPPs such as the possibility to reduce the cost, increase productivity, gain extra efficiency, and extend the service life of SWPPs. Among the prospective research directions are the application of bifacial photovoltaic modules, advanced control strategies both for MPPT and drive systems, the use of promising types of electrical machines such as SynRM, and fault detection or fault prediction for the electrical drives.
This review paper aims to assist researchers and engineers by incorporating work in the field of SWPPs with a focus on electrical engineering elements such as types of motor drive, power electronics interface and control strategies, simulation and modeling approaches, and optimal sizing. SWPPs can serve as a superior alternative for irrigation and drinking purposes in rural areas in developing countries in Africa, Asia, and remote areas where the grid connection to a pumping station is impossible or financially not feasible. The main objective of the current review is to provide the information that can help to find the optimal configuration and solution for the specific standalone solar-powered water pumping system.

Author Contributions

Conceptualization, L.G.; methodology, J.L.D.-G.; investigation, L.G.; control methods review, L.T.R.; writing—review and editing, L.G. All authors have read and agreed to the published version of the manuscript.

Funding

This research was funded by the postdoctoral fellowship program Beatriu de Pinós, funded by the Secretary of University and Research, from the Department of Enterprise and Knowledge (Government of Catalonia), with the grant Nº Ref. 2020 BP 00134.

Acknowledgments

This project has received funding from the postdoctoral fellowships program Beatriu de Pinós, funded by the Secretary of University and Research, from the Department of Enterprise and Knowledge (Government of Catalonia), with the grant Nº Ref. 2020 BP 00134.

Conflicts of Interest

The authors declare no conflict of interest.

References

  1. European Commission. Study on Improving the Energy Efficiency of Pumps. Available online: http://www.jakob-albertsen.dk/komposit/Darmstadtrapport.pdf (accessed on 18 December 2022).
  2. Flörke, M.; Schneider, C.; McDonald, R.I. Water competition between cities and agriculture driven by climate change and urban growth. Nat. Sustain. 2018, 1, 51–58. [Google Scholar] [CrossRef]
  3. Koop, S.; Grison, C.; Eisenreich, S.; Hofman, J.; van Leeuwen, K. Integrated Water Resources Management in Cities in the World: Global Solutions. Sustain. Cities Soc. 2022, 86, 14. [Google Scholar] [CrossRef]
  4. Hilali, A.; Mardoude, Y.; Essahlaoui, A.; Rahali, A.; El Ouanjli, N. Migration to solar water pump system: Environmental and economic benefits and their optimization using genetic algorithm Based MPPT. Energy Rep. 2022, 8, 10144–10153. [Google Scholar] [CrossRef]
  5. Verma, S.; Mishra, S.; Chowdhury, S.; Gaur, A.; Mohapatra, S.; Soni, A.; Verma, P. Solar PV powered water pumping system–A review. Mater. Today Proc. 2020, 46, 5601–5606. [Google Scholar] [CrossRef]
  6. Girma, M.; Assefa, A.; Molinas, M. Feasibility study of a solar photovoltaic water pumping system for rural Ethiopia. AIMS Environ. Sci. 2015, 2, 697–717. [Google Scholar] [CrossRef]
  7. Kant, N.; Singh, P. Review of next generation photovoltaic solar cell technology and comparative materialistic development. Mater. Today Proc. 2021, 56, 3460–3470. [Google Scholar] [CrossRef]
  8. Pytilinski, J. Solar energy installations for pumping irrigation water. Sol. Energy 1978, 21, 255–262. [Google Scholar] [CrossRef]
  9. Lidorenko, N.; Nabiullin, F.; Tarnizhevsky, B. Experimental solar power plant [for powering electric pump]. Geliotekhnika 1965. [Google Scholar]
  10. Tarnizhevsky, B.; Rodichev, B. Test results for solar energy installations with photoelectric converters [for powering electric pump]. Geliotekhnika 1966. [Google Scholar]
  11. Tarnizhevsky, B.; Rodichev, B. Characteristics of water lifting system powered from solar energy plants. Geliotekhnika 1968. [Google Scholar]
  12. Available online: https://www1.eere.energy.gov/solar/pdfs/solar_timeline.pdf (accessed on 18 November 2022).
  13. Wolf, M.; Rauschenbach, H. Series resistance effects on solar cell measurements. Adv. Energy Convers. 1963, 3, 455–479. [Google Scholar] [CrossRef]
  14. Shockley, W. Electrons and Holes in Semiconductors; Van Nostrand: New York, NY, USA, 1950; p. 558. [Google Scholar]
  15. de Blas, M.; Torres, J.; Prieto, E.; García, A. Selecting a suitable model for characterizing photovoltaic devices. Renew. Energy 2002, 25, 371–385. [Google Scholar] [CrossRef]
  16. De Soto, W.; Klein, S.; Beckman, W. Improvement and validation of a model for photovoltaic array performance. Sol. Energy 2006, 80, 78–88. [Google Scholar] [CrossRef]
  17. Villalva, M.G.; Gazoli, J.R.; Filho, E.R. Comprehensive Approach to Modeling and Simulation of Photovoltaic Arrays. IEEE Trans. Power Electron. 2009, 24, 1198–1208. [Google Scholar] [CrossRef]
  18. Zhang, Z.; Kusiak, A.; Zeng, Y.; Wei, X. Modeling and optimization of a wastewater pumping system with data-mining methods. Appl. Energy 2016, 164, 303–311. [Google Scholar] [CrossRef]
  19. Wu, Y.; Wu, D.; Fei, M.; Xiao, G.; Gu, Y.; Mou, J. The Estimation of Centrifugal Pump Flow Rate Based on the Power–Speed Curve Interpolation Method. Processes 2022, 10, 2163. [Google Scholar] [CrossRef]
  20. Karassik, I.J.; McGuire, T. Centrifugal Pumps; Springer Science & Business Media: Berlin/Heidelberg, Germany, 2012; p. 780. [Google Scholar]
  21. Nelik, L. Centrifugal and Rotary Pumps. Fundamentals with Applications; CRC Press: Boca Raton, FL, USA, 1999; p. 152. [Google Scholar]
  22. Volk, M. Pump Characteristics and Applications; CRC Press: Boca Raton, FL, USA, 2013; p. 516. [Google Scholar]
  23. Gevorkov, L.; Bakman, I.; Vodovozov, V. Hardware-in-the-Loop Simulation of Motor Drives for Pumping Applications. In Proceedings of the 2014 Electric Power Quality and Supply Reliability Conference (PQ2014), Rakvere, Estonia, 11–13 June 2014; pp. 1–6. [Google Scholar]
  24. Gevorkov, L.; Vodovozov, V.; Raud, Z.; Lehtla, T. PLC-Based Hardware-in-the-Loop Simulator of a Centrifugal Pump. In Proceedings of the IEEE 5th International Conference on Power Engineering, Energy and Electrical Drives (POWERENG), Latvia, Riga, 11–13 May 2015; pp. 1–6. [Google Scholar]
  25. Gevorkov, L.; Vodovozov, V.; Lehtla, T.; Raud, Z. Hardware-in-the-Loop Simulator of a Flow Control System for Centrifugal Pumps. In Proceedings of the IEEE 10th International Conference on Compatibility, Power Electronics and Power Engineering (CPE-POWERENG 2016), Bydgoszcz, Poland, 29 June–1 July 2016; pp. 472–477. [Google Scholar]
  26. Vodovozov, V.; Lehtla, T.; Bakman, I.; Raud, Z.; Gevorkov, L. Energy-Efficient Predictive Control of Centrifugal Multi-Pump Stations; Electric Power Quality and Supply Reliability (PQ): Tallinn, Estonia, 2016; pp. 233–2381. [Google Scholar]
  27. Gevorkov, L.; Smidl, V. Simulation Model for Efficiency Estimation of Photovoltaic Water Pumping System. In Proceedings of the 19th International Symposium INFOTEH-JAHORINA (INFOTEH), East Sarajevo, Bosnia and Herzegovina, 18–20 March 2020; pp. 1–5. [Google Scholar]
  28. Gouws, R.; Lukhwareni, T. Factors influencing the performance and efficiency of solar water pumping systems: A review. Int. J. Phys. Sci. 2012, 7, 6169–6180. [Google Scholar]
  29. Appelbaum, J. Performance characteristics of a permanent magnet D.C. motor powered by solar cells. Sol. Cells 1986, 17, 343–362. [Google Scholar] [CrossRef]
  30. Rassõlkin, A.; Kallaste, A.; Orlova, S.; Gevorkov, L.; Vaimann, T.; Belahcen, A. Re-Use and Recycling of Different Electrical Machines. Latv. J. Phys. Tech. Sci. 2018, 56, 13–23. [Google Scholar] [CrossRef]
  31. Daud, A.-K.; Mahmoud, M.M. Solar powered induction motor-driven water pump operating on a desert well, simulation and field tests. Renew. Energy 2005, 30, 701–714. [Google Scholar] [CrossRef]
  32. Betka, A.; Attali, A. Optimization of a photovoltaic pumping system based on the optimal control theory. Sol. Energy 2010, 84, 1273–1283. [Google Scholar] [CrossRef]
  33. Mujawar, S.; Tamboli, T.; Patel, D.; Kute, S. Solar panel fed BLDC motor for water pumping. Int. Res. J. Eng. Technol. (IRJET) 2020, 5, 5987–5994. [Google Scholar]
  34. Gevorkov, L.; Domínguez-García, J.L.; Rassõlkin, A.; Vaimann, T. Comparative Simulation Study of Pump System Efficiency Driven by Induction and Synchronous Reluctance Motors. Energies 2022, 15, 4068. [Google Scholar] [CrossRef]
  35. Oshurbekov, S.; Kazakbaev, V.; Prakht, V.; Dmitrievskii, V.; Gevorkov, L. Energy Consumption Comparison of a Single Variable-Speed Pump and a System of Two Pumps: Variable-Speed and Fixed-Speed. Appl. Sci. 2020, 10, 8820. [Google Scholar] [CrossRef]
  36. Kumar, R.; Singh, B. Single Stage Solar PV Fed Brushless DC Motor Driven Water Pump. IEEE J. Emerg. Sel. Top. Power Electron. 2017, 5, 1377–1385. [Google Scholar] [CrossRef]
  37. Gupta, S.; Khan, M.R.; Jahan, K. Modeling, Analysis and Control of Solar Water Pumping System; 2015. Available online: https://www.krishisanskriti.org/vol_image/10Sep201511091751.pdf (accessed on 25 July 2022).
  38. Metwally, H.M.; Anis, W.R. Dynamic performance of directly coupled photovoltaic water pumping system using D.C. shunt motor. Energy Convers. Manag. 1996, 37, 1407–1416. [Google Scholar] [CrossRef]
  39. Mahesh, K.V.; Angadi, S.; Raju, A.B. Single Stage PV Water Pumping System with MPPT Employing Three Phase Induction Motor. In Proceedings of the International Conference on Current Trends towards Converging Technologies (ICCTCT), Coimbatore, India, 1–3 March 2018; pp. 1–5. [Google Scholar]
  40. Said, W.; Gaber, H.A.; Mami, A. Sizing and Simulation of an Energy Sufficient Stand-alone PV Pumping System. In Proceedings of the International Conference on Promising Electronic Technologies (ICPET), Palestine, Poland, 16–17 October 2017; pp. 8–13. [Google Scholar]
  41. Barwar, M.K.; Tripathi, P.R.; Thakura, P.R. Boost Inverter Fed Three Phase Induction Motor for Off Grid PV Based Water Pumping System. In Proceedings of the Fourth International Conference on Advances in Electrical, Electronics, Information, Communication and Bio-Informatics (AEEICB), Chennai, India, 27–28 February 2018; pp. 1–5. [Google Scholar]
  42. Moechtar, M.; Juwono, M.; Kantosa, E. Performance evaluation of a.c. and d.c. direct coupled photovoltaic water pumping systems. Energy Convers. Manag. 1991, 31, 521–527. [Google Scholar] [CrossRef]
  43. Fang, X.; Ding, X.; Zhong, S.; Tian, Y. Improved Quasi-Y-Source DC-DC Converter for Renewable Energy. CPSS Trans. Power Electron. Appl. 2019, 4, 163–170. [Google Scholar] [CrossRef]
  44. Pires, V.F.; Foito, D.; Cordeiro, A. A DC–DC Converter with Quadratic Gain and Bidirectional Capability for Batteries/Supercapacitors. IEEE Trans. Ind. Appl. 2018, 54, 274–285. [Google Scholar] [CrossRef]
  45. Hosseini, S.H.; Ghazi, R.; Heydari-Doostabad, H. An Extendable Quadratic Bidirectional DC–DC Converter for V2G and G2V Applications. IEEE Trans. Ind. Electron. 2020, 68, 4859–4869. [Google Scholar] [CrossRef]
  46. Wu, Y.-E.; Pan, B.-H. High Efficiency and Voltage Conversion Ratio Bidirectional Isolated DC-DC Converter for Energy Storage System. IEEE Access 2022, 10, 55187–55199. [Google Scholar] [CrossRef]
  47. Subudhi, B.; Pradhan, R. A Comparative Study on Maximum Power Point Tracking Techniques for Photovoltaic Power Systems. IEEE Trans. Sustain. Energy 2013, 4, 89–98. [Google Scholar] [CrossRef]
  48. Singh, B.P.; Goyal, S.K.; Siddiqui, S.A.; Saraswat, A.; Ucheniya, R. Intersection Point Determination Method: A novel MPPT approach for sudden and fast changing environmental conditions. Renew. Energy 2022, 200, 614–632. [Google Scholar] [CrossRef]
  49. Mohammadinodoushan, M.; Abbassi, R.; Jerbi, H.; Ahmed, F.W.; Ahmed, H.A.K.; Rezvani, A. A new MPPT design using variable step size perturb and observe method for PV system under partially shaded conditions by modified shuffled frog leaping algorithm- SMC controller. Sustain. Energy Technol. Assess. 2020, 45, 10105. [Google Scholar] [CrossRef]
  50. Ahmed, M.M.; Hassanien, W.S.; Enany, M.A. Modeling and evaluation of SC MPPT controllers for PVWPS based on DC motor. Energy Rep. 2021, 7, 6044–6053. [Google Scholar] [CrossRef]
  51. Jain, S.; Ramulu, C.; Padmanaban, S.; Ojo, J.O.; Ertas, A.H. Dual MPPT algorithm for dual PV source fed Open-End Winding Induction Motor Drive for pumping application. Eng. Sci. Technol. Int. J. 2016, 19, 1771–1780. [Google Scholar] [CrossRef]
  52. Hadjaissa, A.; Cheikh, S.A.; Ameur, K.; Essounbouli, N. A GA-based optimization of a fuzzy-based MPPT controller for a photovoltaic pumping system, Case study for Laghouat, Algeria. IFAC-PapersOnLine 2016, 49, 692–697. [Google Scholar] [CrossRef]
  53. Benghanem, M.; Daffallah, K.; Joraid, A.; Alamri, S.; Jaber, A. Performances of solar water pumping system using helical pump for a deep well: A case study for Madinah, Saudi Arabia. Energy Convers. Manag. 2013, 65, 50–56. [Google Scholar] [CrossRef]
  54. Kota, V.R.; Bhukya, M.N. A simple and efficient MPPT scheme for PV module using 2-Dimensional Lookup Table. In Proceedings of the 2016 IEEE Power and Energy Conference at Illinois (PECI), Urbana, IL, USA, 19–20 February 2016; pp. 1–7. [Google Scholar] [CrossRef]
  55. Raj, A.; Praveen, R. Highly efficient DC-DC boost converter implemented with improved MPPT algorithm for utility level photovoltaic applications. Ain Shams Eng. J. 2021, 13, 101617. [Google Scholar] [CrossRef]
  56. Lee, J.H.; Bae, H.; Cho, B.H. Advanced Incremental Conductance MPPT Algorithm with a Variable Step Size. In Proceedings of the 2006 12th International Power Electronics and Motion Control Conference, Portoroz, Slovenia, 30 August–1 September 2006; pp. 603–607. [Google Scholar] [CrossRef]
  57. Gevorkov, L.; Vodovozov, V. Study of the Centrifugal Pump Efficiency at Throttling and Speed Control. In Proceedings of the BEC 2016, 15th biennial Baltic Electronics Conference, Tallinn, Estonia, 3–5 October 2016; pp. 199–202. [Google Scholar]
  58. Gevorkov, L.; Šmídl, V.; Sirový, M. Model of Hybrid Speed and Throttle Control for Centrifugal Pump System Enhancement. In Proceedings of the 2019 IEEE 28th International Symposium on Industrial Electronics (ISIE), Vancouver, BC, Canada, 12–14 June 2019; pp. 563–568. [Google Scholar]
  59. Errouha, M.; Motahhir, S.; Combe, Q. Twelve sectors DTC strategy of IM for PV water pumping system. Mater. Today Proc. 2021, 51, 2081–2090. [Google Scholar] [CrossRef]
  60. Idriss, C.M.; Mohamed, B. Application of the DTC control in the photovoltaic pumping system. Energy Convers. Manag. 2013, 65, 655–662. [Google Scholar] [CrossRef]
  61. Ilango, G.S.; Rajasekar, N. An improved energy saving v/f control technique for solar powered single-phase induction motor. Energy Convers. Manag. 2009, 50, 2913–2918. [Google Scholar] [CrossRef]
  62. Vongmanee, V. The Photovoltaic water pumping system using optimum slip control to maximum power and efficiency. IEEE Russia Power Technol. 2005, 2005, 1–4. [Google Scholar] [CrossRef]
  63. Arrouf, M.; Bouguechal, N. Vector control of an induction motor fed by a photovoltaic generator. Appl. Energy 2003, 74, 159–167. [Google Scholar] [CrossRef]
  64. Errouha, M.; Derouich, A.; Nahid-Mobarakeh, B.; Motahhir, S.; El Ghzizal, A. Improvement control of photovoltaic based water pumping system without energy storage. Sol. Energy 2019, 190, 319–328. [Google Scholar] [CrossRef]
  65. Shukla, S.; Singh, B. MPPT control technique for solar powered direct torque control of induction motor drive with a robust speed and parameters adaptation scheme for water pumping. IET Renew. Power Gener. 2018, 13, 273–284. [Google Scholar] [CrossRef]
  66. Elkholy, M.M.; Fathy, A. Optimization of a PV fed water pumping system without storage based on teaching-learning-based optimization algorithm and artificial neural network. Sol. Energy 2016, 139, 199–212. [Google Scholar] [CrossRef]
  67. Matam, M.; Barry, V.R.; Govind, A.R. Optimized Reconfigurable PV array based Photovoltaic water-pumping system. Sol. Energy 2018, 170, 1063–1073. [Google Scholar] [CrossRef]
  68. Ahmed, E.E.; Demirci, A. Multi-stage and multi-objective optimization for optimal sizing of stand-alone photovoltaic water pumping systems. Energy 2022, 252, 124048. [Google Scholar] [CrossRef]
  69. Bakelli, Y.; Arab, A.H.; Azoui, B. Optimal sizing of photovoltaic pumping system with water tank storage using LPSP concept. Sol. Energy 2011, 85, 288–294. [Google Scholar] [CrossRef]
  70. Cuadros, F.; Rodríguez, F.L.; Marcos, A.; Coello, J. A procedure to size solar-powered irrigation (photoirrigation) schemes. Sol. Energy 2004, 76, 465–473. [Google Scholar] [CrossRef]
  71. Gevorkov, L.; Vodovozov, V. Mixed pressure control system for a centrifugal pump. In Proceedings of the 2017 11th IEEE International Conference on Compatibility, Power Electronics and Power Engineering (CPE-POWERENG), Cadiz, Spain, 4–6 April 2017; pp. 364–369. [Google Scholar]
  72. Campana, P.E.; Zhu, Y.; Brugiati, E.; Li, H.; Yan, J. PV Water Pumping for Irrigation Equipped with a Novel Control System for Water Savings. Energy Procedia 2014, 61, 949–952. [Google Scholar] [CrossRef]
  73. Gevorkov, L.; Rassõlkin, A.; Kallaste, A.; Vaimann, T. Simulation Study of a Centrifugal Pumping Plant’s Power Consumption at Throttling and Speed Control. In Proceedings of the 2017 IEEE 58th International Scientific Conference on Power and Electrical Engineering of Riga Technical University (RTUCON), Riga, Latvia, 12 October 2017; pp. 1–5. [Google Scholar]
  74. Heng, G.; Zheng, X.; You-Chun, L.; Hui, W. A Novel Maximum Power Point Tracking Strategy for Stand-alone Solar Pumping Systems. In Proceedings of the 2005 IEEE/PES Transmission & Distribution Conference & Exposition: Asia and Pacific, Dalian, China, 14–18 August 2005; pp. 1–5. [Google Scholar] [CrossRef]
Disclaimer/Publisher’s Note: The statements, opinions and data contained in all publications are solely those of the individual author(s) and contributor(s) and not of MDPI and/or the editor(s). MDPI and/or the editor(s) disclaim responsibility for any injury to people or property resulting from any ideas, methods, instructions or products referred to in the content.

Article Metrics

Citations

Article Access Statistics

Multiple requests from the same IP address are counted as one view.