Multiple Power Supply Capacity Planning Research for New Power System Based on Situation Awareness
Abstract
:1. Introduction
2. Wind-Photovoltaic-Thermal Power System Model for New Power System
2.1. Characteristics of Wind-Photovoltaic-Thermal Power Systems
2.2. Relationship between Carbon Emission and Stability of Wind-Photovoltaic-Thermal Power System
2.3. Output Characteristics of Wind-Photovoltaic-Thermal Power Systems in the Context of New Power System
2.3.1. Wind Turbines Model
2.3.2. Photovoltaic Model
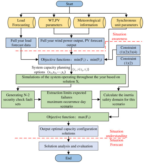
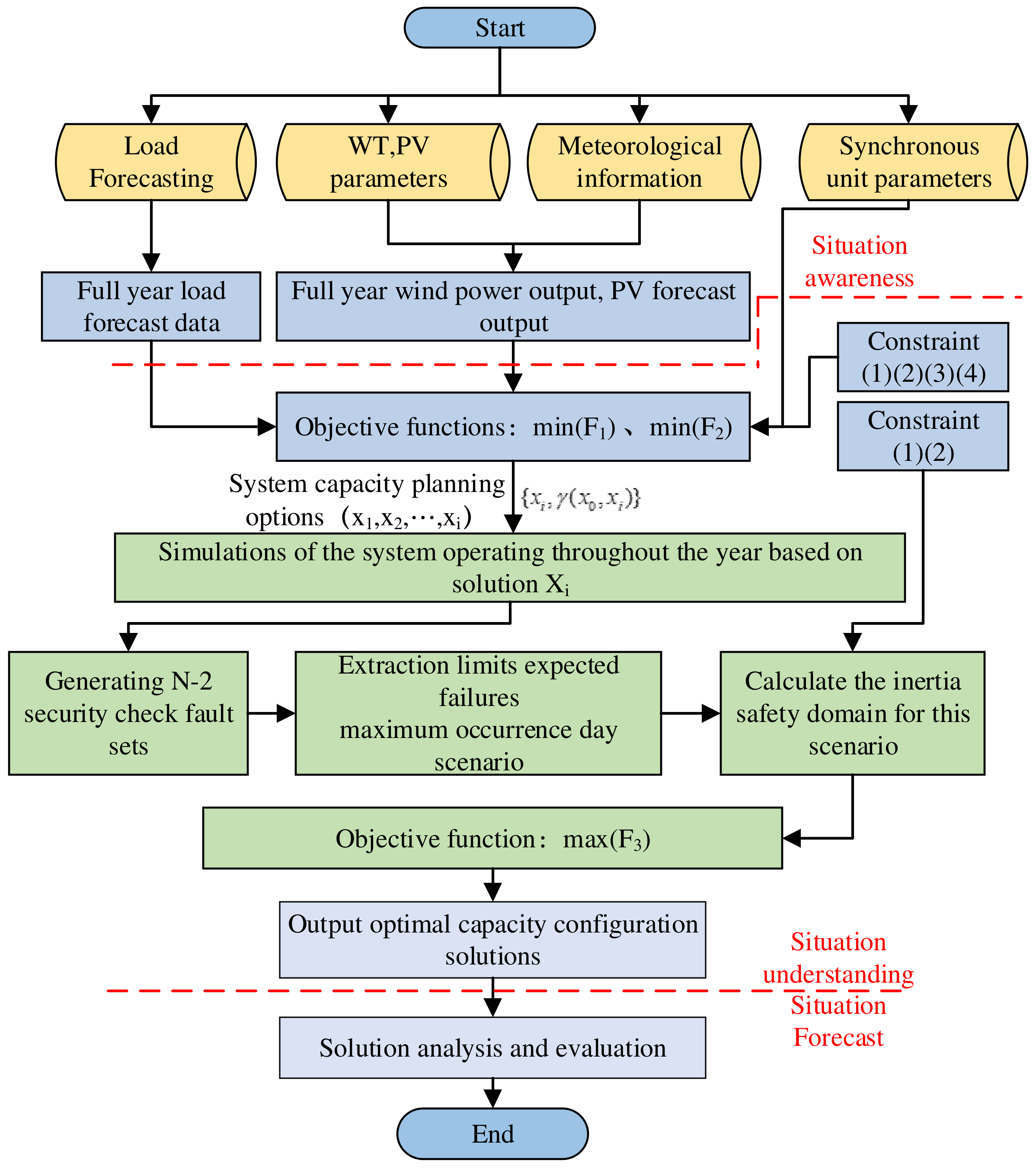
2.4. Situation Awareness Model for Capacity Planning of Wind-Photovoltaic-Thermal Power System
- (1)
- Situation awareness: This is the stage of obtaining relevant data. This stage is mainly used to obtain equipment parameters, meteorological data, and user data in system power capacity planning through system measurement techniques, meteorological information prediction techniques, and load-side data prediction techniques.
- (2)
- Situation understanding: This is the stage of data analysis, which aims at understanding and mining the data obtained during the situation awareness stage, taking into account system stability, economy, environmental protection, etc., and analyzing the system operating dynamics of different capacity planning scenarios.
- (3)
- Posture prediction: This is the state prediction phase. For the capacity planning of multiple power systems, posture prediction is a comprehensive evaluation and analysis of different capacity planning options.
- (4)
- Assisted decision-making: Output the optimal solution, providing an effective basis for decision-making by relevant professionals.
3. Bi-Level Model for Optimal Capacity Allocation of Wind-Photovoltaic-Thermal Power Systems
3.1. Upper Level Model for Multi-Objective Optimal Configuration Considering the Environmental Friendliness and Economy of the System
3.1.1. Objective Functions
3.1.2. Conditions of Constraint
- (1)
- Power balance constraints
- (2)
- Installed capacity constraint
- (3)
- Generator output constraints
- (4)
- Climbing constraints for thermal power units
3.1.3. A Pareto Optimal Solution Set Decision Method Based on Grey Relativity Analysis
3.2. Solving a Multi-Objective Configuration Upper Level Optimization Model for Systems Considering Environmental Friendliness and Economy
3.3. Optimal Configuration of the Lower Level Model Considering System Stability
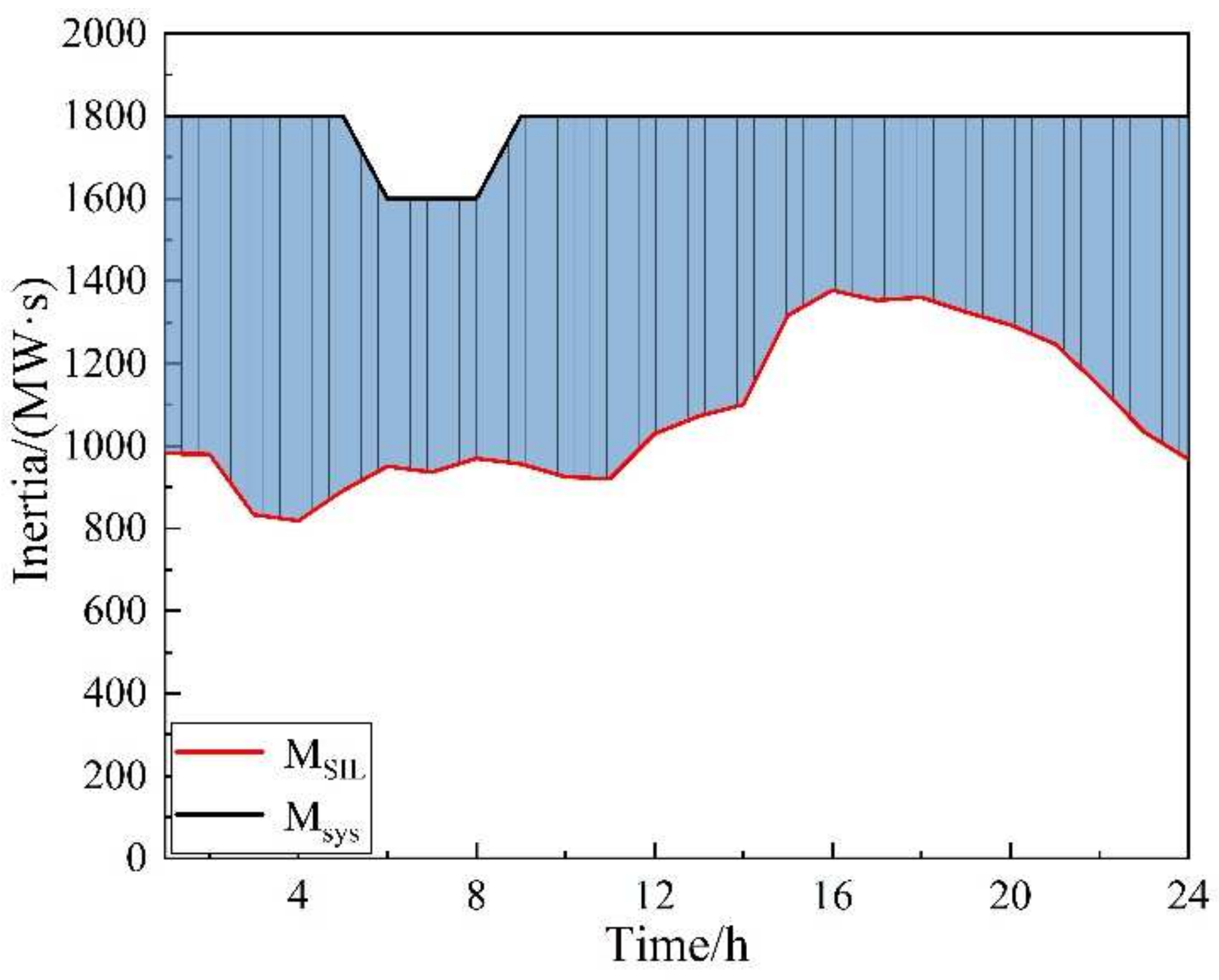
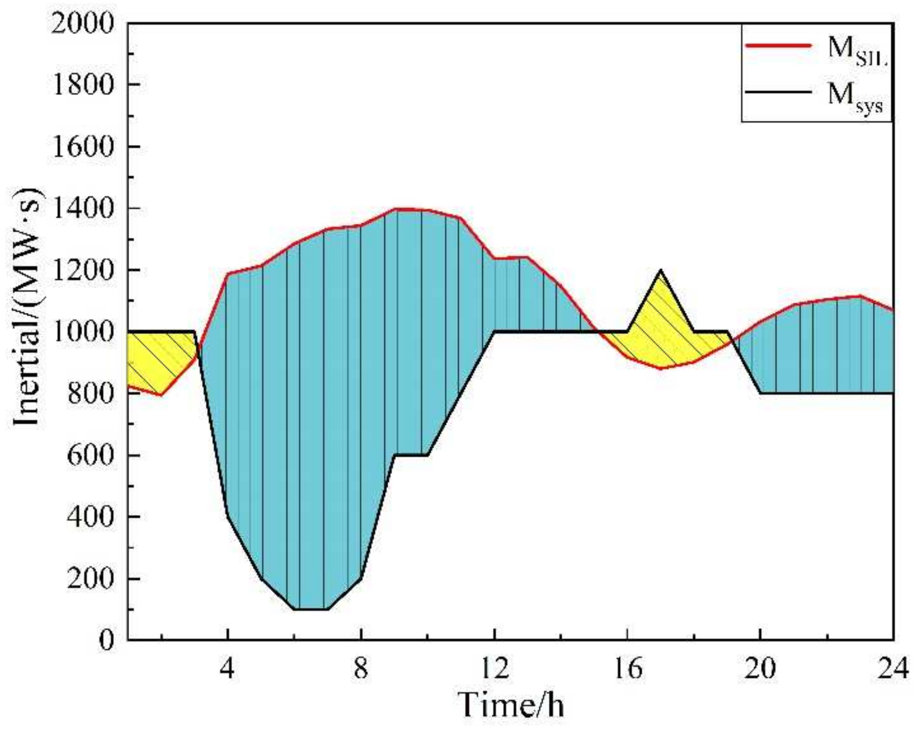
3.3.1. Inertia Security Region Model of the System
3.3.2. Objective Functions
3.3.3. Conditions of Constraint
- (1)
- System inertia and rate of change of frequency constraints
- (2)
- System frequency rate of change constraint
4. Bi-Level Model Solving for Optimal System Capacity Allocation
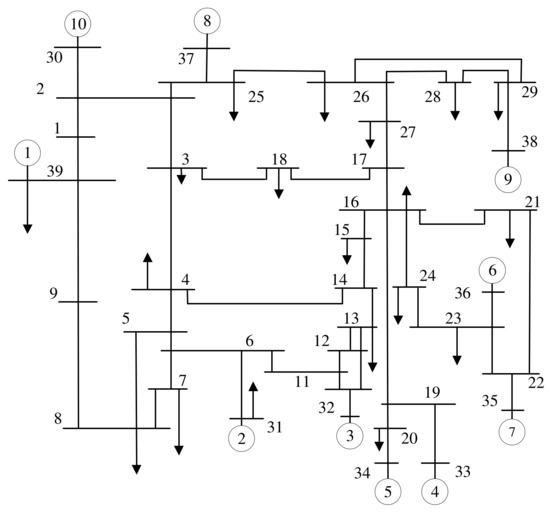
5. Case Study
5.1. Date Preprocessing
5.2. Optimal Capacity Configuration Solution
5.3. Simulation Analysis of the Timing Operation of Different Planning Scenarios
5.4. Comprehensive Characterisation of Different Configuration Scenarios
5.5. Impact of Optimization Algorithms on Capacity Planning
6. Conclusions
Author Contributions
Funding
Informed Consent Statement
Data Availability Statement
Conflicts of Interest
Appendix A
| Parameters | Number |
|---|---|
| Power rating/MW | 40 |
| Maximum power/MW | 40 |
| Minimum power/MW | 10 |
| a/(¥/MWh) | 0.024 |
| b/(¥/MWh) | 78 |
| c/¥ | 960 |
| Inertia time constant/s | 5 |
| R/(kg/kWh) | 0.95 |
| Parameters | Number |
|---|---|
| Power rating/MW | 1.5 |
| Cut-in wind speed Vin/(m/s) | 3 |
| Rated wind speed Vn/(m/s) | 10 |
| Cut-out wind speed Vout/(m/s) | 30 |
| R/(kg/kWh) | 0.012 |
| Parameters | Number |
|---|---|
| Ps/(kWh) | 0.2 |
| Gs/lx | 1000 |
| γ/(%/°C) | −0.5 |
| Tτ/°C | 25 |
| R/(kg/kWh) | 0.035 |
| Parameters | Thermal Power Units | Wind Turbines | Photovoltaic Cells |
|---|---|---|---|
| Investment cost/(¥) | 1.125 × 108 | 1.097 × 107 | 1242 |
| Replacement cost/(¥) | 1.125 × 108 | 1.097 × 107 | 1242 |
| Maintenance cost/(¥/yr) | 1.125 × 106 | 1.097 × 105 | 12.42 |
| Life cycle/(yr) | 15 | 20 | 30 |
References
- Bistline, J.E.T.; Brown, M.; Siddiqui, S.A.; Vaillancourt, K. Electric sector impacts of renewable policy coordination: A multi-model study of the North American energy system. Energy Policy 2020, 145, 111707. [Google Scholar] [CrossRef]
- Helisto, N.; Kiviluoma, J.; Holttinen, H.; Lara, J.D.; Hodge, B.-M. Including operational aspects in the planning of power systems with large amounts of variable generation: A review of modeling approaches. Wiley Interdiscip. Rev.-Energy Environ. 2019, 8, 341. [Google Scholar] [CrossRef]
- Xu, Y.; Tu, J.; Yin, Z. The capacity selection of wind photovoltaic power generations based on KELM method. Electr. Meas. Instrum. 2019, 56, 73–80. [Google Scholar]
- Tang, H.; Yang, G.; Wang, P.; Li, Q.; Zhang, L.; Liu, S.; Qin, J. Capacity Optimal Configuration of Wind/PV Hybrid Power System Based on Carbon Dioxide Emission. Electr. Power Constr. 2017, 38, 108–114. [Google Scholar]
- Xu, Y.; Lang, Y.; Wen, B.; Yang, X. An Innovative Planning Method for the Optimal Capacity Allocation of a Hybrid Wind-PV-Pumped Storage Power System. Energies 2019, 12, 2809. [Google Scholar] [CrossRef] [Green Version]
- Liu, J.; He, D. Profit Allocation of Hybrid Power System Planning in Energy Internet: A Cooperative Game Study. Sustainability 2018, 10, 388. [Google Scholar] [CrossRef] [Green Version]
- Ye, C.-J.; Liu, W.-D.; Fu, X.-H.; Wang, L.; Huang, M.-X. Capacity allocation of hybrid solar-wind energy system based on discrete probabilistic method. Turk. J. Electr. Eng. 2015, 23, 1913–1929. [Google Scholar] [CrossRef]
- Xu, M.; Zhuan, X. Optimal planning for wind power capacity in an electric power system. Renew. Energy 2013, 53, 280–286. [Google Scholar] [CrossRef]
- Emmanuel, M.; Doubleday, K.; Cakir, B.; Markovic, M.; Hodge, B.-M. A review of power system planning and operational models for flexibility assessment in high solar energy penetration scenarios. Sol. Energy 2020, 210, 169–180. [Google Scholar] [CrossRef]
- Dhaliwal, N.K.; Bouffard, F.; O’Malley, M.J. A Fast Flexibility-Driven Generation Portfolio Planning Method for Sustainable Power Systems. IEEE Trans. Sustain. Energy 2021, 12, 368–377. [Google Scholar] [CrossRef]
- Lin, X.; Wen, Y.; Yang, W. Inertia Security Region: Concept, Characteristics, and Assessment Method. Proc. CSEE 2021, 41, 3065–3079. [Google Scholar]
- Wen, Y.; Lin, X. Minimum Inertia Requirement Assessment of Microgrids in Islanded and Grid-connected Modes. Proc. CSEE 2021, 41, 2040–2053. [Google Scholar]
- Basu, C.; Padmanaban, M.; Guillon, S.; Cauchon, L.; De Montigny, M.; Kamwa, I. Situational awareness for the electrical power grid. IBM J. Res. Dev. 2016, 60, 7384562. [Google Scholar] [CrossRef]
- Yang, J.; Zhang, P.; Xu, X.; Xu, T. Research Status of Power Grid Situation Awareness Technology in China and Abroad. East China Electr. Power. 2013, 41, 1575–1581. [Google Scholar]
- Ge, L.; Li, Y.; Chen, Y. Key Technologies of Situation Awareness and Implementation Effectiveness Evaluation in Smart Distribution Network. High Volt. Eng. 2021, 47, 2269–2280. [Google Scholar]
- Oree, V.; Hassen, S.Z.S.; Fleming, P.J. Generation expansion planning optimisation with renewable energy integration: A review. Renew. Sustain. Energy Rev. 2017, 69, 790–803. [Google Scholar] [CrossRef]
- Wang, Z.; Shi, Y.; Tang, Y.; Men, X.; Cao, J.; Wang, H. Low Carbon Economy Operation and Energy Efficiency Analysis of Integrated Energy Systems Considering LCA Energy Chain and Carbon Trading Mechanism. Proc. CSEE 2019, 39, 1614–1626. [Google Scholar]
- Ardente, F.; Beccali, M.; Cellura, M.; Lo Brano, V. Energy performances and life cycle assessment of an Italian wind farm. Renew. Sustain. Energy Rev. 2008, 12, 200–217. [Google Scholar] [CrossRef]
- Luo, W.; Khoo, Y.S.; Kumar, A.; Low, J.S.C.; Li, Y.; Tan, Y.S.; Wang, Y.; Aberle, A.G.; Ramakrishna, S. A comparative life-cycle assessment of photovoltaic electricity generation in Singapore by multicrystalline silicon technologies. Sol. Energy Mater. Sol. Cells 2018, 174, 157–162. [Google Scholar] [CrossRef]
- Oladeji, I.; Zamora, R.; Lie, T.T. An online security prediction and control framework for modern power grids. Energies 2021, 14, 6639. [Google Scholar] [CrossRef]
- Yang, B.; Guo, Y.; Xiao, X.; Tian, P. Bi-level Capacity Planning of Wind-PV-Battery Hybrid Generation System Considering Return on Investment. Energies 2020, 13, 3046. [Google Scholar] [CrossRef]
- Kumar, I.; Tyner, W.E.; Sinha, K.C. Input-output life cycle environmental assessment of greenhouse gas emissions from utility scale wind energy in the United States. Energy Policy 2016, 89, 294–301. [Google Scholar] [CrossRef]
- Kadiyala, A.; Kommalapati, R.; Huque, Z. Characterization of the life cycle greenhouse gas emissions from wind electricity generation systems. Int. J. Energy Environ. Eng. 2017, 8, 55–64. [Google Scholar] [CrossRef] [Green Version]
- Li, C.; Zhao, G.; Meng, J.; Zheng, Z.; Yu, S. Multi-Objective Optimization Strategy Based on Entropy Weight, Grey Correlation Theory, and Response Surface Method in Turning. Int. J. Ind. Eng.-Theory 2021, 28, 490–507. [Google Scholar]
- Tan, Y.-Y.; Jiao, Y.-C.; Li, H.; Wang, X.-K. A modification to MOEA/D-DE for multiobjective optimization problems with complicated Pareto sets. Inf. Sci. 2012, 213, 14–38. [Google Scholar] [CrossRef]
- Verma, S.; Pant, M.; Snasel, V. A Comprehensive Review on NSGA-II for Multi-Objective Combinatorial Optimization Problems. IEEE Access 2021, 9, 57757–57791. [Google Scholar] [CrossRef]
- Liu, X.; Lu, X.; Lou, Y.; Zhao, Y.; Wei, L.; Zhao, W. Optimal setting of wind-thermal-bundled capacity ratio based on chronological operation simulation. Power Syst. Prot. Control 2021, 49, 53–62. [Google Scholar]
- Rezkalla, M.; Pertl, M.; Marinelli, M. Electric power system inertia: Requirements, challenges and solutions. Electr. Eng. 2018, 100, 2677–2693. [Google Scholar] [CrossRef] [Green Version]
- Gu, H.; Yan, R.; Saha, T.K.; Muljadi, E. System Strength and Inertia Constrained Optimal Generator Dispatch under High Renewable Penetration. IEEE Trans. Sustain. Energy 2020, 11, 2392–2406. [Google Scholar] [CrossRef]
- Wang, B.; Yang, D.; Cai, G. Review of Research on Power System Inertia Related Issues in the Context of High Penetration of Renewable Power Generation. Power Syst. Technol. 2020, 44, 2998–3007. [Google Scholar]
- Wang, J.; Dong, F.; Ma, Z.; Chen, H.; Yan, R.; Klemes, J.J. Multi-objective optimization with thermodynamic analysis of an integrated energy system based on biomass and solar energies. J. Clean. Prod. 2021, 324, 129257. [Google Scholar] [CrossRef]
- Li, J.; Xu, W.; Cui, P.; Qiao, B.; Feng, X.; Xue, H.; Wang, X.; Xiao, L. Optimization configuration of regional integrated energy system based on standard module. Energy Build. 2020, 229, 110485. [Google Scholar] [CrossRef]






















| Project | Upper Optimization Model | Lower Optimization Model |
|---|---|---|
| Decision variables | Wind, PV and thermal power output | Upper model solving solutions |
| Conditions of constraint | (1)(2)(3)(4) | (5)(6) |
| Objective functions | minF1, minF2 | max F3 |
| Solution algorithms | INSGA2-DS | Cplex solvers |
| Optimization objectives | Minimal carbon emission and lowest total cost | Combination of economy, environmental friendliness, and stability |
| Configuration Solutions | Number |
|---|---|
| Number of WT | 51 |
| Number of PV cells | 104,354 |
| Number of thermal power units | 8 |
| Costs/¥ | 4.95 × 109 |
| Carbon emission/kg | 1.16 × 1010 |
| Inertia security region/MW·s2 | 10,308.2 |
| Correlation factor | 1.38 |
| Installed capacity of thermal power generation/MW | 320 |
| Installed capacity of wind power/MW | 76.5 |
| Installed capacity of photovoltaic power/MW | 20.9 |
| Solution Configuration | Scenario 1 | Scenario 2 | Scenario 3 | Scenario 4 |
|---|---|---|---|---|
| Number of WT | 51 | 71 | 15 | 74 |
| Number of PV cells | 104,354 | 104,525 | 103,790 | 104,739 |
| Number of thermal power units | 8 | 7 | 9 | 7 |
| Algorithms | Population Size/Unit | Number of Convergence Iterations/Time | Calculation Efficiency/s |
|---|---|---|---|
| NSGA-II | 300 | 120 | 101 |
| INSGA2-DS | 300 | 100 | 84 |
Publisher’s Note: MDPI stays neutral with regard to jurisdictional claims in published maps and institutional affiliations. |
© 2022 by the authors. Licensee MDPI, Basel, Switzerland. This article is an open access article distributed under the terms and conditions of the Creative Commons Attribution (CC BY) license (https://creativecommons.org/licenses/by/4.0/).
Share and Cite
Li, D.; Cheng, X.; Ge, L.; Huang, W.; He, J.; He, Z. Multiple Power Supply Capacity Planning Research for New Power System Based on Situation Awareness. Energies 2022, 15, 3298. https://doi.org/10.3390/en15093298
Li D, Cheng X, Ge L, Huang W, He J, He Z. Multiple Power Supply Capacity Planning Research for New Power System Based on Situation Awareness. Energies. 2022; 15(9):3298. https://doi.org/10.3390/en15093298
Chicago/Turabian StyleLi, Dahu, Xiaoda Cheng, Leijiao Ge, Wentao Huang, Jun He, and Zhongwei He. 2022. "Multiple Power Supply Capacity Planning Research for New Power System Based on Situation Awareness" Energies 15, no. 9: 3298. https://doi.org/10.3390/en15093298
APA StyleLi, D., Cheng, X., Ge, L., Huang, W., He, J., & He, Z. (2022). Multiple Power Supply Capacity Planning Research for New Power System Based on Situation Awareness. Energies, 15(9), 3298. https://doi.org/10.3390/en15093298

