A DC Series Arc Fault Detection Method Based on a Lightweight Convolutional Neural Network Used in Photovoltaic System
Abstract
:1. Introduction
- Since the actual DC arc faults of PV systems are very stochastic, it is difficult to capture a large amount of DC series arc fault data directly for algorithm research of arc fault detection. Therefore, this paper establishes a DC arc fault experimental platform for an arc fault detection device (AFDD) installed within the inverter in the UL 1699B standard and analyzes DC series arc faults under different current values from 3 A to 25 A. Moreover, PV inverter startup and irradiance mutation are also considered, to evaluate the robustness of the algorithm.
- Due to the complex working conditions of PV systems, it is essential to find the apparent characteristics of the current signal for arc fault detection. This paper takes the DC series arc current signal in PV systems as the research object and analyzes its power spectrum characteristics. The AR model of the DC current signal is established to obtain the power spectrum images, by exploring the principles of commonly used power spectrum estimation methods. The results show that the power spectrum images of current data in normal states and arc fault states have apparent differences.
- An algorithm based on a lightweight convolutional neural network is proposed to detect DC series arc faults in PV systems. The gray images of the power spectrum of the DC current data are fed into the network model, and the detection accuracy of the proposed method is 98.81%, which is higher than the accuracies of GoogLeNet, AlexNet, and existing general networks. This algorithm, with fewer model parameters, has a low computational burden, provides better performance during the running process, and is feasible to run in an embedded microprocessor.
2. Data Collection and Analysis
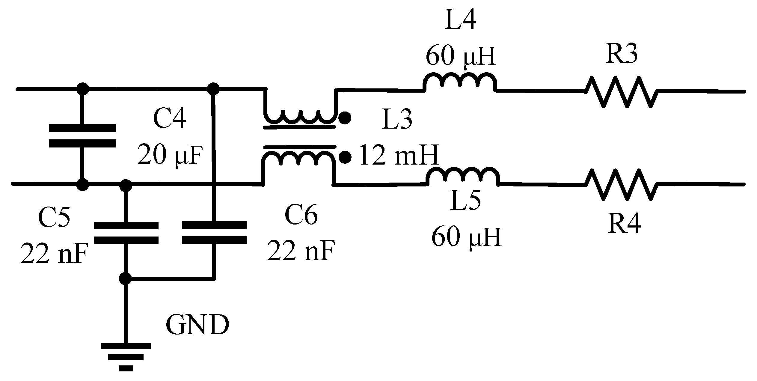
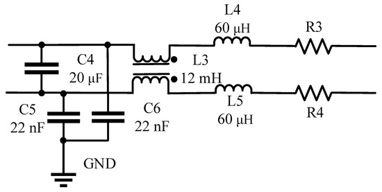
2.1. Arc Fault Experiment Platform
2.2. Different Operating Conditions and Power Spectra of Current Data
2.2.1. Different Operating Conditions in Experiments
2.2.2. AR Model
2.2.3. ARMA Model
2.2.4. The Selection of Optimal Parameters in the AR Model
2.3. Data Processing and Creating the Dataset
3. Methodology
3.1. Lightweight Convolutional Backbone Network Structure
3.2. Arc Detection Attention Mechanism Module
4. Experimental Results and Analysis
4.1. The Optimal Model Selection Based on EfficientNet
4.2. The Selection of ADNet Training Parameters
4.3. Influence of Different Current Values on Detection Results
4.4. Detection Accuracy of Different Existing Neural Networks
4.5. Feasibility Analysis of Application in the Embedded Modules
5. Conclusions
Author Contributions
Funding
Institutional Review Board Statement
Informed Consent Statement
Data Availability Statement
Conflicts of Interest
References
- Gu, J.; Lai, D.; Yang, M. A new DC series Arc fault detector for household photovoltaic systems. In Proceedings of the 2017 IEEE Power & Energy Society General Meeting, Chicago, IL, USA, 16–20 July 2017; pp. 1–5. [Google Scholar]
- Ahmadi, M.; Samet, H.; Ghanbari, T. A New Method for Detecting Series Arc Fault in Photovoltaic Systems Based on the Blind-Source Separation. IEEE Trans. Ind. Electron. 2020, 67, 5041–5049. [Google Scholar] [CrossRef]
- Ge, L.; Xian, Y.; Yan, J.; Wang, B.; Wang, Z. A Hybrid Model for Short-term PV Output Forecasting Based on PCA-GWO-GRNN. J. Mod. Power Syst. Clean Energy 2020, 8, 1268–1275. [Google Scholar] [CrossRef]
- Ge, L.; Liu, J.; Wang, B.; Zhou, Y.; Yan, J.; Wang, M. Improved adaptive gray wolf genetic algorithm for photovoltaic intelligent edge terminal optimal configuration. Comput. Electr. Eng. 2021, 95, 107394–107409. [Google Scholar] [CrossRef]
- Wang, Y.; Hou, L.; Paul, K.C.; Ban, Y.; Chen, C.; Zhao, T. ArcNet: Series AC Arc Fault Detection Based on Raw Current and Convolutional Neural Network. IEEE Trans. Ind. Inform. 2022, 18, 77–86. [Google Scholar] [CrossRef]
- Xiong, Q.; Ji, S.; Zhu, L.; Zhong, L.; Liu, Y. A Novel DC Arc Fault Detection Method Based on Electromagnetic Radiation Signal. IEEE Trans. Plasma Sci. 2017, 45, 472–478. [Google Scholar] [CrossRef]
- Liu, X. A Series Arc Fault Location Method for DC Distribution System Using Time Lag of Parallel Capacitor Current Pulses. In Proceedings of the 2018 IEEE International Power Modulator and High Voltage Conference (IPMHVC), Jackson, WY, USA, 3–7 June 2018; pp. 218–222. [Google Scholar]
- Shekhar, A.; Ramirez-Elizondo, L.; Bandyopadhyay, S.; Mackay, L.; Bauera, P. Detection of Series Arcs Using Load Side Voltage Drop for Protection of Low Voltage DC Systems. IEEE Trans. Smart Grid 2018, 9, 6288–6297. [Google Scholar] [CrossRef] [Green Version]
- Lu, S.; Phung, B.T.; Zhang, D. A comprehensive review on DC arc faults and their diagnosis methods in photovoltaic systems. Renew. Sust. Energy Rev. 2018, 89, 88–98. [Google Scholar] [CrossRef]
- Xiong, Q.; Feng, X.; Gattozzi, A.L.; Liu, X.; Zheng, L.; Zhu, L.; Ji, S.; Hebner, R.E. Series Arc Fault Detection and Localization in DC Distribution System. IEEE Trans. Instrum. Meas. 2020, 69, 122–134. [Google Scholar] [CrossRef]
- Dang, H.; Kim, J.; Kwak, S.; Choi, S. Series DC Arc Fault Detection Using Machine Learning Algorithms. IEEE Access 2021, 9, 133346–133364. [Google Scholar] [CrossRef]
- Qu, N.; Wang, J.; Liu, J. An Arc Fault Detection Method Based on Current Amplitude Spectrum and Sparse Representation. IEEE Trans. Instrum. Meas. 2019, 68, 3785–3792. [Google Scholar] [CrossRef]
- Murakami, M.; Ryonai, H.; Kubono, T.; Sekikawa, J. Properties of Short Arc Phenomena on AgCu Electrical Contact Pairs for Automotive Electronics Devices. In Proceedings of the Electrical Contacts—53rd IEEE Holm Conference on Electrical Contacts, Pittsburgh, PA, USA, 16–19 September 2007; pp. 146–150. [Google Scholar]
- Yue, L.; Le, V.; Yang, Z.; Yao, X. A Novel Series Arc Fault Detection Method using Sparks in DC Microgrids with Buck Converter Interface. In Proceedings of the 2018 IEEE Energy Conversion Congress and Exposition (ECCE), Portland, OR, USA, 23–27 September 2018; pp. 492–496. [Google Scholar]
- Zhao, S.; Wang, Y.; Niu, F.; Zhu, C.; Xu, Y.; Li, K. A Series DC Arc Fault Detection Method Based on Steady Pattern of High-Frequency Electromagnetic Radiation. IEEE Trans. Plasma Sci. 2019, 47, 4370–4377. [Google Scholar] [CrossRef]
- Alam, M.K.; Khan, F.H.; Johnson, J.; Flicker, J. PV arc-fault detection using spread spectrum time domain reflectometry (SSTDR). In Proceedings of the 2014 IEEE Energy Conversion Congress and Exposition (ECCE), Pittsburgh, PA, USA, 14–18 September 2014; pp. 3294–3300. [Google Scholar]
- Georgijevic, N.L.; Jankovic, M.V.; Srdic, S.; Radakovic, Z. The Detection of Series Arc Fault in Photovoltaic Systems Based on the Arc Current Entropy. IEEE Trans. Power Electron. 2016, 31, 5917–5930. [Google Scholar] [CrossRef]
- Park, H.P.; Chae, S. DC Series Arc Fault Detection Algorithm for Distributed Energy Resources Using Arc Fault Impedance Modeling. IEEE Access 2020, 8, 179039–179046. [Google Scholar] [CrossRef]
- Gu, J.; Lai, D.; Wang, J.; Huang, J.; Yang, M. Design of a DC Series Arc Fault Detector for Photovoltaic System Protection. IEEE Trans. Ind. Appl. 2019, 55, 2464–2471. [Google Scholar] [CrossRef]
- Miao, W.; Xu, Q.; Lam, K.H.; Pong, P.W.T.; Poor, H.V. DC Arc-Fault Detection Based on Empirical Mode Decomposition of Arc Signatures and Support Vector Machine. IEEE Sens. J. 2021, 21, 7024–7033. [Google Scholar] [CrossRef]
- Liu, S.; Dong, L.; Liao, X.; Cao, X.; Wang, X.; Wang, B. Application of the Variational Mode Decomposition-Based Time and Time-Frequency Domain Analysis on Series DC Arc Fault Detection of Photovoltaic Arrays. IEEE Access 2019, 7, 126177–126190. [Google Scholar] [CrossRef]
- Wang, Z.; Balog, R.S. Arc Fault and Flash Signal Analysis in DC Distribution Systems Using Wavelet Transformation. IEEE Trans. Smart Grid 2015, 6, 1955–1963. [Google Scholar] [CrossRef]
- Chen, S.; Li, X.; Meng, Y.; Xie, Z. Wavelet-based protection strategy for series arc faults interfered by multicomponent noise signals in grid-connected photovoltaic systems. Sol. Energy 2019, 183, 327–336. [Google Scholar] [CrossRef]
- Li, K.; Zhao, S.; Wang, Y. A Planar Location Method for DC Arc Faults Using Dual Radiation Detection Points and DANN. IEEE Trans. Instrum. Meas. 2020, 69, 5478–5487. [Google Scholar] [CrossRef]
- Li, T.; Xiong, Q.; Li, R.; Liu, H.; Ji, S.; Li, J. DC Arc Fault Risk Degree Evaluation Based on Back Propagation Neural Network. In Proceedings of the 2021 Power System and Green Energy Conference (PSGEC), Shanghai, China, 20–22 August 2021; pp. 655–659. [Google Scholar]
- Yang, K.; Chu, R.; Zhang, R.; Xiao, J.; Tu, R. A Novel Methodology for Series Arc Fault Detection by Temporal Domain Visualization and Convolutional Neural Network. Sensors 2019, 20, 162. [Google Scholar] [CrossRef] [Green Version]
- Lu, S.; Sirojan, T.; Phung, B.T.; Zhang, D.; Ambikairajah, E. DA-DCGAN: An Effective Methodology for DC Series Arc Fault Diagnosis in Photovoltaic Systems. IEEE Access 2019, 7, 45831–45840. [Google Scholar] [CrossRef]
- Pedersen, E.; Rao, S.; Katoch, S.; Jaskie, K.; Spanias, A.; Tepedelenlioglu, C.; Kyriakides, E. PV Array Fault Detection using Radial Basis Networks. In Proceedings of the 2019 10th International Conference on Information, Intelligence, Systems and Applications (IISA), Patras, Greece, 15–17 July 2019; pp. 1–4. [Google Scholar]
- Luo, Z.; Li, J.; Zhu, Y. A Deep Feature Fusion Network Based on Multiple Attention Mechanisms for Joint Iris-Periocular Biometric Recognition. IEEE Signal Proc. Let. 2021, 28, 1060–1064. [Google Scholar] [CrossRef]
- Chollet, F. Xception: Deep Learning with Depthwise Separable Convolutions. In Proceedings of the 2017 IEEE Conference on Computer Vision and Pattern Recognition (CVPR), Honolulu, HI, USA, 21–26 July 2017; pp. 1800–1807. [Google Scholar]
- Shen, J.; Liu, N.; Sun, H.; Zhou, H. Vehicle Detection in Aerial Images Based on Lightweight Deep Convolutional Network and Generative Adversarial Network. IEEE Access 2019, 7, 148119–148130. [Google Scholar] [CrossRef]
- Mascarenhas, S.; Agarwal, M. A comparison between VGG16, VGG19 and ResNet50 architecture frameworks for Image Classification. In Proceedings of the 2021 International Conference on Disruptive Technologies for Multi-Disciplinary Research and Applications (CENTCON), Bengaluru, India, 19–21 November 2021; pp. 96–99. [Google Scholar]
- Tao, Y.; Zongyang, Z.; Jun, Z.; Xinghua, C.; Fuqiang, Z. Low-altitude small-sized object detection using lightweight feature-enhanced convolutional neural network. J. Syst. Eng. Electron. 2021, 32, 841–853. [Google Scholar] [CrossRef]










| Test No. | Description | Minimum Iarc/A | Impp/A | Vmpp/V | Voc/V | Gap/mm | Arcing Speed/(mm/s) |
|---|---|---|---|---|---|---|---|
| 1 | Arcing test | 2.5 | 3.0 | 312.0 | 480.0 | 0.8 | 2.5 |
| 2 | Arcing test | 14.0 | 16.0 | 318.0 | 490.0 | 1.1 | 5 |
| 3 | Arcing test | 22.5 | 25.0 | 318.0 | 490.0 | 2.5 | 5 |
| 4 | PV inverter startup | 2.5 | 3.0 | 312.0 | 480.0 | / 1 | / |
| 14.0 | 16.0 | 318.0 | 490.0 | / | / | ||
| 22.5 | 25.0 | 318.0 | 490.0 | / | / | ||
| 5 | Irradiance mutation | Mutation from 1.25 to 2.5 | Mutation from 1.5 to 3.0 | 312.0 | 480.0 | / | / |
| Mutation from 2.5 to 1.25 | Mutation from 3.0 to 1.5 | 312.0 | 480.0 | / | / | ||
| Mutation from 7.0 to 14.0 | Mutation from 8.0 to 16.0 | 318.0 | 490.0 | / | / | ||
| Mutation from 14.0 to 7.0 | Mutation from 16.0 to 8.0 | 318.0 | 490.0 | / | / | ||
| Mutation from 11.25 to 22.5 | Mutation from 12.5 to 25.0 | 318.0 | 490.0 | / | / | ||
| Mutation from 22.5 to 11.25 | Mutation from 25.0 to 12.5 | 318.0 | 490.0 | / | / |
| Time Window Scale/ms | Arc Fault State | Normal State |
|---|---|---|
| 1 | 0.05939 | 0.01268 |
| 4 | 0.06125 | 0.00185 |
| 6 | 0.07528 | 0.00265 |
| 8 | 0.06233 | 0.00195 |
| 10 | 0.24262 | 0.00140 |
| 12 | 0.02257 | 0.00085 |
| 15 | 0.18921 | 0.00110 |
| 17 | 0.37401 | 0.00151 |
| 20 | 0.21711 | 0.00806 |
| Network Model | Width | Depth | Resolution Ratio | Training Set Accuracy | Test Set Accuracy |
|---|---|---|---|---|---|
| B0 | 1.0 | 1.0 | 224 × 224 | 97.06% | 95.32% |
| B1 | 1.0 | 1.1 | 240 × 240 | 99.32% | 96.16% |
| B2 | 1.1 | 1.2 | 260 × 260 | 98.60% | 95.65% |
| B3 | 1.2 | 1.4 | 300 × 300 | 97.29% | 95.46% |
| ADAM Type | Training Set Accuracy/% | Test Set Accuracy/% |
|---|---|---|
| CS–Q | 99.92 | 98.36 |
| CS–H | 99.96 | 98.81 |
| SC–Q | 99.93 | 97.18 |
| SC–H | 99.95 | 98.38 |
| S–Q | 99.70 | 96.58 |
| S–H | 99.83 | 96.79 |
| C–Q | 99.82 | 97.37 |
| C–H | 99.90 | 97.32 |
| Current Value | Training Set Accuracy | Test Set Accuracy |
|---|---|---|
| 3 A | 100% | 99.97% |
| 16 A | 99.86% | 98.96% |
| 25 A | 99.68% | 97.87% |
| overall | 99.96% | 98.81% |
| Model | Training Set Accuracy/% | Test Set Accuracy/% |
|---|---|---|
| GoogLeNet | 96.37 | 96.23 |
| AlexNet | 96.91 | 96.83 |
| BP neural network [25] | \ | 95.23 |
| DA-DCGAN [27] | 98.80 | 97.68 |
| ADNet (ours) | 99.96 | 98.81 |
| Model | Total Parameters | Detection Accuracy | Computational Burden |
|---|---|---|---|
| GoogLeNet | 10.31 M | 96.23% | Medium |
| AlexNet | 14.59 M | 96.83% | Medium |
| Inception V3 [30] | 23.63 M | 94.10% | Large |
| Xception [30] | 22.86 M | 94.50% | Large |
| ResNet50 [31,32] | 23.48 M | 97.33% | Large |
| ADNet (ours) | 6.58 M | 94.10% | Small |
Publisher’s Note: MDPI stays neutral with regard to jurisdictional claims in published maps and institutional affiliations. |
© 2022 by the authors. Licensee MDPI, Basel, Switzerland. This article is an open access article distributed under the terms and conditions of the Creative Commons Attribution (CC BY) license (https://creativecommons.org/licenses/by/4.0/).
Share and Cite
Wang, Y.; Bai, C.; Qian, X.; Liu, W.; Zhu, C.; Ge, L. A DC Series Arc Fault Detection Method Based on a Lightweight Convolutional Neural Network Used in Photovoltaic System. Energies 2022, 15, 2877. https://doi.org/10.3390/en15082877
Wang Y, Bai C, Qian X, Liu W, Zhu C, Ge L. A DC Series Arc Fault Detection Method Based on a Lightweight Convolutional Neural Network Used in Photovoltaic System. Energies. 2022; 15(8):2877. https://doi.org/10.3390/en15082877
Chicago/Turabian StyleWang, Yao, Cuiyan Bai, Xiaopeng Qian, Wanting Liu, Chen Zhu, and Leijiao Ge. 2022. "A DC Series Arc Fault Detection Method Based on a Lightweight Convolutional Neural Network Used in Photovoltaic System" Energies 15, no. 8: 2877. https://doi.org/10.3390/en15082877
APA StyleWang, Y., Bai, C., Qian, X., Liu, W., Zhu, C., & Ge, L. (2022). A DC Series Arc Fault Detection Method Based on a Lightweight Convolutional Neural Network Used in Photovoltaic System. Energies, 15(8), 2877. https://doi.org/10.3390/en15082877

