Reduced-Order Extended State Observer-Based Sliding Mode Control for All-Clamped Plate Using an Inertial Actuator
Abstract
1. Introduction
2. System Description
2.1. Mathematic Model of the All-Clamped Plate
2.2. Problem Statement
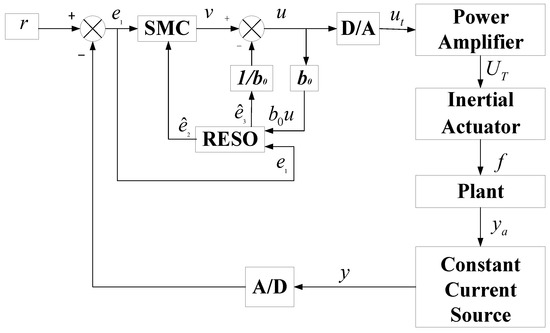
3. Controller Design for the Structural Vibration System
3.1. Traditional Extended State Observer Design
3.2. Reduced-Order Extended State Observer Design
3.3. Sliding Mode Controller Design
4. Stability Analysis of the Proposed Controllers
4.1. Convergence Analysis of RESO
4.2. Stability Analysis of Sliding Mode Controller
5. Experimental Verification
5.1. Experimental Set-Up
5.2. Experimental Results and Analysis
6. Conclusions
Author Contributions
Funding
Institutional Review Board Statement
Informed Consent Statement
Data Availability Statement
Acknowledgments
Conflicts of Interest
References
- Camperi, S.; Tehrani, M.G.; Elliott, S.J. Parametric study on the optimal tuning of an inertial actuator for vibration control of a plate: Theory and experiments. J. Sound Vib. 2018, 435, 1–22. [Google Scholar] [CrossRef]
- Kumar, Y. The Rayleigh-Ritz method for linear dynamic, static and buckling behavior of beams, shells and plates: A literature review. J. Vib. Control 2018, 24, 1205–1227. [Google Scholar] [CrossRef]
- Zhang, Y.; Xu, W.; Li, Z.; Yin, L. Design and dynamic analysis of low-frequency mounting system for marine thrust bearing. J. Braz. Soc. Mech. Sci. Eng. 2021, 43, 1–11. [Google Scholar] [CrossRef]
- Hayashi, Y.; Watanabe, M.; Hara, K. Active Feedback Control of a Web Flutter Using Flow Control Devices. J. Adv. Mech. Des. Syst. Manuf. 2010, 4, 269–280. [Google Scholar] [CrossRef][Green Version]
- Wang, Q.; Rajashekara, K.; Jia, Y.; Sun, J. A Real-Time Vibration Suppression Strategy in Electric Vehicles. IEEE Trans. Veh. Technol. 2017, 66, 7722–7729. [Google Scholar] [CrossRef]
- Kim, T.; Lee, U. Vibration Analysis of Thin Plate Structures Subjected to a Moving Force Using Frequency-Domain Spectral Element Method. Shock Vib. 2018, 2018, 1–27. [Google Scholar] [CrossRef]
- Sun, Y.; Qiang, H.; Xu, J.; Lin, G. Internet of Things-Based Online Condition Monitor and Improved Adaptive Fuzzy Control for a Medium-Low-Speed Maglev Train System. IEEE Trans. Ind. Inform. 2020, 16, 2629–2639. [Google Scholar] [CrossRef]
- Kim, T.; Ivantysynova, M. Active Vibration Control of Swash Plate-Type Axial Piston Machines with Two-Weight Notch Least Mean Square/Filtered-x Least Mean Square (LMS/FxLMS) Filters. Energies 2017, 10, 645. [Google Scholar] [CrossRef]
- Konieczny, J.; Sibielak, M.; Raczka, W. Active Vehicle Suspension with Anti-Roll System Based on Advanced Sliding Mode Controller. Energies 2020, 13, 5560. [Google Scholar] [CrossRef]
- Wang, X.; Pereira, E.; Diaz, I.M.; Garcia-Palacios, J.H. Velocity feedback for controlling vertical vibrations of pedestrian-bridge crossing. Practical guidelines. Smart Struct. Syst. 2018, 22, 95–103. [Google Scholar] [CrossRef]
- Camperi, S.; Tehrani, M.G.; Elliott, S.J. Local tuning and power requirements of a multi-input multi-output decentralised velocity feedback with inertial actuators. Mech. Syst. Signal Process. 2019, 117, 689–708. [Google Scholar] [CrossRef]
- Diaz, C.G.; Gardonio, P. Feedback control laws for proof-mass electrodynamic actuators. Smart Mater. Struct. 2007, 16, 1766–1783. [Google Scholar] [CrossRef]
- Zhang, L.; Li, S.; Zhu, C.; Li, J. ESO-Based Vibration Control for All-Clamped Plate Using an Electrodynamic Inertial Actuator. Int. J. Struct. Stab. Dyn. 2022, 22, 2250013. [Google Scholar] [CrossRef]
- Zilletti, M.; Gardonio, P.; Elliott, S.J. Optimisation of a velocity feedback controller to minimise kinetic energy and maximise power dissipation. J. Sound Vib. 2014, 333, 4405–4414. [Google Scholar] [CrossRef]
- Li, S.; Zhu, C.; Li, J.; Mao, Q. A nonlinear disturbance rejection vibration control for an all-clamped piezoelectric panel. Int. J. Appl. Electromagn. Mech. 2020, 64, 403–411. [Google Scholar] [CrossRef]
- Sun, L.; Lin, Y.; Geng, G.; Li, Z.; Jiang, H. Research on Switching Interconnection Modes and Game Control of Interconnected Air Suspension. Energies 2019, 12, 3218. [Google Scholar] [CrossRef]
- Takahashi, K.; Jargalsaikhan, N.; Rangarajan, S.; Hemeida, A.M.; Takahashi, H.; Senjyu, T. Output Control of Three-Axis PMSG Wind Turbine Considering Torsional Vibration Using H Infinity Control. Energies 2020, 13, 3474. [Google Scholar] [CrossRef]
- Sun, N.; Fang, Y.; Chen, H. Tracking control for magnetic-suspension systems with online unknown mass identification. Control Eng. Pract. 2017, 58, 242–253. [Google Scholar] [CrossRef]
- Li, S.; Zhu, C.; Mao, Q.; Su, J.; Li, J. Active disturbance rejection vibration control for an all-clamped piezoelectric plate with delay. Control Eng. Pract. 2021, 108, 104719. [Google Scholar] [CrossRef]
- Sun, Y.; Xu, J.; Lin, G.; Sun, N. Adaptive neural network control for maglev vehicle systems with time-varying mass and external disturbance. Neural Comput. Appl. 2021, 1–12. [Google Scholar] [CrossRef]
- Sun, N.; Wu, Y.; Chen, H.; Fang, Y. An energy-optimal solution for transportation control of cranes with double pendulum dynamics: Design and experiments. Mech. Syst. Signal Process. 2018, 102, 87–101. [Google Scholar] [CrossRef]
- Wang, J.; Li, S.; Yang, J.; Wu, B.; Li, Q. Extended state observer-based sliding mode control for PWM-based DC-DC buck power converter systems with mismatched disturbances. IET Control Theory Appl. 2015, 9, 579–586. [Google Scholar] [CrossRef]
- Pan, R.; Lin, G.; Shi, Z.; Zeng, Y.; Yang, X. The Application of Disturbance-Observer-Based Control in Breath Pressure Control of Aviation Electronic Oxygen Regulator. Energies 2021, 14, 5189. [Google Scholar] [CrossRef]
- Yang, J.; Li, S.; Yu, X. Sliding-Mode Control for Systems with Mismatched Uncertainties via a Disturbance Observer. IEEE Trans. Ind. Electron. 2013, 60, 160–169. [Google Scholar] [CrossRef]
- Zhang, J.; Liu, X.; Xia, Y.; Zuo, Z.; Wang, Y. Disturbance Observer-Based Integral Sliding-Mode Control for Systems with Mismatched Disturbances. IEEE Trans. Ind. Electron. 2016, 63, 7040–7048. [Google Scholar] [CrossRef]
- Han, J. From PID to Active Disturbance Rejection Control. IEEE Trans. Ind. Electron. 2009, 56, 900–906. [Google Scholar] [CrossRef]
- Wang, G.; Liu, R.; Zhao, N.; Ding, D.; Xu, D. Enhanced Linear ADRC Strategy for HF Pulse Voltage Signal Injection-Based Sensorless IPMSM Drives. IEEE Trans. Power Electron. 2019, 34, 514–525. [Google Scholar] [CrossRef]
- Xue, W.; Bai, W.; Yang, S.; Song, K.; Huang, Y.; Xie, H. ADRC with Adaptive Extended State Observer and its Application to Air-Fuel Ratio Control in Gasoline Engines. IEEE Trans. Ind. Electron. 2015, 62, 5847–5857. [Google Scholar] [CrossRef]
- Ren, C.; Li, X.; Yang, X.; Ma, S. Extended State Observer-Based Sliding Mode Control of an Omnidirectional Mobile Robot With Friction Compensation. IEEE Trans. Ind. Electron. 2019, 66, 9480–9489. [Google Scholar] [CrossRef]
- Huang, Y.; Xue, W. Active disturbance rejection control: Methodology and theoretical analysis. ISA Trans. 2014, 53, 963–976. [Google Scholar] [CrossRef]
- Wa, J.; Rong, J.; Li, Y. Reduced-order extended state observer based event-triggered sliding mode control for DC-DC buck converter system With parameter perturbation. Asian J. Control 2021, 23, 1591–1601. [Google Scholar] [CrossRef]
- Zhao, Z.-L.; Guo, B.-Z. A nonlinear extended state observer based on fractional power functions. Automatica 2017, 81, 286–296. [Google Scholar] [CrossRef]







| Parameter | Value |
|---|---|
| (kg) | 0.06 |
| (N/m) | 710.61 |
| 0.02 | |
| (N/A) | 3.4 |
| (Ω) | 7.5 |
| (H) | 0.002 |
| (Hz) | 16.3 |
| Controller | Output Voltage | Degree of Inhibition | FFT Amplitude | FFT Amplitude Reduction Value |
|---|---|---|---|---|
| Without control | 1.66 V | − | 2.65 dB | − |
| SMC-ESO | 0.75 V | 54.5% | −5.67 dB | 8.32 dB |
| SMC-RESO | 0.41 V | 75.2% | −10 dB | 12.65 dB |
Publisher’s Note: MDPI stays neutral with regard to jurisdictional claims in published maps and institutional affiliations. |
© 2022 by the authors. Licensee MDPI, Basel, Switzerland. This article is an open access article distributed under the terms and conditions of the Creative Commons Attribution (CC BY) license (https://creativecommons.org/licenses/by/4.0/).
Share and Cite
Zhai, J.; Li, S.; Xu, Z.; Zhang, L.; Li, J. Reduced-Order Extended State Observer-Based Sliding Mode Control for All-Clamped Plate Using an Inertial Actuator. Energies 2022, 15, 1780. https://doi.org/10.3390/en15051780
Zhai J, Li S, Xu Z, Zhang L, Li J. Reduced-Order Extended State Observer-Based Sliding Mode Control for All-Clamped Plate Using an Inertial Actuator. Energies. 2022; 15(5):1780. https://doi.org/10.3390/en15051780
Chicago/Turabian StyleZhai, Juan, Shengquan Li, Zhuang Xu, Luyao Zhang, and Juan Li. 2022. "Reduced-Order Extended State Observer-Based Sliding Mode Control for All-Clamped Plate Using an Inertial Actuator" Energies 15, no. 5: 1780. https://doi.org/10.3390/en15051780
APA StyleZhai, J., Li, S., Xu, Z., Zhang, L., & Li, J. (2022). Reduced-Order Extended State Observer-Based Sliding Mode Control for All-Clamped Plate Using an Inertial Actuator. Energies, 15(5), 1780. https://doi.org/10.3390/en15051780

