A Hybrid Approach in Design of Building Energy Management System with Smart Readiness Indicator and Building as a Service Concept
Abstract
:1. Introduction
1.1. Related Work–State of the Art
1.2. Contributions
- Design assumptions proposed by the author for a small prosumer installation (in a residential house or a small public/commercial building), with categories of devices as well as BACS and utility functions.
- The paper presents an original set of control functions for photovoltaic (PV) systems within the prosumer installation/microgrid, with proposed, possible assignment to the BACS efficiency classes defined in the EN 15232. It is the author’s original, new proposal to amend/supplement/revision of the EN 15232 standard provisions, considering new devices and functions to control PV panels and effectively manage the energy they produce.
- Functional designs of the BACS for small prosumer microgrid in residential house or small commercial, public buildings, based on the EN 15232 standard guidelines as well as the SRI services and presented in accordance with the convention adopted in the VDI 3813 standard [29].
- Strengths, Weaknesses, Opportunities and Threats (SWOT) analysis of proposed new hybrid approach to the design of the BACS and integrated, interpenetrating development of the SRI as well as EN 15232 provisions with guidelines for new, extended BACS and SRI impact on building energy performance.
2. Methods and Tools
2.1. Infrastructure and Fuctions for Small Prosumer Installations–Proposition in Context of BACS Development
2.2. Control and Monitoring Strategy for Prosumer Installations–Functional Analysis in Context of the SRI Development and Guidelines
- The ability to maintain energy performance and operation of the building through the adaptation of energy consumption for example through use of energy from renewable sources,
- The ability to adapt its operation mode in response to the needs of the occupant while paying due attention to the availability of user-friendliness, maintaining healthy indoor climate conditions and the ability to report on energy use,
- The flexibility of a building’s overall electricity demand, including its ability to enable participation in active and passive as well as implicit and explicit demand response, in relation to the grid, for example through flexibility and load shifting capacities.
2.3. A New Set of BACS Fuctions for Prosumer Installations–Proposition in Context of the EN 15232 Standard
3. Results
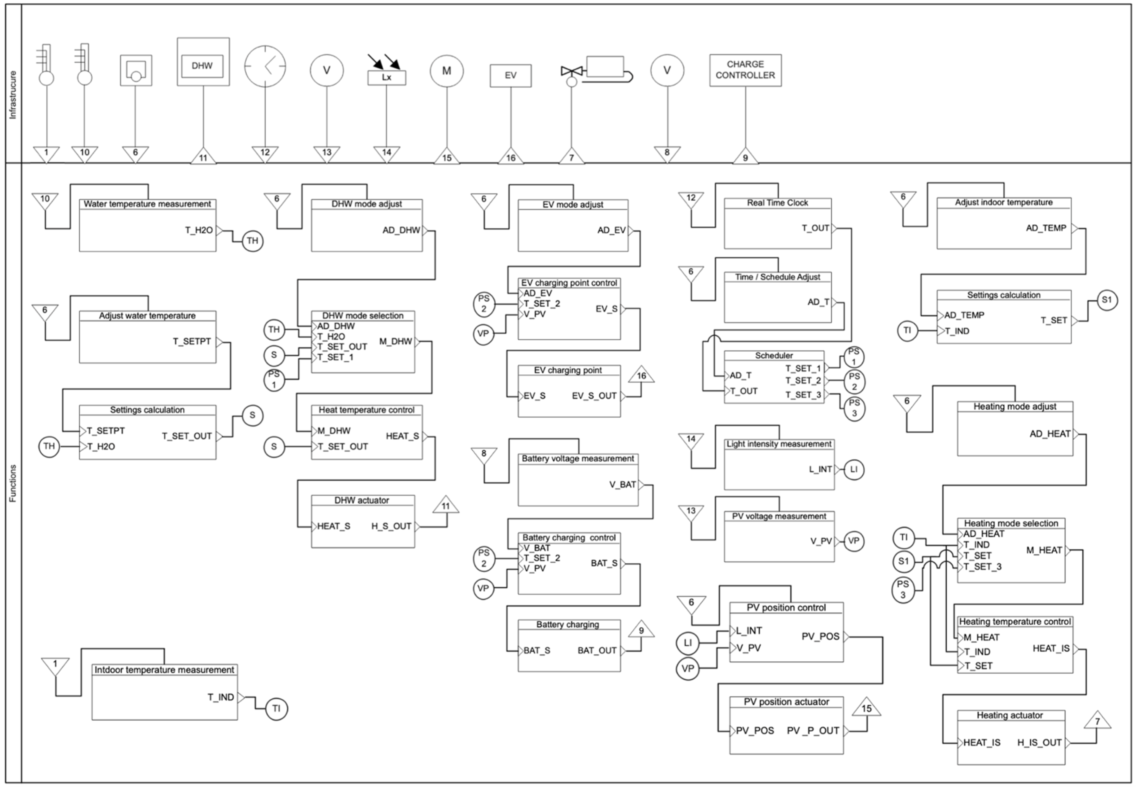
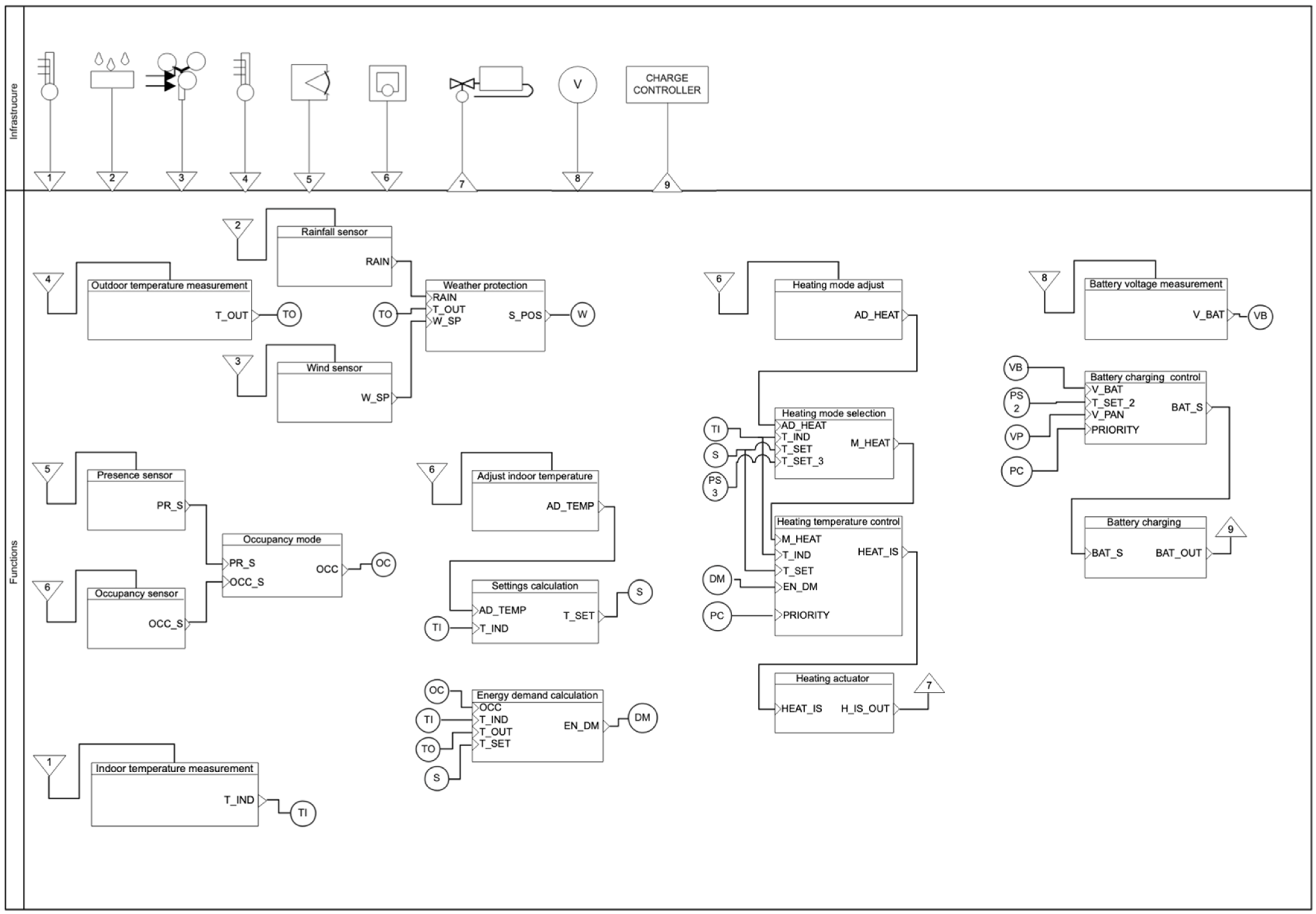
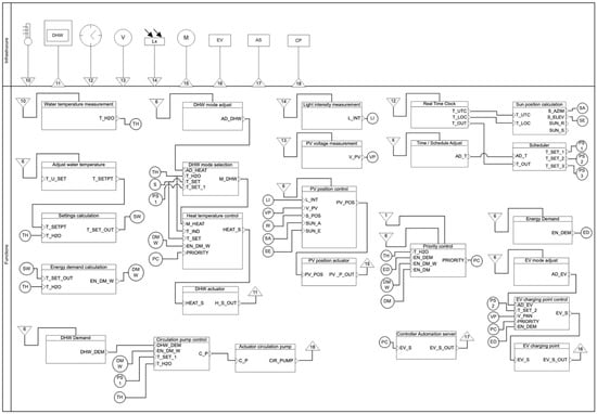
3.1. Functional Design of Control and Energy Management System for Small Prosumer Installation
- DHW heating temperature control taking into account the water temperature measurement, water temperature settings as well as the selected operating mode with the time schedule;
- Electric vehicle charging station power control, taking into account time schedule and PV output voltage measurement (PV is the main energy source to supply charging station); PV output voltage affects efficiency of the charge process;
- Battery charging control with charging controller, taking into account the PV output voltage as well as time schedule;
- PV panel position control with drive controller, taking into account the PV panel output voltage and light intensity;
- Heating control, taking into account the selected operating mode, time schedule as well as indoor temperature measurements.
- DHW installation control with variable heating time and supply depending on the demand as well as temperature management depending on the time schedule, priorities of control systems and the selected operating mode;
- Additional control of circulation pump for DHW system depending on DHW and energy demands as well as time schedule;
- Automatic EV charging station control depending on the demand, time schedule, selected operating mode, system priorities and the PV panels output voltage;
- Battery charging control with charging controller, taking into account the PV output voltage, time schedule as well as system priorities and energy demand;
- PV panel position control with drive controller, taking into account the PV panel output voltage, light intensity and data from weather station (rain detection, wind speed) with safety position as well as location and position coordinates of the Sun (azimuth, elevation);
- Heating control, taking into account the selected operating mode (global for building, individual for the rooms) with time schedule as well as indoor temperature measurements and depending on demand.
3.2. Evaluation of a Potential Impact of BACS on Building Energy Performance
4. Discussion
5. Conclusions
Funding
Institutional Review Board Statement
Informed Consent Statement
Conflicts of Interest
References
- Wang, N.; Xu, W.; Xu, Z.; Shao, W. Peer-to-Peer Energy Trading among Microgrids with Multidimensional Willingness. Energies 2018, 11, 3312. [Google Scholar] [CrossRef] [Green Version]
- Anvari-Moghaddam, A.; Rahimi-Kian, A.; Mirian, M.S.; Guerrero, J.M. A Multi-Agent Based Energy Management Solution for Integrated Buildings and Microgrid System. Appl. Energy 2017, 203, 41–56. [Google Scholar] [CrossRef] [Green Version]
- Ożadowicz, A. A New Concept of Active Demand Side Management for Energy Efficient Prosumer Microgrids with Smart Building Technologies. Energies 2017, 10, 1771. [Google Scholar] [CrossRef] [Green Version]
- EU. Directive 2010/31/EU of the European Parliament and of the Council of 19 May 2010 on the Energy Performance of Buildings (Recast). Off. J. Eur. Union 2010, 53, 13–35. [Google Scholar] [CrossRef]
- European Parliament. Directive 2012/27/EU of the European Parliament and of the Council of 25 October 2012 on Energy Efficiency. Off. J. Eur. Union Dir. 2012, 55, 1–56. [Google Scholar] [CrossRef]
- EN 15232; Energy Performance of Buildings—Impact of Building Automation, Controls and Building Management. European Committee for Standarization: Brussels, Belgium, 2017.
- Grela, J.; Ozadowicz, A. Building Automation Planning and Design Tool Implementing EN 15 232 BACS Efficiency Classes. In Proceedings of the 2016 IEEE 21st International Conference on Emerging Technologies and Factory Automation (ETFA), Berlin, Germany, 6–9 September 2016; pp. 1–4. [Google Scholar]
- European Parliament. Directive (EU) 2018/844 of the European Parliament and of the Council on the Energy Performance of Buildings. Off. J. Eur. Union Dir. 2018. [Google Scholar]
- Ramezani, B.; Silva, M.G.; da Simões, N. Application of Smart Readiness Indicator for Mediterranean Buildings in Retrofitting Actions. Energy Build. 2021, 249, 111173. [Google Scholar] [CrossRef]
- Verbeke, S.; Aerts, D.; Reynders, G.; Ma, Y.; Waide, P. Final Report on the Technical Support To the Development of a Smart Readiness Indicator For Buidings; Office of the European Union: Brussels, Belgium, 2020; ISBN 978-92-76-19197-1. [Google Scholar]
- BaaS Consortium Partners. Building as a Service. Final Report of the Project Funded by the European Community in the 7th Framework Programme ICT for Sustainable Growth. 2016. Available online: https://www.baas-project.eu/index.php/public/menunews.html (accessed on 28 December 2021).
- Froiz-Míguez, I.; Fernández-Caramés, T.; Fraga-Lamas, P.; Castedo, L. Design, Implementation and Practical Evaluation of an IoT Home Automation System for Fog Computing Applications Based on MQTT and ZigBee-WiFi Sensor Nodes. Sensors 2018, 18, 2660. [Google Scholar] [CrossRef] [Green Version]
- Delsing, J. Local Cloud Internet of Things Automation: Technology and Business Model Features of Distributed Internet of Things Automation Solutions. IEEE Ind. Electron. Mag. 2017, 11, 8–21. [Google Scholar] [CrossRef]
- Board of Directors of the Corporation Project Haystack—Documentation. Available online: https://project-haystack.org/doc/docHaystack/index (accessed on 28 December 2021).
- Ozadowicz, A.; Grela, J.; Wisniewski, L.; Smok, K. Application of the Internet of Things (IoT) Technology in Consumer Electronics—Case Study. In Proceedings of the 2018 IEEE 23th International Conference on Emerging Technologies and Factory Automation (ETFA), Turin, Italy, 4–7 September 2018; pp. 1037–1042. [Google Scholar]
- Beccali, M.; Bonomolo, M.; Galatioto, A.; Ippolito, M.G.; Zizzo, G. A Laboratory Setup for the Evaluation of the Effects of BACS and TBM Systems on Lighting. In Proceedings of the 2015 International Conference on Renewable Energy Research and Applications (ICRERA), Palermo, Italy, 22–25 November 2015; Volume 5, pp. 1388–1393. [Google Scholar]
- Beccali, M.; Bonomolo, M.; Ippolito, M.G.; Lo Brano, V.; Zizzo, G. Experimental Validation of the BAC Factor Method for Lighting Systems. In Proceedings of the 2017 IEEE International Conference on Environment and Electrical Engineering and 2017 IEEE Industrial and Commercial Power Systems Europe (EEEIC/I&CPS Europe), Milan, Italy, 6–9 June 2017; pp. 1–5. [Google Scholar]
- Felius, L.C.; Hamdy, M.; Hrynyszyn, B.D.; Dessen, F. The Impact of Building Automation Control Systems as Retrofitting Measures on the Energy Efficiency of a Typical Norwegian Single-Family House. IOP Conf. Ser. Earth Environ. Sci. 2020, 410, 012054. [Google Scholar] [CrossRef] [Green Version]
- Felius, L.C.; Hamdy, M.; Dessen, F.; Hrynyszyn, B.D. Upgrading the Smartness of Retrofitting Packages towards Energy-Efficient Residential Buildings in Cold Climate Countries: Two Case Studies. Buildings 2020, 10, 200. [Google Scholar] [CrossRef]
- Engvang, J.A.; Jradi, M. Auditing and Design Evaluation of Building Automation and Control Systems Based on Eu.Bac System Audit—Danish Case Study. Energy Built Environ. 2021, 2, 34–44. [Google Scholar] [CrossRef]
- Kaminska, A.; Ożadowicz, A. Lighting Control Including Daylight and Energy Efficiency Improvements Analysis. Energies 2018, 11, 2166. [Google Scholar] [CrossRef] [Green Version]
- Ożadowicz, A.; Grela, J. Energy Saving in the Street Lighting Control System—A New Approach Based on the EN-15232 Standard. Energy Effic. 2017, 10, 563–576. [Google Scholar] [CrossRef] [Green Version]
- al Dakheel, J.; del Pero, C.; Aste, N.; Leonforte, F. Smart Buildings Features and Key Performance Indicators: A Review. Sustain. Cities Soc. 2020, 61, 102328. [Google Scholar] [CrossRef]
- Fokaides, P.A.; Panteli, C.; Panayidou, A. How Are the Smart Readiness Indicators Expected to Affect the Energy Performance of Buildings: First Evidence and Perspectives. Sustainability 2020, 12, 9496. [Google Scholar] [CrossRef]
- Märzinger, T.; Österreicher, D. Supporting the Smart Readiness Indicator—A Methodology to Integrate A Quantitative Assessment of the Load Shifting Potential of Smart Buildings. Energies 2019, 12, 1955. [Google Scholar] [CrossRef] [Green Version]
- Märzinger, T.; Österreicher, D. Extending the Application of the Smart Readiness Indicator—A Methodology for the Quantitative Assessment of the Load Shifting Potential of Smart Districts. Energies 2020, 13, 3507. [Google Scholar] [CrossRef]
- Schönenberger, P. Eu. Bac System. Energy Build. 2015, 100, 16–19. [Google Scholar] [CrossRef]
- Engelsgaard, S.; Alexandersen, E.K.; Dallaire, J.; Jradi, M. IBACSA: An Interactive Tool for Building Automation and Control Systems Auditing and Smartness Evaluation. Build. Environ. 2020, 184, 107240. [Google Scholar] [CrossRef]
- VDI 3813. Gebäudeautomation (GA)—Raumautomation; Verein Deutscher Ingenieure e.V.: Dusseldorf, Germany, 2011. [Google Scholar]
- Mancini, F.; Lo Basso, G.; de Santoli, L. Energy Use in Residential Buildings: Impact of Building Automation Control Systems on Energy Performance and Flexibility. Energies 2019, 12, 2896. [Google Scholar] [CrossRef] [Green Version]
- Cockroft, J.; Cowie, A.; Samuel, A.; Strachan, P. Potential Energy Savings Achievable by Zoned Control of Individual Rooms in UK Housing Compared to Standard Central Heating Controls. Energy Build. 2017, 136, 1–11. [Google Scholar] [CrossRef] [Green Version]
- Kräuchi, P.; Dahinden, C.; Jurt, D.; Wouters, V.; Menti, U.-P.; Steiger, O. Electricity Consumption of Building Automation. Energy Procedia 2017, 122, 295–300. [Google Scholar] [CrossRef]
- Kwasnowski, P.; Fedorczak-Cisak, M. Methodology of Specification and Design of Public Utility Buildings to Reach the Maximum Energy Performance According to EPBD and EN 15232: 2012 Standard. Tech. Trans. Archit. 2014, 7-A, 133–138. [Google Scholar]
- Chadderton, D.V. Building Services Engineering; Routledge: London, UK, 2013; ISBN 9780203121320. [Google Scholar]
- Ploennigs, J.; Lehmann, M.; Wollschlaeger, B.; Mai, T.L.; Kabitzsch, K. Multi-Objective Device Selection Approach for Component-Based Automation Systems. In Proceedings of the 2014 IEEE Emerging Technology and Factory Automation (ETFA), Barcelona, Spain, 16–19 September 2014; pp. 1–8. [Google Scholar]
- Lehmann, M.; Mai, T.L.; Wollschlaeger, B.; Kabitzsch, K. Design Approach for Component-Based Automation Systems Using Exact Cover. In Proceedings of the 2014 IEEE Emerging Technology and Factory Automation (ETFA), Barcelona, Spain, 16–19 September 2014; pp. 1–8. [Google Scholar]
- Ozadowicz, A.; Grela, J. Impact of Building Automation Control Systems on Energy Efficiency—University Building Case Study. In Proceedings of the 2017 22nd IEEE International Conference on Emerging Technologies and Factory Automation (ETFA), Limassol, Cyprus, 12–15 September 2017; pp. 1–8. [Google Scholar]
- Technical University Dresden AUTERAS—Smart Building Design Tool. Available online: https://www.auteras.de (accessed on 31 December 2021).
- ABB Company An Integrated Building Automation Solution Environment. Available online: https://new.abb.com/news/detail/11238/an-integrated-building-automation-solution-environment (accessed on 31 December 2021).
- Ghazvini, M.A.F.; Soares, J.; Abrishambaf, O.; Castro, R.; Vale, Z. Demand Response Implementation in Smart Households. Energy Build. 2017, 143, 129–148. [Google Scholar] [CrossRef] [Green Version]



| Abbreviation Acronym | Definition |
|---|---|
| BACS | Building Automation and Control System |
| SRI | Smart Readiness Indicator |
| AC | Alternating Current |
| B2G | Building to Grid |
| BaaS | Building as a Service |
| BEMS | Building Energy Management System |
| BMS | Building Management System |
| DC | Direct Current |
| DHW | Domestic Hot Water |
| DSM | Demand Side Management |
| DSR | Demand Side Response |
| EPBD | Energy Performance of Buildings Directive |
| HVAC | Heating, Ventilation, and Air Conditioning |
| ICT | Information and Communication Technologies |
| M2M | Machine-to-Machine |
| PV | Photovoltaic |
| RES | Renewable Energy Sources |
| SG | Smart Grid |
| SOC | State of Charge |
| SWOT | Strengths, Weaknesses, Opportunities and Threats (analysis) |
| TBM | Technical Building Management |
| TBS | Technical Building Systems |
| System | Devices | Functions |
|---|---|---|
| PV solar panels | Air temperature sensor Sunlight sensor-daylight intensity Temperature sensor for solar panels Anemometer (wind speed measurement) Battery charging regulator Inverter Maximum Power Point (MPP) tracker—A follow module to maintain the maximum power of the panels | Weather station for a PV installation Control of the PV panels position of panels in the case of MPP tracker use Monitoring the influence of temperature on the performance of the PV panels Controlling the position of the panels parallel to the ground/roof surface (protection against the strong winds) |
| Heat pumps | Air temperature sensor Water temperature sensor Occupancy sensor Heat pump power controller | Space/room heating in buildings Heating of DHW Temperature control in the DHW tank with integrated electric heating Starting the storage tank charging time according to the time schedule Control of the heat pump source, taking into account the priorities of the BMS system and user settings |
| DC loads–direct current | Electric vehicle charging stations Storage tanks-batteries Electric heater-heating water in the tank (boiler) BACS controllers BACS and BMS modules Automation servers | Use of electricity from solar panels to charge batteries in electric vehicles Controlling the DC loads in accordance with the time schedule, BACS operating mode Collecting/harvesting electricity in the event of excess production from PV panels Power supply to the most important loads in the building in the event of a power failure Use of electricity from the solar panels to heat water Use of electricity from solar panels to power the BACS system modules |
| AC loads–alternating current | Electric loads in the building Controlled relays (circuits) Smart power sockets, lighting Audio-video equipment Household appliances Inverter-DC to AC converter Occupancy sensors Automation servers | Controlling the work of AC loads Supplying AC loads with energy from the DC power system after conversion Controlling the AC loads in accordance with the time schedule, BACS operating mode |
| Domain | Smart Ready Service | Functionality Level 0 (as Non-smart Default) | Functionality Level 1 | Functionality Level 2 | Functionality Level 3 | Functionality Level 4 |
|---|---|---|---|---|---|---|
| Domestic hot water | Control of DHW storage charging | None | HW storage vessels available | Automatic charging control based on local availability of renewables or information from electricity grid (DSR, DSM) | --- | --- |
| Cooling | Generator control for cooling production | On/off control of cooling production | Multi-stage control of cooling production capacity depending on the load or demand (e.g., on/off of several compressors) | Variable control of cooling production capacity depending on the load or demand (e.g., hot gas bypass, inverter frequency control) | Variable control of cooling production capacity depending on the load and external signals from grid | --- |
| Flexibility and grid interaction | No automatic control | Scheduled operation of cooling system | Self-learning optimal control of cooling system | Cooling system capable of flexible control through grid signals (e.g., DSM) | Optimized control of cooling system based on local predictions and grid signals (e.g., through model predictive control) | |
| Electricity | Storage of locally generated electricity | None | On site storage of electricity (e.g., electric battery) | On site storage of energy (e.g., electric battery or thermal storage) with controller based on grid signals | On site storage of energy (e.g., electric battery or thermal storage) with controller optimizing the use of locally generated electricity | On site storage of energy (e.g., electric battery or thermal storage) with controller optimizing the use of locally generated electricity and possibility to feedback into the grid |
| Reporting information regarding electricity consumption | None | Reporting on current electricity consumption on building level | Real-time feedback or benchmarking on building level | Real-time feedback or benchmarking on appliance level | Real-time feedback or benchmarking on appliance level with automated personalized recommendations | |
| Reporting information regarding local electricity generation | None | Current generation data available | Actual values and historical data | Performance evaluation including forecasting and/or benchmarking | Performance evaluation including forecasting and/or benchmarking also including predictive management and fault detection | |
| Reporting information regarding energy storage | None | Current state of charge (SOC) data available | Actual values and historical data | Performance evaluation including forecasting and/or benchmarking | Performance evaluation including forecasting and/or benchmarking also including predictive management and fault detection | |
| Electric vehicle charging | EV Charging Grid balancing | Not present (uncontrolled charging) | 1-way controlled charging (e.g., including desired departure time and grid signals for optimization) | 2-way controlled charging (e.g., including desired departure time and grid signals for optimization) | --- | --- |
| Monitoring and control | Single platform that allows automated control and coordination between TBS * + optimization of energy flow based on occupancy, weather and grid signals | None | Single platform that allows manual control of multiple TBS | Single platform that allows automated control and coordination between TBS | Single platform that allows automated control and coordination between TBS + optimization of energy flow based on occupancy, weather and grid signals | --- |
| Smart Grid integration | None–no harmonization between grid and TBS; building is operated independently from the grid load | Demand side management possible for (some) individual TBS, but not coordinated over various domains | Coordinated demand side management of multiple TBS | --- | --- | |
| Central reporting of TBS performance and energy use | None | Central or emote reporting of real-time energy use per energy carrier | Central or remote reporting of real-time energy use per energy carrier, combining TBS of at least 2 domains in one interface | Central or remote reporting of real-time energy use per energy carrier, combining TBS of all domains in one interface | --- |
| Definition of Classes | ||||||||||
|---|---|---|---|---|---|---|---|---|---|---|
| Residential | Non-Residential | |||||||||
| PV SOLAR SYSTEM CONTROL AND MANAGEMENT | D | C | B | A | D | C | B | A | ||
| 1 | PV PANEL POSITION CONTROL The availability of functions depends on the method of installation and assembly of the PV panels | |||||||||
| 0 | No automatic control | |||||||||
| 1 | Automatic control of the PV panel position | |||||||||
| 2 | Automatic control of the PV panel position with use of the system following the position of the Sun in connection with the weather station | |||||||||
| 2 | DOMESTIC HEAT WATER HEATING CONTROL Heating DHW with electricity from PV panels | |||||||||
| 0 | No automatic control | |||||||||
| 1 | Automatic control on/off with variable heating time | |||||||||
| 2 | Automatic control on/off with variable heating time and temperature management based on signals from several sensors | |||||||||
| 3 | POWER CONTROL OF ELECTRIC VEHICLE CHARGING STATION | |||||||||
| 0 | No automatic control | |||||||||
| 1 | Automatic control with a fixed time program/schedule to reduce the charging station working time | |||||||||
| 2 | Automatic control with an active demand prediction/management to reduce the charging station working time | |||||||||
| 4 | STORAGE–BATTERIES CHARGING CONTROL | |||||||||
| 0 | Automatic control on/off | |||||||||
| 1 | Automatic control with a fixed time program/schedule | |||||||||
| 2 | Automatic control with an active demand prediction/management and priority assessment | |||||||||
| 5 | MANAGEMENT OF POWER FROM PV PANELS | |||||||||
| 0 | Automatic control on/off | |||||||||
| 1 | Automatic control according to the time schedule of building infrastructure devices operation | |||||||||
| 2 | Automatic control according to the time schedule of building infrastructure devices operation with demand prediction/management | |||||||||
| 6 | SEQUENTIAL CONTROL OF SEVERAL PV PANEL GROUPS | |||||||||
| 0 | Time-only priorities | |||||||||
| 1 | Load level-only priorities | |||||||||
| 2 | Load level and demand priorities | |||||||||
| 3 | PV panels efficiency priorities: individual control of PV panels to allow panels to operate with the highest possible efficiency | |||||||||
| Residential Buildings Single Family Houses Apartment Block Other Residential Buildings | BACS Efficiency Factors | |
|---|---|---|
| BACS Efficiency Classes | Class C (Reference) | Class A |
| Thermal energy | 1 | 0.81 |
| Electric energy | 1 | 0.92 |
| Residential Buildings Single Family Houses Apartment Block Other Residential Buildings | BACS Efficiency Factors | |
|---|---|---|
| BACS Efficiency Classes | Class C (Reference) | Class A |
| Heating energy | 1 | 0.81 |
| Cooling energy | not determined | not determined |
| DHW | 1 | 0.80 |
| Lighting * (non-residential) | 1 | 0.72–1 |
| Auxiliary electric energy * (non-residential) | 1 | 0.72–0.96 |
| Strengths | Weaknesses |
|
|
| Opportunities | Threats |
|
|
Publisher’s Note: MDPI stays neutral with regard to jurisdictional claims in published maps and institutional affiliations. |
© 2022 by the author. Licensee MDPI, Basel, Switzerland. This article is an open access article distributed under the terms and conditions of the Creative Commons Attribution (CC BY) license (https://creativecommons.org/licenses/by/4.0/).
Share and Cite
Ożadowicz, A. A Hybrid Approach in Design of Building Energy Management System with Smart Readiness Indicator and Building as a Service Concept. Energies 2022, 15, 1432. https://doi.org/10.3390/en15041432
Ożadowicz A. A Hybrid Approach in Design of Building Energy Management System with Smart Readiness Indicator and Building as a Service Concept. Energies. 2022; 15(4):1432. https://doi.org/10.3390/en15041432
Chicago/Turabian StyleOżadowicz, Andrzej. 2022. "A Hybrid Approach in Design of Building Energy Management System with Smart Readiness Indicator and Building as a Service Concept" Energies 15, no. 4: 1432. https://doi.org/10.3390/en15041432
APA StyleOżadowicz, A. (2022). A Hybrid Approach in Design of Building Energy Management System with Smart Readiness Indicator and Building as a Service Concept. Energies, 15(4), 1432. https://doi.org/10.3390/en15041432
