Numerical Modeling of Energy Systems Based on Micro Gas Turbine: A Review
Abstract
1. Introduction
2. Simple and Recuperated Cycles
3. Enhanced Layouts
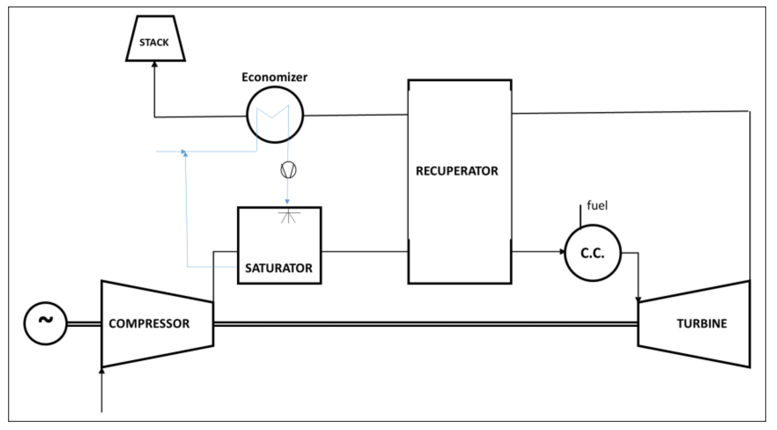
3.1. Humidified Gas Turbines
3.2. Externally Fired Micro Gas Turbines
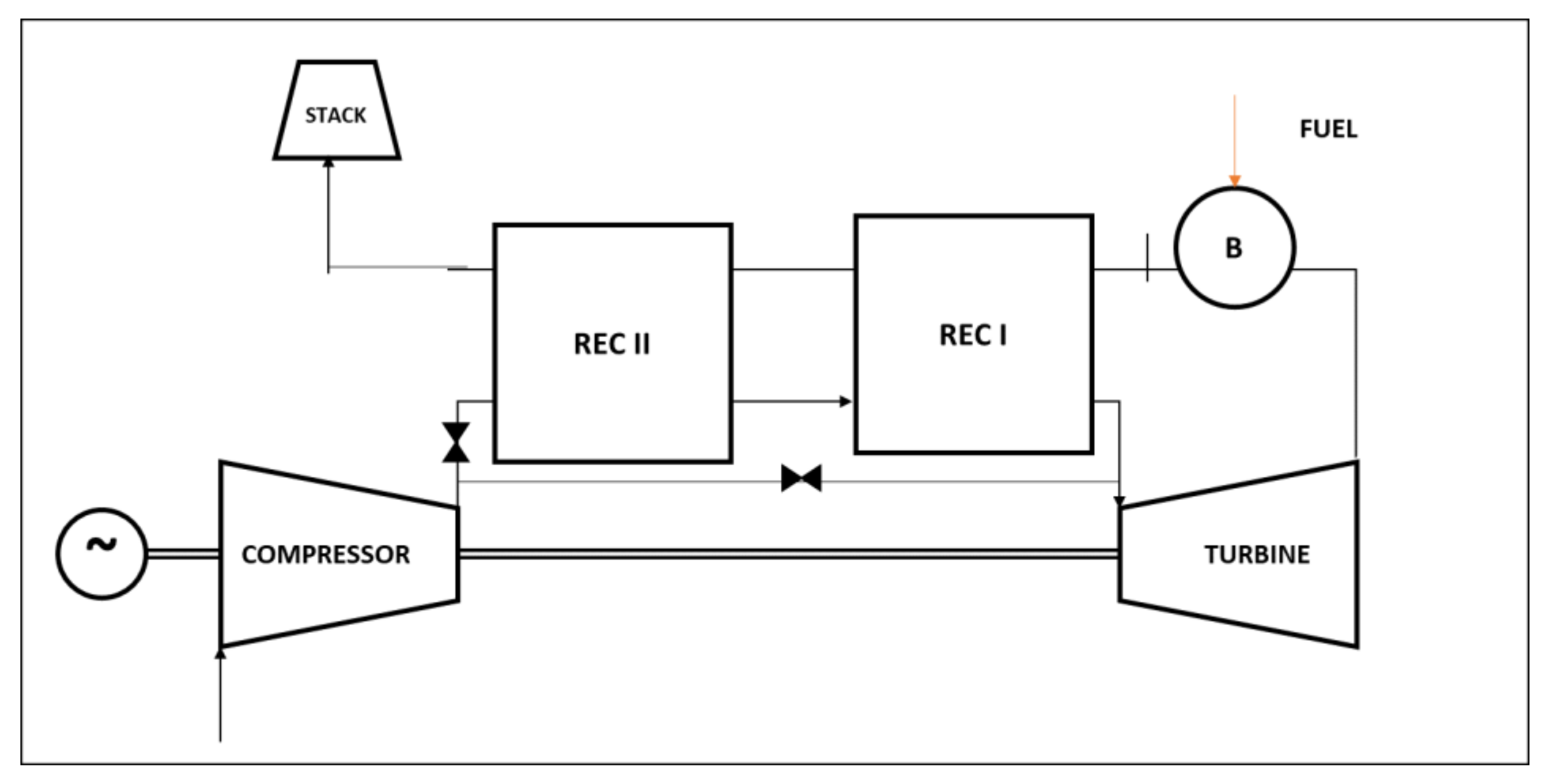
3.3. Further Layouts
4. Hybrid Energy Systems Based on MGT
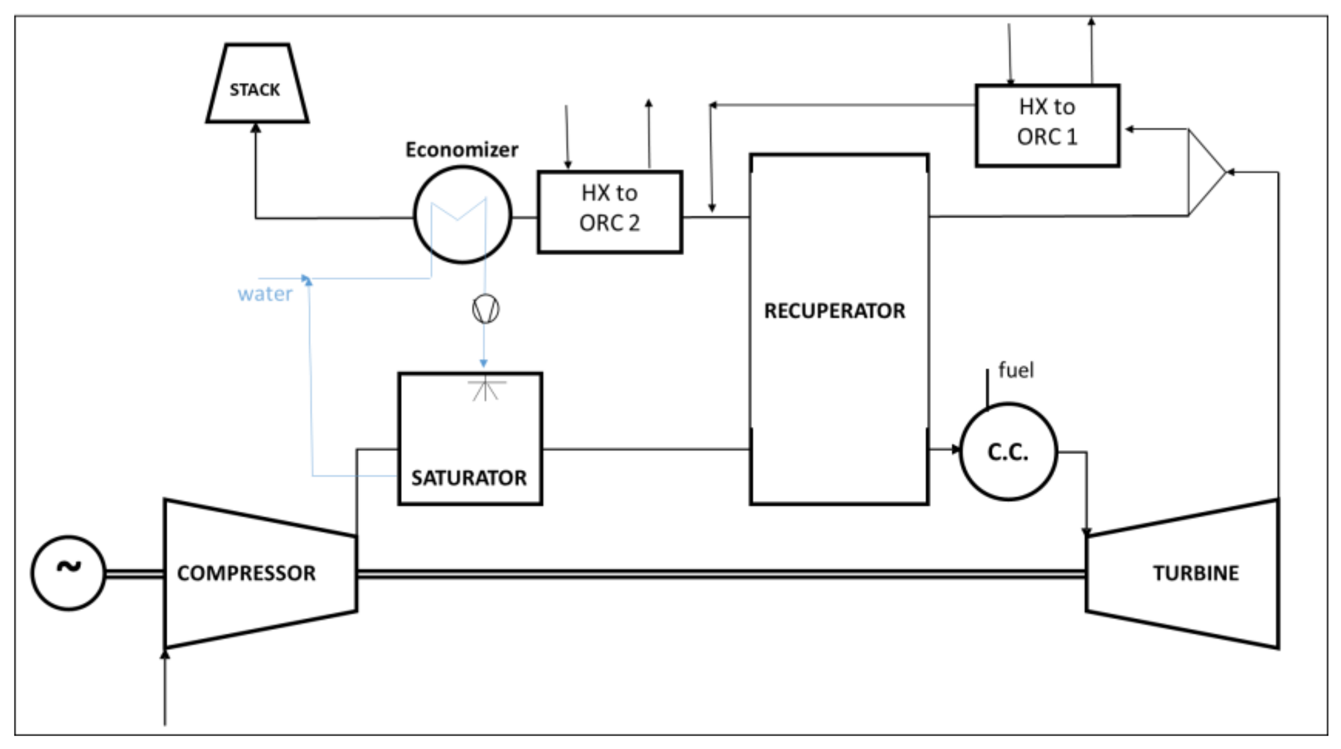
4.1. MGT—ORC Systems
4.2. SOFC—MGT Systems
4.3. Solar—MGT
4.4. MGTs in Distributed Energy Networks and Smart Energy Grids
5. The Role of CFD Analysis of the Combustion Process in Case of Alternative Fuels
6. Conclusions
Author Contributions
Funding
Institutional Review Board Statement
Informed Consent Statement
Data Availability Statement
Conflicts of Interest
Abbreviations
| B | Burner |
| C.C. | Combustion chamber |
| CFD | Computational fluid dynamics |
| CHP | Combined Heat and Power |
| CCHP | Combined Cooling Heat and Power |
| EFMGT | Externally Fired micro Gas Turbine |
| EGR | Exhaust gas recirculation |
| EMS | Energy management system |
| HAT | Humid Air Turbine |
| HGT | Humidified Gas Turbine |
| H-STIG | Humidified—steam injected gas turbine |
| HX | Heat exchanger |
| LHV | Lower heating value [kJ/kgK] |
| MGT | Micro Gas Turbine |
| mHAT | Micro Humid Air Turbine |
| ORC | Organic Rankine Cycle |
| PV | Photovoltaic |
| RANS | Reynolds averaged Navier Stokes |
| RQL | Rich-quench-lean |
| STIG | Steam Injection Gas Turbine |
| SOFC | Solid Oxide Fuel Cell |
References
- European Commission, Recovery Plan for Europe. Available online: https://ec.europa.eu/info/strategy/recovery-plan-europe_en (accessed on 15 November 2021).
- Pratt, R.G.; Balducci, P.J.; Gerkensmeyer, C.; Katipamula, S. The Smart Grid: An Estimation of the Energy and CO2 Benefits; Technical Report; U.S. Department of Energy: Washington, DC, USA, 2010. Available online: https://www.pnnl.gov/main/publications/external/technical_reports/PNNL-19112.pdf (accessed on 21 January 2022). [CrossRef]
- Yi, J.H.; Ko, W.; Park, J.K.; Park, H. Impact of carbon emission constraint on design of small scale multi-energy system. Energy 2018, 161, 792–808. [Google Scholar] [CrossRef]
- Pilavachi, P.A. Mini- and micro-gas turbines for combined heat and power. Appl. Therm. Eng. 2002, 22, 2003–2014. [Google Scholar] [CrossRef]
- Akorede, M.F.; Pouresmaeil, H.H.E. Distributed energy resources and benefits to the environment. Renew. Sust. Energy Rev. 2010, 14, 724–734. [Google Scholar] [CrossRef]
- Al-Hamdan, Q.Z.; Ebaid, M.S.Y. Modeling and Simulation of a Gas Turbine Engine for Power Generation. ASME J. Eng. Gas Turbines Power 2006, 128, 302–311. [Google Scholar] [CrossRef]
- Wendt, J.F. (Ed.) Computational Fluid Dynamics: An Introduction; Springer Science & Business Media: Berlin/Heidelberg, Germany, 1992; ISBN 978-3-540-53460-0. [Google Scholar]
- Gopisetty, S.; Treffinger, P. Generic Combined Heat and Power (CHP) Model for the Concept Phase of Energy Planning Process. Energies 2017, 10, 11. [Google Scholar] [CrossRef]
- Gimelli, A.; Sannino, R. A micro gas turbine one-dimensional model: Approach description, calibration with a vector optimization methodology and validation. Appl. Therm. Eng. 2021, 188, 116644. [Google Scholar] [CrossRef]
- Saravanamuttoo, H.I.H.; Rogers, G.F.C.; Cohen, H.; Straznicky, P.V. Gas Turbine Theory, 6th ed.; Pearson: London, UK, 2009; ISBN 978-0-12-222437-6. [Google Scholar]
- Hosseinimaab, S.M.; Tousi, A.M. A new approach to off-design performance analysis of gas turbine engines and its application. Energy Convers. Manag. 2021, 243, 114411. [Google Scholar] [CrossRef]
- Altarazi, Y.S.M.; Abu Talib, A.R.; Gires, E.; Yu, J.; Lucas, J.; Yusaf, T. Performance and exhaust emissions rate of small-scale turbojet engine running on dual biodiesel blends using Gasturb. Energy 2021, 232, 120971. [Google Scholar] [CrossRef]
- Malinowski, L.; Lewandowska, M. Analytical model-based energy and exergy analysis of a gas microturbine at part-load operation. Appl. Therm. Eng. 2013, 57, 125–132. [Google Scholar] [CrossRef]
- Nikpey Somehsaraei, J.; Mansouri, M.; Majoumerd, M.M.; Breuhaus, P.; Assadi, M. Performance analysis of a biogas-fueled micro gas turbine using a validated thermodynamic model. Appl. Therm. Eng. 2014, 66, 181–190. [Google Scholar] [CrossRef]
- Cáceres, C.X.; Cáceres, R.E.; Hein, D.; Molina, M.G.; Pia, J.M. Biogas production from grape pomace: Thermodynamic model of the process and dynamic model of the power generation system. Int. J. Hydrog. Energy 2012, 37, 10111–10117. [Google Scholar] [CrossRef]
- Caresana, F.; Pelagalli, L.; Comodi, G.; Renzi, M. Microturbogas cogeneration systems for distributed generation: Effects of ambient temperature on global performance and component’s behavior. Appl. Energy 2014, 124, 17–27. [Google Scholar] [CrossRef]
- Gimelli, A.; Sannino, R. A multi-variable multi-objective methodology for experimental data and thermodynamic analysis validation: An application to micro gas turbines. Appl. Therm. Eng. 2018, 134, 501–512. [Google Scholar] [CrossRef]
- Gimelli, A.; Sannino, R. Thermodynamic model validation of Capstone C30 micro gas turbine. Energy Procedia 2017, 126, 955–962. [Google Scholar] [CrossRef]
- Gimelli, A.; Sannino, R. A vector optimization methodology applied to thermodynamic model calibration of a micro gas turbine CHP plant. Energy Procedia 2018, 148, 2–9. [Google Scholar] [CrossRef]
- Duan, J.; Sun, L.; Wang, G.; Wu, F. Nonlinear modeling of regenerative cycle micro gas turbine. Energy 2015, 91, 168–175. [Google Scholar] [CrossRef]
- Zornek, T.; Monz, T.; Aigner, M. Performance analysis of the micro gas turbine Turbec T100 with a new FLOX-combustion system for low calorific fuels. Appl. Energy 2015, 159, 276–284. [Google Scholar] [CrossRef]
- Panne, T.; Widenhorn, A.; Boyde, J.; Matha, D.; Abel, V.; Aigner, M. Thermodynamic Process Analysis of SOFC/GT Hybrid Cycles. In Proceedings of the 5th International Energy Conversion Engineering Conference and Exhibit (IECEC), St. Louis, MO, USA, 25–27 June 2007. Paper No. 2007-4833. [Google Scholar]
- Henke, M.; Monz, T.; Aigner, M. Inverted Brayton cycle with exhaust gas recirculation—A numerical investigation. J. Eng. Gas Turb. Power 2013, 135, 091203. [Google Scholar] [CrossRef]
- Henke, M.; Klempp, N.; Hohloch, M.; Monz, T.; Aigner, M. Validation of a T100 micro gas turbine steady-state simulation tool. In Proceedings of the ASME Turbo Expo 2015, Montreal, QC, Canada, 15–19 June 2015. Paper No. GT2015-42090. [Google Scholar]
- Visser, W.P.J.; Shakariyants, S.A.; Oostveen, M. Development of a 3 kW Micro Turbine for CHP Applications. J. Eng. Gas Turbine Power 2011, 133, 042301. [Google Scholar] [CrossRef]
- Visser, W.P.J.; Dountchev, I.D. Modeling thermal effects on performance of small gas turbines. In Proceedings of the ASME Turbo Expo 2015, Montreal, QC, Canada, 15–19 June 2015. Paper No. GT2015-42744. [Google Scholar]
- di Gaeta, A.; Reale, F.; Chiariello, F.; Massoli, P. A dynamic model of a 100 kW micro gas turbine fuelled with natural gas and hydrogen blends and its application in a hybrid energy grid. Energy 2017, 129, 299–320. [Google Scholar] [CrossRef]
- Jonsson, M.; Yan, J. Humidified gas turbines—A review of proposed and implemented cycles. Energy 2005, 30, 1013–1078. [Google Scholar] [CrossRef]
- Parente, J.; Traverso, A.; Massardo, A.F. Micro Humid air cycle part A: Thermodynamic and technical aspects. In Proceedings of the ASME Turbo Expo 2003, Atlanta, GA, USA, 16–19 June 2003; pp. 221–229, Paper No. GT2003-38326. [Google Scholar]
- Parente, J.; Traverso, A.; Massardo, A.F. Micro humid air cycle part B: Thermoeconomic analysis. In Proceedings of the ASME Turbo Expo 2003, Atlanta, GA, USA, 16–19 June 2003. Paper No. GT2003-38328. [Google Scholar]
- De Paepe, W.; Delattin, F.; Bram, S.; De Ruyk, J. Steam injection experiments in a microturbine—A thermodynamic performance analysis. Appl. Energy 2012, 97, 569–576. [Google Scholar] [CrossRef]
- Montero Carrero, M.; De Paepe, W.; Bram, S.; Parente, A.; Contino, F. Does humidification improve the micro Gas Turbine cycle? Thermodynamic assessment based on Sankey and Grassmann diagrams. Appl. Energy 2017, 204, 1163–1171. [Google Scholar] [CrossRef]
- Ali, U.; Font-Palma, C.; Hughes, K.J.; Ingham, D.B.; Ma, L.; Pourkashanian, M. Thermodynamic analysis and process system comparison of the exhaust gas recirculated, steam injected and humidified micro gas turbine. In Proceedings of the ASME Turbo Expo 2015, Montreal, QC, Canada, 15–19 June 2015. Paper No. GT2015-42688. [Google Scholar]
- Reale, F.; Sannino, R. Water and steam injection in micro gas turbine supplied by hydrogen enriched fuels: Numerical investigation and performance analysis. Int. J. Hydrog. Energy 2021, 46, 24366–24381. [Google Scholar] [CrossRef]
- De Paepe, W.; Montero Carrero, M.; Bram, S.; Contino, F.; Parente, A. Waste heat recovery optimization in micro gas turbine applications using advanced humidified gas turbine cycle concepts. Appl. Energy 2017, 207, 218–229. [Google Scholar] [CrossRef]
- De Paepe, W.; Pappa, A.; Montero Carrero, M.; Bricteux, L.; Contino, F. Reducing waste heat to the minimum: Thermodynamic assessment of the M-power cycle concept applied to micro Gas Turbines. Appl. Energy 2020, 279, 115898. [Google Scholar] [CrossRef]
- Wan, K.; Zhang, S.; Wang, J.; Xiao, Y. Performance of humid air turbine with exhaust gas expanded to below ambient pressure based on microturbine. Energy Convers. Manag. 2010, 51, 2127–2133. [Google Scholar] [CrossRef]
- Al-attab, K.A.; Zainal, Z.A. Externally fired gas turbine technology: A review. Appl. Energy 2015, 138, 474–487. [Google Scholar] [CrossRef]
- Traverso, A.; Massardo, A.F.; Scarpellini, R. Externally Fired micro-Gas Turbine: Modelling and experimental performance. Appl. Therm. Eng. 2006, 26, 1935–1941. [Google Scholar] [CrossRef]
- Traverso, A.; Magistri, L.; Scarpellini, R.; Massardo, A.F. Demonstration plant and expected performance of an externally fired microgas turbine for distributed power generation. In Proceedings of the ASME Turbo Expo 2003, Atlanta, GA, USA, 16–19 June 2003. Paper No. GT2003-38268. [Google Scholar]
- Traverso, A.; Calzolari, F.; Massardo, A.F. Transient behaviour and control system for micro gas turbine advanced cycles. J. Eng. Gas Turbines Power 2005, 127, 340–347. [Google Scholar] [CrossRef]
- Magistri, L. Hybrid systems for distributed generation. Ph.D. Thesis, University of Genoa, Genoa, Italy, 2003. [Google Scholar]
- Pantaleo, A.M.; Camporeale, S.M.; Shah, N. Thermo-economic assessment of externally fired micro-gas turbine fired by natural gas and biomass: Applications in Italy. Energy Convers. Manag. 2013, 75, 202–213. [Google Scholar] [CrossRef]
- Riccio, G.; Chiaramonti, D. Design and simulation of a small polygeneration plant cofiring biomass and natural gas in a dual combustion micro gas turbine (BIO_MGT). Biomass Bioenergy 2009, 33, 1520–1531. [Google Scholar] [CrossRef]
- Datta, A.; Ganguly, R.; Sarkar, L. Energy and exergy analyses of an externally fired gas turbine (EFGT) cycle integrated with biomass gasifier for distributed power generation. Energy 2010, 35, 341–350. [Google Scholar] [CrossRef]
- Cameretti, M.C.; Piazzesi, R.; Reale, F.; Tuccillo, R. Combustion Simulation of an Exhaust Gas Recirculation Operated Micro-gas Turbine. J. Eng. Gas Turbines Power 2009, 131, 051701. [Google Scholar] [CrossRef]
- Majoumerd, M.M.; Somehsaraei, H.N.; Assadi, M.; Breuhaus, P. Micro gas turbine configurations with carbon capture—Performance assessment using a validated thermodynamic model. Appl. Therm. Eng. 2014, 73, 172–184. [Google Scholar] [CrossRef]
- Nikpei, H.; Majoumerd, M.M.; Assadi, M.; Brreuhaus, P. Thermodynamic analysis of innovative micro gas turbine cycles. In Proceedings of the ASME Turbo Expo 2014, Düsseldorf, Germany, 16–20 June 2014. Paper No. GT2014-26917. [Google Scholar]
- Ali, U.; Hughes, K.J.; Ingham, D.B.; Ma, L.; Pourkashanian, M. Effect of the CO2 enhancement on the performance of a micro gas turbine with a pilot-scale CO2 capture plant. Chem. Eng. Res. Des. 2017, 117, 11–23. [Google Scholar] [CrossRef]
- Hampel, B.; Bauer, S.; Heublein, N.; Hirsch, C.; Sattelmayer, T. Feasibility Study on Dehydrogenation of LOHC Using Excess Exhaust Heat from a Hydrogen Fueled Micro Gas Turbine. In Proceedings of the ASME Turbo Expo 2015, Montreal, QC, Canada, 15–19 June 2015. Paper No. GT2015-43168. [Google Scholar]
- Manwell, J.F. Hybrid Energy Systems. In Encyclopedia of Energy; Cleveland, C.J., Ed.; Elsevier: Amsterdam, The Netherlands, 2004; pp. 215–229. ISBN 978-0-12-176480-7. [Google Scholar] [CrossRef]
- Invernizzi, C.; Iora, P.; Silva, P. Bottoming micro-Rankine cycles for micro-gas turbines. Appl. Therm. Eng. 2007, 27, 100–110. [Google Scholar] [CrossRef]
- Mago, P.J.; Chamra, L.M.; Srinivasan, K.; Somayaji, C. An examination of regenerative organic Rankine cycles using dry fluids. Appl. Therm. Eng. 2008, 28, 998–1007. [Google Scholar] [CrossRef]
- Javanshir, A.; Sarunac, N.; Razzaghpanah, Z. Thermodynamic Analysis of ORC and Its Application for Waste Heat Recovery. Sustainability 2017, 9, 1974. [Google Scholar] [CrossRef]
- Bonolo de Campos, G.; Bringhenti, C.; Traverso, A.; Tomita, J.T. A Review on Combining Micro Gas Turbines with Organic Rankine Cycles. In Proceedings of the E3S Web of Conference, Savona, Italy, 4–6 September 2019; Volume 113. [Google Scholar]
- Chacartegui, R.; Becerra, J.A.; Blanco, M.J.; Muñoz-Escalona, J.M. A Humid Air Turbine–Organic Rankine Cycle combined cycle for distributed microgeneration. Energy Convers. Manag. 2015, 104, 115–126. [Google Scholar] [CrossRef]
- Moradi, R.; Marcantonio, V.; Cioccolanti, L.; Bocci, E. Integrating biomass gasification with a steam-injected micro gas turbine and an Organic Rankine Cycle unit for combined heat and power production. Energy Convers. Manag. 2020, 205, 112464. [Google Scholar] [CrossRef]
- Nazari, N.; Mousavi, S.; Mirjalili, S. Exergo-economic analysis and multi-objective multi-verse optimization of a solar/biomass-based trigeneration system using externally-fired gas turbine, organic Rankine cycle and absorption refrigeration cycle. Appl. Therm. Eng. 2021, 191, 116889. [Google Scholar] [CrossRef]
- Nazari, N.; Porkhial, S. Multi-objective optimization and exergo-economic assessment of a solar-biomass multi-generation system based on externally-fired gas turbine, steam and organic Rankine cycle, absorption chiller and multi-effect desalination. Appl. Therm. Eng. 2020, 179, 115521. [Google Scholar] [CrossRef]
- Xiao, G.; Chen, J.; Ni, M.; Cen, K. A solar micro gas turbine system combined with steam injection and ORC bottoming cycle. Energy Convers. Manag. 2021, 243, 114032. [Google Scholar] [CrossRef]
- Cameretti, M.C.; Ferrara, F.; Gimelli, A.; Tuccillo, R. Employing Micro-Turbine Components in Integrated Solar-mGT-ORC Power Plants. In Proceedings of the ASME Turbo Expo 2015, Montreal, QC, Canada, 15–19 June 2015. Paper No. GT2015-42572. [Google Scholar]
- Baccioli, A.; Ferrari, L.; Vizza, F.; Desideri, U. Potential energy recovery by integrating an ORC in a biogas plant. Appl. Energy 2019, 256, 113960. [Google Scholar] [CrossRef]
- Reale, F.; Sannino, R.; Calabria, R.; Massoli, P. Numerical study of a small-scale micro gas turbine-ORC power plant integrated with biomass gasifier. In Proceedings of the ASME Turbo Expo 2020, Online. 21–25 September 2020. Paper No: GT2020-15401. [Google Scholar]
- Costamagna, P.; Magistri, L.; Massardo, A.F. Design and part-load performance of a hybrid system based on a solid oxide fuel cell reactor and a micro gas turbine. J. Power Sources 2001, 96, 352–368. [Google Scholar] [CrossRef]
- Ferrari, M.L.; Traverso, A.; Magistri, L.; Massardo, A.F. Influence of the anodic recirculation transient behaviour on the SOFC hybrid system performance. J. Power Sources 2005, 149, 22–32. [Google Scholar] [CrossRef]
- Kaneko, T.; Brouwer, J.; Samuelsen, G.S. Power and temperature control of fluctuating biomass gas fueled solid oxide fuel cell and micro gas turbine hybrid system. J. Power Sources 2006, 160, 316–325. [Google Scholar] [CrossRef]
- Bang-Møller, C.; Rokni, M. Thermodynamic performance study of biomass gasification, solid oxide fuel cell and micro gas turbine hybrid systems. Energy Convers. Manag. 2010, 51, 2330–2339. [Google Scholar] [CrossRef]
- Bang-Møller, C.; Rokni, M.; Elmegaard, B. Exergy analysis and optimization of a biomass gasification, solid oxide fuel cell and micro gas turbine hybrid system. Energy 2011, 36, 4740–4752. [Google Scholar] [CrossRef]
- Bakalis, D.P.; Stamatis, A.G. Incorporating available micro gas turbines and fuel cell: Matching considerations and performance evaluation. Appl. Energy 2013, 103, 607–617. [Google Scholar] [CrossRef]
- Fryda, L.; Panopoulos, K.D.; Kakaras, E. Integrated CHP with autothermal biomass gasification and SOFC–MGT. Energy Convers. Manag. 2008, 49, 281–290. [Google Scholar] [CrossRef]
- Zhao, H.; Hou, Q. Thermodynamic performance study of the MR SOFC-HAT-CCHP system. Int. J. Hydrog. Energy 2019, 44, 4332–4349. [Google Scholar] [CrossRef]
- Ebrahimi, M.; Moradpoor, I. Combined solid oxide fuel cell, micro-gas turbine and organic Rankine cycle for power generation (SOFC-MGT-ORC). Energy Convers. Manag. 2016, 116, 120–133. [Google Scholar] [CrossRef]
- Wongchanapai, S.; Iwai, H.; Saito, M.; Yoshida, H. Performance evaluation of a direct-biogas solid oxide fuel cell-micro gas turbine (SOFC-MGT) hybrid combined heat and power (CHP) system. J. Power Sources 2013, 223, 9–17. [Google Scholar] [CrossRef]
- Krummrein, T.; Henke, M.; Kutne, P.; Aigner, M. Numerical analysis of operating range and SOFC-off-gas combustor requirements of a biogas powered SOFC-MGT hybrid power plant. Appl. Energy 2018, 232, 598–606. [Google Scholar] [CrossRef]
- Di Carlo, A.; Borello, D.; Bocci, E. Process simulation of a hybrid SOFC/mGT and enriched air/steam fluidized bed gasifier power plant. Int. J. Hydrog. Energy 2013, 38, 5857–5874. [Google Scholar] [CrossRef]
- Perna, A.; Minutillo, G.; Jannelli, E.; Cigolotti, V.; Nam, S.W. Performance assessment of a hybrid SOFC/MGT cogeneration power plant fed by syngas from a biomass down-draft gasifier. Appl. Energy 2018, 227, 80–91. [Google Scholar] [CrossRef]
- Isfahani, S.N.R.; Sedaghat, A. Hybrid micro gas turbine and solid state fuel cell power plant with hydrogen production and CO2 capture. Int. J. Hydrog. Energy 2016, 41, 9490–9499. [Google Scholar] [CrossRef]
- Zhen, Z.; Liu, T.; Liu, Q.; Lei, J.; Fang, J. A distributed energy system integrating SOFC-MGT with mid-and-low temperature solar thermochemical hydrogen fuel production. Int. J. Hydrog. Energy 2021, 46, 19846–19860. [Google Scholar] [CrossRef]
- Karimi, M.H.; Chitgar, N.; Emadi, M.A.; Ahmadi, P.; Rosen, M.A. Performance assessment and optimization of a biomass-based solid oxide fuel cell and micro gas turbine system integrated with an organic Rankine cycle. Int. J. Hydrog. Energy 2020, 45, 6262–6277. [Google Scholar] [CrossRef]
- Pantaleo, A.M.; Fordham, J.; Oyewunmi, J.F.; De Palma, P.; Markides, C.N. Integrating cogeneration and intermittent waste-heat recovery in food processing: Microturbines vs. ORC systems in the coffee roasting industry. Appl. Energy 2018, 225, 782–796. [Google Scholar] [CrossRef]
- Kautz, M.; Hansen, U. The externally-fired gas-turbine (EFGT-Cycle) for decentralized use of biomass. Appl. Energy 2007, 84, 795–805. [Google Scholar] [CrossRef]
- Aichmayer, L.; Spelling, J.; Laumert, B. Preliminary design and analysis of a novel solar receiver for a micro gas-turbine based solar dish system. Sol. Energy 2015, 114, 378–396. [Google Scholar] [CrossRef]
- Yang, J.; Ziano, G.; Ghavami, M.; Al-Zaili, J.; Yang, T. Thermodynamic modelling and real-time control strategies of solar micro gas turbine system with thermochemical energy storage. J. Clean. Prod. 2021, 304, 127010. [Google Scholar] [CrossRef]
- Cameretti, M.C.; Langella, G.; Sabino, S.; Tuccillo, R. Modeling of a hybrid solar micro gas-turbine power plant. Energy Procedia 2015, 82, 833–840. [Google Scholar] [CrossRef]
- Wang, W.; Ragnolo, G.; Aichmayer, L.; Strand, T.; Laumert, B. Integrated design of a hybrid gas turbine-receiver unit for a solar dish system. Energy Procedia 2015, 69, 583–592. [Google Scholar] [CrossRef]
- Giostri, A.; Binotti, M.; Sterpos, C.; Lozza, G. Small scale solar tower coupled with micro gas turbine. Renew. Energy 2020, 147, 570–583. [Google Scholar] [CrossRef]
- Giostri, A.; Macchi, E. An advanced solution to boost sun-to-electricity efficiency of parabolic dish. Sol. Energy 2016, 139, 337–354. [Google Scholar] [CrossRef]
- Aichmayer, L.; Spelling, J.; Laumert, B. Thermoeconomic analysis of a solar dish micro gas-turbine combined-cycle power plant. Energy Procedia 2015, 69, 1089–1099. [Google Scholar] [CrossRef]
- Giovannelli, A.; Bashir, M.A. High-Temperature Cavity Receiver Integrated with a Short-Term Storage System for Solar MGTs: Heat Transfer Enhancement. Energy Procedia 2017, 126, 557–564. [Google Scholar] [CrossRef]
- Xu, X.; Li, K.; Qi, F.; Jia, H.; Deng, J. Identification of microturbine model for long-term dynamic analysis of distribution networks. Appl. Energy 2017, 192, 305–314. [Google Scholar] [CrossRef][Green Version]
- Rist, J.F.; Dias, M.F.; Palman, M.; Zelazo, D.; Cukurel, B. Economic dispatch of a single micro-gas turbine under CHP operation. Appl. Energy 2017, 200, 1–18. [Google Scholar] [CrossRef]
- Kanchev, H.; Lu, D.; Colas, F.; Lazarov, V.; Francois, B. Energy Management and Operational Planning of a Microgrid With a PV-Based Active Generator for Smart Grid Applications. IEEE Trans. Ind. Electron. 2011, 58, 4583–4592. [Google Scholar] [CrossRef]
- Kanchev, H.; Colas, F.; Lazarov, V.; Francois, B. Emission Reduction and Economical Optimization of an Urban Microgrid Operation Including Dispatched PV-Based Active Generators. IEEE Trans. Sustain. Energy 2014, 5, 1397–1405. [Google Scholar] [CrossRef]
- Rivarolo, M.; Greco, A.; Massardo, A.F. Thermo-economic optimization of the impact of renewable generators on poly-generation smart-grids including hot thermal storage. Energy Convers. Manag. 2013, 65, 75–83. [Google Scholar] [CrossRef]
- Oh, S.J.; Yoo, C.H.; Chung, I.Y.; Won, D.J. Hardware-in-the-Loop Simulation of Distributed Intelligent Energy Management System for Microgrids. Energies 2013, 6, 3263–3283. [Google Scholar] [CrossRef]
- Yan, X.; Abbes, D.; Francois, B. Development of a tool for urban microgrid optimal energy planning and management. Simul. Model. Pract. Theory 2018, 89, 64–81. [Google Scholar] [CrossRef]
- Mohammadi, S.; Soleymani, S.; Mozafari, B. Scenario-based stochastic operation management of MicroGrid including Wind, Photovoltaic, Micro-Turbine, Fuel Cell and Energy Storage Devices. Int. J. Electr. Power Energy Syst. 2014, 54, 525–535. [Google Scholar] [CrossRef]
- Cappelletti, A.; Martelli, F.; Bianchi, E.; Trifoni, E. Numerical Redesign of 100 kW MGT Combustor for 100% H2 fueling. Energy Procedia 2014, 45, 1412–1421. [Google Scholar] [CrossRef]
- Devriese, C.; Penninx, G.; de Ruiter, G.; Bastiaans, R.; De Paepe, W. The CFD Design and Optimisation of a 100 kW Hydrogen Fuelled mGT. In Proceeding of the ASME Turbo Expo 2020, Online. 21–25 September 2020. Paper No. GT2020-14473. [Google Scholar]
- Tuccillo, R.; Cameretti, M.C.; De Robbio, R.; Reale, F.; Chiariello, F. Methane-hydrogen blends in micro gas turbines: Comparison of different combustor concepts. In Proceeding of the ASME Turbo Expo 2019, Phoenix, AZ, USA, 17–21 June 2019. Paper No. GT2019-90229. [Google Scholar]
- Reale, F.; Calabria, R.; Chiariello, F.; Pagliara, R.; Massoli, P. A micro gas turbine fuelled by methane hydrogen blends. Appl. Mech. Mater. 2012, 232, 792–796. [Google Scholar] [CrossRef]
- Meziane, S.; Bentebbiche, A. Numerical study of blended fuel natural gas-hydrogen combustion in rich/quench/lean combustor of a micro gas turbine. Int. J. Hydrog. Energy 2019, 44, 15610–15621. [Google Scholar] [CrossRef]
- Shih, H.Y.; Liu, C.R. A computational study on the combustion of hydrogen/methane blended fuels for a micro gas turbines. Int. J. Hydrog. Energy 2014, 39, 15013–15115. [Google Scholar] [CrossRef]
- Calabria, R.; Chiariello, F.; Massoli, P.; Reale, F. Part Load Behavior of a Micro Gas Turbine Fed with Different Fuels. In Proceedings of the ASME Turbo Expo 2014, Düsseldorf, Germany, 16–20 June 2014. Paper No. GT2014-26631. [Google Scholar]
- Bazooyar, B.; Darabkhani, H.G. The design strategy and testing of an efficient microgas turbine combustor for biogas fuel. Fuel 2021, 294, 120535. [Google Scholar] [CrossRef]
- Ilbas, M.; Sahin, M. Effects of turbulator angle and hydrogen addition on a biogas turbulent diffusion flame. Int. J. Hydrog. Energy 2017, 42, 25735–25743. [Google Scholar] [CrossRef]
- Cadorin, M.; Pinelli, M.; Vaccari, A.; Calabria, R.; Chiariello, F.; Massoli, P.; Bianchi, E. Analysis of a Micro Gas Turbine Fed by Natural Gas and Synthesis Gas: MGT Test Bench and Combustor CFD Analysis. J. Eng. Gas Turbines Power 2012, 134, 071401. [Google Scholar] [CrossRef]
- Calabria, R.; Chiariello, F.; Massoli, P.; Reale, F. CFD Analysis of Turbec T100 Combustor at Part Load by Varying Fuels. In Proceedings of the ASME Turbo Expo 2015, Montreal, QC, Canada, 15–19 June 2015. Paper No. GT2015-43455. [Google Scholar]
- Calabria, R.; Chiariello, F.; Massoli, P.; Reale, F. A Biogas Fuelled Micro Gas Turbine: Energetic performance and environmental impact analysis. In Proceedings of the ASME Turbo Expo 2019, Phoenix, AZ, USA, 17–21 June 2019. Paper No. GT2019-91483. [Google Scholar]













| MGT Model | Software | Analysis Feature | Ref. |
|---|---|---|---|
| Capstone C65 | Modelica | Black-box | [8] |
| Capstone C30 | Mathcad | Part-load correlation | [13] |
| Turbec T100 | IPSEpro | Steady-state thermodynamic with compressor and turbine characteristic maps | [14] |
| 20 kW MGT | Matlab/Simulink | Dynamic | [15] |
| Turbec T100 | Matlab/Simulink | quasi-stationary components and static maps | [16] |
| Capstone C30 | - | Numerical methodology validation | [17,18] |
| Turbec T100 | - | Numerical methodology validation | [17,19] |
| Capstone C30 | GT-SUITE | 1D | [9] |
| Capstone C30 | Matlab/Simulink | Dynamic non-linear | [20] |
| Turbec T100 | Matlab/Simulink | Low LHV combustion | [21] |
| Turbec T100 | Matlab/Simulink | Component maps, simulation of the T100 control algorithms | [22,23,24] |
| 3 kW Turbocharger | GSP | Cycle modeling for different component efficiencies and losses | [25] |
| 3 kW Turbocharger | GSP | 1D recuperator | [26] |
| Turbec T100 | In-house code/Matlab | Steady-state—0D model with compressor and turbine characteristic maps/ Dynamic first-order ODE | [27] |
| MGT Model | Software | Layout Feature | Ref. |
|---|---|---|---|
| 100 and 500 kW | In-house (TEMP, SAT, TRANSEO) | Turbomachinery performance maps | [29,30] |
| Turbec T100 | Aspen Plus | Compressor and turbine efficiency assumed constant | [31] |
| Turbec T100 | Aspen Plus | Performance map for Compressor, chocked turbine | [32] |
| Turbec T100 | Aspen Hysys | Thermodynamic model with chemical equilibrium in the combustor estimated by minimization of the total Gibbs free energy | [33] |
| Turbec T100 | Thermoflex/Ansys CFX | Turbomachinery performance maps, RANS RSM | [34] |
| Turbec T100 | Aspen Plus | Performance map for Compressor, chocked turbine | [35] |
| Turbec T100 | Aspen Plus | Performance map for Compressor, chocked turbine | [36] |
| Theoretical | gPROMS/GateCycle | Multiflash database, Advanced Redlich-Kwong-Soave equation of state | [37] |
| Starting MGT Model | Software | Layout Specifications | Ref. |
|---|---|---|---|
| Elliott TA-80R | In-house (TEMP, TRANSEO) | Two recuperators and main valves for cycle control | [39,40,41,42] |
| Turbec T100 | Gate-Cycle | Dual fuel NG and biomass | [43] |
| Turbec T100 | In-house (AMOS) | Dual fuel | [44] |
| 100 kW MGT | In-house | Single recuperator | [45] |
| MGT Model | Software | MGT Model Feature | Ref. |
|---|---|---|---|
| Theoretical | EES | Genetic algorithm optimization | [56] |
| Turbec T100 | Aspen Plus | Performance maps | [57] |
| Theoretical | EES-based | Mass and energy balance | [58] |
| Theoretical | EES-based | Mass and energy balance | [59] |
| Turbec T100 | MATLAB | Mass and energy balance, performance maps | [60] |
| Turbec T100, Capstone C30 | Thermoflex/Ansys Fluent | Performance maps/3-step oxidation mechanism within a finite rate—eddy dissipation model | [61] |
| Capstone C600s | AmeSIM | Performance maps | [62] |
| Turbec T100 | Thermoflex/Ansys CFX | Performance maps/RANS RSM | [63] |
| MGT Model | Software | Feature Y | Ref. |
|---|---|---|---|
| 50 kW | MATLAB | Performance maps | [64] |
| 50 kW | In-house (TRANSEO, MATLAB/Simulink based) | Transient | [65] |
| 5 kW | MATLAB/Simulink | Dynamic | [66] |
| Theoretical | In-house (Dynamic Network Analysis) | Thermodynamic model | [67,68] |
| Capstone C30 and C60, Parallon 75 kW, Turbec T100 | Aspen Plus | Subroutines for turbomachinery | [69] |
| Theoretical | Aspen Plus | Thermodynamic model with fixed efficiencies | [70] |
| Aspen Plus | [71] | ||
| Theoretical | Engineering Equation Solver | Mass and energy balance | [72] |
| N.A. | 0D and 1D | [73] | |
| 3 kW | In-house (MGTS3—Micro Gas Turbine Steady State Simulator, MATLAB/Simulink based) | Performance maps | [74] |
| Turbec T100 | ChemCAD | TIT variability with SOFC (Subroutines for SOFC and gasifier?) | [75] |
| Turbec T100 | Aspen Plus | [76] |
| Starting MGT Model | Software | Layout Specifications | Ref. |
|---|---|---|---|
| Turbec T100 | Aspen Plus | Single recuperator/ solar + biomass | [81] |
| Compower | MATLAB | Solar (pressurized and ambient configurations) | [82] |
| 10 kW MGT | MATLAB/Simulink | Solar-MGT-TCES | [83] |
| Capstone C30 | Thermoflex/Ansys Fluent | Solar heating + internal combustor | [84] |
| 25 kW MGT | MATLAB + In-house (Axtur) | Solar, recuperated MGT with internal combustor | [85] |
| 100–200 kW | MATLAB | Solar- recuperated MGT + auxiliary heater | [86,87] |
| 80 kW | In-house (DYESOPT) | Array of dish-MGT combined with steam plant | [88] |
| 5 kW | Ansys Fluent | Dish-MGT | [89] |
| Smart Grid Components | MGT Size/Model | Ref. |
|---|---|---|
| Multiple MGTs | Capstone C30 | [90] |
| MGT in CHP applications | 100 kW | [91] |
| PV, batteries, ultracapacitors, MGT | - | [92] |
| MGTs, PV, energy storage | 30 kW (2), 60 kW (1) | [93] |
| PV, wind gen., MGT, ICE, chiller, thermal storage | 100 kW | [94] |
| MGT, energy storage | - | [95] |
| PV, MGTs | 30 kW (2), 60 kW (1) | [96] |
| PV, water electrolyzer, hydrogen tank, MGT | Turbec T100 | [27] |
| PV, wind turbine, MGT, Fuel cell, NiMH-Battery | 30 kW | [97] |
| MGT/Combustor Type | Software | Turbulence Model | Fuel | Ref. |
|---|---|---|---|---|
| Turbec T100 modified | Ansys Fluent | RANS k-ω SST | H2 | [98] |
| Turbec T100 modified | Ansys Fluent | RANS realizable k-ε | H2 | [99] |
| Turbec T100, Capstone C30 | Ansys Fluent | RANS realizable k-ε /DES | H2/CH4 | [100] |
| Turbec T100 | Ansys CFX | RANS k-ε | H2/CH4 | [101] |
| RQL can | Ansys Fluent | RANS k-ω | H2/CH4 | [102] |
| Can | - | RANS k-ε | H2/CH4 | [103] |
| Turbec T100 | Ansys CFX | RANS RSM | H2/CH4 | [104] |
| Derived by Bladon MT/ | - | RANS k-ω SST | biogas | [105] |
| tubular | Ansys Fluent | RANS k-ε | H2/biogas | [106] |
| Turbec T100 | Ansys CFX | RANS RSM | NG, syngas | [107] |
| Turbec T100 | Ansys CFX | RANS RSM | NG, H2/CH4, biogas | [108] |
| Turbec T100 | Ansys CFX | RANS RSM | biogas | [109] |
Publisher’s Note: MDPI stays neutral with regard to jurisdictional claims in published maps and institutional affiliations. |
© 2022 by the authors. Licensee MDPI, Basel, Switzerland. This article is an open access article distributed under the terms and conditions of the Creative Commons Attribution (CC BY) license (https://creativecommons.org/licenses/by/4.0/).
Share and Cite
Reale, F.; Sannino, R. Numerical Modeling of Energy Systems Based on Micro Gas Turbine: A Review. Energies 2022, 15, 900. https://doi.org/10.3390/en15030900
Reale F, Sannino R. Numerical Modeling of Energy Systems Based on Micro Gas Turbine: A Review. Energies. 2022; 15(3):900. https://doi.org/10.3390/en15030900
Chicago/Turabian StyleReale, Fabrizio, and Raniero Sannino. 2022. "Numerical Modeling of Energy Systems Based on Micro Gas Turbine: A Review" Energies 15, no. 3: 900. https://doi.org/10.3390/en15030900
APA StyleReale, F., & Sannino, R. (2022). Numerical Modeling of Energy Systems Based on Micro Gas Turbine: A Review. Energies, 15(3), 900. https://doi.org/10.3390/en15030900

