Novel Characterization of Si- and SiC-Based PWM Inverter Bearing Currents Using Probability Density Functions †
Abstract
:1. Introduction
2. Background and Review
2.1. Displacement Current
2.2. Stator-to-Frame Current and Circulating Bearing Current
2.3. Electric Discharge Machining Bearing Current
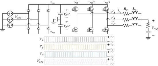
3. Materials and Methods
4. EDM Bearing Current Modeling
4.1. Modified Induction Motor
4.2. Modified Induction Motor
5. Shaft Voltages and EDM Bearing Currents Due to Si and SiC Inverters
5.1. Peak Apparent Bearing Current Distribution
5.2. Discharge Resistance Distribution
5.3. Discharge Amplitude
5.4. Inverse Gaussian Analysis
5.5. Discussion
6. Conclusions
Author Contributions
Funding
Data Availability Statement
Conflicts of Interest
References
- Ferreira, F.J.T.E.; Baoming, G.; de Almeida, A.T. Reliability and Operation of High-Efficiency Induction Motors. IEEE Trans. Ind. Appl. 2016, 52, 4628–4637. [Google Scholar] [CrossRef]
- Bonnett, A. Root Cause Methodology for Induction Motors: A Step-by-Step Guide to Examining Failure. IEEE Ind. Appl. Mag. 2012, 18, 50–62. [Google Scholar] [CrossRef]
- Thorsen, O.V.; Dalva, M. A survey of faults on induction motors in offshore oil industry, petrochemical industry, gas terminals, and oil refineries. IEEE Trans. Ind. Appl. 1995, 31, 1186–1196. [Google Scholar] [CrossRef]
- Zhang, P.J.; Du, Y.; Habetler, T.G.; Lu, B. A Survey of Condition Monitoring and Protection Methods for Medium-Voltage Induction Motors. IEEE Trans. Ind. Appl. 2011, 47, 34–46. [Google Scholar] [CrossRef]
- Nandi, S.; Toliyat, H.A.; Li, X. Condition Monitoring and Fault Diagnosis of Electrical Motors—A Review. IEEE Trans. Energy Convers. 2005, 20, 719–729. [Google Scholar] [CrossRef]
- Muetze, A. Bearing Currents in Inverter-Fed AC-Motors; Darmstadt University of Technology, Shaker Verlag: Aachen, Germany, 2004. [Google Scholar]
- Erdman, J.M.; Kerkman, R.J.; Schlegel, D.W.; Skibinski, G.L. Effect of PWM inverters on AC motor bearing currents and shaft voltages. IEEE Trans. Ind. Appl. 1996, 32, 250–259. [Google Scholar] [CrossRef]
- Ogasawara, S.; Akagi, H. Modeling and damping of high-frequency leakage currents in PWM inverter-fed AC motor drive systems. IEEE Trans. Ind. Appl. 1996, 32, 1105–1114. [Google Scholar] [CrossRef] [Green Version]
- Muetze, A.; Binder, A. Calculation of Motor Capacitances for Prediction of the Voltage Across the Bearings in Machines of Inverter-Based Drive Systems. IEEE Trans. Ind. Appl. 2007, 43, 665–672. [Google Scholar] [CrossRef]
- Busse, D.; Erdman, J.; Kerkman, R.J.; Schlegel, D.; Skibinski, G. System electrical parameters and their effects on bearing currents. IEEE Trans. Ind. Appl. 1997, 33, 577–584. [Google Scholar] [CrossRef]
- Chen, S.; Lipo, T.A.; Fitzgerald, D. Source of induction motor bearing currents caused by PWM inverters. IEEE Trans. Energy Convers. 1996, 11, 25–32. [Google Scholar] [CrossRef]
- Erdman, A.; Binder, A. Calculation of Circulating Bearing Currents in Machines of Inverter-Based Drive Systems. IEEE Trans. Ind. Electron. 2007, 54, 932–938. [Google Scholar]
- Boyanton, H.E.; Hodges, G. Bearing fluting [motors]. IEEE Ind. Appl. Mag. 2002, 8, 53–57. [Google Scholar] [CrossRef]
- Muetze, A.; Binder, A.; Vogel, H.; Hering, J. What can bearings bear? IEEE Ind. Appl. Mag. 2006, 12, 57–64. [Google Scholar] [CrossRef]
- Busse, D.F.; Erdman, J.M.; Kerkman, R.J.; Schlegel, D.W.; Skibinski, G.L. The effects of PWM voltage source inverters on the mechanical performance of rolling bearings. IEEE Trans. Ind. Appl. 1997, 33, 567–576. [Google Scholar] [CrossRef]
- Muetze, A.; Binder, A. Practical Rules for Assessment of Inverter-Induced Bearing Currents in Inverter-Fed AC Motors up to 500 kW. IEEE Trans. Ind. Electron. 2007, 54, 1614–1622. [Google Scholar] [CrossRef]
- Busse, D.; Erdman, J.; Kerkman, R.J.; Schlegel, D.; Skibinski, G. Bearing currents and their relationship to PWM drives. IEEE Trans. Power Electron. 1997, 12, 243–252. [Google Scholar] [CrossRef] [Green Version]
- Morya, A.K.; Gardner, M.C.; Anvari, B.; Liu, L.; Yepes, A.G.; Doval-Gandoy, J.; Toliyat, H.A. Wide Bandgap Devices in AC Electric Drives: Opportunities and Challenges. IEEE Trans. Transp. Electrif. 2019, 5, 3–20. [Google Scholar] [CrossRef]
- Xu, Y.; Yuan, X.; Ye, F.; Wang, Z.; Zhang, Y.; Diab, M.; Zhou, W. Impact of High Switching Speed and High Switching Frequency of Wide-Bandgap Motor Drives on Electric Machines. IEEE Access 2021, 9, 82866–82880. [Google Scholar] [CrossRef]
- Xu, Y.; Liang, Y.; Yuan, X.; Wu, X.; Li, Y. Experimental Assessment of High Frequency Bearing Currents in an Induction Motor Driven by a SiC Inverter. IEEE Access 2021, 9, 40540–40549. [Google Scholar] [CrossRef]
- Magdun, O.; Gemeinder, Y.; Binder, A. Investigation of influence of bearing load and bearing temperature on EDM bearing currents. In Proceedings of the 2010 IEEE Energy Conversion Congress and Exposition, Atlanta, GA, USA, 12–16 September 2010; pp. 2733–2738. [Google Scholar]
- Schuster, M.; Springer, J.; Binder, A. Comparison of a 1.1 kW-induction machine and a 1.5 kW-PMSM regarding common-mode bearing currents. In Proceedings of the International Symposium on Power Electronics, Electrical Drives, Automation and Motion (SPEEDAM), Amalfi, Italy, 20–22 June 2018; pp. 1–6. [Google Scholar]
- Schuster, M.; Binder, A. Bearing currents of a 2.4 kW-PM synchronous motor fan drive with integrated frequency inverter. In Proceedings of the 19th European Conference on Power Electronics and Applications (EPE’17 ECCE Europe), Warsaw, Poland, 11–14 September 2017; pp. 1–10. [Google Scholar]
- Muetze, A.; Binder, A. Don’t lose your bearings. IEEE Ind. Appl. Mag. 2006, 12, 22–31. [Google Scholar] [CrossRef]
- Schuster, M.; Masendorf, D.; Binder, A. Two PMSMs and the influence of their geometry on common-mode bearing currents. In Proceedings of the XXII International Conference on Electrical Machines (ICEM), Lausanne, Switzerland, 4–7 September 2016; pp. 2126–2132. [Google Scholar]
- Collin, R.; Von Jouanne, A.; Yokochi, A. Novel Characterization of Si- and SiC-based PWM Inverter Bearing Currents Using Probability Density Functions. In Proceedings of the IEEE Energy Conversion Congress and Exposition, Vancouver, BC, Canada, 10–14 October 2021. [Google Scholar]
- Zhu, N. Common-Mode Voltage Mitigation by Novel Integrated Chokes and Modulation Techniques in Power Converter Systems. Ph.D. Thesis, Ryerson University, Toronto, ON, Canada, 2013. [Google Scholar]
- Wei, S.; Zargari, N.; Wu, B.; Rizzo, S. Comparison and mitigation of common mode voltage in power converter topologies. In Conference Record of the 2004 IEEE Industry Applications Conference, 2004. 39th IAS Annual Meeting, Seattle, WA, USA, 3–7 October 2004; IEEE: New York, NY, USA, 2004; Volume 3, pp. 1852–1857. [Google Scholar]
- Plazenet, T.; Boileau, T.; Caironi, C.; Nahid-Mobarakeh, B. An overview of shaft voltages and bearing currents in rotating machines. In Proceedings of the 2016 IEEE Industry Applications Society Annual Meeting, Portland, OR, USA, 2–6 October 2016; pp. 1–8. [Google Scholar]
- Jaritz, M.; Jaeger, C.; Bucher, M.; Smajic, J.; Vukovic, D.; Blume, S. An Improved Model for Circulating Bearing Currents in Inverter-Fed AC Machines. In Proceedings of the 2019 IEEE International Conference on Industrial Technology (ICIT), Melbourne, Australia, 13–15 February 2019; pp. 225–230. [Google Scholar]
- Singleton, R.K.; Strangas, E.G.; Aviyente, S. The Use of Bearing Currents and Vibrations in Lifetime Estimation of Bearings. IEEE Trans. Ind. Inform. 2017, 13, 1301–1309. [Google Scholar] [CrossRef]
- Wang, P.; Cavallini, A.; Montanari, G.C.; Wu, G. Effect of rise time on PD pulse features under repetitive square wave voltages. IEEE Trans. Dielectr. Electr. Insul. 2013, 20, 245–254. [Google Scholar] [CrossRef]
- Wilson, M.P.; Timoshkin, I.V.; Given, M.J.; Macgregor, S.J.; Sinclair, M.A.; Thomas, K.J.; Lehr, J.M. Effect of applied field and rate of voltage rise on surface breakdown of oil-immersed polymers. IEEE Trans. Dielectr. Electr. Insul. 2011, 18, 1003–1010. [Google Scholar] [CrossRef] [Green Version]
- Jadidian, J.; Zahn, M.; Lavesson, N.; Widlund, O.; Borg, K. Effects of Impulse Voltage Polarity, Peak Amplitude, and Rise Time on Streamers Initiated from a Needle Electrode in Transformer Oil. IEEE Trans. Plasma Sci. 2012, 40, 909–918. [Google Scholar] [CrossRef] [Green Version]
- Wu, S.; Xu, H.; Lu, X.; Pan, Y. Effect of Pulse Rising Time of Pulse dc Voltage on Atmospheric Pressure Non-Equilibrium Plasma. Plasma Process. Polym. 2013, 10, 136–140. [Google Scholar] [CrossRef]
- Babaeva, N.Y.; Naidis, G.V. Modeling of Streamer Dynamics in Atmospheric-Pressure Air: Influence of Rise Time of Applied Voltage Pulse on Streamer Parameters. IEEE Trans. Plasma Sci. 2016, 44, 899–902. [Google Scholar] [CrossRef]
- Bubert, A.; Zhang, J.; De Doncker, R.W. Modeling and measurement of capacitive and inductive bearing current in electrical machines. In Proceedings of the 2017 Brazilian Power Electronics Conference, Juiz de Fora, Brazil, 19–22 November 2017; pp. 1–6. [Google Scholar]
- Collin, R.; Stephens, M.; Von Jouanne, A. Development of SiC-Based Motor Drive Using Typhoon HIL 402 as System-Level Controller. In Proceedings of the IEEE Energy Conversion Congress and Exposition, Detroit, MI, USA, 11–15 October 2020. [Google Scholar]
- Wittek, E.; Kriese, M.; Tischmacher, H.; Gattermann, S.; Ponick, B.; Poll, G. Capacitances and lubricant film thicknesses of motor bearings under different operating conditions. In Proceedings of the XIX International Conference on Electrical Machines—ICEM, Rome, Italy, 6–8 September 2010; pp. 1–6. [Google Scholar]
- BenSaida, A. Shapiro-Wilk and Shapiro-Francia Normality Tests, Version 1.1.0.0; MATLAB Central File Exchange: Natick, MA, USA, 2021. [Google Scholar]






















| Component | Lw | Rb | Ci | Crf | Cb |
|---|---|---|---|---|---|
| Literature | - | 1–20 Ω [6] | - | - | 0.2–1 nF [39] |
| Calculation | - | - | 141 pF | - | - |
| Network Analyzer | 300 nH | - | 97 pF | 1826 pF | 199 pF |
| Step Response | - | - | - | 1500 pF | - |
| PSpice Optimizer | 213 nH | 1–20 Ω | 120 pF | 1045 pF | 200 pF |
| Inverter | SiC | SiC | Si | |
|---|---|---|---|---|
| Bearing Temperature (°C) | 42 | 37 | 38 | |
| Shaft Voltage (V) | 9.7 | 7 | 15 | |
| ifit (A) (Equation (4)) | 0.415 | 0.280 | 0.680 | |
| Peak Apparent Bearing Current (A) | µ | 0.423 | 0.272 | 0.701 |
| δ (Equation (5)) | 1.9% | −2.9% | 3.1% | |
| σ | 0.044 | 0.035 | 0.059 | |
| Shapiro Wilk Test (α = 0.05) | accept | accept | accept | |
| Inverter | SiC | SiC | Si | |
|---|---|---|---|---|
| Bearing Temperature (°C) | 42 | 37 | 38 | |
| Shaft Voltage (V) | 9.7 | 7 | 15 | |
| Bearing Discharge Resistance (Ω) | µ | 11.9 | 16.5 | 9.0 |
| σ | 3.4 | 4.8 | 2.3 | |
| Bearing Temperature (°C) | Si | SiC | ||
|---|---|---|---|---|
| µ | λ | µ | λ | |
| 35 | 12.3527 | 35.2079 | 12.8455 | 32.1061 |
| 36 | 12.4745 | 34.7524 | 12.7091 | 27.1138 |
| 37 | 12.0070 | 32.8321 | 11.4103 | 31.5019 |
| 38 | 10.6137 | 34.0036 | 10.3232 | 35.4892 |
| 39 | 9.4384 | 32.2878 | 9.3202 | 35.5080 |
| 40 | 8.6808 | 32.2458 | 8.7105 | 36.1585 |
| 41 | 7.9537 | 31.6164 | 8.0266 | 33.5604 |
| 42 | 7.6655 | 30.6267 | 7.5649 | 33.5297 |
| 43 | 7.2186 | 30.3921 | 7.2825 | 32.8228 |
| 44 | 6.8500 | 30.8592 | 7.0392 | 32.7083 |
| 45 | 6.3150 | 30.4267 | 6.7725 | 33.4267 |
| 46 | 6.0649 | 30.9156 | 6.3739 | 32.8333 |
| 47 | 5.8453 | 31.5336 | 6.1311 | 34.7440 |
| 48 | 5.4703 | 31.8667 | 5.8569 | 36.0973 |
| 49 | 5.1271 | 34.7397 | 5.5887 | 36.8487 |
| 50 | 4.8606 | 35.4712 | 5.3871 | 36.9513 |
| 51 | 4.5872 | 39.3704 | 5.1204 | 38.7430 |
| 52 | 4.4020 | 41.6240 | 4.9985 | 39.8471 |
| 53 | 4.3783 | 42.5335 | 4.8522 | 40.2537 |
| 54 | 4.1525 | 47.5079 | 4.7711 | 42.4918 |
| 55 | 4.1232 | 48.5210 | 4.5945 | 43.8452 |
| 56 | 4.0623 | 51.3341 | 4.5568 | 44.0631 |
| 57 | 3.9937 | 53.5966 | 4.5423 | 44.1554 |
| 58 | 3.9755 | 56.1018 | 4.3837 | 43.2468 |
| 59 | 3.9337 | 61.6098 | 4.3703 | 47.1179 |
| 60 | 3.9279 | 60.6665 | 4.3743 | 47.8430 |
Publisher’s Note: MDPI stays neutral with regard to jurisdictional claims in published maps and institutional affiliations. |
© 2022 by the authors. Licensee MDPI, Basel, Switzerland. This article is an open access article distributed under the terms and conditions of the Creative Commons Attribution (CC BY) license (https://creativecommons.org/licenses/by/4.0/).
Share and Cite
Collin, R.; Yokochi, A.; von Jouanne, A. Novel Characterization of Si- and SiC-Based PWM Inverter Bearing Currents Using Probability Density Functions. Energies 2022, 15, 3043. https://doi.org/10.3390/en15093043
Collin R, Yokochi A, von Jouanne A. Novel Characterization of Si- and SiC-Based PWM Inverter Bearing Currents Using Probability Density Functions. Energies. 2022; 15(9):3043. https://doi.org/10.3390/en15093043
Chicago/Turabian StyleCollin, Ryan, Alex Yokochi, and Annette von Jouanne. 2022. "Novel Characterization of Si- and SiC-Based PWM Inverter Bearing Currents Using Probability Density Functions" Energies 15, no. 9: 3043. https://doi.org/10.3390/en15093043
APA StyleCollin, R., Yokochi, A., & von Jouanne, A. (2022). Novel Characterization of Si- and SiC-Based PWM Inverter Bearing Currents Using Probability Density Functions. Energies, 15(9), 3043. https://doi.org/10.3390/en15093043

