Harmonic Impedance Model of Multiple Utility-Interactive Multilevel Photovoltaic Inverters
Abstract
1. Introduction
- The development of a comprehensive switching model of the multiple multilevel PV inverters.
- The filter interface between the PV generators and the grid is designed by filtering design restriction due to static impedance limits based on current and voltage standards.
- The development of a current harmonic injection model of the overall system operating under a polluted voltage grid.
- Finally, the developed impedance Norton model is compared with the EMT model by using comprehensive simulations, illustrating the effectiveness of the approach.
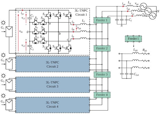
2. Power Converter and Control System Description
2.1. 3L-TNPC Inverter
2.2. Control Scheme
2.3. Modulation Stage
2.4. Multiresonant Current Controller
2.5. Grid Current References Generation
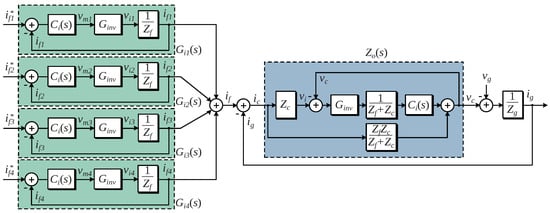
3. Norton Impedance Model
3.1. Harmonic Interactions
3.2. Output Impedance Model
3.3. LCL Filter Design
4. Multiple Inverter Harmonics Model
4.1. Bus Admittance Matrix Model
4.2. Simplified Model
5. Conclusions
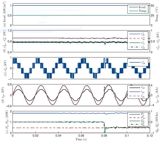
6. Results
6.1. Dynamic Results under Clean Grid
6.2. Steady-State Results under Distorted Grid
6.3. Harmonic Injection Level under Distorted Grid
6.4. Brief Harmonic Comparison Analysis
6.5. Brief Resonance Analysis
Author Contributions
Funding
Data Availability Statement
Conflicts of Interest
References
- Kouro, S.; Leon, J.I.; Vinnikov, D.; Franquelo, L.G. Grid-Connected Photovoltaic Systems: An Overview of Recent Research and Emerging PV Converter Technology. IEEE Ind. Electron. Mag. 2015, 9, 47–61. [Google Scholar] [CrossRef]
- Bolinger, M.; Seel, J. Utility-Scale Solar 2015: An Empirical Analysis of Project Cost, Performance, and Pricing Trends in the United States; Lawrence Berkeley National Laboratory: Berkeley, CA, USA, 2016.
- Choudhury, S.; Bajaj, M.; Dash, T.; Kamel, S.; Jurado, F. Multilevel Inverter: A Survey on Classical and Advanced Topologies, Control Schemes, Applications to Power System and Future Prospects. Energies 2021, 14, 5773. [Google Scholar] [CrossRef]
- Monopoli, V.G.; Marquez, A.; Leon, J.I.; Liserre, M.; Buticchi, G.; Franquelo, L.G.; Vazquez, S. Applications and Modulation Methods for Modular Converters Enabling Unequal Cell Power Sharing: Carrier Variable-Angle Phase-Displacement Modulation Methods. IEEE Ind. Electron. Mag. 2022, 16, 19–30. [Google Scholar] [CrossRef]
- Dargahi, V.; Abarzadeh, M.; Corzine, K.A.; Enslin, J.H.; Sadigh, A.K.; Rodriguez, J.; Blaabjerg, F.; Maqsood, A. Fundamental Circuit Topology of Duo-Active-Neutral-Point-Clamped, Duo-Neutral-Point-Clamped, and Duo-Neutral-Point-Piloted Multilevel Converters. IEEE J. Emerg. Sel. Top. Power Electron. 2019, 7, 1224–1242. [Google Scholar] [CrossRef]
- Liu, J.; Shen, X.; Alcaide, A.M.; Yin, Y.; Leon, J.I.; Vazquez, S.; Wu, L.; Franquelo, L.G. Sliding Mode Control of Grid-Connected Neutral-Point-Clamped Converters Via High-Gain Observer. IEEE Trans. Ind. Electron. 2022, 69, 4010–4021. [Google Scholar] [CrossRef]
- Craciun, B.I.; Kerekes, T.; Sera, D.; Teodorescu, R.; Timbus, A. Benchmark networks for grid integration impact studies of large PV plants. In Proceedings of the IEEE Grenoble PowerTech, Grenoble, France, 16–20 June 2013; pp. 1–6. [Google Scholar]
- Schweizer, M.; Kolar, J.W. Design and Implementation of a Highly Efficient Three-Level T-Type Converter for Low-Voltage Applications. IEEE Trans. Power Electron. 2013, 28, 899–907. [Google Scholar] [CrossRef]
- Shamseh, M.B.; Inzunza, R.; Kinoshita, M.; Ambo, T. Comparison between Norton Impedance Model and Frequency Scan Analysis of 3.36MW Inverter. In Proceedings of the 2019 8th International Conference on Renewable Energy Research and Applications (ICRERA), Brasov, Romania, 3–6 November 2019; pp. 827–832. [Google Scholar]
- Inzunza, R.; Okuyama, R.; Tanaka, T.; Kinoshita, M. Development of a 1500Vdc photovoltaic inverter for utility-scale PV power plants. In Proceedings of the 2015 IEEE 2nd International Future Energy Electronics Conference (IFEEC), Taipei, Taiwan, 1–4 November 2015; IEEE: Piscataway, NJ, USA, 2015; pp. 1–4. [Google Scholar]
- He, Y.; Chung, H.S.H.; Lai, C.T.; Zhang, X.; Wu, W. Active Cancelation of Equivalent Grid Impedance for Improving Stability and Injected Power Quality of Grid-Connected Inverter Under Variable Grid Condition. IEEE Trans. Power Electron. 2018, 33, 9387–9398. [Google Scholar] [CrossRef]
- Yin, Y.; Vazquez, S.; Marquez, A.; Liu, J.; Leon, J.I.; Wu, L.; Franquelo, L.G. Observer-Based Sliding-Mode Control for Grid-Connected Power Converters Under Unbalanced Grid Conditions. IEEE Trans. Ind. Electron. 2022, 69, 517–527. [Google Scholar] [CrossRef]
- Ali Khan, M.Y.; Liu, H.; Yang, Z.; Yuan, X. A Comprehensive Review on Grid Connected Photovoltaic Inverters, Their Modulation Techniques, and Control Strategies. Energies 2020, 13, 4185. [Google Scholar] [CrossRef]
- Teodorescu, R.; Liserre, M.; Rodriguez, P. Grid Converters for Photovoltaic and Wind Power Systems; John Wiley & Sons: Hoboken, NJ, USA, 2011. [Google Scholar]
- Liserre, M.; Perez, M.A.; Langwasser, M.; Rojas, C.A.; Zhou, Z. Unlocking the Hidden Capacity of the Electrical Grid Through Smart Transformer and Smart Transmission. Proc. IEEE 2022, 1–17. [Google Scholar] [CrossRef]
- Chilipi, R.; Al Sumaiti, A.; Singh, B. Control of Grid-Tied Multiple Distributed Generation Systems with Cooperative Compensation Capabilities. IEEE J. Emerg. Sel. Top. Ind. Electron. 2022, 3, 821–833. [Google Scholar] [CrossRef]
- Paulo Bonaldo, J.; Lessa Tofoli, F.; Vitor Arantes Monteiro, R.; Kelis Morales-Paredes, H. Comparative analysis of techniques for the limitation of compensation currents in multifunctional grid-tied inverters. Int. J. Electr. Power Energy Syst. 2021, 126, 106574. [Google Scholar] [CrossRef]
- Zhang, J.; Yang, S.; Song, K.; Wang, Y.; Zhang, S.; Konstantinou, G. Accurate Identification of Harmonic Impedance of Traction Power Supply Systems Considering Harmonic Lateral Propagation. IEEE Trans. Ind. Electron. 2022, 1–10. [Google Scholar] [CrossRef]
- Ray, I. Review of Impedance-Based Analysis Methods Applied to Grid-Forming Inverters in Inverter-Dominated Grids. Energies 2021, 14, 2686. [Google Scholar] [CrossRef]
- Wang, C.; Yu, C.; Shu, Q. An Algorithm for Estimating Time-varying Impedance at PCC Based on Numerical Variation. IEEE Trans. Instrum. Meas. 2022, 1. [Google Scholar] [CrossRef]
- Torabi Milani, M.; Khodabakhchian, B.; Mahseredjian, J. Detailed EMT-Type Load Modeling For Power System Dynamic and Harmonic Studies. IEEE Trans. Power Deliv. 2022, 1–9. [Google Scholar] [CrossRef]
- Arguello, A.; Torquato, R.; Rosado, B.; Freitas, W. Modeling of Single-Phase Photovoltaic Generators for System-Wide Harmonic Power Flow Studies. IEEE Trans. Energy Convers. 2022, 1–11. [Google Scholar] [CrossRef]
- Du, W.; Ma, Z.; Wang, Y.; Wang, H.F. Harmonic oscillations in a grid-connected PV generation farm caused by increased number of parallel-connected PV generating units and damping control. CSEE J. Power Energy Syst. 2020, 1–9. [Google Scholar] [CrossRef]
- Meng, X.; Liu, Z.; Liu, Y.; Zhou, H.; Tasiu, I.A.; Lu, B.; Gou, J.; Liu, J. Conversion and SISO Equivalence of Impedance Model of Single-Phase Converter in Electric Multiple Units. IEEE Trans. Transp. Electrif. 2022, 1. [Google Scholar] [CrossRef]
- Singh, R.S.; Ćuk, V.; Cobben, S. Measurement-Based Distribution Grid Harmonic Impedance Models and Their Uncertainties. Energies 2020, 13, 4259. [Google Scholar] [CrossRef]
- Wang, F.; Duarte, J.L.; Hendrix, M.A.; Ribeiro, P.F. Modeling and Analysis of Grid Harmonic Distortion Impact of Aggregated DG Inverters. IEEE Trans. Power Electron. 2011, 26, 786–797. [Google Scholar] [CrossRef]
- Rojas, C.A.; Kouro, S.; Inzunza, R.; Okuno, K.; Mitsugi, Y. Harmonic Interaction Modelling of Multiple Utility-Interactive Multilevel Photovoltaic Systems. In Proceedings of the IEEE Southern Power Electronics Conference (SPEC), Puerto Varas, Chile, 4–7 December 2017; pp. 1–6. [Google Scholar]
- Inzunza, R.; Tawada, Y.; Furukawa, M.; Shibata, N.; Sumiya, T.; Tanaka, T.; Kinoshita, M. Behavior of a photovoltaic inverter under sudden increase in irradiance due to reflection in clouds. In Proceedings of the 2015 International Conference on Renewable Energy Research and Applications, ICRERA, Palermo, Italy, 22–25 November 2015; pp. 851–855. [Google Scholar]
- Semikron: 3L NPC and TNPC Topology. 2015. Available online: https://www.semikron-danfoss.com/dl/service-support/downloads/download/semikron-application-note-3l-npc-tnpc-topology-en-2015-10-12-rev-05.pdf (accessed on 6 December 2022).
- Infineon: 3-Level Configurations. 2016. Available online: https://www.infineon.com/cms/en/product/power/igbt/igbt-modules/f3l400r12pt4_b26/ (accessed on 6 December 2022).
- OnSemiconductor: Q0PACK Modules. 2018. Available online: https://www.onsemi.cn/pdf/datasheet/nxh80t120l3q0s3g-d.pdf (accessed on 6 December 2022).
- Joetten, R.; Gekeler, M.; EIBEL, J. AC drive with three level voltage source inverter and high dynamic performance micropocessor control. Proc. Eur. Conf. Power Electron. Appl. 1985, 85, 3.1–3.6. [Google Scholar]
- Salem, A.; Abido, M.A. T-Type Multilevel Converter Topologies: A Comprehensive Review. Arab. J. Sci. Eng. 2018, 44, 1713–1735. [Google Scholar] [CrossRef]
- Schmidt, H.; Burger, B.; Bussemas, U.; Elies, S. How Fast Does an MPP Tracker Really Need To Be? In Proceedings of the 24th European Photovoltaic Solar Energy Conference (EUPVSEC), Hamburg, Germany, 21–25 September 2009; pp. 3273–3276. [Google Scholar]
- Temiz, H.; Demirok, E.; Keysan, O.; Türkay, A.; Çetinkaya, B. Performance comparison of passive series R and shunt R-C damped LCL filter for grid-connected inverters. J. Eng. 2019, 2019, 4698–4702. [Google Scholar] [CrossRef]
- Verdugo, C.; Kouro, S.; Rojas, C.A.; Perez, M.A.; Meynard, T.; Malinowski, M. Five-Level T-type Cascade Converter for Rooftop Grid-Connected Photovoltaic Systems. Energies 2019, 12, 1743. [Google Scholar] [CrossRef]
- Bendre, A.; Venkataramanan, G.; Rosene, D.; Srinivasan, V. Modeling and design of a neutral-point voltage regulator for a three-level diode-clamped inverter using multiple-carrier modulation. IEEE Trans. Ind. Electron. 2006, 53, 718–726. [Google Scholar] [CrossRef]
- Kouro, S.; Lezana, P.; Angulo, M.; Rodriguez, J. Multicarrier PWM with DC-Link Ripple Feedforward Compensation for Multilevel Inverters. IEEE Trans. Power Electron. 2008, 23, 52–59. [Google Scholar] [CrossRef]
- Wu, Y.; Zeng, G.; Liu, J.; Song, G.; Sun, J. Design and Implementation of a 125kW T-NPC PV Inverter. In Proceedings of the PCIM Asia 2015; International Exhibition and Conference for Power Electronics, Intelligent Motion, Renewable Energy and Energy Management, Nuremberg, Germany, 19–21 May 2015; pp. 1–8. [Google Scholar]
- Kim, Y.J.; Kim, H. Optimal inductance ratio of LCL filter for grid connected inverters considering with low order harmonics. In Proceedings of the Annual Conference of the IEEE Industrial Electronics Society, IECON, Florence, Italy, 23–26 October 2016; pp. 2355–2360. [Google Scholar]
- Goodwin, G.; Graebe, S.; Salgado, F. Control System Design; Prentice-Hall: Hoboken, NJ, USA, 2001. [Google Scholar]
- Hackl, C.M. On the equivalence of proportional-integral and proportional-resonant controllers with anti-windup. CoRR 2016, abs/1610.07133. [Google Scholar]
- Do, D.T.; Hirsch, H. Harmonic Resonance Risk Assessment of Photovoltaic Applications in Low Voltage Grid. In Proceedings of the 2020 IEEE 29th International Symposium on Industrial Electronics (ISIE), Delft, The Netherlands, 17–19 June 2020; pp. 868–873. [Google Scholar]
- Wang, F.; Duarte, J.L.; Hendrix, M.A.M. Grid-Interfacing Converter Systems With Enhanced Voltage Quality for Microgrid Application-Concept and Implementation. IEEE Trans. Power Electron. 2011, 26, 3501–3513. [Google Scholar] [CrossRef]
- Wang, X.; Wang, S.; Wang, S.; Yang, C.; Zhao, X. A Digital Delay Compensation Method to Improve the Stability of LCL Grid-Connected Inverters. Energies 2021, 14, 2730. [Google Scholar] [CrossRef]
- Sgro, D.; Souza, S.A.; Tofoli, F.L.; Leão, R.P.S.; Sombra, A.K.R. An integrated design approach of LCL filters based on nonlinear inductors for grid-connected inverter applications. Electr. Power Syst. Res. 2020, 186, 106389. [Google Scholar] [CrossRef]

















| Symbol | Parameter | Value (SI) | Value (Per Unit) |
|---|---|---|---|
| Grid Parameters | |||
| RMS grid voltage | 380 [V] | 1 | |
| Grid frequency | 50 [Hz] | 1 | |
| Converter Parameters | |||
| Rated apparent power | 2.000 [MVA] | 1 | |
| Rated active power | 1.839 [MW] | 0.917 | |
| RMS rated current | 698 [A] | 0.230 | |
| Dc-link capacitors | 1300 [µF] | 0.010 | |
| Rated dc-link voltage | 950 [V] | 4.318 | |
| LCL Filter Parameters | |||
| Grid-side inductance | 63.33 [µH] | 0.822 | |
| Converter-side inductance | 190 [µH] | 2.467 | |
| Converter-side resistance | 7.5 [m] | 0.310 | |
| Filter capacitance | 180 [µF] | 0.001 | |
| Control Parameters | |||
| Carrier frequency | 8000 [Hz] | 160 | |
| Sample period | 125 [µs] | 160 | |
| Solver period | 0.25 [µs] | - | |
| BW | Current control bandwidth | 1000 [Hz] | 20 |
| BW | Dc-link controller bandwidth | 100 [Hz] | 2 |
| BW | Balancing control bandwidth | 10 [Hz] | 0.2 |
| MPPT Parameters | |||
| P&O period | 0.05 [s] | 2.5 | |
| P&O voltage step | 10 [V] | 0.045 | |
| PV String Parameters | |||
| - | PV module model | SW325 XL Mono | - |
| Series PV modules | 25 | - | |
| Parallel PV modules | 58 | - | |
| Maximum power | 325 [W] | - | |
| Voltage at maximum power | 37.0 [V] | - | |
| Open-circuit voltage | 46.1 [V] | - | |
| Current at maximum power | 8.84 [A] | - | |
| Short-circuit current | 9.48 [A] | - | |
| Harmonic Component | Value (%) |
|---|---|
| 5th | 6 |
| 7th | 5 |
| 11th | 3.5 |
| 13th | 2 |
| Case 1 | Case 2 | |||||
|---|---|---|---|---|---|---|
| Current | Switching | Norton | Absolute | Switching | Norton | Absolute |
| Harmonic | Model | Model | Error | Model | Model | Error |
| 3rd (A) | 55.38 | 55.51 | 0.13 | 49.36 | 54.38 | 5.02 |
| 5th (A) | 91.03 | 87.73 | 3.30 | 90.53 | 82.62 | 7.91 |
| 7th (A) | 55.48 | 54.10 | 1.39 | 51.55 | 50.52 | 1.03 |
| 11th (A) | 51.08 | 48.85 | 2.24 | 55.81 | 50.48 | 5.32 |
| 13th (A) | 21.77 | 27.83 | 6.06 | 21.04 | 25.18 | 4.13 |
| THD (%) | 5.09 | 4.84 | 0.24 | 7.78 | 7.56 | 0.23 |
| Conventional PI | Proposed PMR | |||||
|---|---|---|---|---|---|---|
| Current | Switching | Norton | Absolute | Switching | Norton | Absolute |
| Harmonic | Model | Model | Error | Model | Model | Error |
| 3rd (A) | 61.48 | 59.72 | 1.76 | 8.47 | 8.81 | 0.34 |
| 5th (A) | 65.33 | 78.23 | 12.90 | 25.82 | 24.18 | 1.64 |
| 11th (A) | 22.11 | 17.94 | 4.17 | 7.31 | 12.12 | 4.81 |
| 13th (A) | 8.88 | 5.46 | 3.42 | 2.17 | 3.39 | 1.22 |
| THD (%) | 10.21 | 9.67 | 0.54 | 5.52 | 3.54 | 0.02 |
| Symbol | Parameter | Feeder 1 | Feeder 2 |
|---|---|---|---|
| Feeder inductance | 1 [µH] | 8.5 [µH] | |
| Feeder resistance | 0.5 [m] | 0.5 [m] | |
| Feeder capacitance | 1 [nF] | 1 [nF] |
Publisher’s Note: MDPI stays neutral with regard to jurisdictional claims in published maps and institutional affiliations. |
© 2022 by the authors. Licensee MDPI, Basel, Switzerland. This article is an open access article distributed under the terms and conditions of the Creative Commons Attribution (CC BY) license (https://creativecommons.org/licenses/by/4.0/).
Share and Cite
Rojas, C.A.; Kouro, S.; Inzunza, R.; Mitsugi, Y.; Alcaide, A.M. Harmonic Impedance Model of Multiple Utility-Interactive Multilevel Photovoltaic Inverters. Energies 2022, 15, 9462. https://doi.org/10.3390/en15249462
Rojas CA, Kouro S, Inzunza R, Mitsugi Y, Alcaide AM. Harmonic Impedance Model of Multiple Utility-Interactive Multilevel Photovoltaic Inverters. Energies. 2022; 15(24):9462. https://doi.org/10.3390/en15249462
Chicago/Turabian StyleRojas, Christian A., Samir Kouro, Ruben Inzunza, Yasuaki Mitsugi, and Abraham M. Alcaide. 2022. "Harmonic Impedance Model of Multiple Utility-Interactive Multilevel Photovoltaic Inverters" Energies 15, no. 24: 9462. https://doi.org/10.3390/en15249462
APA StyleRojas, C. A., Kouro, S., Inzunza, R., Mitsugi, Y., & Alcaide, A. M. (2022). Harmonic Impedance Model of Multiple Utility-Interactive Multilevel Photovoltaic Inverters. Energies, 15(24), 9462. https://doi.org/10.3390/en15249462

