A Review of Hybrid Converter Topologies
Abstract
1. Introduction
2. Ancillary Services of Converters
3. Functionalities of Hybrid Converters
3.1. On-Grid General Mode (Hybrid)
3.2. On-Grid with Battery Backup Mode
3.3. Off-Grid Mode
4. Analysis of Hybrid Inverters Available on the Market
5. Overview of the Non-Isolated Multi-Port Converters
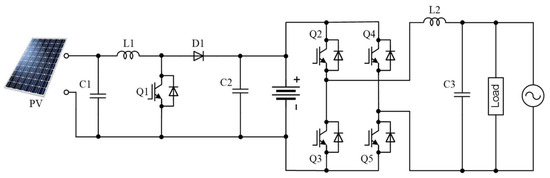
5.1. Battery Connected to the DC Bus
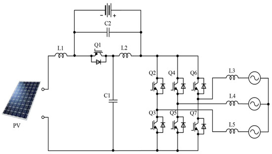
5.2. DC Bus Multi-Port Converter
5.3. Diode-Clamped Multi-Port Converter
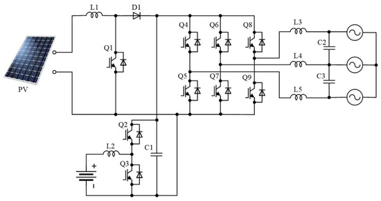
5.4. Z-Source Based Multi-Port Converters (ZS-MPC)
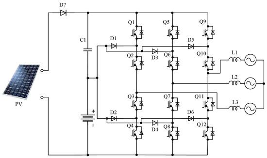
5.5. Hybrid Transformerless PV Converter
6. Overview of the Isolated Multi-Port Converters
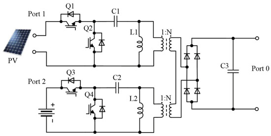
6.1. Symmetric Boost Integrated Phase Shift Converter
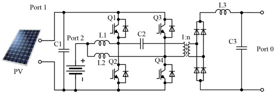
6.2. PV-Partially Isolated Three-Port Converter
6.3. Fully Isolated Three-Port Converter
6.4. Multiport CLL-Resonant Converter
- Derived hybrid converters can be further improved to reduce the number and size of electrical components such as semiconductors, passive elements, etc. This will result in a reduction in the cost of manufacturing converters as well as their size.
- Derived hybrid converters can be improved to reduce power conversion stages, which will reduce the total loss of the system.
- Improved controllers can be designed in order to reduce switching complexity.
- The power quality factors create a major problem when integrating the renewable energy system with the grid. Therefore, hybrid converters should be developed to take care of these power quality issues.
- In order to enhance the performance of the power electronics converters, various improved switches should be developed, such as GaN-based switches. Therefore, while designing new hybrid converters, improved semiconductor devices must be employed to augment the performance of the system.
7. Conclusions
Author Contributions
Funding
Data Availability Statement
Conflicts of Interest
References
- Ilić, M.D.; Zaborszky, J. Electric power systems engineering. In Encyclopedia of Energy; Elsevier: Amsterdam, The Netherlands; Academic Press: Boston, MA, USA, 2004; Volume 2, pp. 267–287. [Google Scholar]
- Blaabjerg, F.; Chen, Z.; Kjaer, S.B. Power electronics as efficient interface in dispersed power generation systems. IEEE Trans. Power Electron. 2004, 19, 1184–1194. [Google Scholar] [CrossRef]
- Lai, J.S.H.; Nelson, D.J. Energy Management Power Converters in Hybrid Electric and Fuel Cell Vehicles. Proc. IEEE 2007, 95, 766–777. [Google Scholar] [CrossRef]
- Boroyevich, D.; Cvefkovic, L.; Dong, D.; Burgos, R.; Wang, F.; Lee, F. Future electronic power distribution systems-A contemplative view. In Proceedings of the 12th International conference OPTIM Electrical and Electronic Equipment, Brasov, Romania, 20–22 May 2010; pp. 1369–1380. [Google Scholar]
- Adda, R.; Ray, O.; Mishra, S.K.; Joshi, A. Synchronous-Reference-Frame-Based Control of Switched Boost Inverter for Standalone DC Nanogrid Applications. IEEE Trans. Power Electron. 2013, 28, 1219–1233. [Google Scholar] [CrossRef]
- Nag, S.S.; Adda, R.; Ray, O.; Mishra, S.K. Current-Fed Switched Inverter based hybrid topology for DC Nanogrid application. In Proceedings of the IEEE 39th Annual Conference of the Industrial Electronics Society, Vienna, Austria, 10–13 November 2013; pp. 7146–7151. [Google Scholar]
- Ravindranath, A.; Mishra, S.K.; Joshi, A. Analysis and PWM Control of Switched Boost Inverter. IEEE Trans. Ind. Electron. 2013, 60, 5593–5602. [Google Scholar] [CrossRef]
- Ray, O.; Mishra, S. Boost-Derived Hybrid Converter with simultaneous DC and AC outputs. IEEE Trans. Ind. Appl. 2014, 50, 1082–1093. [Google Scholar] [CrossRef]
- Ray, O.; Mishra, S. Constant-frequency shoot-through sine pulse-width-modulation scheme for three-phase single-input–hybrid-output converter. IET Power Electron. 2016, 9, 1819–1827. [Google Scholar] [CrossRef]
- Sharma, A.; Pramod, B.; Singh, R.K.; Mahanty, R. Interleaved hybrid boost converter with simultaneous DC and AC outputs for micro-source applications. In Proceedings of the IEEE Energy Conversion Congress and Exposition (ECCE), Milwaukee, WI, USA, 18–22 September 2016; pp. 1–8. [Google Scholar]
- Bhattacharjee, A.K.; Kutkut, N.; Batarseh, I. Review of Multiport Converters for Solar and Energy Storage Integration. IEEE Trans. Power Electron. 2019, 34, 1431–1445. [Google Scholar] [CrossRef]
- Affam, A.; Buswig, Y.M.; Othman, A.K.B.H.; Julai, N.B.; Qays, O. A review of multiple input DC-DC converter topologies linked with hybrid electric vehicles and renewable energy systems. Renew. Sustain. Energy Rev. 2021, 135, 110186. [Google Scholar] [CrossRef]
- Raju, N.; Mohan, N.M.; Kumar, V. A Review of Extended Voltage Range DC-DC Converter Topologies. In Intelligent Computing & Optimization. Lecture Notes in Networks and Systems; Vasant, P., Weber, G.W., Marmolejo-Saucedo, J.A., Munapo, E., Thomas, J.J., Eds.; Springer: Cham, NY, USA, 2022; Volume 569. [Google Scholar]
- Sonia, B.; Venkata Lakshmi, V.; Varas Prasad, M.V.G. Boost Derived Multi Level Hybrid Converters in Micro Grid. In Smart Energy and Advancement in Power Technologies. Lecture Notes in Electrical Engineering; Namrata, K., Priyadarshi, N., Bansal, R.C., Kumar, J., Eds.; Springer: Singapore, 2023; Volume 927. [Google Scholar]
- Edson, H.W.; Gilson, S., Jr. Flexible AC Transmission Systems. In Power Electronics Handbook: Devices, Circuits and Applications (Engineering); Academic Press: Cambridge, MA, USA, 2018. [Google Scholar]
- Hirst, E.; Kirby, B. Electric-Power Ancillary Services. ORNL/CON-426; Oak Ridge National Laboratory: Oak Ridge, TN, USA, 1996.
- Pagano, E.; Piegari, L.; Tricoli, P. Approaches to analytical analysis of active filter behaviour. In Proceedings of the 29th Annual Conference of the IEEE Industrial Electronics Society IECON’03, Roanoke, VA, USA, 2–6 November 2003; Volume 3, pp. 2003–2022. [Google Scholar]
- D’Arco, S.; Iannuzzi, D.; Pagano, E.; Tricoli, P. Analysis of active filter behaviour by means of modified z-transform method. IEE Proc. Electric Power Applications. 2005, 152, 695–702. [Google Scholar] [CrossRef]
- Yang, B.; Li, W.; Zhao, Y.; He, X. Design and Analysis of a Grid-Connected Photovoltaic Power System. IEEE Trans. Power Electron. 2010, 25, 992–1000. [Google Scholar] [CrossRef]
- Pereira, H.; Domingos, R.; Xavier, L.; Cupertino, A.; Mendes, V.; Paulino, J. Adaptive saturation for a multifunctional three-phase photovoltaic inverter. In Proceedings of the 17th European Conference on Power Electronics and Applications, Geneva, Switzerland, 29 October 2015; pp. 1–10. [Google Scholar]
- He, J.; Li, Y.W.; Munir, M.S. A flexible harmonic control approach through voltage-controlled DG–Grid interfacing converters. IEEE Trans. Ind. Electron. 2012, 59, 444–455. [Google Scholar] [CrossRef]
- Narinder, K.; Trehan, P.E. Ancillary Services- Reactive and Voltage Control. Power Eng. Soc. Winter Meet. 2001, 3, 1341–1346. [Google Scholar]
- Svarc, J. Hybrid Inverter Comparison Chart. Available online: https://www.cleanenergyreviews.info/hybrid-solar-inverter-comparison (accessed on 26 November 2022).
- Ev Charching Single Phase Inverter. Available online: https://www.europe-solarstore.com/download/solaredge/solaredge_3680-6000h_hd-wave_setapp_integrated_ev_charger_en.pdf (accessed on 26 November 2022).
- LG Energy Solutions. Available online: https://www.europe-solarstore.com/download/lgchem/LG_Chem_RESU_datasheet.pdf (accessed on 26 November 2022).
- FRONIUS SYMO HYBRID. Available online: https://www.europe-solarstore.com/download/fronius/solarbattery/DS_Fronius_Energy_Package_EN_386411_snapshot.pdf (accessed on 26 November 2022).
- Smart Energy Controller. Available online: https://solar.huawei.com/en-GB/download?p=%2F %2Fmedia%2FSolar%2Fattachment%2Fpdf%2Feu%2Fdatasheet%2FSUN2000-2-6KTL-L1.pdf (accessed on 26 November 2022).
- Power Conversion System/Hybrid Inverter. Available online: https://uk.sungrowpower.com/upload/file/20210723/EN%20DS%20SH5.0RT%206.0RT%208.0RT%2010RT%20Datasheet.pdf (accessed on 26 November 2022).
- Power Conversion System/Hybrid Inverter. Available online: https://www.sungrowpower.com/sites/default/files/SBP4K8-UEN-Ver14-201807.pdf (accessed on 10 June 2021).
- ABB PV + Storage. Available online: https://www.rectifier.co.za/wp-content/uploads/2019/08/REACT2-3.6-5.0-TL_BCD.00688_EN_RevD.pdf (accessed on 26 November 2022).
- Redback SH5000 Hybrid Solar-Battery Inverter-Charger Inverter. Available online: https://www.ecocool.com.au/products/inverters/redback-sh5000-hybrid-solar-battery-inverter-charger-inverter (accessed on 26 November 2022).
- Solis High Voltage Energy Storage Inverters. Available online: https://www.invertersupply.com/media/data/Datasheet_RHI-1P5K-HVES-5G.pdf (accessed on 26 November 2022).
- Self Consumption Solar Hybrid Inverters. Available online: https://imeon-energy.com/wp-content/uploads/datasheet-imeon-hybrid-solar-inverter.pdf (accessed on 26 November 2022).
- X1-HYBRID HV/X3-HYBRID HV. Available online: https://www.solaxpower.com/wp-content/uploads/2017/01/X-Hybrid-SingleThree-Phase-Datasheet.pdf (accessed on 26 November 2022).
- Hybrid Converter. Available online: https://files.sma.de/downloads/SBS37-60-DAU1902-V21web.pdf (accessed on 10 June 2021).
- Afshari, H.; Husev, O.; Vinnikov, D.; Matiushkin, O.; Vosoughi KurdKandi, N. Comparison of Grid-Connected Flyback-based Microinverter with Primary and Secondary Side Decoupling Approach. In Proceedings of the IEEE 63rd International Scientific Conference on Power and Electrical Engineering of Riga Technical University (RTUCON), Riga, Latvia, 10 October 2022. [Google Scholar]
- Vega Garita, V.; Garg, S.; Narayan, N.; Ramirez Elizondo, L.; Bauer, P. Testing a PV-battery Integrated Module Prototype. In Proceedings of the 2018 IEEE 7th World Conference on Photovoltaic Energy Conversion (WCPEC) (A Joint Conference of 45th IEEE PVSC, 28th PVSEC & 34th EU PVSEC), Waikoloa, HI, USA, 10–15 June 2018. [Google Scholar]
- Vega Garita, V.; Garg, S.; Narayan, N.; Ramirez Elizondo, L.; Bauer, P. PV-battery integrated module as a solution for off-grid applications in the developing world. In Proceedings of the 2018 IEEE International Energy Conference (ENERGYCON), Limassol, Cyprus, 3–7 June 2018. [Google Scholar]
- Nahavandi, A.; Hagh, M.T.; Sharifian, M.B.; Danyali, S. A nonisolated multiinput multioutput dc–dc boostconverter for electric vehicle applications. IEEE Trans. Power Electron. 2015, 30, 1818–1835. [Google Scholar] [CrossRef]
- Gummi, K.; Ferdowsi, M. Double-Input DC–DC Power Electronic Converters for Electric-Drive Vehicles—Topology Exploration and Synthesis Using a Single-Pole Triple-Throw Switch. IEEE Trans. Ind. Electron. 2010, 57, 617–623. [Google Scholar] [CrossRef]
- Solero, L.; Lidozzi, A.; Pomilio, J.A. Design of multiple-input power converter for hybrid vehicles. IEEE Trans. Power Electron. 2005, 20, 1007–1016. [Google Scholar] [CrossRef]
- Hintz, A.; Prasanna, U.R.; Rajashekara, K. Novel Modular Multiple-Input Bidirectional DC–DC Power Converter (MIPC) for HEV/FCV Application. IEEE Trans. Ind. Electron. 2015, 62, 3163–3172. [Google Scholar] [CrossRef]
- Yang, P.; Tse, C.K.; Xu, J.; Zhou, G. Synthesis and Analysis of Double-Input Single-Output DC/DC Converters. IEEE Trans. Ind. Electron. 2015, 62, 6284–6295. [Google Scholar] [CrossRef]
- Nagata, H.; Uno, M. Multi-port converter integrating two PWM converters for multi-power-source systems. In Proceedings of the IEEE 3rd International Future Energy Electronics Conference and ECCE, Taiwan, China, 3–7 June 2017; pp. 1833–1838. [Google Scholar]
- Zhu, H.; Zhang, D.; Zhang, B.; Zhou, Z. A Non-Isolated Three-Port DC–DC Converter and Three-Domain Control Method for PV-Battery Power Systems. IEEE Trans. Ind. Electron. 2015, 62, 4937–4947. [Google Scholar] [CrossRef]
- Marchesoni, M.; Vacca, C. New DC–DC Converter for Energy Storage System Interfacing in Fuel Cell Hybrid Electric Vehicles. IEEE Trans. Power Electron. 2007, 22, 301–308. [Google Scholar] [CrossRef]
- Zhu, H.; Zhang, D.; Liu, Q.; Zhou, Z. Three-Port DC/DC Converter with All Ports Current Ripple Cancellation Using Integrated Magnetic Technique. IEEE Trans. Power Electron. 2016, 31, 2174–2186. [Google Scholar] [CrossRef]
- Chiang, S.J.; Chang, K.T.; Yen, C.Y. Residential photovoltaic energy storage system. IEEE Trans. Ind. Electron. 1998, 45, 385–394. [Google Scholar] [CrossRef]
- Ding, F.; Li, P.; Huang, B.; Gao, F.; Ding, C.; Wang, C. Modeling, and simulation of grid-connected hybrid photovoltaic/battery distributed generation system. In Proceedings of the CICED 2010 Proceedings, Nanjing, China, 13–16 September 2010; pp. 1–10. [Google Scholar]
- Gurkaynak, Y.; Li, Z.; Khaligh, A. A novel grid-tied, solar powered residential home with plug-in hybrid electric vehicle (PHEV) loads. In Proceedings of the IEEE Vehicle Power and Propulsion Conference, Dearborn, MI, USA, 7–11 September 2009; pp. 813–816. [Google Scholar]
- Jayasinghe, S.D.G.; Vilathgamuwa, D.M.; Madawala, U.K. Diode-Clamped Three-Level Inverter-Based Battery/Supercapacitor Direct Integration Scheme for Renewable Energy Systems. IEEE Trans. Power Electron. 2011, 26, 3720–3729. [Google Scholar] [CrossRef]
- Stepenko, S.; Husev, O.; Pimentel, S.P.; Makovenko, E.; Vinnikov, D. Small Signal Modeling of Interleaved Quasi-Z-Source Inverter with Active Power Decoupling Circuit. In Proceedings of the IEEE 59th International Scientific Conference on Power and Electrical Engineering of Riga Technical University (RTUCON), Riga, Latvia, 12–14 November 2018; pp. 1–6. [Google Scholar]
- Zheng Peng, F. Z-source inverter. IEEE Trans. Ind. Electron. 2003, 39, 504–510. [Google Scholar] [CrossRef]
- Liu, Y.; Abu Rub, H.; Ge, B. Z-Source/Quasi-Z-Source Inverters: Derived Networks, Modulations, Controls, and Emerging Applications to Photovoltaic Conversion. IEEE Ind. Electron. Mag. 2014, 8, 32–44. [Google Scholar] [CrossRef]
- Ellabban, O.; Abu-Rub, H. Z-Source Inverter: Topology Improvements Review. IEEE Ind. Electron. Mag. 2016, 10, 6–24. [Google Scholar] [CrossRef]
- Holland, K.; Shen, M.; Peng, F.Z. Z-source inverter control for traction drive of fuel cell—Battery hybrid vehicles. In Proceedings of the Fourtieth IAS Annual Meeting. Conference Record of the 2005 Industry Applications Conference, Hong Kong, China, 2–6 October 2005; Volume 3, pp. 1651–1656. [Google Scholar]
- Sun, D.; Ge, B.; Peng, F.Z.; Abu Rub, H.; De Almeida, A.T. Power flow control for quasi-Z source inverter with battery-based PV power generation system. In Proceedings of the IEEE Energy Conversion Congress and Exposition, Phoenix, AZ, USA, 17–22 September 2011; pp. 1051–1056. [Google Scholar]
- Khajesalehi, J.; Sheshyekani, K.; Hamzeh, M.; Afjei, E. High-performance hybrid photovoltaic-battery system based on quasi-Z-source inverter: Application in microgrids. IET Gener. Transm. Distrib. 2015, 9, 895–902. [Google Scholar] [CrossRef]
- Vinnikov, D.; Chub, A.; Liivik, E.; Kosenko, R.; Korkh, O. Solar Optiverter—A Novel Hybrid Approach to the Photovoltaic Module Level Power Electronics. IEEE Trans. Ind. Electron. 2019, 66, 3869–3880. [Google Scholar] [CrossRef]
- Husev, O.; Vinnikov, D.; Roncero-Clemente, C.; Chub, A.; Romero-Cadaval, E. Single-Phase String Solar qZS-based Inverter: Example of Multi-Objective Optimization Design. IEEE Trans. Ind. Appl. 2021, 57, 3120–3130. [Google Scholar] [CrossRef]
- Husev, O.; Shults, T.; Vinnikov, D.; Roncero-Clemente, C.; Romero-Cadaval, E.; Chub, A. Comprehensive Comparative Analysis of Impedance-Source Networks for DC and AC Application. Electronics 2019, 8, 405. [Google Scholar] [CrossRef]
- Panfilov, D.; Husev, O.; Blaabjerg, F.; Zakis, J.; Khandakji, K. Comparison of three-phase three-level voltage source inverter with intermediate dc–dc boost converter and quasi-Z-source inverter. IET Power Electron. 2016, 9, 1238–1248. [Google Scholar] [CrossRef]
- Wolski, K.; Zdanowski, M.; Rabkowski, J. High-Frequency SiC-Based Inverters with Input Stages Based on Quasi-Z-Source and Boost Topologies—Experimental Comparison. IEEE Trans. Power Electron. 2019, 34, 9471–9478. [Google Scholar] [CrossRef]
- Kroics, K.; Zakis, J.; Suzdalenko, A.; Husev, O.; Tytelmaier, K.; Khandakji, K. Operation possibility of grid connected Quasi-Z-Source Inverter with energy storage and renewable energy generation in wide power range. In Proceedings of the IEEE First Ukraine Conference on Electrical and Computer Engineering (UKRCON), Kyiv, Ukraine, 29 May–2 June 2017; pp. 564–569. [Google Scholar]
- Zhongting, T.; Yang, Y.; Wan, J.; Blaabjerg, F. Hybrid transformerless PV converters with low leakage currents: Analysis and configuration. IET Renew. Power Gener. 2021, 15, 368–381. [Google Scholar]
- Y-S, L.; Y-P, K. Switched-capacitor bi-directional converter performance comparison with and without quasi-resonant zero-current switching. IET Power Electron. 2010, 3, 269–278. [Google Scholar]
- Zhao, C.; Round, S.D.; Kolar, J.W. An Isolated Three-Port Bidirectional DC-DC Converter with Decoupled Power Flow Management. IEEE Trans. Power Electron. 2008, 23, 2443–2453. [Google Scholar] [CrossRef]
- Tao, H.; Kotsopoulos, A.; Duarte, J.L.; Hendrix, M.A.M. Transformer-Coupled Multiport ZVS Bidirectional DC–DC Converter with Wide Input Range. IEEE Trans. Power Electron. 2008, 23, 771–781. [Google Scholar] [CrossRef]
- Das, P.; Laan, B.; Mousavi, S.A.; Moschopoulos, G. A Nonisolated Bidirectional ZVS-PWM Active Clamped DC–DC Converter. IEEE Trans. Power Electron. 2009, 24, 553–558. [Google Scholar]
- Duan, R.Y.; Lee, J.D. High-efficiency bidirectional DC-DC converter with coupled inductor. IET Power Electron. 2012, 5, 115–123. [Google Scholar] [CrossRef]
- Ahmadi, M.; Mohammadi, M.R.; Adib, E.; Farzanehfard, H. Family of non-isolated zero current transition bi-directional converters with one auxiliary switch. IET Power Electron. 2012, 5, 158–165. [Google Scholar] [CrossRef]
- Al-Atrash, H.; Batarseh, I. Boost-Integrated Phase-Shift Full-Bridge Converter for Three-Port Interface. In Proceedings of the IEEE Power Electronics Specialists Conference, Orlando, FL, USA, 17–21 June 2007; pp. 2313–2321. [Google Scholar]
- Zhu, H.; Zhang, D.; Athab, H.S.; Wu, B.; Gu, Y. PV Isolated Three-Port Converter and Energy-Balancing Control Method for PV-Battery Power Supply Applications. IEEE Trans. Ind. Electron. 2015, 62, 3595–3606. [Google Scholar] [CrossRef]
- Phattanasak, M.; Gavagsaz Ghoachani, R.; Martin, J.P.; Nahid Mobarakeh, B.; Pierfederici, S.; Davat, B. Control of a Hybrid Energy Source Comprising a Fuel Cell and Two Storage Devices Using Isolated Three-Port Bidirectional DC–DC Converters. IEEE Trans. Ind. Appl. 2015, 51, 491–497. [Google Scholar] [CrossRef]
- Asa, E.; Colak, K.; Bojarski, M.; Czarkowski, D. Asymmetrical Duty-Cycle and Phase-Shift Control of a Novel Multiport CLL Resonant Converter. IEEE J. Emerg. Sel. Top. Power Electron. 2015, 3, 1122–1131. [Google Scholar] [CrossRef]
















| № | Device | Nominal AC Power, W | Max. Efficiency, % | Number of Phases | Battery Type | Battery Voltage Range, V | Max. Battery Power, W | Battery Communication | Comments |
|---|---|---|---|---|---|---|---|---|---|
| 1 | Huawei SUN2000 -5KTL-L1 [27] | 5000 | 97.8 | 1 | Li-ion | 350–450 | 5000 | RS485 | Battery is connected to dc-link |
| 2 | Fronius SYMO Hybrid 5.0-3-S [26] | 5000 | 96 | 3 | LiFePO4 | 240–345 | 4800 | RS485 | Different battery packs can be used (BATTERY 9.0 is shown) |
| 3 | Sungrow SH5K-30 [28] | 5000 | 97.1 | 1 | Li-ion | 32–70 | 4500 | CAN/ RS485 | |
| 4 | Redback SH5000 [31] | 5000 | 97 | 1 | Li-ion | 42–60 | 4600 | CAN | |
| 5 | ABB REACT2-UNO-5.0-TL [30] | 5000 | 96.6 | 1 | Li-ion | 170–575 | 5000 | RS485 | |
| 6 | Solis RHI-1P5K-HVES-5G [32] | 5000 | 97.5 | 1 | Li-ion | 120–500 | 7000 | CAN/ RS485 | Continuous maximum battery power is 6 kW |
| 7 | Imeon 3.6 [33] | 3000 | 94.5 | 1 | Li-ion | 42–62 | 3840 | RS485 | |
| 8 | SolaX X3 Hybrid 5.0 T [34] | 5000 | 97 | 3 | Li-ion | 200–500 | 5000 | CAN/ RS485 | |
| 9 | Sunny Boy Storage 5.0 [35] | 5000 | 97.5 | 1 | Li-ion | 100–550 | 5000 | CAN/ RS485 |
| References | Number of Components | Power Ratings | Isolation | Pros | Cons | ||
|---|---|---|---|---|---|---|---|
| Switch & Diode | L | C | |||||
| Ref [48] | 6 | 2 | 3 | 600 W | No |
|
|
| Ref [50] | 7 | 2 | 1 | 5 kW | No |
|
|
| Ref [51] | 19 | 3 | 1 | 10 kW | No |
|
|
| Ref [57] | 7 | 5 | 2 | 10 kW | NO |
|
|
| Ref [65] | 7 | 4 | 1 | 4.5 kW | No |
|
|
| Ref [72] | 8 | 3 | 3 | 5 kW | Yes |
|
|
| Ref [74] | 13 | 1 | 2 | 1 kW | Yes |
|
|
| Ref [75] | 8 | 2 | 3 | 1 kW | Yes |
|
|
Publisher’s Note: MDPI stays neutral with regard to jurisdictional claims in published maps and institutional affiliations. |
© 2022 by the authors. Licensee MDPI, Basel, Switzerland. This article is an open access article distributed under the terms and conditions of the Creative Commons Attribution (CC BY) license (https://creativecommons.org/licenses/by/4.0/).
Share and Cite
Afshari, H.; Husev, O.; Matiushkin, O.; Vinnikov, D. A Review of Hybrid Converter Topologies. Energies 2022, 15, 9341. https://doi.org/10.3390/en15249341
Afshari H, Husev O, Matiushkin O, Vinnikov D. A Review of Hybrid Converter Topologies. Energies. 2022; 15(24):9341. https://doi.org/10.3390/en15249341
Chicago/Turabian StyleAfshari, Hossein, Oleksandr Husev, Oleksandr Matiushkin, and Dmitri Vinnikov. 2022. "A Review of Hybrid Converter Topologies" Energies 15, no. 24: 9341. https://doi.org/10.3390/en15249341
APA StyleAfshari, H., Husev, O., Matiushkin, O., & Vinnikov, D. (2022). A Review of Hybrid Converter Topologies. Energies, 15(24), 9341. https://doi.org/10.3390/en15249341

