Single-Phase Five-Level Multilevel Inverter Based on a Transistors Six-Pack Module
Abstract
1. Introduction
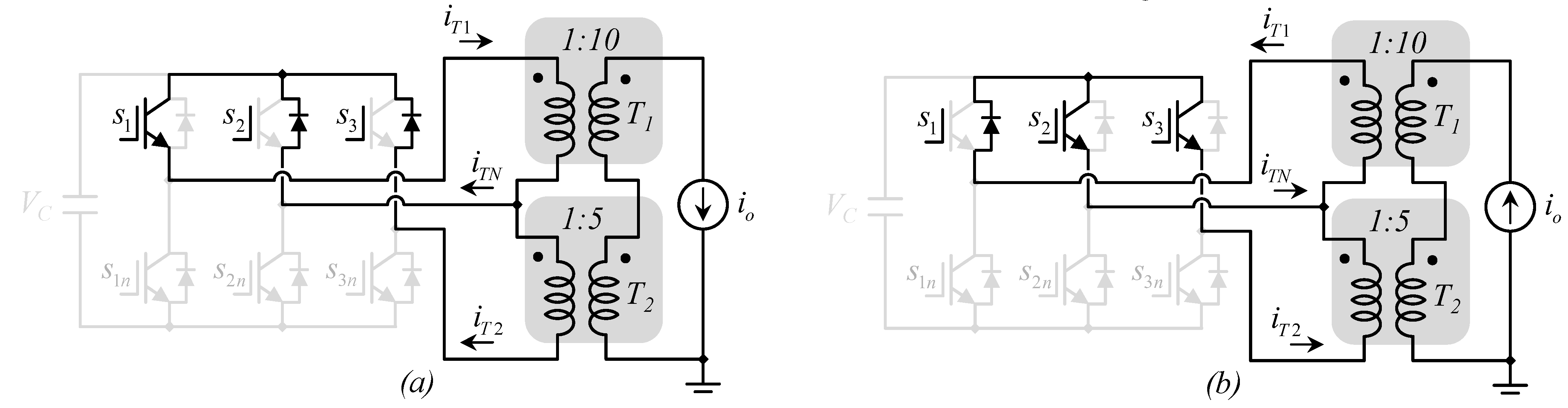
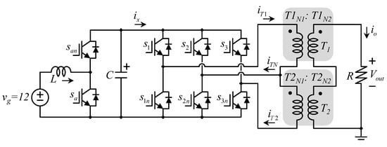
2. The Proposed Topology
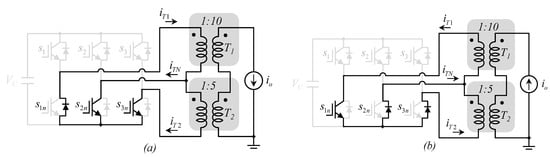
2.1. The State {0, 0, 0}
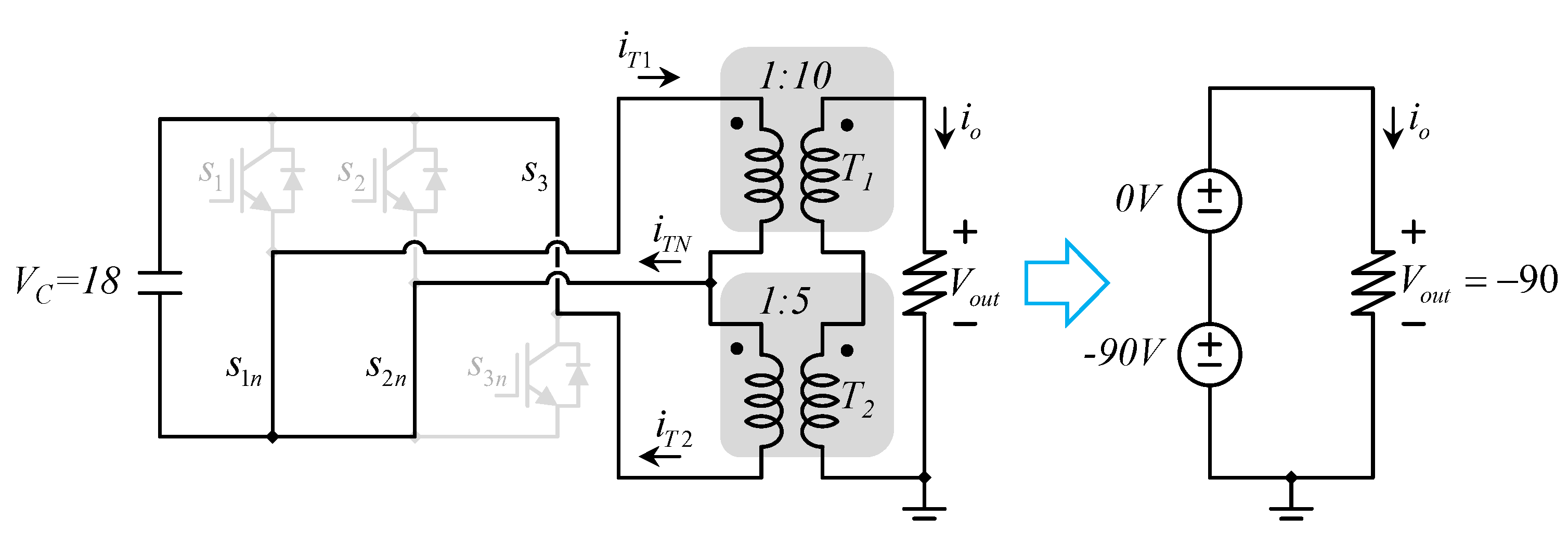
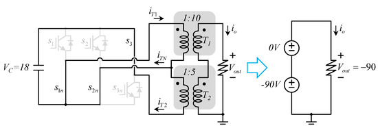
2.2. The State {0, 0, 1}
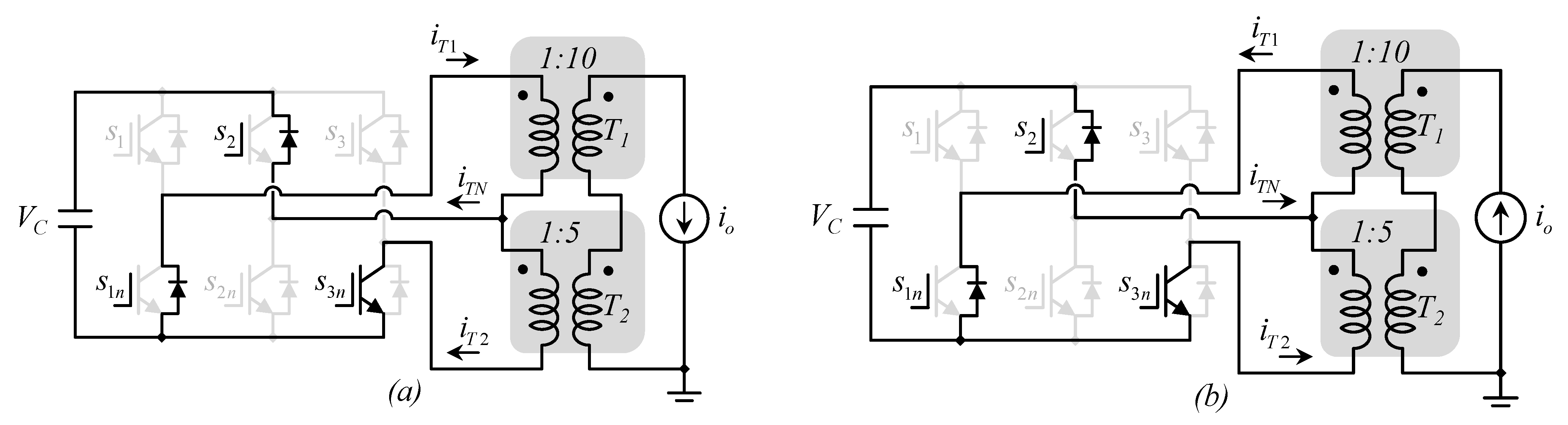
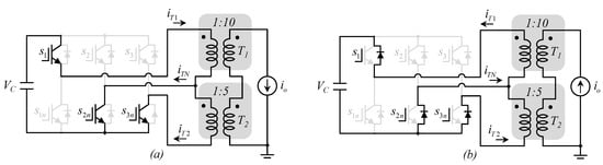
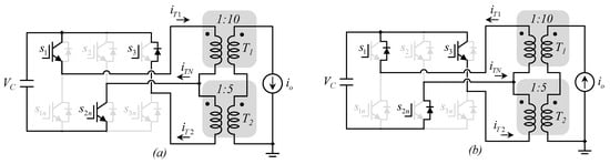
2.3. The State {0, 1, 0}
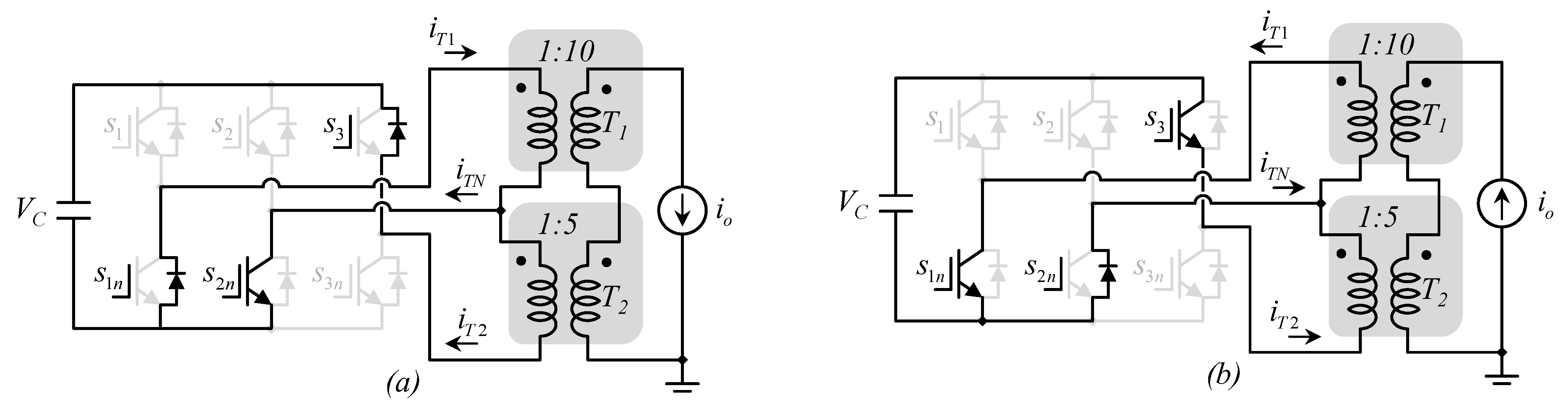
2.4. The State {0, 1, 1}
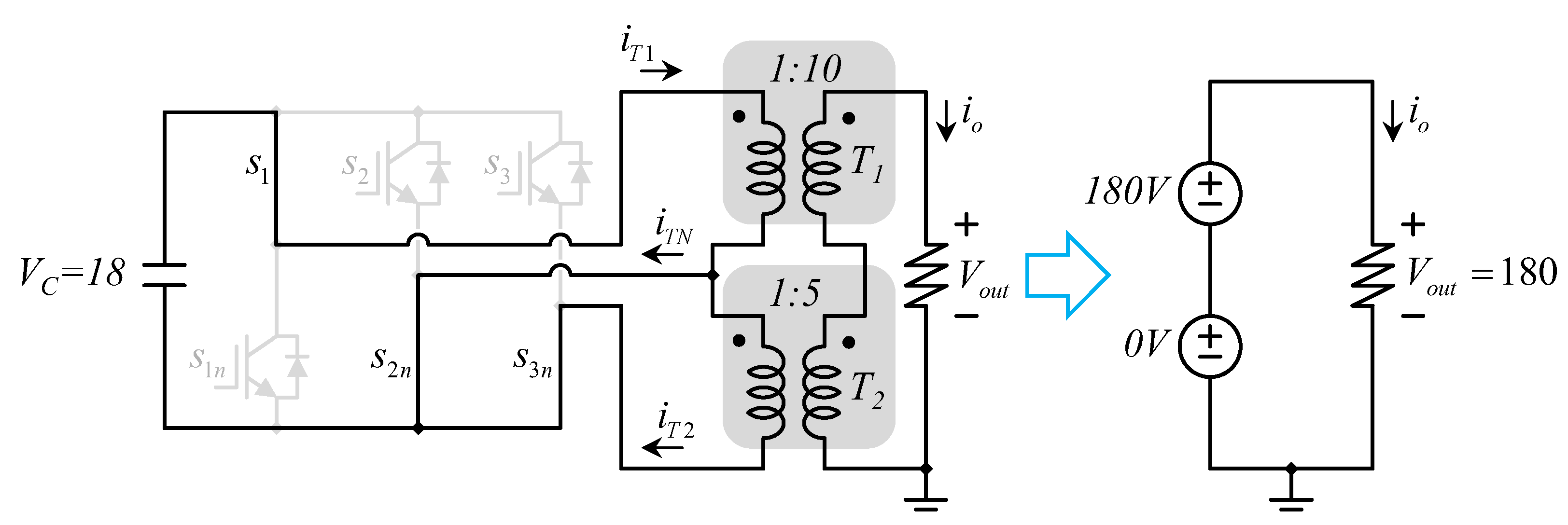
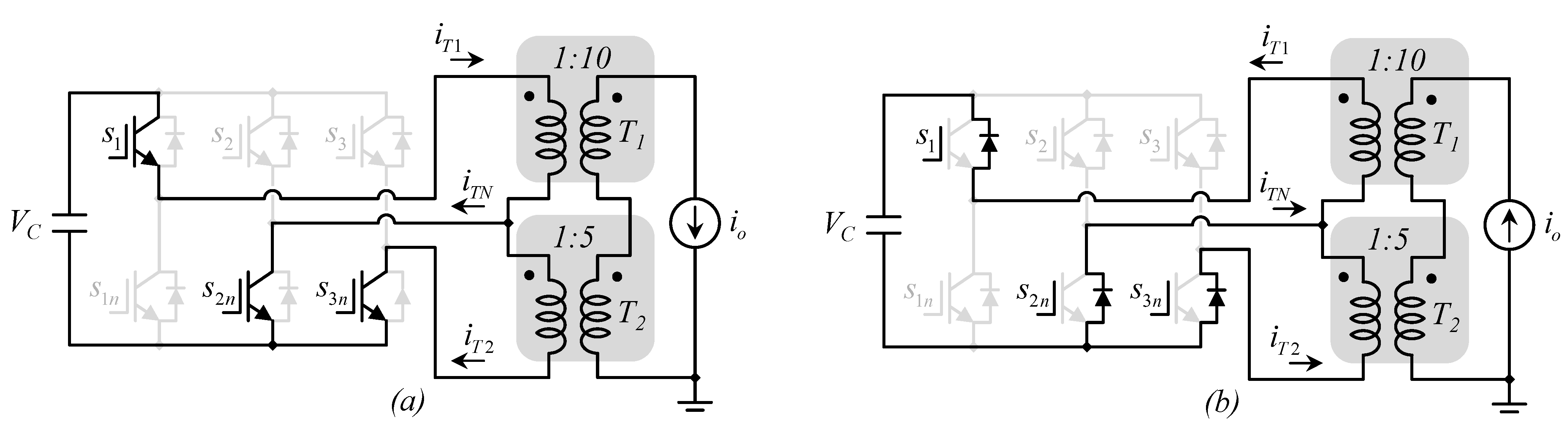
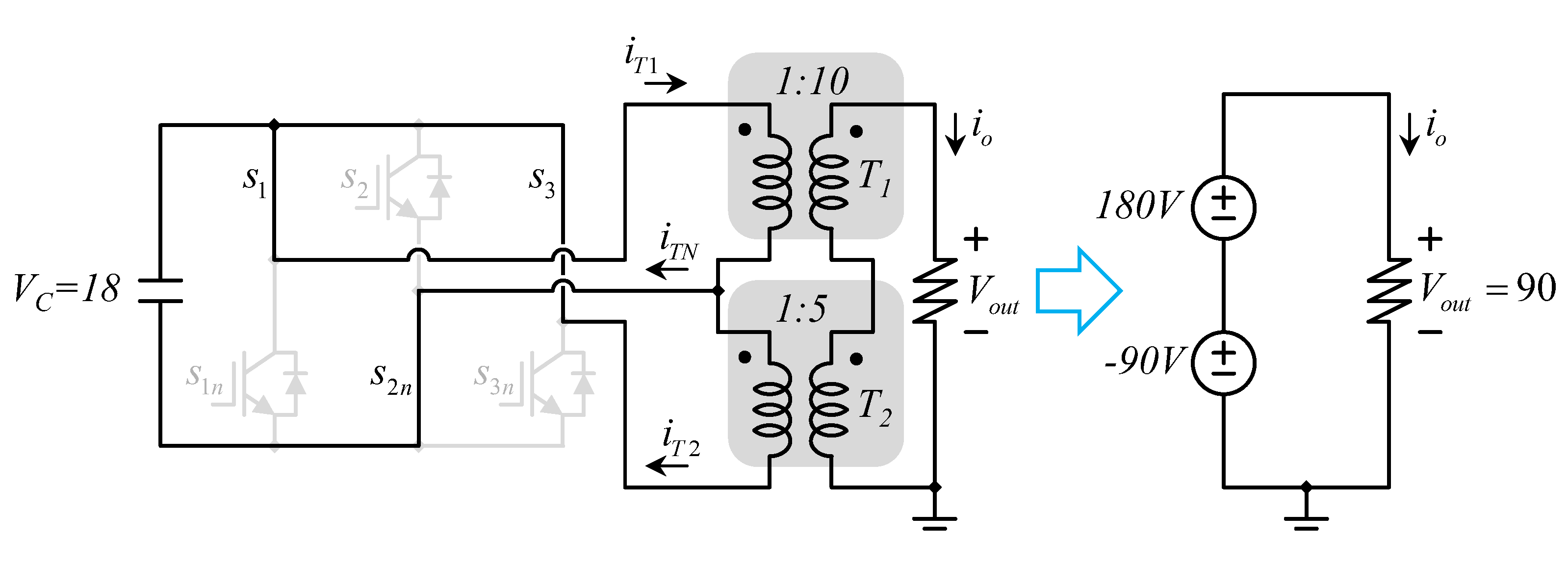
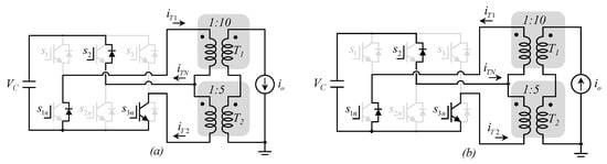
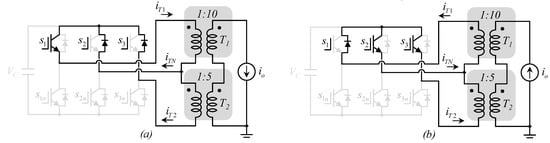
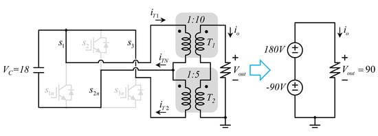
2.5. The State {1, 0, 0}
2.6. The State {1, 0, 1}
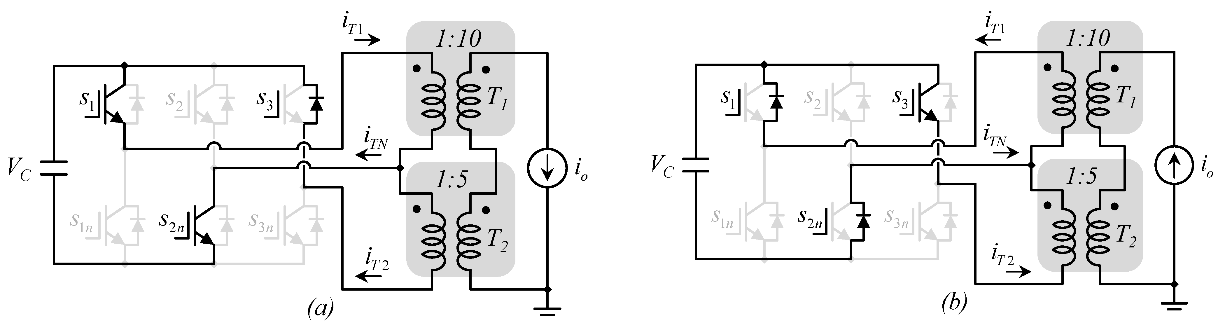
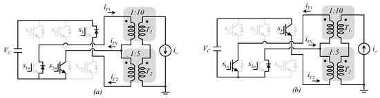
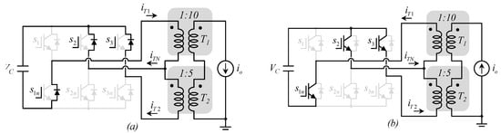
2.7. The State {1, 1, 0}
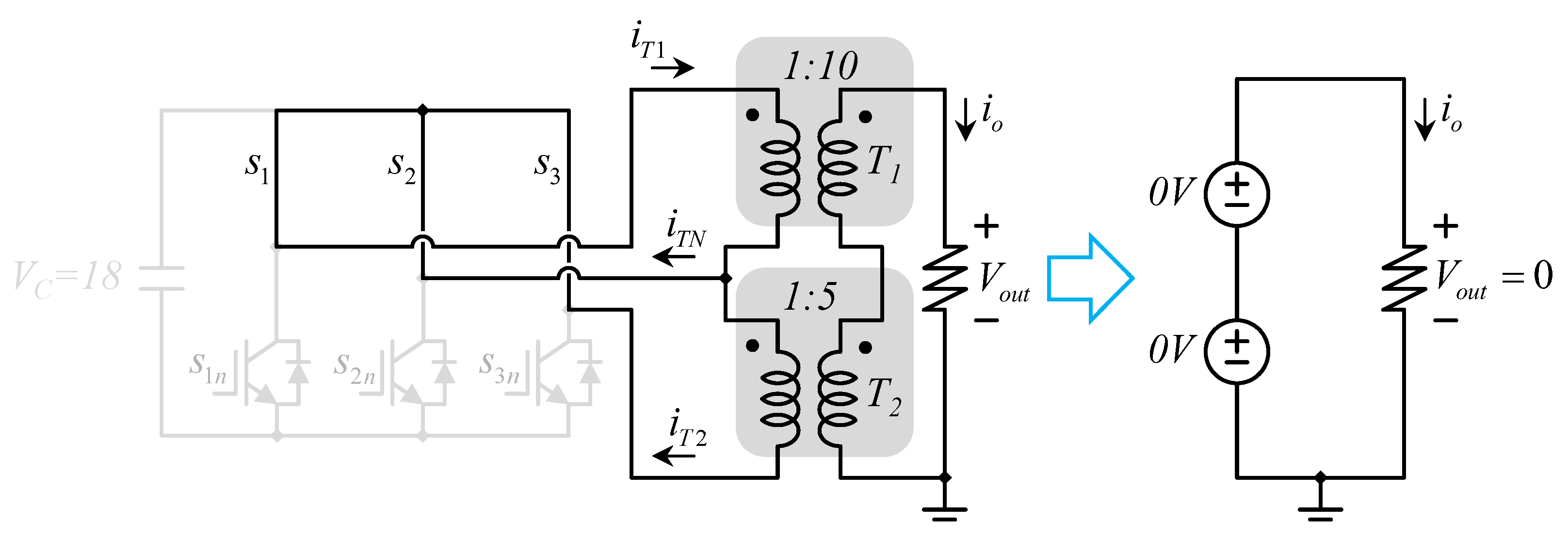
2.8. The State {1, 1, 1}
2.9. Summary of the Converter’s Equivalent Circuits
2.10. Dynamical Model of the System
3. Demonstrative Results
Operation of the Converter under Closed-Loop Control
4. Discussion
5. Conclusions
Author Contributions
Funding
Data Availability Statement
Acknowledgments
Conflicts of Interest
References
- Kouro, S.; Malinowski, M.; Gopakumar, K.; Pou, J.; Franquelo, L.G.; Wu, B.; Rodriguez, J.; Perez, M.A.; Leon, J.I. Recent advances and industrial applications of multilevel converters. IEEE Trans. Ind. Electron. 2010, 57, 2553–2580. [Google Scholar] [CrossRef]
- Rodriguez, J.; Lai, J.S.; Peng, F.Z. Multilevel inverters: A survey of topologies, control and applications. IEEE Trans. Ind. Electron. 2002, 49, 724–738. [Google Scholar] [CrossRef]
- Bughneda, A.; Salem, M.; Richelli, A.; Ishak, D.; Alatai, S. Review of Multilevel Inverters for PV Energy System Applications. Energies 2021, 14, 1585. [Google Scholar] [CrossRef]
- Alotaibi, S.; Darwish, A. Modular Multilevel Converters for Large-Scale Grid-Connected Photovoltaic Systems: A Review. Energies 2021, 14, 6213. [Google Scholar] [CrossRef]
- Choudhury, S.; Bajaj, M.; Dash, T.; Kamel, S.; Jurado, F. Multilevel Inverter: A Survey on Classical and Advanced Topologies, Control Schemes, Applications to Power System and Future Prospects. Energies 2021, 14, 5773. [Google Scholar] [CrossRef]
- Zhang, F.; Peng, F.Z.; Qian, Z. Study of the multilevel converters in DC-DC applications. In Proceedings of the 2004 IEEE 35th Annual Power Electronics Specialists Conference, Aachen, Germany, 20–25 June 2004; Volume 2, pp. 1702–1706. [Google Scholar]
- Peng, F.Z. A generalized multilevel inverter topology with self voltage balancing. IEEE Trans. Ind. Appl. 2001, 37, 611–618. [Google Scholar] [CrossRef]
- Lai, J.-S.; Peng, F.Z. Multilevel converters-a new breed of power converters. IEEE Trans. Ind. Appl. 1996, 32, 509–517. [Google Scholar]
- Nabae, A.; Takahashi, I.; Akagi, H. A new neutral-point-clamped PWM inverter. IEEE Trans. Ind. Appl. 1981, IA-17, 518–523. [Google Scholar] [CrossRef]
- Chen, G.; Yang, J. A Modified Modulation Strategy for an Active Neutral-Point-Clamped Five-Level Converter in a 1500 V PV System. Electronics 2022, 11, 2289. [Google Scholar] [CrossRef]
- Li, W.-J.; Li, D.-S.; Zhang, J.-W. Model-Based Design and Experimental Validation of Control System for a Three-Level Inverter. Electronics 2022, 11, 1979. [Google Scholar] [CrossRef]
- Meynard, T.A.; Foch, H. Multi-Level Choppers for High Voltage Applications. EPE J. 1992, 2, 45–50. [Google Scholar] [CrossRef]
- Hochgraf, C.; Lasseter, R.; Divan, D.; Lipo, T.A. Comparison of multilevel inverters for static var compensation. In Proceedings of the 1994 IEEE Industry Applications Society Annual Meeting, Denver, CO, USA, 2–6 October 1994; pp. 921–928. [Google Scholar]
- Marquardt, R. Modular multilevel converter: An universal concept for HVDC-networks and extended DC-bus-applications. In Proceedings of the 2010 International Power Electronics Conference, Sapporo, Japan, 21–24 June 2010; pp. 502–507. [Google Scholar]
- Marquardt, R. Modular multilevel converter topologies with dc-short circuit current limitation. In Proceedings of the 8th International Conference on Power Electronics, Jeju, Republic of Korea, 30 May–3 June 2011; pp. 1425–1431. [Google Scholar]
- Marquardt, R. Modular Multilevel Converters: State of the Art and Future Progress. IEEE Power Electron. Mag. 2018, 5, 24–31. [Google Scholar] [CrossRef]
- Tolbert, L.M.; Peng, F.Z. Multilevel converters as a utility interface for renewable energy systems Power Engineering Society Summer Meeting. In Proceedings of the 2000 Power Engineering Society Summer Meeting, Seattle, WA, USA, 16–20 July 2000; pp. 1271–1274. [Google Scholar]
- Ozpineci, B.; Tolbert, L.M.; Su, G.-J.; Du, Z. Optimum fuel cell utilization with multilevel DC-DC converters. In Proceedings of the Nineteenth Annual IEEE Applied Power Electronics Conference and Exposition, Anaheim, CA, USA, 22–26 February 2004; Volume 3, pp. 1572–1576. [Google Scholar]
- Walker, G.R.; Sernia, P.C. Cascaded DC-DC converter connection of photovoltaic modules. IEEE Trans. Power Electron. 2004, 19, 1130–1139. [Google Scholar] [CrossRef]
- Chen, L.; Peng, F.Z. Dead-Time Elimination for Voltage Source Inverters. In Communication Systems and Information Technology; Springer: Berlin/Heidelberg, Germany, 2008; Volume 23, pp. 574–580. [Google Scholar]
- Erickson, R.W.; Maksimovic, D. Fundamentals of Power Electronics; Springer: New York, NY, USA, 2001. [Google Scholar]






























| s1 | s2 | s3 | T1out | T2out | Vout |
|---|---|---|---|---|---|
| 0 | 0 | 0 | zero | zero | 0 |
| 0 | 0 | 1 | zero | negative | −90 |
| 0 | 1 | 0 | negative | positive | −90 |
| 0 | 1 | 1 | negative | zero | −180 |
| 1 | 0 | 0 | positive | zero | 180 |
| 1 | 0 | 1 | positive | negative | 90 |
| 1 | 1 | 0 | zero | positive | 90 |
| 1 | 1 | 1 | zero | zero | 0 |
| Parameter | Value | Unit |
|---|---|---|
| Simulation time | 1 | s |
| Step | 1 | µs |
| Boost inductor | 100 | µH |
| Inductors ESR | 50 | mΩ |
| DC Link Capacitor | 2 | mF |
| Capacitors ESR | 2 | mΩ |
| Transistors Ron | 100 | mΩ |
| Diodes Forward voltage | 0.9 | V |
| Transf Magnetizing inductance | 2 | mH |
Publisher’s Note: MDPI stays neutral with regard to jurisdictional claims in published maps and institutional affiliations. |
© 2022 by the authors. Licensee MDPI, Basel, Switzerland. This article is an open access article distributed under the terms and conditions of the Creative Commons Attribution (CC BY) license (https://creativecommons.org/licenses/by/4.0/).
Share and Cite
Garcia-Santiago, F.A.; Rosas-Caro, J.C.; Valdez-Resendiz, J.E.; Mayo-Maldonado, J.C.; Valderrabano-Gonzalez, A.; Robles-Campos, H.R. Single-Phase Five-Level Multilevel Inverter Based on a Transistors Six-Pack Module. Energies 2022, 15, 9321. https://doi.org/10.3390/en15249321
Garcia-Santiago FA, Rosas-Caro JC, Valdez-Resendiz JE, Mayo-Maldonado JC, Valderrabano-Gonzalez A, Robles-Campos HR. Single-Phase Five-Level Multilevel Inverter Based on a Transistors Six-Pack Module. Energies. 2022; 15(24):9321. https://doi.org/10.3390/en15249321
Chicago/Turabian StyleGarcia-Santiago, Flavio A., Julio C. Rosas-Caro, Jesus E. Valdez-Resendiz, Jonathan C. Mayo-Maldonado, Antonio Valderrabano-Gonzalez, and Hector R. Robles-Campos. 2022. "Single-Phase Five-Level Multilevel Inverter Based on a Transistors Six-Pack Module" Energies 15, no. 24: 9321. https://doi.org/10.3390/en15249321
APA StyleGarcia-Santiago, F. A., Rosas-Caro, J. C., Valdez-Resendiz, J. E., Mayo-Maldonado, J. C., Valderrabano-Gonzalez, A., & Robles-Campos, H. R. (2022). Single-Phase Five-Level Multilevel Inverter Based on a Transistors Six-Pack Module. Energies, 15(24), 9321. https://doi.org/10.3390/en15249321

