Review of Single-Phase Bidirectional Inverter Topologies for Renewable Energy Systems with DC Distribution
Abstract
:1. Introduction
1.1. Background and Motivation
1.2. Bidirectional Inverter Challenges
1.3. Paper Structure
2. DC Distribution System Configurations
3. Single-Phase Bidirectional Inverter Topologies
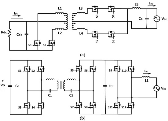
3.1. Transformer Topologies
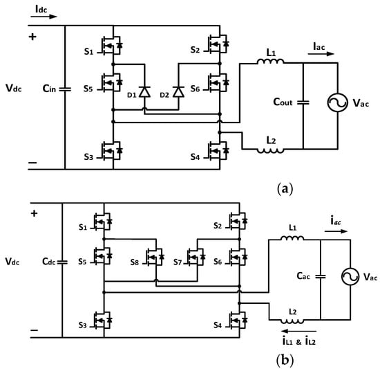
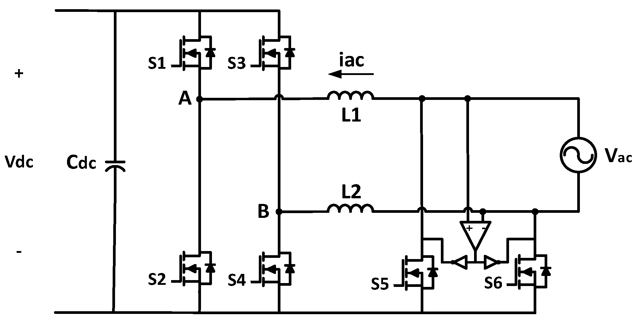
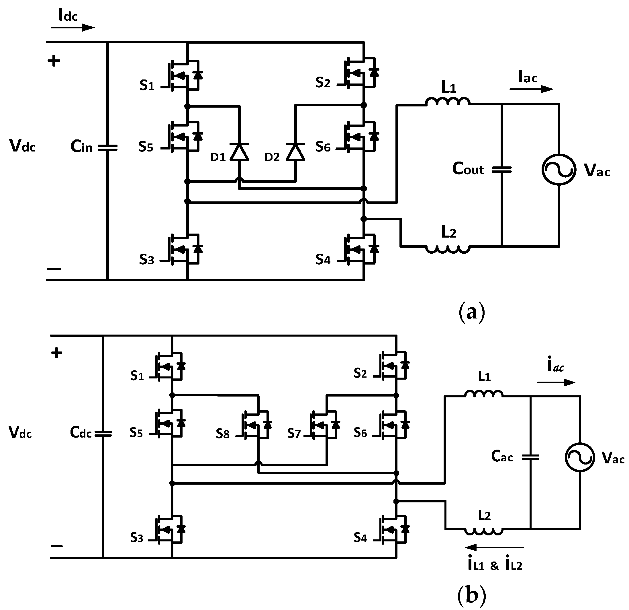
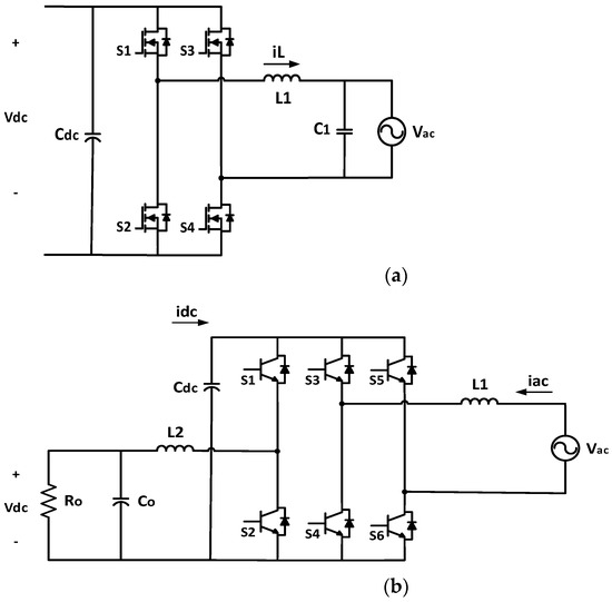
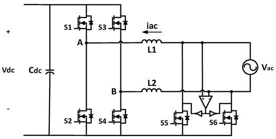
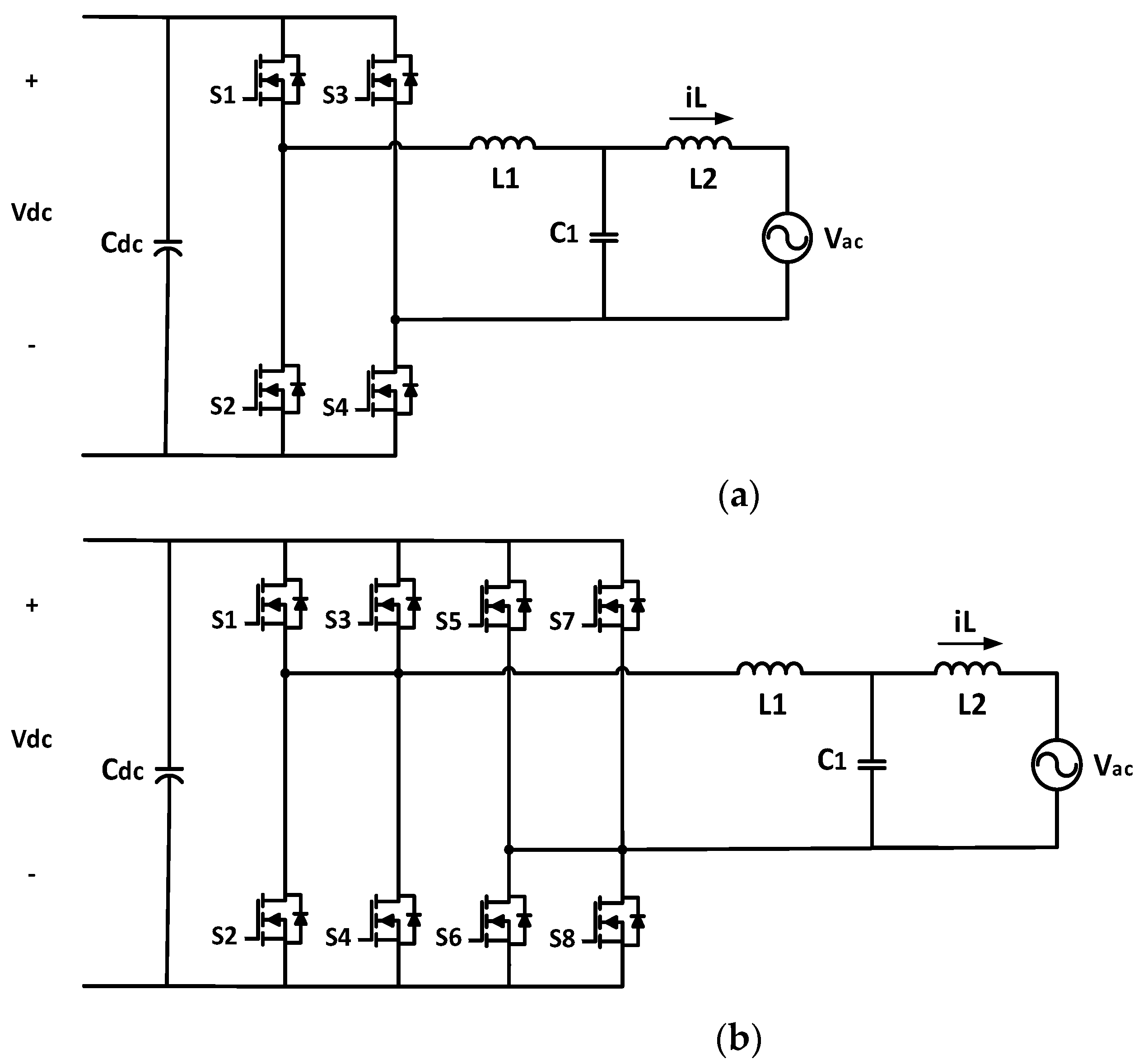
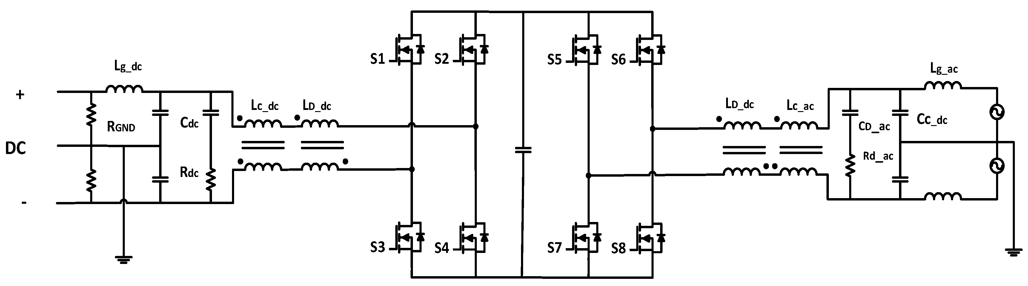
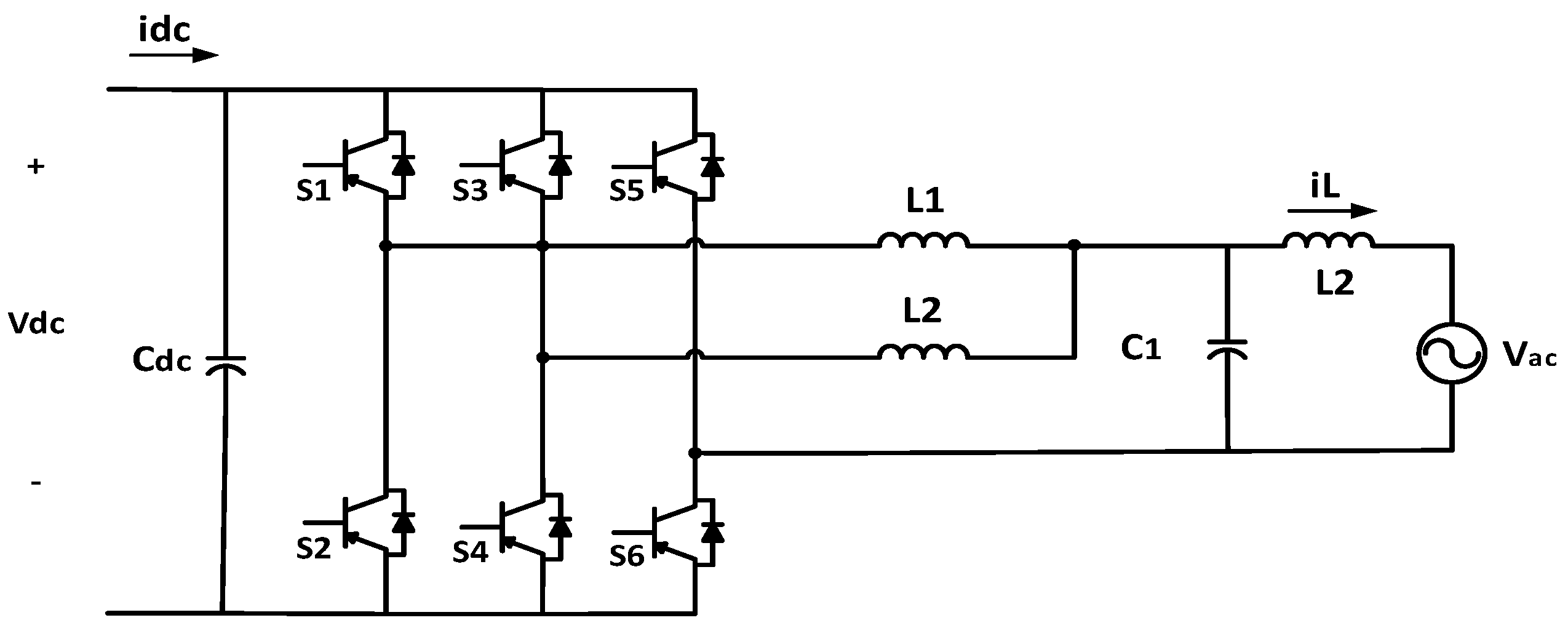
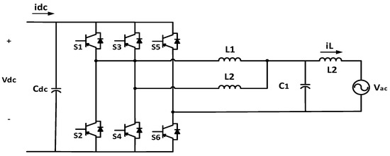
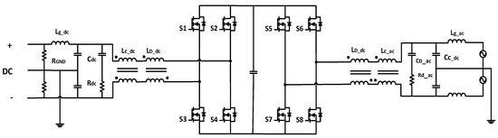
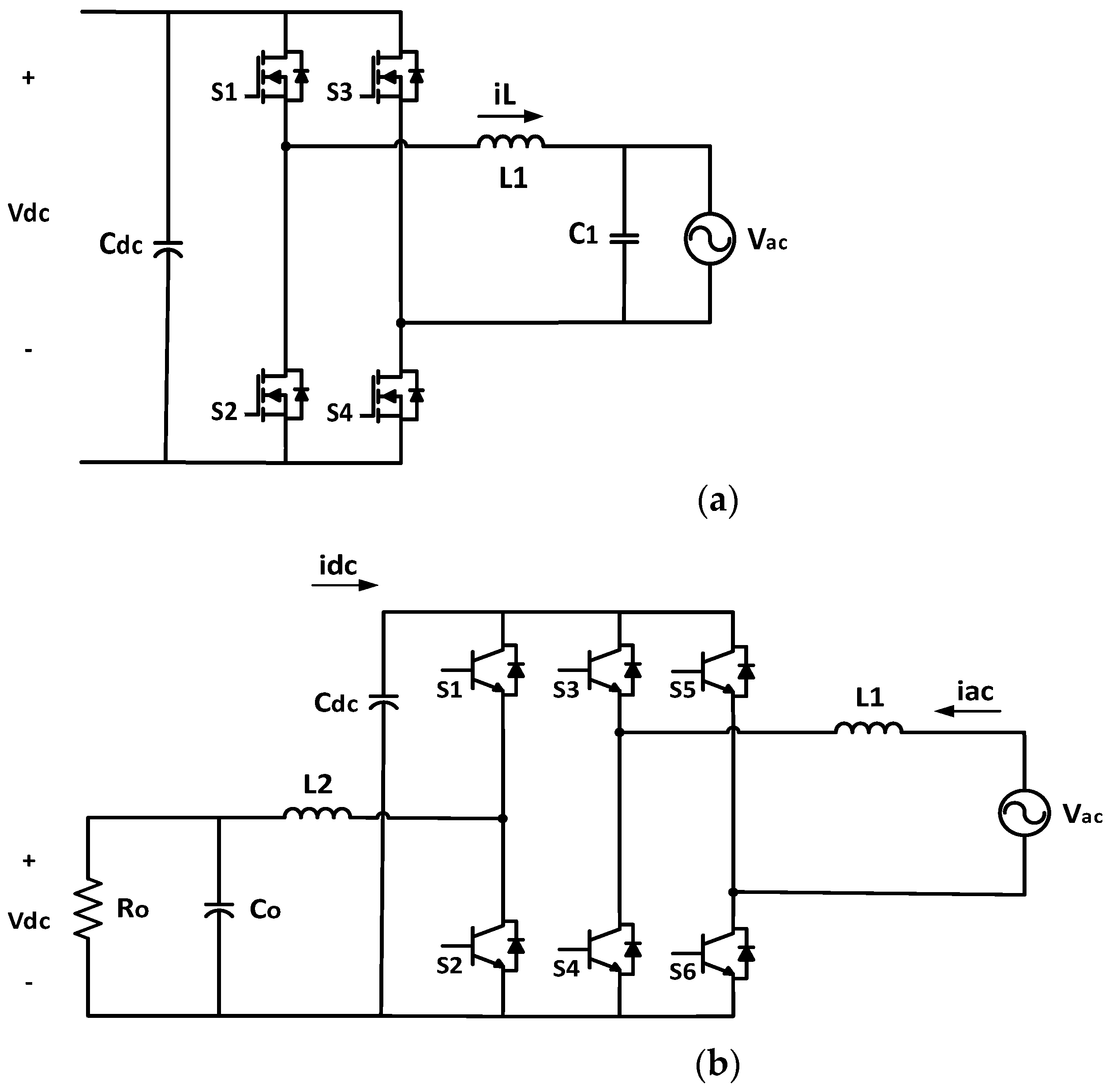
3.2. Transformerless Topologies
4. Performance and Evaluation
5. Smart Grid Control
- Reactive power control for supplying the DC system.
- Active power control for feeding the grid.
- DC-bus voltage control.
- Grid synchronization.
- Dynamic operational modes control (inverter/rectifier).
5.1. Controller Challenges
5.1.1. DC-Bus Voltage Regulation
5.1.2. Inductor Nonlinearity
5.1.3. Bidirectional Capability
6. Conclusions
Author Contributions
Funding
Institutional Review Board Statement
Informed Consent Statement
Data Availability Statement
Conflicts of Interest
References
- Kannan, N.; Vakeesan, D. Solar energy for future world: A review. Renew. Sustain. Energy Rev. 2016, 62, 1092–1105. [Google Scholar] [CrossRef]
- Garbesi, K.; Vossos, V.; Shen, H. Catalog of DC Appliances and Power Systems; Lawrence Berkeley National Laboratory: Berkeley, CA, USA, 2012; pp. 1–77. [CrossRef]
- EMerge Alliance.pdf. Available online: https://www.emergealliance.org/standards/our-standards/ (accessed on 1 October 2021).
- Sabry, A.H.; Shallal, A.H.; Hameed, H.S.; Ker, P.J. Compatibility of household appliances with DC microgrid for PV systems. Heliyon 2020, 6, e05699. [Google Scholar] [CrossRef] [PubMed]
- U.S. Energy Information Administration. Available online: https://www.eia.gov/ (accessed on 1 October 2021).
- Glasgo, B.; Azevedo, I.L.; Hendrickson, C. How much electricity can we save by using direct current circuits in homes? Understanding the potential for electricity savings and assessing feasibility of a transition towards DC powered buildings. Appl. Energy 2016, 180, 66–75. [Google Scholar] [CrossRef]
- Vossos, V.; Garbesi, K.; Shen, H. Energy savings from direct-DC in U.S. residential buildings. Energy Build. 2014, 68, 223–231. [Google Scholar] [CrossRef]
- Kakigano, H.; Nomura, M.; Ise, T. Loss evaluation of DC distribution for residential houses compared with AC system. In Proceedings of the 2010 International Power Electronics Conference-ECCE Asia, Sapporo, Japan, 21–24 June 2010; pp. 480–486. [Google Scholar] [CrossRef]
- Liu, Z.; Li, M. Research on Energy Efficiency of DC Distribution System. AASRI Procedia 2014, 7, 68–74. [Google Scholar] [CrossRef]
- Alshammari, M.; Duffy, M. Feasibility Analysis of a DC Distribution System for a 6 kW Photovoltaic Installation in Ireland. Energies 2021, 14, 6265. [Google Scholar] [CrossRef]
- Chauhan, R.K.; Rajpurohit, B.S. DC distribution system for energy efficient buildings. In Proceedings of the 2014 Eighteenth National Power Systems Conference (NPSC), Guwahati, India, 18–20 December 2014; pp. 1–6. [Google Scholar] [CrossRef]
- Palaniappan, K.; Veerapeneni, S.; Cuzner, R.; Zhao, Y. Assessment of the feasibility of interconnected smart DC homes in a DC microgrid to reduce utility costs of low income households. In Proceedings of the 2017 IEEE Second International Conference on DC Microgrids (ICDCM), Nuremburg, Germany, 27–29 June 2017; pp. 467–473. [Google Scholar] [CrossRef]
- Boeke, U.; Wendt, M. DC power grids for buildings. In Proceedings of the 2015 IEEE First International Conference on DC Microgrids (ICDCM), Atlanta, GA, USA, 7–10 June 2015; pp. 210–214. [Google Scholar] [CrossRef]
- Alshammari, M.; Duffy, M. Comparative analysis between AC and DC distribution systems in a photovoltaic system: A case study of a school in Ireland. In Proceedings of the PCIM Europe 2019; International Exhibition and Conference for Power Electronics, Intelligent Motion, Renewable Energy and Energy Management, Nuremberg, Germany, 7–9 May 2019; pp. 1–8. [Google Scholar]
- Estévez-Bén, A.A.; Alvarez-Diazcomas, A.; Macias-Bobadilla, G.; Rodríguez-Reséndiz, J. Leakage Current Reduction in Single-Phase Grid-Connected Inverters—A Review. Appl. Sci. 2020, 10, 2384. [Google Scholar] [CrossRef]
- Guo, X.; Jia, X. Hardware-Based Cascaded Topology and Modulation Strategy with Leakage Current Reduction for Transformerless PV Systems. IEEE Trans. Ind. Electron. 2016, 63, 7823–7832. [Google Scholar] [CrossRef]
- Wu, T.-F.; Kuo, C.-L.; Sun, K.-H.; Chen, Y.-K.; Chang, Y.-R.; Lee, Y.-D. Integration and Operation of a Single-Phase Bidirectional Inverter with Two Buck/Boost MPPTs for DC-Distribution Applications. IEEE Trans. Power Electron. 2013, 28, 5098–5106. [Google Scholar] [CrossRef]
- Ryu, M.-H.; Kim, H.-S.; Baek, J.-W.; Kim, H.-G.; Jung, J.-H. Effective Test Bed of 380-V DC Distribution System Using Isolated Power Converters. IEEE Trans. Ind. Electron. 2015, 62, 4525–4536. [Google Scholar] [CrossRef]
- Yang, Y.; Wang, H.; Blaabjerg, F. Reactive power injection strategies for single-phase photovoltaic systems considering grid requirements. IEEE Trans. Ind. Appl. 2014, 50, 4065–4076. [Google Scholar] [CrossRef]
- Robles, O.E.O.; Beristain, J.A.; Ramírez, J.P. Single-phase bidirectional high frequency link photovoltaic inverter with reactive power compensation function. In Proceedings of the 2015 IEEE Workshop on Power Electronics and Power Quality Applications (PEPQA), Bogota, Colombia, 2–4 June 2015; pp. 1–6. [Google Scholar] [CrossRef]
- Vancu, M.F.; Soeiro, T.; Muhlethaler, J.; Kolar, J.W.; Aggeler, D. Comparative evaluation of bidirectional buck-type PFC converter systems for interfacing residential DC distribution systems to the smart grid. In Proceedings of the 2012 IECON Proceedings (Industrial Electronics Conference), Montreal, QC, Canada, 25–28 October 2012; pp. 5153–5160. [Google Scholar] [CrossRef]
- Dong, D. Ac-dc Bus-interface Bi-Directional Converters in Renewable Energy Systems. Ph.D. Thesis, Virginia Polytechnic Institute and State University, Ann Arbor, MN, USA, 2012. [Google Scholar]
- Dong, D.; Cvetkovic, I.; Boroyevich, D.; Zhang, W.; Wang, R.; Mattavelli, P. Grid-Interface Bidirectional Converter for Residential DC Distribution Systems—Part One: High-Density Two-Stage Topology. IEEE Trans. Power Electron. 2012, 28, 1655–1666. [Google Scholar] [CrossRef]
- Rawat, G.S. Sathans Survey on DC microgrid architecture, power quality issues and control strategies. In Proceedings of the 2nd International Conference on Inventive Systems and Control (ICISC), Coimbatore, India, 19–20 January 2018; pp. 500–505. [Google Scholar] [CrossRef]
- Rodriguez-Diaz, E.; Savaghebi, M.; Vasquez, J.C.; Guerrero, J.M. An overview of low voltage DC distribution systems for residential applications. In Proceedings of the 2015 IEEE 5th International Conference on Consumer Electronics—Berlin (ICCE-Berlin), Berlin, Germany, 6–9 September 2015. [Google Scholar] [CrossRef]
- Ghareeb, A.T.; Mohamed, A.A.; Mohammed, O.A. DC microgrids and distribution systems: An overview. In Proceedings of the IEEE Power and Energy Society General Meeting, Vancouver, BC, Canada, 21–25 July 2013. [Google Scholar]
- Liu, P.; Wu, Z.; Gu, W.; Lu, Y.; Yang, X.; Sun, K.; Sun, Q. Security-constrained AC–DC hybrid distribution system expansion planning with high penetration of renewable energy. Int. J. Electr. Power Energy Syst. 2022, 142, 108285. [Google Scholar] [CrossRef]
- Subudhi, B.; Pradhan, R. A Comparative Study on Maximum Power Point Tracking Techniques for Photovoltaic Power Systems. IEEE Trans. Sustain. Energy 2012, 4, 89–98. [Google Scholar] [CrossRef]
- Chauhan, R.K.; Rajpurohit, B.S.; Hebner, R.E.; Singh, S.N.; Gonzalez-Longatt, F.M. Voltage Standardization of DC Distribution System for Residential Buildings. J. Clean Energy Technol. 2015, 4, 167–172. [Google Scholar] [CrossRef]
- Dragiˇ, T.; Guerrero, J.M. DC Microgrids—Part II: A Review of Power Architectures, Applications, and Standardization Issues. IEEE Trans. Power Electron. 2016, 31, 3528–3549. [Google Scholar]
- Dragičević, T.; Lu, X.; Vasquez, J.C.; Guerrero, J.M. DC Microgrids–Part I: A Review of Control Strategies and Stabilization Techniques. IEEE Trans. Power Electron. 2016, 31, 4876–4891. [Google Scholar] [CrossRef]
- Jung, T.-H.; Gwon, G.-H.; Kim, C.-H.; Han, J.; Oh, Y.-S.; Noh, C.-H. Voltage Regulation Method for Voltage Drop Compensation and Unbalance Reduction in Bipolar Low-Voltage DC Distribution System. IEEE Trans. Power Deliv. 2017, 33, 141–149. [Google Scholar] [CrossRef]
- Wu, T.-F.; Chang, C.-H.; Lin, L.-C.; Yu, G.-R.; Chang, Y.-R. DC-Bus Voltage Control with a Three-Phase Bidirectional Inverter for DC Distribution Systems. IEEE Trans. Power Electron. 2012, 28, 1890–1899. [Google Scholar] [CrossRef]
- Riccobono, A.; Santi, E. Comprehensive Review of Stability Criteria for DC Power Distribution Systems. IEEE Trans. Ind. Appl. 2014, 50, 3525–3535. [Google Scholar] [CrossRef]
- Kakigano, H.; Miura, Y.; Ise, T. Low-Voltage Bipolar-Type DC Microgrid for Super High Quality Distribution. IEEE Trans. Power Electron. 2010, 25, 3066–3075. [Google Scholar] [CrossRef]
- Mishra, A.; Rajeev, K.; Garg, V. Assessment of 48 volts DC for homes. In Proceedings of the 2018 IEEMA Engineer Infinite Conference (eTechNxT 2018), New Delhi, India, 13–14 March 2018; pp. 1–6. [Google Scholar] [CrossRef]
- Dastgeer, F.; Gelani, H.E. A Comparative analysis of system efficiency for AC and DC residential power distribution paradigms. Energy Build. 2017, 138, 648–654. [Google Scholar] [CrossRef]
- Chen, F.; Burgos, R.; Boroyevich, D. A high-efficiency interleaved single-phase AC-DC converter with common-mode voltage regulation for 380 VDC microgrids. In Proceedings of the 2017 IEEE Energy Conversion Congress and Exposition (ECCE), Cincinnati, OH, USA, 1–5 October 2017; pp. 4128–4135. [Google Scholar]
- Hwang, J.-C.; Chen, P.-C.; Liu, C.-S.; Chen, L.-R. A novel single-phase interleaved Bi-directional inverter for grid-connection control. IEEE Int. Symp. Ind. Electron. 2014, 43, 375–379. [Google Scholar] [CrossRef]
- Chen, H.-C.; Liao, J.-Y. Bidirectional Current Sensorless Control for the Full-Bridge AC/DC Converter with Considering Both Inductor Resistance and Conduction Voltages. IEEE Trans. Power Electron. 2013, 29, 2071–2082. [Google Scholar] [CrossRef]
- Sathler, H.H.; Marcelino, F.L.F.; de Oliveira, T.R.; Seleme, S.I.; Garcia, P.F.D. A comparative efficiency study on bidirectional grid interface converters applied to low power DC nanogrids. In Proceedings of the 14th Brazilian Power Electronics Conference COBEP 2017, Juiz de Fora, Brazil, 19–22 November 2017; pp. 1–6. [Google Scholar] [CrossRef]
- Yu, G.-R.; Wei, J.-S. Modeling and control of a bi-directional inverter for DC microgrids. In Proceedings of the 2011 International Conference on System Science and Engineering (ICSSE), Macau, China, 8–10 June 2011; pp. 425–430. [Google Scholar] [CrossRef]
- Lee, S.; Kim, K.; Kwon, J.; Kwon, B. Single-phase transformerless bi-directional inverter with high efficiency and low leakage current. IET Power Electron. 2014, 7, 451–458. [Google Scholar] [CrossRef]
- Dong, D.; Luo, F.; Boroyevich, D.; Mattavelli, P. Leakage Current Reduction in a Single-Phase Bidirectional AC–DC Full-Bridge Inverter. IEEE Trans. Power Electron. 2012, 27, 4281–4291. [Google Scholar] [CrossRef]
- Wu, T.-F.; Kuo, C.-L.; Sun, K.-H.; Chang, Y.-C. Dc-bus voltage regulation and power compensation with bi-directional inverter in dc-microgrid applications. In Proceedings of the 2011 IEEE Energy Conversion Congress and Exposition, Phoenix, AZ, USA, 17–22 September 2011; pp. 4161–4168. [Google Scholar] [CrossRef]
- Wu, T.-F.; Kuo, C.-L.; Sun, K.-H.; Chang, Y.-C. Current distortion improvement for power compensation with bi-directional inverter in DC-distribution system. In Proceedings of the 2012 15th International Power Electronics and Motion Control Conference (EPE/PEMC), Novi Sad, Serbia, 4–6 September 2012; pp. 1–7. [Google Scholar] [CrossRef]
- Wu, T.-F.; Kuo, C.-L.; Sun, K.-H.; Yu, G.-R. DC-bus voltage regulation with bi-directional inverter in DC distribution systems. In Proceedings of the IEEE Applied Power Electronics Conference and Exposition (APEC), Orlando, FL, USA, 5–9 February 2012; pp. 769–774. [Google Scholar] [CrossRef]
- Chen, Y.-K.; Wu, T.-F.; Chang, Y.-C.; Lin, L.-C.; Yao, N. Extended Application of D-${\bf Σ}$ Digital Control to a Single-Phase Bidirectional Inverter With an LCL Filter. IEEE Trans. Power Electron. 2014, 30, 3903–3911. [Google Scholar]
- Wu, T.-F.; Kuo, C.-L.; Lin, L.-C.; Chen, Y.-K. DC-Bus Voltage Regulation for a DC Distribution System with a Single-Phase Bidirectional Inverter. IEEE J. Emerg. Sel. Top. Power Electron. 2015, 4, 210–220. [Google Scholar] [CrossRef]
- Yu, G.-R.; Lai, J.-J.; Liu, J.-Y. T-S fuzzy control of a single-phase bidirectional inverter. Proc. IEEE Int. Conf. Ind. Technol. 2016, 2016, 1462–1467. [Google Scholar] [CrossRef]
- Kim, H.-S.; Ryu, M.-H.; Baek, J.-W.; Jung, J.-H. High-Efficiency Isolated Bidirectional AC–DC Converter for a DC Distribution System. IEEE Trans. Power Electron. 2012, 28, 1642–1654. [Google Scholar] [CrossRef]
- Wu, T.-F.; Sun, K.-H.; Kuo, C.-L.; Chang, C.-H. Predictive Current Controlled 5-kW Single-Phase Bidirectional Inverter With Wide Inductance Variation for DC-Microgrid Applications. IEEE Trans. Power Electron. 2010, 25, 3076–3084. [Google Scholar] [CrossRef]
- Wang, J.; Gao, S.; Sun, Y.; Ji, Z.; Cheng, L.; Li, L.; Gu, W.; Zhao, J. Single Phase Bidirectional H6 Rectifier/Inverter. IEEE Trans. Power Electron. 2019, 34, 10710–10719. [Google Scholar] [CrossRef]
- Alshammari, M.; Duffy, M. A novel synchronous H6 for improving light load efficiency of bidirectional inverters in a DC distribution system. In Proceedings of the 2021 IEEE Applied Power Electronics Conference and Exposition (APEC), Phoenix, AZ, USA, 14–17 June 2021; pp. 1666–1673. [Google Scholar] [CrossRef]
- Jung, J.-H.; Kim, H.-S.; Ryu, M.-H.; Kim, J.-H.; Baek, J.-W. Single-phase bidirectional AC-DC boost rectifier for DC distribution system. In Proceedings of the 2013 IEEE ECCE Asia Downunder-5th IEEE Annual International Energy Conversion Congress and Exhibition, IEEE ECCE Asia 2013, Melbourne, Australia, 3–6 June 2013; pp. 544–549. [Google Scholar] [CrossRef]
- Chen, F.; Burgos, R.; Boroyevich, D. Efficiency comparison of a single-phase grid-interface bidirectional AC/DC converter for DC distribution systems. In Proceedings of the 2015 IEEE Energy Conversion Congress and Exposition (ECCE), Montreal, QC, Canada, 20–24 September 2015; pp. 6261–6268. [Google Scholar] [CrossRef]
- Chen, F.; Burgos, R.; Boroyevich, D. A Bidirectional High-Efficiency Transformerless Converter with Common-Mode Decoupling for the Interconnection of AC and DC Grids. IEEE Trans. Power Electron. 2018, 34, 1317–1333. [Google Scholar] [CrossRef]
- Chen, F.; Burgos, R.; Boroyevich, D.; Dong, D. Control loop design of a two-stage bidirectional AC/DC converter for renewable energy systems. In Proceedings of the 2014 IEEE Applied Power Electronics Conference and Exposition-APEC 2014, Fort Worth, TX, USA, 16–20 March 2014; pp. 2177–2183. [Google Scholar] [CrossRef]
- Du, W.; Jiang, Q.; Erickson, M.J.; Lasseter, R.H. Voltage-Source Control of PV Inverter in a CERTS Microgrid. IEEE Trans. Power Deliv. 2014, 29, 1726–1734. [Google Scholar] [CrossRef]
- Wiechmann, E.P.; Aqueveque, P.; Burgos, R.; Rodriguez, J. On the Efficiency of Voltage Source and Current Source Inverters for High-Power Drives. IEEE Trans. Ind. Electron. 2008, 55, 1771–1782. [Google Scholar] [CrossRef]
- Singh, J.; Dahiya, R.; Saini, L.M. Recent research on transformer based single DC source multilevel inverter: A review. Renew. Sustain. Energy Rev. 2018, 82, 3207–3224. [Google Scholar] [CrossRef]
- Khan, N.H.; Forouzesh, M.; Siwakoti, Y.P.; Li, L.; Kerekes, T.; Blaabjerg, F. Transformerless Inverter Topologies for Single-Phase Photovoltaic Systems: A Comparative Review. IEEE J. Emerg. Sel. Top. Power Electron. 2019, 8, 805–835. [Google Scholar] [CrossRef]
- Wu, T.-F.; Wang, S.-A.; Kuo, C.-L.; Lee, K.-Y. Design and implementation of a push-pull phase-shifted bi-directional inverter with a dsPIC controller. In Proceedings of the International Conference on Power Electronics and Drive Systems (PEDS 2009), Taipei, Taiwan, 2–5 January 2009; pp. 728–733. [Google Scholar] [CrossRef]
- Ortiz, G.; Biela, J.; Bortis, D.; Kolar, J.W. Converter for Renewable Energy Applications Converter for Renewable Energy Applications. In Proceedings of the 2010 International Power Electronics Conference-ECCE ASIA, Sapporo, Japan, 21–24 June 2010; pp. 3212–3219. [Google Scholar]
- Sabry, A.H.; Mohammed, Z.M.; Nordin, F.H.; Ali, N.H.N.; Al-Ogaili, A.S. Single-Phase Grid-Tied Transformerless Inverter of Zero Leakage Current for PV System. IEEE Access 2019, 8, 4361–4371. [Google Scholar] [CrossRef]
- Ge, W.; Wang, Y.; Zhao, Z.; Yang, X.; Li, Y. Residual Flux in the Closed Magnetic Core of a Power Transformer. IEEE Trans. Appl. Supercond. 2013, 24, 1–4. [Google Scholar] [CrossRef]
- Otero-De-Leon, R.; Mohan, N. A push-pull DC-AC high frequency power electronics transformer for photovoltaic applications. In Proceedings of the IECON Proceedings (Industrial Electronics Conference) 2014, Dallas, TX, USA, 29 October–1 November 2014; pp. 1131–1136. [Google Scholar] [CrossRef]
- Pan, X.; Li, H.; Liu, Y.; Zhao, T.; Ju, C.; Gae, A.K.R. An Overview and Comprehensive Comparative Evaluation of Current-Fed-Isolated-Bidirectional DC/DC Converter. IEEE Trans. Power Electron. 2019, 35, 2737–2763. [Google Scholar] [CrossRef]
- Xue, F.; Yu, R.; Huang, A.Q. A 98.3% Efficient GaN Isolated Bidirectional DC–DC Converter for DC Microgrid Energy Storage System Applications. IEEE Trans. Ind. Electron. 2017, 64, 9094–9103. [Google Scholar] [CrossRef]
- Wu, T.-F.; Chen, Y.-C.; Yang, J.-G.; Kuo, C.-L. Isolated Bidirectional Full-Bridge DC–DC Converter With a Flyback Snubber. IEEE Trans. Power Electron. 2010, 25, 1915–1922. [Google Scholar] [CrossRef]
- Naayagi, R.T.; Forsyth, A.J.; Shuttleworth, R. High-Power Bidirectional DC–DC Converter for Aerospace Applications. IEEE Trans. Power Electron. 2012, 27, 4366–4379. [Google Scholar] [CrossRef]
- Chen, W.; Rong, P.; Lu, Z. Snubberless Bidirectional DC–DC Converter With New CLLC Resonant Tank Featuring Minimized Switching Loss. IEEE Trans. Ind. Electron. 2009, 57, 3075–3086. [Google Scholar] [CrossRef]
- López, O.; Freijedo, F.D.; Yepes, A.G.; Fernández-Comesaña, P.; Malvar, J.; Teodorescu, R. Eliminating ground current in a transformerless photovoltaic application. IEEE Trans. Energy Convers. 2010, 25, 140–147. [Google Scholar] [CrossRef]
- Ji, B.; Wang, J.; Zhao, J. High-Efficiency Single-Phase Transformerless PV H6 Inverter With Hybrid Modulation Method. IEEE Trans. Ind. Electron. 2012, 60, 2104–2115. [Google Scholar] [CrossRef]
- Wang, J.; Luo, F.; Ji, Z.; Sun, Y.; Ji, B.; Gu, W.; Zhao, J. An Improved Hybrid Modulation Method for the Single-Phase H6 Inverter with Reactive Power Compensation. IEEE Trans. Power Electron. 2017, 33, 7674–7683. [Google Scholar] [CrossRef]
- Chen, F.; Burgos, R.; Boroyevich, D.; Zhang, X. Low-Frequency Common-Mode Voltage Control for Systems Interconnected with Power Converters. IEEE Trans. Ind. Electron. 2016, 64, 873–882. [Google Scholar] [CrossRef]
- Wu, T.-F.; Sun, K.-H.; Kuo, C.-L.; Yang, M.-S.; Chang, R.-C. Design and implementation of a 5 kW 1φ bi-directional inverter with wide inductance variation. In Proceedings of the 2010 IEEE Energy Conversion Congress and Exposition, Atlanta, GA, USA, 12–16 September 2010; pp. 45–52. [Google Scholar] [CrossRef]
- Yu, G.-R.; Wei, J.-S. Fuzzy control of a bi-directional inverter with nonlinear inductance for DC microgrids. In Proceedings of the 2011 IEEE International Conference on Fuzzy Systems, Taipei, Taiwan, 27–30 June 2011; pp. 1941–1945. [Google Scholar] [CrossRef]
- Liu, C.; Wang, Y.; Cui, J.; Zhi, Y.; Liu, M.; Cai, G. Transformerless Photovoltaic Inverter Based on Interleaving High-Frequency Legs Having Bidirectional Capability. IEEE Trans. Power Electron. 2016, 31, 1131–1142. [Google Scholar] [CrossRef]
- Nejabatkhah, F.; Li, Y.W.; Tian, H. Power Quality Control of Smart Hybrid AC/DC Microgrids: An Overview. IEEE Access 2019, 7, 52295–52318. [Google Scholar] [CrossRef]
- Nejabatkhah, F.; Li, Y.W. Overview of Power Management Strategies of Hybrid AC/DC Microgrid. IEEE Trans. Power Electron. 2014, 30, 7072–7089. [Google Scholar] [CrossRef]
- Li, R.T.H.; Chung, H.S.-H.; Lau, W.-H.; Zhou, B. Use of Hybrid PWM and Passive Resonant Snubber for a Grid-Connected CSI. IEEE Trans. Power Electron. 2010, 25, 298–309. [Google Scholar] [CrossRef]
- Lai, R.; Ngo, K.D.T. A PWM method for reduction of switching loss in a full-bridge inverter. IEEE Trans. Power Electron. 1995, 10, 326–332. [Google Scholar]
- Liao, Y.-H. A Novel Reduced Switching Loss Bidirectional AC/DC Converter PWM Strategy with Feedforward Control for Grid-Tied Microgrid Systems. IEEE Trans. Power Electron. 2013, 29, 1500–1513. [Google Scholar] [CrossRef]
- Zheng, Z.; Zhang, T.; Xue, J. Application of Fuzzy Control in a Photovoltaic Grid-Connected Inverter. J. Electr. Comput. Eng. 2018, 2018, 3806372. [Google Scholar] [CrossRef]
- Suzdalenko, A. Current Sensorless Control of Front-end Bidirectional AC/DC Converter Based on Half-bridge Topology. Electr. Control Commun. Eng. 2013, 4, 19–25. [Google Scholar] [CrossRef]
- Suzdalenko, A. Development of single-switch model for current sensorless control of bidirectional half-bridge AC/DC converter. In Proceedings of the 2014 55th International Scientific Conference on Power and Electrical Engineering of Riga Technical University, RTUCON 2014, Riga, Latvia, 14 October 2014; pp. 38–42. [Google Scholar] [CrossRef]
- Chen, H.-C. Single-Loop Current Sensorless Control for Single-Phase Boost-Type SMR. IEEE Trans. Power Electron. 2009, 24, 163–171. [Google Scholar] [CrossRef]
- Azcondo, F.J.; De Castro, A.; López, V.M.; García, O. Power factor correction without current sensor based on digital current rebuilding. IEEE Trans. Power Electron. 2010, 25, 1527–1536. [Google Scholar] [CrossRef]
- Jeong, Y.-S.; Lee, S.-H.; Jeong, S.-G.; Kwon, J.-M.; Kwon, B.-H. High-Efficiency Bidirectional Grid-Tied Converter Using Single Power Conversion with High-Quality Grid Current. IEEE Trans. Ind. Electron. 2017, 64, 8504–8513. [Google Scholar] [CrossRef]













| Ref. | Topology | Power Level (W) | SPWM/ Implementation | Switching Frequency | Filter/ EMI | DC-Bus Voltage | DC Link Capacitor | Line Voltage |
|---|---|---|---|---|---|---|---|---|
| [63] | Push-pull phase-shifted—transformer | 600 | DsPIC30F2020 at dc side Cycle converter at the ac side bipolar | 20 kHz - | LC | - | Non | 50 Vac/120 Hz |
| [52,77] | Full-bridge bidirectional inverter transformerless | 5000 | DsPIC30F2023 | 20 kHz | LC | 340–380 | 3760 F | 220 Vac/60 Hz |
| [45] | Full-bridge bidirectional inverter transformerless | 5000 | TMS320LF2406A | 20 kHz IGBT | LCL | 360–400 | 560 F × 10 | 220 Vrms/60 Hz |
| [78] | Full-bridge bidirectional inverter transformerless | - | DsPIC30F2023 | - IGBT | LC | - | - | - |
| [46] | Full-bridge bidirectional inverter transformerless | 5000 | TMS320LF2406A Bipolar/Unipolar | 20 kHz IGBT | LC | 360–400 | 560 F ×10 | 220 Vrms/60 Hz |
| [47] | Full-bridge bidirectional inverter transformerless | 5000 | TMS320LF2406A | - IGBT | LC | 360–400 | - | - |
| [44] | Full-bridge bidirectional inverter transformerless | 10,000 | PWM Unipolar | 20 kHz IGBT | parallel LCL | 600 | 360 F | 240 Vrms/60 Hz |
| [55] | AC–DC boost bidirectional rectifier | 5000 | TMS320F28335 Unipolar | 13.8 kHz MOSFETs IGBT | LPF | 380 | 2.7 mF | 220 Vac/60 Hz |
| [51] | Full-bridge CLLC resonant bidirectional converter | 5000 | TMS320F28335 PFM | 58–65 kHz MOSFETs | FIR | 380 | 200 nF | 220 Vac/60 Hz |
| [43] | Full-bridge bidirectional inverter transformerless | 3000 | PI | 16 kHz MOSFETs | parallel L | 360 | 2200 µF | 220 Vrms/60 Hz |
| [48] | Full-bridge bidirectional inverter transformerless | 5000 | D-Σ digital PWM rectifier | 20 kHz IGBT | LCL | 360–400 | - | 220 Vrms/60 Hz |
| [79] | Bidirectional transformerless PV inverter based on HFLs | 8000 | Phase-shift | 50 kHz IGBT MOSFETs | LC | 380 | 6 ×1.0 mF | 220 Vrms/50 Hz |
| [38,57] | Two-stage bidirectional AC–DC converter | 10,000 | Pluggable phase-leg module | 40 kHz MOSFETs | DM | 380 bipolar | 100 nF | 240 Vrms/60 Hz |
| [41] | Two-stage bidirectional AC–DC converter—NPC and FB | 2000 | Unipolar | 20 kHz MOSFETs IGBT | LCL | 380 | - | 127 Vrms/60 Hz |
| [53] | H6 bidirectional transformerless inverter with bridgeless PFC rectifier | 5000 | Unipolar | 20 kHz MOSFETs | parallel L&C | 380 | - | 220 Vac/50 Hz |
| Ref. | Year of Publication | Device Type | Device Model | Manufacture | V Rated | I Rated | Diode Type | Diode Model |
|---|---|---|---|---|---|---|---|---|
| [45,46,49,52] | 2010, 2011, 2012, 2016 | IGBT | 40N60A4 | Fairchild Semiconductor | 600 V | 75 A | Ultrafast | RURG5060 |
| [51] | 2013 | MOSFETs | IXKR47N60C5 | Littelfuse | 600 V | 75 A | - | - |
| MOSFETs | SPW47N60CFD | Infineon | 600 V | 75 A | Schottky | C3D20060D | ||
| [43] | 2014 | Cool MOSFETs | FCA 75N60N | IXYS Corporation | 600 V | 47 A | ||
| IGBT | IGW75N60T | Infineon | 600 V | 46 A | ||||
| [48] | 2014 | IGBT | G40N60A4 | Gree | 600 V | 75 A | Schottky | C3D20060D |
| [38,57] | 2017, 2019 | SiC MOSFET | C2M0025120D | Wolfspeed | 1200 V | 90 A | - | - |
| [53] | 2019 | SiC MOSFET | C3M0120090D | Gree | 900 V | 23 A | SiC Schottky diode | CVFD20065A |
| Ref. | Topology | Advantages | Disadvantages | Inverter Size | Maximum Efficiency | No. Conversion Stages | Leakage Current | Control Strategy |
|---|---|---|---|---|---|---|---|---|
| [63] | Push-pull transformer based | Low DC voltage ripple | High THD Hard switching increase loss | Large | 89% | 2 | High | Simple |
| [51,55] | Isolated AC/DC converter | No CM effect | High level of complexity | Large | 96% | 2 | High | Complex |
| [52,77] | Full-bridge | Small filter. Inductor variation minimized | High THD Voltage and current drop due to inductance change | Small | 97.2% | 1 | Medium | Complex |
| [43] | Modified full-bridge | Low THD | Oversized switches High output voltage and current ripple | Medium | 98.6% | 1 | Low | Medium |
| [39] | Interleaved three-leg full-bridge | Low switching loss | Medium THD due to inductor current ripple in respect invert size Expected CM fluctuation | Medium | - | 1 | High | Medium |
| [56] | 2L full-bridge with paralleled SiC | Small filter | High conduction loss Increased switching loss as frequency increases | Small | 93% | 1 | High | Medium |
| [38,57] | Two stages with CM decoupling | Low leakage current Icm and CM voltage ripple | More semiconductor components. Extra switches required | Large | 97% | 2 | Low | Complex |
| [53] | Standard H6 | Low output current ripple and Icm Constant CM voltage | Diode conduction loss | Medium | 97.5% | 1 | Low | Medium |
| Ref. | Advantages | Disadvantages | Controller Type |
|---|---|---|---|
| [51,55] | Fast dynamic response Low THD | Complex control structure | Hysteresis |
| [52,77] | Fast dynamic response Easy implementation | More calculation required | Predictive |
| [45] | Reactive power control High dynamic | Complex control structure High THD | Predictive |
| [46] | Simplicity | No full PFC Two controllers | - |
| [47,49] | Instantaneous current control Less circuitry | Complex transfer function | Predictive |
| [42] | High dynamic Low THD | Complex transfer function | Fuzzy logic |
| [50] | Lower inductor current ripple | High THD No full control of PFC | Fuzzy logic |
| [40] | One inductor filter | Slow tracking response No full control of PFC | Predictive |
| [58] | Fast tracking and dynamic response High gain | Limited operational range | Resonant |
Publisher’s Note: MDPI stays neutral with regard to jurisdictional claims in published maps and institutional affiliations. |
© 2022 by the authors. Licensee MDPI, Basel, Switzerland. This article is an open access article distributed under the terms and conditions of the Creative Commons Attribution (CC BY) license (https://creativecommons.org/licenses/by/4.0/).
Share and Cite
Alshammari, M.; Duffy, M. Review of Single-Phase Bidirectional Inverter Topologies for Renewable Energy Systems with DC Distribution. Energies 2022, 15, 6836. https://doi.org/10.3390/en15186836
Alshammari M, Duffy M. Review of Single-Phase Bidirectional Inverter Topologies for Renewable Energy Systems with DC Distribution. Energies. 2022; 15(18):6836. https://doi.org/10.3390/en15186836
Chicago/Turabian StyleAlshammari, Meshari, and Maeve Duffy. 2022. "Review of Single-Phase Bidirectional Inverter Topologies for Renewable Energy Systems with DC Distribution" Energies 15, no. 18: 6836. https://doi.org/10.3390/en15186836
APA StyleAlshammari, M., & Duffy, M. (2022). Review of Single-Phase Bidirectional Inverter Topologies for Renewable Energy Systems with DC Distribution. Energies, 15(18), 6836. https://doi.org/10.3390/en15186836

