Reliability Evaluation of Standalone Microgrid Based on Sequential Monte Carlo Simulation Method
Abstract
:1. Introduction
- (1)
- Uncertainty characteristics of the microturbine (MT), WTG, PV, ESS, and load were studied by using the sequential Monte Carlo (SMC) simulation method.
- (2)
- Reliability evaluation algorithms under two microgrid operation strategies were formulated, and the effects of the WTG, PV penetration rate, and equipment capacity changes on microgrid reliability were evaluated from the perspectives of probability, frequency, and duration.
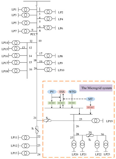
2. Microgrid System Model
2.1. Microgrid System Structure
2.2. Sequential Model of Component Life Process
2.3. MT Power Output Model
2.4. WTG Power Output Model
2.5. PV Power Output Model
2.6. ESS Model
2.7. Load Comprehensive Model
3. Establishment of Reliability Evaluation Framework and Formulation of Load Shedding Strategies
3.1. Establishment of Reliability Evaluation Framework
3.1.1. Reflecting the Reliability of Microgrid System from the Probabilistic Level
- (1)
- LOLP can represent the probability that the system cannot meet the load demand within the total simulation time, as shown in Equations (21) and (22).
- (2)
- ASAI can represent the probability that the system does not have a power outage within the total simulation time, as shown in Equation (23).
3.1.2. Reflecting the Reliability of Microgrid System from the Frequency and Duration level
- (1)
- SAIDI can represent the average power outage hours of the system within the total simulation time, as shown in Equation (24).
- (2)
- SAIFI can reflect the average power failure frequency of the system within the total simulation time, as shown in Equation (25).
3.2. Formulation of Load Shedding Strategies
3.2.1. Strategy A: Aim to Load Shedding Minimization
3.2.2. Strategy B: Aim to Limit the Penetration of Renewable Energy
3.3. Reliability Evaluation Algorithm Based on SMC
4. Case Analysis
4.1. Analysis of the Influence of WTG and PV Configuration Ratio on System Reliability
- (1)
- It can be seen from Figure 5 that when the total capacity of WTG and PV increases from 1.8 MW to 2.2 MW, LOLP, SAIDI, and SAIFI show a decreasing trend while ASAI is the opposite. Therefore, it is useful to increase the total capacity of WTG and PV for reducing the probability, frequency, and duration of system outages and improving the reliability of the microgrid.
- (2)
- It can also be seen from Figure 5a–d that when the system is in the “PV-WTG-ESS” operating state (ηPV varies from 0% to 100%), the reliability indicators are generally better than that of the system in the “WTG-ESS” operating state or in the “PV-ESS” operating state, which is determined by the complementary characteristics of wind and solar. Combined with Figure 2 and Figure 5, it is easier to see the advantages of wind–solar complementary characteristics. In August, the daytime solar intensity is greater and the overall output of PV is greater than that of WTG. When it comes to the night, WTG starts to output and PV is in the output interval. From the perspective of the whole-time scale, the wind–solar complementary characteristics allow the microgrid to receive the energy provided by WTG and PV most of the time. Compared with microgrids containing only PV or WTG, “PV-WTG-ESS” microgrids can better cope with load demand shocks and present a higher reliability.
4.2. Analysis of the Influence of WTG, PV, and MT Capacity Changes on System Reliability
- (1)
- Taking the probability index of LOLP as an example in Figure 6a, when the MT capacity remains unchanged, LOLP will decrease with the increase in the total capacity of PV and WTG and the degree of decrease shows a strong correlation with the total capacity of PV and WTG. Therefore, the range of PV and WTG capacity variation can be divided into the following intervals by the degree of LOLP reduction: 2 MW~6 MW is the completely insufficient capacity interval, 6 MW~12 MW is the capacity insufficient interval, and 12 MW~18 MW is the capacity redundant interval. Obviously, the division of the interval intuitively shows the improvement effect of PV and WTG capacity on probability indicators and provides a basis for PV and WTG capacity configuration. Similarly, this interval division method is also suitable for MT capacity.
- (2)
- An analysis of the frequency index of SAIFI in Figure 6d showed that, when the MT capacity remains unchanged, the total PV and WTG capacity increases from 2 MW to 18 MW, SAIFI decreases from 305.0543 (interruption/customer·yr) to 211.7951 (interruption/customer·yr), and SAIFI decreases by 30.57%. The reduction is more obvious. However, a further analysis of SAIFI showed that the decrease in SAIFI began to slow down with the increase in PV and WTG total capacity. For example, MT capacity was 1.2 MW. When the total capacity of PV and WTG was increased from 2 MW to 6 MW, the SAIFI was reduced by 17.82%. When the total capacity of PV and WTG was increased from 6 MW to 10 MW, the SAIFI was reduced by 8.45%. When the total capacity of PV and WTG was increased from 10 MW to 14 MW, the SAIFI was reduced by 6.39%. When the total PV and WTG capacity was increased from 14 MW to 18 MW, the SAIFI was reduced by 1.42%. Therefore, increasing the total capacity of PV and WTG is beneficial to rapidly reduce SAIFI. However, when the total capacity of PV and WTG enters the insufficient capacity interval, or even the redundant interval, the output power of PV and WTG can fully meet the load demand, so the SAIFI will maintain a relatively flat state. As for strategy B, SAIFI showed a nonlinear change with the increase in the total capacity of PV and WTG. This is because when the total capacity of PV and WTG is insufficient in the early stage, MT not only supplies power to the residual load but also serves as a renewable energy backup power supply, so the SAIFI is relatively large. When the total capacity of PV and WTG increases to meet the load demand, SAIFI begins to decrease.
4.3. Analysis of the Influence of PV and WTG Penetration Rate and ESS Capacity Changes on System Reliability
- (1)
- Increasing the ESS capacity can improve the reliability in terms of probability, frequency, or duration. It shows that ESS capacity is necessary for the reliable operation of the microgrid. However, the ESS capacity is not “the more, the better”. When the penetration rate of PV and WTG remains at 30%, taking the reliability index ASAI as an example, increasing the ESS capacity can improve ASAI, although the improvement effect gradually becomes slower. When the penetration rate of PV and WTG reaches 70%, with the increase in ESS capacity, the effect of ESS on reliability improvement gradually becomes weaker. This phenomenon shows that, with the increase in PV and WTG permeability, the capacity of ESS to improve ASAI becomes smaller and smaller. Due to the stochastic performance of PV and WTG, the larger the proportion of power supply that PV and WTG are responsible for, the higher the probability is of a mismatching load demand. More ESS capacity is used to maintain the balance between them, which results in very limited remaining ESS capacity for improving reliability; so, the effect of ESS on reliability improvement tends to be saturated.
- (2)
- When the PV and WTG penetration rates gradually increase, the output uncertainty of PV and WTG will increase and affect the reliability of the microgrid. At this time, ESS can play an important role in the smoothing effect.
- (3)
- Comparing strategy A and strategy B, it can be seen that strategy A adopts the principle of priority output and consumption of PV and WTG and maximum output of MT and ESS, which reduces the number and frequency of load shedding, so that the load demand can be a maximized degree of satisfaction. In strategy B, the ESS is only responsible for the output of PV and WTG to maintain a certain proportion of load supply (that is, the ESS is used to achieve the controllability of PV and WTG output) and does not participate in the power supply in other scenarios. For example, PV, WTG, and ESS are only responsible for supplying power to a part of the load. When the output of the MT cannot meet the demand of the remaining load, only load reduction can be performed, even if the ESS still has remaining capacity. This can result in load demands not being fully met, which risks reducing reliability. Compared with strategy A, the ESS function in strategy B has not been fully utilized and the number of load reductions is relatively large. It was shown that strategy B achieves controllability of PV and WTG at the expense of reliability, which is a good explanation for the reliability level of the microgrid with strategy B as lower than that with strategy A.
5. Conclusions
- (1)
- When WTG and PV are both connected to the microgrid, the complementary characteristics of wind and solar can significantly improve the reliability of the microgrid, which is better than the microgrid system that only contains PV or WTG.
- (2)
- Increasing the total capacity of PV and WTG can improve the reliability of the microgrid, and the total capacity of PV and WTG can be reasonably planned according to the improvement effect. In addition, the use of PV, WTG, and MT to cooperate with each other is also a good choice for improving reliability.
- (3)
- The increase in the penetration rate of renewable energy has exacerbated the uncertainty of the power supply, which has impacted the reliability of the microgrid. For this reason, more ESS is required to meet the load demand.
- (4)
- Comparing strategy A and strategy B, we found that strategy A focuses on ensuring that the microgrid supplies power to the load and minimizes the number and probability of reduction. Strategy B focuses on improving the controllability of PV and WTG output power at the expense of microgrid reliability. It shows that strategy A has more advantages in improving the reliability of the microgrid.
Author Contributions
Funding
Institutional Review Board Statement
Informed Consent Statement
Data Availability Statement
Conflicts of Interest
Nomenclature
| Symbol | Meaning of Each Symbol |
| Total load power | |
| MT power output | |
| Power output | |
| WTG power output | |
| ESS power output | |
| MT maximum power output at h-th moment | |
| Fault free working state sequence of the MT | |
| Faulty working state sequence of the MT | |
| FMT(h) | Working state function of MT |
| Maximum power output per hour of the WTG | |
| FWTG(h) | Working state function of WTG |
| Pr | WTG rated power output |
| V | Wind speed |
| Vci | Cut-in wind speed |
| Vr | Rated wind speed |
| Vco | Cut-out wind speed |
| Fault free working state sequence of the WTG | |
| Faulty working state sequence of the WTG | |
| PV power output during the illumination period | |
| Distribution function of the | |
| Sunrise time | |
| Sunset time | |
| Γ | Gamma function |
| α | Shape parameter of the beta distribution |
| β | Shape parameter of the beta distribution |
| FPV(h) | Working state function of PV |
| Fault free working state sequence of the PV | |
| Faulty working state sequence of the PV | |
| SSOC(h) | SOC of ESS at the h-th moment |
| δ | ESS self-discharging rate |
| Pch(h) | Charging power |
| Pdch(h) | Discharging power |
| ηch | ESS charging efficiency |
| ηdch | ESS discharging efficiency |
| Simulation step | |
| Upper limit of ESS capacity | |
| Fch(h) | State function of charging |
| Fdch(h) | State function of discharging |
| Upper limit of the SOC | |
| Lower limit of the SOC | |
| Hourly time-varying component of load | |
| Randomness component of load | |
| Py | Annual peak load |
| Py−m | Percentage of the monthly peak load to the annual peak load |
| Pm−d | Percentage of the daily peak load to the monthly peak load |
| Density function of load randomness | |
| Pd−h | Percentage of hourly peak load to the daily load |
| μL | Expectation deviation of |
| σL | Standard deviation of |
| TTTF,i | Fault free working state sequence |
| λi | Failure rate of component i |
| μi | Repair rate of component i |
| TTTR,i | Faulty working state sequence |
| ui, ξi | Random variable of the uniform distributions |
| RLOLP | Reliability indicator of LOLP |
| H | Total simulation time |
| FLOLP(h) | State function of LOLP |
| RASAI | Reliability indicator of ASAI |
| RSAIDI | Reliability indicator of SAIDI |
| RSAIFI | Reliability indicator of SAIFI |
| Ui | The annual outage time of users of i-th load point |
| Ni | Number of users of i-th load point |
| NLP | Total number of load points |
| λi | The annual power failure frequency of i-th load point |
References
- Guo, X.S.; Lou, S.H.; Wu, Y.W.; Wang, Y.C. Low-Carbon Operation of Combined Heat and Power Integrated Plants Based on Solar-Assisted Carbon Capture. J. Mod. Power Syst. Clean Energy 2022, in press. [Google Scholar]
- Muhammad, H.S.; Wang, F.Z.; Basheer, A.K.; Sajid, I. A Review on Microgrids’ Challenges & Perspectives. IEEE Access 2021, 9, 166502–166517. [Google Scholar]
- Wang, Y.; Xie, K.G.; Hu, B.; Wang, L.Y. Reliability Analysis of Islanded Microgrid Based on Sequential Simulation. Trans. China Electrotech. Soc. 2016, 31, 206–211. [Google Scholar]
- Zhou, B.R.; Huang, T.C.; Zhang, Y.J. Reliability Analysis on Microgrid Considering Incentive Demand Response. Autom. Electr. Power Syst. 2017, 41, 70–78. [Google Scholar]
- Wang, Y.; Wan, L.Y.; Hu, B.; Xie, K.G.; Xiang, B. Isolated Island Operating Characteristics Based Analysis on Reliability of Microgrid. Power Syst. Technol. 2014, 38, 2379–2385. [Google Scholar]
- Bahramirad, S.; Reder, W.; Khodaei, A. Reliability-Constrained Optimal Sizing of Energy Storage System in a Microgrid. IEEE Trans. Smart Grid 2012, 3, 2056–2062. [Google Scholar] [CrossRef]
- Song, X.T.; Zhao, Y.X.; Zhou, J.H.; Weng, Z.P. Reliability varying characteristics of PV-ESS-Based standalone microgrid. IEEE Access 2019, 7, 120872–120883. [Google Scholar] [CrossRef]
- Guo, L.; Yu, Z.Z.; Wang, C.S.; Li, F.X.; Schiettekatte, J.; Deslauriers, J.-C.; Bai, L.Q. Optimal Design of Battery Energy Storage System for a Wind—Diesel off-grid Power System in a Remote Canadian Community. IET Gener. Transm. Distrib. 2016, 10, 608–616. [Google Scholar] [CrossRef]
- Wang, S.X.; Zhang, X.Y.; Ge, L.J.; Wu, L. 2-D Wind Speed Statistical Model for Reliability Assessment of Microgrid. IEEE Trans. Sustain. Energy 2016, 7, 1159–1169. [Google Scholar]
- Hadis, M.; Mahdi, E.; Amir, A.; Ali, Z. Modeling a Hybrid Microgrid Using Probabilistic Reconfiguration under System Uncertainties. Energies 2017, 10, 1430. [Google Scholar] [CrossRef]
- Azeem, F.; Narejo, G.B.; Shah, U.A. Integration of Renewable Distributed Generation with Storage and Demand Side Load Management in Rural Islanded Microgrid. Energy Effic. 2020, 13, 217–235. [Google Scholar] [CrossRef]
- Al-Muhaini, M.; Heydt, G.T. Evaluating Future Power Distribution System Reliability Including Distributed Generation. IEEE Trans. Power Deliv. 2013, 28, 2264–2272. [Google Scholar] [CrossRef]
- Gao, Y.J.; Zhu, J.; Cheng, H.X.; Liang, H.F.; Li, P. Evaluation on the Short-term Power Supply Capacity of Active Distribution System Based on Multiple Scenarios Considering Uncertainties. Proc. CSEE 2016, 36, 6076–6085. [Google Scholar]
- Zhao, Y.; Wang, J.; Geng, L.; Wang, Y.P.; Shuang, Y.J. An Extended Cross Entropy Method for Non-sequential Monte Carlo Simulation of Power System Reliability Assessment. Proc. CSEE 2017, 37, 1963–1974. [Google Scholar]
- Ding, Y.; Singh, C.; Goel, L.; Ostergagrd, J.; Wang, P. Short-Term and Medium-Term Reliability Evaluation for Power Systems with High Penetration of Wind Power. IEEE Trans. Sustain. Energy 2014, 5, 896–906. [Google Scholar] [CrossRef]
- Fu, Q.; FMontoya, L.; Solanki, A.; Nasiri, A.; Bhavaraju, V.; Abdallah, T.; CYu, D. Microgrid Generation Capacity Design with Renewables and Energy Storage Addressing Power Quality and Surety. IEEE Trans. Smart Grid 2019, 3, 2019–2027. [Google Scholar] [CrossRef]
- Wang, C.S.; Zhang, T.Y.; Luo, F.Z.; Li, F.X.; Liu, Y.Z. Impacts of cyber system on microgrid operational reliability. IEEE Trans. Smart Grid 2019, 10, 105–115. [Google Scholar] [CrossRef]
- IEEE Std1366–2003; IEEE Guide for Electric Power Distribution Reliability Indices—Redline. IEEE: New York, NY, USA, 2012; pp. 1–92.









| Component | λi/(occ·a−1) | μi/(occ·a−1) | α | β | μL | σL |
|---|---|---|---|---|---|---|
| MT | 0.05 | 0.083 | / | / | / | / |
| WTG | 0.05 | 0.0167 | / | / | / | / |
| PV | 0.25 | 0.0125 | 2 | 0.8 | / | / |
| ESS | 0.05 | 0.02 | / | / | / | / |
| Load | / | / | / | / | 0 | 0.1 |
Publisher’s Note: MDPI stays neutral with regard to jurisdictional claims in published maps and institutional affiliations. |
© 2022 by the authors. Licensee MDPI, Basel, Switzerland. This article is an open access article distributed under the terms and conditions of the Creative Commons Attribution (CC BY) license (https://creativecommons.org/licenses/by/4.0/).
Share and Cite
Weng, Z.; Zhou, J.; Zhan, Z. Reliability Evaluation of Standalone Microgrid Based on Sequential Monte Carlo Simulation Method. Energies 2022, 15, 6706. https://doi.org/10.3390/en15186706
Weng Z, Zhou J, Zhan Z. Reliability Evaluation of Standalone Microgrid Based on Sequential Monte Carlo Simulation Method. Energies. 2022; 15(18):6706. https://doi.org/10.3390/en15186706
Chicago/Turabian StyleWeng, Zhipeng, Jinghua Zhou, and Zhengdong Zhan. 2022. "Reliability Evaluation of Standalone Microgrid Based on Sequential Monte Carlo Simulation Method" Energies 15, no. 18: 6706. https://doi.org/10.3390/en15186706
APA StyleWeng, Z., Zhou, J., & Zhan, Z. (2022). Reliability Evaluation of Standalone Microgrid Based on Sequential Monte Carlo Simulation Method. Energies, 15(18), 6706. https://doi.org/10.3390/en15186706
