DC Motor Drive Powered by Solar Photovoltaic Energy: An FPGA-Based Active Disturbance Rejection Control Approach
Abstract
:1. Introduction
- Two stages of power electronic converters are required: one is used to track the MPP and the other is the motor drive.
- In cases where only a single converter is used, a control objective is then lost, either through obtaining the MPP of the PV cells or regulating the motor speed. Most of the systems prefer to track the MPP over speed regulation, as these systems are designed for pumping water, where it is important to take advantage of the maximum available energy. The P&O and INC algorithms are the most commonly used MPPT techniques.
- A DC bus is always used, either between the PV cells and the single converter, or between the power electronic converters if more than one is used in the system.
- Motor drivers are directly powered by the DC bus, as this is a better way of harnessing DC power than in DC/AC/DC transformations.
Discussion of Related Studies, Motivation and Contributions
2. Materials and Methods
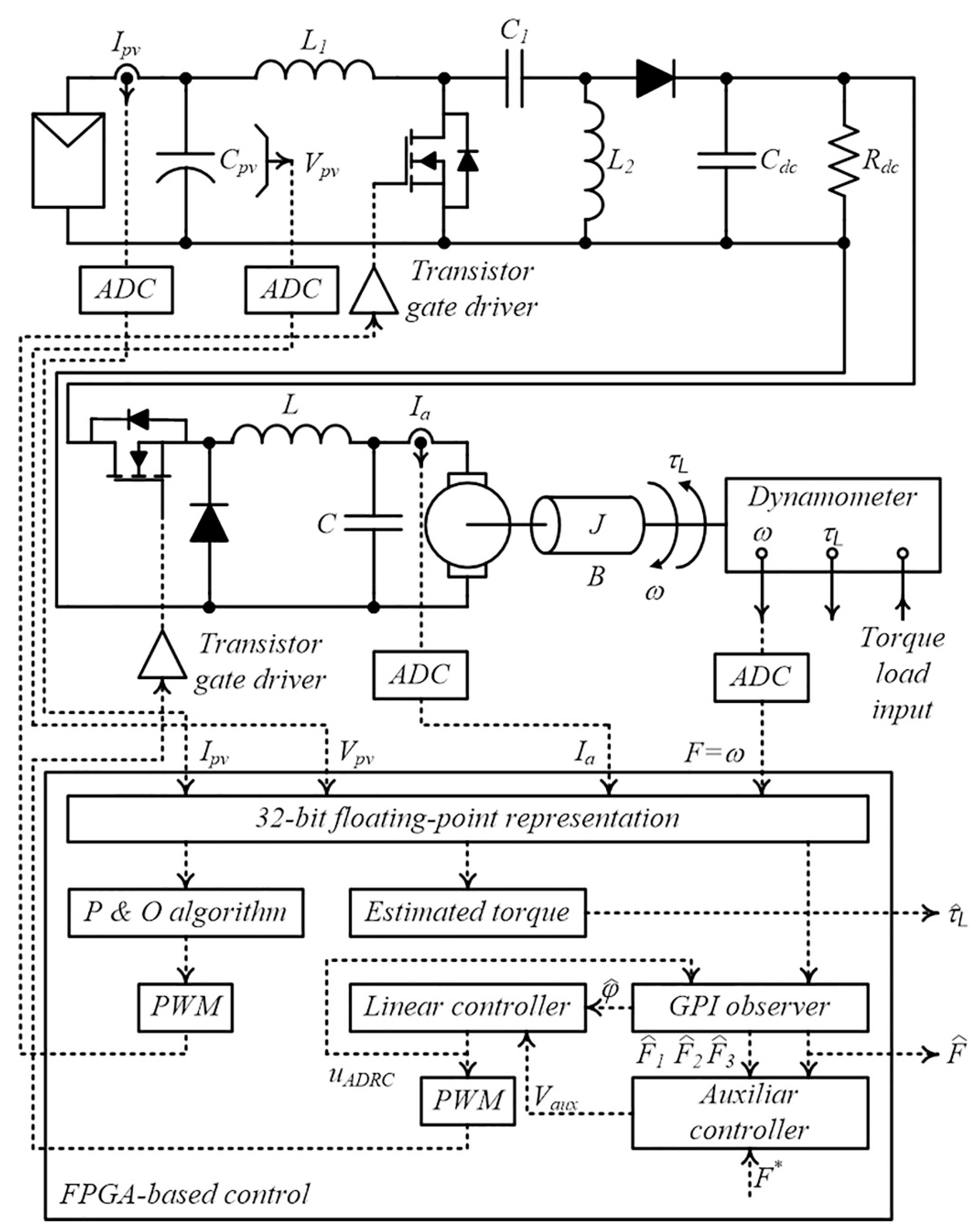
2.1. Modeling, Design and Control of the PV System
2.1.1. Modeling of the PV Cells
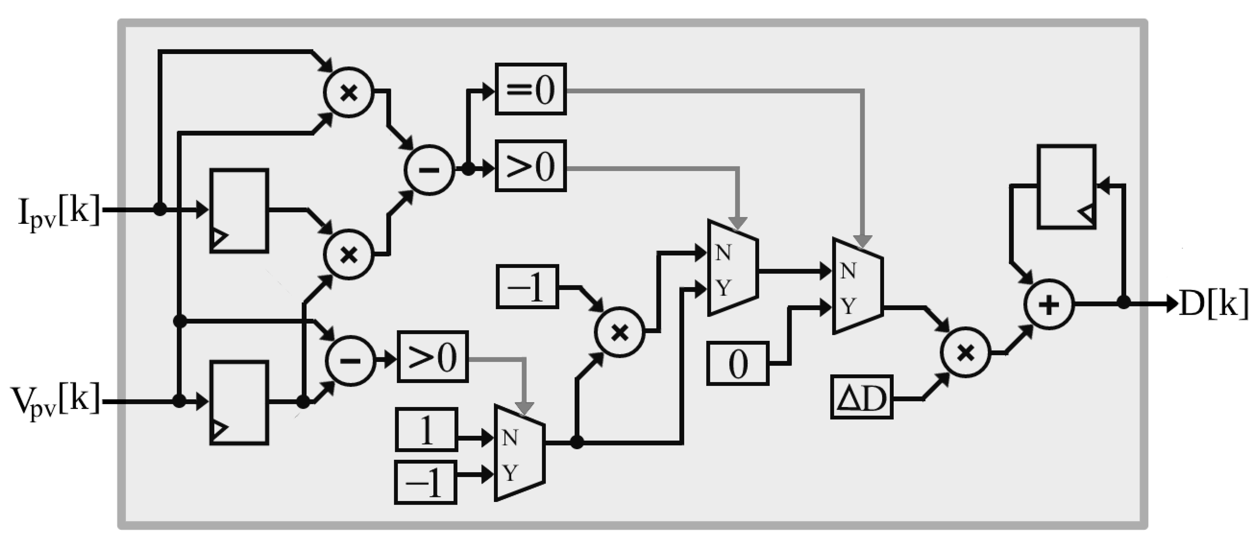
2.1.2. P&O Algorithm Design on the SEPIC Converter
2.1.3. Modeling of the SEPIC Converter
2.1.4. Stability Proof of the PV System
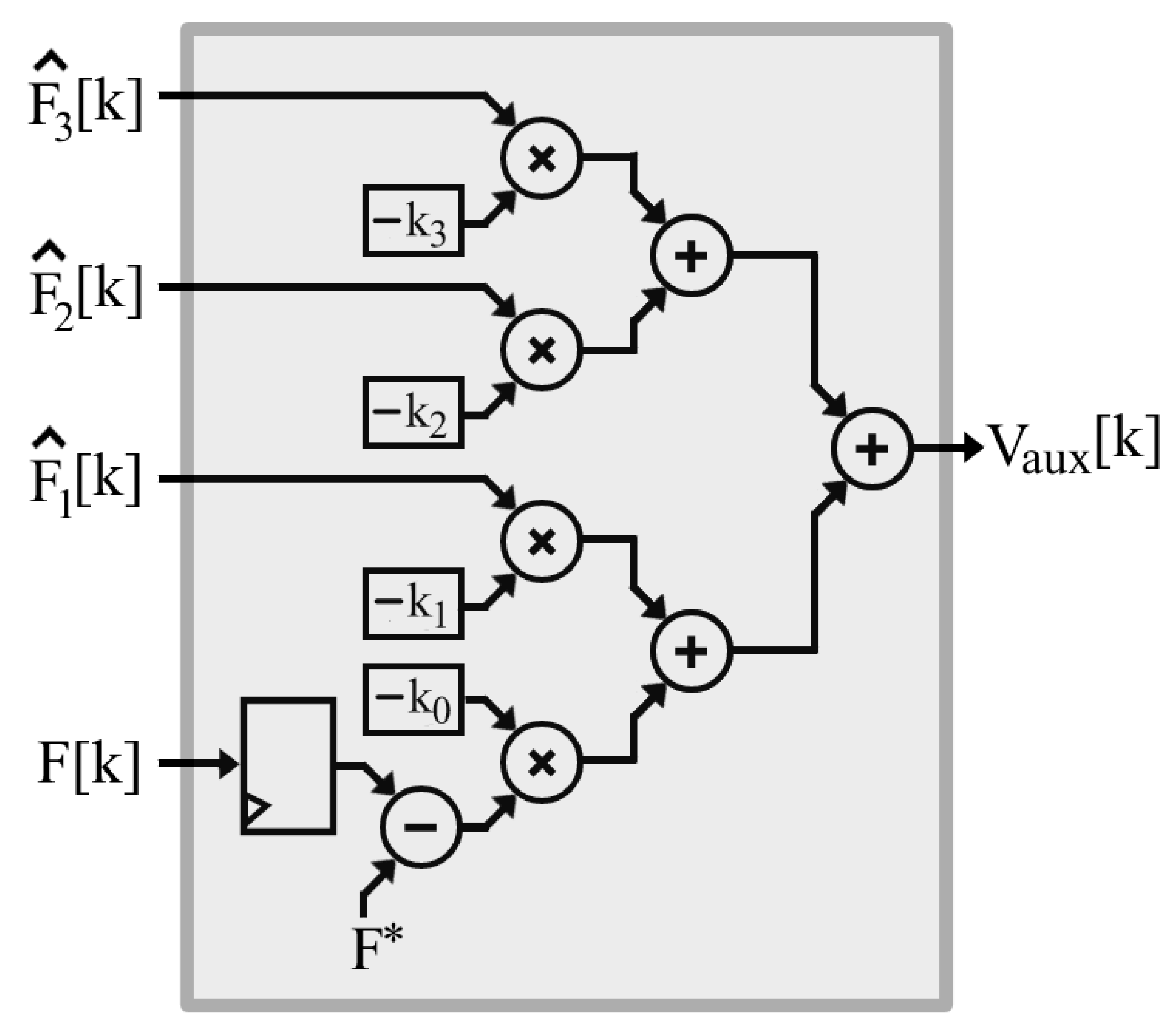
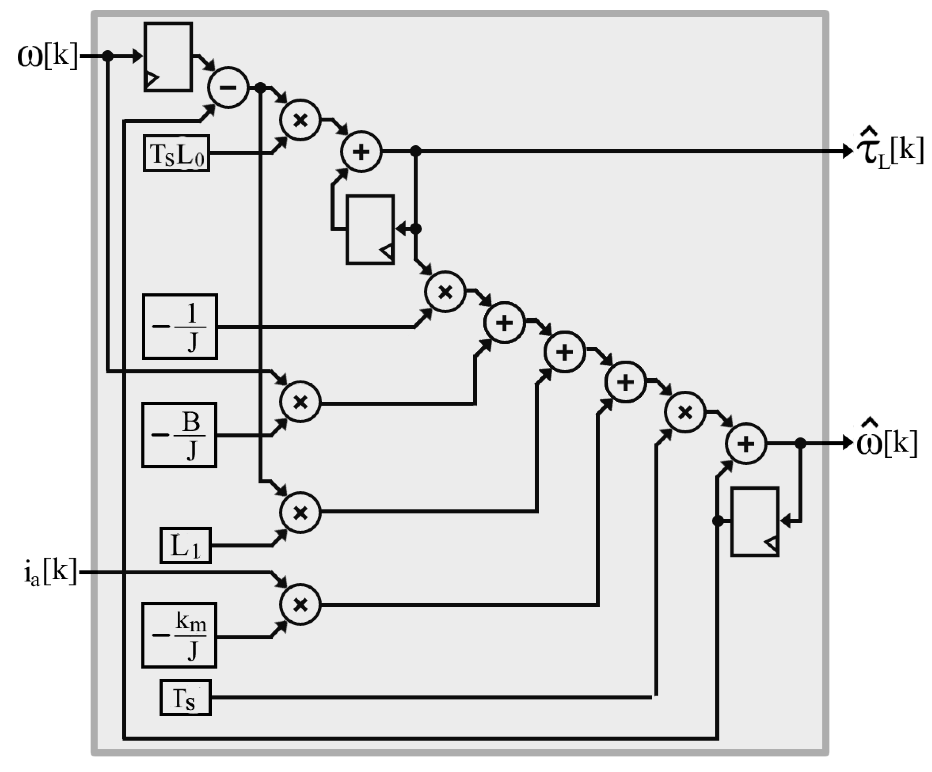
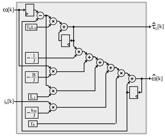
2.2. Modeling and ADRC Approach Design on the Motor Drive
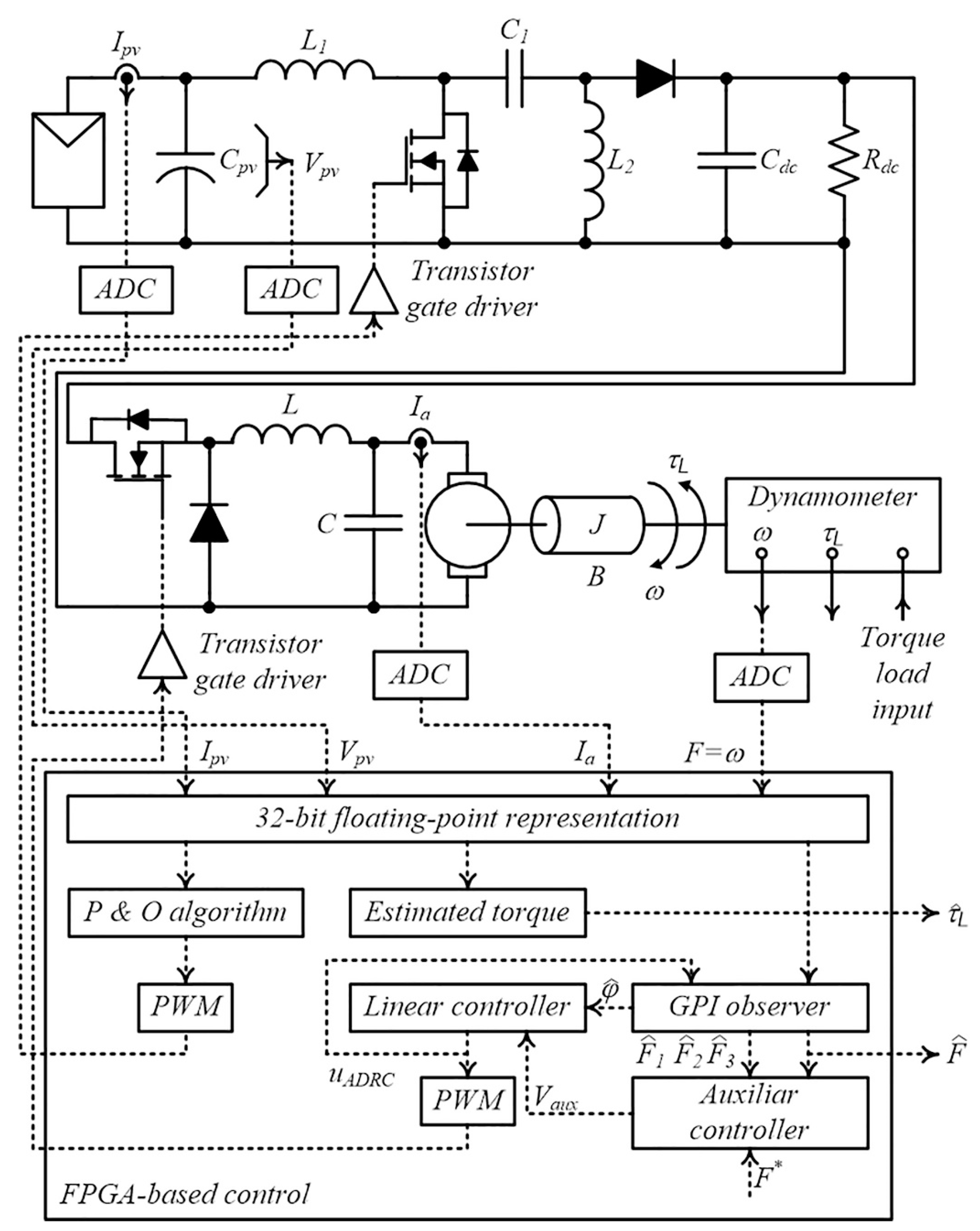
3. FPGA Architecture and Hardware Implementation
3.1. FPGA Architecture
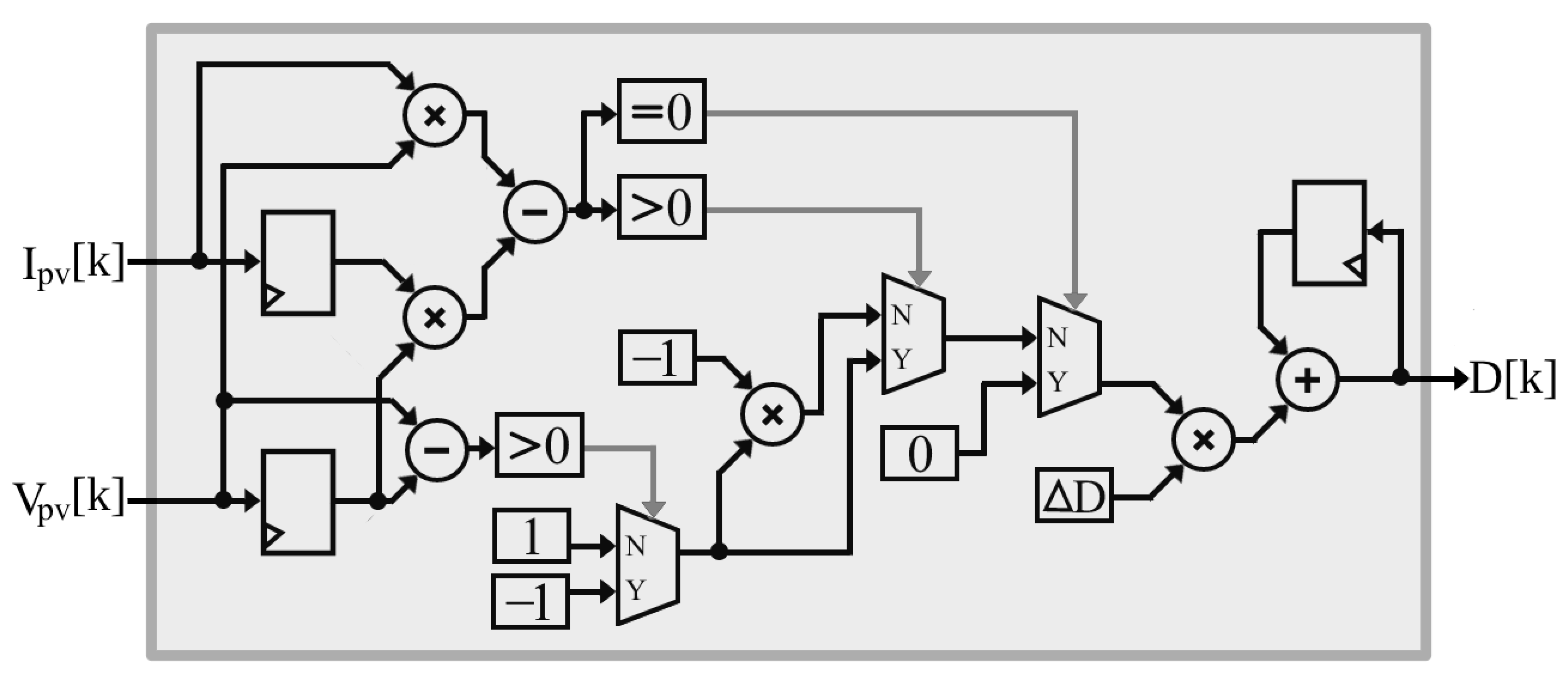
- The current Ipv[k] and the voltage Vpv[k] are measured in the PV cells. A throughput rate of 1 KSPS is defined, considering that the dynamics of the PV cells is relatively slow. Therefore, the sampling period is Ts,P&O = 1 ms.
- The power of the current sample is then calculated. The previous power is also calculated using the previous values of current and voltage stored in registers.
- The power and voltage differences are calculated in order to proceed to the decision stage, i.e., and .
- The decision stage of the P&O algorithm is carried out through the multiplexers where it is compared if ΔP = 0, ΔP > 0 and ΔV > 0. The output value of this process is one of the three possible fixed values {–1, 0, 1}.
- The output value multiplies ΔD = 0.005 to obtain one of three values {−ΔD, 0, ΔD}. The result is added to the duty cycle of the previous sample and a new iteration is generated to modify the voltage’s behavior versus the power curve of the PV cells, i.e., .
- As a result, there is an average continuous control signal D[k] ∈ [0,1].
- The synthesis tool shows that the propagation delay generated by this module is:
3.2. Hardware Implementation
- Lem HX-15-P hall effect current sensor for measuring the PV cells and DC motor currents.
- A resistive network to measure the PV cells voltage.
- AD7476A ADC with a resolution of 12 bits. This is used to digitize the voltage and current of the PV cells, the current and the speed of the DC motor.
- The IRF640 MOSFET and the U15A40 diode are the semiconductor devices in each converter.
- To increase the switch’s reliability, a resistor–capacitor–diode snubber circuit is used in each converter, where the resistance and capacitor values for the SEPIC and buck converter are 15 Ω/68 nF and 47 Ω/22 nF, respectively.
- Conditioning of the PWM signals to properly switch the power converters, which consists of an isolation by means of an optocoupler (PC923 CI) and a power driver (IRF2117 CI).
4. Experimental Results
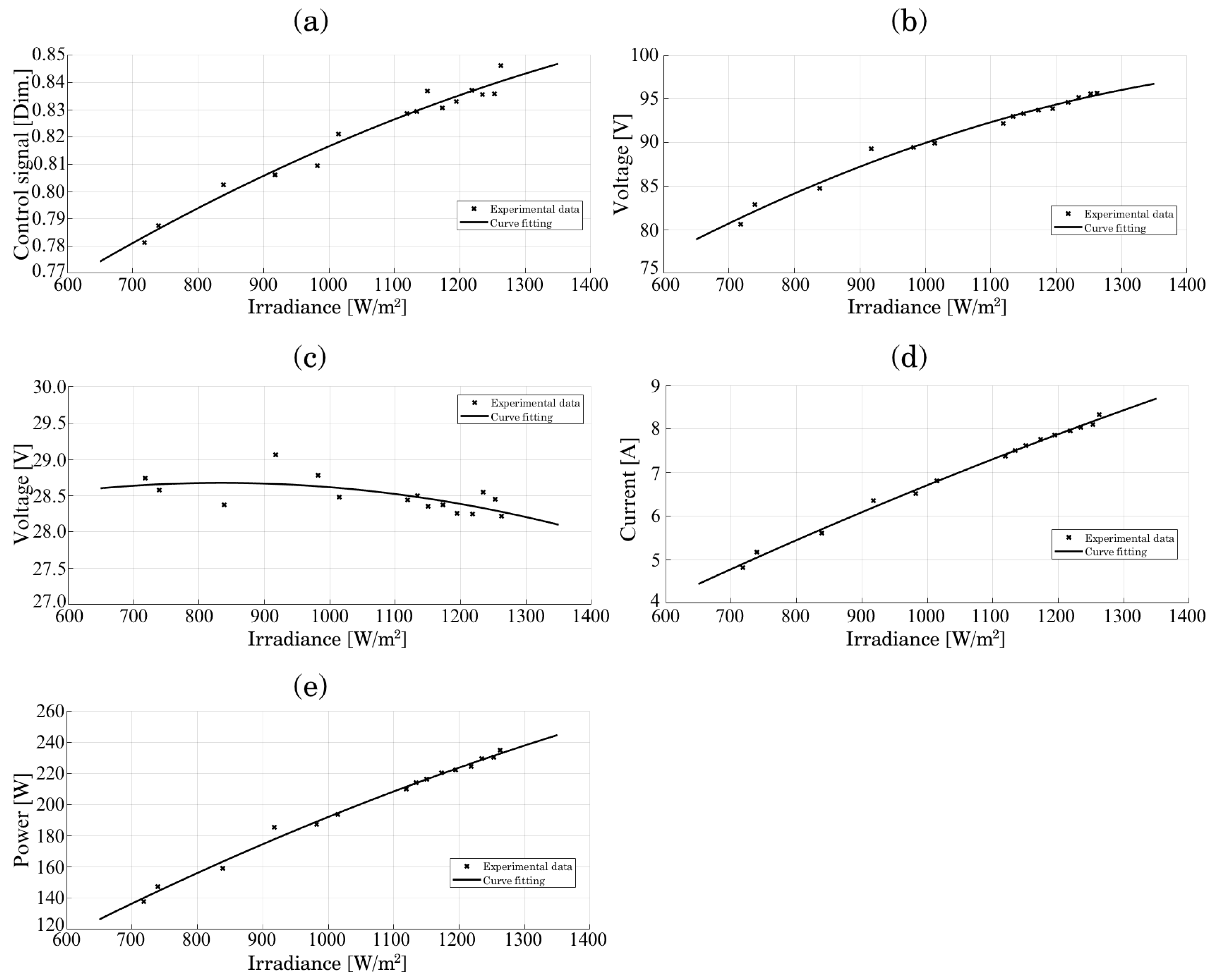
4.1. Maximum Power Point Tracking of the PV Cells
4.2. Effects in the MPP of PV Cells Due the Connection of the DC Motor
- Stage (A): The PV cells are at MPP, which occurs after enabling the P&O algorithm, as shown in Figure 19. The resistor Rdc has a value of 54 Ω, which emulates the connection of other loads. In addition, the ADRC control signal is disabled, and the DC motor has a speed of 0 rad/s.
- Stage (B): At t = 1.40 s, there is a change in the resistance of the DC bus Rdc, from 54 Ω to 155 Ω. This change in the load causes variations in the DC bus and is a disturbance that the ADRC approach must counteract.
- Stage (C): At t = 2.85 s, the ADRC signal is enabled, causing the operation of the driver and starting the DC motor. At this time, the drive impedance varies, so the ADRC approach must also counteract this disturbance.
- Stage (D): At t = 19 s, the DC motor angular speed reaches the steady state, and F* = ω* = 145 rad/s. Therefore, the PV cells are at MPP, and the DC motor has the desired angular speed.
4.3. DC Motor Angular Speed Regulation
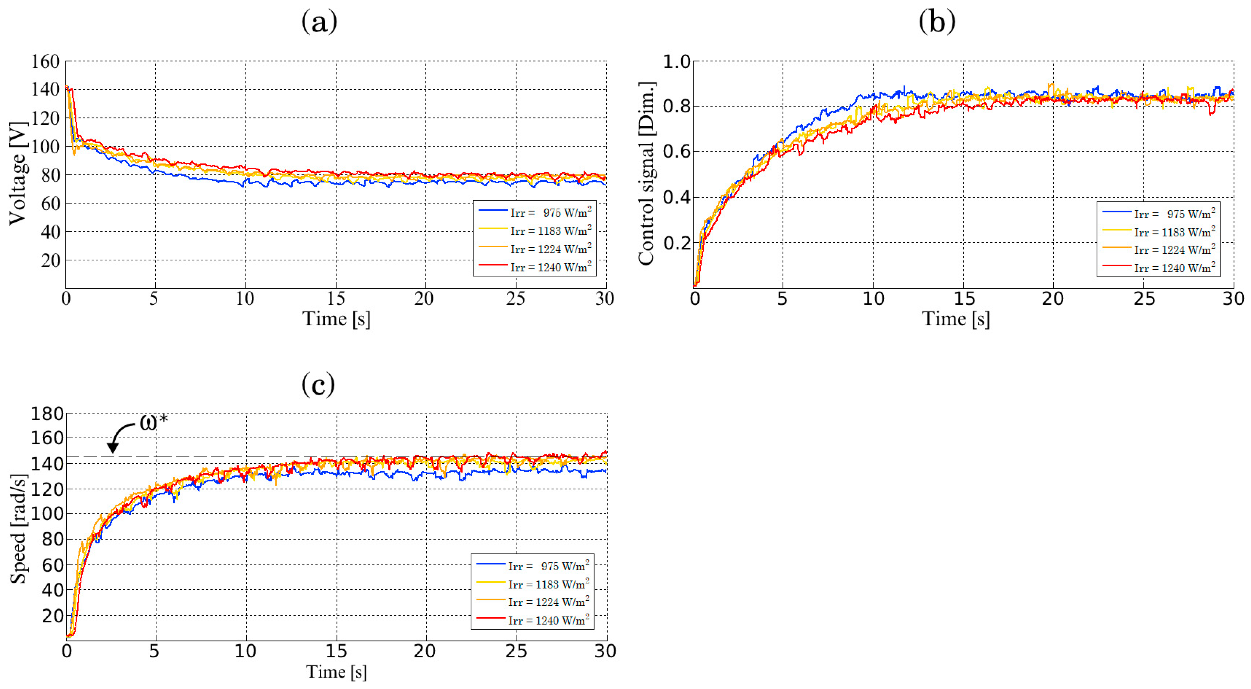
4.4. Effects of Irradiance Variations on the Angular Speed of the DC Motor
5. Conclusions
Author Contributions
Funding
Institutional Review Board Statement
Informed Consent Statement
Data Availability Statement
Conflicts of Interest
References
- Rabaia, M.K.H.; Abdelkareem, M.A.; Sayed, E.T.; Elsaid, K.; Chae, K.-J.; Wilberforce, T.; Olabi, A. Environmental impacts of solar energy systems: A review. Sci. Total Environ. 2021, 754, 141989. [Google Scholar]
- Sampaio, P.G.V.; González, M.O.A. Photovoltaic solar energy: Conceptual framework. Renew. Sustain. Energy Rev. 2017, 74, 590–601. [Google Scholar] [CrossRef]
- Bose, B.K. Global Energy Scenario and Impact of Power Electronics in 21st Century. IEEE Trans. Ind. Electron. 2013, 60, 2638–2651. [Google Scholar] [CrossRef]
- Rahman, S.; Meraj, M.; Iqbal, A.; Tariq, M.; Maswood, A.I.; Ben-Brahim, L.; Al-Ammari, R. Design and Implementation of Cascaded Multilevel qZSI Powered Single-Phase Induction Motor for Isolated Grid Water Pump Application. IEEE Trans. Ind. Appl. 2019, 56, 1907–1917. [Google Scholar] [CrossRef]
- De Almeida, A.; Fong, J.; Brunner, C.U.; Werle, R.; Van Werkhoven, M. New technology trends and policy needs in energy efficient motor systems–A major opportunity for energy and carbon savings. Renew Sustain. Energy Rev. 2019, 115, 109384. [Google Scholar] [CrossRef]
- Kabir, E.; Kumar, P.; Kumar, S.; Adelodun, A.A.; Kim, K.-H. Solar energy: Potential and future prospects. Renew. Sustain. Energy Rev. 2018, 82, 894–900. [Google Scholar] [CrossRef]
- Wang, J.; O’Donnell, J.; Brandt, A.R. Potential solar energy use in the global petroleum sector. Energy 2017, 118, 884–892. [Google Scholar] [CrossRef]
- Hernández-Callejo, L.; Gallardo-Saavedra, S.; Alonso-Gómez, V. A review of photovoltaic systems: Design, operation and maintenance. Sol. Energy 2019, 188, 426–440. [Google Scholar] [CrossRef]
- Obeidat, F. A comprehensive review of future photovoltaic systems. Sol. Energy 2018, 163, 545–551. [Google Scholar] [CrossRef]
- Algarín, C.R.; Giraldo, J.T.; Álvarez, O.R. Fuzzy Logic Based MPPT Controller for a PV System. Energies 2017, 10, 2036. [Google Scholar] [CrossRef]
- Rezk, H.; Aly, M.; Al-Dhaifallah, M.; Shoyama, M. Design and Hardware Implementation of New Adaptive Fuzzy Logic-Based MPPT Control Method for Photovoltaic Applications. IEEE Access 2019, 7, 106427–106438. [Google Scholar] [CrossRef]
- Jiang, L.L.; Maskell, D.L.; Patra, J.C. A novel ant colony optimization-based maximum power point tracking for photovoltaic systems under partially shaded conditions. Energy Build. 2013, 58, 227–236. [Google Scholar] [CrossRef]
- Titri, S.; Larbes, C.; Toumi, K.Y.; Benatchba, K. A new MPPT controller based on the Ant colony optimization algorithm for Photovoltaic systems under partial shading conditions. Appl. Soft Comput. 2017, 58, 465–479. [Google Scholar] [CrossRef]
- Tey, K.S.; Mekhilef, S.; Seyedmahmoudian, M.; Horan, B.; Oo, A.T.; Stojcevski, A. Improved Differential Evolution-Based MPPT Algorithm Using SEPIC for PV Systems Under Partial Shading Conditions and Load Variation. IEEE Trans. Ind. Inform. 2018, 14, 4322–4333. [Google Scholar] [CrossRef]
- Aouchiche, N.; Aitcheikh, M.; Becherif, M.; Ebrahim, M. AI-based global MPPT for partial shaded grid connected PV plant via MFO approach. Sol. Energy 2018, 171, 593–603. [Google Scholar] [CrossRef]
- Shi, J.-Y.; Zhang, D.-Y.; Xue, F.; Li, Y.-J.; Qiao, W.; Yang, W.-J.; Xu, Y.-M.; Yang, T. Moth-Flame Optimization-Based Maximum Power Point Tracking for Photovoltaic Systems Under Partial Shading Conditions. J. Power Electron. 2019, 19, 1248–1258. [Google Scholar]
- Messalti, S.; Harrag, A.E.; Loukriz, A. A new variable step size neural networks MPPT controller: Review, simulation and hardware implementation. Renew. Sustain. Energy Rev. 2017, 68, 221–233. [Google Scholar] [CrossRef]
- Elkholy, M.M.; Fathy, A. Optimization of a PV fed water pumping system without storage based on teaching-learning-based optimization algorithm and artificial neural network. Sol. Energy 2016, 139, 199–212. [Google Scholar] [CrossRef]
- Abdel-Salam, M.; El-Mohandes, M.T.; El-Ghazaly, M. An Efficient Tracking of MPP in PV Systems Using a Newly-Formulated P&O-MPPT Method Under Varying Irradiation Levels. J. Electr. Eng. Technol. 2020, 15, 501–513. [Google Scholar]
- Ahmed, J.; Salam, Z. An Enhanced Adaptive P O MPPT for Fast and Efficient Tracking Under Varying Environmental Conditions. IEEE Trans. Sustain. Energy 2018, 9, 1487–1496. [Google Scholar] [CrossRef]
- Danandeh, M.A.; Mousavi, G.S.M. Comparative and comprehensive review of maximum power point tracking methods for PV cells. Renew. Sustain. Energy Rev. 2018, 82, 2743–2767. [Google Scholar] [CrossRef]
- Mohapatra, A.; Nayak, B.; Das, P.; Mohanty, K.B. A review on MPPT techniques of PV system under partial shading condition. Renew. Sustain. Energy Rev. 2017, 80, 854–867. [Google Scholar] [CrossRef]
- Podder, A.K.; Roy, N.K.; Pota, H.R. MPPT methods for solar PV systems: A critical review based on tracking nature. IET Renew. Power Gener. 2019, 13, 1615–1632. [Google Scholar] [CrossRef]
- Amir, A.; Amir, A.; Che, H.S.; Elkhateb, A.; Rahim, N.A. Comparative analysis of high voltage gain DC-DC converter topologies for photovoltaic systems. Renew. Energy 2019, 136, 1147–1163. [Google Scholar] [CrossRef]
- Singh, S.N. Selection of non-isolated DC-DC converters for solar photovoltaic system. Renew. Sustain. Energy Rev. 2017, 76, 1230–1247. [Google Scholar]
- Raghavendra, K.V.G.; Zeb, K.; Muthusamy, A.; Krishna, T.N.V.; Prabhudeva Kumar, S.V.S.V.; Kim, D.-H.; Kim, M.-S.; Cho, H.-G.; Kim, H.-J. A Comprehensive Review of DC–DC Converter Topologies and Modulation Strategies with Recent Advances in Solar Photovoltaic Systems. Electronics 2020, 9, 31. [Google Scholar] [CrossRef]
- Yang, J.; Li, S. Robust predictive speed regulation of converter-driven dc motor via a discrete-time reduced–order GPIO. IEEE Trans. Ind. Electron. 2018, 66, 7893–7903. [Google Scholar] [CrossRef]
- Hoyos, F.E.; Candelo-Becerra, J.E.; Velasco, I.H. Application of zero average dynamics and fixed point induction control techniques to control the speed of dc motor with a buck converter. Appl. Sci. 2020, 10, 1807. [Google Scholar] [CrossRef]
- Nizami, T.K.; Chakravarty, A.; Mahanta, C.; Iqbal, A. Enhanced dynamic performance in DC-DC converter-PMDC motor combination through an intelligent non-linear adaptive control scheme. IET Power Electron. 2022, 1, 1–10. [Google Scholar] [CrossRef]
- Alajmi, B.N.; Ahmed, N.A.; Al-Othman, A.K. Small-signal analysis and control implementation of boost converter fed PMDC motor for electric vehicle applications. J. Eng. Res. 2021, 9, 189–208. [Google Scholar] [CrossRef]
- Hernández-Márquez, E.; Ávila-Rea, C.A.; García-Sánchez, J.R.; Silva-Ortigoza, R.; Silva-Ortigoza, G.; Taud, H.; Marcelino-Aranda, M. Robust Trackin Controller for a DC/DC Buck-Boost Converter-DC Motor system. Energies 2018, 11, 2500. [Google Scholar] [CrossRef]
- Guerrero, E.; Guzmán, E.; Linares, J.; Martínez, A.; Guerrero, G. FPGA-based active disturbance rejection velocity control for a parallel DC/DC buck converter-DC motor system. IET Power Electron. 2020, 13, 356–367. [Google Scholar] [CrossRef]
- Kottas, T.L.; Karlis, A.D.; Boutalis, Y.S. A Novel Control Algorithm for DC Motors Supplied by PVs Using Fuzzy Cognitive Networks. IEEE Access 2018, 6, 24866–24876. [Google Scholar] [CrossRef]
- Viji, K.; Chitra, K.; Someswari, T.; Ruby, M.R.; Sandhya, P. Solar Powered DC Motor Speed Control by MPPT and Discrete Controller. In Proceedings of the 2021 Third International Conference on Intelligent Communication Technol and Virtual Mobile Networks, Tirunelveli, India, 4–6 February 2021; Volume 1, pp. 651–655. [Google Scholar]
- Silva-Ortigoza, R.; Roldán-Caballero, A.; Hernández-Márquez, E.; García-Sánchez, J.R.; Marciano-Melchor, M.; Hernández-Guzmán, V.M.; Silva-Ortigoza, G. Robust Flatness Tracking Control for the “DC/DC Buck Converter-DC Motor” System: Renewable Energy-Based Power Supply. Complexity 2021, 2021, 2158782. [Google Scholar] [CrossRef]
- Mishra, A.K.; Singh, B. Solar Photovoltaic Array Dependent Dual Output Converter Based Water Pumping Using Switched Reluctance Motor Drive. IEEE Trans. Ind. Appl. 2017, 53, 5615–5623. [Google Scholar] [CrossRef]
- Singh, B.; Murshid, S. A Grid-Interactive Permanent-Magnet Synchronous Motor-Driven Solar Water-Pumping System. IEEE Trans. Ind. Appl. 2018, 54, 5549–5561. [Google Scholar] [CrossRef]
- Kumar, R.; Singh, B. Solar PV powered BLDC motor drive for water pumping using Cuk converter. IET Electr. Power Appl. 2017, 11, 222–232. [Google Scholar] [CrossRef]
- Kumar, R.; Singh, B. Single Stage Solar PV Fed Brushless DC Motor Driven Water Pump. IEEE J. Emerg. Sel. Top. Power Electron. 2017, 5, 1377–1385. [Google Scholar] [CrossRef]
- Khan, K.; Shukla, S.; Singh, B. Performance-Based Design of Induction Motor Drive for Single-Stage PV Array Fed Water Pumping. IEEE Trans. Ind. Appl. 2019, 55, 4286–4297. [Google Scholar] [CrossRef]
- Murshid, S.; Singh, B. Reduced Sensor-Based PMSM Driven Autonomous Solar Water Pumping System. IEEE Trans. Sustain. Energy 2020, 11, 1323–1331. [Google Scholar] [CrossRef]
- Linares-Flores, J.; Guerrero-Castellanos, J.; Lescas-Hernández, R.; Hernández-Méndez, A.; Vázquez-Perales, R. Angular speed control of an induction motor via a solar powered boost converter-voltage source inverter combination. Energy 2019, 166, 326–334. [Google Scholar] [CrossRef]
- Chekired, F.; Mellit, A.; Kalogirou, S.; Larbes, C. Intelligent maximum power point trackers for photovoltaic applications using FPGA chip: A comparative study. Sol. Energy 2014, 101, 83–99. [Google Scholar] [CrossRef]
- Senthilvel, A.; Vijeyakumar, K.; Vinothkumar, B. FPGA based implementation of MPPT algorithms for photovoltaic system under partial shading conditions. Microprocess. Microsyst. 2020, 77, 103011. [Google Scholar] [CrossRef]
- Ahmad, S.; Ali, A. Active disturbance rejection control of DC–DC boost converter: A review with modifications for improved performance. IET Power Electron. 2019, 12, 2095–2107. [Google Scholar] [CrossRef]
- Zhuo, S.; Gaillard, A.; Guo, L.; Xu, L.; Paire, D.; Gao, F. Active Disturbance Rejection Voltage Control of a Floating Interleaved DC–DC Boost Converter With Switch Fault Consideration. IEEE Trans. Power Electron. 2019, 34, 12396–12406. [Google Scholar] [CrossRef]
- Yan, L.; Wang, F.; Dou, M.; Zhang, Z.; Kennel, R.; Rodríguez, J. Active Disturbance-Rejection-Based Speed Control in Model Predictive Control for Induction Machines. IEEE Trans. Ind. Electron. 2020, 67, 2574–2584. [Google Scholar] [CrossRef]
- Meng, X.; Yu, H.; Zhang, J.; Xu, T.; Wu, H. Liquid Level Control of Four-Tank System Based on Active Disturbance Rejection Technology. Measurement 2021, 175, 109146. [Google Scholar] [CrossRef]
- Ramírez-Neria, M.; Sira-Ramírez, H.; Garrido-Moctezuma, R.; Luviano-Juárez, A. Active Disturbance Rejection Control of the Inertia Wheel Pendulum through a Tangent Linearization Approach. Int. J. Control. Autom. Syst. 2019, 17, 18–28. [Google Scholar] [CrossRef]
- Zhu, H.; Gu, Z. Active disturbance rejection control of 5-degree-of-freedom bearingless permanent magnet synchronous motor based on fuzzy neural network inverse system. ISA Trans. 2020, 101, 295–308. [Google Scholar] [CrossRef]
- Chu, Z.; Wu, C.; Sepehri, N. Active Disturbance Rejection Control Applied to High-order Systems with Parametric Uncertainties. Int. J. Control. Autom. Syst. 2019, 17, 1483–1493. [Google Scholar] [CrossRef]
- Guerrero-Ramirez, E.; Martinez-Barbosa, A.; Contreras-Ordaz, M.A.; Guerrero-Ramirez, G. FPGA-based active disturbance rejection control and maximum power point tracking for a photovoltaic system. Int. Trans. Elect. Energy Syst. 2020, 30, 12398. [Google Scholar] [CrossRef]
- Mahmoud, Y.A.; Xiao, W.; Zeineldin, H.H. A Parameterization Approach for Enhancing PV Model Accuracy. IEEE Trans. Ind. Electron. 2013, 60, 5708–5716. [Google Scholar] [CrossRef]
- Farhat, M.; Barambones, O.; Sbita, L. A Real-Time Implementation of Novel and Stable Variable Step Size MPPT. Energies 2020, 13, 4668. [Google Scholar] [CrossRef]
- Killi, M.; Samanta, S. Modified Perturb and Observe MPPT Algorithm for Drift Avoidance in Photovoltaic Systems. IEEE Trans. Ind. Electron. 2015, 62, 5549–5559. [Google Scholar] [CrossRef]
- Han, J. From PID to Active Disturbance Rejection Control. IEEE Trans. Ind. Electron. 2009, 56, 900–906. [Google Scholar] [CrossRef]
- Qi, X.; Li, J.; Xia, Y.; Gao, Z. On the Robust Stability of Active Disturbance Rejection Control for SISO Systems. Circuits Syst. Signal Process. 2017, 36, 65–81. [Google Scholar] [CrossRef]
- Guo, B.Z.; Zhao, Z.L. Active Disturbance Rejection Control for Nonlinear Systems: An Introduction; Wiley: Hoboken, NJ, USA, 2016. [Google Scholar]
- Sira-Ramírez, H. From flatness, GPI observers, GPI control and flat filters to observer-based ADRC. Control. Theory Technol. 2018, 16, 249–260. [Google Scholar] [CrossRef]
- Sira-Ramírez, H.; Luviano-Juárez, A.; Ramírez-Neria, M.; Zurita-Bustamante, E.W. Active Disturbance Rejection Control of Dynamic Systems: A Flatness-Based Approach; Butterworth-Heinemann: Oxford, UK, 2017. [Google Scholar]
- Guo, B.-Z.; Zhao, Z.-L. On the convergence of an extended state observer for nonlinear systems with uncertainty. Syst. Control Lett. 2011, 60, 420–430. [Google Scholar] [CrossRef]
- Sira-Ramírez, H.; Zurita-Bustamante, E. On the equivalence between ADRC and Flat Filter based controllers: A frequency domain approach. Control Eng. Pract. 2020, 107, 104656. [Google Scholar] [CrossRef]
- Xue, W.; Huang, Y. Performance analysis of active disturbance rejection tracking control for a class of uncertain LTI systems. ISA Trans. 2015, 58, 133–154. [Google Scholar] [CrossRef]
- Li, S.; Yang, J.; Chen, W.-H.; Xisong, C. Disturbance Observer-Based Control: Methods and Applications; CRC Press: Boca Raton, FL, USA, 2014. [Google Scholar]
- Guerrero Ramírez, E.; Martinez Barbosa, A.; Contreras Ordaz, M.A.; Guerrero Ramirez, G.; Guzmán Ramirez, E.; Barahona Avalos, J.L.; Adam Medina, M. Supplementary Material of the Paper Entitled “DC Motor Drive Powered by Solar Photovoltaic Energy: A FPGA-Based Active Disturbance Rejection Control Approach”. 2022. Available online: https://figshare.com/articles/software/Supplementary_material_of_the_paper_entitled_DC_Motor_Drive_Powered_by_Solar_Photovoltaic_Energy_A_FPGA-based_Active_Disturbance_Rejection_Control_Approach_/20405913 (accessed on 29 July 2022). [CrossRef]
- Guerrero Ramírez, E.; Martinez Barbosa, A.; Contreras Ordaz, M.A.; Guerrero Ramirez, G.; Guzmán Ramirez, E.; Barahona Avalos, J.L.; Adam Medina, M. Data Availability of the Paper Entitled “DC Motor Drive Powered by Solar Photovoltaic Energy: A FPGA-Based Active Disturbance Rejection Control Approach”. 2022. Available online: https://figshare.com/collections/Data_availability_of_the_paper_entitled_DC_Motor_Drive_Powered_by_Solar_Photovoltaic_Energy_A_FPGA-based_Active_Disturbance_Rejection_Control_Approach_/6124320 (accessed on 29 July 2022). [CrossRef]
























| Description | Equation Number | 
|---|---|
| Discretized GPI observer to estimate the disturbance term | (53) | 
| GPI observer gains for the disturbance term | (35) | 
| Discretized GPI observer to estimate the load torque | (54) | 
| GPI observer gains for load torque | (38) | 
| Discretized auxiliary controller | (55) | 
| Auxiliary controller gains | (48) | 
| Discretized final linear control law | (56) | 
| Resource | Used | Available | Percentage Used | 
|---|---|---|---|
| Slice registers | 1049 | 126,800 | 1% | 
| Slice LUTs | 24,135 | 63,400 | 38% | 
| Bonded IOBs | 22 | 210 | 10% | 
| BUFG/BUFGCTRLs | 3 | 32 | 9% | 
| DSP48E1s | 221 | 240 | 92% | 
| Parameter | Symbol | STC | NOCT | 
|---|---|---|---|
| Power | Ppv | 260 W | 192 W | 
| Voltage at maximum power point | Vmpp | 30.96 V | 28.60 V | 
| Current at maximum power point | Impp | 8.40 A | 6.72 V | 
| Open circuit voltage | Voc | 38.08 V | 35.35 V | 
| Closed-circuit current | Isc | 8.98 A | 7.29 A | 
| GPI Observer Gains for the Disturbance Term | GPI Observer Gains for Load Torque | Auxiliary Controller Gains | 
|---|---|---|
| ωn,λ = 600 ζλ = 0.9 αλ = 300 | ωn,L = 500 ζL = 0.9 | ωn,k = 100 ζk = 0.9 | 
| Summary Statics | Value | |
|---|---|---|
| Arithmetic mean | μ | −0.35 rad/s | 
| Median | Me | 0.01 rad/s | 
| Mode | Mo | −0.37 rad/s | 
| Minimum value | min | −11.03 rad/s | 
| Maximum value | max | 10.75 rad/s | 
| Standard deviation | σ | 3.00 rad/s | 
| Publisher’s Note: MDPI stays neutral with regard to jurisdictional claims in published maps and institutional affiliations. | 
© 2022 by the authors. Licensee MDPI, Basel, Switzerland. This article is an open access article distributed under the terms and conditions of the Creative Commons Attribution (CC BY) license (https://creativecommons.org/licenses/by/4.0/).
Share and Cite
Guerrero-Ramirez, E.; Martinez-Barbosa, A.; Contreras-Ordaz, M.A.; Guerrero-Ramirez, G.; Guzman-Ramirez, E.; Barahona-Avalos, J.L.; Adam-Medina, M. DC Motor Drive Powered by Solar Photovoltaic Energy: An FPGA-Based Active Disturbance Rejection Control Approach. Energies 2022, 15, 6595. https://doi.org/10.3390/en15186595
Guerrero-Ramirez E, Martinez-Barbosa A, Contreras-Ordaz MA, Guerrero-Ramirez G, Guzman-Ramirez E, Barahona-Avalos JL, Adam-Medina M. DC Motor Drive Powered by Solar Photovoltaic Energy: An FPGA-Based Active Disturbance Rejection Control Approach. Energies. 2022; 15(18):6595. https://doi.org/10.3390/en15186595
Chicago/Turabian StyleGuerrero-Ramirez, Esteban, Alberto Martinez-Barbosa, Marco Antonio Contreras-Ordaz, Gerardo Guerrero-Ramirez, Enrique Guzman-Ramirez, Jorge Luis Barahona-Avalos, and Manuel Adam-Medina. 2022. "DC Motor Drive Powered by Solar Photovoltaic Energy: An FPGA-Based Active Disturbance Rejection Control Approach" Energies 15, no. 18: 6595. https://doi.org/10.3390/en15186595
APA StyleGuerrero-Ramirez, E., Martinez-Barbosa, A., Contreras-Ordaz, M. A., Guerrero-Ramirez, G., Guzman-Ramirez, E., Barahona-Avalos, J. L., & Adam-Medina, M. (2022). DC Motor Drive Powered by Solar Photovoltaic Energy: An FPGA-Based Active Disturbance Rejection Control Approach. Energies, 15(18), 6595. https://doi.org/10.3390/en15186595
 
        

 
       