Development of a Novel Experimental Facility to Assess Heating Systems’ Behaviour in Buildings
Abstract
:1. Introduction
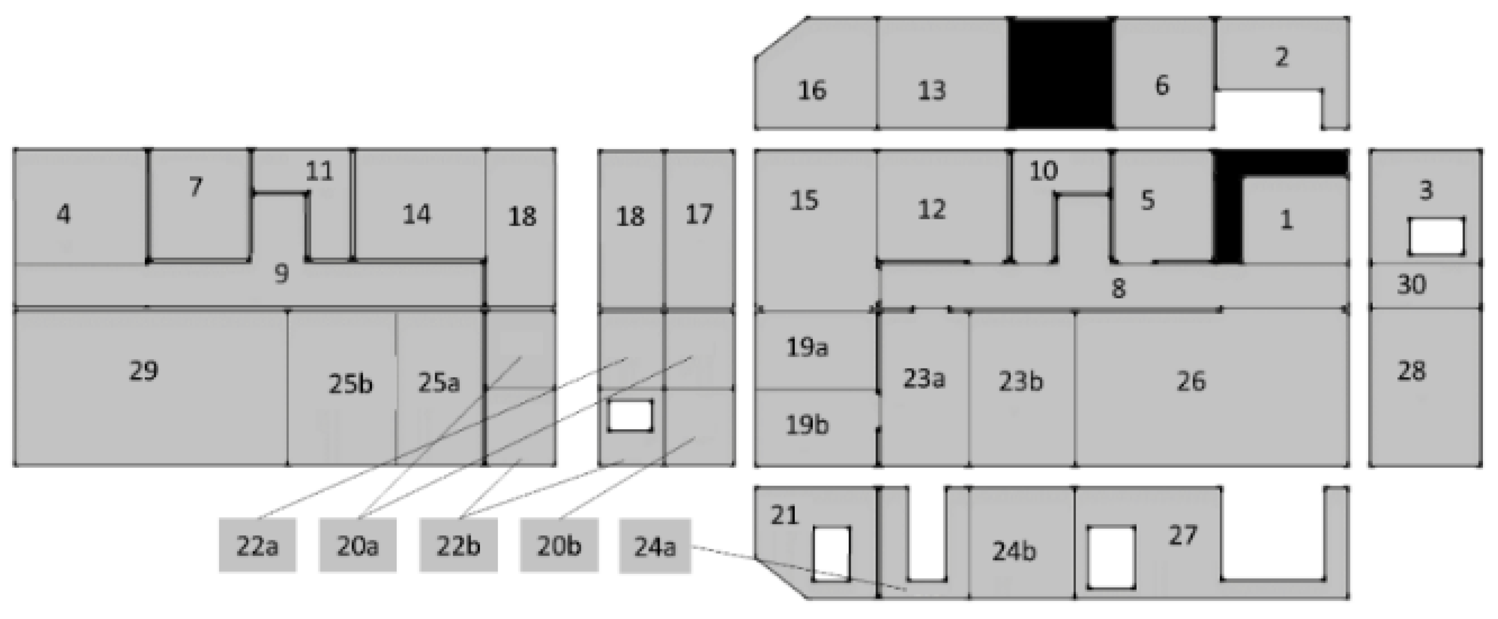
2. Description of the Experimental Facility
2.1. Structure and Composition
2.2. Thermal Transfer through Ventilation and Openings
2.3. Thermal Transfer through the Envelope
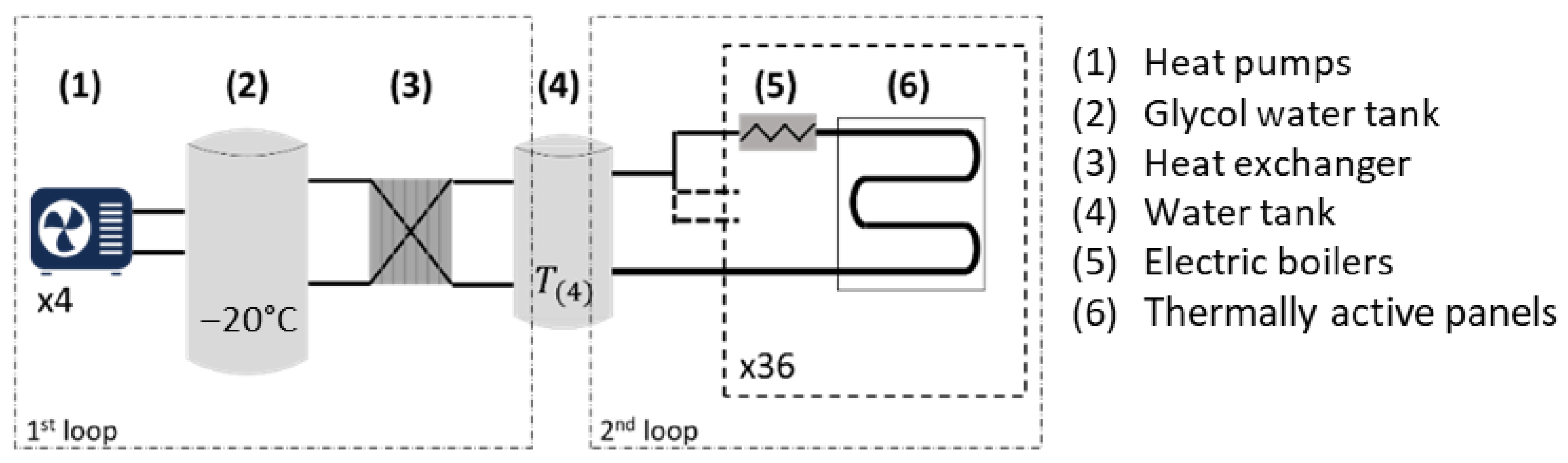
2.3.1. Control of the Thermally Active Panels
2.3.2. Calculation of the Inner Surface Temperature
2.4. Measurement Setup
2.5. Dynamical Control of the Experimental Facility
- The indoor air temperature, as well as each surface temperature of the envelope, are measured
- The next line of the weather file is read (air temperature and solar radiation)
- The air temperature of the cold chamber is set equal to the one read in the weather file
- Equations (3)–(6) are used to obtain the temperature to reach on the envelope during the next five minutes (for the 36 surfaces)
- TAPs are controlled to reach the set points calculated in step 4
3. Results and Discussion
3.1. Accuracy of the Envelope Temperature Regulation
3.2. Analysis of the Thermal Inertia Controlling in the Test Chamber
3.3. Analysis of the Thermal Response Reproduction in the Presence of a Heating System
3.4. Advantages and Limits of the Experimental Facility
4. Conclusions
Author Contributions
Funding
Institutional Review Board Statement
Informed Consent Statement
Data Availability Statement
Acknowledgments
Conflicts of Interest
Nomenclature
| α | Thermal diffusivity | |
| Δt | Time step | |
| Δx | Mesh space step | |
| λ | Thermal conductivity | |
| φ | Heat flux | |
| ρ | Density | |
| Specific heat | ||
| h | Heat transfer coefficient | |
| Fo | Fourier number | |
| T | Temperature | |
| [ | Air flow |
References
- Guo, Y.; Wang, J.; Chen, H.; Li, G. Machine learning-based thermal response time ahead energy demand prediction for building heating systems. Appl. Energy 2018, 221, 16–27. [Google Scholar] [CrossRef]
- Bianchini, G.; Casini, M.; Vicino, A.; Zarrilli, D. Demand-response in building heating systems: A model predictive control approach. Appl. Energy 2016, 168, 159–170. [Google Scholar] [CrossRef]
- Chiffres clés de l’énergie Commissariat Général au Développement Durable. 2018. Available online: https://www.statistiques.developpement-durable.gouv.fr/sites/default/files/2018–10/datalab-43-chiffres-cles-de-l-energie-edition-_2018-septembre2018.pdf (accessed on 13 November 2021).
- Ürge-Vorsatza, D.; Cabeza, L.F.; Serrano, S.; Barreneche, C.; Petrichenko, K. Heating and cooling energy trends and drivers in buildings. Renew. Sustain. Energy Rev. 2015, 41, 85–98. [Google Scholar] [CrossRef] [Green Version]
- Aditya, L.; Mahliaa, T.M.I.; Rismanchi, B.; Ng, H.M.; Hasane, M.H.; Metselaar, H.S.C.; Muraza, O.; Aditiya, H.B. A review on insulation materials for energy conservation in buildings. Renew. Sustain. Energy Rev. 2017, 73, 1352–1365. [Google Scholar] [CrossRef]
- Jelle, B.P. Traditional, state-of-the-art and future thermal building insulation materials and solutions–Properties, requirements and possibilities. Energy Build. 2011, 43, 2549–2563. [Google Scholar] [CrossRef] [Green Version]
- Gönülol, O.; Tokuç, A. Net zero energy residential building architecture in the future. In Exergetic, Energetic and Environmental Dimensions; Dincer, I., Colpan, C.O., Kizilkan, O., Eds.; Academic Press: Cambridge, MA, USA, 2018; pp. 39–53. [Google Scholar]
- Bond, D.E.M.; Clark, W.W.; Kimber, M. Configuring wall layers for improved insulation performance. Appl. Energy 2013, 112, 235–245. [Google Scholar] [CrossRef]
- Schakib-Ekbatan, K.; Çakıcı, F.Z.; Schweiker, M.; Wagner, A. Does the occupant behavior match the energy concept of the building?—Analysis of a German naturally ventilated office building. Build. Environ. 2015, 84, 142–150. [Google Scholar] [CrossRef]
- Foucquier, A.; Robert, S.; Suard, F.; Stéphan, L.; Jay, A. State of the art in building modelling and energy performances prediction: A review. Renew. Sustain. Energy Rev. 2013, 23, 272–288. [Google Scholar] [CrossRef] [Green Version]
- Luo, N.; Weng, W.G.; Fu, M.; Yang, J.; Han, Z.Y. Experimental study of the effects of human movement on the convective heat transfer coefficient. Exp. Therm. Fluid Sci. 2014, 57, 40–56. [Google Scholar] [CrossRef]
- Tian, W.; Han, X.; Zuo, W.; Sohn, M.D. Building energy simulation coupled with CFD for indoor environment: A critical review and recent applications. Energy Build. 2018, 165, 184–199. [Google Scholar] [CrossRef]
- Fraunhofer, Twin Houses, Energy Efficiency and Indoor Climate. Fraunhofer Institute. Available online: https://www.ibp.fraunhofer.de/en/press-media/research-in-focus/reality-check.html (accessed on 13 November 2021).
- Spitz, C. Analysis of Simulation Tools Reliability and Measurement Uncertainties for Energy Efficiency in Buildings. Ph.D. Thesis, Université de Grenoble, Saint-Martin-d’Hères, France, March 2012. [Google Scholar]
- Sun, C.; Shu, S.; Ding, G.; Zhang, X.; Hu, X. Investigation of time lags and decrement factors for different building outside temperatures. Energy Build. 2013, 61, 1–7. [Google Scholar] [CrossRef]
- Housing Conditions in France. 2022 INSEE Survey. Available online: https://www.insee.fr/fr/statistiques/fichier/2586377/LOGFRA17.pdf (accessed on 22 February 2022).
- Mazzeo, D.; Oliveti, G.; Arcuri, N. Influence of internal and external boundary conditions on the decrement factor and time lag heat flux of building walls in steady periodic regime. Appl. Energy 2016, 164, 509–531. [Google Scholar] [CrossRef]
- Lefebvre, G. Comportement Thermique Dynamique des Parois Planes. Technique de l’Ingénieur 1992. Available online: https://www.techniques-ingenieur.fr/base-documentaire/tiabeb-archives-ressources-energetiques-et-stockage/download/b2040/1/comportement-thermique-dynamique-des-parois-planes.html (accessed on 14 December 2021).
- Fraisse, G.; Viardot, C.; Lafaabrie, O.; Achard, G. Development of a simplified and accurate building model based on electrical analogy. Energy Build. 2002, 34, 1017–1031. [Google Scholar] [CrossRef]
- Pal, S.; Roy, B.; Neogi, S. Heat transfer modelling on windows and glazing under the exposure of solar radiation. Energy Build. 2009, 41, 654–661. [Google Scholar] [CrossRef]
- Incropera, F.P.; DeWitt, D.P.; Bergman, T.L.; Lavine, A.S. Fundamentals of Heat and Mass Transfer; Wiley: New York, NY, USA, 2007. [Google Scholar]
- Lienhard, J.H., IV; Lienhard, J.H., V. A Heat Transfer Textbook, 5th ed.; Phlogiston Press: Cambridge, MA, USA, 2019. [Google Scholar]
- Wallentén, P. Convective heat transfer coefficients in a full-scale room with and without furniture. Build. Environ. 2001, 36, 743–751. [Google Scholar] [CrossRef]
- Churchill, S.W.; Chu, H.H.S. Correlating equations for laminar and turbulent free convection from a vertical plate. Int. J. Heat Mass Transf. 1975, 18, 1323–1329. [Google Scholar] [CrossRef]
- Liu, J.; Li, Y.; Zhao, H. A temperature measurement system based on PT100. In Proceedings of the International Conference on Electrical and Control Engineering, Wuhan, China, 25–27 June 2010. [Google Scholar]
- Copeland, B.R. The Design of PID Controllers Using Ziegler Nichols Tuning. 2008. Available online: http://educypedia.karadimov.info/library/Ziegler_Nichols.pdf (accessed on 25 September 2020).
- Crawley, D.B.; Hand, J.; Kummert, M.; Griffith, B.T. Contrasting the capabilities of building energy performance simulation programs. Build. Environ. 2008, 43, 661–673. [Google Scholar] [CrossRef] [Green Version]
- Pelletret, R.; Liebecq, G.; Allard, F.; Van Der Maas, J. Modelling of large openings. In Proceedings of the 12th Conference on Air Movement and Ventilation Control Within Buildings, Ottawa, ON, Canada, 24–27 September 1991. [Google Scholar]
- Mitalas, G.; Arseneault, J. Fortran IV Program to Calculate z-Transfer Functions for the Calculation of Transient Heat Transfer Through Walls and Roofs, 1972, NRC. Available online: https://nrc-publications.canada.ca/eng/view/fulltext/?id=9a383a07-6830-401d-a3a7-ab15ad077208 (accessed on 7 June 2020).
- Henninger, R.H.; Witte, M.J. EnergyPlus Testing with ANSI/ASHRAE Standard 140-2001 (BESTEST). 2004. Available online: https://simulationresearch.lbl.gov/dirpubs/epl_bestest_ash.pdf (accessed on 18 July 2020).
- Chahwane, L. Valorization of Thermal Mass for the Energy Performances of Buildings. Ph.D. Thesis, Université de Grenoble, Saint-Martin-d’Hères, France, October 2011. [Google Scholar]
- Bilsborrow, R.E.; Fricke, F.R. Model verification of analogue infiltration predictions. Build. Sci. 1975, 10, 217–230. [Google Scholar] [CrossRef]
- Meng, Q.; Wang, Y.; Zhang, L. Irradiance characteristics and optimization design of a large-scale solar simulator. Sol. Energy 2011, 85, 1758–1767. [Google Scholar] [CrossRef]





















| Layer (In to Out) | Thickness(m) | Thermal Conductivity (W/mK) | Density (kg/m3) | Specific Heat (J/kg K) |
|---|---|---|---|---|
| Floor | ||||
| Sprung floor | 0.0025 | 0.14 | 650 | 1200 |
| Insulation | 0.99 | 0.04 | 10 | 130 |
| Ceiling | ||||
| Plasterboard | 0.013 | 0.16 | 950 | 840 |
| Glass wool | 0.112 | 0.04 | 12 | 840 |
| Roof cover | 0.019 | 0.14 | 530 | 900 |
| Vertical walls | ||||
| Insulation | 0.062 | 0.04 | 10 | 1400 |
| Concrete | 0.10 | 0.51 | 1400 | 1000 |
Publisher’s Note: MDPI stays neutral with regard to jurisdictional claims in published maps and institutional affiliations. |
© 2022 by the authors. Licensee MDPI, Basel, Switzerland. This article is an open access article distributed under the terms and conditions of the Creative Commons Attribution (CC BY) license (https://creativecommons.org/licenses/by/4.0/).
Share and Cite
Freppel, W.; Promis, G.; Tran Le, A.D.; Douzane, O.; Langlet, T. Development of a Novel Experimental Facility to Assess Heating Systems’ Behaviour in Buildings. Energies 2022, 15, 4615. https://doi.org/10.3390/en15134615
Freppel W, Promis G, Tran Le AD, Douzane O, Langlet T. Development of a Novel Experimental Facility to Assess Heating Systems’ Behaviour in Buildings. Energies. 2022; 15(13):4615. https://doi.org/10.3390/en15134615
Chicago/Turabian StyleFreppel, Wirich, Geoffrey Promis, Anh Dung Tran Le, Omar Douzane, and Thierry Langlet. 2022. "Development of a Novel Experimental Facility to Assess Heating Systems’ Behaviour in Buildings" Energies 15, no. 13: 4615. https://doi.org/10.3390/en15134615
APA StyleFreppel, W., Promis, G., Tran Le, A. D., Douzane, O., & Langlet, T. (2022). Development of a Novel Experimental Facility to Assess Heating Systems’ Behaviour in Buildings. Energies, 15(13), 4615. https://doi.org/10.3390/en15134615

