Two-Stage Chance-Constrained Coordinated Operation of an Integrated Gas–Electric System
Abstract
:1. Introduction
- (1)
- In this paper, we propose a two-stage chance-constrained coordinated scheduling model of an IGES considering the uncertainty of wind power generation. The first stage minimizes the operation cost according to a base-case scenario and the second stage ensures that a certain range of wind generation is accommodated via chance constraints.
- (2)
- Chance constraints describing the utilization of wind power are recast into a group of mixed integer linear constraints via a strong extended formulation for a sample average approximation. In addition, nonlinear Weymouth equations are linearized by the Taylor series expansion method, where pressure recovery is further carried out to obtain high quality solutions.
2. Deterministic Scheduling Model
2.1. Objective Function
2.2. Constraints of an EPS
2.3. Constraints of a Natural Gas System
2.4. Abstract Formulation
3. The Proposed Two-Stage Coordinated Operation Model
4. Solution Methodology
4.1. Reformulation of the Chance Constraint
4.2. Linearization of the Weymouth Equation via Taylor Series Expansion (TSE)
5. Case Studies
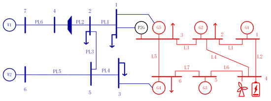
5.1. System Settings
5.2. Deterministic Model
5.3. Scheduling Model Considering Chance Constraints
5.4. Sensitivity Analysis
6. Conclusions
Author Contributions
Funding
Data Availability Statement
Conflicts of Interest
Nomenclature
| Indices: | |
| Index of P2G equipment. | |
| 𝑐 | Index of natural gas compressor. |
| 𝑑 | Index of load. |
| 𝑒 | Index of bus. |
| 𝑔 | Index of natural gas load. |
| 𝑖 | Index of generating units. |
| 𝑗 | Index of natural gas well. |
| 𝑘 | Index of scenarios. |
| 𝑙 | Index of transmission line. |
| 𝑚, 𝑛 | Index of natural gas network nodes. |
| 𝑠 | Index of ESS. |
| 𝑡 | Index of the time. |
| 𝑤 | Index of wind power units. |
| Index of scenarios. | |
| Element index in descending order. | |
| Variables: | |
| Number of breakpoints of natural gas pressure. | |
| Ramp-down limit of unit . | |
| Energy storage volume of ESS . | |
| Coal fuel consumption of unit when its power generation equals . | |
| Natural gas production of P2G equipment . | |
| Total demand of natural gas load. | |
| Natural gas consumption of gas turbine unit . | |
| Production of natural gas well . | |
| Natural gas flow in natural gas pipeline between node and node . | |
| Transmission gas flow of natural gas pipeline between system node and under node pressure . | |
| Gas flow remainder after first-order TSE. | |
| Natural gas flow in pipeline . | |
| Natural gas flow where the compressor station is located. | |
| Collection of equipment connected to node in natural gas system. | |
| Commitment status of P2G equipment . | |
| Commitment status of unit . | |
| Charge status of ESS . | |
| Discharge status of ESS . | |
| Power output of P2G equipment . | |
| Total demand of load . | |
| Predicted wind power output of wind power unit . | |
| Predicted wind power output of scenario . | |
| Predicted wind power output of scenario . | |
| Output of thermal power unit . | |
| Output of ESS . | |
| Charging power of ESS . | |
| Discharging power of ESS . | |
| Output of wind power unit . | |
| Power flow of power transmission line . | |
| Binary variables. | |
| Receiving node of compressor . | |
| Receiving bus of transmission line . | |
| Receiving node of gas pipeline . | |
| Shutdown costs of unit . | |
| Shutdown fuel costs of unit . | |
| Startup costs of unit . | |
| Sending node of compressor . | |
| Sending bus of transmission line . | |
| Sending node of gas pipeline . | |
| Startup fuel costs of unit . | |
| Minimum shutdown time of unit . | |
| Minimum start-up time of unit . | |
| Ramp-up limit of unit . | |
| Binary variable of scenario . | |
| Reactance of transmission line . | |
| Shutdown time of unit . | |
| Start-up time of unit . | |
| Percent of wind power utilization. | |
| Intermediate variable represents difference between and . | |
| Binary variables. | |
| Total number of scenarios. | |
| Risk level of chance constraint. | |
| Number of unacceptable scenarios. | |
| Phase angle of bus . | |
| Phase angles of the receiving bus of the transmission line . | |
| Phase angles of the sending bus of the transmission line . | |
| Auxiliary variables that help make the problem solvable. | |
| Gas pressure of natural gas system node and . | |
| Fixed pressure node. | |
| Known node pressure. | |
| Breakpoint node pressure in . | |
| Positive penalty factor. | |
| Compression constant leading natural gas flow from low-pressure node to high-pressure node of gas network, . | |
| Constants: | |
| Cost coefficient of gas turbine unit . | |
| Cost coefficient of gas turbine unit . | |
| Cost coefficient of gas turbine unit . | |
| Operation cost of ESS . | |
| Fuel price of unit . | |
| Production cost of natural gas well . | |
| Maximum capacity of gas well . | |
| Minimum capacity of gas well . | |
| Heating value of natural gas, which is 1.026 MBtu/kcf. | |
| Weymouth characteristic parameter of natural gas system node and . | |
| A large enough number. | |
| Energy convert efficiency of P2G equipment . | |
| Charge efficiency of ESS . | |
| Discharge efficiency of ESS . | |
| Energy conversion coefficient, . | |
| Minimum/maximum value of a quantity. | |
| Vectors: | |
| Abstract matrices and vectors associated with coefficients of costs and constraints. | |
| Nonlinear function of binary vector and continuous vector . | |
| Corrective ramp of units. | |
| Binary vector. | |
| Continuous vector. | |
| Uncertain system dispatch vectors under uncertain circumstances. | |
| Sets and functions: | |
| Heat rate curve function of gas-fired units. | |
| Set of gas-fired units. | |
| Set of thermal power units. | |
| Set of devices connected to bus . | |
| Probability. | |
| Function of natural gas flow direction. | |
References
- IRENA. Renewable Energy Technologies. 2021. Available online: https://www.irena.org/Statistics/View-Data-by-Topic/Capacity-and-Generation/Technologies (accessed on 27 April 2022).
- Wu, C.; Zhang, X.-P.; Sterling, M. Wind power generation variations and aggregations. CSEE J. Power Energy Syst. 2022, 8, 17–38. [Google Scholar]
- Han, D.; Ma, J.; Xue, A.; Lin, T.; Zhang, G. The uncertainty and its influence of wind generated power on power system transient stability under different penetration. In Proceedings of the 2014 International Conference on Power System Technology, Chengdu, China, 20–22 October 2014; pp. 675–680. [Google Scholar]
- Fambri, G.; Diaz-Londono, C.; Mazza, A.; Badami, M.; Sihvonen, T.; Weiss, R. Techno-economic analysis of Power-to-Gas plants in a gas and electricity distribution network system with high renewable energy penetration. Appl. Energy 2022, 312, 118743. [Google Scholar] [CrossRef]
- Wang, J.; Xu, X.; Li, H.; Chen, H. Two-stage robust optimization of thermal-ESS units scheduling under wind uncertainty. Energy Rep. 2022, 8 (Suppl. 5), 1147–1155. [Google Scholar] [CrossRef]
- Roald, L.A.; Sundar, K.; Zlotnik, A.; Misra, S.; Andersson, G. An Uncertainty Management Framework for Integrated Gas-Electric Energy Systems. Proc. IEEE 2020, 108, 1518–1540. [Google Scholar] [CrossRef]
- Clegg, S.; Mancarella, P. Integrated Modeling and Assessment of the Operational Impact of Power-to-Gas (P2G) on Electrical and Gas Transmission Networks. IEEE Trans. Sustain. Energy 2015, 6, 1234–1244. [Google Scholar] [CrossRef]
- Zlotnik, A.; Roald, L.; Backhaus, S.; Chertkov, M.; Andersson, G. Coordinated Scheduling for Interdependent Electric Power and Natural Gas Infrastructures. IEEE Trans. Power Syst. 2017, 32, 600–610. [Google Scholar] [CrossRef]
- Bai, L.; Li, F.; Cui, H.; Jiang, T.; Sun, H.; Zhu, J. Interval optimization based operating strategy for gas-electricity integrated energy systems considering demand response and wind uncertainty. Appl. Energy 2016, 167, 270–279. [Google Scholar] [CrossRef] [Green Version]
- Alvarez, G.E. Stochastic optimization considering the uncertainties in the electricity demand, natural gas infrastructures, photovoltaic units, and wind generation. Comput. Chem. Eng. 2022, 160, 107712. [Google Scholar] [CrossRef]
- Li, G.; Zhang, R.; Jiang, T.; Chen, H.; Bai, L.; Li, X. Security-constrained bi-level economic dispatch model for integrated natural gas and electricity systems considering wind power and power-to-gas process. Appl. Energy 2017, 194, 696–704. [Google Scholar] [CrossRef]
- Xue, Y.; Lei, X.; Xue, F. A review on impacts of wind power uncertainties on power systems. Proc. CSEE 2014, 34, 5029–5040. [Google Scholar]
- Qiu, F.; Wang, J. Chance-Constrained Transmission Switching with Guaranteed Wind Power Utilization. IEEE Trans. Power Syst. 2015, 30, 1270–1278. [Google Scholar] [CrossRef]
- Duan, J.; Yang, Y.; Liu, F. Distributed optimization of integrated electricity-natural gas distribution networks considering wind power uncertainties. Int. J. Electr. Power Energy Syst. 2022, 135, 107460. [Google Scholar] [CrossRef]
- Liang, Z.; Chen, H.; Chen, S.; Wang, Y.; Zhang, C.; Kang, C. Robust Transmission Expansion Planning Based on Adaptive Uncertainty Set Optimization Under High-Penetration Wind Power Generation. IEEE Trans. Power Syst. 2021, 36, 2798–2814. [Google Scholar] [CrossRef]
- Almasabi, S.; Sulaeman, S.; Nguyen, N.; Mitra, J. Cost benefit analysis for wind power penetration. In Proceedings of the 2017 North American Power Symposium (NAPS), Morgantown, WV, USA, 17–19 September 2017; pp. 1–6. [Google Scholar]
- Shahidehpour, M.; Fu, Y.; Wiedman, T. Impact of Natural Gas Infrastructure on Electric Power Systems. Proc. IEEE 2005, 93, 1042–1056. [Google Scholar] [CrossRef]
- Zeng, Q.; Zhang, B.; Fang, J.; Chen, Z. Coordinated Operation of the Electricity and Natural Gas Systems with Bi-directional Energy Conversion. Energy Procedia 2017, 105, 492–497. [Google Scholar] [CrossRef]
- Zhang, Z.; Zhang, Y.; Huang, Q.; Lee, W. Market-oriented optimal dispatching strategy for a wind farm with a multiple stage hybrid energy storage system. CSEE J. Power Energy Syst. 2018, 4, 417–424. [Google Scholar] [CrossRef]
- Liu, J.; Bao, H. Research on interest coordination model of wind power supply chain with energy storage participation. J. Energy Storage 2022, 49, 104107. [Google Scholar] [CrossRef]
- Dadashi, M.; Zare, K.; Seyedi, H.; Shafie-khah, M. Coordination of wind power producers with an energy storage system for the optimal participation in wholesale electricity markets. Int. J. Electr. Power Energy Syst. 2022, 136, 107672. [Google Scholar] [CrossRef]
- Luo, W.; Feng, S.; Ge, W.; Wang, Z. Research on the control strategy of large-scale wind power energy storage system. In Proceedings of the IEEE PES Innovative Smart Grid Technologies, Tianjin, China, 21–24 May 2012; pp. 1–4. [Google Scholar]
- Li, Y.; Wang, J.; Han, Y.; Zhao, Q.; Fang, X.; Cao, Z. Robust and opportunistic scheduling of district integrated natural gas and power system with high wind power penetration considering demand flexibility and compressed air energy storage. J. Clean. Prod. 2020, 256, 120456. [Google Scholar] [CrossRef]
- De Boer, H.S.; Grond, L.; Moll, H.; Benders, R. The application of power-to-gas, pumped hydro storage and compressed air energy storage in an electricity system at different wind power penetration levels. Energy 2014, 72, 360–370. [Google Scholar] [CrossRef]
- Ye, S.; Liu, T.; Zhang, Q.; He, C.; Nan, L. Chance-constrained Optimal Scheduling of Integrated Gas-electric System. In Proceedings of the 2021 Power System and Green Energy Conference (PSGEC), Shanghai, China, 20–22 August 2021; pp. 531–536. [Google Scholar]
- Wang, C.; Wang, Z.; Wang, J.; Hou, Y. Chance-constrained maintenance scheduling for interdependent power and natural gas grids considering wind power uncertainty. IET Gener. Transm. Distrib. 2019, 13, 686–694. [Google Scholar] [CrossRef]
- He, C.; Wu, L.; Liu, T.; Wei, W.; Wang, C. Co-optimization scheduling of interdependent power and gas systems with electricity and gas uncertainties. Energy 2018, 159, 1003–1015. [Google Scholar] [CrossRef]














| Generators | G1 | G2 | G3 | G4 | G5 |
|---|---|---|---|---|---|
| Lower limits (MW) | 130 | 50 | 30 | 25 | 10 |
| Upper limits (MW) | 250 | 200 | 80 | 100 | 50 |
| Ramp rates (MW/h) | 125 | 100 | 40 | 50 | 40 |
| Minimum start–stop time (h) | 8 | 8 | 4 | 5 | 3 |
| Start–stop heat consumption (MBtu) | 1500 | 1500 | 100 | 50 | 50 |
| Fuel price (USD/MBtu) | 2.5 | 2.5 | 2.5 | 3 | 3 |
| Lower Limits (MW) | Upper Limits (MW) | Capacity (MW) | Efficiency |
|---|---|---|---|
| 0 | 30 | 150 | 0.9 |
| Number of Breakpoints | Maximum Relative Error | Computing Time (s) |
|---|---|---|
| 10 | 1.0997 × 10−4 | 0.024 |
| 45 | 4.3993 × 10−7 | 0.032 |
| 100 | 1.1055 × 10−8 | 0.034 |
| 500 | 2.1646 × 10−9 | 0.034 |
| 1000 | 1.0550 × 10−9 | 0.036 |
| Total Cost (USD) | Coal Cost (USD) | Gas Cost (USD) | |
|---|---|---|---|
| Case 1 | 527,990 | 175,106 | 352,884 |
| Case 2 | 527,838 | 175,106 | 352,732 |
| Case 3 | 533,881 | 181,102 | 352,779 |
| Case 4 | 530,029 | 178,841 | 351,188 |
| Parameters | Unit Time (Hours) | System Cost (USD) | |
|---|---|---|---|
| Instance 1 | , , , | 75 | 531,832 |
| Instance 2 | , , , | 75 | 532,751 |
| Instance 3 | , , , | 75 | 537,411 |
| Instance 4 | , , , | 78 | 550,293 |
| Instance 5 | , , , | 78 | 549,882 |
| Instance 6 | , , , | 78 | 549,890 |
| Instance 7 | , , , | 79 | 564,679 |
| Instance 8 | , , , | 79 | 564,478 |
Publisher’s Note: MDPI stays neutral with regard to jurisdictional claims in published maps and institutional affiliations. |
© 2022 by the authors. Licensee MDPI, Basel, Switzerland. This article is an open access article distributed under the terms and conditions of the Creative Commons Attribution (CC BY) license (https://creativecommons.org/licenses/by/4.0/).
Share and Cite
Zhang, Y.; He, C.; Xv, A.; Tang, X. Two-Stage Chance-Constrained Coordinated Operation of an Integrated Gas–Electric System. Energies 2022, 15, 4458. https://doi.org/10.3390/en15124458
Zhang Y, He C, Xv A, Tang X. Two-Stage Chance-Constrained Coordinated Operation of an Integrated Gas–Electric System. Energies. 2022; 15(12):4458. https://doi.org/10.3390/en15124458
Chicago/Turabian StyleZhang, Yuqi, Chuan He, Anqi Xv, and Xiaoxiao Tang. 2022. "Two-Stage Chance-Constrained Coordinated Operation of an Integrated Gas–Electric System" Energies 15, no. 12: 4458. https://doi.org/10.3390/en15124458
APA StyleZhang, Y., He, C., Xv, A., & Tang, X. (2022). Two-Stage Chance-Constrained Coordinated Operation of an Integrated Gas–Electric System. Energies, 15(12), 4458. https://doi.org/10.3390/en15124458
